Микропроцессорная система сбора и обработки сигналов
Аннотация
микроконтроллер
генератор программный сигнал
В данной курсовой работе осуществляется подбор
элементов, необходимых для организации микропроцессорной системы сбора и
обработки сигналов. Этот выбор происходит согласно техническому заданию,
содержащему параметры устройства и сигналов. В работе приводится описание
выбранного микропроцессора, запоминающих, периферийных устройств и согласующих
микросхем. Помимо этого предлагается альтернативы микросхем ОЗУ, коммутатора,
АЦП и самого микропроцессора, а также описаны возможные схемы подключения.
Прилагается оптимальная, электрическая функциональная схема из предложенных.
The summary
the given course work selection of
elements necessary for the organization of microprocessor system of gathering
and processing of signals is carried out. This choice occurs according to the
technical project. Containing parameters of the device and signals. In work the
description of the chosen microprocessor, remembering, peripheral devices and
agreeing microcircuits is resulted. Besides it the read-only STORAGE, the
switchboard is offered alternatives of microcircuits of the RAM, A/D and the
microprocessor, and also possible circuits of connection are described. The
optimum electric function circuit from offered is applied.
Содержание
Введение
1. Анализ
технического задания
. Разработка
структурной схемы
.
Выбор
элементной базы
3.1
Выбор
микроконтроллера
3.2 Выбор микросхем
для реализации системной шины
3.3
Выбор
памяти
3.4
Выбор
кварцевого генератора
3.5
Выбор сторожевого таймера
3.6
Выбор
индикатора
.7
Выбор
ППИ
3.8
Выбор
коммутатора
3.9
Выбор
АЦП
3.10
Выбор
последовательного порта
.
Разработка
функциональной схемы
5.
Разработка
программного обеспечения
Заключение
Список
использованной литературы
Введение
Микропроцессорные устройства
(МПУ) используются практически во всех областях деятельности человека, имеют
самые разнообразные назначения и выполняют различные функции. При всем
многообразии функций общими для МПУ являются управление устройствами ввода,
обработки и преобразования информации, управления устройствами вывода и
исполнительными устройствами. По назначению и применяемости МПУ могут быть
подразделены на следующие виды:
-встроенные
МПУ для управления оборудованием, которые часто называют контроллерами;
-МПУ или микропроцессорные
системы (МПС) управления группой оборудования;
-МПУ или МПС обработки
информации. Основным целевым объектом таких систем является человек, который
называется пользователем МПУ или МПС;
-МПУ или МПС
автоматизированного управления каким-либо процессом, например технологическим
процессом, испытаниями, измерением, экспериментом, проектированием и т.п.
Первый микропроцессор,
выпущенный фирмой INTEL
появился в 1971 году который положил начало компьютеризации. За чуть более чем
25 лет процессоры прошли поистине гигантский путь. Первый
МП фирмы Intel 4004 работал на
частоте 750 Кгц и производительность его оценивалась в 60 тыс. операций в
секунду. На сегодняшний день реальная производительность микропроцессоров
превзошла 1300 Мгц. В течение четырех лет, начиная с 1976г. фирмой INTEL
разрабатывалось семейство 8-разрядных однокристальных микроконтроллеров с
программным управлением iMCS-48,которое
получило широкое распространение. К этому семейству относят отечественные
однокристальные микроЭВМ типов К1816ВЕ35 и К1816ВЕ49.
Вычислительные возможности первых
однокристальных микроЭВМ были исчерпаны уже к началу 80-х гг.На смену пришло
семейство микроконтроллеров iMCS-51
в 1981г..И эти МП стали на сегодняшний самыми востребованными. Каждый год
появляются все новые варианты представителей этого семейства. Основными
направлениями развития являются: увеличение быстродействия (повышение тактовой
частоты и переработка архитектуры), снижение напряжения питания и потребления,
увеличение объема ОЗУ и FLASH памяти на кристалле с возможностью внутрисхемного
программирования, введение в состав периферии микроконтроллера сложных
устройств типа системы управления приводами, CAN и USB интерфейсов и т.п.
1. Анализ
технического задания
Исходя из технического задания, необходимо
разработать микропроцессорную систему для сбора данных с аналоговых датчиков с
накоплением информации в памяти микропроцессорной системы Проанализируем
последовательно каждый пункт из технического задания:
)Среди однокристальных МК отечественного производства
следует отметить БИС К1816ВЕ49-базовый прибор МПК. В состав комплекта входят
пять элементов: К1816ВЕ48,
К1816ВЕ49,
К1816ВЕ35,
К1816ВЕ39,
отличающимися функциональными возможностями памяти программ. В К1816ВЕ49
используется масочное ПЗУ, а в К1816ВЕ48 ПЗУ с УФ стиранием, а К1816ВЕ35/ВЕ39
представляет модель без ПЗУ. По данному техническому заданию мне задан
микропроцессор типа К1816ВЕ49.Он является аналогом семейства iMCS-49.В
основу его архитектуры положена организация гарвардского типа, ориентированная
на интенсивное использование двух банков рабочих регистров и операций ВВ.
Микроконтроллер МК49 имеет на
кристалле (в корпусе БИС) следующие аппаратурные средства:
сопроцессор разрядностью 1
байт;
стираемое программируемое ПЗУ
программ емкостью 1 Кбайт;
ОЗУ данных емкостью 64 байта;
программируемый 8-битный
таймер/счетчик;
программируемые схемы
ввода/вывода (27 линий);
блок векторного прерывания от
двух источников,
генератор;
схему синхронизации и
управления.
Микроконтроллер МК48 может
работать в диапазоне частот синхронизации от 1 до 6 МГц
минимальное время выполнения
команды составляет 2,5 мкс.
2)Частотный диапазон входных
сигналов находиться в пределах от 20 Гц. до 20000 Гц. И мы должны обеспечить
устойчивую и стабильную работу микроконтроллера в данном диапазоне. На данном
диапазоне используется стандартная частота дискретизации F = 44,1 кГц,
мс.
) Точность представления сигнала
связана с разрядностью АЦП.
Ввод сигнала, его представление в
дискретную форму, проводится с учетом его требуемого интервала дискретизации,
определяемой теоремой Котельникова, согласно формуле(1).Величина 
определяет временной интервал только
для одного сигнала.
, (1)
Где fВ верхняя
гармоника сигнала, Гц
, (2)
Где f0 частота
сигнала, Гц
кГц,
мкс
Быстродействие АЦП составит 11,35
мкс.Разрядность определим исходя из погрешности представления информации δпр
Определим число разрядов АЦП исходя
из формулы (3)
, (3)
Приходим к выводу ,что нам подходит
8 разрядная АЦП.
)Микропроцессор должен работать в
диапазоне от -10 до 0 В. При этом заданный диапазон не соответствует
стандартному диапазону работы микропроцессора, поэтому в структурной схеме
необходимо предусмотреть согласующий усилитель.
)В данной курсовой работе нам
необходимо спроектировать микропроцессорную систему сбора и обработки
аналоговых сигналов на базе микроконтроллера К1816ВЕ49. Эта система должна
получать аналоговые сигналы с 16 датчиков.
)Количество накопляемых отсчетов 100
при кодировании каждого отсчета 8 битами, то есть 1 байтом займет 1 Кбайт в
оперативной памяти.
7) С помощью АЦП можно преобразовывать
аналоговый сигнал в цифровой и записывать данные об этом сигнале в ОЗУ. В моем
варианте объем ОЗУ равно 4К. Блок ОЗУ предназначен для кратковременного или
длительного хранения информации, которая в ходе работы устройства отображается
на индикаторе.
) Для контролирования микропроцессорной системы
используются 4 кнопки управления.
)Жидкокристаллическая индикация.
Алфавитно-цифровые ЖКИ-модули представляют собой недорогое и удобное решение,
позволяющее сэкономить время и ресурсы при разработке новых изделий, при этом
обеспечивают отображение большого объема информации при хорошей различимости и
низком энергопотреблении.
10)Количество индикаторов - 8.
11)Тип последовательного канала - RS232C,
12) Реализация программы ввода кода нажатой
клавиши и вывода информации на индикацию.
На основании параметров технического задания
можно поставить следующие цели: разработать схему сбора и обработки информации,
определить критерии элементов и подобрать соответствующие компоненты системы.
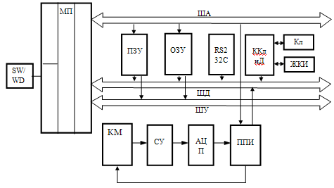
Структурная схема представляет собой соединение
и модификация типовой микропроцессорной системы с учетом особенностей
конкретных элементов этой структуры.
Рисунок 2.1-Структурная схема микропроцессорной
системы
По техническому заданию необходимо использовать
МК К1816ВЕ49, схема которого показана на рисунке 2.1.Она состоит из следующих
основных блоков: центрального микропроцессора, ПЗУ ,ОЗУ, последовательный порт,
контроллер клавиатуры и дисплея, предназначенный для ввода данных с клавиатуры
и вывода информации на дисплей, коммутатор, согласующее устройство, АЦП,
программируемый параллельный интерфейс, сторожевой таймер, кварцевый резонатор.
Возможно подключение рассмотренных устройств к
системной шине МК или к свободным портам ввода/вывода. Подключение к портам
ввода/вывода обеспечивает гибкость в управлении устройством, но усложняет
программное обеспечение.
Подключение к системной шине требует согласования
временных характеристик подключаемых устройств и системной шины.
При таком подключении упрощается
программирование МК при работе с данными устройствами. Для проведения арбитража
на системной шине необходимо введение дешифраторов. При магистральном
подключении возможно расширение микропроцессорной системы, подключая
дополнительные компоненты.
3. Выбор
элементной базы
3.1
Выбор
микроконтроллера
Данная микросхема К1816ВЕ49
предназначена для использования в системах обработки информации в качестве
высокопроизводительных контроллеров и управляющих устройств в изделиях самого
широкого применения.
Система команд МК49 содержит 96
базовых команд с форматом 1,2 байта. Особенности данной микросхемы:
-8-ми битовый канал данных ;
внутреняя память данных емкостью
64 байт;
внутреняя память емкостью 1
Кбайт;
четыре способа адресации данных
(прямая, непосредственная, косвенная, неявная);
два векторов прерывания;
четыре 8-ми разрядных
программируемых канала ввода/вывода;
последовательный канал
ввода/вывода;
три битовых флага;
-программируемый 8-битный
таймер/счетчик;
МК49 не имеет команд загрузки
байта в стек или его извлечения из стека;
-двоичную и десятичную
арифметику.
Время выполнения команд
составляет 2.5 или 5.0 мкс (один или дна машинных цикла (МЦ) соответственно)
при тактовой частоте 6.0 МГц.
Структурная схема приведена в
приложении 1.
Оценка быстродействия МПУ производится с учетом
длительности выполнения каждой команды и длительности преобразования АЦП. При
этом время преобразования округляется в большую сторону до целого числа
машинных тактов.
Микроконтроллер конструктивно выполнен в корпусе
БИС с 40 внешними выводами. Все выводы электрически совместимы с элементами
ТТЛ: входы представляют собой единичную нагрузку, а выходы могут быть нагружены
одной ТТЛ-нагрузкой.
Из такой краткой характеристики
видно, что эти приборы обладают значительными функционально-логическими
возможностями и представляют собой эффективное средство компьютеризации
(автоматизации на основе применения средств и методов обработки данных и
цифрового управления) разнообразных объектов и процессов. Семейство МК серии
1816 имеет в своем составе различные модификации, отличающиеся друг от друга
признаками, которые перечислены в таблице 3 .1
Таблица 3.1.Семейство МК серии
1816.
|
Тип
МК
|
Емкость
памяти программ, Кбайт
|
Емкость
памяти данных, байт
|
Частота
синхронизации, МГц
|
|
КМ1816ВЕ48
|
СППЗУ
1
|
64
|
6
|
|
КМ1816ВЕ49
|
ПЗУ
2
|
128
|
11
|
|
КМ1816ВЕ35
|
--
|
64
|
6/11
|
|
КМ1816ВЕ51
|
СППЗУ
4
|
128
|
12
|
|
КМ1816ВЕЗ1
|
--
|
128
|
12
|
Анализ основных признаков МК
серии 1816 показывает, что МК48, МК49 и МК51 целесообразно использовать на
этапе опытно-конструкторской разработки и отладки систем, а также в
малосерийных изделиях. Микроконтроллеры, в которых нет резидентной памяти
программ, используют, как правило, не в конечных изделиях, а в автономных
отладочных устройствах и многофункциональных программируемых контроллерах, где
в качестве памяти программ и данных используются внешние БИС и имеются средства
загрузки программ.
3.2 Выбор микросхем для
реализации системной шины
В микропроцессорной системе
используется внешняя организация системной магистрали: с помощью регистра
происходит разделение младшего байта данных и адреса (формирование шины данных
и шины адреса). МП в строго определенные моменты времени должен
взаимодействовать с определенными микросхемами. Поэтому в данной схеме
необходимо предусмотреть устройство, которое по сигналам от процессора, будет
подключать к его шинам адреса или данных ту или иную микросхему или группу
микросхем. Из этого можно сделать вывод, что в схеме системы должен протекать
некоторый процесс однозначного выбора и он организуется подачей на линии адреса
А12
А14
определенного кода выбора или сигнала разрешения доступа к отдельному блоку или
блокам.
Можно использовать дешифратор,
выполненный в виде ТТЛ устройства среднего уровня интеграции, предназначенного
для преобразования двоичного кода в напряжение логического уровня, которое
появляется в том выходном проводе, десятичный номер которого соответствует
двоичному коду. Впоследствии выходной провод дешифратора подключают к входу
"Выбор микросхемы" нужной микросхемы.
В качестве дешифратора будем
использовать микросхему КР531ИД7. Выбор данного дешифратора обусловлен
количеством выходных линий и нагрузочной способностью.
Микросхема КР531ИД7 -
высокоскоростной дешифратор, преобразующий трехразрядный код в напряжение
низкого логического уровня, появляющегося на одном из восьми выходов 0
7.
Дешифратор имеет трехвходовый логический элемент разрешения.
Для выбора элементов памяти и выбора
других периферийных микросхем необходимо использовать разные дешифраторы.
Определяем микросхемы для реализации
системной шины:
- регистр защелка 74АС573 - для хранения
младшего байта адреса (А0-А7) защелкивание данных происходит по сигналу ALE.
дешифратор КР531ИД7 - для обеспечения
арбитража на системной шине в зависимости от адресных битов AB15,
AB16.
.3 Выбор памяти
1.Параметры ОЗУ:
Память микропроцессорных
устройств подразделяется на память программ и память данных. В микроЭВМ
закрытой архитектуры все ресурсы памяти находятся на кристалле и их нельзя
увеличить. МикроЭВМ открытой архитектуры допускают увеличение памяти программ и
данных или только данных за счет подключения внешней памяти. Имеются еще и
отладочные кристаллы, которые функционируют только с внешней памятью программ
(микропроцессорное включение). С целью повышения скорости выполнения программ
применяются также загружаемые микроЭВМ , код программы в которые заносится во
внутреннее ОЗУ при включении питания из внешних схем (чаще всего из
последовательной Flash
памяти).
Основными характеристиками
микросхем памяти являются: информационная емкость, быстродействие,
электропотребление .Исходя из этих критериев и условию технического задания,
где требуется выбрать память данных емкостью 4К, я выбираю две отечественные
микросхемы КР537РУ8А.
Микросхема состоит из накопителя, формирователей
адреса строк и столбцов, дешифратора строк на 8 входов и 256 выходов,
дешифратора столбцов на 2 входа и 8 выходов. Информационная емкость данного
устройства составляет 65536 бит. Время выборки адреса составляет не более 200
нс. Напряжение питания составляет 5В. А так же наша микросхема совместима по
входу и выходу с ТТЛ- и КМОП схемами, что нам и необходимо.
2.Параметры ПЗУ:
Кроме ОЗУ необходимо также выбрать постоянное
запоминающее устройство (ПЗУ), в котором хранится программа в соответствии с
которой работает устройство.
Существует четыре типа микросхем ПЗУ: ROM (Read
Only Memory) - постоянные запоминающие устройства; PROM (Programmable ROM) -
программируемые постоянные запоминающие устройства; EPROM (Erasable PROM) -
перепрограммируемые постоянные запоминающие устройства с ультрафиолетовым
стиранием информации; EEPROM (Electrically Erasable PROM) - перепрограммируемые
постоянные запоминающие устройства с электронным стиранием информации, также
называемые flash ROM.
В качестве БИС ПЗУ я взяла микросхему типа
К537РФ6А, которая является перепрограммируемым постоянным запоминающие
устройством с электронным стиранием информации и обладает информационной
емкостью 4К .
.4 Выбор кварцевого генератора
Для обеспечения надежности нам необходимо
использовать схему сброса и синхронизации. При любом применении
микроконтроллера важно быть уверенным, что он работает в допустимых окружающих
условиях. Запуск
микроконтроллера должен иметь место только тогда когда установилось требуемое
напряжение питания. Сброс осуществляется подачей высокого уровня напряжения на
вход "RST".
Для того чтобы сброс микросхемы произошел,
длительность сигнала на входе RST
должна быть не менее 2 машинных циклов. При поступлении внешнего сигнала сброса
на вход RST
микроконтроллер формирует сигнал сброса.
С помощью кварцевого генератора мы задаем
тактовую частоту микроконтроллера. Для нашего микропроцессора она составляет
6МГц.
Кварцевый генератор подключается к входам BQ1
и BQ2.
Рисунок 3.1. Схема подключения кварцевого
резонатора
Широкий диапазон возможных рабочих частот
позволяет разработчику лучше настроить микроконтроллер на выполнение конкретных
заданных функций.
.5 Выбор сторожевого таймера
Часто электрические помехи , производимые
окружающим оборудованием, вызывают обращение микроконтроллера по неправильному
адресу, после чего его поведение становится непредсказуемым. Чтобы отслеживать
такие ситуации в состав микроконтроллера часто включают сторожевые таймеры. Это
устройство вызывает сброс микроконтроллера , если его содержимое не будет
обновлено в течение определенного промежутка времени. Если изменение
содержимого программного счетчика не соответствует заданной программе, то
команда модификации сторожевого таймера не будет выполнена.В этом случае
сторожевой таймер производит сброс микроконтроллера , устанавливая его в
исходное состояние.
Микросхема сторожевого таймера(Wathdog)
выбрана из серии ADM691
Wathdog
- охранный таймер, предназначенный для предоставления большего времени для
срабатывания. Данная микросхема ADM691
включает в себя еще и супервизор. Супервизор - микросхема, обеспечивающее
наблюдение за напряжением питания, поступающего в микропроцессор.
.6
Выбор индикатора
ЖКИ- жидкокристаллические индикаторы .
Жидкокристаллические дисплеи предназначен для отображения графической
информации с компьютера, TV-приёмника, цифрового фотоаппарата, электронного
переводчика, калькулятора и пр.
Изображение формируется с помощью отдельных
элементов, как правило, через систему развёртки. Простые приборы (электронные
часы, телефоны, плееры, термометры и пр.) могут иметь монохромный или 2-5
цветный дисплей. Многоцветное изображение формируется с помощью RGB-триад.
Выбираем алфавитно-цифровой индицирующий ЖК
модуль HDM08216H-1
фирмы Hantronix
на основе контроллера HD44780
фирмы Hitachi.
|
Особенности
· 8-разрядный
интерфейс · Возможность
работать в 4-разрядном режиме шины · Встроенный
контроллер (HD44780)
и
драйверы · Возможность
работы от однополярного напряжения (+5 В) так и от двухполярного (±5 В) · 2 строки по 8 символов · Регулировка яркости · Низкое энергопотребление
|
Контроллер HD44780 фирмы Hitachi фактически
является промышленным стандартом и широко применяется при производстве
алфавитно-цифровых ЖКИ-модулей. Аналоги этого контроллера или совместимые с ним
по интерфейсу и командному языку микросхемы, выпускают множество фирм, среди
которых: Epson, Toshiba, Sanyo, Samsung, Philips, Hantronix.
.7
Выбор ППИ
Данные полученные в АЦП, для вывода на ВУ и т.
п. должны поступать на МП через порты ввода/вывода. Таких портов в
разрабатываемом устройстве должно быть три. В качестве портов можно
использовать два буферных регистра, но можно воспользоваться одной микросхемой
КР580ВВ55.
КР580ВВ55 - программируемый параллельный
интерфейс, (параллельный периферийный адаптер ППА). Эта БИС представляет собой
устройство параллельного ввода/вывода и обеспечивают двунаправленный обмен с
квитированием или без него при программном обмене, инициатива которого исходит
от программы или от запросов прерывания. С помощью ППА внешние устройства,
работающие с параллельными кодами, связываются с магистралью системы. Данный
адаптер имеет три двунаправленных восьмиразрядных порта РА, РВ и PC,
причем порт PC разделен на
два четырехразрядных канала: старший РСн и младший PCl. Адресация
и направление передач информации определяются согласно таблице 3.2
Таблица 3.2 - Адресация и направление передач
информации для КР580ВВ55
|
А,
|
Ао
|
RD
|
WR
|
CS
|
Операция
|
|
0
|
0
|
0
|
1
|
0
|
Порт
А -> ШД
|
|
0
|
1
|
0
|
1
|
0
|
Порт
В -> ШД
|
|
1
|
0
|
0
|
1
|
0
|
Порт
С -> ШД
|
|
1
|
1
|
0
|
1
|
0
|
Запрещенная
комбинация
|
|
0
|
0
|
1
|
0
|
0
|
ШД
-> Порт А
|
|
0
|
1
|
1
|
0
|
0
|
ШД
-> Порт В
|
|
1
|
0
|
1
|
0
|
0
|
|
1
|
1
|
1
|
0
|
0
|
ШД
-> РУС при D7 = 1 ШД -> BSR при D7 = 0
|
|
X
|
X
|
1
|
1
|
0
|
Шины
отключены
|
|
X
|
X
|
X
|
X
|
1
|
Шины
отключены
|
Возможны три режима работы
портов: 0, 1 и 2, причем порт А может работать в любом из трех режимов, порт В
только в двух (0 и 1), а режим порта С - зависит от режимов портов А и В. Порт
С имеет особенности: в отличие от портов А и В, которые оперируют со словами в
целом, разряды порта С могут программироваться и использоваться поодиночке. В
частности, любой из восьми разрядов порта С может быть установлен или сброшен
программным способом. Это нужно для передачи сигналов квитирования при обмене
через порты А и В в режимах 1 и 2. При работе порта в режиме 1 для него под
сигналы управления требуют, три линии, в режиме 2 требуется пять линий.
Режимы работы портов:
· режим 0 -
однонаправленный ввод/вывод без квитирования, в этом режиме могут работать
порты А и В, а также свободные (не занятые передачей служебных сигналов для
портов А и В) линии порта С;
· режим 1 -
однонаправленный ввод/вывод с квитированием;
· режим 2 -
двунаправленный ввод/вывод с квитированием.
Квитирование позволяет вести
асинхронный обмен с учетом готовности абонента к передаче, т. е. иметь
переменный темп обмена соответственно возможностям внешнего устройства. Формат
управляющего слова показан на рисунке 1.8.
Рисунок 3.3 - Формат
управляющего слова
Разряд 7 содержит единицу, что
является признаком управляющего слова УС1. Разряды 6...3 определяют режим и вид
портов А и свободных от служебных сигналов линий порта Сн (старшей половины
порта), а разряды 2...0 - то же для порта В и младшей половины порта С (Cl). Режим
порта А выбирается по условиям: 00- режим 0, 01 - режим 1, 1Х - режим 2. Порт В
имеет режим 0 или 1 при нулевом или единичном значении разряда 2
соответственно. Единичные значения разрядов 4, 3, 1 означают ввод, нулевые -
вывод.
При записи нового УС1 все
регистры портов сбрасываются. Управляющее слово УС2 задает значения 0 или 1
одному из разрядов порта С. Для приведения в определенное состояние нескольких
выходов порта С нужно подать в адаптер соответствующее число слов УС2. В итоге
словами УС2 на выходах порта PC
задаются коды, определяющие режим работы ВУ и изменяемые программным способом.
Формат управляющего слова УС2
показан на рисунке 3.5, б. Признаком этого слова служит нулевое значение
разряда 7. Разряды 6...4 не используются. В разрядах 3...1 размещается двоичный
код номера разряда, приводимого в то или иное состояние в порте С данным УС2. В
нулевом разряде указывается состояние (0 или 1), которое следует придать
данному разряду.
3.8
Выбор коммутатора
В качестве коммутатора аналоговых каналов можно
использовать микросхему К590КН3 - 16-канальный коммутатор с дешифратором и
предназначенный для коммутации напряжения от -18 до 18 В. Выбирая данную
микросхему, мы оказываем поддержку отечественному производителю.
3.9
Выбор АЦП
Для обработки аналоговой информации, поступающей
с датчиков, в состав данной системы должен входить аналого-цифровой
преобразователь (АЦП). АЦП - это устройство, предназначенное для преобразования
непрерывно изменяющейся во времени физической величины в эквивалентные ей
значения цифровых кодов. В настоящее время все большую популярность получили
АЦП со встроенной коммутацией, что упростило бы построение данной системы (не
нужен был бы коммутатор). Но в своей системе я предпочла внешний коммутатор.
Требования к выбору АЦП следующие:
· т.к. производится подключение АЦП к
системной шине необходимо наличие 8-разрядной шины данных с тремя состояниями;
· время преобразования;
· диапазон входного напряжения Uвх
от -10 до 0 В.
Ввод сигнала, его представление
в дискретную форму, проводится с учетом его требуемого интервала дискретизации,
определяемой теоремой Котельникова, согласно формуле(1).
Величина 
определяет временной интервал
только для одного сигнала.
, (1)
Где fВ верхняя
гармоника сигнала, Гц
, (2)
Где f0 частота
сигнала, Гц
кГц,
мкс
Быстродействие АЦП составит 11,35
мкс.Разрядность определим исходя из погрешности представления информации δпр
Определим число разрядов АЦП исходя
из формулы (3)
, (3)
|
Микросхема
|
Разрядность
|
Время
преобразования(мкс)
|
|
КП572ПВ3
|
8
|
7,5
|
|
К1108ПВ1
|
10
|
0,9
|
|
К1108ПВ2
|
12
|
2
|
|
К1113ПВ1
|
10
|
30
|
В соответствии с перечисленными требованиями
выбираем 10-разрядный АЦП К1108ПВ1.
3.10
Выбор последовательного порта
Наиболее распространенный вид связи между
различными системами - это последовательный обмен. В этом случае байт данных
передается по единственному проводу бит за битом с обеспечением синхронизации
между приемником и источником данных. Очевидное преимущество последовательной
передачи состоит в том, что она требует небольшого количества линий связи.
Существует
множество стандартных последовательных протоколов передачи данных, которые
применяются в МК. В некоторых микроконтроллерах эти протоколы реализуются
внутренними схемами, размещенными на кристалле, что позволяет упростить
разработку отдельных приложений. Наиболее
распространенная форма последовательной связи - асинхронный обмен, при котором
байт данных посылается как пакет, включающий информацию о начале и конце
передачи данных, а также информацию для контроля ошибок. Наиболее популярный
протокол асинхронной последовательной связи называется RS-232,
который в настоящее время является международным стандартом и используется в
компьютерах. При реализации
синхронного обмена вместе сданными посылается синхросигнал, который
используется приемником для стробирования данных. Наиболее популярный протокол
синхронной связи - SPI.
В этом протоколе каждое устройство адресуется индивидуально, хотя линии
передачи данных могут быть общими для многих устройств. Сначала передается
байт, который содержит команду для принимающего устройства, затем идет
необязательный 16-разрядный адрес, после чего следуют 8-разрядные данные.
Протокол SPI позволяет
передавать несколько байтов. Ввиду
вышеперечисленных преимуществ и в соответствии с техническим заданием выбираем
в качестве последовательного порта связи контроллер КР580ВВ51.
4. Описание алгоритма функционирования и
особенности структурной схемы
Основные связи периферийных устройств и МК
осуществляются через системную шину. Системная шина состоит из шины данных (DB),
шины адреса (AB) и шины
управления.
Для организации шины данных используются выводы
порта 0 (АD0-АD7)
МК. АЦП, ОЗУ, ПЗУ, ППИ, контроллер шины, контроллер клавиатуры и дисплей
подключаются к шине данных с помощью соответствующих выводов. Шина данных -
8-разрядная. Для организации шины адреса используются порт 0 (младший байт
адреса АD0-АD7)
и порт 2 (старший байт адреса А9-А11) МК. По сигналу PME
в регистр 74АС573 защелкивается младший байт адреса с порта 0. 16 разрядов,
получаемые на выходах регистра реализуют шину адреса.
Адресное пространство памяти данных состоит из
памяти ОЗУ, устройств ввода/вывода и ПЗУ.
Память микроконтроллера
Память программ. Память программ и память данных
в МК49 физически и логически разделены. Память программ реализована в
резидентном ПЗУ емкостью 1 Кбайт. Максимальное адресное пространство, отводимое
для программ, составляет 4 Кбайта. Счетчик команд (СЧ) содержит 12 бит, но
инкрементируются в процессе счета только младшие 11 бит. Поэтому счетчик команд
из предельного состояния 7FFH (если только по этому адресу не расположена
команда передачи управле-ния) перейдет в состояние 000Н. Состояние старшего
бита счетчика команд может быть изменено специальными командами (SEL МВ0, SEL
МB1), Подобный режим работы счетчика команд позволяет создать два банка памяти
емкостью по 2 Кбайта каждый.
5. Разработка программного обеспечения
Система команд МК49 включает в себя 96 основных
команд и ориентирована на реализацию процедур управления. Все команды имеют
формат один или два байта (70% команд однобайтные). Время выполнения команд
составляет 2.5 или 5.0 мкс (один или дна машинных цикла (МЦ) соответственно)
при тактовой частоте 6.0 МГц. Большинство команд выполняется за один машинный
цикл. За два машинных цикла выполняются команды с непосредственным операндом,
ввода/вывода и передачи управления. Все
множество команд можно разбить на пять, групп по функциональному признаку:
команды пересылки данных, арифметических операции, логических операций,
передачи управления и управления режимами работы МК.
К
достоинствам системы команд МК49 можно отнести: эффективный ввод/вывод, включая
маскирование и возможность управления отдельными битами портов; возможность
ветвления по значению отдельных бит; возможность обработки как двоичных, так и
десятичных двоично-кодированных чисел.
1. Команды передачи данных - Данная группа
состоит из 24 команд. Все команды (кроме MOV PSW, А) не оказывают воздействия
на флаги. Команды пересылки данных внутри МК выполняются за один машинный цикл,
обмен с внешней памятью и портами требует двух машинных циклов.
. Арифметические команды - Данная группа
состоит из 12 команд и позволяет выполнять следующие операции над 8-битными
целыми двоичными числами без знака: двоичное сложение (АDD), двоичное сложение
с учетом переноса (АDDС), десятичная коррекция (DA), инкремент (INС) и
декремент (DЕС). При сложении
используется неявная адресации источника первого операнда и места назначения
результата, в качестве которых выступает аккумулятор. Содержимое аккумулятора А
можно сложить с регистром, константой и ячейкой РПД. В результате суммирования
возможно появление переноса, который фиксируется в специальном триггере
переноса (флаг С). Команда сложения с учетом переноса позволяет выполнять
суммирование многобайтных чисел. используются для сложения, вычитания,
инкремента или декремента содержимого регистров или ячейки памяти;
. Логические команды- Данная группа
состоит из 28 команд и позволяет выполнять следующие операции над байтами:
дизъюнкцию, конъюнкцию, исключающее ИЛИ, инверсию, сброс и сдвиг. Две команды
(сброс и инверсия) позволяют выполнять операции над битами.
Широко используется неявная адресация
аккумулятора в качестве источника операции места фиксации результата. Вторым
операндом в командах может быть регистр, константа или ячейка РПД. Существуют
команды (АNL, ОRL), оперирующие с портами, что позволяет эффективно управлять
значениями отдельных бит при вводе/выводе информации.
4. Команды переходов - Данную группу
образуют 19 команд передачи управления, из них две команды безусловного
перехода, 14 команд условного перехода, команда вызова подпрограмм и две
команды возврата из подпрограмм.
. Команды управления- В эту группу входят
команды управления таймером/счетчиком, прерываниями и флагами переключения
банков регистров и банков ПП. Система
команд МК49 насчитывает 96 команд.
; Инициализация
MOV
Rn, 0
OUTL
E9H,
Rn
; Ввод кода нажатой клавиши
MOV
SI, 4
MOV Rn, 40HE9H, AL: IN Rn, E9HRn,
0FHM1BUF_KEYS[SI], AL SI
JNZ
M1
; Вывод на индикатор
MOV SI, 4Rn, 9HE9H, AL: MOV AL,
DIGITS[SI]E8, ALSIM2
Алгоритм функционирования данной системы
представлен на рис 5.1
Рисунок 5.1 Общий алгоритм функционирования
Каждая подпрограмма в данной системе сбора и
обработки информации имеет также свои алгоритмы работы. Алгоритм работы
программы вывода информации на индикатор представлен на рисунке 5.2
Рисунок 5.2 Алгоритм работы программы вывода
информации на индикатор
Алгоритм работы программы опроса клавиатуры
представлен на рисунке 5.3
Рисунок 5.3 - Алгоритм работы программы опроса
клавиатуры
Заключение
Согласно проведенной работе,
получено оптимальное решение организации микропроцессорной системы сбора и
обработки данных. Вследствие чего, возможно использование разработанной
электрической функциональной схемы в соответствующих устройствах.
В техническом приложении
приведен обзор литературы, в которой содержится информация о микропроцессорах
семейства МК-49 .Учитывая данные сведения, выбор марки микропроцессора
обоснован и эффективен.
В техническом проектировании
представлены элементная база, используемая в работе, листинг программы
следующих блоков: инициализации, опроса клавиатуры, основной программы. На
основе полученных данных построена электрическая функциональная схема
устройства.
Согласно проведенной работе, на
мой взгляд, не получено оптимального решения организации микропроцессорной
системы сбора и обработки данных. Так как микропроцессор выбран базовый, выбор
МП с большим числом встроенных компонентов позволил бы значительно упростить
систему. Также отечественные микросхемы следовало бы заменить на зарубежные
аналоги, что соответствовало бы рекомендациям производителей МК. Но для учебной
задачи такое решение вполне приемлемо, и использование разработанной
принципиальной схемы возможно в соответствующих устройствах.
Список использованной литературы
1. Каган Б.
М. Электронные вычислительные машины и системы: Учеб.Пособие для вузов. - 3-е
изд., перераб. и доп. - М.: Энергоатомиздат, 1991. -592 с.
2. Лисицын Б.
Л. Низковольтные индикаторы: Справочник. - М.: Радио и связь, 1985.-136 с.
3. Микропроцессоры
и микропроцессорные комплекты интегральных микросхем: Справочник. В 2 т. под
ред. В. А. Шахнова. - М.: радио и связь, 1988.-Т.1.-370С
4. Однокристальные
МикроЭВМ. А. В. Боборыкин, Г. П. Липовецкий, Г.В. Литвинский и др. М.: МИКАП,
1994, - 400 с.
5. Федорков Б.
Г., Телец В. А. Микросхемы АЦП и ЦАП: функциональные параметры и применение. -
М., Энергоатомоиздат. 1990. - 320 с.
6. Пухальский
Г.И. Новосельцева Т.Я. Проектирование устройств на интегральных микросхемах:
Справочник._ М.: Радио и связь, 1990.
7. Сайт всей
поставляемой продукции: www.icmicro.ru