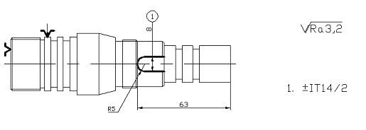
Головка для бурения
Саратовский государственный
технический университет
Кафедра приборостроения
Пояснительная записка
к курсовому проекту
по курсу
"Технология
приборостроения"
Выполнил студент
Группы ПБС-42 Шашков Н.А.
Проверил Орлов Б.С.
Саратов 2010
Содержание
Введение
Анализ эксплуатационных свойств детали и конструкторский контроль
чертежа
Анализ технологичности конструкции
Выбор вида заготовки
Проектирование техпроцесса
Расчёт погрешностей базирования [2]
Расчёт и определение припусков [2].
Список используемой литературы
Аннотация
В данном курсовом проекте разработан техпроцесс получения
переводника.
При разработке был произведен анализ эксплуатационных свойств
детали и конструкторский контроль чертежа, анализ технологичности конструкции
детали, обоснован выбор заготовки, разработан технологический процесс,
рассчитаны погрешности базирования, определены припуски и межоперационные
размеры, разработано установочно-зажимного приспособление для фрезерования
пазов с описанием конструкции и приведением необходимых размеров, и
контрольно-измерительного приспособление для проверки.
Введение
Технология приборостроения - это наука об изготовлении
приборов требуемого качества в установленном производственной программой
количестве и в заданные сроки при наименьших затратах. Предметом исследования и
разработки в технологии приборостроения являются виды обработки, выбор
заготовок, качество обрабатываемых поверхностей, точность обработки и припусков
на нее, базирование заготовки, способы механической обработки поверхностей,
конструирование приспособлений.
Особенностью приборостроения является то, что при малых
габаритах деталей приборов имеют место сопрягаемые поверхности небольших
диаметров, малые модули зубчатых зацеплений, мелкие резьбы. Малые габариты
деталей определяют высокую точность изготовления.
Повышенные требования предъявляются к обеспечению в деталях
точности формы - уменьшению конусности, бочкообразности, нецилиндричности,
некруглости и т.п. и расположению поверхности в деталях - устранению
непараллельности, перекоса осей, неперпендикулярности, несоосности,
несимметричности, радиального биения. При обработке деталей малых размеров
используют особые технологические приемы, назначают специфические операционные
допуски, припуски и базы.
Анализ
эксплуатационных свойств детали и конструкторский контроль чертежа
Головка, в бурении - короткая штанга или трубка с концами
разного диаметра для перехода к штангам или трубам иного диаметра.
Головки для бурильных колонн предназначены для соединения к
бурильным колоннам и применяются при бурении скважин. Головки для
насосно-компрессорных труб предназначены для присоединения к
насосно-компрессорных трубам разных диаметров, а также подземного оборудования,
используемого при эксплуатации нефтяных и газовых скважин.
Для изготовления головок применяются стали, обеспечивающие
механические свойства, соответствующие категории прочности материала труб М и
выше.
В зависимости от величин нагрузок, действующих на головку,
при изготовлении головки обеспечивается соответствующая группа прочности.
Нагрузка при коэффициенте запаса n=1,0 допускается по
специальным планам, согласованным с Госгортехнадзором.
группа - соответствует требованиям ГОСТ 7360-82 и
обеспечивается применением стали 40ХН ГОСТ 4543-71;
группа - соответствует требованиям API-7 к замкам бурильных
труб и обеспечивается применением стали 40ХН2МА ГОСТ 4543-71;
группа - соответствует требованиям, предъявляемым к
высоконагруженным переводникам горизонтальных скважин и боковых стволов, и
обеспечивается применением стали 38ХН3МФА ГОСТ 4543-71.
В качестве материала для изготовления детали использована
углеродистая качественная машиностроительная сталь 45, следующего химического
состава:
Механические свойства отоженной стали:
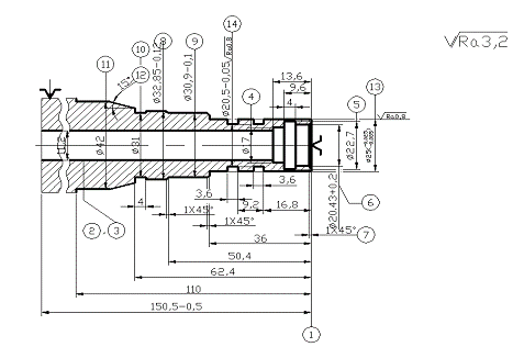
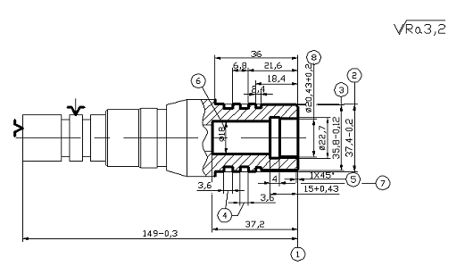
Конструкторский контроль исходного рабочего чертежа позволил
привести его в соответствие с действующими стандартами:

пункт №1 указаний: Общие допуски по ГОСТ 30893.1: H14; h14; 
Анализ
технологичности конструкции
Анализ показал, что квалитеты точности и шероховатость
поверхностей назначены исходя из эксплуатационных свойств детали, размеры в
основном проставлены технологично, что позволяет совмещать технологические базы
с конструкторскими; материал детали хорошо обрабатывается резанием.
головка бурение припуск деталь
Выбор
вида заготовки
Штамповка горячего металла.
Рассчитаем массу заготовки:
где 
- масса заготовки,

- плотность материала заготовки,

- объём заготовки.
Рассчитаем технологическую себестоимость детали при штамповке:
где П1 - плановая цена 1 килограмма заготовки,
включающая в себя стоимость материала, оснастки, рабочей силы,
Кп - коэффициент, зависящий от объёма производства,
Кс - коэффициент, зависящий от сложности заготовки.
Пруток 
с учётом отрезки.
Рассчитаем технологическую себестоимость прутка:
Здесь: 
- технологическая себестоимость,
См - стоимость материалов затраченных на изготовление
детали,
Р - основная заработная плата рабочему.
Масса заготовки:
Т0 - основное технологическое время.
Тшт. - штучно-калькуляционное время на одну деталь по i-той операции.
Т - часовая тарифная ставка станочника соответствующего разряда.
Т.к. 
, то в качестве заготовки принимаем пруток.
Проектирование
техпроцесса
1) Заготовительная (отрезной станок модели 8Г642),
тиски.
- Отрезать пруток в размер 152 мм.
2) Токарно-револьверная (токарно-револьверный станок
модели 1Г325П), 3-х кулачковый патрон.
- Подать до упора;
- Зацентровать;
- Сверлить;
4 - Расточить 
;
- Расточить канавку;
- Расточить 
под М22х1.5;
- Расточить фаску 1х45˚;
- Обточить 
под М33х1.5;
- Обточить 
;
- Проточить канавку;
-Обточить 
;
- Обточить конус;
- Обточить 
.
) Токарно-револьверная (токарно-револьверный станок модели
1Г325П), цанговый патрон.
- Подрезать торец в размер 149 мм;
- Обточить 
;
- Расточить 
;
- Проточить канавки шир.4,5;
- Обточить фаску 1
;
- Расточить 
;
- Расточить 
;
- Расточить 
;
) Токарная (токарный станок модели ТВ-320), цанговый патрон.
1 - Нарезать резьбу 
- Нарезать резьбу 
) Токарная (токарный станок модели ТВ-320), цанговый патрон.
- Нарезать резьбу 
- Нарезать резьбу М36х2.
) Токарная чистовая (токарный станок модели ТВ-320), цанговый
патрон.
1 - Обточить 
.
) Фрезерная (Универсальный фрезерный станок 676П), специальное
приспособление.
- Фрезеровать паз шир.10мм.
) Сверлильная (вертикальносверлильный станок 2Н118), кондуктор.
- Сверлить 2 отверстия 
.
) Долбежная (долбежный станок мод.7А412), специальное
приспособление.
А - Установить и закрепить
- Долбить 2 шпоночных паза шир 4 по размерам чертежа.
) Слесарная (верстак), тиски.
- Колибровать резьбу М22х1.5;
- Зачистить заусенцы.
Расчёт
погрешностей базирования [2]
Операция №3.

- конструкторский допуск,

- погрешность настройки станка на размер - т.40 стр.106,
- погрешность обработки получаемая после чистовой обработки на
станке - т.40 стр.95.
На размер 149 принимаем допуск 0.3мм., т.е. 
Расчёт
и определение припусков [2].
1. Припуск на черновое точение.

,

- минимальный припуск при обработке наружных и внутренних
поверхностей вращения,

- высота неровностей профиля (характеризует шероховатость
поверхности),

- погрешность установки заготовки при выполняемом переходе.

, 
-
т.4 стр.181,
- т.1 стр.179

- пространственные погрешности горячекатанного проката - т.6
стр.182.

- т. 19 стр.66 (трёхкулачковый патрон),
2. Припуск на чистовое обтачивание.

, 
- т. 19 стр.189.

- т.18 стр.65 (цанговый патрон).
3. Припуск на обработку торцов.

- т.59 стр.256.
7. Расчёт межоперационных размеров и диаметра прутка.
Операция №2.
Диаметр прутка: 
По ГОСТ 2590-89 
.
Переход 1:

Операция №1.
Операция №3 (переход2).


8. Определение режимов резания [2].
Операция №6.
Условия обработки: резец из Т15К6 с 
; 
. 
где t - глубина резания.
. 
- т.14 стр.268,S - подача инструмента.
. Рассчитаем скорость резания:

- т.17 стр.269.
. 
. 
. Рассчёт силы резания:
где t - длина лезвия резца;


. Эффективная мощность:

. Мощность двигателя станка:

Операция №4.
Переход 1й и 2й: резец резьбовой из Р9

Число проходов на каждом переходе: 5 черновых и 3 чистовых - т.46
стр294
Операция №5.
Резцы резьбовые из Р9
Число проходов на каждом переходе: 5 черновых и 3 чистовых - т.46
стр294
9. Определение норм времени [8].

,
Тшт. - штучно-калькуляционное время на одну деталь по i-той операции,
Т0 - основное технологическое время,
Твсп. - вспомогательное время, на установку детали и
измерения.

.

.
Операция №6.
Туст. - время затраченное на установку детали - карта
558,Тизм. - время затраченное на измерения - карта 6519.
Операция №4.
Операция №5.


мин. (Тоже, что в операции №4)
Туст. - время затраченное на установку детали - карта
5713,Тизм. - время затраченное на измерения - карта 641.
10. Расчёт точности [13].
Операция №6 
PZ - сила резания,
t - глубина резания.

жёсткость системы СПИД.

.

.

.

,
где 
- коэффициенты относительного рассеивания.

- корелляционный момент случайных величин Азаг. и Ауст.

.

.

.

.

- погрешность выдерживаемого размера.

- условие точности выполняется.
Список
используемой литературы
1. Косилова
А.Г., Мещеряков Р.К., Калинин М.А. Точность обработки заготовки и припуски в
машиностроении. Справочник технолога / А.Г. Косилова, Р.К. Мещеряков, М.А.
Калинин. - М.: Машиностроение, 1976.
2. Справочник
технолога-машиностроителя. В 2-х томах. / под ред.А.Г. Косиловой и Р.К.
Мещерякова. - М.: Машиностроение 1972.
. Долматовский
Г.А. Справочник технолога / Г.А. Долматовский. - М.: Машгиз, 1962.
. Малов
А.Н. Справочник технолога-приборостроителя / А.Н. Малов. - М.: Машгиз, 1962.
. Общестроительные
нормативы времени вспомогательного, на обслуживание рабочего и
подготовительно-заключительного для технического обслуживания станочных работ.
Серийное производство. - М.: Машиностроение, 1974.
. Орлов
Б.С., Смолин В.В. Технология производства гироскопических и навигационных
приборов. Методические указания к курсовой работе / Б.С. Орлов, В. В, Смолин. -
Саратов: Саратовский политехн. ин-т, 1927.
. Гжиров
Р.И. Краткий справочник конструктора / Р.И. Гжиров. - Л.: машиностроение, 1983.