Анализ и проектирование системы электропривода для обеспечения нормальной прокатки металла
План
Введение
. Общая часть
.1 Краткая характеристика цеха описание технологического
процесса
.1.1 Краткая характеристика цеха
.1.2 Сортамент и марки прокатываемого металла
.1.3 Назначение и состав оборудования
.1.4 Технологический процесс прокатки
.2 Характеристика механизмов клетей
.3 Требования, предъявляемые к электроприводу
.4 Расчет мощности и выбор двигателя
.4.1 Расчёт статических моментов. Предварительный выбор
двигателя
.4.2 Расчет временных интервалов прокатки
.4.3 Расчет нагрузочной и токовой диаграмм
.4.4 Проверка двигателя по нагреву и перегрузочной
способности
.5 Выбор и характеристика основного силового
электрооборудования
.5.1 Выбор и характеристика тиристорного преобразователя
.5.2 Выбор и характеристика силового трансформатора
.5.3. Расчет и выбор сглаживающего дросселя
.5.4 Выбор тиристорного возбудителя
.6 Защита электропривода
. Разработка системы автоматического управления
электроприводом
.1 Основные параметры силовой части электропривода
.2 Выбор импульсного датчика скорости
.3 Построение системы автоматического управления
.3.1 Принципы построения системы автоматического управления
.3.2 Построение контура регулирования тока якоря
2.3.2.1 Анализ влияния внутренней обратной связи по ЭДС
двигателя
2.3.2.2 Оценка скорости нарастания якорного тока
.3.3 Построение контура регулирования скорости
.3.3.1 Задатчик интенсивности скорости
.3.4 Построение контура регулирования тока возбуждения
.3.4.1 Расчетнелинейного элемента, моделирующего кривую
намагничивания двигателя,
.3.5 Построение контура регулирования ЭДС двигателя
.3.5.1 Контура регулирования ЭДС двигателя
.3.5.2 Ограничение максимального и минимального задания тока
возбуждения
.3.5.3 Выбор и расчет датчика ЭДС
.4 Реализация системы управления электропривода
2.4.1 Задатчик интенсивности скорости
2.4.2 Регулятор скорости
2.4.3 Регулятор деления нагрузок и ограничение якорного тока
2.4.4 Регулятор тока
2.4.5 Регулятор ЭДС
2.5 Анализ динамических режимов системы автоматического
регулирования
Заключение
Список использованных источников
Введение
Прокатное производство является заключительным звеном в цепи
металлургического производства всех заводов черной металлургии. Около 80 - 90%
всей выплавляемой стали, перерабатывается в слитки, поступающие затем на
переработку в прокатные цеха.
Установление рациональных способов прокатки и отделки металла и выбор
основного и вспомогательного оборудования прокатных станов во многом
определяется тенденциями развития новой техники в этой области. Анализ развития
техники прокатного производства показывает следующие тенденции ее развития:
1) Применение принципа непрерывности
технологических операций: прокатки, термообработки, отделки, маркировки и т.д.
Выполнение этого принципа дает возможность не только повысить
производительность прокатных станов и их отдельных агрегатов, но провести
широкую механизацию и автоматизацию работы оборудования.
2) Повышение скоростей прокатки и
скоростей движения металла в поточных непрерывных линиях.
3) Повышение веса прокатываемых
слитков, заготовок, слябов и рулонов, что способствует увеличению доли
машинного времени в общей длительности цикла прокатки и дает возможность
увеличить скорость прокатки и скорость движения металла через непрерывные
линии.
4) Повышение мощности приводных
двигателей.
5) Применение полной механизации и
широкой автоматизации всех технологических операций.
6) Повышение точности размеров готового
горячего проката и широкое развитие массового изготовления фасонных
тонкостенных профилей металла.
Прокатное оборудование является весьма разнообразным и наиболее сложным
металлургическим оборудованием в частности это относится и к оборудованию
станов холодной прокатки. При горячей прокатке невозможно получить лист
толщиной менее 1мм. Этому препятствует образующаяся при горячей прокатке
окалина, толщина которой соизмерима с толщиной самого прокатываемого металла.
Лишь при холодной прокатке удается получить тонкий лист блестящей поверхности,
равномерный по толщине, с механическими свойствами, необходимыми для дальнейшей
его обработки.
Тип электропривода клетей выбирается на основе требований
технологического процесса с учетом возможностей современного
электромашиностроения и способов управления электроприводами. Выбор типа
электропривода носит технико - экономический характер, поэтому следует
учитывать как условия работы стана и требования к электроприводу так и затраты
на электрооборудование. В данном случае важное значение придается максимальной
унификации применяемого оборудования, что упрощает эксплуатацию и уменьшает
затраты на создание необходимого резерва.
1. Общая часть
1.1 Краткая характеристика цеха и описание технологического
процесса
1.1.1 Краткая характеристика цеха
На Магнитогорском металлургическом комбинате одним из цехов холодной
прокатки является ЛПЦ № 8. Цех был пущен в 1981 году. Он состоит из следующих
отделений:
1) прокатное отделение;
2) термическое отделение;
3) травильное отделение;
4) отделочное отделение.
В настоящее время растут требования к качеству и количеству выпускаемой
продукции. Потребность в качественной тонколистовой, с возможностью к глубокой
штамповке стали непрерывно растет. Всеми этими свойствами обладает
холоднокатаный лист.
Технологический процесс производства холоднокатаного листа состоит из
следующих этапов:
1) очистка поверхности полосы,
поступающей на стан;
2) холодная прокатка металла;
3) термическая обработка;
4) дрессировка полосы;
5) окончательная отделка.
Основными агрегатами обработки листа являются:
1) прокатный 5-ти клетьевого стан 630;
2) дрессировочный 2-х клетьевой стан 630;
3) пять агрегатов продольной резки.
4) Непрерывно-травильный агрегат
1.1.2 Сортамент и марки прокатываемого металла
Подкатом для стана холодной прокатки служит травленная горячекатанная
полоса порезанная на ленту и смотанная в рулон.
Параметры рулонов представлены в таблице 1.1.
Таблица1.1 - Параметры
горячекатанных рулонов
|
Наименование
|
Величина
|
|
Толщина ленты, мм Ширина
ленты, мм Внутренний диаметр рулона, мм Наружный диаметр рулона, мм Вес рулона, тонн
|
2 - 8 250 - 465
750 1200 - 2200 до 12
|
На стане прокатывается полоса следующих марок стали:
·
Углеродистая
сталь обыкновенного качества марок Ст1, Ст2, Ст3 (кипящая, спокойная,
полуспокойная) с химическим составом по ГОСТ 380-71.
·
Углеродистая
качественная конструкционная сталь марок 15,20,25,30,35,40,45,50 с химическим
составом по ГОСТ 1050-74.
·
Низкоуглеродистая
сталь марок 08кп, 08пс, 08, 10кп, 10пс, 10 с химическим составом по ГОСТ 1050 -
74.
·
Малоуглеродистая
качественная сталь марок 08Ю, 08кп с химическим составом по ГОСТ 9045 - 80.
·
Углеродистая
качественная конструкционная легированная сталь марки ЗОГ с химическим составом
по ГОСТ 4543 - 71.
·
Углеродистая
высококачественная сталь марки 18ЮА с химическим составом по ГОСТ 803-66.
Параметры холоднокатанных рулонов представлены в таблице 1.2.
электропривод прокат металл
Таблица 1.2 - Параметры
холоднокатанных рулонов
|
Наименование
|
Величина
|
|
Толщина ленты, мм Ширина
ленты, мм Внутренний диаметр рулона, мм Наружный диаметр рулона, мм Вес рулона, тонн
|
0.5-4.0 250 -
465 750 1200 - 2100 до 12
|
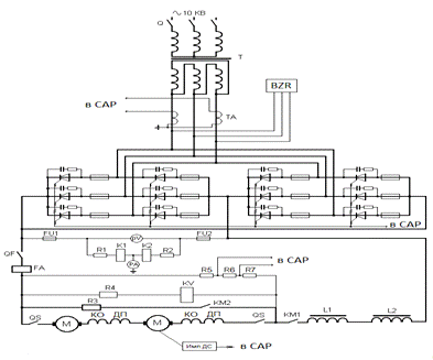
1.1.3 Назначение и состав оборудования
Непрерывный пятиклетевой стан “630” предназначен для холодной прокатки
травленой горячекатанной ленты из низко- и среднеуглеродистых сталей, а также
из сталей для глубокой вытяжки.
В состав оборудования пятиклетевого стана входят следующие механизмы и машины:
1) Участок загрузки рулонов предназначен
для последовательной загрузки рулонами двух разматывателей стана в
автоматическом и ручном режимах управления.
2) Два плавающих разматывателя с
механизмами задачи конца ленты в клеть и механизмами отделения обвязочной
ленты, предназначены для вращения рулона в процессе прокатки и создания
натяжения перед первой клетью.
3) Правильная машина предназначена для
правки переднего конца ленты, поступающей с разматывателя.
4) Пять рабочих клетей с механизмами для
центрирования и направления ленты предназначены для осуществления процесса
холодной прокатки ленты.
5) Механизмы для перевалки рабочих и
опорных валков с подушками.
6) Механизм задачи конца ленты в моталку
предназначен для задачи толстой ленты в щель барабана моталки.
7) Намоточное устройство предназначено
для создания натяжения ленты между 5-й клетью и барабаном моталки и сматывания
ленты в рулон.
8) Захлестыватель предназначен для
заправки переднего конца прокатываемой ленты на барабан моталки.
9) Участок загрузки рулонов предназначен
для передачи рулонов в термическое отделение.
Общий вид стана представлен на рисунке 1.1.
1.1.4 Технологический процесс прокатки
Травленные горячекатанные рулоны поплавочно устанавливаются на консоли
накопителя электромостовым краном в количестве от 3 до 5 в зависимости от
ширины рулонов. После поворота консоли на 180 градусов рулоны по одному
снимаются подъемно-передвижной тележкой и надеваются на барабан разматывателя.
Рулон на барабане разматывателя центрируется и закрепляется подвижными
сегментами барабана от проворачивания. После установки рулона к нему подводится
прижимной ролик и механизм поиска конца рулона. При получении сигнала об
обнаружении конца полосы механизм поиска отходит от рулона, а рулон
проворачивается на определенный угол, ориентируя конец полосы для отгибания.
После установки барабана рулону подводится отгибатель конца рулона и механизм
для удаления обвязочной ленты. Посредством рычажного ножа, установленного на
отгибателе, осуществляется разрезка обвязочной ленты. Затем к рулону скребок
механизма удаления обвязочной ленты, обратным поворотом скребок отводит ленту
от рулона. После отвода механизма удаления обвязочной ленты дается команда на
вращение барабана разматывателя для отгибания и подачи переднего конца к
подающим роликам. Опускание верхнего приводного подающего ролика осуществляется
по команде от фотодатчика, установленного перед подающими роликами. Отвод
отгибателя и прижимного ролика от рулона производится после того, как опустится
траверса правильной машины.
Количество циклов подачи и резки обвязочной ленты определяется диаметром
рулона и устанавливается автоматически. Обрезки по склизу сбрасываются в
специальный приемный короб. Подающими роликами передний конец рулона задается в
раскрытую правильную машину и центрируется по оси стана вертикальными роликами,
после чего опускается траверса, зажимая ленту. Одновременно поднимается верхний
подающий ролик, включаются двигатели разматывателя, правильной машины и лента
на заправочной скорости по проводковым устройствам поступает в клеть. Как
только появиться натяжение между 1-й и 2-й клетями, траверса правильной машины
поднимается.
Рисунок 1.1 - Кинематическая схема пятиклетевого стана.
В период задачи ленты в валки стана для предотвращения пореза ленты и
порчи валков необходимо поддерживать натяжение между соответствующими клетями.
С захватом переднего конца ленты валками первой клети начинается процесс
прокатки. При проходе переднего конца ленты через стан для получения заданной
толщины ленты увеличиваются обжатия в 1-й,2-й,3-й,4-й клетях. Для этого рабочие
поршни гидронажимных механизмов опускаются не более чем на 1 мм по показаниям
продуктиметров. При захвате переднего конца ленты валками 5-й клети рабочие
поршни 1,2,3,4,5 клетей поднимаются до первоначального нулевого положения.
Далее лента из 5-й клети механизмом задачи подается в щель моталки или
при помощи захлестывателя наматывается на барабан моталки. Захлестыватель
используется при прокатке ленты толщиной 0,5 - 3,0 мм. После намотки
необходимого количества витков на барабан моталки и при возникновении натяжения
между моталкой и 5-й клетью захлестыватель отводится в исходное положение, и
стан разгоняется до рабочей скорости. Прокатка ленты производится с опущенным
прижимом первой клети и с включенными системами регулирования толщины и
натяжения. Контроль толщины, прокатываемой ленты производится микрометром при
полной остановке стана и рентгеновскими измерителями на рабочей скорости. При
отклонении стрелки приборов на плюс от номинальной толщины - увеличиваются
обжатия во всех клетях, при отклонении стрелки приборов на минус от номинальной
толщины - уменьшаются обжатия во всех клетях. Прокатка сварного шва
производится на пониженной скорости до 2 м/с. При хорошем качестве швов
прокатка осуществляется на рабочей скорости.
Прокатка заднего конца ленты осуществляется при опущенных пресс -
проводках 1,2,3,4,5 клетей на заправочной скорости стана. После выхода заднего
конца ленты из первой клети к рулону на моталке подводится прижимной ролик. С
целью предотвращения выхода утолщенных задних концов нажимные устройства
1,2,3,4 клетей опускаются на необходимую величину для устранения
разнотолщинности ленты. После окончания намотки рулона на барабан моталки, стол
тележки поднимается и прижимает рулон снизу. Барабан моталки уменьшается в
диаметре, прижимной ролик моталки отводится, и рулон совместными действиями
тележки № 1 и сталкивателя моталки перемещается на хобот консоли № 1. После
прижима конца ленты прижимным роликом консоли № 1 и опускания стола тележки №
1, консоль поворачивается в положение обвязки рулонов. После обвязки отводится
прижимной ролик, и консоль перемещается в положение для снятия рулона тележкой
№ 2.
Далее рулон перемещается к консоли № 2 и при наезде тележкой на копир
происходит поворот рулона на 180 градусов. Надев рулон на хобот консоли,
тележка возвращается в исходное положение. После чего консоль № 2 поворачивает
рулон так, чтобы транспортировать его тележкой № 3 к накопителю рулонов. При
накоплении на хоботе 3-5 рулонов накопитель поворачивается на 180 градусов, и
рулоны убираются электромостовым краном. При передаче рулонов на участок
формирования стоп тележка №3 устанавливает рулон на хоботе накопителя в среднее
положение и отходит в позицию ожидания. Накопитель поворачивается на 90
градусов, и рулон сталкивается на штырь кантователя. После чего сталкиватель
возвращается в исходное положение и хобот накопителя в положение приема
следующего рулона.
Режим обжатий для сорта стали 50 представлен в таблице 1.3.
Таблица 1.3 - Программа обжатий для сорта стали 50
|
№ клети
|
Толщина на входе h0(мм)
|
Толщина на Выходе h1(мм)
|
Абсолютное обжатие Dh(мм)
|
Относительное обжатие e %
|
Скорость клети V(м/с)
|
|
1 2 3 4 5
|
4,0 3,38 2,83 2,44 2,17
|
3,38 2,83 2,44 2,17 2,00
|
0,62 0,55 0,39 0,27 0,17
|
15,5 16,3 13,8 11,5 7,85
|
8,48 10,0 11,9 13,5 15,0
|
Так как стан предназначен для прокатки ленты с высокой точностью по
толщине, то выбор режимов обжатий сделан с учетом самовыравнивания продольной
разнотолщинности. Эффект самовыравнивания наиболее значителен в первых клетях,
в которых полоса наклепана незначительно. Поэтому целесообразно снижать обжатие
в первой клети стана, а наибольшие обжатия производить на второй и третьей
клетях.
Обжатие на четвертой и пятой клетях значительно снижено, так как
уменьшение обжатия в последних клетях способствует получению ленты с меньшей
разнотолщинностью и коробоватостью.
Натяжение между 5-й клетью и моталкой приведено в таблице 1.4.
Таблица 1.4 - Натяжение между 5-й клетью и моталкой в тоннах
|
Толщина полосы после 5 - й
клети
|
Натяжение, тонн
|
|
Ширина полосы, мм
|
|
250 -325
|
325 - 400
|
400 - 465
|
|
0,5 - 0,9 1,0 - 4,0 1,5 -
2,0 2,1 -2,5 2,6 -3,1 3,2 - 3,7 3,8 - 4,0
|
0,95 -1,25 1,65 - 2,15 2,2
- 3,0 2,9 -3,75 3,5 - 4,75 4,25 -5,50 4,9 -6,35
|
1,25 - 1,55 2,15 - 2,6 3,0
- 3,6 3,75 -4,6 4,55 - 5,6 5,5 - 6,8 6,35 - 7,8
|
1,55 - 1,8 2,6 - 3,0 3,6
-4,4 4,6 - 5,35 5,6 - 6,5 6,8 -7,9 7,8 -9,1
|
При
расчете режимов натяжений полосы между клетями принято удельное натяжение
равное 0,3*sт. Натяжение между моталкой и 5-ой клетью принимается
из расчета 5 кг/мм
. Если металл перед отжигом будет подвергаться
электролитической очистке, то натяжение между 5-ой клетью и моталкой можно
увеличить в 2 раза.
1.2 Характеристика механизмов клетей
Характеристика механизма клети приведена в таблице 1.5.
Таблица 1.5 - Характеристика механизма прокатной клети стана “630”
|
Наименование
|
Единица измерения
|
Обозначение
|
Величина
|
|
Диаметр рабочих валков
Диаметр опорных валков Диаметр цапф опорных валков Длина бочки рабочего валка
Длина бочки опорного валка Подшипники рабочих валков Подшипники опорных
валков Расстояние между осями
|
мм мм мм мм мм - - мм
|
Dр Dоп Dц Lр Lоп - - Lосевое
|
420 900 650 630 630 качения
ПЖТ 4000
|
На каждой клети применен комбинированный редуктор для индивидуального
привода валков с одноступенчатым шевронным зацеплением.
В таблице 1.6 представлена характеристика комбинированного редуктора.
Таблица 1.6 - Характеристика комбинированного редуктора
|
Наименование
|
Единица измерения
|
Обозначение
|
Величина
|
|
Межосевое расстояние Модуль
нормальный Модуль торцевой Ширина зацепления Угол наклона зубьев КПД передачи
|
мм мм мм мм град -
|
A mn ms B h
|
560 11 12,444 560 27°52¢47² 0,95
|
Характеристики редукторов по клетям приведены в таблице 1.7.
Таблица 1.7 - Характеристика редукторов по клетям
|
№ клети
|
Числа зубьев
|
Передаточное число
|
Наибольшая окружная
скорость
|
|
Ведущее колесо
|
Ведомое колесо
|
|
|
|
1 2 3 4 5
|
33 36 40 43 45
|
57 54 50 47 45
|
1,73 1,5 1,25 1,093 1,0
|
15 16 19 19,5 20
|
При
определении суммарного махового момента приведенного к валу двигателя для
двигателей нижних валков необходимо учесть маховый момент одной зубчатой муфты,
равный GD
= 0,325 т*м
. А для
двигателей верхних валков - двух таких муфт и промежуточного вала GD
= 0,084
т*м
.
Суммарные
приведенные маховые моменты привода валков представлены в таблице 1.8.
Таблица
1.8 - Суммарный приведенный маховый момент валков GD
(т*м
)
|
№ клети
|
Привод верхнего валка
|
Привод нижнего валка
|
|
1 2 3 4 5
|
5,011 5,14 5,332 5,507
5,668
|
4,797 4,926 5,108 5,298
5,454
|
Общий КПД передачи - 0,95;
Коэффициент внешнего трения в зоне деформации - 0,06;
Кинематическая схема механизма клети представлена на рисунке 1.2.
Рисунок 1.2 - Кинематическая схема механизма клети
1.3 Требования, предъявляемые к электроприводу
К электроприводу валков непрерывного стана предъявляются следующие
требования:
1) Обеспечение диапазона регулирования
скорости двигателей, составляющего для стана «630» до 30:1.
2) Поддержание заданного соотношения
скоростей валков во всех режимах работы, включая ускорение и замедление стана,
с целью обеспечения постоянства межклетьевых натяжений.
3) Заданное ускорение и замедление за
минимальное время.
4) Возможность независимого изменения
скорости двигателя любой клети при сохранении установленного для двигателя этой
клети темпа ускорения и замедления
5) Прекращение ускорения и замедления
стана в любой момент разгона и торможения.
6) Смягчения механической характеристики
двигателей при заправке с возможностью регулирования жесткости механической
характеристики вальцовщиком.
7) Быстродействие главного привода по
управляющему воздействию, что необходимо для успешной работы системы
автоматического регулирования толщины и натяжения.
8) Возможность совместной толчковой
работы главных приводов «вперёд» при включённых, а также отключённых приводах
намоточных устройств; индивидуальный толчок в обоих направлениях.
9) Автоматическая остановка при
срабатывании защиты любого привода клети или намоточного устройства с
форсированным темпом замедления с сохранением заданного натяжения.
10)Ограничение
якорного тока, потока и скорости электропривода на максимально допустимом
уровне.
11)Равномерная
загрузка по электромагнитному моменту двигателей верхнего и нижнего валков.
1.4 Расчет мощности и выбор двигателя
1.4.1 Расчёт статических моментов. Предварительный выбор
двигателя
Рассчитывается потребная мощность 5-ой клети непрерывного пятиклетевого
стана «630» холодной прокатки.
Программа обжатий приведена в таблице 1.9.
Таблица 1.9 - Программа обжатий для сорта стали 50
|
№ клети
|
Толщина на входе h0
(мм)
|
Толщина на выходе h1
(мм)
|
Абсолютное обжатие Dh (мм)
|
Относительное обжатие e %
|
Скорость клети V
(м/с)
|
Заднее натяж. Tз.н
(Н)
|
Передн. натяж. Tп.н
(Н)
|
|
1 2 3 4 5
|
4,0 3,38 2,83 2,44 2,17
|
3,38 2,83 2,44 2,17 2,00
|
0,62 0,55 0,39 0,27 0,17
|
15,5 16,3 13,8 11,5 7,85
|
8,48 10,0 11,9 13,5 15,0
|
269500 254800 235200
215600
|
269500 254800 235200 215600
35280
|
Кривая предела текучести стали от относительного обжатия представлена на
рисунке 1.3.
По
кривой текучести стали (рисунок 1.3), для обжатия в четвертом пропуске предел
текучести ss0=696
Н/мм
, для обжатия в пятом пропуске ss1=632 Н/мм
.
Рисунок
1.3 - Зависимость предела текучести от величины относительного обжатия
Сопротивление
деформации без учета натяжения
К0=1,15*ss0=1,15*696=800,4
Н/мм
.
К1=1,15*ss1=1,15*632=726,8
Н/мм
.
Удельное
заднее и переднее натяжения
s0=
, s1=
,
где
- заднее
и переднее натяжения, Н;
- сечение
полосы до и после прокатки в 5 - м пропуске, мм
;
s0=
=248,4 Н/мм
.
s1=
=44,1 Н/мм
.
Соотношения
e0=
=
=0,69
e1=
=
=0,939
Длина
дуги захвата без учета сплющивания валков
,
где
R - радиус
валка, мм;
-
абсолютное обжатие, мм;
Соотношение
m без учета сплющивания валков
,
где
коэффициент
трения в зоне деформации, (
)
длина
дуги захвата без учета сплющивания валков, мм;
толщина
на входе и толщина на выходе из клети, мм;
Среднее
удельное давление без учета сплющивания валков
Приращение
длины контакта
,
где
R - радиус рабочего валка
Длина
дуги захвата с учетом сплющивания валков
+
=
мм.
Соотношение
c учетом сплющивания валков.
Среднее
удельное давление с учетом сплющивания валков
Давление
металла на валок
,
где
ширина
полосы, мм;
длина
дуги захвата с учетом сплющивания валков, мм;
среднее
удельное давление с учетом сплющивания валков,
;
Плечо
равнодействующей сил деформации
,
где
y - коэффициент плеча
приложения равнодействующей давления металла на валки, берется в пределах от
0,4 - 0,5
=1,96 мм
Момент
прокатки
,
где
Р
- усилие давления металла на валки, Н;
а
- плечо равнодействующей сил деформации, мм;
Момент
трения
,
где
- усилие
давления металла на валки, Н;
диаметр
рабочих валков, мм;
коэффициент
трения в цапфе опорного валка;
диаметр
опорных валков, мм;
диаметр
цапф опорных валков, мм;
Момент
холостого хода по данным цеха
1019 Н
м
Суммарный
момент прокатки
,
где
момент
прокатки, Н*м;
момент
холостого хода, Н*м;
момент
трения, Н*м;
Скорость
вращения рабочих валков
,
где
скорость
прокатки, м/с;
диаметр
рабочего валка, мм;
Мощность
прокатки
Мощность
необходимая для создания заднего натяжения
Мощность
необходимая для создания переднего натяжения
Мощность
прокатки с учетом натяжения
Потребная
статическая мощность двигателя
,
где
кпд передачи через редуктор (
)
Выбор
двигателя производится по 5 - й клети, как наиболее загруженной с наибольшей
мощностью двигателя. Предварительно выбирается двигатель постоянного тока
2МП-2000-315-УХЛ4 с частотой вращения n= 315 / 800 об/мин. Мощность
предварительно выбранного двигателя больше требуемой мощности, т.к.
используется два двигателя на каждый рабочий валок (2*2000 кВт > 3756,1 кВт
и 84 рад/с > 71,4 рад/с).
Технические
данные двигателя представлены в таблице 1.10.
Таблица
1.10 - Технические данные двигателя 2МП - 2000 - 315 - УХЛ4
|
Наименование величины
|
Обозначение
|
Единица измерения
|
Величина
|
Мощность номинальная Напряжение номинальное Ток
номинальный Момент инерции двигателя Частота вращения: номинальная
максимальная Момент двигателя: номинальный при ослаблении потока Перегрузка
по току: при nном при nмакс Число главных полюсов на якорь Ток возбуждения:
номинальный минимальный Напряжение возбуждения номинальное минимальное Поток
одного полюса: номинальный минимальный Сопротивление обмотки якоря при 15°С Сопротивление обмотки добавочных полюсов при 15°С на один якорь Сопротивление компенсационной обмотки при 15°С на один якорь. Сопротивление обмотки возбуждения при 15°С на один якорь. Число витков обмотки возбуждения на полюс. Число параллельных
ветвей обмотки возбуждения. Температурный коэффициент Максимально допустимая
скорость изменения тока Pном Uном Iном
nном nмакс Mном Mмакс lном lмакс 2p Iв.н Iв.мин Uв.ном Uв.мин Фном Фмин Rя Rд.п
Rк.о Rо.в Wв aв K(t)
кВт
В
А
кг*м
об/мин
об/мин
Н*м
Н*м
А
А
В
В
Вб
Вб
Ом
Ом
Ом
Ом
А/с2x1000
x440
x0,45*10^3
x30,4*10^3
2x11,9*10^3
2
8
´32
´8
140
35
,69*10^-2
6,08*10^-2
,00331
0,001
0,002
3,27
1,4
1.4.2 Расчет временных интервалов прокатки
В таблице 1.11 представлены значения скоростей и ускорений по клетям в
различных режимах, исходя из них рассчитываются временные интервалы прокатки
полосы.
Таблица 1.11 - Значения скоростей и ускорений по клетям
№ клети
(м/с)
(м/с)
(м/с
)
(м/с)
|
(м/с)
|
|
|
|
|
|
|
1 2 3 4 5
|
4 4,7 5,6 6,4 7
|
8,6 9,9 11,9 13,6 15
|
1,7 1,96 2,35 2,7 3
|
0,85 0,98 1,18 1,34 1,5
|
2,3 2,66 3,19 3,65 4
|
Время разгона до заправочной скорости
,
где
заправочная
скорость 5 - й клети, м/с;
ускорение
5 - й клети при разгоне, м/с
;
Время
заправки полосы по всему стану
,
где
скорость
заправки 1-й клети, м/с;
длина
переднего заправочного конца полосы, м;
При
этом время при прокатке в 5-й клети участка полосы достаточного для входа в
моталку определяется, как:
,
где
скорость
заправки 5-й клети, м/с;
длина
переднего заправочного конца полосы достаточного для входа в моталку, м;
Время
разгона до номинальной скорости
,
где
номинальная
скорость пятой клети, м/с;
заправочная
скорость пятой клети, м/с;
Время
разгона до максимальной скорости уменьшением потока
,
где
номинальная
скорость пятой клети, м/с;
максимальная
скорость прокатки пятой клети, м/с;
Время
торможения до скорости пропуска шва
,
где
номинальная
скорость пятой клети, м/с;
скорость
погона шва пятой клети, м/с;
Время
прогона шва
,
где
длина
участка полосы прокатываемого при пропуске шва, м;
скорость
пропуска шва 1 - й клети, м/с;
,
Общая длина рулона (три сварные полосы)
,
где
масса
рулона (см табл 1.1), кг;
плотность
стали, кг/м
;
ширина
прокатываемой полосы, м;
,
Отсюда,
,
Длина
заднего конца полосы прокатываемого во время торможения стана до заправочной
скорости
,
где
заправочная
скорость 5 - й клети, м/с;
ускорение
5 - й клети при разгоне, м/с
;
время
разгона (торможения) от заправочной скорости до максимальной и наоборот, (с)
,
Длина
участка полосы прокатываемого в моменты пропуска шва
,
где
скорость
пропуска шва 5 - й клети, м/с;
ускорение
5 - й клети при разгоне, м/с
;
время
разгона (торможения) от скорости пропуска шва до максимальной и наоборот, с;
,
Время
прокатки с максимальной скоростью 1 - й и 3 - й полосы
,
где
длина
полосы, м;
участок
полосы прокатываемый при разгоне, м;
участок
полосы прокатываемый при торможении до скорости прокатки шва, м;
участок
полосы прокатываемый при заправке, м;
максимальная
скорость прокатки пятой клети, м/с;
,
Время
прокатки с максимальной скоростью второй полосы
,
где
участок
полосы прокатываемый при торможении до скорости прокатки шва, м;
участок
полосы прокатываемый при пропуске шва, м;
Время
прокатки конца полосы равно времени заправки полосы в стан -
.
При
этом время при прокатке в 5-й клети участка полосы достаточного для входа в
моталку определяется, как:
,
где
скорость
заправки 5-й клети, м/с;
длина
переднего заправочного конца полосы, м;
Участок
торможения до нуля -
Время
паузы между циклами прокатки
1.4.3 Расчет нагрузочной и токовой диаграмм
Нагрузочная диаграмма строится исходя из уравнения двигателя имеющего вид
,
где
момент
двигателя, Н*м;
момент
статический, Н*м;
момент
инерции привода, кг*м
;

ускорение
системы привода, кг*м
;
Исходя
из технических данных двигателя (см. табл. 1.10) необходимо определить
постоянную двухякорной машины
Сопротивление
одного якоря при 80°С
,
где
сопротивление
обмотки якоря при 20°С, Ом;
сопротивление
обмотки добавочных полюсов при 20°С, Ом;
сопротивление
компенсационной обмотки при 20°С, Ом;
Постоянная
двигателя при номинальном магнитном потоке
,
где
номинальное
напряжение двигателя (см.табл. 1.10), В;
номинальный
ток двигателя (см.табл. 1.10), В;
сопротивление
якоря при 80°С, Ом;
номинальная
скорость вращения, 1/с;
Момент
динамический
Момент
инерции всей системы электропривода верхнего валка 5 - й клети
,
где
момент
инерции валка, определится как
(см.табл.
1.8), кг*м
;
момент
инерции двигателя (см.табл.1.10), кг*м
;
моменты
инерции муфт и промежуточного вала (см.пункт.1.1.2), кг*м
;
Угловое
ускорение системы определится как заправочная скорость на время разгона
,
где
угловая
заправочная скорость двигателя 5 - й клети, 1/с;
время
разгона до заправочной скорости (см. пункт. 1.4.3), с;
,
Отсюда,
момент динамический
Момент
прокатки суммарный
(см. пункт 1.4.1).
Момент
холостого хода
(см. пункт 1.4.1).
Момент
развиваемый при разгоне до заправочной скорости
Соответственно,
ток протекающий в якорной цепи будет равен
Ток
двигателя при работе клети на холостом ходу
Момент
при заправке полосы
Момент
развиваемый при разгоне клети до номинальной скорости
При
разгоне клети до максимальной скорости во второй зоне при том же моменте ток
возрастет в
раз, т.е
Эквивалентный
ток на этом участке определится
Ток
двигателя при прокатке на максимальной скорости
Момент
торможения усилением потока до номинальной скорости
Момент
торможения до скорости пропуска шва
Эквивалентный
ток на этом участке
Момент
развиваемый при прокатке шва
Момент
торможения до заправочной скорости
Торможение
до нуля
.4.4 Проверка двигателя по нагреву и перегрузочной
способности
В данном случае, исходя из требований к электроприводу (см. пункт 1.3),
для стана «630» требуется широкий диапазон регулирования скорости, что
подразумевает двухзонное регулирование скорости с ослаблением потока
возбуждения во второй зоне. Поэтому необходим метод эквивалентного тока для
проверки двигателя по нагреву
,
где
ток на
участке нагрузочной диаграммы, А;
время
цикла прокатки (
), с;
время
длительности момента на участке нагрузочной диаграммы, с;
Условие
выполняется, данный двигатель подходит для работы в
длительном режиме прокатки.
Максимальный
ток во время цикла прокатки достигает 3877 А, соответственно перегрузка по току
будет равна
,
где
номинальный
ток двигателя, А;
Перегрузочная
способность двигателя по току во второй зоне равна 2 (l=2),поэтому двигатель не испытывает недопустимой перегрузки, что
подтверждает его пригодность к использованию в данной системе привода.
На
рисунке 1.5, представлены скоростная и токовая диаграммы работы электропривода
5 - й клети стана «630» ЛПЦ №8.
Рисунок
1.4 - Скоростная и токовая диаграммы работы электропривода 5 - й клети стана
«630»
1.5 Выбор и характеристика основного силового
электрооборудования
1.5.1 Выбор и характеристика тиристорного преобразователя
При
выборе тиристорного преобразователя, учитываются номинальные значения
напряжения
и тока преобразователя, которые должны быть больше
либо равны номинальным значениям напряжения и
тока
двигателя, т.е.
;
Кроме
того, необходимо учесть, что все тиристорные преобразователи, предназначенные
для питания якорных цепей двигателей, допускают работу в циклическом режиме.
Причем циклическая нагрузка не превышает 75 % при длительности перегрузки 60 с
и 125 % при длительности перегрузки 10 с. Таким образом, необходимо также
обеспечить превышение максимального тока преобразователя над максимальным током
двигателя, т.е.
Номинальный
ток тиристорного преобразователя определяется следующим образом:
,
где:
перегрузочная
способность двигателя;
перегрузочная
способность преобразователя;
Этим
условиям удовлетворяет преобразователь КТЭ-3200/930 МП В-12Т-8-КД-55-УХЛ4
Условное обозначение этого тиристорного преобразователя означает:
КТЭ - комплектный тиристорный электропривод (серия);
- номинальный ток электропривода, А;
- номинальное напряжение электропривода, В;
МП - микропроцессорная схема управления и регулирования;
В - усиленной изоляции, со встроенным вентилятором;
- количество питаемых двигателей (однодвигательный);
- режим работы (реверсивный с реверсом тока в якорной цепи);
Т - связь с питающей сетью (трансформаторное исполнение);
- двухзонная САР;
К - контактор линейный;
Д - устройство динамического торможения;
- встроенный возбудитель;
УХЛ4 - климатическое исполнение (умеренно холодный климат) и
категория размещения по ГОСТ 15150-69.
Также в состав комплектного тиристорного преобразователя входит:
1) Реверсивная вентильная секция с
шестипульсной схемой выпрямления.
2) Шкаф с реверсивной вентильной
секцией, который включает в себя: регулирующее устройство SIMOREG СМ 6RA70, системой защиты, сигнализации и индикации неисправностей.
3) Трансформаторы тока ТНШЛ - 0,6692 -
3000/5А в количестве двух штук для измерения токов вторичных обмоток силового
трансформатора.
Рисунок 1.5 - Принципиальная схема силовой цепи главного привода клети
1.5.2 Выбор и характеристика силового трансформатора
В
комплект выбранного КТЭ входит силовой трансформатор, ниже приводятся его
технические данные, расчет максимального значения выпрямленной ЭДС
и параметров схемы замещения силовой цепи
преобразователя.
Технические
данные трансформатора ТСЗП - 4000 / 10У2 приведены в таблице 1.12.
Таблица
1.12 - Технические данные трансформатора ТСЗП - 4000 / 10У2
|
Наименование
|
Обозначение
|
Единица измерения
|
Величина
|
Схема и группа соединения Номинальная мощность
Номинальное напряжение: Сетевой обмотки Вентильной Преобразователя Номинальный
ток: Переменный вентильной обмотки Выпрямленный преобразователя Напряжение К.З
Ток ХХ Потери: Холостого хода Короткого замыкания
Sн
Uсет
U2ф
Uн.пр
I2ф
Iн.пр
ек%
Iхх
DPхх
DPкзКВ*А
КВ
В
В
А
А
%
%
КВт
КВт4030
,4
,3
,6
Максимальное значение выпрямленной ЭДС Ed0 при a=0
,
где
линейное напряжение вторичной обмотки, В;
, т.к.
вторичная обмотка трансформатора соединена в треугольник
Полное
сопротивление фазы трансформатора приведенное ко вторичной обмотке
,
где
фазное напряжение вторичной обмотки трансформатора, В;
фазный
ток вторичной обмотки трансформатора, А;
напряжение
короткого замыкания, %;
Активное сопротивление фазы трансформатора
,
где
потери короткого замыкания, Вт;
Индуктивное
сопротивление фазы трансформатора
Индуктивность
фазы трансформатора
,
где
частота питающей сети, Гц;
1.5.3 Расчет и выбор сглаживающего дросселя
Критическая индуктивность силовой цепи ТП - Д обеспечивающая снижение
пульсаций выпрямленного тока до допустимого уровня
,
где
амплитуда основной гармонической выпрямленной ЭДС n-го
порядка, В;
допустимое
действующее значение основной гармоники переменной составляющей выпрямленного
тока, %;
частота
сети, Гц;
номинальный
ток двигателя, А;
расчетный
коэффициент схемы выпрямления;
Критическая
индуктивность силовой цепи системы ТП-Д, обеспечивающая ликвидацию прерывистого
режима при малых нагрузках двигателя
,
где
ток холостого хода двигателя, принимается равным
, А;
максимальная
выпрямленная ЭДС, В;
Эквивалентное сопротивление силовой цепи системы ТП-Д
,
где
сопротивление обмотки якоря при 80° С (см. пункт 1.4.3), Ом;
активное,
реактивное сопротивление фазы трансформатора (см. пункт 1.4.2), Ом;
Угол,
при котором в якорной цепи протекает ток
,
где
конструктивная постоянная машины, В*с;
номинальная
скорость двигателя, 1/с;
падение
напряжения на тиристоре, В;
Соответственно,
Индуктивность
двух последовательно соединенных якорей
,
где
эмпирический коэффициент (
);
число
полюсов;
Индуктивность
сглаживающего дросселя
Так
как двигатель 2МП - 2000/315 - УХЛ4 двухякорный, то выбираются два дросселя
СРОСЗ - 3200 МУХЛ4 с номинальным током
и
индуктивностью
.
Эквивалентная
индуктивность цепи ТП-Д
1.5.4 Выбор тиристорного возбудителя
Выбор тиристорного возбудителя, который входит в состав тиристорного
электропривода, проводится с учетом коэффициента форсировки в соответствии с
условиями
.
где
Uвd, Iвd
- номинальное напряжение и ток тиристорного возбудителя;
-
максимальное значение выпрямленного напряжения возбуждения;
-
коэффициент форсировки;
Тв
- электромагнитная постоянная времени обмотки возбуждения;
Время замедления при
форсированном останове.
Так
как в данном случае две обмотки возбуждения включены параллельно, то
индуктивность обмотки возбуждения будет в два раза меньше Lв/2 и активное сопротивление уменьшится в два раза Rв/2. Следовательно, электромагнитная постоянная времени
обмотки возбуждения двухякорной машины будет такая же, как у одноякорной, т. е.
.
Коэффициент
форсировки

Тиристорный
возбудитель выбираем встроенным в КТЭ.
В
обозначении КТЭ-3200/930 МП В-12Т-8-КД-55-УХЛ4 индекс "55" означает
встроенный тиристорный возбудитель с номинальными данными Uвd
= 460 В, Iвd = 100 А
Тиристорный
возбудитель связан с сетью 380 В через токоограничивающий реактор типа РТСТ -
82 - 0,505У3 со следующими техническими данными: Uн = 410 В, Iн = 82 А, Lн = 0,505 мГн, R = 31,7 Ом.
Технические
данные и характеристики возбудителя следующие:
преобразователь
с трехфазной мостовой (шестипульсной) схемой выпрямления;
номинальное
выпрямленное напряжение Uн=460В;
- номинальный выпрямленный ток Iн=100 А;
исполнение тиристоров - тиристорные модули;
тип управления - цифровой;
напряжение питающей сети Uс= 380В;
естественное охлаждение;
- питание преобразователя через реактор.
Принципиальная схема тиристорного возбудителя представлена на рисунке1.6.
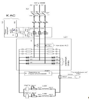
Рисунок 1.6 - Принципиальная схема тиристорного возбудителя
.6
Защита электропривода
В комплектном тиристорном электроприводе КТЭ , силовая часть которого
используется для электропривода валков непрерывного стана холодной прокатки,
применяется ряд защит, обеспечивающих его высокую надежность. Имеются защиты от
перенапряжения и от аварийных токов.
На стороне переменного тока в силовой части КТЭ включаются RC-цепочки,
уменьшающие перенапряжения, связанные с включением и отключением
преобразовательного трансформатора.
Периодические коммутационные перенапряжения на тиристорах уменьшаются за
счет RC- цепочек, шунтирующих тиристоры.
Защита от внутренних коротких замыканий, возникающих в случае пробоя
тиристоров или потери тиристором запирающих свойств, осуществляется
быстродействующими плавкими предохранителями, включенными последовательно с
тиристорами. В схеме предусмотрено параллельное соединение тиристоров. При
пробое одного из параллельно работающих тиристоров преобразователь может
продолжать работу, но длительность такой работы ограничена во времени.
Поврежденный тиристор при этом выключается из работы предохранителем, а в схему
индикации подается сигнал о перегорании предохранителя.
Защита от внешних коротких замыканий на входе в преобразователь
осуществляется масляным выключателем на стороне переменного тока, установленным
в ячейке распределительного устройства цеховой подстанции. При опрокидывании
инвертора, возникающим вследствие нарушения правильной коммутации тока с одного
вентиля на другой, а также при внешних коротких замыканиях на выходе
преобразователя блокируются управляющие импульсы и преобразователь отключается
от нагрузки. Воздействие на управляющее импульсы предотвращает развитие аварии
при переходе аварийного тока на последующие по порядку работы тиристоры. В
качестве чувствительного элемента защиты используется реле ≪дифференциальный шунт≫ (РДШ), а также датчик и
трансформаторы тока на стороне переменного тока. Отключение осуществляется
быстродействующим автоматическим выключателем ВАТ-42.
Отключение привода происходит также при превышении ЭДС двигателя максимально
допустимого значения.
Система защит контролирует возбуждение двигателя. Уровни сигнала датчика
тока возбуждения фиксируются нуль-индикаторами.
Отключение привода происходит при исчезновении напряжения питания
собственных нужд, а также при исчезновении напряжения питания системы
регулирования.
В схему индикации введен контроль принудительной вентиляции силовых
блоков и контроль уровня изоляции силовых цепей электропривода.
На стороне постоянного тока преобразователя установлен узел контроля
изоляции цепи выпрямленного тока на землю. Контроль осуществляется при помощи
двухобмоточного реле. При одинаковом уровне изоляции полюсов преобразователя
относительно ≪земли≫ через включенные встречно обмотки
реле протекает одинаковый ток и ампервитки катушек реле уравновешивают друг
друга. При снижении уровня изоляции одного из полюсов относительно ≪земли≫ реле включается и подает в схему
предупреждающий сигнал о недопустимом уровне изоляции. Уставка срабатывания
реле определяется величиной сопротивлений R1, R2. Для исключения , влияния
переменной составляющей выпрямленного напряжения на уставку срабатывания реле
катушки зашунтированы конденсаторами C1, C2.
Уставки защит приведены в таблице 1.13.
Таблица1.13 - Уставки защит
|
Аппарат, устройство
|
Назначение
|
Уставка
|
Примечание
|
|
Выключатель ВАТ-42
|
Максимальная токовая защита
на стороне постоянного тока (РДШ)
|
2,5× Iя =2,5×2460= =6150
А
|
Время срабатывания 0,015 с
|
|
Масляный выключатель
(установлен в Цеховой подстанции)
|
Защита от внешних коротких
замыканий на стороне переменного тока
|
5× Iфн =5×2460= =12300
А
|
Время срабатывания 0,08 -
0,14 с
|
|
Цифровой модуль Simoreg CM
|
Превышение ЭДС двигателя
допустимого значения
|
1,15× Едвн
=1,15×1215= =1397,25 А
|
|
|
Максимальная токовая защита
цепи возбуждения
|
1,25× Iвн =1,25×64= =80 А
|
|
|
Защита от обрыва поля
|
0,85× Iвмин =0,85×16= =13,6 А
|
|
Система защит микроконтроллера SIMOREG контролирует следующие параметры
(ошибки):
неисправность узла динамического торможения;
сгорание двух силовых предохранителей;
аварийное отключение быстродействующего автоматического выключателя
ВАТ-42;
аварийные состояния возбудителя;
минимальные и максимальные токи возбуждения двигателей;
превышение тока возбуждения;
аварийное отключение разъединителя;
отключение ВАТ от РДШ;
превышение напряжения на якоре двигателя;
отсутствие питания;
аварийное отключение КТЭ от кнопки ≪Аварийный останов≫, расположенный на двери шкафа преобразователя;
срабатывание максимально-токовой защиты.
Также контролируются предупреждения:
контроль питания тормоза;
аварийный останов с ПУ оператора;
отключение разъединителя;
контроль изоляции;
включение узла динамического торможения;
сгорание одного силового предохранителя;
превышение температуры трансформатора;
перегорание предохранителя панели защиты от перенапряжения.
2. Разработка системы автоматического управления
электроприводом
2.1 Основные
параметры силовой части электропривода
Максимальное
значение выпрямленной ЭДС при
= 0° рассчитывается как
В (см.
пункт 1.5.2)
Активное
сопротивление якорной обмотки двигателя при
:
Ом.(см.
пункт1.4.3)
Эквивалентное
активное сопротивление цепи выпрямления:
Ом (см.
пункт 1.5.2)
Эквивалентная
индуктивность силовой цепи системы ТП-Д:
мГн (см.
пункт 1.5.2),
Эквивалентная
электромагнитная постоянная времени якорной цепи:
Постоянная
двигателя при номинальном магнитном потоке:
(см. пункт 1.4.3)
Суммарный
момент инерции электропривода, приведённый к валу двигателя :
кг×м2,(см. пункт 1.4.3)
Электромеханическая
постоянная времени электропривода
с
Коэффициент
обратной связи по скорости
.
Коэффициент
обратной связи по якорному току
В/A
Коэффициент усиления преобразователя
2.2
Выбор импульсного датчика скорости
В
электроприводе в нашем случае в качестве датчика скорости будем использовать
импульсный датчик. При выборе импульсного датчика скорости нужно
руководствоваться следующим условием:
т.е.
номинальная скорость вращения энкодера должна быть больше либо равна
номинальной скорости вращения двигателя.
Выбираем
по этому условию импульсный датчик E6C2-CWZ3E.
Технические данные представлены в таблице 2.1.
Таблица
2.1 - Технические данные тахогенератора E6C2-CWZ3E
|
Наименование
|
Величина
|
|
1. Макс.допустимая скорость
вращения, nндс, об/мин
|
1000
|
|
2. Напряжение питания, Uдс, В
|
5 - 12 DC
|
|
3. Ток потребляемый, Iдс, мА
|
100 max.
|
|
4. Разрешение, имп/об
|
1024
|
|
5. Температура эксплуатации
|
-20.. 80 °C
|
|
6. Материал корпуса
|
Алюминий (защищенный
корпус)
|
Инкрементальные энкодеры Омрон при повороте вала на определённый угол
генерируют импульс напряжения на выходе. Основным рабочим параметром энкодера
является число генерируемых импульсов за один оборот диска. Величину угла
поворота объекта можно определить посредством подсчёта импульсов с начала
вращения. Инкрементные датчики угла поворота на выходе имеют два канала, в которых
идентичные последовательности импульсов сдвинуты на 90° относительно друг
друга, что позволяет определять направление вращения.
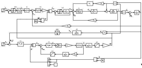
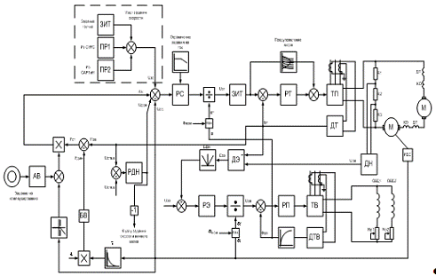
2.3 Построение системы автоматического управления
2.3.1 Принципы построения системы автоматического управления
В настоящее время система автоматизированного электропривода постоянного
тока строится на базе системы подчиненного регулирования координат с
последовательной коррекцией, которая в сравнении с системами регулирования с
параллельными обратными связями имеют меньшее быстродействие, но отличаются
более качественными переходными процессами, эффективным ограничением
регулируемых координат, простотой расчёта и наладки.
Объект регулирования представляется в виде последовательно соединённых
звеньев, выходными параметрами которых являются существующие координаты объекта
(ток, напряжение, ЭДС, магнитный поток, момент, скорость и др.). Для управления
каждой из этих координат организуется отдельный регулятор, образующий с
объектом контур, замкнутый соответствующей обратной связью. При этом замкнутые
контуры образуют систему автоматического регулирования, в которой имеется
внутренний контур регулирования и внешний, включающий в себя внутренний контур
и следующее звено управления. Выходной сигнал каждого контура является заданием
для последующего, т.е. каждый внутренний контур подчинён внешнему.
В общем случае передаточная функция регулятора может быть рассчитана по
следующему выражению:
,
где
WОРi(p) -
передаточная функция объекта регулирования i-го звена;
Тm - некомпенсируемая магнитная постоянная времени
контура;
koi, koi-1 -
коэффициенты обратной связи рассчитываемого и предшествующего контуров.
Тогда
замкнутые контуры регулирования будут соответствовать оптимальным фильтрам
Баттерворса, которые построены в соответствии с теорией оптимального управления
по минимуму интегральной квадратичной ошибки регулирования.
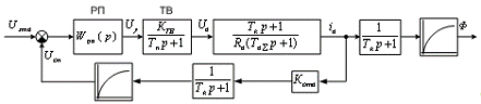
Функциональная
схема системы регулирования скорости клети приведена на рисунке 2.1
Рисунок
2.1 - Функциональная схема САРС клети
2.3.2 Построение контура регулирования тока якоря
При питании двигателя постоянного тока от тиристорного преобразователя с
раздельным управлением вентильными группами при малых нагрузках на валу
двигателя возникает прерывистый якорный ток, когда переходные процессы в
якорной цепи заканчиваются за период пульсации выпрямленного напряжения или
другими, в зоне прерывистого тока электромагнитная инерционность якорной цепи
не проявляется, а для выхода из этого режима в мостовой схеме выпрямления
необходимо изменить угол более 30 электрических градусов, тиристорный
преобразователь в этом режиме работы снижает коэффициент усиления. Для
сохранения качества переходного процесса в ЗПТ необходимо в контуре тока или
изменять параметры регулятора в зависимости от режима работы ТП или применять
дополнительные схемные решения по стабилизации качества переходного процесса .
Выбор способа компенсации зоны прерывистых токов зависит от величины
граничного тока, которая определится следующим образом
,
где
амплитуда фазного питающего напряжения, В;
круговая
частота питающего напряжения, 1/c;
эквивалентная
индуктивность цепи ТП-Д, мГн;
В
данном случае максимальное значение гранично-непрерывного тока превышает
значение тока холостого хода
, то есть
имеет место неглубокий прерывистый режим. Для совместимости схемы управления,
реализуемой в среде Matlab, со схемой регулирования модулей SIMOREG
применяется пропорционально-интегральный регулятор тока вместо двойного
регулятора тока, существующего в данный момент на производстве. Но во избежание
возникновения глубокого режима прерывистого тока применяется специальный блок
предуправления якоря, который обеспечивает устойчивую работу привода в
прерывистом режиме.
Структурная
схема системы пропорционально-интегрального регулятора тока представлена на
рисунке 2.2.
Рисунок
2.2 - Структурная схема системы пропорционально-интегрального регулятора тока
Регулятор
тока внутреннего контура имеет следующую передаточную функцию
,
где
электромагнитная
постоянная (см.пункт 2.1), с;
эквивалентное
сопротивление силовой цепи (см.пункт 2.1), Ом;
коэффициент
усиления преобразователя (см.пункт 2.1);
коэффициент
обратной связи по току (см.пункт 2.1);
некомпенсируемая
постоянная времени;
Передаточная
функция пропорционально-интегрального регулятора тока
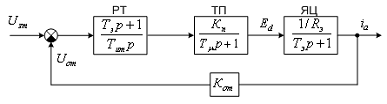
2.3.2.1 Анализ влияния внутренней обратной связи по ЭДС
двигателя, компенсация влияния ЭДС двигателя
Относительная величина недоиспользования двигателя по току в %:
Данная
величина недоиспользования двигателя по току не удовлетворяет требованиям.
Необходимо проводить компенсацию влияния ЭДС.
Передаточная
функция компенсирующего звена:
Структурная
схема компенсации ЭДС двигателя показана на рис.2.3.
Рис.
2.3 - Структурная схема компенсации ЭДС двигателя
2.3.2.2 Оценка скорости нарастания якорного тока
Одним
из параметров требующих ограничение быстродействия системы регулирования,
является предельная скорость нарастания якорного тока
. Это ограничение накладывается условиями коммутации
двигателя. Двигатель постоянного тока 2МП - 2000 - 315 - УХЛ4 допускает
максимальную скорость нарастания тока не более пятидесяти номиналов в секунду
(см.табл.
1.10).
Предельная
скорость нарастания якорного тока на скачок задания
,
где
относительное
значение заданного тока в контуре;
Необходим
задатчик интенсивности тока, постоянная времени задатчика интенсивности
определится
2.3.3 Построение контура регулирования скорости
Исходя из требований предъявляемых к электроприводу валков клети
(см.пункт 1.3), следует отметить, что одним из требований является наличие
высокой жесткости механических характеристик. Структурная схема регулирования
скорости приведена на рисунке 2.3.
Рисунок 2.3 - Структурная схема регулирования скорости
Одним из способов повышения жесткости механической характеристики
является применение «симметричного оптимума» в контуре скорости за счет
пропорционально - интегрального регулятора скорости с передаточной функцией
,
где
коэффициент
усиления регулятора скорости;
Симметричный
оптимум формирует симметричную ЛАЧХ разомкнутого контура регулирования скорости
по отношению к частоте среза, на низких частотах получается участок
характеристики с наклоном - 40 дБ/дек, что делает астатической по нагрузке
данную систему. При этом ликвидация статической просадки скорости происходит за
счет перерегулирования тока до 43 %.
Коэффициент
усиления регулятора скорости определится
Для
обеспечения желаемых переходных процессов
подбирается
экспериментально.
Соответственно,
В
данном случае система электропривода работает с двухзонным регулированием
скорости, во второй зоне при регулировании скорости потоком возбуждения
характер переходных процессов в контуре скорости меняется. Для обеспечения
неизменного качества регулирования следует, поддерживать коэффициент усиления
РС обратно пропорциональным величине потока. Это достигается применением делительного
устройства в прямом канале контура скорости. Делимым является напряжение выхода
РС, а делителем напряжение пропорциональное потоку возбуждения.
.3.3.1 Задатчик интенсивности
скорости
Для ограничения максимального значения ускорения привода, перед
регулятором скорости устанавливается задатчик интенсивности скорости ЗИС.
Допустимый динамический ток составляет величину равную 1,2·Iн, тогда максимальное ускорение привода составит
Постоянная
времени задатчика интенсивности скорости найдётся по формуле
где
U0 = 10 В - напряжение ограничения ЗИС.
2.3.4 Построение контура регулирования тока возбуждения
Переход во вторую зону регулирования скорости осуществляется уменьшением
потока возбуждения двигателя. Для изменения потока двигателя необходимо
изменять ток возбуждения двигателя по заданному закону.
Передаточная функция регулятора тока возбуждения
,
где
постоянная
времени тиристорного возбудителя, с;
коэффициент
усиления тиристорного возбудителя, с;
коэффициент
обратной связи по потоку;
коэффициент
леаниризации;
суммарная
электромагнитная постоянная времени цепи возбуждения;
сопротивление
обмотки возбуждения при рабочей температуре, Ом;
Суммарная электромагнитная постоянная времени цепи возбуждения
Коэффициент
леаниризации равняется
Коэффициент
обратной связи по потоку
Передаточная
функция регулятора тока возбуждения
Структурная
схема регулирования потока возбуждения приведена на рисунке 2.4.
Рисунок
2.4 - Структурная схема регулирования потока возбуждения
2.3.4.1 Расчёт нелинейного элемента,
моделирующего кривую намагничивания двигателя
Универсальная кривая намагничивания приведена на рисунке 2.5.
Рисунок 2.5 - Универсальная кривая намагничивания
Зная номинальный поток возбуждения и номинальный ток возбуждения, можно
рассчитать и построить кривую намагничивания для двигателя. Расчёт приведен в
таблице 2.2, а кривая приведена на рисунке 2.6.
Таблица 2.2 - Расчёт кривой намагничивания
|
0
|
8
|
16
|
26,88
|
48
|
64
|
80
|
96
|
112
|
128
|
160
|
|
|
0
|
0,0314
|
0,0628
|
0,0941
|
0,1368
|
0,1569
|
0,169
|
0,1757
|
0,1804
|
0,1844
|
0,1898
|
|
помощью зависимости на рисунке 2.6 рассчитаем нелинейный элемент,
моделирующий кривую намагничивания двигателя. Расчёт приведен в таблице 2.3, а
график на рисунке 2.7.
Рисунок 2.6 - Кривая намагничивания для двигателя
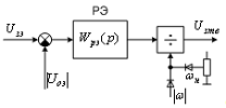
2.3.5 Построение контура регулирования ЭДС двигателя
.3.5.1 Контур регулирования ЭДС, компенсация изменения
параметров объекта регулирования
В контур регулирования ЭДС двигателя входят:
) Регулятор ЭДС, передаточную функцию которого необходимо определить;
) Внутренний замкнутый контур тока возбуждения;
3) Объект регулирования (ЭДС двигателя);
) Цепь обратной связи, состоящая из датчика ЭДС.
Контур регулирования тока возбуждения подчинён внешнему контуру
регулирования ЭДС двигателя.
Структурная схема контура регулирования ЭДС двигателя представлена на
рисунке. 2.7.
Рисунок 2.7 - Структурная схема контура регулирования ЭДС
Величина
изменяется при изменении скорости вращения двигателя
. Поэтому электропривод, устойчивый при скорости,
близкой к номинальной, может оказаться колебательным или даже неустойчивым в
зоне максимальных скоростей. Чтобы этого не случилось, часто последовательно с
регулятором ЭДС включают блок с регулируемой в функции скорости вращения или
тока возбуждения величиной коэффициента усиления. На выход регулятора ЭДС
подключается делительное устройство ДУ, которое снижает коэффициент усиление
контура ЭДС при работе двигателя во второй зоне регулирования скорости, тем
самым сохраняется настройка системы на модульный оптимум (рисунок 2.8).
Рисунок 2.8 - Схема компенсации изменения параметров объекта
регулирования
Регулятор ЭДС рассчитывается по формуле:
где
-
коэффициент обратной связи по потоку,
-
коэффициент обратной связи по ЭДС,
-
постоянная времени датчика ЭДС (из пункта 2.3.5.3).
.3.5.2 Ограничение максимального и
минимального задания тока возбуждения (магнитного потока)
Для ограничения максимального и минимального задания тока возбуждения
необходимо в обратную связь регулятора ЭДС включить блок ограничения БО.
Максимум
выходного напряжения РЭ соответствует номинальному току возбуждения двигателя.
Минимум выходного напряжения РЭ соответствует минимальному току возбуждения
двигателя при максимальной скорости
.
Схема
включения блока ограничения приведена на рисунке 2.9.
Рис.
2.9 - Схема включения блока ограничения
2.3.5.3 Выбор и расчёт датчика ЭДС
В тех случаях, когда невозможно измерить непосредственно регулируемую
координату, применяют датчики косвенного типа, которые выделяют регулируемую
координату косвенным методом на основании непосредственно измеряемых координат
и математической зависимости выделяемой координаты от измеряемой.
Выбираем инерционный датчик ЭДС, имеющий передаточную функцию
Где
- коэффициент обратной связи по ЭДС.
-
электромагнитная постоянная якорной цепи.
Недостатком
данного вида датчика ЭДС является его низкое быстродействие.
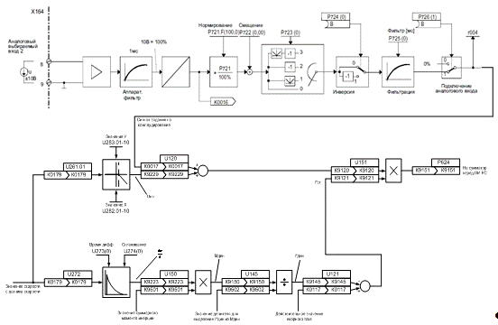
.4 Реализация системы управления электропривода
Реализация системы автоматического регулирования электроприводом
механизма осуществляется на базе блоков управления SIMOREG фирмы Siemens
(Германия). Применяются модули SIMOREG
СМ.
В преобразователях 6RA70 предусмотрена возможность
программной реализации функциональной схемы САР. Представленные функциональные блоки выполнены в цифровой форме (как модули программного обеспечения), которые можно "читать" как
схемы подключений аналогового устройства.
Устройство 6RA70
характеризуется свободной структурируемостью
предоставленных функциональных блоков. Свободное структурирование означает, что соединения между отдельными функциональными блоками осуществляются
через выбор параметра.
Все переменные выхода и важные расчетные величины внутри функциональных блоков доступны как "Коннекторы" (например, для дальнейшей обработки как входные
сигналы к функциональным блокам). Величины, доступные через коннекторы, соответствуют сигналам на выходе или точкам измерения в
аналоговой схеме и характеризуется через собственный "Номер коннектора"
(например, K0003 = коннектор 3).
Особые случаи: K0000 по K0008 являются фиксированными значениями с уровнями
сигналов, соответствующими 0, 100, 200, -100, -200, 50, 150, -50 и -150%. K0009 предназначен для различных величин сигналов. Какое значение сигнала фактически
имеется в виду, зависит от того, на какой переключатель выбора (параметр) установлен
коннектор номер
9.
Внутреннее числовое представление коннекторов в общем следующее:
100% соответствует 4000 hex = 16384 dez. Разрешение составляет 0,006%.
Коннекторы имеют диапазон значений от -200% до +199,99%
Все бинарные величины, а также важные бинарные выходные сигналы функциональных блоков предоставлены
как "Бинекторы"
(Коннекторы для бинарных сигналов). Бинекторы могут находиться в состояниях логического "0" и логической "1". Величины, доступные через бинекторы, соответствуют сигналам на выходе или точкам измерениям в
цифровой схеме и характеризуются
"Номером бинектора" (например, B0003 = Бинектор 3).
Особые случаи:
0000 = фиксированное значение логического "0";
B0001 = фиксированное
значение логической "1".
Настройка работы САР осуществляется путем параметрирования. Параметрирование означает изменение значений
параметров и активизация функций устройства с панели управления.
Отпараметрировать прибор можно также через параллельный интерфейс
основного прибора посредством обычного персонального компьютера с
соответствующим программным обеспечением. Интерфейс персонального компьютера
служит для запуска, обслуживания во время простоя и диагностики во время работы
и поэтому является сервисным интерфейсом. В дальнейшем через этот интерфейс
может загружаться модифицированное программное обеспечение преобразователя для
хранения в флэш-памяти.
Параметры основного прибора
называются P-,
r-, U- или n-параметры, параметры опциональных дополнительных модулей
называются H-,
d-, L- или c-параметры.
На панели управления PMU отображаются
вначале параметры основного прибора, а затем параметры технологического модуля (если он установлен). При этом нельзя смешивать параметры опционального технологического программного обеспчения S00 основного прибора с
параметрами одного из опциональных дополнительных модулей (T100, T300 илиT400).
Данный прибор имеет три типа параметров:
а) Параметры отображения используются для индикации существующих величин, например, основная уставка, напряжение якоря, отклонение фактического значения от
уставки регулятора числа оборотов, и.т.д. Значения параметров дисплея служат только для чтения и не
могут быть изменены.
б) Параметры установки используются как для отображения, так и для изменения параметров, например, расчетный ток двигателя, термическая постоянная времени двигателя, регулятор скорости-P-усиление, и.т.д.
в) Параметры индексации используются как для отображения, так и для изменения
нескольких значений параметра,
которые подчинены одному номеру параметра.
Преобразователи настраиваются в следующей последовательности:
1. Путём установки Р051=21 производится сброс всех параметров в
значения, устанавливаемые по умолчанию (заводская настройка).
2. Задаётся напряжение питания преобразователя в вольтах (параметр
Р078.001). Задается напряжение для цепи возбуждения в вольтах (параметр P078.002).
. Устанавливаются номинальный постоянный ток якоря двигателя (в %)
и номинальный постоянный ток возбуждения (параметры P076.001 и P076.002).
. Регулировка возбуждения (P082).
. Ослабление поля (P081).
. Задаются номинальные данные двигателя (ток Р100, напряжение
Р101, ток возбуждения Р102, тепловая постоянная времени двигателя в минутах
Р114).
. Устанавливается способ получения информации о текущей скорости
(Р083).
. Устанавливается тип возбуждения (Р081=0 - ослабление поля не
используется, Р082=0 - внутренний возбудитель преобразователя не используется).
. Устанавливаются допустимые пределы тока (Р171, Р172).
. Устанавливаются характеристики задатчика интенсивности
(Р303…Р310).
. Задаётся в % допустимое падение (превышение) питающего
напряжения, при котором срабатывает защита и привод отключается (Р351, Р352).
. Установка времени срабатывания защиты (Р355).
. Установка времени перезапуска привода после аварийного
отключения (параметр Р086).
. Задание допустимого отклонения заданной и фактической скоростей
(Р388).
При установке Р051=25 и последующем включении привода производится
автоматическая настройка регулятора тока. При этом возбуждение двигателя должно
быть отключено, а сам двигатель заблокирован тормозами. В процессе запуска
автоматически устанавливаются параметры Р110…112, Р155, Р156, Р255, Р256. При
установке Р051=26 и последующем включении привода производится автоматическая настройка
регулятора скорости.
Для реализации функциональной схемы составим соответствующие связи
функциональных блоков и настроим основные параметры, результаты сведем в
таблицу 2.4.
Таблица 2.4 - Настройка параметров двигателя
|
Параметр
|
Значение
|
Функция
|
|
Р051
|
40
|
Разрешение доступа к
параметрам
|
|
Р052
|
3
|
При настройке отображаются
все параметры. При установке в 0 отображаются только те параметры, значения
которых отличаются от заводских установок
|
|
Р078
|
410 В
|
Номинальное напряжение
питания преобразователя
|
|
Р086
|
0,0 с
|
Автоматический перезапуск
не применяется
|
|
Р100
|
2460 А
|
Номинальный ток двигателя
|
|
Р101
|
880 В
|
Номинальное напряжение
двигателя
|
|
Р102
|
64 А
|
Номинальный ток возбуждения
|
|
Р118
|
840 В
|
ЭДС при номинальном токе
возбуждения (Р102) и скорости, установленной в Р119
|
|
Параметр
|
Значение
|
Функция
|
|
Р413
|
29,41
|
1/Rэ
|
|
Р119
|
100%
|
|
Р351
|
-30%
|
Падение питающего
напряжения, при котором срабатывает защита, и привод отключается
|
|
Р352
|
30%
|
Превышение питающего
напряжения, при котором срабатывает защита, и привод отключается
|
|
Р355
|
5 с
|
Время, через которое
срабатывает защита «привод блокирован» при появлении соответствующих условий
|
|
U977
|
пароль
|
PIN-код для разрешения программирования
|
|
P155
|
0,48
|
|
|
P156
|
58
|
, мс
|
|
P110
|
0,034
|
, Ом
|
|
P111
|
0,954
|
, мГн
|
|
P550
|
28,5
|
|
|
P226
|
40
|
, мс
|
|
P119
|
33
|
|
|
P255
|
90
|
|
|
P256
|
0,05
|
|
|
P112
|
4,05
|
, Ом
|
2.4.1 Задатчик интенсивности скорости
Задатчик интенсивности определяет темп разгона и торможения привода, а
также величину закругления в начале и в конце разгона (торможения). На рисунке
2.10 представлены функциональная схема ЗИ, реализованного в цифровых модулях SIMOREG.
В схеме предусмотрена возможность задания различных параметров для
подъёма и для опускания винтов. Переключение с набора Р303…Р306 (подъём) на
набор Р307…Р310 (опускание) происходит по сигналу с дискретного входа «Реверс».
Выход ЗИ ограничивается значениями, заданными в параметрах Р300 и Р301 (в
процентах от максимальной скорости).
Задатчик интенсивности тока построен точно таким же образом, поэтому в
дальнейшем описан не будет.
Рисунок 2.10 - Задатчик интенсивности
2.4.2 Регулятор скорости
Разность между заданной скоростью (с ЗИ) и фактической скоростью подаётся
на вход регулятора скорости (рисунок 2.11). В качестве фактической скорости
используется её вычисленное значение. Для вычисления скорости необходимо задать
ЭДС, соответствующую максимальной скорости (800 об/мин). В соответствии с
характеристикой холостого хода электродвигателя. ЭДС задаётся в параметре Р115
в процентах от номинального напряжения питания преобразователя.
Канал компенсации трения и момента инерции может быть подключен (Р223=1)
только в том случае, если есть возможность проведения тестового запуска для
снятия характеристики трения (Р521…Р530).
Дополнительный контур «предуправления» скоростью не используется
(Р684=0). Адаптация пропорционального коэффициента регулятора не используется.
2.4.3 Регулятор деления нагрузок и ограничение якорного тока
На рисунке 2.12 представлена функциональная схема ограничителя якорного
тока двигателя и регулятора деления нагрузок.
Блок ограничения задания на ток позволяет реализовать ограничение
положительного и отрицательного предела как совместно, так и раздельно. Также
предусмотрена реализация зависимого токоограничения.
Абсолютное ограничение тока задаётся в параметрах Р171 и Р172 (в % от
номинального тока двигателя).
2.4.4 Регулятор тока
ПИ-регулятор тока сравнивает фактический ток с заданным и выдаёт сигнал,
соответствующий углу открывания вентилей. Параллельно регулятору подключен дополнительный
контур «предуправления» (рисунок 2.13) для улучшения динамических свойств
привода. Параметры регуляторов настраиваются автоматически при тестовом
запуске.
Регулятор тока имеется возможность изменения параметров в зависимости от
скорости. На входе задатчика интенсивности имеется задатчик интенсивности тока
и фильтр. Для улучшения качества регулирования в системе управления содержится
блок предуправления током якоря. При вхождении в зону прерывистых токов этот
блок формирует добавку в канал задания.
2.4.5 Регулятор ЭДС
Для регулирования ЭДС в SIMOREG измеряется выходное напряжение
преобразователя. Измеренное напряжение якоря компенсируется с внутренним
падением напряжения двигателя (I*R компенсация). Величина компенсации
выбирается автоматически в процессе оптимизации регулятора тока.
Точность этого процесса регулирования определяется изменением
сопротивления в якорном контуре двигателя, зависящего от температуры и
составляет около 5%. Рекомендуется процесс оптимизации регулятора тока для
достижения наивысшей точности проводить при рабочей температуре машины.
Регулятор ЭДС двигателя представлен на рисунке 2.14.
Рисунок 2.11 - Регулятор скорости
Рисунок 2.12 - Ограничение тока двигателя
Рисунок 2.13 - Регулятор тока
Рисунок 2.14 - Регулятор тока возбуждения
Рисунок 2.15 - Регулятор ЭДС
Рисунок 2.16 - Узел компаундирования
Рисунок 2.17 - Анализ данных импульсного датчика
2.5 Анализ динамических режимов системы автоматического
регулирования
Оценку правильного выбора структуры и параметров спроектированной системы
можно произвести путём анализа переходных процессов данной системы.
Производится моделирование системы автоматического регулирования
электропривода на основе структурной схемы (рисунок 2.19.) на ЭВМ в программе
структурного моделирования «MathLab»
в приложении «Sumulink».
Результаты моделирования САР электропривода, графики переходных процессов
скорости, ЭДС двигателя, потока и тока якоря: при разгоне стана до рабочей
скорости представлены на рисунке 2.17; при разгоне стана до рабочей скорости,
набросе и сбросе нагрузки на рисунке 2.18.
Структурная схема системы автоматического регулирования координат представлена
на рисунке 2.19.
Рисунок 2.17 - Переходные процессы скорости, ЭДС двигателя, потока и тока
якоря при разгоне стана до рабочей скорости
Рисунок 2.18 - Переходные процессы скорости, ЭДС двигателя, потока и тока
якоря при разгоне стана до рабочей скорости, набросе и сбросе нагрузки
Рисунок 2.19. - Структурная схема системы регулирования главного привода
клети стана «630»
Заключение
Спроектированный электропривод 5-й клети пятиклетевого стана
"630" холодной прокатки удовлетворяет требованиям, предъявляемым к
электроприводу клетей, а именно является современным, обеспечивает широкий
диапазон регулирования скорости, заданные темпы ускорения и торможения,
поддержание заданной скорости, натяжения полосы, быстро перенастраивается на
любой возможный вид сортамента.
Для питания двигателя 2МП-2000-315-УХЛ4 выбран реверсивный тиристорный
преобразователь серии КТЭ-3200/930-МП-В-12Т-8-КД-55-УХЛ4 с поддержкой
микропроцессорного управления, а также со встроенным тиристорным возбудителем.
Произведены необходимые проверочные расчеты силовой части электропривода.
Построены нагрузочная и токовая диаграммы работы клети.
Разработана система двухзонного регулирования, построенная по принципу
подчиненного регулирования.
Динамические свойства электропривода клети были оценены при помощи
метода, структурного моделирования и построения переходных процессов на ЭВМ в
программе "МАТLAB'. Анализ
показывает, что спроектированная система электропривода обеспечивает
оптимальные переходные процессы по току и скорости, динамические и статические
параметры соответствуют значениям, которые необходимы для обеспечения
нормальной прокатки металла.
Список использованных источников
1. Косматов В.П. Проектирование электроприводов
металлургического производства: Учебное пособие. Магнитогорск: МГТУ, 2002, 244
с.
2. Комплексные тиристорные электроприводы: Справочник
/под ред. Перельмутера. - М.: Энергоатомиздат., 1988г.
. Бычков В.П. Электропривод и автоматизация
металлургического производства: Учебное пособие для вузов. - М. Высшая школа,
1977г.
4. SIMOREG CM. Каталог 65.10.2001-2002. Siemens AG, 2001. - 302с.
5. Электротехнический справочник: В 4 т. Под общей
редакцией В.Г. Герасимова. Т4: Использование электрической энергии, 2002. -
576с.
. Зеленов А.Б., Тертичников В.Н., Гулякин В.Г.
Электропривод механизмов прокатных станов. Харьков: Металлургиздат, 1963. -
344с.