Автоматизированный электропривод продольной подачи стола станка модели 6Ф13ГН-1

  • Вид работы:
    Дипломная (ВКР)
  • Предмет:
    Другое
  • Язык:
    Русский
    ,
    Формат файла:
    MS Word
    492,89 Кб
  • Опубликовано:
    2012-04-08
Вы можете узнать стоимость помощи в написании студенческой работы.
Помощь в написании работы, которую точно примут!

Автоматизированный электропривод продольной подачи стола станка модели 6Ф13ГН-1

Министерство Образования Республики Беларусь

БЕЛОРУССКИЙ НАЦИОНАЛЬНЫЙ ТЕХНИЧЕСКИЙ УНИВЕРСИТЕТ

Кафедра: «Электропривод и автоматизация промышленных установок и технологических комплексов»






АВТОМАТИЗИРОВАННЫЙ ЭЛЕКТРОПРИВОД ПРОДОЛЬНОЙ ПОДАЧИ СТОЛА СТАНКА МОДЕЛИ 6Ф13ГН-1

Дипломный проект

Пояснительная записка

ДП-Т11.02.107618.03.ПЗ

Разработал Д.В. Русак

Консультант С.В. Васильев

Консультант Л.П. Филянович

Консультант А.И. Баранников

Консультант Ю.Н. Петренко

Нормоконтролер С.В. Васильев

Руководитель проекта Е.П. Раткевич


ВВЕДЕНИЕ

Начало промышленного применения станков с числовым программным управлением относится к 1957 - 1960 гг. Первоначально станки с числовым программным управлением (ЧПУ) пришли на смену копировально-фрезерным станкам при обработке фасонных поверхностей: шаблон заменила магнитная или перфорированная лента, которая позволила ввести числовой (цифровой) метод задания программы.

Применение станков с ЧПУ позволило получить значительный экономический эффект и высвободить большое число универсального оборудования. Эффективность станков с ЧПУ, по отечественным и зарубежным данным, характеризуется ростом производительности; числом заменяемых универсальных станков; сокращением сроков подготовки производства и технологической оснастки; уменьшением брака; обеспечением взаимозаменяемости деталей; сокращением или полной ликвидацией разметочных и слесарно-подгоночных работ; внедрением с начала запуска нового изделия расчетно-технических норм и обеспечением тем самым существенного уменьшения трудоемкости и повышения производительность труда.

Опыт использования станков с ЧПУ показал, что эффективность их применения возрастает при повышении точности, усложнении условий обработки, при необходимости в процессе обработки взаимного перемещения детали и инструмента в пяти - шести координатах, при многоинструментальной многооперационной обработке деталей с одного установа и т.п.

Точность обработки качество поверхности производительность а также надежность и стоимость - все это в значительной степени зависит от электропривода. Основными параметрами следящего привода являются мощность, скорость, быстродействие и точность. В некоторых случаях учитываются также КПД, стоимость и удобство эксплуатации. Особое внимание уделяют габаритным размерам и массе, приходящимся на единицу длины.

Следящие приводы находят применение, как в контурных системах программного управления (СПУ), так и в позиционных. Основной причиной применения следящего привода в контурных СПУ является необходимость непрерывного управления переменными скоростями движения рабочих органов станков при значительных требуемых мощностях и высокой заданной точности перемещений по нескольким одновременно управляемым координатам.

На основе создания управляемых от ЭВМ автоматизированных производственных систем из станков с ЧПУ и транспорта решается проблема обеспечения круглосуточного использования оборудования. При этом открывается возможности обеспечения работы производственного персоонала, подготавливающего работу производственной системы, главным образом в первую, наиболее продуктивную смену; во вторую и третью смены работает малочисленный штат дежурных.

Применение станков с ЧПУ практически во всех отраслях машиностроения в последние годы стало одним из главных направлений в области автоматизации обработки металлов резанием.

1. ТЕХНОЛОГИЧЕСКАЯ ЧАСТЬ

1.1       Анализ технологического процесса

Фрезерные станки с числовым программным управлением (ЧПУ) предназначены для обработки плоских и пространственных деталей сложной формы.

Свойство устройства ЧПУ осуществлять и многократно повторять точное позиционирование подвижного органа станка в заданной координате позволяет кроме фрезерования производить сверление, зенкерование, развертывание и растачивание отверстий, а также нарезание резьбы в отверстиях, что значительно расширяет технологические возможности фрезерных станков с ЧПУ.

Конструкции фрезерных станков с ЧПУ различаются по расположению шпинделя (горизонтальное или вертикальное), по числу координатных перемещений стола или фрезерной бабки, по числу используемых инструментов и способу их установки на станке (вручную или автоматически).

Фрезерные станки с ЧПУ (по сравнению с традиционными фрезерными станками) обладают следующими преимуществами: более чем в 3 раза повышается производительность обработки; сокращается производственный цикл обработки и время на подготовку производства, так как отпадает необходимость в изготовлении специальной дорогостоящей оснастки (шаблонов, копиров, специальных приспособлений и инструментов); отпадает необходимость в трудоемкой ручной доработке деталей, а в отдельных случаях и в их доводке.

1.2 Описание промышленной установки

На рис.1.1. представлен вертикально-фрезерный консольный станок с ЧПУ модели 6М13ГН-1. Станок имеет три координаты перемещения рабочих органов по числовой программе: X - продольное перемещение стола, Y - поперечное перемещение салазок со столом и Z - вертикальное перемещение пиноли. Особенностью этого станка, как и других станков с ЧПУ, является наличие устройства ЧПУ (7), соединенного кабельными связями (6) со станком и шкафов силовой электроаппаратуры (1). Стол станка (8) и ползун (2) перемещаются во взаимно перпендикулярных направлениях X и Y ходовыми винтами от двигателей подач. На вертикальных направляющих ползуна (2) смонтирована фрезерная головка (3), в шпинделе (9) которой закрепляется фреза (4). Фрезерная головка (3) перемещается вертикально по направлению оси Z ходовым винтом от соответствующего двигателя. Пульт управления (5) станком служит для выполнения пусковых операций и работы в наладочном режиме.

Общий вид трехкоординатного вертикально-фрезерного станка с ЧПУ представлен на рис.1.1.

Рис.1.1.

На рис.1.1. приняты следующие условные обозначения: 1 - шкаф силовой электроаппаратуры; 2 - ползун; 3 - фрезерная головка; 4 - фреза; 5 - пульт управления; 6 - соединительные кабельные связи; 7 - устройство ЧПУ; 8 - стол станка; 9 - шпиндель

Основные технические данные станка модели 6М13ГН-1.

Размеры рабочей поверхности стола, мм

длина 1600

ширина 400

Пределы частоты вращения шпинделя, об/мин 1,5 - 1600

Величины программируемых перемещений

по координатам

продольное X, мм 900

поперечное Y, мм 320

вертикальное Z, мм 80

Скорости подач по координатам

X,Y, мм/мин 0 - 1330

Z, мм/мин 0 - 640

Масса стола, кг 100

Масса обрабатываемой детали, кг до 75

Подача за импульс, мм 0,01

Мощность ЭД главного привода, кВт 7,5

Тип устройства ЧПУ ПФСТЭ-12-500

Программоноситель магнитная лента

1.3 Анализ взаимодействия оператор - промышленная установка

Работа механизма передвижения стола станка может осуществляться как в автоматическом, так и в ручном режиме, с пульта местного управления.

При автоматическом режиме работы, команды приходят от устройства числового программного управления. Автоматизированная система управления предоставляет сигнал задания скорости механизму передвижения стола станка, в зависимости от технологической программы обработки детали.

Ручное управление имеет два режима работы: режим так называемого “электрического вала” и режим ручной регулировки скорости.

Ручной режим работы является наладочным и осуществляется с местного пульта управления. Оператор, в данном режиме, имеет возможность осуществлять управление перемещением стола вперед - назад, скорость при этом значительно ниже, чем при номинальном режиме работы. Оператор пульта местного управления может осуществлять отключение механизма передвижения стола станка кнопкой “Стоп”, в любом режиме работы, при нажатии данной кнопки в автоматическом режиме, механизм передвижения переходит в режим ручного управления.

Режим “электрического вала” служит для ручного управления перемещением рабочих органов станка при работе по разметке, а также для установки исходного положения перед началом обработки по числовой программе.

1.4 Анализ кинематической схемы, определение и проектирование расчетной схемы механической части электропривода

Кинематическая схема механизма продольной подачи стола станка представлена на рис.1.2.

Рис. 1.2.

На рис.1.2. приняты следующие условные обозначения: М - двигатель, СМ - муфта, Р - редуктор, i=6 , РО - рабочий орган.

Механическая часть электропривода (ЭП) состоит из движущейся части электродвигателя, редуктора и рабочего органа. Приведенная схема наглядно отражает то положение, что механическая часть ЭП представляет собой систему связанных масс, движущихся с различными скоростями вращательно и поступательно. При нагружении элементы системы деформируются, так как механические связи не являются абсолютно жесткими. При изменениях нагрузки массы имеют возможность взаимного перемещения, которое при данном приращении нагрузки определяется жесткостью связи.

Для анализа движения механической части ЭП осуществляется переход от реальной кинематической схемы к расчетной, с которой массы и моменты инерции движущихся элементов и их жесткости, а так же силы и моменты, действующие на эти элементы, заменены эквивалентными величинами, приведенными к одной и той же скорости.

Большинство реальных кинематических схем механической части ЭП в результате выполнения операций приведения сводятся к одной из трех расчетных систем: одномассовой, двухмассовой, трехмассовой. Одномассовая система или жесткое приведенное механическое звено соответствует механической части без зазора содержащей абсолютно жесткие недеформируемые элементы. Расчетная схема одномассовой системы изображена на рис.1.3, а ее движение описывается выражением

,

где J=Jдв+Jпр - суммарный момент инерции,

J - момент инерции двигателя,

J - момент инерции привода.

При J=const уравнении движения имеет вид

,

Для наиболее характерного режима работы ЭП, когда двигатель создает движущийся момент, а исполнительный орган - тормозящий, уравнение движения принимает вид

.

Процесс перехода к расчетным схемам обычно называют приведением, а сами величины приведенными. Обычно оказывается удобным и целесообразным осуществлять приведение к скорости электродвигателя. Это бывает в тех случаях, когда параметры системы таковы, что влияние упругих связей незначительно, или при решении задач, в некоторых с этим влиянием можно не считаться, механическая часть представляется простейшей расчетной схемой, не учитывающей влияние упругих связей, - жестким приведенным звеном. В этих случаях многомассовая механическая часть ЭП заменяется одной эквивалентной массой с моментом инерции JΣ, на которую воздействуют электромагнитный момент двигателя м и суммарный приведенный к валу двигателя момент нагрузки Мс.. Момент нагрузки Мс включает в себя все внешние силы, приложенные к механической системе, кроме момента двигателя М.

Расчетная схема механической части электропривода представлена на рис.1.3.

Рис.1.3

В случае приведения к валу двигателя суммарный приведенный момент инерции ЭП JΣ может быть выражен общей формулой

JΣ = Jдв + Jмуф + Jред + mΣρ2                                                                (1.1)

где Jдв - момент инерции ротора двигателя,

Jмуф - момент инерции муфты,

Jред - момент инерции редуктора,

mΣ - суммарная масса стола станка и обрабатываемой детали,

ρ - радиус приведения.

2. ВЫБОР СИСТЕМ ЭЛЕКТРОПРИВОДА И АВТОМАТИЗАЦИИ ПРОМЫШЛЕННОЙ УСТАНОВКИ

.1 Литературный обзор по теме дипломного проекта

.1.1 Электроприводы унифицированные трехфазные и однофазные серии ЭПУ1

Электроприводы (ЭП) выпускаются нескольких модификаций в виде нереверсивного (ЭПУ1-1) и реверсивного (ЭПУ1-2). Они предназначены для механизмов подач металлорежущих станков и промышленных роботов ( модификация П - с высокомоментными и другими двигателями и диапазоном регулирования скорости D = 10000).

Силовые схемы ТП для питания якоря двигателя ТПЯ выполняются по трехфазной мостовой схеме с силовыми оптронными тиристорами на токи до

А и силовыми тиристорами на токи 200, 400, 630 А с одним комплектом вентилей для нереверсивного ЭП и двумя для реверсивного. ЭП выполняются с трансформаторным питанием с трех- и двухобмоточными трансформаторами Т с выпрямленным напряжением соответственно 115 и 230 В и с токоограничивающими реакторами L с выпрямленным напряжением 230 В и при напряжении сети 220 В. В якорной цепи для высокомоментных двигателей предусмотрен сглаживающий реактор L1. Выпрямитель для обмотки возбуждения двигателя выполняется по одно- и трехфазным схемам выпрямления с диодами. В двухзонных ЭП используется ТП возбуждения. Он выполняется по однофазной мостовой полууправляемой схеме с двумя оптронными тиристорами и двумя диодами (на токи ЭП до 100А) и по однофазной управляемой схеме с четырьмя оптронными тиристорами и защитным тиристором (на токи ЭП 200, 400 и 630 А).

Максимально-токовая защита ЭП с двигателем на токи до 100 А производится плавкими предохранителями, а выше 100 А - автоматическим выключателем

2.1.2 Комплектные тиристорные электроприводы постоянного тока серии КТЭ

Комплектные тиристорные ЭП серии КТЭ с естественным воздушным охлаждением предназначены для потребителей постоянного тока, требующих автоматизированного регулирования скорости, положения вала, мощности, выпрямленного напряжения, ЭДС двигателя и натяжения материала. Они используются в металлургической и других отраслях народного хозяйства. Электроприводы выпускаются одно-, двух- и многодвигательными с однозонным и двухзонным регулированием скорости, нереверсивные и реверсивные с реверсом как по цепи якоря, так и по цепи обмотки возбуждения.

Электроприводы включают в себя: нерегулируемые и регулируемые, нереверсивные и реверсивные ТП с СИФУ; силовые питающие трансформаторы или токоограничивающий реактор в цепи выпрямленного тока; системы автоматического регулирования скорости (АСР), положения, мощности, натяжения, без регулирования и с плавным зависимым регулированием магнитного потока; источники питания обмоток возбуждения двигателей и тахогенераторов, электромагнитного тормоза и электронных устройств системы управления; устройство аварийного динамического торможения; устройства защиты и сигнализации; силовую коммунитационную и защитную аппаратуру в цепях переменного и постоянного тока; аппаратуру управления.

Силовые системы ЭП имеют различные исполнения в зависимости от типа и мощности ЭП. Питание ЭП осуществляется от сети переменного тока напряжением 220, 380 В или 6 и 10 кВ с использованием силовых трансформаторов или токоограничивающих реакторов, применяемых для малых по мощности ЭП с токами до 500 А включительно при питании от сети с напряжениями 220 и 380 В и напряжениями ТП 230 и 460 В.

Тиристорные преобразователи (ТП) выполнены по трехфазной мостовой схеме выпрямления с одним мостом в нереверсивном ЭП и встречно-параллельным соединением двух выпрямленных мостов в реверсивном. В ТП на токи до 500 А включительно в мосте используется шесть тиристоров, а при токах 800 А и выше в каждое плечо моста включается до четырех тиристоров параллельно с использованием делителей тока.

Система управления ТП содержит: СИФУ с выходными каскадами, гальваническими развязками, системами раздельного управления (РУ), питания и контроля. СИФУ построена по вертикальному принципу с пилообразным опорным напряжением.

Система защиты в КТЭ обеспечивает нулевую, максимально-токовую, минимально-токовую защиту в обмотках возбуждения двигателя и тахогенератора, защиту от превышения токов якоря и возбуждения, напряжения на якоре и скорости их допустимых значений, от перегрева подшипников и неисправности маслосмазки двигателя (для ЭП при токах выше 200 А) и др. При аварийных режимах защита отключает ЭП от питающей сети.

При срабатывании защиты во всех случаях выдается дифферинцированный световой сигнал сигнализации первой неисправности с запоминанием каждого сигнала.

2.1.3 Быстродействующие электроприводы постоянного тока с широтно-импульсными преобразователями

Выпускаются ЭП с широтно-импульсными преобразователями (ШИП - Д), питающиеся от сети переменного тока через неуправляемый выпрямитель. Они используются в металлорежущих станках, промышленных роботах, кузнечно-прессовом оборудовании и в других механизмах, оснащенных системой числового программного управления (ЧПУ).

Такие ЭП более быстродействующие, чем ЭП с управляемыми выпрямителями (полоса пропускания до 200 - 250 Гц), обеспечивают высокие диапазоны регулирования скорости ( до 10 000 и выше) с высокой плавностью вращения двигателя, имеют меньшие потери и более высокий коэффициент мощности. Последней разработкой является трехкоординатный ЭП типа ЭШИМ-1, предназначенный в первую очередь для ЭП механизмов роботов.

В ЭП применен трехобмоточный питающий трансформатор с двумя вторичными обмотками, служащими для раздельного питания силовой части ЭП и системы управления (СУ).

Блок питания (БП) выполняется на токи 16 и 40 А, обеспечивает работу от одного до трех блоков регулирования (БР) (при одной-трех координатах управления). Он содержит силовой трехфазный выпрямитель со сглаживающим фильтром, разрядники для ограничения перенапряжений, возникающих при торможении двигателя или со стороны питающей сети, и для обеспечения аварийного торможения двигателей любой координаты; устройство защитного отключения при авариях в БР и источник питания цепей управления, обеспечивающий стабилизированное переменное напряжение прямоугольной формы 24 В, 5 кГц и стабилизированное постоянное напряжение 48 В, в состав которого входят выпрямитель с фильтром, импульсный стабилизатор напряжения и высокочастотный генератор.

СУ ЭП двухконтурная с ПИ-регулятором скорости (РС) и релейным регулятором тока (РТ). РС выполнен с перестраиваемой в функции скорости коррекцией. При достижении скорости двигателя примерно 0,25ωmax контакт реле К1 размыкается, что вызывает увеличение постоянной времени интегральной части и уменьшение коэффициента усиления пропорциональной части РС примерно в 3 раза.

В БР имеются защиты аварийная (нулевая, максимально-токовая и защита от несоответствия заданной скорости) и технологическая (время токовая защита ДПТ и тепловая защита БП, БР и двигателя).

2.1.4 Асинхронный электропривод с преобразователем частоты типа ЭКТ-20

Электропривод содержит: асинхронный двигатель (АД); тиристорный преобразователь частоты (ТПЧ), в силовую схему которого входят: трехфазный мостовой регулируемый выпрямитель (преобразователь напряжения) со звеном постоянного тока; автономный инвертор напряжения, фильтр; блок подзаряда конденсаторов: узел силового токоограничения; датчик тока.

Замкнутая система ЭП построена по принципу сравнения задающего сигнала, пропорционального частоте, с сигналом обратной связи (ОС) uэ по внутренней ЭДС двигателя.

В ТПЧ используется автономный инвертор напряжения с пофазной коммутацией, коммутирующее устройство которого служит для попеременного запирания тиристоров двух вентильных плеч, относящихся к одной фазе инвертора. Схема автономного инвертора содержит: мост коммутирующих тиристоров; разделительные диоды.

Независимость напряжения на коммутирующем конденсаторе от напряжения питания можно обеспечить, применяя подзаряд конденсатора от посторонних источников через тиристоры подзаряда после окончания коммутации тока в основных тиристорах.

Поэтому для обеспечения постоянной коммутационной способности инвертора при регулировании амплитуды и частоты выходного напряжения в преобразователе применяется источник подзаряда коммутирующих конденсаторов, состоящий из неуправляемого (или полууправляемого) выпрямителя, выполненного по трехфазной мостовой схеме. Напряжение на его выходе фильтруется Т-образным фильтром. В схеме ЭП осуществляется максимально-токовая защита. Защита тиристоров рабочих, коммутирующих, подзаряда и разделительных диодов от перенапряжений осуществляется цепями RC. Сигнализация обеспечивается лампой.

2.1.5 Комплектный асинхронный электропривод типа «Размер 2М-5-2»

Асинхронный ЭП типа «Размер 2М-5-2» предназначен для работы в системах автоматического регулирования скорости электродвигателей в ЭП подач металлорежущих станков и промышленных роботах с системами ЧПУ.

Электропривод имеет систему управления тиристорный преобразователь частоты - асинхронный двигатель (ТПЧ-АД) с частотно-токовым векторным управлением. Он обеспечивает глубокое регулирование скорости (D = 10 000).

Система управления ЭП двухконтурная с ПИ - РС и трехфазным релейным РТ. Скорость двигателя определяется задающим напряжением Uз,с.

Инвертор тока (ИТ) представляет собой трехфазную мостовую схему с питанием от звена постоянного тока, работающую на частоте коммутации f = 3 кГц. Каждая фаза моста содержит по два силовых прерывателя, которые поочередно подключают вывод обмотки АД к положительному либо к отрицательному полюсу звена постоянного тока. Переключение происходит с указанной частотой, управление последовательностью переключений осуществляется РТ. Ключи трехфазного мостового инвертора или прерыватели состоят из нескольких параллельно включенных транзисторов, управляющего тиристора, соединенного с основными по схеме составного тиристора, и вентиля обратного моста.

Электропривод обеспечивает работу с номинальными моментами двигателей от 7 до 47 Н·м во всех квадрантах механических характеристик. В ЭП имеется быстродействующая защита силовых транзисторов ИТ от перегрузки (более 60 А) с помощью ТЗК. Кроме того, предусмотрена защита от перегрева, от недопустимого превышения или снижения напряжения источников питания. При исчезновении напряжения сети обеспечивается аварийное торможение двигателя.

2.1.6 Комплектный тиристорный электропривод переменного тока серий ЭПБ1 и ЭПБ2

Электроприводы ЭПБ предназначены для одно-, двух- и трех координатных механизмов подачи металлорежущих станков, промышленных роботов и других механизмов, требующих широкого диапазона регулирования скорости. Электропривод построен по системе тиристорный преобразователь частоты - синхронный двигатель (ТПЧ-СД) с частотно-токовым управлением. Он обеспечивает высокое быстродействие и малые уровни шума и электромагнитных потерь в двигателе. В состав ЭПБ1 входят: бесколлекторный СД с возбуждением от постоянных магнитов в роторе с пристроенными тахогенератором и датчиком углового положения ротора (ДП) (в состав двигателя дополнительно могут входить встроенный тормоз, терморезисторы и пристроенный оптронный датчик пути); блок регулирования; блок питания (питание ЭП может осуществляться через силовой трансформатор и без трансформатора); автоматический выключатель; токоограничивающие резисторы; контактор (магнитный пускатель).

Инвертор тока осуществляет питание двигателя и обеспечивает регулирование частоты напряжения на двигателе и ток в фазах обмотки статора в соответствии с требуемой скоростью и моментом двигателя. Инвертор тока вместе с датчиком положения выполняет роль коллектора (как в двигателе постоянного тока).

Система управления ЭП - двухконтурная с ПИ-РС и безинерционным релейным РТ. ДЛЯ согласования реверсивного сигнала задания тока uз,т с нереверсивным сигналом датчика тока uт используется переключатель характеристик, управляемый логическим устройством.

В ЭП предусмотрены следующие электрические защиты: нулевая от снижения напряжений управления + 24 и 115 В, максимально-токовая; защиты от перегрева двигателя; от прекращения вентиляции и обрыва возбуждения тахогенератора. Имеется блокировка от ползучей скорости двигателя. Защиты размещены в блоке защиты.

2.2 Формулирование требований к автоматизированному электроприводу механизма продольной подачи стола станка модели 6М13ГН-1

Требования к электроприводу механизма продольной подачи стола обусловлен необходимостью получения его трех основных режимов (пуска, установившегося движения, торможения) и ряда вспомогательных и наладочных режимов, а также обеспечения надежной и бесперебойной работы механизма подачи.

Основные требования, предъявляемые к электроприводу, следующие:

1. обеспечение плавного пуска двигателя с ограниченным значением момента и ускорения а = 0,1 м/с2 с целью:

·   безударного выбора зазоров в зубчатых передачах в начальный период требования;

·   ограничение динамических усилий тягового органа;

2. обеспечение больших моментов при трогании стола в начале его пуска, поскольку сопротивление трения в покое примерно в 1,5 раза превышает сопротивление трения при движении;

3. обеспечение установившегося режима с заданной скоростью движения рабочего органа;

4. обеспечение заданного диапазона регулирования скорости (D=1000);

5. обеспечение заданного времени переходного процесса (tп/п=0.5).

Основные требования, предъявляемые к системе автоматизации следующие:

1. наличие блокировок и защит;

2. минимальные габариты и масса;

3. удобство монтажа, наладки и диагностики, а также ремонта;

4. соответствие требованиям техники безопасности;

5. обеспечение помехозащищенности и исключение радиопомех.

Основные виды защиты:

1. от токовых перегрузок;

2. от исчезновения напряжения в цепи управления и силовой цепи;

3. от неправильного чередования фаз;

4. от превышения скорости.

Основные виды блокировок:

. от самопроизвольного пуска.

.3 Проектирование функциональной схемы автоматизированного электропривода

Функциональная схема автоматизированного электропривода подачи стола станка модели 6М13ГН - 1 представлена на рис. 2.1.

Рис.2.1

В состав функциональной схемы автоматизированного электропривода подачи стола станка модели 6М13ГН - 1 входят: СУЭП - система управления электроприводом; М - двигатель; Р - редуктор ; РО - рабочий орган; БДЭП - блок датчиков электропривода; БДУ - блок датчиков установки; КИП - контроллер измерительных приборов; СУ (контроллер) - система управления - обеспечивает управление всеми механизмами подачи, производит обработку сигналов датчиков обратных связей установки и выдает сигнал электроприводам на выполнения необходимых операций; ЭВМ верхнего уровня - электронная вычислительная машина, производит управление работой всего автоматизированного склада, в том числе и работой механизма подачи.

2.4 Определение возможных вариантов и выбор рациональной системы электропривода

Двигатель постоянного тока получает питание от тиристорного преобразователя, который преобразует напряжение сети переменного тока UС в выпрямленное напряжение UЯ, приложенное к цепи якоря двигателя. Для сглаживания пульсаций тока в цепи якоря введен сглаживающий редуктор. Выпрямленное напряжение UЯ зависит от угла регулирования α, противо-ЭДС нагрузки, падений напряжения на элементах силовой цепи преобразователя, и внешние характеристики преобразователя UТ.П = f(I Я,E) при α = const имеют сложный нелинейный вид.

Наиболее существенные особенности в систему тиристорный преобразователь - двигатель (ТП-Д) вносит использование нереверсивного тиристорного преобразователя. При этом система является неполноуправляемой, ток якоря может протекать только в одном направлении. Соответственно механические характеристики во втором и третьем квадрантах не существуют.

Система ТП - Д отличается весьма высоким быстродействием преобразователя. Постоянная времени Тп при полупроводниковой СИФУ не превосходит 0,01с. Соответственно возможности создания быстродействующих электроприводов при переходе к системе ТП - Д существенно расширяются.

Важным достоинством системы ТП - Д является ее высокий КПД. Потери энергии в тиристорах при протекании номинального тока соответствуют 1 - 2% номинальной мощности привода. Поэтому даже с учетом потерь в реакторе и трансформаторе КПД преобразователя при мощности, составляющей десятки киловатт, достаточно высок.

Наиболее простым, дешевым и надежным электрическим двигателем является асинхронный короткозамкнутый двигатель, поэтому его использование в регулируемом электроприводе представляет собой интерес. Как было установлено, возможности регулирования, аналогичные возможностям изменения напряжения на якоре двигателя постоянного тока с независимым возбуждением, в асинхронном электроприводе обеспечиваются путем изменения частоты напряжения и тока статорной обмотки. Для реализации возможностей необходимо осуществлять питание статорной обмотки двигателя от управляемого преобразователя частоты.

Наибольшее число ступеней представляет собой технически более сложную задачу, чем регулирование выпрямленного напряжения, так как, как правило, требует дополнительных ступеней преобразования энергии.

Наименьшим числом ступеней преобразования энергии обладают вентильные преобразователи частоты. Они содержат ступень преобразования переменного тока в постоянный и ступень инвертирования. Эти две ступени в самостоятельном виде присутствуют в преобразователях частоты со звеном постоянного тока. В преобразователе частоты с непосредственной связью функции выпрямления и инвертирования совмещены в реверсивном преобразователе постоянного тока, выпрямленное напряжение или ток которого изменяются с требуемой частотой с помощью системы управления преобразователем. Как следствие, наиболее близким к системе ТП - Д массогабаритными показателями обладает система преобразователь частоты - асинхронный двигатель (ПЧ - АД) с преобразователем с непосредственной связью, а система с преобразователями, содержащими ступень постоянного тока, уступает по этим показателям системе ТП - Д. Однако различия по мере совершенствования тиристорных преобразователей частоты постоянно сокращаются.

Коэффициент полезного действия системы ПЧ - АД с вентильным преобразователем несколько ниже, чем в системе ТП - Д, если имеется звено постоянного тока, так как при этом преобразование напряжения и тока осуществляется дважды.

Однако в этом случае в связи с малыми потерями энергии в тиристорах он остается достаточно высоким.

Коэффициент мощности в этой системе близок к значению коэффициента мощности в системе ТП - Д, если в качестве звена постоянного тока используется тиристорный преобразователь. Он достаточно высок только в системах с неуправляемым выпрямителем, однако при этом отсутствует возможность рекуперации энергии в сеть в тормозных режимах электропривода. Использование режимов рекуперации энергии может существенно снижать потребление энергии установкой за цикл работы, поэтому при сравнении вариантов системы этот фактор необходимо учитывать.

Из выше изложенного материала можно сделать следующий вывод, что для механизмов подач станков подходят как ЭП постоянного тока, так и ЭП переменного тока. Но проанализировав все это, выбираем для механизма подачи стола станка ЭП постоянного тока.

3. ВЫБОР ЭЛЕКТРОДВИГАТЕЛЯ

В данном пункте дипломного проекта рассматривается выбор электродвигателя для электропривода стола фрезерного станка.

Исходные данные:

. масса детали mд = 75 кг

. масса стола mст = 100 кг

. длина детали lд = 1,28 м

. рабочая скорость vр = 0,8 м/мин

. максимальная скорость подачи v = 1,33 м/мин

. пониженная скорость vпон = 0,4 м/мин

. номинальный КПД передачи ηном = 88%

Цикл работы:

После пуска двигателя стол разгоняется до пониженной скорости и фреза на этой скорости врезается в деталь. После этого скорость стола увеличивается до скорости прямого хода. Перед выходом фрезы из детали скорость движения стола опять понижается до пониженной, чтобы не произошло вырывания металла из детали. Далее стол перемещается до датчика, с него подается сигнал на реверс двигателя и он начинает двигаться в обратном направлении, обрабатывая деталь также, как и при движении после пуска.

3.1 Расчет нагрузок и построение механической характеристики и нагрузочной диаграммы механизма

Фрезерованию присуща та особенность, что вращающийся относительно неподвижной оси инструмент - фреза - имеет несколько режущих лезвий зубьев, каждое из которых снимает стружку лишь в течении небольшой доли оборота фрезы, а затем вращается вхолостую.

Рассчитаем силу, с какой фреза действует на заготовку [ ]

FZ = 9,81 · CF ·  ·  · B · z · d         (3.1)

Выберем фрезу из быстрорежущей стали с параметрами

В = 15 мм - ширина фрезерования,

z = 24 - число зубьев фрезы,

d = 200 мм - диаметр фрезы,

S = 0,6 мм - подача на зуб фрезы,

t = 15 мм - глубина фрезерования,

CF = 80 - коэффициент, зависящий от обрабатываемого материала, охлаждения фрезы и вида обработки

XF = 0,83; YF = 0,65; i = -1 - коэффициенты, зависящие от обрабатываемого материала, охлаждения фрезы и вида обработки.

Обрабатываемый материал - серый чугун. Фреза охлаждается концентратом жидкости смазочно - охлаждающей ЭК3.

Тогда получим

FZ = 9,81 · 80 · 150,83 · 0,60,65 · 15 · 24 · 200-1 = 9598 Н

FХ найдем из следующего выражения

FХ = 0,4 FZ                                                                                        (3.2)

FХ = 0,4 · 9598 = 3840 Н

При определении нагрузки двигателя подачи рассматривают отдельно два характерных режима: трогания с места и рабочую подачу.

При трогании с места усилие подачи рассчитывается по формуле

FПОДт = μт · g · mΣ + β· SПР                                                           (3.3)

где μт - коэффициент трения,

g = 9,81 м/с2 - ускорение свободного падения,

mΣ = mСТ + mД = 175 кг - масса стола и детали,

β = 0,5 Н/см2 - удельное усилие прилипания,

SПР = 600 см2 - площадь поверхности прилегания направляющих стола, взаимотрущихся с направляющими салазок.

Тогда

FПОДт = 0,25 · 9,81 · 175 + 0,5 · 600 = 729 Н

При движении с установившейся скоростью

FПОДд = k · FX + Mg (g · mΣ + FY + FZ)                                        (3.4)

где Mg = 0,1 - коэффициент трения,

k = 1,2 ÷ 1,5 - коэффициент запаса,

FY = 0,4 FZ = FХ - составляющая усилия резания в направлении подачи.

Подставим эти значения в формулу

FПОДд = 1,4 · 3840 + 0,1 (9,81 · 175 + 3840 + 9598) = 6891 Н

Момент на валу ходового винта стола

МХВ = tg(α + φ) (3.5)

где dср = 50 мм - средний диаметр ходового винта,

α - угол наклона резьбы ходового винта,

α = arctg        (3.6)

где t = 8 мм - шаг нарезки ходового винта,

φ = 0,5° - угол трения резьбы, град.

Найдем α:

α = arctg = 2,92

Вычислим момент на валу ходового винта стола при трогании с места

МХВт = tg(0,5 + 2,92) = 1,1 Н·м

А теперь момент при движении с установившейся скоростью

МХВд = tg3,42= 10,3 Н·м

Рассчитаем статический момент на валу двигателя подачи при трогании с места

Мс =   (3.7)

где j = 1 - передаточное число редуктора,

ηп = 0,88 - КПД передачи.

Мс =  = 1,25 Н·м

Найдем статический момент на валу двигателя при движении с установившейся скоростью

Мс =  = 11,36 Н·м

При выборе двигателя ориентируются на наибольший статический момент из двух режимов.

Для фрезерного станка характерны 4 участка:

1.    движение и обработка с пониженной скоростью,

2.       обработка детали с рабочей скоростью,

.         движение и обработка с пониженной скоростью,

.         обработка детали с рабочей скоростью в обратном направлении.

В установившемся режиме при прямом ходе стола в процессе резания статический момент на валу двигателя

Мс пр=11,36 Н·м

Усилие трения при обратном ходе стола из формулы (3.3)

Fс обр=729 Н

Коэффициент загрузки при обратном ходе стола

КЗ. ОБР =   (3.8)

КЗ. ОБР =  = 0,106

КПД передачи при обратном ходе стола

ηН ОБР = -1                                                           (3.9)

где α = 0,07÷0,1 - коэффициент, принимаем α = 0,07.

ηН ОБР = -1=0,58

В установившемся движении при обратном ходе стола статический момент на валу двигателя

МС ОБР =  = 1,9 Н·м

Рассчитаем продолжительность каждого участка

 = t1 = t3 =  = 0,2 с

t2 =  =  = 12,8 с

t4 =  =  = 13 с

где l1 = l3 = 0,01м - расстояние от стола до датчиков,

l = 1,28 м - длина детали.

Общее время цикла

tц = 2t1 +t2 +t4,                                                                              (3.10)

tц = 2·0,2 + 12,8 + 13 = 26,2с

3.2 Предварительный выбор двигателя по мощности

Для стола фрезерного станка статическая мощность двигателя рассчитывается по следующей формуле

Pc =      (3.11)

где vпр х - максимальная скорость прямого хода, м/с,

Fт - тяговое усилие, Н.

Тяговое усилие на столе рассчитывается по следующей формуле

Fт = Fz + (mΣ · g + Fy)· μ.                                                              (3.12)

Теперь рассчитаем статическую мощность

Pc =  = 154 Вт

Мощность электродвигателя предварительно рассчитывается исходя из статической нагрузки и режима работы электропривода.

Для электроприводов, работающих в длительном режиме с неизменной нагрузкой мощность двигателя принимается равной

Рном =         (3.13)

где Рс - статическая мощность механизма,

k - коэффициент запаса мощности,

k = 1,09÷1,35,

ηп - КПД передачи.

Рном =  = 236 Вт

3.3 Выбор номинальной скорости двигателя и типоразмера двигателя

При однозонном регулировании за максимальную скорость следует принять номинальную скорость двигателя, так как регулирование производится вниз от основной. При имеющемся редукторе скорость двигателя для обеспечения v = 1,33 м/мин должна быть равна nном = 1000 об/мин.

Из справочника (3) выбираем двигатель серии ПБСТ-42МУХЛ4 с номинальными данными:

Рном = 1,4 кВт

Рmax = 2 кВт

Uном = 440 В

nном = 1000 об/мин

nmax = 3000 об/мин

ηном = 78%

J = 0,046 кг·м2

При выборе необходимо также учитывать и момент, поэтому мы выбираем двигатель ПБСТ-42 МУХЛ 4 с Рном = 1,4 кВт. Это связанно с тем, что только двигатель с такой мощностью обладает нужным моментом.

Опредилим номинальную угловую скорость двигателя

ωном =      (3.14)

ωном =  = 104,7 рад/с

Определим номинальный момент двигателя

Мном =        (3.15)

Мном =  = 13,37 Н·м

3.4 Построение нагрузочной диаграммы электропривода

Нагрузочная диаграмма механизма представляет собой зависимость электромагнитного момента М от времени. Из основного уравнения движения электропривода

М = Мс + J = Mc + Mдин (3.16)

Допустимое ускорение во фрезерных станках, принимаем а = 0,08 м/с2.

Рассчитаем допустимое угловое ускорение двигателя

εдоп =    (3.17)

εдоп =  = 381 рад/с2

Суммарный момент инерции привода

J∑ = Jдв + Jмуф + mρ2,                                                                 (3.18)

J∑ = 0,046 + 0,2·0,046 + 175·0,000212 = 0,055 кг·м2

Динамический момент на при разгоне и торможении постоянный, так как масса движущихся частей механизма практически не изменяется

Мдин = εдоп · J∑                                                                           (3.19)

Мдин = 381 · 0,055 = 21 Н·м

Найдем электромагнитный момент, время работы и путь, пройденный столом на каждом из участков работы привода:

1. Разгон двигателя от нуля до положенной скорости

Мэ1 = Мс,обр + Мдин                                                                   (3.20)

Мэ1 = 1,9 +21 = 22,9 Н·м

t1 =    (3.21)

t1 =  = 0,083 с

l1 =    (3.22)

l1 =  = 0,00024 м

1. Работа электродвигателя на пониженной скорости

Мэ2 = Мс,обр = 1,9 Н·м

t2 = 1,5 с

l2 = 0,01 м

2. Разгон двигателя от пониженной скорости до рабочей скорости

Мэ3 = Мс,пр + Мдин                                                                     (3.23)

Мэ3 = 11,36 +21 = 32.36 Н·м

t3 =        (3.24)

t3 =  = 0,083 с

l3 =  · t3 +     (3.25)

l3 =  · 0,083 +  = 0,00083 м

. Движение с рабочей скоростью

Мэ4 = Мс,пр = 11,36 Н·м

l4 = l - 2(l3 + l2)                                                                              (3.26)

l4 =1,28 - 2(0,00083 + 0,01) = 1,26 м

t4 =    (3.27)

t4 =  = 94.5 с

5.    Торможение до пониженной скорости

Мэ5 = Мс,пр - Мдин = 11,36 - 21= -9,64 Н·м

t5 = t3= 0,083 с

l5 = l3 = 0,00083 м

6.    Работа двигателя на пониженной скорости

Мэ6 = Мс,пр = 11,36 Н·м

t6 = t2 = 1,5 с

l6 = l2 = 0,01 м

7.    Торможение двигателя до скорости, равной нулю

Мэ7 = Мс,обр - Мдин = 1,9 - 21 = -19,1 Н·м

t7 = t1 = 0,083 с

l7 = l1 = 0,00024 м

8.    Разгон двигателя от нуля до пониженной скорости

Мэ8 = -Мс,обр - Мдин = -1,9 - 21 = -22,9 Н·м

t8 =  =  = 0,083 с

l8 =  =  = 0,00055 м

9. Работа электродвигателя на пониженной скорости

Мэ9 = - Мс,обр = - 1,9 Н·м

t9 = 1,5 с

l9 = 0,01 м

. Разгон двигателя от пониженной скорости до рабочей скорости

Мэ10 = - Мс,пр - Мдин                                                                  (3.28)

Мэ10 = - 11,36 - 21 = - 32.36 Н·м

t10 = 0,083 с


. Движение с рабочей скоростью

Мэ11 = - Мс,пр = - 11,36 Н·м

l11 =1,26 м

t11 = 94.5 с

. Торможение до пониженной скорости

Мэ12 = - Мс,пр + Мдин = - 11,36 + 21 = 9,64 Н·м

t12 = 0,083 с

l12 = 0,00083 м

13. Работа двигателя на пониженной скорости

Мэ13 = - Мс,пр = - 11,36 Н·м

t13 = 1,5 с

l13 = 0,01 м

14. Торможение двигателя до скорости, равной нулю

Мэ14 = - Мс,обр + Мдин = - 1,9 + 21= 19.1 Н·м

t14 = 0,083 с

l14 = 0,00024 м

3.5 Проверка выбранного электродвигателя по нагреву и перегрузочной способности

Упрощенная нагрузочная диаграмма электропривода используется для проверки двигателя по нагреву и перегрузочной способности. Электропривод работает в циклическом режиме с переменной нагрузкой. Для проверки двигателя по нагреву используем метод эквивалентного момента. Условием правильного выбора двигателя по нагреву будет

Мэ ≤ Мном

В циклическом режиме эквивалентный момент определяется только для рабочих участков

Мэ =             (3.29)

где Мi - момент на i-м интервале,

ti - продолжительность работы на i-м интервале,

n - число рабочих интервалов в цикле.

Мэ =

 =  = 11,33 Н·м

Номинальный момент двигателя Мном = 13,37 Н·м больше эквивалентного момента Мэ = 11,33 Н·м, значит условие правильности соблюдено.

Проверим выбранный двигатель по перегрузочной способности

Мmax = 32,36 ≤ λm·Мном = 2.5·13,37 = 33.425 Н·м

где Мmax - максимальный электромагнитный момент за цикл работы,

λm = 2.5 - допустимый коэффициент перегрузки двигателя по моменту. Его значение находим из справочника.

4. ПРОЕКТИРОВАНИЕ СИЛОВОЙ СХЕМЫ АВТОМАТИЗИРОВАННОГО ЭЛЕКТРОПРИВОДА И ВЫБОР КОМПЛЕКТНОГО ПРЕОБРАЗОВАТЕЛЯ ЭЛЕКТРИЧЕСКОЙ ЭНЕРГИИ

4.1 Определение возможных вариантов и обоснование выбора типа комплектного преобразователя

На рис.4.1. приведена функциональная электрическая схема СУ ЭП ЭПУ1-2П. Она содержит: двигатель постоянного тока (ДПТ) со встроенным тахогенератором ВR; ТПЯ - реверсивный ТП напряжения цепи якоря двигателя с трехфазной системой импульсно-фазового управления СИФУ; L сглаживающий реактор; ЗС - задатчик скорости.

Система управления ЭП одноконтурная с ПИ-РС и управляющим органом (УО) с отрицательной обратной связью (ООС) по току. Она содержит: РС - регулятор скорости; УЗТ - узел зависимого токоограничения; НЗ - нелинейное звено; ФПЭ - функциональный преобразователь ЭДС двигателя; ПХ - переключатель характеристик; ЛУ - логическое устройство; УО - управляющий орган; БЗ - блок защиты; ДТ, ДПВ - датчики тока и проводимости вентилей (тиристоров).

На вход РС подается напряжение задания скорости Uз,с с ЗС или с аналогового выхода устройства числового прграммного управления УЧПУ через R2, напряжение ООС по скорости uc с тахогенератора ВR через R4, R5 и напряжение установки нуля скорости двигателя с резистора R3. Uз,с подается разной полярности для реверсирования двигателя. Это обеспечивают реле К1 («вперед») и К2 («назад»), контакты которых подают напряжение к ЗС соответствующей полярности и через БЗ деблокируют РС. В ЭП принят ПИ - РС с ограничением выходного напряжения UРС резистором R8, что обеспечивает ограничение максимального значения выпрямленного напряжения преобразователя Ud max = E + ImaxR, определяющего максимальную установку тока якоря двигателя Imax = (Ud - E)/R.

С выхода РС напряжения uрс поступает на НЗ, которое подает напряжение управления током двигателя uу,т на ПХ и сигнал задания направления тока uз,н,т (направление вращения двигателя) на ЛУ.

В ЭП осуществляется зависимое нелинейное токоограничение с помощью УЗТ, обеспечивающего снижение установки тока ограничения в функции скорости (напряжения uc, поступающего с ВR через делитель R6, R7.

Ограничение максимально возможного выброса тока при пуске двигателя обеспечивает ФПЭ, включенный в цепь положительной обратной связи по скорости, формирующей переходный процесс скорости двигателя. Сигнал ФПЭ подан на НЗ, на выходе которого формируется напряжение управления ТПЯ uу,п = kНЗuРС + uЭ, где kНЗ - коэффициент усиления НЗ; uЭ - сигнал ПОС по скорости, пропорциональный ЭДС двигателя и сформированный ФПЭ. ФПЭ имеет арксинусную характеристику (uФПЭ = arcsin ), с помощью которой формируется напряжение управления преобразователя uу,п, точно компенсирующее изменение ЭДС преобразователя, имеющего нелинейную характеристику (Еп = Епоsinα). Поэтому в переходных процессах ток двигателя, равный I = (Eп - Ед)/ R, поддерживается постоянным независимо от скорости.

В схеме значение uэ выставляется резистором R9 так, чтобы среднее значение UРС при номинальной скорости двигателя на холостом ходу было ближе к нулю. Тогда UРС становится пропорциональным току двигателя и поэтому ограничение его уровня резистором R8 обеспечивает ограничение максимального выпрямленного напряжения, которое определяет максимальное значение тока якоря двигателя.

При правильной настройке uэ диаграмма тока двигателя при пуске близка к прямоугольной. При недокомпенсации (uэ мало) с ростом скорости ток спадает, а при перекомпенсации (uэ велико) ток растет.

НЗ и ФПЭ с резистором R9 образуют адаптивное устройство линеаризации характеристик ТПЯ в режиме прерывистого тока. НЗ имеет нелинейную характеристику и представляет собой усилитель с переменным коэффициентом усиления, который при малом сигнале управления повышает коэффициент усиления СУ ЭП, компенсируя этим повышение эквивалентного сопротивления цепи якоря R'э в режиме прерывистых токов. При этом НЗ имеет характеристику, обратную характеристике ТПЯ в режиме прерывистого тока, т. е. коэффициент усиления НЗ (kНЗ) обратно пропорционален коэффициенту усиления ТПЯ (kПЯ), а коэффициент передачи ФПЭ имеет зависимость kФПЭ = arcsin (Ед/Ед,ном), что компенсирует действие внутренней ООС по ЭДС двигателя Ед. С помощью такого адаптивного устройства обеспечивается постоянство коэффициента усиления ТПЯ в режимах прерывистого и непрерывного токов.

ТПЯ управляется от трехканальной СИФУ, сигнал управления на которую подается от УО, где устанавливаются углы управления αнач, αmin, αmax и сигнал управления суммируется с сигналом ООС по току, поданным через резистор R10. Для согласования реверсивного управляющего сигнала НЗ с нереверсивной регулировочной характеристикой УО служит ПХ, управляемый ЛУ. ЛУ обеспечивает раздельное управление катодной и анодной группами ТПЯ. Оно осуществляет выбор нужной группы в зависимости от знака Uз.с, определяющего направление (знак) тока двигателя Uзн, т, переключает группы на бестоковом интервале по сигналу ДПВ, обеспечивая переключение импульсов управления с одной группы тиристоров на другую сигналом разрешения Uр, и формирует задержки по времени в момент снятия импульсов с работающей ранее группы и подачи их на вступающую в работу группу.

Конструктивно элементы ЭП расположены на трех платах с печатным монтажем, установленных в стандартной кассете БУК-б и соединенных с общей схемой разъединительными клеммными соединителями. На платах расположены силовые элементы ТПЯ (силовая плата), элементы СУ ТПЯ: СИФУ, УО, ЛУ, ФИВ (плата управления ПУ1), элементы РС, НЗ, ПХ, УЗТ, ФПЭ, элементы защиты БЗ и элементы датчиков ДТ и ДПВ (плата управления ПУ2).

ТПЯ представляет собой два трехфазных управляемых выпрямительных моста, включенных встречно-параллельно и работающих по принципу раздельного управления. Каждый мост выполнен на тиристорах. Для защиты тиристоров от перенапряжений использованы цепи RC. Для повышения помехоустойчивости управляющий переход тиристора шунтируется резисторами (4,7 кОм). Для защиты тиристоров от перегрева в охладитель ТПЯ встроен терморезистор (6,8 кОм).

В ЭП предусмотрены следующие электрические защиты: нулевая от исчезновения напряжения силовой цепи (питающей сети) и от снижения напряжения цепи управления; максимально-токовая от коротких замыканий; время-токовая от перегрузки двигателя; температурная от перегрева преобразователя, от обрыва цепи тахогенератора; от неправильного чередования фаз сети управления; от блокирования регулятора скорости и сигнала задания.

При срабатывании соответствующей защиты БЗ транзистором VT1 осуществляется блокирование выхода РС, в УО обеспечивает максимальный угол управления αmax и в СИФУ сигналом Uз запрещает подачу управляющих импульсов на тиристоры ТПЯ, а также зажигает светоизлучающий диод, сигнализирующий о работе защиты (на схеме показан).

На рис.4.1. приведена функциональная схема электропривода ЭПУ1-2П.

Рис.4.1

4.2 Расчет параметров и выбор элементов силовой цепи

Силовой трансформатор, применяемый для согласования номинального напряжения двигателя с выпрямленным напряжением, нам применять целесообразно, т.к. при напряжении питания 220 В напряжение на двигателе будет 440 В. Это получается благодаря коэффициенту схемы выпрямления. Схема выпрямления трехфазная мостовая (Ксх = 2,34).

Подтвердим это расчетами

Е =                         (4.1)

Е =  = 188 В

Uпит = Е·Кс·КR·Кλ                                                                        (4.2)

где Кс = 1,05 - коэффициент, учитывающий возможность снижения напряжения,

КR = 1,05 - коэффициент, учитывающий падение напряжения на вентилях схемы,

Кλ = 1,1 - коэффициент, учитывающий неполное открывание вентилей.

Uпит = 188·1,05·1,05·1,1 = 222 В

Выбор тиристоров.

Определим среднее значение тока для тиристоров для режимов их максимальной загрузки по току

ITAV =                      (4.3)

ITAV =  = 1,37 А

Приняв коэффициент запаса по току КЗPi = 1,5 определим

КЗPi · ITAV = 1,37·1,5 = 2,06 А

КЗPi · ITAV ≤ ITAVm

Выбираем тиристоры серии Т-112-10 с охладителем О111-во, ударный ток этих тиристоров равен 160 А.

Для защиты тиристоров от аварийных токов используются анодные реакторы, которые должны ограничивать ток на уровне не превышающем ударный ток.

Рассчитаем требуемое значение индуктивности анодного реактора

электропривод станок электродвигатель автоматизированный

LAP =            (4.4)

где Кп = 1,6÷2,0 - коэффициент, учитывающий наличие свободной составляющей в токе короткого замыкания,

U = 380 В - сетевое напряжение,

n = 2 - число реакторов, ограничивающих ток короткого замыкания.

ω = 2Пf                                                                                           (4.5)

где f = 50 Гц - частота питающей сети.

LAP =  = 10,7 мГн

В каталогах на данный ток и индуктивность нет данных, поэтому выполним анодный реактор под заказ на государственном предприятии УП "Халтрон" с номинальными данными

LApн = 20 мГн

IApн = 5 f

ΔPНАГРap = 10 Вт

Опредилим требуемую постоянную времени электрической цепи исходя из условий ограничения зоны прерываемого тока

Ттреб =                (4.6)

где КГР = 2,9·10-4 с-1 - постоянный коэффициент схемы выпрямителя.

Схема выпрямителя трехфазная мостовая.

IГРmax - максимальное значение относительного граничного тока зоны прерывистых токов.

IГРmax =             (4.7)

где IГРmax - абсолютное наибольшее значение граничного тока меньше тока холостого хода.

IГРmax = (0,05÷0,15) IН = 0,1 IН = 0,1·4,1 = 0,41 А

IБ - базовое значение тока.

IБ =                         (4.8)

где Um - максимальное значение анодного напряжения,

Rп - активное сопротивление якорной цепи в граничном режиме.

Rп = Rя + Rсп + Rар              (4.9)

где Rя - сопротивление якоря двигателя,

Rя = 0,5 (1-ηн)        (4.10)

Rя = 0,5 (1-0,78)  = 11,8 Ом

Lя =              (4.11)

Lя ==20 мГн

RАР - активное сопротивление анодного реактора,

RАР = ,   (4.12)

RАР =  = 0,4 Ом

RСП - активное сопротивление силового преобразователя.

RСП =      (4.13)

где n - число вентилей, проводящих ток в один и тот же момент времени,

ΔUВ - прямое падение напряжения на вентиле.

RСП = =2,92 Ом

В таком случае

RП = 11,8+0,4·2+2,92 = 15,52 Ом

Рассчитаем базовое значение тока

IБ =  = 14,18 А

Определим максимальное значение относительно граничного тока зоны прерывистых токов

IГРmax =  = 0,029

Тогда требуемая постоянная времени будет иметь значение

ТТРЕБ =  = 0,01 с

Определим требуемую индуктивность якорной цепи и индуктивность сглаживающего дросселя

LП = ТТРЕБ ·RП = 155 мГн

LДР = LП - LЯ - LАР = 155 -20 -2·20 = 95 мГн

Из каталога выбираем дроссель Д53-0,12-5 с номинальными данными

LДРн = 120 мГн

IДР = 5 А

ΔPДР = 10,0 Вт

Теперь рассчитаем индуктивность якорной цепи

L = LЯ + LДР + LАР = 20 +120 +40 = 180 мГн

И найдем активное сопротивление якорной цепи

R = Rя + RДР + RАР + RСП + RК                                                  (4.14)

где RК - коммутационное сопротивление.

RК =                    (4.15)

где m - пульсность схемы,

Xа - индуктивное сопротивление анодного реактора.

Xа = ω· LAP = 314·20·10-3 = 6,28 Ом

RК =  = 6 Ом

Тогда полное сопротивление якорной цепи будет

R = 11,8 +2,92 +0,4·2 +6 +0,4 = 21,92 Ом,

Т.к. RДР =  =  = 0,4 Ом

Рассчитаем Т

Т =  =  = 0,0082 c

Рассчитаем ТМ

ТМ =          (4.16)

где Се - конструктивная постоянная.

Се =  =  = 3,74

ТМ =  = 0,1 с

Теперь нам необходимо рассчитать коэффициенты обратных связей для датчиков тока, скорости и положения.

Рассчитаем коэффициент для датчика положения

kДП =                    (4.17)

kДП =  = 11,1

На основе выше изложенных данных выбираем датчик положения ДУПХ серии ФТТ 7.065.00.000

Вычисляем коэффициент для датчика тока

kдт =             (4.18)

kдт =  = 0,98

Выбираем датчик тока ФТТ 7.070.00.000.04 с номинальным значением тока

Iн = 4,1 А.

Определим коэффициент для датчика скорости

kдс=              (4.19)

kдс=  = 0,096

Выбираем датчик скорости ДЧХ ФТТ 8М.051.00.000. Все эти датчики выпускаются на государственном предприятии УП ""Халтрон".

5. РАЗРАБОТКА МАТЕМАТИЧЕСКОЙ МОДЕЛИ АВТОМАТИЗИРОВАННОГО ЭЛЕКТРОПРИВОДА

.1 Разработка математической модели автоматизированного электропривода

Разработку математической модели автоматизированного электропривода начнем с описания объекта управления, к которому отнесем преобразователь, двигатель и механизм подачи.

Уравнение равновесия напряжений для якорной цепи без учета падения напряжения под щетками можно записать

 =     (5.1)

где RЯЦ - сопротивление якорной цепи двигателя, Ом;

LЯЦ - индуктивность якорной цепи, Гн;

i - ток якоря, А;

е - ЭДС якоря, В;

U - напряжение, подводимое к якорю, В;

ЭДС якоря описывается следующей зависимостью

 =    (5.2)

где кФ - конструктивная постоянная двигателя, В·с;

w - угловая скорость якоря, рад/с.

Электромагнитный момент двигателя определяется следующим образо

     (5.3)

Поскольку электродвигатель ПБСТ-42МУХЛ4 имеет постоянные магниты, то магнитный поток в воздушном зазоре без учета якоря во всех случаях постоянный Ф = const.

Движение электропривода описывается следующим уравнением

     (5.4)

где JΣ - суммарный момент инерции электропривода, кг·м2.

Положение рабочего органа и угловая скорость якоря связаны между собой уравнением

        (5.5)

Силовой преобразователь, питающий электродвигатель можно упрощенно представить, как апериодическое звено первого порядка с передаточной функцией

     (5.6)

где τ - постоянная времени преобразователя, с;

β - коэффициент усиления преобразователя.

Постоянная времени для шестифазного преобразователя определяется следующим образом

с

где Т1 - период питающего напряжения, Т1 = 20 мс.

Коэффициент усиления преобразователя при опорном косинусоидальном сигнале


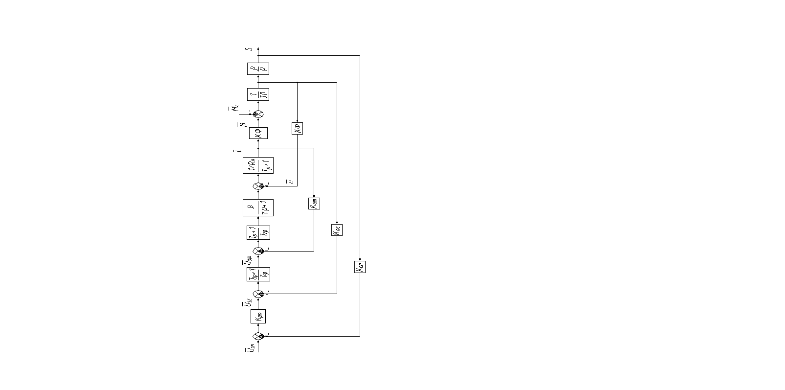
Перейдя от уравнений (5.1) - (5.5) к операторным составим математическую модель объекта управления в виде структурной схемы, которая показана на рисунке 5.1.

Рис. 5.1

5.2 Расчет параметров объекта управления

Номинальный ток якоря


Рассчитаем сопротивление якорной цепи исходя из того, что потери в якоре составляют ~ 50% от всех потерь

Ом

5.3 Определение структуры и параметров управляющего устройства

Управляющее устройство построим по принципу подчиненного регулирования с тремя контурами: тока, скорости и положения. Определение па-

раметров управляющего устройства начинаем с внутреннего контура. Контур регулирования тока якоря, в котором пренебрегаем влиянием внутренней обратной связью по ЭДС, показан на рисунке 5.2. А пренебрегаем потому, что

ТМ ≥ 4Т,

,1 ≥ 4·0,0082 = 0,0328.

Рис. 5.2


Коэффициент обратной связи по току


При оптимизации контура тока по модульному оптимуму передаточная функция регулятора тока будет иметь вид

Принимаем Т1 = Т = 0,0082 с. Тогда передаточная функция замкнутого контура имеет вид


Условие оптимизации на модульный оптимум

а0а2 = а12

Тогда получим

2τКОТβТ2RЭ = Т22RЭ2

Следовательно

с

После оптимизации передаточная функция контура тока примет вид


В результате расчета регулятор тока будет иметь следующие параметры


Далее оптимизируем контур скорости, который показан на рисунке 5.3.

Рис. 5.3

Коэффициент обратной связи по скорости


При оптимизации контура скорости по симметричному оптимуму передаточная функция регулятора скорости будет иметь вид


Передаточная функция замкнутого контура скорости имеет вид


Условие оптимизации на симметричный оптимум

а0а2 = а12

а1а3 = а22

Тогда

КОСКФКОТТ4J = КОС2 (кФ)2 Т32

4τКОСКФТ3Т4JКОТ = КОТ2Т42J2

После преобразования получим

Т3 = 8 · τ = 8 · 0,0065 = 0,052 с

с

После оптимизации передаточная функция контура скорости примет вид


В результате расчета регулятор скорости будет иметь следующие параметры


Далее оптимизируем контур положения, который показан на рисунке 5.4.

Рис. 5.4

Коэффициент обратной связи по положению

Для оптимизации контура положения по модульному оптимуму на входе контура скорость необходимо установить фильтр с передаточной функцией


Тогда:

WРП(р) = КРП

Передаточная функция замкнутого контура положение имеет вид


Условие оптимизации на модульный оптимум

аоа2 = а12

Тогда

КРПρКОП · 8τКОС = КОС2

Следовательно


В результате расчета регулятор положения будет иметь следующие параметры

Общая структурная схема представлена рис.5.5.


6. АНАЛИЗ ДИНАМИЧЕСКИХ И СТАТИЧЕСКИХ ХАРАКТЕРИСТИК ЭЛЕКТРОПРИВОДА

6.1 Разработка программного обеспечения для компьютерного моделирования автоматизированного электропривода

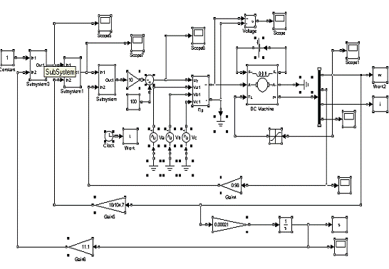
На основании математического описания автоматизированного электропривода представленного на рисунке 5.2 проведем разработку программного обеспечения для компьютерного моделирования в системе MATLAB 5.3 с использованием пакета Simulink. В результате разработки получим имитационную модель, которая представлена на рисунке 6.1.

Рис. 6.1

Подсистема тиристорного преобразователя показана на рисунке 6.2.

Подсистема регулятора положения показана на рисунке 6.3.

Подсистема регулятора скорости показана на рисунке 6.4.

Подсистема регулятора тока показана на рисунке 6.5.

Рис. 6.2

Рис. 6.3

Рис. 6.4

Рис. 6.5

6.2 Расчет и определение показателей качества переходных процессов

Смоделируем режим перемещения рабочего органа под нагрузкой равной 11,36 Н×м на расстояние равное 0,09 м (UЗ = 1). Время моделирования равно 4,5 с.

В результате моделирования были получены следующие графики основных величин в переходном процессе. На рис. 6.6 показан выход регулятора положения.

Рис. 6.6

На рис. 6.7 представлен выход регулятора скорости

Рис. 6.7

Рис. 6.8 - выход регулятора тока.

Рис.6.8

На рис. 6.9 показан ток якоря.

Рис. 6.9

На рис. 6.10 представлена скорость.

Рис. 6.10

На рис. 6.11 отображено положение

Рис. 6.11

Скорость отрабатывается с перерегулированием, равным


Перерегулирование по положению составляет


6.3 Построение статических характеристик электропривода

Наличие ПИ-регулятора скорости позволяет устранить погрешность позиционирования вызванную наличием статического момента. А также придает контуру скорости астатизм. Статические характеристики скорости при отработке различных перемещений показаны на рисунке 6.12.

Рис. 6.12

7.  ОКОНЧАТЕЛЬНАЯ ПРОВЕРКА ДВИГАТЕЛЯ ПО НАГРЕВУ

В результате расчета переходных процессов и потерь мощности за цикл были построены зависимости M(t), w(t), I(t) и P(t), данные зависимости позволяют произвести окончательную проверку двигателя по нагреву.

Проверку по нагреву проводим методом средних потерь.

,                                                                                       (7.1)

Где DРср - средние потери за цикл работы, кВт;

DРном - номинальные потери двигателя, кВт.

Средние потери определяем как:

,                                                                                 (7.2)

Расчет данных потерь производим в имитационной модели системы Simulinc. Из расчета потерь за один рабочий цикл в номинальном режиме. График средних потерь представлен на рис. 7.1.

Средние потери энергии за один цикл работы.

Рис. 7.1.

При моделировании были получены средние потери за один цикл работы - 110 Вт.

Номинальные потери электродвигателя определяем по формуле:

Вт.

Исходя из условия (7.1) получаем

³ 110.

Следовательно, данный двигатель удовлетворяет условиям нагрева в процессе работы.

8.      
ВЫБОР И ПРОЕКТИРОВАНИЕ СИСТЕМЫ АВТОМАТИЗАЦИИ ПРОИЗВОДСТВЕННОЙ УСТАНОВКИ

8.1.    Формализация условий работы установки

Работу механизма продольной подачи стола станка можно разделить на два основных этапа: номинальный режим работы и наладочный - ручной режим работы, который осуществляется с пульта местного управления расположенного непосредственно возле тянущего устройства.

В номинальном режиме механизм подачи перемещает деталь, и разгоняет ее до скорости установленной программой обработки, которая зависит от требуемой производительности станка при обработке определенной детали. После прохождения заготовки через фрезу сигнал на останов поступает от фото ячейки, расположенной непосредственно после детали. Скорость, до которой разгоняется заготовка, поступает от центральной системы управления механизмом подачи, исходя из технологической программы обработки.

Ручной режим работы является наладочным и осуществляется с местного пульта управления. Оператор, в данном режиме, имеет возможность осуществлять управление механизмом подачи вперед - назад, скорость при этом значительно ниже, чем при номинальном режиме работы. Оператор пульта местного управления может осуществлять отключение механизма подачи кнопкой “Стоп”, в любом режиме работы, при нажатии данной кнопки в автоматическом режиме, тянущее устройство переходит в режим ручного управления.

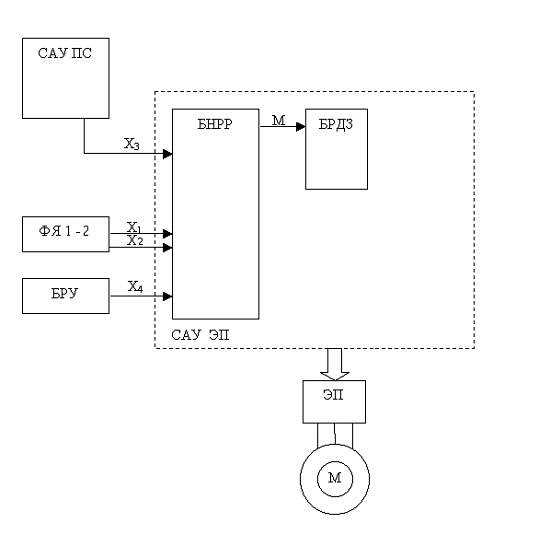
Функциональная схема системы управлением механизмом подачи представлена на рис. 8.1.

Рис. 8.1

На рисунке 8.1. приведены следующие условные обозначения, сокращения и сигналы:

САУ ПС - система автоматического управления механизмом подачи стола;

ФЯ 1 - 2 - фото ячейки 1 и 2;

БРУ - блок ручного управления;

БНРР - блок номинального режима работы;

БРДЗ - блок расчета длины заготовки;

Х1 - сигнал от фото ячейки 1;

Х2 - сигнал от фото ячейки 2;

Х3 - сигнал задания скорости на перемещение заготовки;

Х4 - сигнал от блока ручного управления;

В качестве системы управления электроприводом, выбираем автоматизированную систему на базе программируемого контроллера.

8.2.    Разработка алгоритма и программы управления

При разработке алгоритма и программы управления целесообразно разделить работу механизма подачи на два функциональных блока: блок номинального режима работы и блок ручного управления, соответственно и два программных модуля.

Блок ручного управления осуществляет управление механизмом подачи при пробных пусках после ремонта или при первой обработке детали. Алгоритм программного модуля ручного управления представлен на рисунке 8.2. Блоки 002, 003 управляют электроприводом механизма подачи. Отключение электропривода механизма подачи производится кнопкой «Стоп». Блок 004 является определяющим режим работы, при наличии соответствующего сигнала, работа системы управления переходит к блоку номинального режима работы.

Блок номинального режима работы выполняет управление тянущим устройством в автоматическом режиме, осуществляя следующие основные функции: расчет длины оставшейся части детали и управление электроприводом механизма подачи при перемещении детали. Алгоритм программного модуля номинального режима работы представлен на рисунке 8.3. В блоке 102 данного программного модуля производится ввод в контроллер сигнала задания скорости механизма подачи. После поступления сигнала от фото ячейки ФЯ1 (блок 103), происходит включение электропривода механизма подачи (блок 104), одновременно с чем начинается отчет оставшейся длины детали, путем вычитания из начальной длины детали сигнала о пропущенной через фрезу длины заготовки за данный отрезок времени (блоки 105 и 106). Электропривод продолжает работать в данном режиме до момента поступления сигнала от фото ячейки ФЯ2. Затем производится останов электропривода механизма подачи (блок 108), после чего программа выполняется вновь.

Алгоритм программного модуля ручного управления

Рис. 8.2

Алгоритм программного модуля номинального режима работы

Программирование данного контроллера осуществляем на языке SIMATIC Step 7. В программном обеспечении SIMATIC Step 7 имеется три языка программирования: LAD - контактный план (язык программирования в релейно-контактных символах); FBD - функциональный план (программирования функциональными блоками); STL - список операторов (язык построенный на ассемблерной основе). Программа, записанная на одном из языком может быть преобразована в другой. Программирование данной системы управления осуществляем на языке LAD.

Программа приведена на рис. 8.5.

Обозначение сигналов и входов-выходов контроллера, используемые при программировании, приведены в таблице 8.1.

 

Обозначение сигналов и входов-выходов контроллера Таблица 8.1

Обозначения

Тип сигналов

Описание

Дискретный вход

Сигнал от кнопки «ВПЕРЕД»

I 0.1

Дискретный вход

Сигнал от кнопки «НАЗАД»

I 0.2

Дискретный вход

Сигнал от кнопки «СТОП»

I 0.3

Дискретный вход

Сигнал от кнопки «Автоматический режим»

I 1.0

Дискретный вход

Сигнал от фото ячейки 1

I 1.1

Дискретный вход

Сигнал от фото ячейки 2

AI 1

Аналоговый вход

Сигнал задания скорости

Q 0.6

Дискретный выход

Сигнал останов заготовки

 

Программа управления

Рис. 8.5

Программа управления (продолжение)


Программа управления (продолжение)

Рис. 8.5

8.3.    Разработка функциональной, логической схемы

В качестве программируемого контроллера выбираем контроллер фирмы Siemens SIMATIC S7-300.

SIMATIC S7-300 - это модульные программируемые контроллеры, работающие с естественным охлаждением. Модульная конструкция, возможность построения распределенных структур управления, наличие дружественного пользователю интерфейса позволяет использовать контроллер для экономичного решения широкого круга задач автоматического управления в различных областях промышленного производства.

Эффективному использованию контроллеров способствует возможность использование нескольких типов центральных процессоров различной производительности, наличие широкой гаммы модулей ввода-вывода дискретных и аналоговых сигналов, функциональных модулей и коммуникационных процессоров.

Функциональная схема контроллера приведена на рис. 8.6., где приведены следующие условные обозначения: 1 - модуль центрального процессора; 2 - интерфейсный модуль; 3 - модуль ввода дискретных сигналов; 4 - модуль вывода дискретных сигналов; 5 - модуль ввода аналоговых сигналов; 6 - модуль вывода аналоговых сигналов.

Рис. 8.6

Контроллеры SIMATIC S7-300 имеют модульную конструкцию и могут включать в свой состав:

·   Модули центральных процессоров (CPU). В зависимости от степени сложности решаемых задач в контроллерах могут быть использованы различные типы центральных процессоров, отличающиеся производительностью, объемом памяти, наличием или отсутствием встроенных входов-выходов и специальных функций, наличием или отсутствием коммуникационных интерфейсов.

·   Сигнальные модули (SM), предназначенные для ввода-вывода дискретных и аналоговых сигналов с различными электрическими параметрами.

·   Коммуникационные процессоры (CP) для подключения к сетям PROFIBUS, Industrial Ethernet, AS интерфейсу или организации связи по PPI (point to point) интерфейсу.

·   Функциональные модули (FM), способные самостоятельно решать задачи автоматического регулирования, позиционирования, обработки сигналов. Функциональные модули снабжены встроенным микропроцессором и способны выполнять возложенные на них функции даже в случае отказа центрального процессора ПЛК.

При необходимости в составе контроллера могут быть использованы:

·   Модули блоков питания (PS), обеспечивающие возможность питания контроллера от сети переменного тока напряжением 120 - 230 В.

·   Интерфейсные модули (IM), обеспечивающие возможность подключения к центральному контроллеру стоек расширения ввода-вывода. Контроллеры SIMATIC S7-300 позволяют использовать в своем составе до 32 сигнальных и функциональных модулей, а также коммуникационных процессоров, распределенных по четырем монтажным стойкам. Все модули работают с естественным охлаждением.

8.4.    Выбор аппаратов

В качестве центрального процессора выбираем процессор CPU 316-2 DP для построения модульных систем автоматизации со сложными алгоритмами обработки информации, использующих системы локального распределенного ввода-вывода, подключаемые по PROFIBUS-DP. Основные технические характеристики данного процессора приведены в таблице 8.2.

Технические характеристики процессора Таблица 8.2

Тип процессора

CPU 316-2 DP

Объем памяти программ

128Кбайт/ 42Кбайт инструкции

Встроенная, RAM

192 Кбайт

Карта памяти, Flash-EEPROM

До 4Мбайт

Пакет программирования

STEP 7 V 5.0

Время выполнения логические операции операции со словами операции с таймерами и счетчиками сложение целых чисел сложение действительных чисел Контроль длительности цикла по умолчанию допустимый диапазон

 0,3...0,6 мкс 1,0 мкс 12 мкс 2,0 мкс 50,0 мкс  150 мс 1...6000 мс

Напряжение питания: номинальное значение допустимый диапазон изменений Потребляемый ток Пусковой ток Потребляемая мощность Габариты Масса

 = 24 В 20,4...28,8 В 1 А 8 А 8 Вт 80х125х130 мм 0,53 кг

Степень защиты

IP 20

Диапазон рабочих температур

0...60°С

Относительная влажность

До 95% без конденсата


Выбираем модули ввода дискретных сигналов SM 321, основные характеристики которых приведены в таблице 8.3.

Технические характеристики процессора Таблица 8.3

Тип модуля

SM 321

Количество входов

16

Напряжение питания модуля: номинальное значение допустимый диапазон изменений Входное напряжение: номинальное значение логической единицы логического нуля Изоляция Входной ток логической единицы Потребляемый ток Потребляемая мощность Габариты Масса

 = 24 В 20,4...28,8 В  = 24 В -13...-30 В -5...+30 В Оптоэлектронная 7,0 мА 10 мА 3,5 Вт 40х125х120 мм 0,2 кг

Выбираем модули вывода дискретных сигналов SM 322, основные характеристики которых приведены в таблице 8.4.

Технические характеристики модуля вывода Таблица 8.4

Тип модуля

SM 322

Количество входов

16

Напряжение питания нагрузки L+/L1: номинальное значение допустимый диапазон изменений Входное напряжение логической единицы: Выходной ток логической единицы: при номинальном напряжении и 60°С минимальный Выходной ток логического нуля Суммарный выходной ток Ламповая нагрузки Частота переключения выходов: при активной нагрузке при индуктивной нагрузке при ламповой нагрузке Ограничение коммутационных перенапряжений Потребляемый ток: от шины расширения ввода-вывода от источника питания L+/L1 Потребляемая мощность Габариты Масса

 = 24 В 20,4...28,8 В L+ - 0,8 В  0,5 А 5 мА 0,5 мА 3,0 А 5 Вт  100 Гц 0,5 Гц 100 Гц  L+ - 48 В 90 мА 200 мА 5,0 Вт 40х125х120 мм 0,21 кг


В качестве модулей аналоговых входов выбираем модули ввода аналоговых сигналов SM 331, основные характеристики которых приведены в таблице 8.5.

Технические характеристики модуля вывода Таблица 8.5

Тип модуляSM 331


Количество входов

8

Напряжение питания Параметры входных сигналов/входное сопротивление канала: напряжения силы тока сопротивления Максимально допустимое напряжение Максимально допустимый ток Время интегрирования Потребляемый ток: от внутренней шины контроллера от источника питания Потребляемая мощность Габариты Масса

= 24 В   ±1 В/ 10 МОм 4...20 мА/25 Ом 600 ОМ/10 МОм 20 В 40 мА 2,5/16,6/20/100 мс  60 мА 200 мА 1,3 Вт 40х125х120 мм 0,25 кг


9. 
ПРОЕКТИРОВАНИЕ УЗЛА СИСТЕМЫ АВТОМАТИЗИРОВАННОГО ЭЛЕКТРОПРИВОДА

Электрооборудование механизма подачи, расположено в электротехническом помещении, т.е. непосредственно удалено от механизма. Электрооборудование устанавливается внутри шкафа, ввод кабелей производится снизу, крепление осуществляется на монтажную панель.

Все металлические части корпуса должны быть соединены через возможно большую площадь поверхности (не от точки к точке). Если требуется, то применяются прокладки с зазубринами. Дверь шкафа должна быть соединена с его корпусом через заземляющую плетенку, которая должна быть как можно короче.

Заземления оборудования / машин являются по существу защитной мерой. Однако, в случае приводных систем, это так же влияет на излучение помех и помехозащищенность. Система может быть заземлена в конфигурации звезда или каждый компонент заземляется отдельно. Предпочтение должно быть отдано последней заземляющей системе в случае приводных систем, то есть все части установки заземляются соединением через их поверхность или по образу петли. Сигнальные и силовые кабели должны прокладываться раздельно. Минимальное расстояние: 20 см. Необходимо обеспечить перегородки между силовыми и сигнальными кабелями. Перегородки должны заземляться в ряде точек по всей длине. Контакторы, реле, катушки клапанов, электромеханические операционные счетчики часов, и т. д., должны быть с гасящими элементами, например, RC-элементами, диодами, варисторами. Эти гасящие элементы должны быть непосредственно подключены к катушке. Не экранированные кабели, связанные с той же схемой (выходящий и входящий проводники) должны быть свитыми, или поверхность между выходящими и входящими проводниками выдерживается как можно меньшей, чтобы предотвратить ненужный эффект взаимодействия.

Оголенная металлическая монтажная панель, изготовленная из нержавеющей стали, либо гальванически защищенной стали, не окрашивается в местах соединения с элементами электрооборудования.

Схема расположения электрооборудования шкафа приведена на рис. 9.1.

Рис. 9.1 1 - Коммутационный дроссель; 2 - Тиристорный преобразователь; 3 - Клеммник вывода кабелей; 4 - Клемник ввода кабелей; 5 - Вводной автомат; 6 - Токовое реле; 7 - Пускатель; 8 - Предохранители; 9 Главный контактор.

11. ОХРАНА ТРУДА

.1 Производственная санитария

При эксплуатации рабочего места автоматизированного электропривода механизма подачи стола станка модели 6Ф13ГН-1 такие вредные производственные факторы, как шум и вибрация, не возникают, так как лаборатории по поверке приборов давления размещают в помещениях, удаленных или изолированных от источников шума и вибраций. Шум и вибрация классифицируются по ГОСТ 12.0.003-74 [1] как активные, то есть они могут оказать воздействие на человека посредством заключенных в них энергетических ресурсов.

Допустимые уровни шума по ГОСТ 12.1.003-88[2] приведены в таблице 11.1.

Допустимые уровни шума Таблица 11.1

Рабочие места

Уровни звукового давления в дБ в октавных полосах со среднегеометрическими частотами, Гц

Уровни звука и эквивалентные уровни звука, дБА


63

125

250

500

1000

2000

4000

8000


Постоянные рабочие места и рабочие зоны в производственных помещениях на территории предприятиях

99

92

86

83

80

78

76

74

80


Методы и средства борьбы с шумом принято подразделять на:

·   методы снижения шума на пути распространения его от источника;

·   методы снижения шума в источнике его образования;

·   средства индивидуальной защиты от шума.

Снижение шума на пути его распространения от источника в значительной степени достигается проведением строительно-акустических мероприятий. В данном случае применима акустическая обработка помещений (облицовка части внутренних поверхностей ограждений звукопоглощающими материалами, а также размещение в помещении штучных поглотителей, представляющих собой свободно подвешиваемые объемные поглощающие тела различной формы), звукоизолирующие ограждения или звукозащитные кабины.

При выборе и расчете освещения производственного участка руководствуются нормами проектирования производственного освещения СНБ 2.04.05-98 [3], в которых задаются как количественные (величина минимальной освещенности), так и качественные характеристики (показатель ослепленности и дискомфорта, глубина пульсации освещенности) искусственного освещения. Согласно СНБ 2.04.05-98 нормы для данного типа производства приведены в таблице 11.2.

 

Таблица 11.2

Характер зрительных работ

Разряд зрительных работ

Подразряд зрительных работ

Контраст объекта с фоном

Характеристика фона

Искусственное освещение

Естественное освещение

Совмещенное освещение






Освещенность, лк

Сочетание нормируемых величин показателя ослепленности и коэффициента пульсации

КЕО, ен, %






Общее освещение

P

Kп, %

При верхнем или комбинированном освещении

При боковом освещении

При верхнем или комбинированном освещении

При боковом освещении

Общее наблюдение за ходом производственного процесса

VIII

А

Независимо от характеристики фона и контраста объекта с фоном

200

40

20

3

1

1,8

0,6


Наиболее распространены три типа источника света: лампы накаливания, люминесцентные лампы и газоразрядные лампы высокого давления. Преимущество ламп накаливания состоит в том, что они включаются в сеть без дополнительных пусковых приспособлений. Однако имеют относительно низкую световую отдачу. Газоразрядные лампы высокого давления отличаются высокой световой отдачей и компактностью, однако, имеют сложную схему включения и невысокий срок службы.

Электроосвещение обеспечивает равномерную освещенность не менее 100 лк. Применение открытых электрических ламп не допускается. Наблюдение за состоянием арматуры и светильников возлагается на лиц, выделенных для этой цели.

Для освещения данного автоматизированного рабочего места наиболее подходят люминесцентные лампы. Эти лампы имеют высокую световую отдачу (до 75 лм/Вт), большой срок службы (до 10000 ч), лучшую, чем у ламп накаливания цветопередачу, относительно малую яркость (хотя и создают ослепленность).

Содержание вредных веществ в воздухе регламентируется ГОСТ 12.1.005-88 [4]. В рассматриваемом производственном процессе отсутствуют значительные выделения вредных веществ, а значит, нет необходимости предусматривать специальную очистку воздуха.

Для повышения производительности труда, снижения утомляемости в производственных помещениях поддерживается микроклимат в соответствии со СанПиН № 11-19-94. В нем устанавливаются значения температуры, относительной влажности и скорости движения воздуха для рабочей зоны производственных помещений в зависимости от категории тяжести выполняемой работы, величины избытков явного тепла, выделяемого в помещении, и период года. В данном случае работа заключается в наблюдении за процессом поверки и, следовательно, может быть отнесена к категории «Легкая 1а». Тогда, согласно ГОСТ 12.1.005-88 ССБГ, допустимые температуры, скорость и относительная влажность воздуха на постоянных и рабочих местах производственных помещений устанавливается согласно таблице 11.3.

Параметры микроклимата Таблица 11.3

Период года

Категория работ

Оптимальные нормы на постоянных и непостоянных рабочих местах

Относительная влажность%



Температура, С

Скорость движения воздуха, м/c, не более


Теплый

Легкая 1а

23-25

0,1

40-60


Легкая 1б

22-23

0,2


Холодный

Легкая 1а

22-24

0,1

40-60


Легкая 1б

21-23

0,1



Поддержание указанных значений микроклимата можно поддерживать путем использования кондиционеров, отопительных приборов в виде радиаторов, а также смешанной вентиляцией с частичным использованием естественного побуждения для притока или удаления воздуха.

При работе с дисплеем ЭВМ возникают следующие вредные факторы:

·   электромагнитные поля;

·   рентгеновское излучение;

·   ультрафиолетовое и инфракрасное излучение.

Воздействие электромагнитных полей на человека зависит от напряженностей электрического и магнитного полей, потока энергии, частоты колебаний, размера облучаемой поверхности тела и индивидуальных особенностей организма.

Наиболее эффективным и часто применяемым из названных методов защиты от электромагнитных излучений является установка экранов. Экранируют либо источник излучения, либо рабочее место. Экраны бывают отражающие и поглощающие. Индивидуальные экранирующие комплексы предназначены для защиты от воздействия электрического поля, напряженность которого не превышает 60 кВ/м.

Для обеспечения безопасности работ с источниками электромагнитных волн (в данном случае с ПЭВМ) производится систематический контроль фактических значений нормируемых параметров на рабочих местах. Контроль осуществляется измерением напряжения электрического и магнитного полей, а также измерением плотности потока энергии.

Для экранов применяют материалы с высокой электрической проводимость (сталь, медь, алюминий, латунь) в виде листов толщиной не менее 0,5 мм или сетки с ячейками не более 4 ´ 4 мм. Каждый экран обязательно заземляют. Защита с помощью экранов выполняется многоступенчатой, включая экранирования генераторного (первичного) контура, рабочих контуров (плавильных, нагревательных и др.) и установки в целом.

Степень ослабления электромагнитного поля экраном характеризуется величиной, условно называемой глубиной проникновения электромагнитного поля в материал экрана, толщина которого должна быть больше глубины проникновения поля.

Эластичные экраны (из специальной ткани с вплетенной тонкой металлической сеткой) применяют для изготовления экранных штор, чехлов, спецодежды и т.п. Для экранов применяют и оптически прозрачное стекло, покрытое полупроводником - двуокисью олова; оно также обеспечивает ослабление электромагнитного поля.

11.2 Техника безопасности

Основными опасными производственными факторами на данном рабочем месте является электрический ток.

Электрооборудование на данном рабочем месте (ДРМ) оснащается пусковой аппаратурой, исключающей самопроизвольное включение при восстановлении внезапно исчезнувшего напряжения независимо от положения органов управления к этому моменту.

Поскольку питание электрооборудования тянущего устройства осуществляется на напряжении 380 В, то существует опасность поражения электрическим током. Поэтому необходимо применение защитного зануления электрооборудования тянущего устройства. Зануление - это преднамеренное электрическое соединение с нулевым защитным проводом нетоковедущих частей, которые могут оказаться под напряжением.

Отключение поврежденной установки тянущего устройства от питающей сети произойдет, если значение тока однофазного короткого замыкания IК, которое искусственно создается в цепи, превысит значение тока срабатывания защитного аппарата Iном и выполнит следующее условие:

                                                                                    (11.1)

Где k = 1,25 - коэффициент кратности тока;

Iном = 10 - номинальный ток плавких вставок предохранителей, защищающих двигатель, А.

Таким образом из (11.1) следует:

Выбираем нулевой защитный проводник стальной, активное сопротивление которого Rн.з. = 0,2 Ом, индуктивное сопротивление xн.з. = 0,2 Ом.

Определяем полное сопротивление петли «фаза-нуль»:

,                                                      (11.2)

Где Rф = 0,9 - активное сопротивление фазного и защитного проводника, Ом;

xф = 0,03 - внутреннее индуктивное сопротивление фазного проводника, Ом;

xп = 0,02 - внешнее индуктивное сопротивление петли «фаза-нуль».

 Ом

Находим действующее значение тока однофазного короткого замыкания, проходящего в схеме в аварийном режиме,

,                                                       (11.3)

Где Uф - фазное напряжение, В;

ZП - полное сопротивление петли «фаза-нуль», Ом;

ZТ = 3.5 - полное сопротивление трансформатора, Ом.

Таким образом, условие (11.1) выполняется, что означает: отключающая способность системы зануления обеспечена, и нулевой защитный проводник выбран правильно.

Для персонала, обслуживающего автоматизированное рабочее место разработаны и утверждены в установленном порядке инструкции по охране труда, в которых приводят обязанности обслуживающего персонала, безопасные приемы и методы работы при обучении, наладке и ремонте, формы организации контроля за мероприятиями и средствами обеспечения безопасности, рациональные режимы труда и отдыха персонала, обслуживающего данное ДРМ.

Для обеспечения эксплуатации применяются следующие меры:

- сначала обслуживающий персоонал ознакамливается с общими требованиями безопасности, в которых указываются назначение и характеристики ДРМ, характеристика опасных и вредных производственных факторов, действующих на работающих, требования по обеспечению взрыво- и пожаробезопасности, условия допуска лиц к выполнению работы, а также ответственность работающего за нарушение требований инструкции, затем ознакамливается с требования безопасности перед началом работы. В частности рабочий должен проверить исправность оборудования, ограждений, сигнализации, блокировочных и других устройств, защитного заземления, вентиляции, провести тестовую проверку функционирования частей ДРМ. Особое внимание при этом уделяется блокировочным устройствам, которые срабатывают в соответствии с электрической схемой. Потом он должен усвоить требования безопасности во время работы, в которых указываются способы и приемы безопасного выполнения работ, правила использования технологического оборудования, а также требования безопасности в аварийных ситуациях, в которых отражаются порядок безопасного отключения и действия персонала при возникновении опасных, критических и аварийных ситуаций, которые могут сформировать несчастный случай или аварию.

Также персоонал необходимо ознакомить с требованиями безопасности по окончанию работы. В этих требованиях указывается порядок отключения ДРМ, записей в журнале о техническом состоянии, передачи ДРМ по смене. При этом каждый должен владеть требованиями безопасности, безопасными приемами и методами работы при обучении, проведении наладочных, ремонтных и профилактических работ, требованиями к организации контроля за безопасной работой.

11.3 Пожарная безопасность

В соответствии с НПБ 5-2000 данное производство по пожарной, взрывной и взрывопожарной опасности можно отнести к категории Д. Категория Д - это производства, в которых обрабатываются негорючие вещества и материалы в холодном состоянии. Согласно с НПБ 5-2000 здание, в котором предполагается размещение данного ДРМ, можно отнести ко II степени огнестойкости. Согласно указанному БНБ 2.02.02-01 допускается использовать один эвакуационный выход, если число работающих соответствует приведенному в таблице 11.3.

Таблица 11.3

Степень огнестойкости здания

Предельное число эвакуируемых человек с одного этажа здания при числе этажей


2

3

4 и более

II

70

35

15


Ширина эвакуационного прохода составляет не менее 1 м., коридор или переход в другое здание - не менее 1,4 метра. Ширина лестничных маршей не менее ширины выхода на лестничную площадку с наиболее населенного этажа, но не менее 1 метра. Максимальное расстояние от наиболее удаленного рабочего места до эвакуационного выхода составляет 50 метров.

В качестве способа предотвращения распространения огня, здание оборудовано огнестойкими противопожарными перегородками 1 типа.

Помещение, в котором располагается РТК оборудовано первичными средствами пожаротушения. В качестве таких средств можно применять углекислотные и порошковые огнетушители, предназначенные для тушения различных материалов установок под напряжением до 1000В (например, ОУ-2, ОПС-10, ОП-1).

Переносной порошковый огнетушитель ОП-1 “Спутник” предназначенный для тушения небольших загораний, состоит из корпуса, сетки и крышки. Все детали изготовлены из полиэтилена. Для приведения его в действие необходимо отвернуть крышку на горловине, взять огнетушитель за нижнюю часть корпуса, подойти к месту загорания, опрокинуть огнетушитель горловиной вниз и встряхнув его, высыпать порошок в очаг горения. Ручной огнетушитель ОУ-2 представляет собой стальной баллон, в горловину которого ввернут на конусной резьбе вентиль с сифонной трубкой. Запорный вентиль имеет предохранительную мембрану, раструб огнетушителя ОУ-2 присоединен к корпусу вентиля шарнирно. При тушении загораний раструб огнетушителя ОУ-2 направляют на горящий объект и поворачивают маховичок вентиля до упора.

ЗАКЛЮЧЕНИЕ


При разработке данного дипломного проекта был проведен расчет и проектирование автоматизированного электропривода механизма продольной подачи стола станка. В результате проведенной работы были составлены: расчетно-пояснительная записка, а так же графическое приложение.

В ходе работы был проведен анализ технологического процесса, а также анализ работы механизма подачи. Был осуществлен выбор системы электропривода модернизируемой установки, выбор и проверка электродвигателя, взамен старого двигателя постоянного тока был выбран высокомоментный двигатель с возбуждением от постоянных магнитов, управляемый комплектным электроприводом ЭПУ-1. Было осуществлено проектирование системы автоматического управления, которая в последствии была смоделирована, в результате чего были получены графики переходных процессов во всех режимах работы установки. В расчетно-пояснительной записке приведен алгоритм и программа работы контроллера, управляющего механизмом подачи. Были рассмотрены мероприятия по обеспечению охраны труда при эксплуатации производственной установки. Кроме того, было проведено экономическое обоснование данного технического решения.

Основные вопросы данного диплома отображены на листах графического приложения. Таким образом, тема данного дипломного проекта проработана полностью.

ЛИТЕРАТУРА

1. О.П. Михайлов "АЭП станков и промышленных роботов". М.: Машиностроение, 1990. - 304с.

2. А.И. Кочергин "Конструирование и расчет металлорежущих станков и станочных комплексов". Мн.: Выш. шк., 1991. - 382с.

3. Справочник по электрическим машинам: В 2 Т./под общей ред. И.П. Копылова. - Т1. М. : Энергоиздат, 1988. - 456.

4. Справочник по электрическим машинам: В 2 Т./под общей ред. И. П. Копылова. - Т2. М. : Энергоиздат, 1989. - 688.

5. Станки с числовым программным управлением / Под ред.

В.А. Лещенко - М.: Машиностроение, 1979.

6. Башарин А.В., Новиков В.А., Соколовский Г.Г. Управление электроприводами. - Л.: Энергоиздат, 1982.

7. Анхимюк В.А., Олейко О.Ф., Михеев Н.Н. Теория автоматического управления. - Мн.: Дизайн ПРО, 2000.

8. Грачев Л.Н., Косовекий В.Л., Ковшов А.Н. и др. Конструкция и наладка станков с программным управлением. - М.: Высш. Шк., 1989.

9. Ключев В.И. Теория электропривода. - М.: Энергоатомиздат, 1985.

10.Резисторы, конденсаторы, транзисторы, дроссели, коммутационные устройства РЭА: Справ./Н.Н. Акимов, Е.П. Ващуков, В.А. Прохоренко, Ю.П. Ходоренок - Мн.: Беларусь, 1994. - 591с.

11.Силовые полупроводниковые приборы: Справочник/о.Г. Чебовский, Л.Г. Моисеев, Р.П. Недошивин - М.: Энергоатомиздат, 1985. - 400с.

12.Электротехнический справочник. В 3т. Т.3.: Под общ. ред. Профессоров МЭН: И.Н. Орлова и др. - М.: Энергоатомиздат, 1988. - 616с.

13.Электрический справочник. В 3т. Т. 2. Электротехнические устройства /Под общ. ред. Проф. МЭН В.Г. Герасимова, Л.А. Кунова и др. - М.: Энергоиздат, 1981. - 640с.

14.Станки с числовым программным управлением. М.: Машиностроение, 1979.

15.Под ред. В.А. Елисеева, А.В. Шниянского. Справочник по автоматизированному ЭП. М.: Энергоатомиздат, 1983.

16.Янковенко В.С. и др. Расчет и конструирование элементов ЭП. М.: Энергоатомиздат, 1987.

17.Зимин Е.Н. и др. Электроприводы постоянного тока с вентильными преобразователями. М.: Энергоатомиздат, 1981.

18.Терехов В.М. Элементы автоматизированного ЭП. М.: Энергоатомиздат, 1987.

Похожие работы на - Автоматизированный электропривод продольной подачи стола станка модели 6Ф13ГН-1

 

Не нашли материал для своей работы?
Поможем написать уникальную работу
Без плагиата!
Без нейросетей!