Проектирование систем электрификации участка сварки и штамповки
МИНИСТЕРСТВО
СЕЛЬСКОГО ХОЗЯЙСТВА РОССИЙСКОЙ ФЕДЕРАЦИИ
ФЕДЕРАЛЬНОЕ
ГОСУДАРСТВЕННОЕ БЮДЖЕТНОЕ ОБРАЗОВАТЕЛЬНОЕ УЧРЕЖДЕНИЕ
ВЫСШЕГО
ПРОФЕССИОНАЛЬНОГО ОБРАЗОВАНИЯ
«ИЖЕВСКАЯ
ГОСУДАРСТВЕННАЯ СЕЛЬСКОХОЗЯЙСТВЕННАЯ АКАДЕМИЯ»
Кафедра
«Электротехнологии сельскохозяйственного производства»
Курсовой проект
КП
110302.074018.ЭТ.000.ПЗ
Тема:
«Проектирование систем электрификации участка сварки и штамповки»
Выполнил
студент 452 группы Огородников Л.Л.
Проверил
Стерхова Т.Н., к.т.н., доцент
Ижевск 2011
СОДЕРЖАНИЕ
Введение
. Характеристика объектов проектирования
.1 Характеристика объекта проектирования
.2 Основные цели и задачи проектирования
. Определение электрических нагрузок токоприемников
.1 Анализ систем вентиляции и теплоснабжения
.2 Расчет осветительной нагрузки. Определение места установки
осветительного щита
. Проектирование силовой распределительной сети
.1 Требования к вводным устройствам и узлу учета
.2 Требования к местам установки коммутационной и защитной
аппаратуры
.3 Разработка плана сети объекта проектирования
.4 Разработка структурной схемы распределительной сети
.5 Разработка однолинейной схемы вводного устройства
. Расчет силовой распределительной сети
.1 Выбор вида и способа прокладки проводов, кабелей и
шинопроводов
.2 Расчет сечения проводников
.3 Выбор коммутационной и пускозащитной аппаратуры
.4 Защита внутренних сетей от аварийных режимов
.5 Расчет мощности на вводе
Заключение
Список литературы
ВВЕДЕНИЕ
электрический осветительный кабель коммутационный
В настоящее время трудно найти отрасль, где бы не применялась
электроэнергия. В условиях необходимости совершенствования хозяйственного
механизма повышенное внимание стало уделяться экономическим вопросам
электрификации. Поэтому, все более актуальным становится всестороннее
исследование и обоснование перспектив электрификации. Эффективное, экономное
использование электрической, тепловой энергии позволяет добиться высокой
производительности труда, снизить себестоимость труда и продукции, повысить
конкурентоспособность. Все более актуальным становится всестороннее
исследование и обоснование перспектив электрификации. Степень использования
энергии служит главным показателем уровня развития материально-технического
потенциала предприятия. В структуре себестоимости продукции затраты на топливно-энергетические
ресурсы составляют 10-30%. По статистике, сегодня сельское хозяйство
недополучает примерно 20% энергоресурсов. Вот почему вопросы применения энерго-
и ресурсосберегающих технологий, рационального использования
топливно-энергетических ресурсов становится очень актуальными. Данную проблему
следует решать также путем формирования энергетической службы АПК, призванной
разрабатывать и осуществлять энергосберегающую политику. Энергетику необходимо
рассматривать не только в качестве комплекса материальных ресурсов, но и как
важный фактор интенсификации сельскохозяйственного производства. Значительное
место в деле успешного развития электрификации играют вопросы правильного
проектирования, то есть выбора наиболее экономичного и технически совершенного
варианта построения и функционирования данного объекта электрификации. Целью
курсового проекта является электрификация участка штамповки и сварки.
1. ХАРАКТЕРИСТИКА ОБЪЕКТОВ ПРОЕКТИРОВАНИЯ
.1 Характеристика существующей технологии и средств механизации
на объекте проектирования
Объектом проектирования является участок штамповки и сварки, который
находится в составе ОАО «Удмуртагроснаб»(г.Ижевск, ул.Пойма 79). В основном
участок штамповки и сварки изготавливает запасные части для автомобилей,
которые успешно реализуются как в Удмуртской республике, так и в других
регионах. На объекте имеетcя
следующий технологический процесс: склад сырья - раскрой развертки лонжерона -
пробивка отверстий в развертке - формообразование продольного профиля (при
помощи штампов) - изготовление дополнительных частей по той же технологии -
сварка лонжерона - готовая продукция. Сырье в виде листов металла доставляется
на участок штамповки, где предварительно ни гильотине разрезается на заготовки
нужной длины. Затем происходит раскрой развертки лонжерона, и на прессе
однокривошипном К-2130Б ненаклоняемого типа пробиваются отверстия и
изготавливается конечная заготовка лонжерона. После изготовления заготовки
лонжерона при помощи пресса изготавливаются дополнительные части по той же
технологии, а затем лонжерон обваривается и проверяется на прочность вся
конструкция.
заготовки
подающий стол
гибочное устройство
принимающий стол
готовые изделия
электротехнический шкаф системы автоматического управления
пульт управления
Рисунок 1.1 - Схема технологического процесса изготовления
лонжерона
Классификация помещений по условиям окружающей среды
В зависимости от характера окружающей среды и требований по защите
электроустановок от ее воздействия в ПУЭ различают внутренние помещения и
наружные установки. В свою очередь, внутренние помещения делятся на сухие,
влажные, сырые, особо сырые, жаркие, пыльные, с химически активной средой,
пожароопасные и взрывоопасные, а наружные (или открытые) установки - на нормальные,
пожароопасные и взрывоопасные. Электроустановки, защищенные только навесами,
относят к наружным.
Сухими считают помещения, в которых относительная влажность воздуха не
превышает 60%. Если в таких помещениях температура не превышает 30 °С, нет технологической
пыли, активной химической среды, пожаро- и взрывоопасных веществ, то их
называют помещениями с нормальной средой. Влажные помещения характеризуются
относительной влажностью воздуха 60...75 % и наличием паров или
конденсирующейся влаги, выделяющихся временно и в небольших количествах.
Большая часть электрооборудования рассчитана на работу при относительной
влажности, не превышав 75 %, поэтому в сухих и влажных помещениях используют
электрооборудование в нормальном исполнении. К влажным помещениям относят
насосные станции, производственные цеха, где относительная влажность
поддерживается в пределах 60...75%, отапливаемые подвалы, кухни в квартирах и
т. п.
В
сырых помещениях относительная влажность длительно превышает 75 % (например,
некоторые цеха металлопроката, цементных заводов, очистных сооружений
<#"551117.files/image002.gif">, (2.1)
Светильниками
типа РППО 5-250 требуется обеспечить
лк при
.
Светильник
выбирается в зависимости от показания
и
характера окружающей среды. В показателе
.
Ен
- нормированная освещенность;
Kз - коэффициент запаса;
Нр - расчетная высота.
, (2.2)
где:
Н0 - высота помещения (6,0м);
hсв - высота свеса светильников (1,0м);
hp - высота рабочей поверхности над полом, hp=l м.
Расчет размещения светильников
Светильники в помещении стремятся разместить по сторонам квадрата.
Оптимальный размер стороны квадрата Lonm определяется по формуле:
, (2.3)
где:
-
относительное, светотехнически выгодное расстояние между светильниками,
;

(2.4)
, (2.5)
где:
а
- длина помещения, а=47,72 м;
b - ширина помещения, b =15,52 м;
(выбираем
8 штук светильников)
(после
перерасчета выбираем 2 ряда).
Необходимое
число светильников может быть определено в соответствии с формулой:
(2.6)
где:
Фл - поток лампы, лм;
Ен - нормированная освещенность, ль;
S - площадь помещения, м;
К3 - коэффициент запаса;
z - коэффициент неравномерности, для линейных источников (z=l,l); - число светильников;
Иоу - коэффициент использования светового потока
осветительной установки.
, (2.7)
В
данном случае
Проверим
освещенность на рабочей поверхности точечным методом. Определим освещенность в
контрольной точке А по формуле:
(2.8)
где:
-
коэффициент, учитывающий влияние удаленных источников и отраженную составляющие
освещенности,
;
-
относительная линейная освещенность, лк;
Контрольную
точку выбираем в центре между светильниками на уровне 4 м от пола.
Должно
выполняться следующее условие:
(2.9)
, условие
выполняется.
Рисунок 2.1 - Схема расположения зон и ламп в цехе
Для остальных помещений расчёт аналогичен, результаты вносятся в светотехническую
ведомость(таблица 2.1).
Осветительный щит устанавливаем вблизи основного рабочего входа в здание,
в месте недоступном для случайных повреждений, с учетом близости ввода. В тоже
время щит рекомендуется устанавливать в центре нагрузок. При рассмотрении всех
условий, установим щит на капитальной стенке вблизи основного входа в здание,
приблизительно в центре нагрузок. Щитки должны иметь замок и ключ для
предотвращения возможности попадания в них неэлектротехнического персонала. В
соответствии с правилами устройства электроустановок (ПУЭ) степень защиты
щитков освещение при установке в производственном помещении - не менее IP-54.
3. ПРОЕКТИРОВАНИЕ СИЛОВОЙ И РАСПРЕДЕЛИТЕЛЬНОЙ СЕТИ
3.1 Требования к вводным устройствам и узлу учета
Электроприемники первой категории - электроприемники, перерыв
электроснабжения которых может повлечь за собой опасность для жизни людей,
угрозу для безопасности государства, значительный материальный ущерб,
расстройство сложного технологического процесса, нарушение функционирования
особо важных элементов коммунального хозяйства, объектов связи и телевидения.
Из состава электроприемников первой категории выделяется особая группа
электроприемников, бесперебойная работа которых необходима для безаварийного
останова производства с целью предотвращения угрозы жизни людей, взрывов и
пожаров.
Электроприемники второй категории - электроприемники, перерыв
электроснабжения которых приводит к массовому недоотпуску продукции, массовым
простоям рабочих, механизмов и промышленного транспорта, нарушению нормальной
деятельности значительного количества городских и сельских жителей.
Электроприемники третьей категории - все остальные электроприемники, не
подпадающие под определения первой и второй категорий.
В соответствии с ПУЭ по категории обеспечения надёжности электроснабжения
участок штамповки и сварки относится к третьей категории. Для электроприемников
третьей категории электроснабжение может выполняться от одного источника
питания при условии, что перерывы электроснабжения, необходимые для ремонта или
замены поврежденного элемента системы электроснабжения, не превышает 1 суток.
На участке не предусмотрено электропомещение, поэтому ВРУ располагаем прямо у
входа в помещение цеха.
В этих случаях распределительные устройства, установленные в помещениях,
доступных для неквалифицированного персонала, должны иметь токоведущие части,
закрытые сплошными ограждениями, либо должны быть выполнены со степенью защиты
не менее IP2X. В случае применения РУ с открытыми токоведущими частями оно
должно быть ограждено и оборудовано местным освещением. При этом ограждение
должно быть сетчатым, сплошным или смешанным высотой не менее 1,7 м. Дверцы
входа за ограждение должны запираться на ключ. Расстояние от сетчатого
ограждения до неизолированных токоведущих частей устройства должно быть не
менее 0,7 м, а от сплошных 0,4 м. Ширина проходов принимается 0,8 м. В
отдельных местах проходы могут быть стеснены выступающими строительными
конструкциями, однако ширина прохода в этих местах должна быть не менее 0,6 м.
В соответствии с ПУЭ для учёта потребляемой электроэнергии устанавливаются
расчётные счётчики. Счётчики устанавливаются на границе раздела сети. В нашем
случае расчётный счётчик будет установлен непосредственно в РУ для контроля и
учета электроэнергии, потребляемой техническим центром.
Требования, предъявляемые к расчётным счётчикам в соответствии с ПУЭ:
1. Каждый установленный счётчик должен иметь на винтах, крепящих кожух
счётчика, пломбы с клеймом госповерителя, а на зажимной крышке - пломбу
энергоснабжающей организации.
2. Учёт активной и реактивной электроэнергии трёхфазного тока должен
производиться с помощью трёхфазных счётчиков.
. Допустимый класс точности расчетного счетчика должен быть не
ниже 2,0. На вновь устанавливаемых трёхфазных счётчиках должны быть пломбы
государственной поверки с давностью не более 12 месяцев, а на однофазных
счетчиках - с давностью не более 2 лет. Класс точности счетчиков реактивной
электроэнергии должен выбираться на одну ступень ниже соответствующего класса
точности счетчиков активной электроэнергии.
.2 Требования к местам установки коммутационной и защитной
аппаратуры
Аппараты защиты следует располагать по возможности в доступных для
обслуживания местах таким образом, чтобы была исключена возможность их
механических повреждений. Установка их должна быть выполнена так, чтобы при
оперировании с ними или при их действии были исключены опасность для
обслуживающего персонала и возможность повреждения окружающих предметов.
Аппараты защиты с открытыми токоведущими частями должны быть доступны для
обслуживания только квалифицированному персоналу. Аппараты защиты следует
устанавливать, как правило, в местах сети, где сечение проводника уменьшается
(по направлению к месту потребления электроэнергии) или где это необходимо для
обеспечения чувствительности и селективности защиты. Аппараты защиты должны
устанавливаться непосредственно в местах присоединения защищаемых проводников к
питающей линии. На участке сварки и штамповки устанавливаем аппараты зашиты к
технологическому оборудованию по месту. Всем вышеуказанным требованиям отвечает
установка защитной аппаратуры в ВРУ и ЩР (силовых и осветительных щитах).
Аппаратура защиты и управления установками установлена в пультах управления,
которые располагаются в непосредственной близости от своих установок или на
дистанции.
.3 Разработка плана сети объекта проектирования
На чертеж наносим технологическое оборудование, наносим места
расположения электроприемников. Каждому электроприемнику присваивается
порядковый номер и мощность, потребляемая из сети.
При выборе места расположения РУ рекомендуется размещать по возможности в
центре нагрузки, координаты ориентировочно могут быть найдены по формулам:
,(3.1)
,(3.2)
где
;
- соответственно координаты электроприемников по
горизонтальной и вертикальной осям на плане;
Рi
- нагрузка электроприемника,
i = 1…n.
Таблица
3.1 - Координаты электроприемников
|
Номер электро-приемника по
плану
|
Мощность нагрузки, кВт
|
Координаты, о. е.
|
|
|
X
|
Y
|
|
1
|
14
|
4,8
|
9,2
|
|
2
|
14
|
7,4
|
9,2
|
|
3
|
15
|
9,2
|
|
4
|
15
|
5,6
|
7,9
|
|
5
|
15
|
7,4
|
7,9
|
|
6
|
3
|
10,2
|
8,3
|
|
7
|
7,5
|
12,1
|
8,7
|
|
8
|
7,5
|
13,6
|
8,7
|
|
9
|
7,5
|
15
|
8,7
|
|
10
|
0,55
|
6,8
|
7,6
|
|
11
|
0,5
|
6,2
|
7,9
|
|
ЩО
|
12
|
3,9
|
7,7
|
В соответствии с полученными координатами центр нагрузок должен
располагаться на участке сварки у стены, но располагать ВРУ в этом месте
невозможно, поэтому расположим ВРУ у входа на участок штамповки и сварки. Это
место удобно тем, что рядом находится КТП. Наносим на план места расположения
проводников, обозначаем все участки внутренних сетей.
.4 Разработка структурной схемы распределительной сети
На основании плана внутренней электрической сети составим структурную
схему распределительной сети (см. рисунок 3.1).
Рисунок 3.1 - Структурная схема силовой распределительной
сети
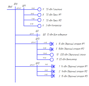
3.5 Разработка однолинейной схемы вводного устройства
Однолинейная схема электроснабжения входит в состав проекта
электроснабжения. На однолинейной схеме учтены все нагрузки и приведены
значения всех основных показателей - мощность, номиналы автоматов, маркировка
щитов и кабеля и т.д. В обязательном порядке на однолинейной схеме должны
присутствовать все электрошкафы. Длина кабельных линий до шкафов должна быть
обозначена с точностью до метра. На схеме должны быть нанесены приборы учета
электроэнергии. Однолинейная схема электроснабжения служит основополагающим
документом при выполнении электромонтажных работ. Смешанная схема более
экономична и надежна, является наиболее прогрессивным способом цехового
распределения электроэнергии. Однолинейная схема вводного устройства представлена
на рисунке 3.2
Рисунок 3.2- Однолинейная схема вводного устройства
4. РАСЧЕТ СИЛОВОЙ РАСПРЕДЕЛИТЕЛЬНОЙ СЕТИ
.1 Выбор вида и способа прокладки проводов, кабелей и
шинопроводов
В соответствии с требованиями к электропроводке предъявляются следующие
основные требования:
электропроводка должна соответствовать условиям окружающей среды,
назначению и ценности сооружений, их конструкции;
при выборе вида электропроводки и способа прокладки проводов и кабелей
должны учитываться требования электробезопасности и пожарной безопасности;
оболочки и изоляция проводов и кабелей, применяемых в электропроводках,
должны соответствовать способу прокладки и условиям окружающей среды;
для стационарных электропроводок должны применяться преимущественно
провода и кабели с алюминиевыми жилами, кроме электропроводок чердачных
помещений, монтажа цепей в пределах щитовых устройств, присоединение к
электротехническим устройствам на виброизолирующих опорах, во взрывоопасных
зонах классов В-I и В-Iа;
для питания переносных и передвижных электроприемников следует применять
шнуры и гибкие кабели. Способ прокладки электропроводок определяется в
соответствии с классами взрыво- и пожароопасности (категорией производства). В
пожароопасных помещениях любого класса кабели и провода должны иметь покров и
оболочку, не распространяющую горение. Прокладка незащищенных изолированных
кабелей и проводов с алюминиевыми жилами в таких помещениях должна
производиться в трубах и коробах, дополнительная функция которых - защита от
механических повреждений.
Во взрывоопасных зонах классов В-I и В-Iа должны применяться провода и
кабели с медными жилами. Во взрывоопасных зонах любого класса могут применяться
провода с резиновой и поливинилхлоридной изоляцией, кабели с резиновой,
поливинилхлоридной. При использовании незащищенных изолированных кабелей во
взрывоопасных зонах класса В-Iа способ прокладки силовых электропроводок - в
коробах, в водогазопроводных трубах. В соответствии с вышеприведенными
требованиями выбираем виды и способы прокладки силовых электропроводок(таблица
4.2).
Таблица 4.1 - Виды электропроводок и способы их прокладки в
условиях технического центра
|
Наименование помещения
|
Вид электропроводки
|
Способ прокладки
|
Материал жил
|
Высота прокладки, м
|
|
1
|
2
|
3
|
4
|
5
|
|
Участок сварки
|
открытая
|
медь
|
не менее 2,5 м
|
|
Участок штамповки
|
открытая
|
На скобах по стене и
потолку
|
медь
|
не менее 2,5 м
|
|
Склад
|
открытая
|
На скобах по стене и
потолку
|
медь
|
не менее 2,5м
|
4.2 Расчет сечения проводников
При данном расчете сначала определяется расположение вводного щита, щитов
управления. Прокладка проводов производиться открыто по стене на скобах, что
обеспечивает их защиту от механических повреждений.
Расчет внутренних распределительных сетей сводится к проверке проводов по
нагреву, механической прочности и потере напряжения.
Расчет будет проводиться для Ножниц гильотинных Н3121А.
Двигатель А132S4: мощность - 7,5
кВт, n = 1500 об/мин, кпд = 0,88, cos
φ = 0,83:
(4.1)
рабочий ток: IP = 15,6А
Исходя из условия:
, (4.2)
примем
сечение провода q=2,5мм2, [10].
По
механической прочности:
Проверяем
провод по допустимой потере напряжения:
, (4.3)
Расчетные
потери напряжения:
, (4.4)
где:
Р
- расчетная мощность, кВт;
l
- длина линии, м.
характеристический
коэффициент линии.
Данное
сечение удовлетворяет всем параметрам. Выполняем проводку кабелем ВВГ 5·2,5 мм2.
4.3
Выбор коммутационной и пускозащитной аппаратуры
В
качестве аппаратов защиты применяются плавкие предохранители или автоматические
воздушные выключатели с встроенными тепловыми (для защиты от перегрузок) и
электромагнитными (для защиты от токов КЗ) реле.
Проведем
расчет для Ножниц гильотинных Н3121А:
Двигатель
А132S4: мощность - 7,5 кВт, n = 1500 об/мин,
кпд = 0,88, cos φ = 0,83.
Расчет
для выбора автоматического выключателя:
Автомат
выбираем из условий:
(4.5)
Необходимые
параметры автоматического выключателя для Ножниц гильотинных Н3121А:
Выбираем
АЕ2046М с параметрами:
,
,
.
Все
параметры подходят, выбор сделан верно.
Для
других электроприёмников выбор делаем аналогично и заносим данные в таблицу
4.2. Так же для защиты электроприёмников от токов короткого замыкания и перегрузок
устанавливаем в распределительных шкафах предохранители серии ПН-2 и НПН-2
Выбор предохранителей осуществляется из условий:
номинальное
напряжение сети в которой применяется предохранитель, В
-
напряжение цепи, В
(4.6)
причем номинальный ток(Iном)
аппарата берется в таблице ближайшим по величине к рабочему току (Iраб) цепи.
(4.7)
причем ток плавкой вставки (Iпл.вст.) берется в таблице ближайшим по величине к рабочему току (Iраб) цепи.
Проведем выбор предохранителя для Ножниц гильотинных Н3121А:
Двигатель А132S4: мощность - 7,5
кВт, n = 1500 об/мин, кпд = 0,88, cos
φ = 0,83.
рабочий ток: IP = 15,6А
В ≥ 380В
А ≥ 15,6А
А ≥ 15,6А
Для других электроприёмников выбор производим аналогично и заносим данные
в таблицу 4.2
4.4 Защита внутренних сетей от аварийных режимов
Согласно ПУЭ, электрические сети нужно защищать от аварийных режимов. К
аварийным режимам относятся перегрузка и токи короткого замыкания.
Аппараты, которые предназначены для отключения токов КЗ или могут по
условиям своей работы включать короткозамкнутую цепь, должны, кроме того
обладать способностью производить эти операции при всех возможных токах КЗ. В
качестве аппаратов защиты должны применяться автоматические выключатели или
предохранители. Для обеспечения требований быстродействия, чувствительности или
селективности допускается при необходимости применение устройств защиты с
использованием выносных реле (реле косвенного действия).
Электрические сети должны иметь защиту от токов короткого замыкания, обеспечивающую
по возможности наименьшее время отключения и требования селективности.
Аппараты защиты должны устанавливаться непосредственно в местах
присоединения защищаемых проводников к питающей линии. Допускается в случаях
необходимости принимать длину участка между питающей линией и аппаратом защиты
ответвления до 6 м. Проводники на этом участке могут иметь сечение меньше, чем
сечение проводников питающей линии, но не менее сечения проводников после
аппарата защиты. При защите сетей предохранителями последние должны
устанавливаться на всех нормально незаземленных полюсах или фазах. Установка
предохранителей в нулевых рабочих проводниках запрещается. Элементы
электропроводки, кроме кабелей, которые могут распространять горение, но во
всех других отношениях соответствующие требованиям должны быть помещены в
оболочку из несгораемых материалов или защищены негорючими материалами. Защита
от внешних воздействий - все уплотнения, которые предусматриваются при проходе
электропроводки через элементы зданий и сооружений, такие как полы, стены,
потолки, перегородки должны быть загерметизированны по степени огнестойкости
равной огнестойкости соответствующих элементов строительных конструкций.
Проверим согласованность пускозащитной аппаратуры с сетью, т.е. проверим допустимое
соотношение между уставкой защиты и допустимой длительной токовой нагрузкой
проводника:
, (4.8)
где:
-
допустимый ток провода, А;
- ток
плавкой вставки предохранителя, А.
Проверим
согласованность пускозащитной аппаратуры с участком сети 9-Н1:
, для
кабеля ВВГ 5
2,5мм2
- для
предохранителя ПН-2-60/16А
= 0,64
<
условие выполнено, сеть защищена от аварийных
режимов.
Таблица 4.2 - Принципиальная схема распределительной сети
4.5 Расчет мощности на вводе
Расчет мощности на вводе произведем методом эффективного числа
токоприемников. Расчетная мощность определяется по формуле:
, (4.9)
где:
К
мах - коэффициент
максимума;
Ки -
коэффициент использования установленной мощности;
- суммарная установленная мощность токоприемников, кВт.
Коэффициент
использования установленной мощности находим по формуле:
, (4.10)
где:
-
установленная мощность i-гo токоприемника, кВт;
- коэффициент использования i-гo
токоприемника;
Коэффициент
максимума находят по его зависимости от эффективного числа токоприемников и
коэффициента использования установленной мощности:
, (4.11)
где:
пэ - эффективное число токоприемников:
, (4.12)
где:
- установленная мощность i-ro
токоприемника, кВт.
Тогда
=1,72.
кВт
Для
определения полной мощности требуется средневзвешенный
, (4.13)
где:
-
мощность отдельного токоприемника, кВт;
-
коэффициент мощности отдельного токоприемника.
Активную
мощность на вводе определяем по формуле:
, (4.14)
кВт
Реактивную
мощность определяем по формуле:
, (4.15)
Полную
мощность на вводе определим по формуле:
, (4.16)
Расчетный ток на вводе:
(4.17)

ЗАКЛЮЧЕНИЕ
В ходе выполнения данного курсового проекта был произведен расчет
освещения, определена мощность на вводе, были выбраны марки и способ прокладки
питающих проводов и кабелей, аппараты защиты и управления, щиты вводные и
управления, определен центр нагрузок и места установки вводных устройств для
участка сварки и штамповки.
Результатом проектирования является применение теоретических знаний для расчета
электрификации конкретного объекта, освоение новых и закрепление ранее
освоенных методик расчета различных параметров. Изучение новой и закрепление
ранее изученной литературы.
СПИСОК ЛИТЕРАТУРЫ
1. Лекомцев П.Л, Ниязов А.М., Стерхова Т.Н. Курсовое и
дипломное проектирование систем электрификации. - Ижевск: РИО ИжГСХА, 2005г.
2. И.Н. Светлакова. Проектирование электрического освещения.
Методические указания - Ижевск: РИО ИжГСХА, 2003г.
3. Прищеп Л.Г. Проектированию комплексной
электрификации. - М: Колос, 1983г.
4. Жилинский Ю.М.,Кумин В.Д. Электрическое облучение и
освещение, М.: Колос, 1982г.
5. ''Правила устройства электроустановок''
Главгосэнергонадзор России, Москва, 1998 г.
. Кочетков Н.П. Электроснабжение сельского населенного
пункта: Метод. указания. - Ижевск: ИжГСХА, 2004г.
. Коломиец А.П. Кондратьева Н.П. Выбор аппаратуры
управления и защиты электроустановок. / Учебное пособие. - М.:ВСХИЗО, 1994г.