Проектирование и изготовление учебно-лабораторного стенда на базе преобразователя частоты Danfoss VLT-5004
Введение
В последние годы в России всё большую актуальность приобретает вопрос
энергосбережения на производстве. Это обусловлено непрерывным ростом цен на
основные энергоресурсы, что приводит к увеличению стоимости электроэнергии. С
другой стороны снижение энергозатрат позволяет уменьшить себестоимость
производимой продукции, что значительно улучшает её конкурентоспособность.
Энергосбережение на производстве, по сути, сводится к снижению потерь
энергии в потребителях. Учитывая, что, как правило, основными потребителями на
производстве являются электродвигатели, можно сделать вывод, что одной из
приоритетных задач энергосбережения является снижение потерь в электроприводе.
В настоящее время наибольшее распространение получили асинхронные
электродвигатели с короткозамкнутым ротором. Они составляют около 90% всего
парка машин, задействованных на производстве. Такое широкое распространение
объясняется рядом преимуществ асинхронных двигателей, таких как высокая
надежность, низкая стоимость, простота изготовления и эксплуатации.
Очевидно, что значительного повышения энергетической эффективности можно
добиться снижением потерь в электроприводах с асинхронным двигателем.
Анализ ситуации показывает, что основным способом повышения
энергосбережения в электроприводе является внедрение управляемого
электропривода. Традиционно сложилось, что при необходимости управлять
скоростью вращения вала двигателя использовались двигатели постоянного тока.
Асинхронные же двигатели использовались исключительно в нерегулируемом приводе.
Однако развитие силовой электроники и микропроцессорной техники позволило
создать относительно недорогие и достаточно надёжные преобразователи частоты,
способные регулировать скорость асинхронных двигателей. Появление
преобразователей частоты способствовало не только внедрению регулируемого
электропривода в областях, где использовались асинхронные двигатели, но и
значительно потеснило позиции двигателей постоянного тока.
Очевидно, что производительность, качество и себестоимость продукции
зависит от технического уровня, режима работы, условий эксплуатации
электрооборудования, т.е. всех основных показателей, характеризующих
эффективность работы, как отдельных цехов, так и всего предприятия в целом. В
этих условиях успех производственной деятельности инженера-мехатроника
существенно зависит от его готовности к выполнению целого ряда функций,
касающихся грамотной эксплуатации электрооборудования цехов.
Расширение и усложнение выполняемых электроприводом функций, применение в
нем новых средств управления требуют высокого уровня подготовки специалистов,
занятых его проектированием, монтажом, наладкой и эксплуатацией. Они должны
хорошо знать назначение и элементную базу отдельных узлов электропривода, их
свойства и характеристики, уметь разбираться в схемах управления
электропривода, определять его экономические показатели и выбирать его
элементы.
В рамках темы дипломной работы разработан и изготовлен стенд на базе
преобразователя частоты Danfoss.
Выполнение учащимися лабораторных работ на данном стенде является важным
средством более глубокого усвоения и изучения теоретического материала.
Студенты получают необходимые знания о преобразователе частоты, способах и
преимуществах его использования, а так же практические навыки работы с
преобразователем, что, несомненно, пригодится им в дальнейшем.
Также стенд может быть использован для подготовки специалистов.
1. Постановка задачи
Основное назначение стенда - изучение преобразователя частоты Danfoss, его возможностей, характеристик,
режимов работы, программирование. Проведение лабораторных работ для студентов
факультета автоматизации ОмГТУ по учебным курсам «Мехатронные и
робототехнические системы».
В результате проведенного анализа темы дипломной работы, а также с учетом
технических и методических требований можно сформулировать основную задачу
дипломного проекта:
) Стенд должен обеспечивать максимальную наглядность изучаемой темы, для
чего предлагается разработать удобную панель управления.
) Стенд по своим функциональным возможностям должен обеспечивать
проведение 4 лабораторных работ, для чего предусмотреть переключатель рода
работ.
) Управление нагрузкой стенда должно осуществляться как вручную, так и в
автоматическом режиме, с использованием схемы программирования нагрузки.
) Питание стенда осуществляется от источника напряжения 380В, поэтому в
целях повышения безопасности работы со стендом должны быть приняты меры,
исключающие поражение электрическим током.
) Стенд должен иметь возможность подключения к персональному компьютеру с
соответствующим программным обеспечением.
) Стенд должен быть устойчив к механическим вибрациям, которые могут
возникнуть при его эксплуатации.
) Элементной базой стенда должны быть широко распространенные схемы,
электронные компоненты, промышленная автоматика.
Все эти требования должны быть положены в основу разработки
принципиальной электрической схемы, внешнего вида и конструкции стенда данной
дипломной работы.
2. Проектная часть
2.1 Обзор по теме
На начальном этапе проектирования стенда было рассмотрено несколько
стендов на базе преобразователей частоты различных фирм - как российских, так и
зарубежных. В целом эти стенды можно разделить на две группы:
стенды, разработанные фирмой-изготовителем частотного привода;
стенды, разработанные в рамках учебных учреждений и лабораторий.
Первые, в свою очередь, разрабатывались главным образом для промышленных
целей - проверки двигателей, агрегатов и т.п.
Вторые были разработаны непосредственно для выполнения лабораторных
работ, но, к сожалению, не отличались своей функциональностью и имели целый ряд
недостатков. Прежде всего в стендах часто использовался преобразователь частоты
с довольно ограниченным числом функций (более низкой стоимости), часто
использовалась однотипная нагрузка - чаще всего двигатель оснащался
механическим тормозом, так же был вариант с центробежной воздуходувкой,
отражающий лишь частный случай использования частотного привода. Не во всех
стендах была предусмотрена визуализация процессов и характеристик двигателя на
мониторе ПК.
2.2 Назначение и применение преобразователей частоты Danfoss
Частотные преобразователи Danfoss
предназначены для регулирования частоты вращения вала АД в широких пределах.
Фирма Danfoss предлагает широкую линейку моделей,
способных эффективно работать с двигателями от 750 Вт до 600 кВт.
Можно выделить несколько основных типов индустрии народного хозяйства,
где целесообразно применять привод Danfoss в качестве части системы АСУ ТП производства:
Металлургия
Автоматизация прокатного стана, когда возможно осуществлять в
автоматическом режиме:
контроль и корректировку положения проката на стане
ввод данных по химическому составу стали (рецепты)
Автоматизации установки непрерывного литья, когда скорость валиков
на выходе контролируется автоматически.
использование привода от снижает требования к обслуживающему персоналу и
сокращает запас запчастей на складе
совместимость контроллеров упрощает наладку и обслуживание установки
Автоматизированная сварка, когда автоматически производятся:
позиционирование сварочной головки
процесс подачи сварочной проволоки
Автоматизации линии контроля качества конечной продукции, когда
при помощи модернизированного привода можно осуществлять:
регулировку скорости и натяжения проката
автоматическая нарезка и укладка проката
Целлюлозно-Бумажная Промышленность
Автоматизация системы приводов бумагоделательной машины, когда в
автоматическом режиме осуществляются:
оптимизация скорости вращения гуч- и пресс-валов
контроль натяжения полотна
Автоматизация процесса намотки полотна, когда регулируются:
скорость и ускорение подачи полотна
инерция рулона
Автоматизация напорного ящика, когда устанавливаются и
поддерживаются:
уровень целлюлозной массы
мягкий пуск и останов двигателя насоса, что приводит к энергосбережению
системы
Автоматизированная укладка готовых листов, когда обеспечиваются:
тонкая регулировка скорости и аккуратность укладки листов
регулировка высоты штабеля
Автоматизация процесса скоростной резки рулона, когда
обеспечиваются:
регулировка отрезного диаметра с точностью +/- 1 мм
контроль движения и абсолютная точность позиционирования
Производство резины и пластмассы
Автоматизация миксера для резины, когда в автоматическом режиме
осуществляются:
оптимизация движения поршня машины
подсчет и экономия затраченных кВт
Автоматизация экструдера, когда можно получить:
полный момент кручения при максимальной загрузке
быстрое управление и анализ производственного процесса
Автоматизация линии пористой резины, когда возможно:
цифровое управление позволяет задать абсолютно точную скорость
абсолютно точное и безопасное натяжение продукта
Автоматизация линии пластиковой пленки, когда требуется:
аккуратность натяжения пленки при намотке
точное поддержание заданной скорости работы линии
Металлообработка. Станки с ЧПУ
Автоматизация револьверных станков, когда в автоматическом режиме
осуществляются:
высокая точность позиционирования изделия
контроль динамики и скорости обработки поверхности
Автоматизация координатно-расточных станков, когда возможно
достичь:
привод шпинделя осуществляет 4-хмерную обработку изделия за 1 операцию
снижение времени на замену инструментария
Автоматизация токарно-шлифовальных станков, когда устанавливаются:
точность позиционирования детали
прецизионный процесс обработки изделия
Автоматизация фрезерных станков, когда необходимо:
осуществлять контроль над всеми осями вращения
применение энкодера снижает общую стоимость АСУ ТП
Автоматизация штамповочных прессов, когда возможно достичь:
высокая точность позиционирования
снижение времени на замену инструментария
Автоматизация конвейеров, когда устанавливаются:
высокая точность позиционирования
фиксированная скорость перемещения
Водоснабжение
Автоматизация погружного насоса, когда в автоматическом режиме
регулируются:
скорость и давление потока
потребление электроэнергии
Автоматизация установки на орошение, когда возможно осуществить:
подачу воды точно по заданному режиму
автоматическое распределение нагрузки на скважины
Автоматизация канализационной станции, когда требуется:
поддержание постоянного объема подачи кислорода в бак воды
регулировка работы компрессора без энергопотерь.
2.2.1 Насосы с ЧРП
Говоря о водоснабжении, нельзя не коснуться задач повышения давления в
водопроводных сетях. Особенно это актуально для высотных зданий и промышленных
предприятий, где напор в системе должен быть постоянным. Проблема состоит в
том, что обычные станции повышения давления работают без учета суточных
колебаний напора в сети, на максимальной мощности. Энергозатраты при этом очень
велики.
Например, для жилого дома с максимальным потребным расходом 15 м3/ч и
напором 60 м современная станция повышения давления с ЧРП дает экономию
электроэнергии (по сравнению с обычными отечественными установками) около 1-2
кВт на каждый час работы. За год разница достигает 8000-16000 кВт/ч.
Это позволяет быстро окупить первоначальные вложения и снизить общие
затраты. Стоит сказать еще, что за счет частотного регулирования всех насосов
станции автоматически подстраиваются даже под значительные колебания давления
городской сети, что актуально практически для всех крупных городов России.
Все большее распространение получают системы кондиционирования воздуха,
интегрированные в единую систему управления инженерными сетями зданий.
Безусловно, в этом случае очевидно преимущество применения насосов с частотным
регулированием. Они не только позволяют автоматизировать систему
кондиционирования и включить ее в общую сеть контроля, но и оптимизировать
работу всех контуров кондиционирования. При этом экономия электроэнергии может
превышать 60%. Регулируемые насосы рекомендуется устанавливать на всех этапах
процесса. Для наглядности приведем пример системы фанкойлов:
Параметры системы :
Холодопроизводительность 465 кВт
Температура
подающего трубопровода
Температура
обратного трубопровода зоны
Температура
обратного трубопровода
Перекачиваемая
жидкость - вода
Расход
р: при макс.расходе (трубы/2-ходовой клапан) 18м
В
случае, если в систему будет установлен нерегулируемый насос (система с
трехходовым клапаном и регулировочным вентилем), энергопотребление будет
следующим:
Таблица
1 Энергопотребление при использовании нерегулируемого насоса
|
Расход в системе, %
|
Время, ч. в год
|
Потребляемая мощность, кВт
|
Энергопотребление, кВт/ч
|
|
100 Итого:
|
2930 2930
|
7,7 Итого
|
22561 22561
|
Если же в систему установить регулируемый насос, то ситуация будет
выглядеть так:
Таблица 2 Энергопотребление при использовании преобразователя частоты
|
Расход в системе, %
|
Время, ч. в год
|
Потребляемая мощность, кВт
|
Энергопотребление, кВт/ч
|
|
100 75 50 30 Итого:
|
144 288 1056 1442 2930
|
6,1 4,1 2,5 1,5 Итого
|
878 1152 2640 2153 6823
|
Очевидно, что экономия электроэнергии составляет почти 70%. При этом в
систему можно установить двухходовой клапан - это дешевле и избавляет от
необходимости устанавливать регулировочный вентиль. Кроме того, такое решение
ведет к снижению шума в клапанах системы.
Понятно, что при столь значительной разнице в энергопотреблении
изначальная ценовая разница нивелируется уже на начальном этапе эксплуатации,
ведь срок эксплуатации насосов составляет не менее 10-20 лет.
Таким образом, если всерьез задумываться об эффективности и
конкурентности, необходимо с особым вниманием подходить к экономичности
оборудования. Ведь снижение энергопотребления не только ведет к сокращению
текущих затрат, но позволяет быстро окупать приобретенное оборудование,
высвобождая средства для более важных целей.
Приобретение насосов - важный и ответственный момент, и остановиться
следует на устройствах надежных, качественных, созданных с учетом последних
технических и научных достижений.
2.2.2 Применение преобразователей частоты для привода
вентилятора и дымососа
Дутьевые вентиляторы применяются для подачи воздуха на горелки в котлах а
также в качестве дымососа на котле.
В настоящее время на всех агрегатах применяется нерегулируемый
асинхронный электропривод с прямым пуском электродвигателя. Прямой пуск
приводит к значительным перегрузкам на электродвигателях из-за больших и
продолжительных пусковых токов. В зависимости от требований технологического
процесса регулирование расхода воздуха осуществляется изменением положения
заслонок направляющего аппарата электродвигателем в ручном режиме с ЦП
(центрального пульта управления).
Анализ аэродинамической, напорной и характеристики КПД вентилятора
показывает, что в настоящее время дутьевые вентиляторы и дымосос используются
неэффективно. т.е. применяются в части характеристик, имеющих низкий К.П.Д с
большим перерасходом мощности.
Это означает, что для работы агрегата по кривой максимального
К.П.Д.тах=0/82 с приводом от имеющегося асинхронного электродвигателя,
необходимо применить частотно-регулируемый привод.
Сравнение показывает, что КПД вентиляторов при регулируемом
электроприводе должно быть больше, чем при нерегулируемом, в среднем на 15 -
20% (Рис. 1).
Кроме повышения КПД, применение регулируемого привода для вентиляторов
позволяет в ряде случаев упростить конструкцию турбомашин, исключив
направляющий аппарат. Кроме улучшения энергетических характеристик, значительно
изменяются эксплуатационные показатели: увеличивается межремонтный цикл из-за
снижения механических нагрузок и смягчения пусковых режимов, легко выбирается
необходимый технологический режим и обеспечивается параллельная работа вентиляторов.
Рис. 1 - Применение преобразователей частоты для привода вентилятора и
дымососа
1 - нерегулируемый привод (положение лопаток направляющего аппарата 0
град);
- нерегулируемый привод (положение лопаток направляющего аппарата 50
град);
- привод с преобразователем частоты;
- график часовой экономии мощности при соответствующем расходе.
2.2.3 Применение частотно-регулируемого привода в
компрессорных установках
Работа поршневого компрессора существенно отличается от работы механизмов
с вентиляторной характеристикой, так как момент сопротивления на его валу можно
считать постоянным.
Однако производительность компрессора Q м3/мин зависит от числа оборотов
его вала. При регулировании производительности компрессора изменением числа
оборотов его вала изменяется и мощность, потребляемая из сети
электродвигателем, приводящим компрессор в движение. На промышленных
предприятиях достаточно часто требуется регулировать производительность
компрессорных установок за счёт изменения скорости вращения электродвигателя.
Из-за неравномерности потребления сжатого воздуха при работе компрессора
иногда приходится открывать спускной клапан в ресивере компрессора.
Рис. 2 - Применение частотно-регулируемого привода в компрессорных
установках
Применение частотно-регулируемого привода как показано на схеме позволяет
экономить электроэнергию, поддерживая оптимальное давление при оптимальном
расходе сжатого воздуха в системах пневматики.
При применении частотно-регулируемого привода для управления винтовыми
компрессорами можно получить экономию электроэнергии, сравнимую с экономией при
управлении центробежными насосами (до 60%), т.к. характеристика винтового
компрессора близка к характеристике центробежного насоса.
Кроме получения экономии электроэнергии применение частотно-регулируемого
привода дополнительно обеспечивает следующее:
. Снижается износ коммутационной аппаратуры из-за отсутствия больших
пусковых токов при включении двигателя компрессора.
. Оптимизация давления в пневмосети снижает утечки сжатого воздуха.
. Увеличивается срок службы электродвигателя из-за снижения его нагрузки
и отсутствия тяжёлых пусковых режимов.
2.2.4 Эффективность применения регулируемого электропривода
на объектах народного хозяйства
Рис. 3 - Эффективность применения регулируемого электропривода на
объектах народного хозяйства
Таблица 3 Применение регулируемого электропривода на объектах народного
хозяйства
|
Системы водозабора
|
РТС, котельные
|
ЖКХ, объекты социальной
сферы
|
Промышленные предприятия
|
Очистные сооружения,
станции канализационного слива
|
|
Насосные агрегаты
|
Тягодутьевые комплексы,
насосные агрегаты горячего и холодного водоснабжения, насосы отопительные,
питательные, подпиточные, солевые, циркуляционные
|
Системы горячего
водоснабжения, насосы отопительные, циркуляционные, лифтовые механизмы,
вентсистемы
|
Конвейерная техника,
компрессоры, системы вентиляции и кондиционирования, насосы тепло- и
водоснабжения, грузоподъемные механизмы, станочное оборудование
|
Вентиляционные системы,
насосы перекачки, технологические насосы
|
Разработка и внедрение регулируемого электропривода является одним из
самых перспективных и экономически оправданных направлений из всех
энергосберегающих технологий, емкость рынка преобразователей частоты для России
составляет, по оценкам экспертов десятки млн. штук, в том числе несколько сот
тысяч - для систем ЖКХ.
2.3 Принцип работы преобразователей частоты
Существует классификация преобразователей по способу управления
электродвигателем. С этой точки зрения их можно разделить на преобразователи
частоты со скалярным и векторным управлением. Такое деление обусловлено
необходимостью управлять не только частотой на выходе преобразователя, но и
напряжением. Алгоритм вычисления значения напряжения и определяет способ
управления. В преобразователях частоты со скалярным управлением значение
напряжения определяется из зависимости U(f), которая, как
правило, рассчитывается методом линейной интерполяции по нескольким базовым
точкам. Пользователь имеет возможность изменять значения этих точек. Скалярный
способ управления обеспечивает достаточно хорошее качество регулирования, даже
с использованием заводских настроек.
Рис. 4 - Скалярное управление асинхронным электродвигателем
Компанией Danfoss
разработана линейка преобразователей частоты VLT®2800. Привод управляет амплитудой и частотой путем
компенсации нагрузки и скольжения. В VLT®2800 записаны типичные параметры двигателя - автоматическая адаптация
двигателя измеряет сопротивление статора Rs.
Рис. 5 - Скалярное управление с компенсациями
В преобразователях частоты с векторным управлением значение напряжения
рассчитывается методом моделирования процессов, проходящих в асинхронном
двигателе. В этом случае пользователю необходимо задать параметры двигателя.
Очевидно, что этот способ управления позволяет осуществлять более качественное
управление электродвигателем. Однако настройка такого преобразователя частоты
требует более глубоких познаний в области электропривода и электрических машин.
FC301,
VLT5000, VLT6000, VLT8000
- преобразователи частоты на основе векторного управления (прямое управление
амплитудой, углом и частотой вектора напряжения).
Рис. 6 - Векторное управление асинхронным электродвигателем (без обратной
связи)
Рис. 7 - Векторное управление асинхронным электродвигателем (с обратной
связью)
Качество управления двигателем зависит от правильной установки параметров
схемы замещения. В VLT®5000 записаны
типичные параметры двигателя. Автоматическая адаптация двигателя измеряет
активное и реактивное сопротивление статора Rs и Xs.
Рис. 8 - Функциональная схема преобразователя частоты
Rectifier - выпрямитель; ВС-choke
- фильтр; Inrush relay - запускающая цепь; Inverter - инвертор; Driver for IGBT - привод IGBT транзисторов с гальванической изоляцией; Brake - модуль подключения тормозного резистора; Current programming - модуль обратной связи; Inrush driver - привод управления; Power supply - блок питания; Fan driver - модуль привода вентилятора; Aux relay - встроенное реле;
Основу преобразователя составляет трёхфазный инвертор напряжения с
широтно-импульсной модуляцией (ШИМ). Система управления преобразователя
выполнена на базе программируемого микропроцессорного контроллера.
Преобразование постоянного напряжения в трёхфазное переменное осуществляется в
мостовом транзисторном инверторе, собранном на трёх транзисторно-диодных
модулях. Каждый модуль содержит два IGBT-транзистора с шунтирующими обратными диодами. IGBT-транзисторы переключаются многократно в течение
периода выходной частоты в соответствии с ШИМ-алгоритмом микроконтроллера. Алгоритм
ШИМ-управления поддерживает требуемое регулирование частоты и действующего
значения основной гармоники выходного напряжения, обеспечивая при этом
синусоидальность формы тока нагрузки.
Также Danfoss разработал линейку частотных
приводов с прямым управлением моментом. Это серия VLT 5000 FLUX (управление
вектором магнитного потока).
Рис. 9 - Управление вектором магнитного потока
Основная идея заключается в том, что на каждом шаге расчёта определяется
оптимальное состояние инвертора напряжения по значению момента и потока
статора, из системы исключается широтно-импульсный модулятор как отдельное
звено. Система реализует векторное регулирование скорости, математический
аппарат которого основан на дифференциальных уравнениях динамики асинхронного
двигателя и векторных соотношениях. Метод одинаково корректен как для
переходных, так и для установившихся процессов, что существенно повышает
динамический диапазон работы системы, приводит, например, к отсутствию провалов
скорости при скачках нагрузки. Задача контура скорости - задать мгновенное
положение вектора тока, необходимое для поддержания заданной скорости. Задача
контура тока - обеспечить реальное положение и амплитуду вектора тока равными
заданным значениям.
Момент переключения инвертора не привязан к периоду ШИМ, а зависит от
реальной ошибки вектора тока. Определяющим в работе контура является критерий
выбора состояния инвертора при переключениях. Он позволяет минимизировать
частоту переключений инвертора при малой амплитуде ошибки и уменьшить
кратковременно возникающую большую токовую ошибку за минимальное время при
минимальном количестве коммутаций инвертора.
Данный метод управления током имеет существенные преимущества по
сравнению с ШИМ-управлением. Он позволяет строить более скоростные системы,
мгновенно реагирующие на возмущающие воздействия, и одновременно рассеивать
меньше энергии в силовых ключах по сравнению с методом ШИМ.
Отметим, что преобразователь частоты является интеллектуальным
устройством, использующим микроконтроллер достаточно высокой производительности,
поэтому в современном преобразователе имеется ряд дополнительных опций и
расширений, позволяющих создавать несложные системы автоматического управления
без использования контроллеров.
2.4 Обоснование выбора основных составляющих стенда
2.4.1 Преобразователь частоты
электрический стенд преобразователь частота danfoss
Основой лабораторного стенда является преобразователь частоты Danfoss серии VLT 5000, модель 175Z0137. Эта модель рассчитана на работу с двигателями мощностью
до 2,2 кВт. При выборе данного устройства мы руководствовались, прежде всего,
самым широким набором сервисных функций из всех фирм, предлагающих автономные
частотные приводы, поэтому стоимость данного частотного привода немного выше,
чем отечественных и ряда зарубежных фирм.
Преобразователи частоты фирмы Danfoss позволяют осуществлять дистанционное управление через
дискретные и аналоговые входы, что широко используется на современном
производстве. В частотный привод встроен контроллер довольно высокой
производительности, что объясняется широкими возможностями управления (задание
частоты вращения двигателя как в аналоговом, так и в цифровом виде),
возможностью удаленного контроля за режимом работы.
Общие технические данные VLT-5000
Таблица 4 Питающая электросеть (L1, L2, L3)
|
Напряжение питания блоков
380 В
|
3 x 380 ± 10%
|
|
Частота питающей сети
|
48-62 Гц +/- 1 %
|
Таблица 5 Максимальная асимметрия напряжения питания
|
VLT 5004, 380 В
|
± 2,0 % от номинального
питающего напряжения
|
|
Коэффициент активной
мощности (λ)
|
0,90 от номинальной мощности
при номинальной нагрузке
|
|
Коэффициент реактивной
мощности (cos ()
|
около 1 (>0,98)
|
|
Число коммутаций входных
линий L1, L2, L3
|
около 1 раза в минуту
|
Таблица 6 Выходные данные преобразователей VLT (U, V, W)
|
Выходное напряжение
|
0-100 % от напряжения питания
|
|
Выходная частота
преобразователей VLT 5004, 380 В
|
0-132 Гц, 0-1000 Гц
|
|
Номинальное напряжение
электродвигателя, блоки 380 В
|
380 В
|
|
Номинальная частота электродвигателя
|
50/60 Гц
|
|
Число коммутаций на выходе
|
Без ограничения
|
|
Длительность изменения
скорости
|
0,05-3600 с.
|
Таблица 7 Характеристики крутящего момента
|
Пусковой момент, VLT 5004,
380 В
|
160 % в течение 1 мин
|
|
Пусковой момент
|
180 % в течение 0,5 с.
|
|
Крутящий момент при разгоне
|
100%
|
|
Перегрузка по моменту, VLT
5004, 380 В
|
160%
|
|
Крутящий момент при
заторможенном роторе (замкнутый контур)
|
100%
|
Эти характеристики крутящего момента приведены для преобразователя
частоты при высоком уровне перегрузки по моменту (160 %). При нормальном уровне
перегрузки по моменту (110 %) эти значения будут меньше.
Таблица 8 Плата управления, цифровые входы
|
Число программируемых
цифровых входов
|
8
|
|
Номера зажимов
|
16, 17, 18, 19, 27, 29, 32,
33
|
|
Уровень напряжения
|
0-24 В= (положительная
логика PNP)
|
|
Уровень напряжения,
логический ’0’
|
< 5 В=
|
|
Уровень напряжения,
логическая ’1’
|
>10 В=
|
|
Максимальное напряжение на
входе
|
28 В=
|
|
Входное сопротивление, Ri
|
2 кОм
|
|
Время сканирования каждого
входа
|
3 мс
|
Надежная гальваническая развязка: все цифровые входы гальванически
изолированы от питающего напряжения (PELV). Кроме того, цифровые входы могут
быть изолированы от других зажимов платы управления путем подключения внешнего
источника питания 24В= и размыкания выключателя 4.
Таблица 9 Плата управления, аналоговые входы
|
Число программируемых
аналоговых входов напряжения/входов термисторов
|
2
|
|
Номера зажимов
|
53, 54
|
|
Уровень напряжения
|
0 - ±10 В= (масштабируемый)
|
|
Входное сопротивление, Ri
|
10 кОм
|
|
Число программируемых
аналоговых токовых входов
|
1
|
|
Номер зажима
|
60
|
|
Диапазон тока
|
0/4 - ±20 мА
(масштабируемый)
|
|
Входное сопротивление, Ri
|
200 Ом
|
|
Разрешение
|
10 бит + знак
|
|
Точность на входе
|
Допустимая погрешность 1 %
от полной шкалы
|
|
Время сканирования каждого
входа
|
3 мс
|
|
Номер зажима заземления
|
55
|
Надежная гальваническая развязка: все аналоговые входы гальванически
изолированы от питающего напряжения (PELV), как и остальные входы и выходы.
Таблица 10 Плата управления, вход импульсов/энкодера
|
Число входов
импульсов/энкодера
|
4
|
|
Номера зажимов
|
17, 29, 32, 33
|
|
Максимальная частота на
зажиме 17
|
5 кГц
|
|
Максимальная частота на
зажимах 29, 32, 33
|
20 кГц (PNP, открытый
коллектор)
|
|
Максимальная частота на
зажимах 29, 32, 33
|
65 кГц (двухтактный)
|
|
Уровень напряжения
|
0-24 В= (положительная
логика PNP)
|
|
Уровень напряжения,
логический ’0’
|
< 5 В=
|
|
Уровень напряжения,
логическая ’1’
|
>10 В=
|
|
Максимальное напряжение на
входе
|
28 В=
|
|
Входное сопротивление, Ri
|
2 кОм
|
|
Время сканирования каждого
входа
|
3 мс
|
|
Разрешение
|
10 бит + знак
|
|
Точность (100-1 кГц),
зажимы 17, 29, 33
|
Макс. погрешность: 0,5%от
полной шкалы
|
|
Точность (1-5 кГц), зажим
17
|
Макс. погрешность: 0,1%от
полной шкалы
|
|
Точность (1-65 кГц), зажимы
29, 33
|
Макс. погрешность: 0,1%от
полной шкалы
|
Надежная гальваническая развязка: все цифровые входы импульсов/энкодера
гальванически изолированы от питающего напряжения (PELV). Кроме того, входы
импульсов/энкодера могут быть изолированы от других зажимов платы управления
путем подключения внешнего источника питания 24 В= и размыкания выключателя 4.
Таблица 11 Плата управления, цифровые/импульсные и аналоговые выходы
|
Число программируемых
цифровых и аналоговых выходов
|
2
|
|
Номера зажимов
|
42, 45
|
|
Уровень напряжения на
цифровом/импульсном выходе
|
0 - 24 В=
|
|
Минимальная нагрузка
относительно земли (зажим 39) на цифровом/импульсном выходе
|
600 Ом
|
|
Диапазоны частот (цифрового
выхода, используемого в качестве импульсного выхода)
|
0-32 кГц
|
|
Диапазон тока аналогового
выхода
|
0/4 - 20 мА
|
|
Максимальная нагрузка
относительно земли (зажим 39) на аналоговом выходе
|
500 Ом
|
|
Точность аналогового выхода
|
|
Разрешение аналогового
выхода
|
8 бит
|
Надежная гальваническая развязка: Все цифровые и аналоговые выходы
гальванически изолированы от питающего напряжения (PELV), как и остальные входы
и выходы.
Таблица 12 Плата управления, источник питания 24 В=
|
Номера зажимов
|
12, 13
|
|
Макс. нагрузка (защита от
короткого замыкания)
|
200 мА
|
|
Номера зажимов заземления
|
20, 39
|
Надежная гальваническая развязка: Источник питания 24 В= гальванически
изолирован от питающего напряжения (PELV), но имеет тот же потенциал, что и
аналоговые выходы.
Таблица 13 Плата управления, кабель последовательного интерфейса RS 485
|
Номера зажимов
|
68 (TX+, RX+), 69 (TX-,
RX-)
|
Надежная гальваническая развязка: Полная гальваническая развязка.
Таблица 14 Выходы реле
|
Число программируемых
выходов реле
|
2
|
|
Номера зажимов платы
управления
|
4-5 (замыкание)
|
|
Максимальная нагрузка
(перем.ток) на зажимах 4-5 платы управления
|
50 В ~, 1 А, 50 ВА
|
|
Максимальная нагрузка
(пост. ток-1 (IEC 947)) на зажимах 4-5 платы управления
|
75 В =, 1 А, 30 Вт
|
|
Максимальная нагрузка
(пост.ток-1) на зажимах 4-5 платы управления
|
30 В ~, 1 А / 42,5 В =, 1 А
|
|
Номера зажимов, плата
питания
|
1-3 (размыкание), 1-2
(замыкание)
|
|
Максимальная нагрузка
(перем. ток) на зажимах 1-3, 1-2 платы управления
|
240 В ~, 2 А, 60 ВА
|
|
Максимальная нагрузка пост.
тока-1 (IEC 947) на зажимах 1-3, 1-2 платы управления
|
50В пост. ток, 2 А
|
|
Максимальная нагрузка на
зажимах 1-3, 1-2 платы управления
|
24 В =, 10 мА; 24В ~, 100
мА
|
Таблица 15 Зажимы тормозного резистора (только блоки SB и EB)
Таблица 16 Внешний источник питания 24 В =
|
Номера зажимов
|
35, 36
|
|
Диапазон напряжения
|
24 В= ± 15% (не более 37 В=
в течение 10 с.)
|
|
Максимальные пульсации
напряжения
|
2 В =
|
|
Потребляемая мощность
|
15 Вт - 50 Вт (50 Вт во
время пуска в течение 20 мс)
|
|
Предварительный плавкий
предохранитель, мин.
|
6 А
|
Надежная гальваническая развязка: Полная гальваническая развязка, если
внешний источник питания 24 В = также типа PELV.
Таблица 17 Длина кабелей, их поперечное сечение и разъемы
|
Максимальная длина кабеля
электродвигателя (экранированный кабель)
|
150 м
|
|
Максимальная длина кабеля
электродвигателя (неэкранированный кабель)
|
300 м
|
|
Максимальная длина
тормозного кабеля (экранированный кабель)
|
20 м
|
|
Максимальная длина кабеля
разделения нагрузки (экранированный кабель)
|
25 м от преобразователя
частоты до шины постоянного тока
|
|
Максимальное поперечное
сечение кабеля для внешнего источника 24 В= VLT 5004 380В
|
4 мм2/10 AWG
|
|
Максимальное поперечное
сечение кабелей управления
|
1,5 мм2/16 AWG
|
|
Максимальное поперечное
сечение кабеля для последовательной связи
|
1,5 мм2/16 AWG
|
Если необходимо обеспечить соответствие требованиям UL/cUL, должен
использоваться кабель с классом по температуре 60/75 °C
Если не указано иного, должны использоваться кабели с медными или
алюминиевыми проводами.
Таблица 18 Точность отсчета на дисплее (параметры 009-012)
|
Ток электродвигателя при
нагрузке 0-140%
|
Макс. погрешность: ±2,0% от
номинального выходного тока
|
|
Процентное значение
вращающего момента нагрузка -100 - 140 %
|
Макс. погрешность: ± 5% от
номинального значения для электродвигателя
|
|
Выходная мощность, л.с.,
нагрузка 0-90 %
|
Макс. погрешность: ± 5% от
номинальной выходной мощности
|
Таблица 19 Характеристики управления
|
Диапазон частот
|
0 - 1000 Гц
|
|
Разрешение на выходной
частоте
|
± 0,003 Гц
|
|
Время реакции системы
|
3 мс
|
|
Диапазон регулирования скорости
(разомкнутый контур)
|
1:100 относительно
синхронной скорости
|
|
Диапазон регулирования
скорости (замкнутый контур)
|
1:1000 относительно
синхронной скорости
|
|
Точность регулирования
скорости (разомкнутый контур)
|
- < 1500 об/мин: макс.
погрешность ± 7,5 об/мин; - >1500 об/мин: макс. погрешность 0,5% от
фактической скорости;
|
|
Точность регулирования
скорости (замкнутый контур)
|
- < 1500 об/мин: макс.
погрешность ± 1,5 об/мин; - >1500 об/мин: макс. погрешность 0,1% от
фактической скорости;
|
|
Точность регулирования
крутящего момента (разомкнутый контур)
|
- 0-150 об/мин: макс.
погрешность ±20% от номинального момента; - 150-1500 об/мин: макс.
погрешность ±10% от номинального момента; - >1500 об/мин: макс.
погрешность ±20% от номинального момента;
|
|
Точность регулирования
крутящего момента (обратная связь по скорости)
|
макс. погрешность ±5% от
номинального момента;
|
Все характеристики регулирования основаны на использовании 4-полюсного
асинхронного электродвигателя
Таблица 20 Внешние условия
|
Класс защиты корпуса (зависит
от типоразмера по мощности)
|
IP 20
|
|
Испытания на вибрацию
|
0,7 g эфф., 18-1000 Гц,
выборочные испытания. В трех направлениях в течение 2 часов (IEC
68-2-34/35/36)
|
|
Макс. относительная
влажность
|
93 % (IEC 68-2-3) при
хранении/транспортировке
|
|
Макс. относительная
влажность
|
95 % без конденсации (IEC
721-3-3; класс 3K3) при эксплуатации
|
|
Температура окружающей
среды, корпус IP 20 (повышенная перегрузка по моменту 160 %)
|
Не более 45 °C (средняя за
24 часа не более 40 °C)
|
|
Температура окружающей
среды, корпус IP 20 (нормальная перегрузка по моменту 110 %)
|
Не более 40 °C (средняя за
24 часа не более 35 °C)
|
|
Минимальная температура
окружающей среды при работе с номинальными характеристиками
|
0 °C
|
|
Минимальная температура
окружающей среды при работе с пониженными характеристиками
|
10 °C
|
|
Температура при
хранении/транспортировке
|
от -25 до +65/70°C
|
|
Макс. высота над уровнем
моря
|
1000 м
|
|
Применимые стандарты по
ЭМС, излучение
|
EN 61000-6-3, EN 61000-6-4,
EN 61800-3, EN 55011
|
|
Применимые стандарты по
ЭМС, помехозащищенность
|
EN 61000-6-2, EN
61000-4-2, EN 61000-4-3, EN 61000-4-4, EN 61000-4-5, EN 61000-4-6, VDE
0160/1990.12
|
Защита преобразователей частоты серии VLT 5000:
• Электронная
тепловая защита электродвигателя от перегрузки.
• Контроль
температуры радиатора обеспечивает отключение преобразователя частоты при
достижении температуры 90 °C для IP 20. Срабатывание защиты от перегрева может
быть сброшено только тогда, когда температура радиатора упадет ниже 60 °C.
• Преобразователь
частоты защищен от короткого замыкания зажимов электродвигателя U, V, W.
• Преобразователь
частоты защищен от короткого замыкания на землю
зажимов электродвигателя U, V, W.
• Постоянный
контроль напряжения промежуточной схемы обеспечивает отключение преобразователя
частоты, если это напряжение окажется слишком высоким или слишком низким.
• В
случае обрыва фазы электродвигателя преобразователь частоты отключается
(параметр 234 Контроль фазы электродвигателя).
• Если
происходит отказ питания, преобразователь частоты может осуществить
регулируемое торможение.
• В
случае обрыва фазы сети преобразователь частоты отключается, если
электродвигатель нагружен.
2.4.2 Электродвигатель и генератор
На начальном этапе проектирования было решено, что роль нагрузки
двигателя будет выполнять генератор. Был выбран генератор Г-222 от автомобиля
ВАЗ-2101. Генератор Г-222 переменного тока служит для питания потребителей
электрической энергии. Он представляет собой трехфазную синхронную
электрическую машину с электромагнитным возбуждением правого вращения (со стороны
привода). Для преобразования переменного тока в постоянный в генератор встроен
выпрямитель на шести кремниевых диодах. Максимальная сила тока отдачи
генератора (при 14 В и 5000 об/мин) составляет 42 А. Диаметр шкива генератора -
80 мм.
Рис. 10 - Генератор Г-222 (ВАЗ-2101)
Генератор 1. Крышка генератора со стороны контактных колец; 2. Выпрямительный
блок; 3. Болт крепления выпрямительного блока и фазных выводов обмотки статора;
4. Контактные кольца; 5. Контактные кольца; 6. Шарикоподшипник вала ротора со
стороны контактных колец; 7. Вал ротора; 8. Изолирующая втулка; 9. Винт
крепления щеткодержателя; 10. Плюсовой клеммовый болт (вывод "30");
11. Изолирующая втулка контактного болта; 12. Штекер центрального вывода обмотки
статора; 13. Щеткодержатель; 14. Отрицательная щетка; 15. Положительная щетка;
16. Шпилька для крепления генератора к натяжной планке; 17. Крыльчатка шкива;
18. Клювообразный полюсный наконечник ротора со стороны привода; 19. Шкив
привода генератора; 20. Гайка крепления шкива; 21. Дистанционное кольцо
подшипника; 22. Шарикоподшипник вала ротора со стороны привода; 23. Крышка
генератора со стороны привода; 24. Каркас обмотки ротора; 25. Обмотка ротора;
26. Изоляция паза статора; 27. Статор; 28. Клин обмотки статора; 29. Обмотка
статора; 30. Клювообразный полюсный наконечник ротора со стороны контактных
колец; 31. Стяжной болт; 32. Буферная втулка; 33. Втулка; 34. Отрицательный
диод; 35. Изолирующая пластина; 36. Провод фазного вывода обмотки статора; 37.
Положительный диод; 38. Держатель положительных диодов; 39. Изолирующая втулка;
40. Держатель отрицательных диодов.
Выбираем электродвигатель.
Ввиду того, что на двигатель будет установлен модернизированный шкив
коленвала (автомобильный), диаметр которого 150 мм., получается, что
передаточное число клиноременной передачи:
;
То
есть, обороты двигателя должны быть не более:
об/мин;
Но
так как преобразователь частоты выбран на 2,2 кВт, двигатель, мощностью больше
этого значения, также не желательно выбирать.
Окончательно
выбираем двигатель АИР71В4.
Вычерчиваем
эскиз выбранного электродвигателя с указанием его основных характеристик.
Рис.
11 - Электродвигатель АИР71В4
Таблица
21 Электродвигатель АИР71В4
|
Тип двигателя
|
Число полюсов
|
           
|
|
|
|
|
|
|
|
|
|
|
|
|
|
АИР71В
|
4
|
19
|
40
|
272,5
|
8
|
7
|
170
|
90
|
46
|
10
|
112
|
71
|
10
|
188
|
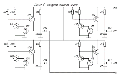
2.4.3 Нагрузка
Разработка модуля силовой части нагрузки
Схема представлена на листе ДП.-2068998-А1-16-00.00.000.Э3 (Силовая часть
нагрузки) графической части работы (Схема 4.). В качестве нагрузки используется
схема, состоящая из трёх групп мощных транзисторов. Используются транзисторы
серий КТ816В (VT2, VT3, VT5, VT6, VT8, VT9, VT11, VT12) и КТ818В (VT1, VT4, VT7, VT10).
Сопротивление резисторов R27-R33 составляет 0,2 Ом.
Сопротивление резисторов R19-R22 - 1 кОм.
Сопротивление резисторов R23-R26 - 160 Ом.
Схема
реализует 3 различных по мощности вида нагрузки, образуя 8 ступеней нагрузки (
).
Первая
ступень - 3,5 А;
Вторая
ступень - 7 А;
Третья
ступень - 14 А.
Так
как схема выделяет большое количество теплоты (рассеивается порядка 300 Вт.),
она установлена на алюминиевом радиаторе 450х125.
Радиатор
охлаждается тремя вентиляторами.
Рис.
12 - Модуль силовой части нагрузки
Рис.
13 - Модуль силовой части нагрузки. Принципиальная схема
Разработка модуля управления нагрузкой
Схема
представлена на листе ДП.-2068.998-А1-16-00.00.000.Э3 (Схема управления
нагрузкой) графической части работы.
Основу
схемы составляет программируемый контроллер АТ89С51-24PI фирмы ATMEL.
Контроллер
имеет 4 порта ввода/вывода общего назначения.
Нулевой
порт также используется для доступа к внешней памяти.
Третий
порт может быть использован как порт ввода/вывода общего назначения или
специального назначения: порт имеет 2 входа внешнего прерывания, 2 входа
прерывания от таймера-счётчика, 2 последовательных входа, вход + выход для
обращения к внешней памяти.
Контроллер
имеет 3 16-битных таймера-счётчика, каждый из которых может работать в одном из
4-х режимов.
Программирование
нагрузки осуществляется помощью клавиатуры SB1-SB12.
На
семисегментные индикаторы DD5-DD12 выводится последовательность работы ступеней
нагрузки, которые можно изменять с клавиатуры.
Схемы
DD3, DD4 предназначены для усиления сигналов с нулевого порта
контроллера.
Прерывание
по нажатию клавиши клавиатуры.
Дребезг
контактов устраняется программным способом.
Таблица
22 Выбор элементов для схемы управления нагрузкой
|
Позиционное обозначение
|
Наименование
|
Количество
|
Примечание
|
|
DD1
|
КР1533ЛИ6
|
1
|
|
|
DD2
|
АТ89С51-24PI
|
1
|
|
|
DD3, DD4
|
КР1533ЛА3
|
2
|
|
|
DD5 - DD12
|
SA56-21
|
8
|
Семисегментный индикатор,
общий анод
|
|
R1
|
С2-33-0,125-10кОм+5%-А-Д-В
|
1
|
|
|
RR1
|
А103J
|
1
|
|
|
C1
|
К50-35-16В-10мкФ+20%
|
1
|
|
|
C2, C3
|
К10-17а-Н50-0,15мкФ+10%В
|
2
|
|
|
C4
|
К10-14а-М47-27пФ+10%-5,0В
|
1
|
|
|
SB1 - SB12
|
AK-804-N-WWB
|
1
|
Клавиатура черная
|
|
BQ1
|
Кварц 12 МГц
|
1
|
корпус HU-49
|
|
VT1 - VT8
|
Транзистор КТ3102ВМ
аА0.336.122 ТУ
|
8
|
|
Модуль позволяет программировать и управлять изменением нагрузки
генератора. Можно задавать различные комбинации нагрузки из 8-ми возможных
ступеней.
Программирование осуществляется с помощью 12-тиклавишной клавиатуры,
входящей в состав модуля. Отображение информации на семисегментных индикаторах
осуществляется динамическим способом.
При включении модуля программа предлагает ввести интервал задержки в
секундах, реализуемой между переключениями ступеней нагрузки. Программа
допускает ввод значения от 1 до 99.
Для подтверждения ввода нужно нажать клавишу «*», для отмены последнего
введенного символа нужно нажать клавишу «#».
Далее задаем алгоритм работы нагрузки - вводим значения ступеней
нагрузки. Программа допускает ввод значений от 1 до 8. Запуск программы работы
нагрузки осуществляется при нажатии клавиши «*».
Нажатие клавиши «#» во время работы программы работы нагрузки приводит к
сбросу программы, и возвращению к установке временного интервала.
При нажатии клавиши «#» во время работы программы работы нагрузки
происходит удержание текущего режима нагрузки до тех пор, пока не будет нажата
клавиша «*». Далее продолжается работа нагрузки по ранее заданному алгоритму.
Программа для микроконтроллера АТ89С51 написана на языке программирования
Ассемблер MCA-51.
Текст программы для контроллера, написанной на ассемблере, приведён в
приложении 2.
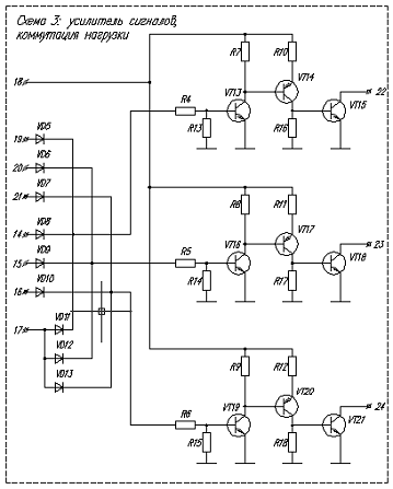
Разработка модуля усиления сигналов и коммутации нагрузки
Схема представлена на листе ДП.-2068998-А1-16-00.00.000.Э3 (Силовая часть
нагрузки) графической части работы (Схема 3.).
Схема представляет собой усилитель сигналов TTL-уровня. Сигналы S1, S2, S3 поступают со схемы управления
нагрузки соответственно на клеммы 19, 20, 21.
Далее, усиленные сигналы с клемм 22, 23, 24 соответственно поступают на
клеммы 27, 28, 29 силовой схемы, включая заданную нагрузку.
Также, в режиме ручного управления нагрузкой, схема коммутирует сигналы,
поступающие с переключателей на клеммы 14, 15, 16, 17.
В схеме используются транзисторы серии КТ3102В (VT13, VT16, VT19), КТ503В (VT14, VT17, VT20), КТ815В (VT15, VT18, VT21).
Диоды VD5 - VD13 серии КД522Б.
Резисторы R4 - R9, R16 - R18
сопротивлением 10кОм.
Резисторы R10 - R12 сопротивлением 1кОм.
Резисторы R13 - R15 сопротивлением 47кОм.
Рис. 14 - Модуль усиления сигналов и коммутации нагрузки. Принципиальная
схема
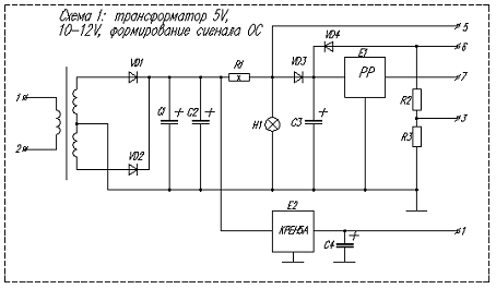
Разработка трансформаторного модуля
Схема представлена на листе ДП.-2068998-А1-16-00.00.000.Э3 (Силовая часть
нагрузки) графической части работы (Схема 1.).
Трансформатор преобразует напряжение 220V в 10-12V. В
свою очередь схема КРЕН5А формирует напряжение 5V (клемма 4). Реле регулятора РР ограничивает напряжение при
оборотах генератора выше 1000 об/мин. до 14V. Выход сигнала обратной связи ОС
осуществляется с клеммы 3.
Рис. 15 - Модуль трансформатора
2.4.4 Проектирование и изготовление печатных плат
В рамках данной дипломной работы изготовлено 4 печатные платы:
Модуль силовой части нагрузки (Схема 4.);
Плата усилителя сигналов и коммутации нагрузки (Схема 3.);
Плата управления нагрузкой (Схема 2.);
Плата индикации (Схема 2.);
Рассмотрим более подробно плату усиления сигналов и коммутации нагрузки.
Шаг координатной сетки равен расстоянию между соседними лапками
большинства элементов - то есть 2,5 мм. Диаметр отверстий - 0,6 мм. Ширина
дорожки - около 1 мм.
Рис. 16 - Плата усилителя сигналов и коммутации нагрузки
Плата изготовлена химичесуим методом.
Рассмотрим более подробно плату управления нагрузкой.
Шаг координатной сетки равен расстоянию между соседними лапками
большинства элементов - то есть 2,5 мм. Диаметр отверстий - 0,6 мм. Ширина
дорожки - около 1 мм.
Рис. 17 - Плата усилителя сигналов и коммутации нагрузки
Плата изготовлена химическим методом.
Сборочный чертеж модуля управления нагрузкой представлен на листе
ДП.-2068998-А1-16-00.00.000.СБ графической части работы.
Плату собирать согласно схеме управления нагрузкой
ДП.-2068998-А1-16-00.00.000.Э3 графической части работы.
Материал печатной платы - стеклотекстолит фольгированный СФ-2-35 ГОСТ
10316-78 .
Используем припой ПОС 61 ГОСТ 21930-76.
Детали устанавливать согласно ОСТ 4ГО.010.030
2.4.5 Выбор устройств управления и сигнализации
При выборе устройств управления и сигнализации (кнопок, переключателей,
потенциометра, сигнальных ламп) мы руководствовались прежде всего качеством
продукции, её стоимостью и удобством использования и монтажа. Поэтому было
решено остановиться на продукции фирмы Schneider Electric.
Выбор переключателей
Рис. 18 - Головка тумблера и корпус кнопки
Головка тумблера с фиксацией ZB5-AD28, 2 положения, цвет - чёрный;
Количество - 16 штук.
Корпус в сборе (фиксирующая пластина +блок-контакт) с клеммными зажимами
под ZB5-AZ105 - 1НО+1НЗ
Выбор кнопки двойной
Рис. 20 - Головка для двойной кнопки и корпус кнопки
- Головка для двойной кнопки ZB5-AA8134 - с двумя потайными толкателями.
Без маркировки. IP40.
Количество - 1 штука.
Корпус в сборе (фиксирующая пластина +блок-контакт) с клеммными зажимами
под ZB5-AZ105 - 1НО+1НЗ
Количество - 1 штука.
Выбор кнопки «грибок»
Рис. 21 - Кнопка с возвратом-поворотом в сборе
Кнопка XB5-AZ102+ZB4-AS54 с возвратом-поворотом в сборе.
Количество - 1 штука.
Выбор сигнальных ламп
Рис. 22 - Головка сигнальной лампы и корпус лампы
Головка ZB5-AV053
Количество - 3 штуки.
Корпус в сборе ZB5-AVM5
Количество - 3 штуки.
Все устройства управления и сигнализации устанавливать с помощью
фиксирующей пластины.
2.4.6 Выбор преобразователя интерфейса
В качестве преобразователя интерфейса RS485/RS232
для связи с персональным компьютером используем ADAM-4521 фирмы Advantech - адресуемый модуль
преобразователя RS-422/485 в RS-232. Имеет встроенный
микропроцессор, автоматический контроль направления передачи данных.
Рис. 23 - Преобразователь интерфейса ADAM-4521
2.4.7 Конструирование рамы
Для
установки на стенд двигателя и генератора, а так же для уменьшения вибрации
конструируем раму. Самый простой и надежный вариант - швеллер
. Длину выбираем 650 мм - чтобы поместился двигатель и
генератор.
Швеллер
устанавливаем так, как показано на сборочном чертеже лабораторного стенда
ДП.-2068.998-А1-16-00.00.000.СБ графической части работы. К швеллеру
привариваем 2 уголка, чтобы зафиксировать раму на стенде болтовыми
соединениями. Также привариваем скобу, на которую будет установлен генератор.
В
швеллере сверлим отверстия для установки на него двигателя и устройства
натяжения генератора.
Рис.
24 - Устройство натяжения генератора
Также
необходимо предусмотреть прорезь в швеллере для свободного вращения шкива
двигателя (клиноременная передача).
3. Технологическая часть
3.1
Монтаж оборудования
3.1.1
Механический монтаж
Прежде всего нужно обратить внимание на требования, которые касаются
комплекта для встраивания и монтажа на месте эксплуатации (см. приведенный ниже
перечень). Необходимо соблюдать требования, приведенные в этом перечне, чтобы
избежать существенного ущерба или травм, особенно при монтаже больших блоков.
Преобразователь частоты должен устанавливаться вертикально.
Охлаждение преобразователя частоты осуществляется путем циркуляции
воздуха. Сверху и снизу корпуса блоков, способных выпускать охлаждающий воздух,
должно предусматриваться минимальное расстояние, как это показано на
приведенном ниже рисунке.
Для защиты блока от перегрева следует обеспечить, чтобы температура
окружающего воздуха не поднималась выше максимальной температуры, установленной
для данного преобразователя частоты, и чтобы не превышалось среднее значение
температуры за 24 часа. Значения максимальной температуры и средней температуры
за 24 часа указаны в Общих технических данных.
Если температура окружающего воздуха находится в пределах от 45 до 55 °C,
характеристики преобразователя частоты соответствующим образом ухудшатся (см.
Ухудшение характеристик при изменении температуры окружающего воздуха).
Если не принять во внимание ухудшение характеристик при изменении
температуры окружающего воздуха, то срок службы преобразователя частоты
уменьшится.
Рис. 25 - Габаритные размеры преобразователя частоты VLT-5004, тип С, IP20
Таблица 23 Габаритные размеры преобразователя частоты
|
Compact IP 20
|
A
|
B
|
C
|
a
|
b
|
ab/bc
|
|
5004-380 В
|
395
|
220
|
160
|
384
|
200
|
100
|
C
|
3.1.2 Установка VLT 5004
Все преобразователи частоты должны устанавливаться таким образом, чтобы
было обеспечено надлежащее охлаждение.
Охлаждение
Рис. 26 - Установка ПЧ
Все блоки Bookstyle и Compact требуют минимального зазора сверху и снизу
корпуса. Для преобразователя частоты VLT-5004 размер d = 100 мм.
Все преобразователи частоты могут монтироваться бок о бок/фланец к фланцу
3.1.3 Электрический монтаж
Если требования ЭМС, касающиеся излучаемых помех, подлежат
удовлетворению, кабель электродвигателя должен быть экранированным, если не
указано что-либо иное для рассматриваемого фильтра радиочастотных помех. Важно,
чтобы кабель к электродвигателю был как можно короче, чтобы уменьшить уровень
помех и свести к минимуму утечки.
Экран кабеля электродвигателя должен быть подсоединен к мет аллическому
корпусу преобразователя частоты и к металлическому корпусу двигателя.
Соединения экрана следует делать с максимально возможной площадью поверхности
(кабельные зажимы). Это можно осуществить с помощью различных монтажных
приспособлений в разных преобразователях частоты.
Следует избегать монтажа свитыми концами экранов (косичками), поскольку
это снижает эффект экранирования на повышенных частотах.
Если необходимо разорвать экран, чтобы установить прерыватель или
контактор для электродвигателя, экран должен быть непрерывным с минимально
возможным полным сопротивлением для высоких частот.
Преобразователь частоты должен быть проверен с кабелем данной длины и
данным поперечным сечением. При увеличении поперечного сечения возрастает
емкость кабеля и, следовательно, токи утечек, поэтому длину кабеля следует
соответственно уменьшать.
При использовании преобразователей частоты вместе с LC-фильтрами,
предназначенными для снижения акустических шумов двигателя, частота коммутации
должна устанавливаться в соответствии с инструкцией к LC-фильтрам в параметре 411.
При установке частоты коммутации выше 3 кГц выходной ток в режиме SFAWM
снижается. Путем изменения параметра 446 в режиме 60° AVM частота, при
которой уменьшается ток, смещается вверх.
Подключение электродвигателя
С преобразователями частоты серии VLT 5000 могут использоваться стандартные
трехфазные асинхронные электродвигатели всех типов.
Рис. 27 - Подключение асинхронного электродвигателя
Небольшие электродвигатели включаются по схеме соединения звездой
(200/400 В, "delta"/Y). Большие электродвигатели включаются по схеме
соединения треугольником (400/690 В, I"/Y).
Направление вращения электродвигателя
Рис. 28 - Подключение электродвигателя по направлению вращения
На заводе устанавливается направление вращения по часовой стрелке, для
чего выход преобразователя частоты включается следующим образом:
Зажим 96 подключается к фазе U
Зажим 97 подключается к фазе V
Зажим 98 подключается к фазе W
Направление вращения электродвигателя можно изменить путем переключения
двух фаз в его кабеле.
Параллельное включение электродвигателей
Рис. 29 - Параллельное включение электродвигателей
Преобразователи частоты могут управлять несколькими электродвигателями,
включенными параллельно. Если электродвигатели должны работать с разными
скоростями вращения, необходимо, чтобы они имели разное номинальное число
оборотов.
Скорости вращения электродвигателей изменяются одновременно, поэтому во
всем диапазоне сохраняется постоянное отношение номинальных чисел оборотов.
Суммарное потребление тока электродвигателями не должно превышать
максимальный номинальный выходной ток IVLT,N преобразователя частоты.
В случае большого различия типоразмеров электродвигателей могут
возникнуть сложности при пуске и на низких скоростях вращения.
Это происходит потому, что сравнительно высокое омическое сопротивление
небольших электродвигателей приводит к повышенному напряжению при пуске и на
небольших скоростях вращения.
В системах с параллельно включенными электродвигателями нельзя
использовать электронное термореле преобразователя частоты для индивидуальной
защиты электродвигателей. Поэтому необходима дополнительная защита
электродвигателей, например включение в каждом электродвигателе термисторов
(или индивидуальных термореле), пригодных для использования с преобразователями
частоты.
Имейте в виду, что длины кабелей для каждого отдельного электродвигателя
должны суммироваться и не должны превышать допустимой длины кабеля для
конкретного электродвигателя.
Электрический монтаж
Когда блок подключен к сети, в преобразователе частоты присутствует
опасное напряжение. Неправильный монтаж электродвигателя или преобразователя
частоты может нанести материальный ущерб, а для человека грозит
серьезными травмами и может привести к смертельному исходу. Поэтому следует
строго выполнять указания этих инструкций, а также национальные и местные
правила и регламентации по технике безопасности.
Прикосновение к электрическим деталям, даже после отключения питания,
опасно для жизни.5004, 380 В: время ожидания не менее 4 минут!!!
Рис. 30 - Электрический монтаж
Кабели управления
Все зажимы кабелей управления находятся под защитной клеммной крышкой
преобразователя частоты. Защитная клеммная крышка (см. рис. 28) может быть
удалена с помощью изображенного на рисунке инструмента - отвертки или подобного
инструмента.
Рис. 31 - Зажимы кабелей управления
После удаления защитной клеммной крышки, можно приступить собственно к
монтажу согласно требованиям ЭМС.
Момент затяжки: 0,5-0,6 м; Размер винтов: M3;
Двухпозиционные микропереключатели 1-4
На плате управления имеется блок двухпозиционных микропереключателей.
Он используется для последовательной связи, зажимы 68 и 69. На рисунке
показана заводская установка микропереключателей.
Рис. 32 - Двухпозиционные микропереключатели
Микропереключатель 1 не используется.
Микропереключатели 2 и 3 используются для коммутации интерфейса
последовательной связи RS 485.
Микропереключатель 4 служит для отделения общего потенциала внутреннего
источника питания 24 В = от внешнего источника 24 В =
Таблица 24 Клеммы кабелей управления
|
№№ клемм
|
|
|
1-3
|
Выход реле, 1+3 размыкание,
1+2 замыкание.
|
|
4, 5
|
Выход реле, 4+5 замыкание.
|
|
12, 13
|
Чтобы подавать на цифровые
входы напряжение питания 24 В =, выключатель 4 на плате управления должен
быть замкнут, состояние "Вкл".
|
|
16-33
|
Цифровые входы/входы
энкодера
|
|
20
|
Заземление для цифровых
входов
|
|
39
|
Заземление для
аналоговых/цифровых выходов
|
|
42, 45
|
Аналоговые/цифровые выходы
для измерения частоты, заданий, тока и крутящего момента
|
|
50
|
Напряжение питания,
подаваемое на потенциометр и термистор - 10 В =
|
|
53, 54
|
Аналоговый вход
контрольного сигнала, напряжение 0 В ±10 В
|
|
55
|
Заземление для аналоговых
входов заданий
|
|
60
|
Аналоговый вход задания,
ток 0/4-20 мA
|
|
61
|
Зажим порта
последовательного интерфейса. Этот зажим обычно не используется.
|
|
68, 69
|
Интерфейс последовательной
связи RS 485.
|
|
91, 92, 93 L1, L2, L3
|
Сетевые клеммы
|
|
96, 97, 98 U, V, W
|
Клеммы двигателя
|
|
96, 97, 98 U, V, W
|
Земляная клемма
|
|
81, 82
|
Зажимы тормозного Резистора
|
|
88, 89
|
Разделение нагрузки
|
Рис. 33 - Электрический монтаж
Входной сигнал по току во вход напряжения:
-20 мA 0-10 В
-20 мA 2-10 В
Подсоединение последовательной связи
Шина последовательной связи в соответствии со стандартом RS 485 (2
провода) подсоединяется к зажимам 68/69 преобразователя частоты (сигналы P и
N). Сигнал P - положительный потенциал (TX+,RX+), а сигнал N - отрицательный
потенциал (TX-,RX-).
Для обеспечения правильного с точки зрения ЭМС электрического
монтажа с учетом положительного опыта работы:
- В качестве кабелей электродвигателей и кабелей управленияследует
использовать только экранированные/армированные кабели в оплетке. Экран должен
покрывать поверхность кабеля не менее чем на 80 %.
Экран должен быть металлическим, обычно из меди, алюминия, стали или
свинца, но может быть изготовлен из других металлов. Специальные требования к
кабелям сетевого питания не предъявляются.
При
монтаже экранированных кабелей нет необходимости применять прочные
металлические кабелепроводы, но кабели к двигателю должны прокладываться в
кабелепроводе отдельно от кабелей управления и сетевых кабелей. Необходимо
полное соединение кабелепровода от блока управления к двигателю. Характеристики
ЭМС гибких кабелепроводов существенно различаются, необходимую информацию можно
получить от изготовителя.
Необходимо подключать экранированную/армированную оплетку/кабелепровод к
земле с обоих концов кабелей двигателей, а также кабелей управления. Иногда нет
возможности присоединить экран на обоих концах. В этих случаях необходимо
подключить экран у преобразователя частоты.
Необходимо
избегать подключения экрана/армированной оболочки свитыми концами (косичками).
Такое подключение увеличивает сопротивление экрана на высоких частотах, и
снижает его эффективность. Пользуйтесь кабельными зажимами с низким
сопротивлением или кабельными сальниками, удовлетворяющими требованиям ЭМС.
Важно
обеспечить надежный электрический контакт между монтажной платой, на которой
смонтирован преобразователь частоты, и металлическим шасси этого
преобразователя.
Для
обеспечения надежного электрического соединения установок со степенью защиты и
IP20 пользуйтесь звездообразными шайбами и проводящими монтажными платами.
По
возможности избегайте применения неэкранированных/неармированных кабелей
управления внутри шкафов, в которые помещается блок (блоки) управления.
На рисунке показан пример правильного с точки зрения ЭМС выполнения
электрического монтажа преобразователя частоты со степенью защиты IP20;
преобразователь установлен в монтажном шкафу с выходным контактором и соединен
с программируемым логическим контроллером ПЛК, который в данном примере установлен
в отдельном шкафу. Другой путь выполнения монтажа с высокими характеристиками в
соответствии с требованиями ЭМС состоит в том, чтобы соблюдать указанные выше
требования, вытекающие из инженерной практики.
Рис. 34 - пример правильного выполнения электрического монтажа
преобразователя частоты со степенью защиты IP20 с точки зрения ЭМС
Использование кабелей, соответствующих требованиям ЭМС
Экранированные/армированные кабели с оплеткой рекомендуются для улучшения
помехозащищенности кабелей управления и защиты от излучения кабелей
электродвигателя в соответствии с требованиями ЭМС.
Помехоустойчивость кабеля электрическим помехам в обоих направлениях
зависит от передаточного полного сопротивления (ZT).
Экран кабеля предназначен для подавления электрических помех; тем не
менее, экран с меньшей величиной передаточного полного сопротивления (ZT) более
эффективен, чем тот, у которого данная величина (ZT) больше.
a)
Алюминиевое покрытие с медным проводом.
b)
Витой медный провод или армированный стальной провод.
c)
Однослойные медные провода с оплеткой с различной (в процентах) площадью
экранирующего покрытия. Типовой кабель, рекомендуемый компанией Danfoss.
d)
Двухслойный медный провод с оплеткой.
e)
Сдвоенный слой медного провода с оплеткой с магнитным
экранированным/армированным промежуточным слоем.
f)
Кабель, проложенный в медной или стальной трубке.
g)
Освинцованный кабель с толщиной стенок 1,1 мм.
Рис. 35 - Использование кабелей, соответствующих требованиям ЭМС
Изготовители кабелей редко указывают величину передаточного полного
сопротивления (ZT), но зачастую эту величину (ZT) можно оценить по физическим
характеристикам кабеля.
Величину передаточного полного сопротивления (ZT) можно определить на
основе следующих факторов:
Проводимость экранирующего материала.
Контактное сопротивление между отдельными экранирующими проводниками.
Размеры экранирующего покрытия, т.е. площадь поверхности кабеля,
защищенной экранирующим покрытием, - часто указывается в процентах.
Тип экрана, т.е. модель с оплеткой или с витой парой.
Заземление кабелей управления
Обычно кабели управления должны иметь экранирующую оплетку и броню, при
этом экран должен с помощью кабельных зажимов на обоих концах присоединяться к
металлическому кожуху блока.
Как правильно заземлять блок и как поступать в случае сомнений,
показывается на приведенном ниже чертеже.
Рис. 36 - Правильное заземление
Правильное заземление
Кабели управления и кабели последовательного интерфейса должны снабжаться
кабельными зажимами на обоих концах, чтобы обеспечить наилучший возможный
электрический контакт.
Неправильное заземление
Не рекомендуется использовать скрученные концы оплетки кабеля, поскольку
это увеличивает импеданс кабеля на высоких частотах.
Защита от высокой разности потенциалов относительно земли
между программируемым логическим контроллером (ПЛК) и преобразователем частоты
Если потенциал преобразователя частоты относительно земли отличается от
такого потенциала ПЛК и других устройств, могут возникнуть электрические
помехи, которые способны расстроить всю систему. Эту неполадку можно устранить
путем подключения к кабелю управления уравнительного кабеля. Макс. поперечное
сечение: 16 мм2.
Для контуров заземления 50/60 Гц
Если используются очень длинные кабели управления, могут возникать
контуры заземления 50/60 Гц. Эта неполадка может быть устранена подключением
одного конца экрана к земле через конденсатор емкостью 100 нФ (короткое
замыкание выводов).
Кабели последовательного интерфейса
Токи низкочастотных помех между двумя преобразователями частоты могут
быть устранены подключением одного конца экрана к зажиму 61. Этот зажим
присоединяется к земле через внутреннюю RC-цепочку. Чтобы уменьшить помеху
между двумя проводниками при дифференциальном включении, рекомендуется
использовать кабели с витыми парами.
3.2 Функциональные возможности стенда
Лабораторный стенд предназначен для проведения лабораторных работ,
связанных с изучением систем современного привода. Стенд, исходя из своих
технических и функциональных возможностей, способен как принимать дискретные и
аналоговые сигналы, так и выдавать их. Комплексное взаимодействие элементов
стенда построено на взаимном обмене аналоговыми и дискретными сигналами, в зависимости
от цели проводимой лабораторной работы. Современное производство базируется на
подобном взаимодействии, что определяет важное значение в лаборатории привода
этих стендов.
Лабораторный стенд построен на базе преобразователя частоты Danfoss серии VLT-5000. Данное устройство является одним из лучших в
своём классе. Привод позволяет управлять асинхронным электродвигателем
частотным методом, причем управление может осуществляться как с использованием
обратной связи, так и без неё. В этом случае в настройки преобразователя
вносятся параметры электродвигателя. Также преобразователь частоты может
автоматически подстраиваться под двигатель, что очень важно, если используется
перемотанный электродвигатель (с искаженным значением его характеристик).
ПЧ обладает рядом защит, обеспечивающих высокую защищенность как самого
преобразователя, так и подключенного к нему двигателя. К числу этих защит
относятся:
защита от перенапряжения во входной цепи,
защита от обрыва одной из выходных фаз,
% защита от короткого замыкания и замыкания на землю,
защита от перегрева радиатора выходных транзисторов,
защита от перегрузки по току,
защита от сбоя в электронной части,
встроенная защита от резонанса,
встроенная термозащита мотора и мн. др.
Защитной реакцией инвертора является остановка с дисплейной индикацией
кода ошибки. Коды ошибок и пути их устранения приведены в инструкции по
эксплуатации.
Лабораторный стенд имеет возможность управления нагрузкой как вручную, с
использованием тумблеров переключения нагрузки и потенциометра, так и с помощью
модуля управления нагрузкой, расположенном на панели управления стендом.
Стенд имеет связь с персональным компьютером посредством интерфейса RS485. С помощью ПК можно отслеживать
изменение характеристик работы стенда, а так же программировать преобразователь
частоты.
4. Экономическая часть
4.1 Расчет затрат на проектирование и изготовление
лабораторного стенда
Процесс принятия инженерных решений предусматривает проведение не только
технических, но и экономических расчетов. Издержки в любом виде деятельности
играют важную роль. Зная их величину, можно оценить, целесообразно ли самой
организации выполнять данную работу или воспользоваться услугами коммерческой
организации, которая специализируется на данном виде деятельности.
4.1.1 Затраты на разработку конструкторской и технологической
документации
При проектировании конструкторской документации следует придерживаться
требований отраслевых и государственных стандартов.
Проектные работы позволяют получить комплект документов, необходимых для
изготовления всего изделия или его оригинальной части. Они могут выполняться в
две взаимосвязанные стадии:
разработка конструкторской документации;
разработка технологической документации.
Особенность типовых норм времени на разработку конструкторской
документации состоит в следующем. Они разработаны:
1) для условий единичного производства;
2) при выполнении чертежей в масштабе 1:1;
) каждая норма установлена для определенного формата чертежа;
) аппликации не используются.
4.1.2 Нормы времени на разработку конструкторских документов
на стадиях проектирования
Таблица 25 Группы сложности сборочных единиц радиотехнических устройств
|
Группа сложности
|
Характеристика группы
сложности
|
|
Стенды и стендовое
оборудование
|
|
2
|
Стенды и стендовое
оборудование с количеством радиоэлементов от 25 до 60 с применением
унифицированных панелей и каркасов. Стенды с небольшим количеством элементов,
но требующие оригинального выполнения
|
Стенд относится к группе сложности 2.
Таблица 26 Нормы времени на разработку конструкторских документов
«Техническое задание», «Техническое предложение» и «Эскизный проект»
|
Наименование документа
|
Единицы измерения
|
Количество
|
Объем трудовых затрат,
чел/ч
|
|
|
|
за един.
|
общий
|
|
Техническое задание
|
А4
|
4
|
3,0
|
12,0
|
|
Техническое предложение
|
А4
|
4
|
4,8
|
19,2
|
|
Пояснительная записка
|
А4
|
15
|
4,1
|
61,5
|
Таблица 27 Нормы времени на разработку конструкторских документов
«Технический проект»
|
Наименование документа
|
Единицы измерения
|
Количество
|
Объем трудовых затрат,
чел/ч
|
|
|
|
за един.
|
общий
|
|
Схема структурная
|
А1
|
1
|
17,92
|
17,92
|
|
Ведомость покупных изделий
|
строка
|
40
|
0,3
|
12
|
|
Пояснительная записка
|
А4
|
20
|
4,3
|
86
|
Таблица 28 Нормы времени на разработку конструкторских документов
«Рабочий проект»
|
Наименование документа
|
Единицы измерения
|
Количество
|
Объем трудовых затрат, чел/ч
|
|
|
|
за един.
|
общий
|
|
Схема электрическая
принципиальная
|
А1
|
3
|
20,56
|
61,68
|
|
Схема электрическая
|
А1
|
1
|
12
|
12
|
|
Сборочный чертёж
|
А1
|
2
|
24,84
|
49,68
|
|
Ведомость спецификаций
|
строка
|
65
|
0,3
|
19,5
|
|
Пояснительная записка
|
А4
|
20
|
4,1
|
82
|
Общая трудоемкость - 340,78 чел/ч.
4.1.3 Распределение трудоемкости
В виду того, что проектированием стенда занимается 1 студент-дипломник, и
что общая трудоемкость сравнительно небольшая, распределение трудоемкости не
производится.
4.1.4 Определение заработной платы
Зная общее время занятости и тарифную ставку проектировщика, определим
тарифный фонд заработной платы:
Определим
величину основной заработной платы:
,
где
- тарифный фонд заработной платы;
-
премия, начисляемая в размере 30% от
;
тогда
4.1.5 Отчисления в социальные фонды
Отчисления на социальные нужды, в общем, составляют 26% от заработной
платы:
В
итоге - затраты на разработку конструкторской и технологической документации
составляют:
4.2 Капитальные затраты на изготовление стенда
Капитальные затраты - это денежные средства на создание новых и
реконструкцию действующих основных фондов. Капитальные затраты складываются из
затрат на приобретение оборудования и приборов, транспортных расходов, затрат
на монтаж. Основанием для составления сметы является: спецификация на
оборудование, прейскуранты цен, ценники на монтаж.
Таблица 29 Смета-спецификация на оборудование
|
Наименование оборудования
|
Единицы измерения
|
Количество
|
Стоимость, руб.
|
|
|
|
за един.
|
общая
|
|
Шкаф электрический
|
шт.
|
1
|
12430
|
12430
|
|
Преобразователь частоты Danfoss VLT 5002
|
шт.
|
1
|
36725
|
36725
|
|
Двигатель АИР71В4
|
шт.
|
1
|
1720
|
1720
|
|
Генератор автомобильный
|
шт.
|
1
|
1520
|
1520
|
|
Рама
|
шт.
|
1
|
2500
|
2500
|
|
Шкив
|
шт.
|
1
|
180
|
180
|
|
Ремень клиновой
|
шт.
|
1
|
30
|
30
|
|
Электротехническое
оборудование (кнопки, контакторы, светодиоды, автомат и т.п.)
|
комплект
|
1
|
9980
|
9980
|
|
Микросхема управления
нагрузкой (в сборе)
|
шт.
|
1
|
620
|
620
|
|
Силовая схема (в сборе)
|
шт.
|
1
|
2440
|
2440
|
|
Преобразователь интерфейса RS485/232
|
шт.
|
1
|
2670
|
|
Потенциометр
|
шт.
|
1
|
80
|
80
|
|
Амперметр
|
шт.
|
3
|
300
|
900
|
|
Вольтметр
|
шт.
|
3
|
320
|
960
|
|
Кабель силовой
|
м.
|
5
|
8
|
40
|
|
Кабель монтажный
|
м.
|
20
|
7
|
140
|
|
Итого стоимость
оборудования составляет 72935р.
|
|
Транспортные расходы 7,5%
от стоимости оборудования
|
72935*7,5 / 100=
|
5470,13
|
|
Строительно-монтажные
работы 10% от стоимости оборудования (СМР)
|
72935*10 / 100=
|
7293,50
|
|
Накладные расходы, 21% от
СМР (НР)
|
7293,5*21 / 100=
|
1531,64
|
|
Плановые накопления 8% от
суммы СМР и НР
|
(7293,5+1531,64)*8
/ 100=
|
706,01
|
|
Стоимость капитальных
затрат на оборудование
|
5470,13+7293,50+1531,64+706,01=
|
15001,28
|
|
Итого стоимость капитальных
затрат: 87936,28 руб.
|
4.2.1 Амортизационные отчисления
где
К- капитальные затраты;
Н-норма
амортизационных отчислений (Н=12%)
4.2.2
Затраты на эксплуатацию и текущий ремонт
где
Нр- норма отчислений на эксплуатацию и текущий ремонт, Нр
составляет 6% от стоимости оборудования (Нр=6%)
По производственным расчетам капитальные затраты на
разработку и внедрение стендов для лаборатории электропривода составили
87936,28 руб.
Эксплуатационные расходы при работе со стендом составят 5276,17 руб.
4.3 Затраты на разработку программного обеспечения
Программное обеспечение для управления преобразователем частоты и
отслеживания необходимых характеристик с ПК поставляется вместе с
преобразователем частоты фирмы Danfoss,
т.е. входит в стоимость оборудования.
Стоимость программирования микроконтроллера ATMEL, который управляет работой нагрузки, заложена в
стоимость микросхемы.
5. Охрана труда
5.1 Анализ опасных и вредных производственных факторов при
работе студента на учебно-лабораторном стенде
В данном разделе дипломного проекта рассматриваются условия безопасной
работы студента при работе на стенде.
Эксплуатация стенда осуществляется студентами, ответственным
преподавателем, заведующим лабораторией.
В обязанности лиц, осуществляющих эксплуатацию, входит:
- пуск, остановка, программирование и поддержание оптимального
режима работы стенда;
- обслуживание всего оборудования стенда;
- тщательная проверка состояния стенда при начале и окончании
работ;
- соблюдение правил безопасной эксплуатации, пожарной
безопасности;
- принятие мер по предотвращению аварий и пожаров;
- своевременное сообщение о пожаре или несчастном случае
администрации, ответственному дежурному и пожарной помощи по телефону 01;
- содержание обслуживаемого оборудования и помещений в чистоте
и порядке.
На студентов в процессе эксплуатации стенда действуют следующие
производственные факторы:
- отсутствие или недостаток естественного света;
- повышенное значение напряжения электрической цепи, замыкание
которой может произойти через тело человека;
- повышенная напряженность трудового процесса;
- повышенный уровень шума на рабочем месте;
- повышенный уровень вибрации на рабочем месте;
Неблагоприятные климатические условия рабочей зоны
В аудитории устанавливается микроклимат, который определяется
температурой, влажностью и скоростью движения воздуха, а также тепловым
излучением от нагретого оборудования и материалов, используемых при
эксплуатации стенда.
От микроклимата рабочей зоны в значительной мере зависят самочувствие и
работоспособность студентов, выполняющих лабораторные работы. При оптимальных
для человека условиях от него отводится столько теплоты, сколько вырабатывает
его организм. Значительные отклонения параметров воздушной среды от оптимальных
приводят к резкому изменению теплового баланса организма и нарушают его
физиологические функции: терморегуляцию, обмен веществ, работу
сердечно-сосудистой и нервной систем.
В соответствии с требованиями СанПиН 2.2.4.548-96 работа студента на
лабораторном стенде относится к категории работ Iа с интенсивностью энергозатрат до 139 Вт, связанные с
наблюдением за измерительными приборами в положении стоя или сидя, работой с
ПК.
Оптимальные величины показателей микроклимата на рабочих местах приведены
в таблице 30, в таблице 31 - допустимые величины показателей микроклимата на
рабочих местах для категории Iа.
Таблица 30 (СанПиН 2.2.4.548-96) Оптимальные величины показателей
микроклимата на рабочих местах
|
Период года
|
Категория работ по уровню
энергозатрат, Вт
|
Температура воздуха, °С
|
Температура поверхностей, °С
|
Относительная влажность
воздуха, %
|
Скорость движения воздуха,
м/с
|
|
Холодный
|
Iа (до 139)
|
22-24
|
21-25
|
60-40
|
0,1
|
|
Теплый
|
|
23-25
|
22-26
|
60-40
|
0,1
|
Таблица 31 (СанПиН 2.2.4.548-96) Допустимые величины показателей
микроклимата на рабочих местах для категории Iа
|
Период года
|
Температура воздуха, 0С.
|
Температура поверхностей, 0С.
|
Относительная влажность
воздуха, %
|
Скорость движения воздуха,
м/с
|
|
Холодный
|
20,0-24,9
|
24,9-25,0
|
15-75
|
0,1
|
|
Теплый
|
21,0-22,9
|
25,1-28,0
|
15-75
|
0,1-0,2
|
Недостаточная освещенность, отсутствие или недостаток
естественного света
Рациональное освещение повышает безопасность работы, способствует росту
производительности труда и улучшению качества работы. Недостаточнее или
неправильное освещение рабочих мест и зон, слепящее действие источников света,
резкие тени от предметов и оборудования приводят к преждевременному утомлению и
росту травматизма.
Освещение в аудитории, где установлен стенд, применяется как
естественное, так и искусственное.
Естественное освещение. В аудитории применяется боковое естественное
освещение - через окна в наружных стенах. Благоприятные условия для зрительной
работы создают при поддержании освещенности в помещениях не ниже определенных
норм.
Искусственное освещение. Система искусственного освещения может быть общей или
комбинированной.
Для общего освещения используем газоразрядные источники света.
Нормы естественного и искусственного освещения для рабочего места
учащегося в соответствии с требованиями СНиП 23.05-95 приведены в таблице 32.
Таблица 32 (СНиП 23.05-95) Нормы естественного и искусственного освещения
для рабочего места учащегося
|
Характер зрительной работы
|
Разряд зрительной работы
|
Под-разряд зрительной
работы
|
Искусственное освещение,
освещённость при системе общего освещения
|
Сочетание нормируемых величин
показателя ослепленности и коэффициента пульсации
|
При боковом освещении
|
|
|
|
|
|
КЕО ен, %
|
|
|
|
|
Р
|
Кп, %
|
Естественное
|
Совмещённое
|
|
Общее наблюдение за ходом
производственного процесса
|
V
|
б
|
200
|
40
|
20
|
1
|
0,6
|
Повышенный уровень шума в производственных помещениях
Производственный шум представляет собой сочетание беспорядочных
неприятных для восприятия звуков различной интенсивности и частоты.
Орган слуха человека воспринимает звуковые волны с частотой от 16 до 20
000 Гц.
Характеристика А имитирует кривую чувствительности уха человека и
позволяет проводить ориентировочную оценку «вредности» шума.
Для ориентировочной оценки постоянного шума допускается применение уровня
звука, измеряемого по шкале А шумомера (дБА).
Нормируемой характеристикой непостоянного шума является эквивалентный (по
энергии) уровень звука, определяемый расчетом.
В таблице 33 приведены предельно допустимые уровни звукового давления,
уровни звука и эквивалентные уровни звука в октавных полосах для студентов,
выполняющих лабораторные работы на стенде.
Таблица 33 (СН 2.2.4/2.1.8.562-96) Предельно допустимые уровни звукового
давления
|
Уровни звукового давления в
октавных полосах со среднегеометрическими частотами, Гц
|
Уровни звука и
эквивалентные уровни звука, дБА
|
|
31,5
|
63
|
125
|
250
|
500
|
1000
|
2000
|
4000
|
8000
|
|
|
93
|
79
|
70
|
68
|
58
|
55
|
52
|
52
|
49
|
60
|
Повышенное значение напряжения электрической цепи, замыкание
которой может произойти через тело человека
Напряжение электрической цепи лабораторного стенда - 380 Вольт.
Электрический ток может нанести человеку травму при прямом прохождении
через тело, а так же другими видами энергии, в которые превращается
электричество.
Защиту от поражения электрическим током рассчитывают по его предельно
допустимому значению. Допустимым считается ток, при котором человек может самостоятельно
освободиться от электрической цепи. В зависимости от назначения установки,
режима ее работы, частоты тока, длительности воздействия его на человека
установлены значения предельно допустимого тока.
Напряжения прикосновения и токи, протекающие через тело человека при
нормальном (неаварийном) режиме электроустановки, не должны превышать значений,
указанных в таблице 34.
Таблица 34 (ГОСТ 12.1.038-82)
Допустимые напряжения прикосновения и токи, протекающие через тело человека
|
Род тока
|
U, В
|
I, мА
|
|
не более
|
|
Переменный, 50 Гц
|
2,0
|
0,3
|
|
Переменный, 400 Гц
|
3,0
|
0,4
|
|
Постоянный
|
8,0
|
1,0
|
Предельно допустимые значения напряжений прикосновения и токов при
аварийном режиме бытовых электроустановок напряжением до 1000 В и частотой 50
Гц не должны превышать значений, указанных в таблице 35.
Таблица 35 (ГОСТ 12.1.038-82) Предельно допустимые значения напряжений
прикосновения и токов при аварийном режиме
|
Продолжительность
|
Нормируемая величина
|
|
воздействия t, с
|
U, B
|
I, мА
|
|
0,1
|
340
|
400
|
Нервно-психические перегрузки
Характер и организация трудовой деятельности оказывают существенное
воздействие на изменение функционального состояния организма человека.
Нервно-психическое утомление приводит к снижению
трудоспособности из-за нарушений центральной нервной регуляции. Среди типичных
симптомов следует отметить замедленную передачу информации, ухудшение
мыслительных функций и процессов решения задач, ослабление сенсорного
восприятия и сенсомоторной функции. Такое утомление сочетается с отвращением к
работе и сниженной работоспособностью, иногда при этом возникает склонность к
депрессии, беспричинной тревоге или пониженной активности, а также
раздражительность и эмоциональная лабильность.
5.2 Меры по снижению и устранению опасных и вредных факторов
Меры по созданию и поддержанию оптимальных микроклиматических
условий
К таким мерам относятся системы вентиляции, отопления и кондиционирования
воздуха.
Вентиляция. В рамках данной дипломной работы, ввиду того, что стенд
будет находиться во включенном состоянии не более 1-2 часов в день, а так же
ввиду отсутствия опасности выделения вредных, пожаро- и взрывоопасных паров и
газов, будет применяться только естественная вентиляция. Рекомендуется в
перерывах между занятиями проветривать аудиторию.
Отопление. Для поддержания в холодный период года заданной температуры
воздуха аудитория должна быть оборудована системами отопления, которые
проектируют из условий совместного их действия с вентиляцией. Основными
санитарно-гигиеническими требованиями к системам отопления являются равномерное
нагревание воздуха помещений, минимальное загрязнение вредными выделениями и
неприятными запахами воздуха помещений и атмосферного воздуха.
В аудитории имеется центральное водяное отопление, разработанное по
стандартам для учебных заведений.
Кондиционирование воздуха. Проветривание.
Меры по созданию достаточного освещения
Естественное освещение обеспечивается наличием в аудитории окон.
Для искусственного освещения используют лампы накаливания и газоразрядные
лампы.
Источники света помещают в осветительные приборы (светильники), которые
обеспечивают необходимое направление светового потока, защищают глаза от
слепящего действия ламп. В аудитории применяются светильники рассеянного света.
При установке светильников необходимо обеспечить равномерность освещения,
устранить резкие тени, ослабить прямую и отраженную блесткость.
Также рекомендуемо оборудовать стенд местным освещением.
Методы и средства защиты от шума и вибрации
При эксплуатации стенда наблюдается повышенный уровень шума
(электродвигатель).
Вследствие того, что стенд во включенном состоянии находится сравнительно
небольшое количество времени, и т.к. уровень шума соответствует нормам СН
2.2.4/2.1.8.562-96, звукоизоляция не применяется.
Виброизоляцию осуществляют, применяя виброизолирующие опоры и упругие
прокладки, выполняя конструкционные разрывы между источником вибрации и
строительными конструкциями.
Упругие прокладки (платики) для электродвигателя изготавливаем из резины.
Защитные меры от поражения электрическим током
Защита от поражения электрическим током осуществляется путем нанесения
изоляции на токонесущие части, устройством заземления, зануления и защитного
отключения. В электроустановках с напряжением до 1000 В сопротивление изоляции
должно быть не менее 0,5 МОм.
Заземление. Цель защитного заземления - создать надежный электрический
контакт между металлическими, нетоконесущими частями электроустановок и землей.
Зануление. Соединение металлических частей электроустановки, не
находящихся под током, с заземленным нулевым проводом называют занулением. Его
применяют в четырехпроводных электрических цепях с наглухо заземленным
нейтральным проводом. В цепи нулевого провода, используемого в качестве цепи
заземления, не разрешается установка предохранителей и разъединяющих устройств.
При появлении напряжения на корпусе установки происходит короткое
замыкание в электрической цепи, в результате чего срабатывает автомат токовой
защиты или сгорают плавкие предохранители.
Защитное отключение. Систему защиты, автоматически отключающей электроустановку
от сети при возникновении опасности поражения человека электрическим током,
называют защитным отключением. При возникновении напряжения на корпусе
электродвигателя получает питание катушка электромагнитного реле, ее сердечник
втягивается, и размыкается электрическая цепь, питающая электродвигатель.
|
Расчёт защитного
заземления лабораторного стенда
|
|
|
1. Общие сведения
|
|
|
|
|
|
|
Безопасность персонала,
обслуживающего электрические установки,
|
|
зависит от правильного
выполнения заземляющих устройств.
|
|
|
Защитным заземлением называется
соединение корпуса оборудо-
|
|
вания с заземляющим
устройством.
|
|
|
|
|
|
Такая система защиты
применяется в сетях с ИНТ трансформатора.
|
|
В сетях с заземлённой
нейтральной точкой(ЗНТ) применяют зануле-
|
|
ние корпуса оборудования, а
нулевой провод заземляется. Заземляю-
|
|
щее устройство состоит из
металлических труб или угольников, заби-
|
|
ваемых в землю на глубину
2-3м, соединённых полосой на сварке.
|
|
Заземлители распологают
вблизи поверхности земли, либо на глуби-
|
|
не, что обеспечивает стабильность
сопротивления заземления.
|
|
|
Заземление для установок
до 1000В выполняют как выносное рядное,
|
|
выносное замкнутое или
контурное.
|
|
|
|
|
|
Сопротивление заземляющего
устройства зависит от длины, распо-
|
|
ложения и количества
заземлителей, удельного сопротивления грунта,
|
|
которое определяется видом
грунта и климатическими факторами.
|
|
Допустимое сопротивление
заземляющего устройства в установках
|
|
до 1000В составляет 4 Ом.
|
|
|
|
|
|
|
Сопротивление растеканию
тока одиночного заземлителя:
|
|
|
Заземлитель
|
Величина сопротивления Rо,
Ом
|
Схема
|
|
Труба, угольник у
|
|
|
|
|
|
|
|
|
поверхности земли
|
|
|
|
|
|
|
|
|
Труба, угольник на
|
|
|
|
|
|
|
|
|
глубине
|
|
|
|
|
|
|
|
|
|
Взаимное экранирование
электродов системы заземления учитывается
|
|
коэффициентом
использования заземлителей
|
|
, а необходи-
|
|
мое число
электродов-заземлителей определяется зависимостью:
|
|
|
|
|
|
|
|
|
|
|
|
|
|
|
|
|
|
|
|
|
|
|
где
|
R - общее сопротивление
заземляющего устройства, Ом.
|
|
По программе расчёт
заземления выполняется для двух видов грунта:
|
|
суглинок с удельным
сопротивление 80 Ом*м;
|
|
|
|
песок с удельным
сопротивлением 120 Ом*м.
|
|
|
|
При выборе системы
заземления учитывается ценовой балл.
|
|
|
|
|
|
|
|
|
|
|
|
|
|
|
|
|
|
|
|
|
2. Программа расчёта
заземления технологического
|
|
оборудования
|
|
|
|
|
|
|
|
|
|
|
|
|
|
|
|
2.1. Исходные данные
|
|
|
|
|
|
|
|
|
|
|
|
|
|
|
|
Допустимое сопротивление
заземления [Rз] = 4 Ом
|
4
|
|
|
Наименование грунта
|
|
|
|
|
суглинок
|
|
|
Табличное удельное
сопротивление грунта, Ом*м
|
80
|
|
|
Климатический коэффициент
(1,2-1,3)
|
|
|
1,2
|
|
|
Длина заземлителя (2-3м)
|
|
|
|
3
|
|
|
Диаметр заземлителя или
размер уголка (0,045-0,06м)
|
0,06
|
|
|
Величина заглубления
электродов (0,5-0,7м)
|
|
0,7
|
|
|
Ширина соединительной
полосы (0,05-0,1м)
|
|
0,1
|
|
|
|
2.2. Расчёт защитного
заземления
|
|
|
|
|
Расположение электрода
|
|
Заземлитель
|
Заземлитель
|
|
|
заземлителя
|
|
- на глубине
|
- у поверхности
|
|
Сопротивление одиночного
электрода Rо, Ом
|
25,2
|
26,9
|
|
|
Заземление выносное
(рядное)
|
|
|
|
|
|
Длина соединительной
полосы, м
|
|
15,9
|
17,3
|
|
|
Расстояние между
заземлителями а (а/l = 1), м
|
3
|
3
|
|
|
Необходимое число
заземлителей n
|
|
6
|
6
|
|
|
Ценовой балл заземляющего
устройства
|
|
|
|
|
(электроды - трубы)
|
|
|
|
56
|
26
|
|
|
Ценовой балл заземляющего
устройства
|
|
|
|
|
(электроды - угольники)
|
|
|
52
|
22
|
|
|
Заземление контурное или
выносное замкнутое
|
|
|
|
Длина соединительной
полосы, м
|
|
26,3
|
27,8
|
|
|
Расстояние между
заземлителями а (а/l = 1), м
|
3
|
3
|
|
|
Необходимое число
заземлителей n
|
|
8
|
9
|
|
|
Ценовой балл заземляющего
устройства
|
|
|
|
|
(электроды - трубы)
|
|
|
|
86
|
34
|
|
|
Ценовой балл заземляющего
устройства
|
|
|
|
|
(электроды - угольники)
|
|
|
81
|
30
|
|
|
|
|
|
|
|
|
|
|
|
|
|
|
|
|
|
|
|
|
3. Расчёт заземления
технологического оборудования
|
|
|
|
Наименование грунта
|
|
|
|
|
песок
|
|
|
Табличное удельное
сопротивление грунта, Ом*м
|
|
|
120
|
|
|
Заземление выносное
(рядное)
|
|
|
|
|
|
Длина соединительной
полосы, м
|
|
34,5
|
37,4
|
|
|
Расстояние между
заземлителями а (а/l = 1), м
|
3
|
3
|
|
|
Необходимое число
заземлителей n
|
|
12
|
13
|
|
|
Ценовой балл заземляющего
устройства
|
|
|
|
|
(электроды - трубы)
|
|
|
|
117
|
51
|
|
|
Ценовой балл заземляющего
устройства
|
|
|
|
|
(электроды - угольники)
|
|
|
109
|
44
|
|
|
Заземление контурное или
выносное замкнутое
|
|
|
|
Длина соединительной
полосы, м
|
|
45,9
|
48,8
|
|
|
Расстояние между
заземлителями а (а/l = 1), м
|
3
|
3
|
|
|
Необходимое число
заземлителей n
|
|
15
|
16
|
|
|
Ценовой балл заземляющего
устройства
|
|
|
|
|
(электроды - трубы)
|
|
|
|
151
|
60
|
|
|
Ценовой балл заземляющего
устройства
|
|
|
|
|
(электроды - угольники)
|
|
|
142
|
53
|
|
|
|
|
|
|
|
|
|
|
|
Выбор заземляющего
устройства
|
|
|
|
|
|
|
|
|
|
|
|
|
|
Расположение заземлителей
|
|
|
у поверхности
|
|
(на глубине или у
поверхности)
|
|
|
|
|
|
|
Вид заземляющего устройства
|
|
|
выносное рядное
|
|
(выносное рядное, выносное
замкнутое, контурное)
|
|
|
|
|
Исполнение
заземлителей-электродов
|
|
угольники
|
|
(трубы, угольники)
|
|
|
|
|
|
|
|
Конструктивные
характеристики
|
Удельное сопротивление
грунта, Ом*м
|
|
80
|
120
|
|
Длина соединительной
полосы, м
|
|
17,3
|
37,4
|
|
Расстояние между
заземлителями,м
|
|
3
|
3
|
|
Необходимое число
заземлителей n
|
|
6
|
13
|
|
|
|
|
|
|
|
|
|
|
|
|
|
|
|
|
|
|
|
|
|
|
|
|
|
|
|
|
|
|
|
|
|
|
|
|
|
|
|
|
|
|
|
|
|
|
|
|
|
|
|
|
|
|
|
|
|
|
|
|
|
|
|
|
|
|
|
|
|
|
|
|
|
|
|
|
|
|
|
|
|
|
|
|
|
|
|
|
|
|
|
|
|
|
|
|
|
|
|
|
|
|
|
|
|
|
|
|
|
|
|
|
|
|
|
|
|
|
|
Пожарная безопасность
В соответствии с нормами НПБ 105-95г. аудитория, в которой установлен
учебно-лабораторный стенд, относится к взрывопожарным помещениям категории В4.
В составе стенда имеются твердые пожароопасные горючие и трудногорючие вещества
и материалы.
Рекомендуется иметь в аудитории огнетушитель!
Заключение
Основное назначение стенда - изучение преобразователя
частоты Danfoss, его возможностей, характеристик,
режимов работы, программирование, изучение теории управления асинхронными
электродвигателями.
Стенд имеет возможность эмулировать работу конвейера,
насоса.
Знакомство со стендом позволяет получить навыки работы
с преобразователями частоты и другими тонкостями промышленной автоматизации.
Разработанный в рамках данной дипломной работы стенд
полностью отвечает поставленным на этапе проектирования задачам:
Стенд должен обеспечивает максимальную наглядность
изучаемой темы,
Стенд по своим функциональным возможностям должен
обеспечивть
проведение 4-х лабораторных работ,
Управление нагрузкой стенда осуществляется как
вручную, так и в
автоматическом режиме, с использованием схемы
программирования нагрузки.
Приняты меры, исключающие поражение электрическим
током.
Стенд имеет возможность подключения к персональному
компьютеру с соответствующим программным обеспечением.
Стенд устойчив к механическим вибрациям.
В дальнейшем лабораторный стенд можно
усовершенствовать и расширить ещё несколькими лабораторными работами. Так
установив ещё один электродвигатель с инерционной нагрузкой на валу и тормозной
резистор для преобразователя частоты можно исследовать работу преобразователя
частоты в режиме управления несколькими электродвигателями и режим торможения
преобразователя частоты. Установив дополнительно энкодер можно осуществить
регулирование скорости и момента с использованием внешней обратной связи по
скорости.
Также в стенд вмонтированы дополнительные вольтметры и
амперметры и 4 дополнительных тумблера в сборе Schneider Electric ZB5-AD28+ZB5-AZ105, которые можно будет использовать при дальнейшей
модернизации стенда.
По производственным расчетам капитальные затраты на
разработку и внедрение стендов для лаборатории электропривода составили
87936,28 руб.
Эксплуатационные расходы при работе со стендом составят 5276,17 руб.