Проблема снижения выбросов соединений серы с дымовыми газами ТЭС и методы ее решения
Содержание
Введение
.Проблела снижения
выбросов соединений серы с дымовыми газами ТЭС и методы ее решения
Заключение
Список
использованной литературы
Введение
Важность последовательного
проведения в жизнь экологической политики на ТЭС обусловлена масштабом
энергопроизводства крупнейшей энергосистемы мира и ее ролью в экономике
Российской Федерации. Электроэнергетика занимает третье место в промышленности
по выбросам загрязняющих веществ от стационарных источников. Решение
экологических проблем тепловой энергетики во многих случаях обусловливается
решением их на национальном уровне. Возможность выполнения практически всех
международных соглашений, касающихся охраны окружающей среды при производстве
энергии, подписанных Россией, в значительной степени зависит от того, насколько
успешно реализуется принятая РАО «ЕЭС России» экологическая политика.
Поставленная РАО «ЕЭС России»
задача гармонизации экологического законодательства России с законодательством
Европейского Союза (ЕС) для энергетических предприятий является ответственным
шагом на пути решения экологических проблем отрасли.
Технологическое регулирование
выбросов загрязняющих веществ в атмосферу, задачей которого является
обеспечение более жестких требований по выбросам, чем санитарно-гигиенические нормативы,
вводилось в развитых странах после того, как были выполнены нормы по качеству
воздуха. Однако предельно допустимые концентрации (ПДК) загрязняющих веществ в
атмосферном воздухе, принятые в этих странах, в некоторых случаях значительно
выше, чем в России. Поэтому на первой стадии гармонизации экологического
законодательства необходимо с привлечением специалистов Министерства
здравоохранения и социального развития Российской Федерации рассмотреть
возможность пересмотра санитарно-гигиенических нормативов.
В сфере экологической
деятельности ТЭС требуется разработать концептуальный подход к расчету
предельно допустимых сбросов (ПДС) загрязняющих веществ в водные объекты с
учетом регионально установленных ПДК и фонового уровня содержания компонентов в
воде незагрязненных источников. Это позволит на ТЭС перейти к самостоятельному
расчету ПДС системы водопользования на основе регионально адаптированных ПДК и
фоновых особенностей эксплуатируемых водных экосистем и правильно
сформулировать направления деятельности для обеспечения экологической
безопасности эксплуатируемых водных объектов. Также требует пересмотра методика
определения класса опасности золошлаковых отходов ТЭС, которые согласно
результатам исследований ведущих медицинских организаций не относятся к
токсичным.
Поскольку в России в
законодательном порядке уже введено нормирование выбросов загрязняющих веществ
в атмосферу для вновь вводимого оборудования с учетом технических нормативов,
необходимо разработать их и для действующего оборудования ТЭС.
Законодательные органы стран ЕС
еще в 1988г. установили достаточно жесткие нормы выбросов NOx,S02
и твердых частиц для вновь вводимых котлов ТЭС (технические нормативы
выбросов). Кроме того, было предусмотрено ежегодное сокращение выбросов этих
загрязняющих веществ от действующих котлов.
В 2001г. ЕС принимает две
директивы, имеющие большое значение для предприятий, сжигающих органическое
топливо, в основном для ТЭС мощностью 50 МВт и более. Первая директива
ограничивает удельные выбросы основных загрязнителей (N0х, S02
и твердых частиц), вторая - валовые выбросы в атмосферу N0х, S02,
летучих органических соединений (ЛОС) и аммиака (NH3).
Необходимость принятия этих директив была продиктована подписанием в 1999г. в
Гетенбург протокола о трансграничном загрязнении воздуха.
Для выполнения экологического
законодательства и сдерживания техногенного влияния ТЭС на окружающую среду при
увеличении выработки энергии РАО «ЕЭС России» поставлены задачи внедрения
высокотехнологичных установок по сжиганию органического топлива и современных
природоохранных технологий очистки дымовых газов и сточных вод ТЭС.
Решение поставленных задач
требует разработки стратегической федеральной программы сокращения негативного
воздействия электроэнергетики на окружающую среду, в которой должны быть
определены основы финансирования экологических проектов, долевое участие в них
средств федерального бюджета и бюджетов субъектов РФ, пути и сроки внедрения
технических нормативов выбросов для модернизируемых и эксплуатируемых ТЭС.
.Проблема снижения выбросов
соединений серы с дымовыми газами ТЭС и методы ее решения
Для производства экологически
чистой электроэнергии , необходима глубокая очистка продуктов сгорания от
летучей золы , оксидов азота , дооксида серы , загрязняющих окружающую среду.
Нормативы второго протокола к
Международной конвенции о трансграничном переносе диоксида серы ограничили
выбросы S02 одновременно как
концентрацией (минимальная 400 мг/м3), так и степенью сероочистки (максимальная
90%). Сейчас Европейским союзом для новых и действующих ТЭС приняты нормативы
удельных выбросов диоксида серы, приведенные в табл. 1[6].
Таблица 1. Нормативы предельных
выбросов диоксида серы.
|
Новые
установки
|
Установки,
введенные в работу до 27/Х 2003 г.
|
|
Тепловая
мощность, МВт
|
Выбросы
SО2 в очищенных
дымовых газах, мг/м³
|
Тепловая
мощность, МВт
|
Выбросы
SО2 в
очищенных дымовых газах, мг/м³
|
|
Твердое
топливо
|
|
50-100
|
850
|
50-100
|
2000
|
|
100-300
|
200
|
100-500
|
2000-400(линейное
уменьшение)
|
|
≥300
|
200
|
≥500
|
400
|
|
Жидкое
топливо
|
|
50-100
|
850
|
50-100
|
200
|
|
100-300
|
400-200(линейное
уменьшение)
|
100-500
|
2000-400(линейное
уменьшение)
|
|
≥300
|
200
|
≥500
|
400
|
Примечание. Независимо от
тепловой мощности выбросы S02
на установках, работающих на природном газе составляют 35 мг/м3, на сжиженном -
5 мг/м³.
В Российской Федерации на долю
угольных тепловых электростанций в 2005г. приходилось 27,7% сожженного
условного топлива. С намеченным изменением топливного баланса в энергетике
относительная доля угля к 2015 г. должна увеличиться до 34,9% при одновременном
количественном росте потребления этого топлива с 68,44 млн. т условного топлива
в 2001г. до 122,30 млн. т условного топлива в 2015 г. Это, естественно,
приведет к росту выбросов диоксида серы до 2,4 млн. т, т.е. почти вдвое.
Поэтому проблема снижения
выбросов диоксида серы с дымовыми газами угольных ТЭС является для
отечественной энергетики весьма актуальной.
Основным твердым топливом в
России являются энергетические угли Кузнецкого, Канско-Ачинского,
Экибастузского, Интинского (Воркутинского) и Донецкого бассейнов, Азейского, Мугунского,
Головинского, Артемовского, Партизанского и других месторождений, а также ряд
местных углей.
Приведение отечественных
нормативов в соответствие с европейскими будет сопровождаться введением для
действующих ТЭС технических нормативов на выбросы загрязняющих веществ, в том
числе диоксида серы. Технологии сероочистки для отечественных тепловых
электростанций, обеспечивающие регламентированные концентрации S02
в очищенных газах, в зависимости от мощности котельных агрегатов и сернистости
сжигаемого топлива, можно разделить на три категории:
.Для котлов малой и средней
мощности, сжигающих мало- и среднесернистое топливо, со степенью сероочистки 30
- 35%.
.Для котлов малой и средней
мощности, сжигающих среднесернистое топливо, со степенью сероочистки 50 - 60%.
.Для котлов всех мощностей,
сжигающих высокосернистое топливо, со степенью сероочистки не менее 85%.
Всероссийский теплотехнический
институт с 1935г. накопил большой опыт по разработке и освоению различных
технологий сероочистки, учитывающих особенности отечественных тепловых
электростанций и сжигаемого на них топлива.
Для котлов малой и средней
мощности, сжигающих мало- и среднесернистое топливо, разработаны технологии с
использованием имеюшихся на ТЭС объемов котельного агрегата и золоуловителей -
скрубберов Вентури (или других подобных аппаратов с использованием воды) и
электрофильтров.
Сухая известняковая технология
(рис.1) основана на обжиге в топочной камере котла при 1000-1100°С тонко
размолотого известняка, который превращается в этих условиях в активную
известь. Интенсивность улавливания диоксида серы известью в диапазоне
температур 500 - 850°С зависит от тонины помола реагента, поскольку процесс
сорбции определяется преимущественно поверхностью контакта реагента с газом,
которая, в свою очередь, зависит от размера частиц. Естественно, что обжиг
известняка сопровождается использованием части тепла дымовых газов, что снижает
КПД котла. Например, при сжигании бурых углей с теплотой сгорания равной 8,5 -
9,0 МДж/кг, продукты сгорания которых содержат 4 г/м3 SO2,
ввод в дымовые газы известняка в относительном количестве CaC03/S02
= 2 снижает КПД котла на 1,1%. Оправданная (без заметного влияния на
экономичность котельного агрегата) степень сероочистки дымовых газов с помощью
такой технологии составляет 30-35%. Капитальные вложения для ее реализации, в
частности, на энергоблоке мощностью 200 МВт Харанорской ГРЭС не превышают 5
дол/кВт, а доля потребляемой электроэнергии равна 0,1 - 0,2% [7]. Для
размещения оборудования в ячейке котла практически не требуются дополнительные
площади. Существующие отечественные технологии позволяют отказаться от
пневматических систем транспортирования реагента, что резко снижает износ
трубопроводов и в 3 - 4 раза уменьшает потребление электроэнергии на
транспортирование.
Рис.1 Принципиальная схема
сухой известняковой сероочистки
- силосная башня для хранения
размолотого известняка; 2- расходный бункер; 3-система пневмотранспорта
известняка в топку котла и его распределения в поперечном сечении топочной
камеры
Модификацией рассмотренного
метода является подача тонкодисперсной извести (известковая технология) в
конвективную шахту котла или соды в газоходы уходящих газов.
Если котел оснащен мокрыми
золоуловителями, то общая степень сероочистки может быть повышена до 60 - 65%
за счет того, что непрореаги-ровавшая известь в мокром золоуловителе, орошаемом
водой, дополнительно сорбирует S02.
В результате пульпа характеризуется повышенным содержанием кальция. Для
предотвращения образования отложений в мокром золоуловителе и системе
внутреннего и внешнего гидрозолоудаления (ГЗУ) ВТИ выбирал безопасный солевой
режим работы золоотвала и системы оборотного водоснабжения, исключающий
отложения карбонатов и сульфатов.
Применение сухой известняковой
технологии может приводить к изменению температуры плавления золы. Например,
при сжигании углей, зола которых имеет температуру размягчения 1300°С,
применение этой технологии возможно. Но при использовании углей, которые
размягчаются при 1100 - 1175°С, ее применение может вызвать повышенное
шлакование поверхностей нагрева котла.
Использование мокрых
золоуловителей для сероочистки приемлемо при сжигании твердого топлива, в
летучей золе которого имеются повышенные концентрации оксида кальция.
Технология (рис.2) основана на том, что в орошающей воде искусственно
увеличивают содержание ионов кальция дополнительным выщелачиванием уловленной в
аппарате золы. При этом часть свободной извести превращается в гидрокарбонат
Са(НС03)2, растворимость которого существенно больше, чем у извести. После
выщелачивателя поток разделяют в гидроциклоне на сгущенную пульпу и осветленную
воду. Последнюю направляют на орошение скруббера (трубы Вентури и
каплеуловителя), что и обеспечивает повышенное улавливание диоксида серы в мокром
золоуловителе. Сгущенную пульпу сбрасывают на золоотвал. Гипс и другие
соединения кальция, содержащиеся в этой пульпе, способствуют герметизации ложа
золоотвала и прекращению фильтрации загрязненных вод в природные водоемы.

Такой режим работы мокрого
золоуловителя обеспечивает 35%-ное улавливание диоксида серы и 98%-ное
улавливание летучей золы. Как и в предыдущей технологии, соблюдаются
оптимальные режимы работы золоотвала и системы ГЗУ.
Технология с выщелачиванием
золы позволяет достигнуть указанной степени сероочистки при капитальных
вложениях на уровне 8-15 дол/кВт при увеличении расхода энергии на собственные
нужды, не превышающем 0,05%.
Обеспечить очистку дымовых
газов с помощью скрубберов на 50 - 60% можно за счет использования в качестве
реагента соды Na2C03
(двойная щелочная технология). В этом варианте при нейтрализации диоксида серы
содой образуются сульфиты и бисульфиты натрия. Обработка этих солей второй щелочью
(отсюда название технологии) известью дает гипс, который в смеси с золой можно
сбрасывать на золоотвал. Образовавшаяся после регенерации щелочь возвращается
на орошение золоуловителя. Применение регенератора и двух реагентов соды и
извести увеличивает капитальные затраты на такую сероочистку до 15-20 дол/кВт.
Также увеличивается до 0,07% и расход электроэнергии на собственные нужды.
Следует иметь в виду, что
удельные площади для размещения дополнительного оборудования в районе зольного
помещения невелики и составляют примерно 0,001 м2/кВт.
Технологии с применением
скрубберов могут быть использованы, например, на ТЭЦ Иркутскэнерго при сжигании
на них мугунского бурого и головинского каменного углей. Основные
технико-экономические показатели для некоторых ТЭЦ Иркутсткэнерго приведены в
табл. 2 [7] .
диоксид сера
очистка сгорание
Таблица 2.Основные
технико-экономические показатели для некоторых ТЭЦ Иркутскэнерго
|
Электростанция
Иркуттскэнерго
|
Паропроизводительность
котла, т/ч
|
Требуемая
степень сероочистки, %
|
Технология
сероочистки
|
Капитальные
вложения на один котел, тыс.руб.
|
|
ТЭЦ-9
|
420
|
До
65
|
Двойная
щелочная
|
37000
|
|
ТЭЦ-10
|
220
|
До
25,5
|
Мокрая
с выщелачиванием золы
|
11400
|
|
270
|
До
25,5
|
|
13200
|
|
ТЭЦ-11
|
160
|
До
25,5
|
Мокрая
с выщелачиванием золы
|
8900
|
|
210
|
До
25,5
|
|
10900
|
|
420
|
До
65
|
Двойная
щелочная
|
37000
|
Для котельной установки большой мощности,
оснащаемой электрофильтрами, в аналогичных условиях целесообразны мокросухие
технологии сероочистки (рис.3). В них реагент вводят в дымовые газы в виде
суспензии, вода которой за счет тепла этих газов полностью испаряется до начала
процесса электрогазоочистки. Испарение воды сопровождается охлаждением и
увлажнением уходящих из котла дымовых газов, в результате чего их физический
объем уменьшается на 15 - 18% и соответственно увеличивается время пребывания в
активной части электрофильтра. Удельное электрическое сопротивление летучей
золы снижается до значения ниже критического, когда обратное коронирование не
может возникнуть. Кроме того, повышается напряжение на электродах и
выравнивается работа электрических полей. В результате применения такой
сероочистки, сопровождающейся температурно-влажностным кондиционированием
газов, выбросы летучей золы в атмосферу могут быть снижены в 5 - 6 раз без
изменения размеров электрофильтра.
Рис.3 Схема мокросухого способа
очистки дымовых газов от S02
- катализатор; 2 - РВП; 3 -
электрофильтр; 4, 7-дымососы; 5 -абсорбер; 6- тканевый фильтр; 8
-подогреватель; 9 - дымовая труба; 10 - питательная вода; 11 - пар; 12
-угольная пыль; 13 - зола; 14 -воздух; 15 - впрыск аммиака; 16 -летучая зола;
17 -известь; 18 -вода; 19 - продукты реакции (сульфит и сульфат кальция).
Отходом мокросухой сероочистки
является сухая смесь золы с кальциевыми соединениями сульфитами, сульфатами и
непрореагировавшей известью. Эта смесь может быть использована в дорожном
строительстве, при производстве строительных изделий .
При приведенной сернистости
менее 0,3%-кг/МДж предпочтительна упрощенная мокросухая технология, основанная
на впрыске тонкодисперсной известковой суспензии перед форкамерой
электрофильтра (рис.4). Диспергирование суспензии выполняют сжатым воздухом,
который в некоторых случаях может быть заменен паром.
Рис..4 Схема упрощенной мокросухой
сероочистки
Такая технология позволяет очищать продукты
сгорания углей типа кузнецких на 50 - 60% и не требует громоздкого
дорогостоящего оборудования. Удельные капитальные затраты для реализации этой
технологии не превышают 6 дол/кВт. Все необходимое оборудование является
отечественным. Увеличение расхода энергии на собственные нужды составляет
примерно 0,03%.
Промышленное опробование было
выполнено на электрофильтре типа ЭГА2-56-12-4-250-44, установленном на
Дорогобужской ТЭЦ. На входе дымовых газов в форкамеру электрофильтра были
установлены 24 пневматические форсунки с углом раскрытия факела 120-130°. При
расходе 10%-ной известковой суспензии до 50 кг/ч образовывались капли
среднемедианного диаметра 40-50 мкм. Испытания по очистке 500 000 м3/ч дымовых
газов при сжигании углей типа кузнецких показали степень улавливания диоксида
серы 50 - 60% [4].
Мокросухая технология с
циркулирующей инертной массой (рис.5) основана на вводе в дымовые газы перед
электрофильтром увлажненной смеси из уловленной в электрофильтре золы с
известью. В этом процессе зола является инертным материалом, на поверхность
которого наносится тонкий слой реагента. При влажности не более 8% такая смесь
имеет хорошие сыпучие свойства, что позволяет надежно транспортировать твердый реагент
к газоходу и равномерно распределять его в объеме уходящих дымовых газов перед
их электрогазоочисткой.
Рис. 5 Схема сероочистки с
циркулирующей инертной массой
Технология реализуется
следующим образом. Уловленная в первом и втором электрополях зола направляется
в смеситель, куда вводится также необходимое количество реагента и воды. Эта
смесь подается в газоход перед электрофильтром. Большая поверхность золы, на
которую нанесен реагент, позволяет максимально интенсифицировать процессы
массообмена, а существующая абразивность пылегазового потока исключает
возможное образование на стенках газохода отложений.
Циркулирующую инертную массу
целесообразно применять при высоком расположении электрофильтра, когда между ним
и выходным газоходом котла имеется протяженный вертикальный участок.
Организация циркуляции золы
приводит к увеличению запыленности очищаемых дымовых газов и требует принятия
специальных мер для сохранения эффективности работы первого электрополя.
Зарубежный опыт
свидетельствует, что при использовании высокоактивной извести-пушонки из
продуктов сгорания среднесернистого топлива можно уловить до 90% диоксида серы.
Удельные капитальные затраты на
эту технологию оцениваются примерно в 15 дол/кВт, рост потребления
электроэнергии - в 0,4%. Как и в случае упрощенной мокросухой технологии,
улучшаются электрофизические свойства дымовых газов и обеспечивается стабильная
работа электрофильтра в режиме униполярной короны.
Мокросухие технологии приводят
к увеличению концентрации соединений кальция в складируемых на золоотвале
отходах. Если уловленная зола транспортируется на золоотвал гидравлически, то
повышение в ней содержания кальция требует уточнения режима работы золоотвала
во избежание образования отложений в пульпопроводах и трубопроводах осветленной
воды. Наиболее приемлемым способом транспортирования золы в таких технологиях
являются сухие системы.
Технико-экономические
характеристики рассмотренных мокросухих технологий применительно к котлам,
сжигающим угли с приведенной сернистостыо Sn
= 0,025 - 0,0375% • кг/МДж, приведены в табл. 3 [1].
Таблица 3.
Технико-экономические характеристики мокросухой технологии
|
Паропроизводительность
котла, т/ч
|
Требуемая
степень сероочистки, %
|
Технология
сероочистки
|
Капитальные
вложения на котел, тыс.руб.
|
|
25
|
До
25,5
|
Упрощенная
мокросухая
|
1200
|
|
180
|
До
25,5
|
|
5300
|
|
420
|
Мокросухая
с циркулирующей массой
|
55500
|
|
500
|
До
65
|
|
63400
|
|
820
|
До
65
|
|
87000
|
Мокрые технологии сероочистки
для организации сорбции диоксида серы из дымовых газов реализуются с
применением специальных аппаратов (рис.6), устанавливаемых после эффективного
золоуловителя. Мощность котельных установок при этом не регламентируется.
Степень улавливания S02 в таких
технологиях максимальна (99% и более). Кроме того, некоторые мокрые технологии
позволяют улавливать в одном аппарате два или три компонента дымовых газов, что
существенно удешевляет процесс всей газоочистки по сравнению с индивидуальными
процессами.
Рис. 6 Схема мокрой сероочистки
В мокрых технологиях
сероочистки дымовые газы интенсивно промывают водными суспензиями или
растворами реагентов с высокой степенью диссоциации на ионы. При промывке газов
улавливаемый диоксид серы растворяется в воде и также переходит в ионную форму SO
, что ускоряет его связывание реагентом. Количество орошающей воды, содержащей
реагент, обычно велико, и теплом дымовых газов можно испарить только небольшое
ее количество - не более 0,5%. При этом дымовые газы сильно охлаждаются (вплоть
до температуры точки росы по водяному пару), так что их приходится
дополнительно нагревать, чтобы избежать коррозии последующего газового тракта,
дымососов и дымовой трубы.
Интенсивная промывка газов
приводит одновременно к улавливанию за счет инерционного захвата до 30%
тонкодисперсной летучей золы, частицы которой обогащены тяжелыми металлами.
В ВТИ разработаны и освоены
несколько мокрых технологий на основе различных реагентов природного и
искусственного происхождения: известняковая (известковая), аммиачно-сульфатная,
озонно-аммиачная и султфатно-магниевая, каждая из которых имеет свои
особенности.
Разработка мокрой известняковой
сероочистки (МИС) была начата совместно с институтом НИИОГАЗ около 70 лет
назад, когда московская энергетика перешла на сжигание бурого подмосковного
угля с большим содержанием серы. Результаты исследований легли в основу
проектирования всех современных промышленных способов газоочистки, которые
сейчас занимают ведущее место в мировой.
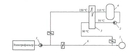
Рассмотрим схему включения
сероочистки, работающей по МИС, в систему газоходов котельного агрегата (рис.
7).
Дымовые газы после
электрофильтра и дымососа 1 направляются через регенеративный газовый
подогреватель (РГП) 3 к промывочной башне 4. Необходимость охлаждения дымовых
газов перед промывочной башней вызвана тем, что взаимодействие карбоната
кальция СаСО3 с диоксидом серы S02
происходит эффективно только при относительно низких температурах
(приблизительно 50 ºС).
Рис. 7 Принципиальная схема
включения сероочистки, работающая по МИС
1, 2 - дымососы; 3 - регенеративный газовый
подогреватель (РГП); 4 - промывочная башня (абсорбер или скруббер); 5 - дымовая
труба; 6 - байпасная линия.
В то же время температура
уходящих газов перед дымовой трубой должна быть не ниже 70-80 °С. Для
регулирования температуры уходящих газов предусмотрена байпасная линия 6. Для
подачи очищенных газов в дымовую трубу используется вспомогательный дымосос 2.
Принципиальная схема установки
МИС с абсорбером представлена на рис.8. Основным элементом МИС является
абсорбер. Дымовые газы поступают в нижнюю часть абсорбера и движутся снизу
вверх, проходя последовательно две зоны очистки: первую 1, где происходит
реакция связывания S02
последовательно в слое частично отработанного известняка, и вторую 2, где очистка
осуществляется в зоне свежей известняковой суспензии. Затем газы проходят зону
промывки технической водой 3, где удаляются механические включения. Далее
очищенный газ подается в каплеуловитель 4, где он практически полностью
освобождается от капель воды. Образовавшиеся частицы CaS03
поступают в нижнюю часть абсорбера, где в результате барботажа воздуха
доокисляются в гипс. Из нижней части абсорбера суспензия гипса подается в
гидроциклон 10, в котором происходит отделение суспензии гипса от воды, а более
мелкие частицы известняка с водой возвращаются в абсорбер. Для повышения
эффективности связывания SO2
и снижения расхода известняка в абсорбере обеспечена многократная циркуляция
известняковой суспензии с помощью циркуляционного насоса 6.
Рис.8 Принципиальная схема
включения сероочистки, работающая по МИС
1-первая зона очистки в слое частично
обработанного известняка, 2 - вторая зона очистки газов в слое свежей
известняковой суспензии; 3 - зона промывки газов от механических частиц; 4 -
каплеуловитель; 5 - воздуходувка; 6- циркуляционный насос; 7 - дробилка
извести; 8 - мешалка; 9 - насос подачи известняковой суспензии; 10 -
гидроциклон.
Технология имеет два главных достоинства
определяющих ее первенство:
.Используется наиболее дешевый реагент, запасы
которого имеются практически в любом регионе.
.Реагент и расход сероочистки гипс не отравляет
окружающую среду при любых возможных авариях.
Известняк можно заменить известью, комовой или
пушонкой, которая имеет более высокую реакционную способность по сравнению с
СаС03, что позволяет несколько уменьшить расход воды на орошение абсорбера и
размеры самого аппарата.
Современные системы автоматизации процесса
сероочистки позволяют практически полностью использовать реагент, обеспечивая
его избыток над стехиометрическим количеством на уровне не более 5 - 7%. Для
организации процесса сорбции, учитывая склонность сульфит-сульфатных солей к
образованию отложений, применяют полые аппараты с минимальным числом
оборудования в активной зоне, а внутренние поверхности этих аппаратов
гуммируют.
Получаемый гипс CaSC
> 2Н20 имеет высокие товарные качества (белизну и 95 - 97% чистоту), что
позволяет использовать его для производства цемента, а также других
строительных материалов и деталей. На Губкинской ТЭЦ, где работала последняя
отечественная опытно-промышленная установка, из безводного сульфата кальция,
получаемого после соответствующей переработки гипса, было налажено производство
строительных гипсовых камней.
Расчеты, выполненные для энергоблока мощностью
200 МВт, сжигающего донецкий промпродукт с приведенной сернистостью 0,125% •
кг/МДж, дают представление об удельных капитальных вложениях в зависимости от
норматива выброса диоксида серы (табл. 4 [7].
Таблица 4.Удельные капиталовложения в
зависимости от норматива выброса диоксида серы для донецкого угля
|
Удельный
выброс диоксида серы, г/МДж
|
Требуемая
степень сероочистки, %
|
Удельные
капиталовложения, дол/кВт
|
|
|
при
одном абсорбере на блок
|
при
одном абсорбере на два блока
|
|
0,08
(норматив Европейского союза)
|
96,9
|
122
|
103
|
|
0,3
(ГОСТ Р 50831-95)
|
88,3
|
109,9
|
93,1
|
|
0,15-0,16
(норматив принятый на Украине)
|
94,1
|
117,7
|
99,7
|
Приняв норматив удельного
выброса диоксида серы равным 0,15-0,16 г/МДж и среднее значение приведенной
сернистости угля, получаем, что абсолютные капитальные вложения в сероочистку
на два энергоблока мощностью по 200 МВт равны 39,88 млн. дол., т. е. 19,94 млн.
дол. на один энергоблок. Индивидуальная сероочистка на энергоблок потребует
капиталовложений в сумме 23,54 млн. дол., что на 18% дороже.
Продажа гипса может за 9 - 10
лет возместить капитальные вложения в сероочистку. При складировании гипса
себестоимость производства электроэнергии увеличивается на 5 - 6 коп/(кВт-ч).
Поскольку известняк и известь
имеют низкую растворимость в воде, для обеспечения эффективной сероочистки в
полых абсорберах требуются большие удельные расходы суспензии. Это приводит к
применению насосов большой мощности для орошения абсорбера и увеличению расхода
электроэнергии на собственные нужды на 3,5-4,0%. Современные способы
организации процесса контакта дымовых газов с реагентом позволяют снизить этот
расход в 1,3-1,5 раза.