|
№
|
Интервал действительных
размеров
|
Частота n
попаданий данных
|
Среднее значение
|
|
1
|
[24,823; 24,8246]
|
1
|
24,8238
|
|
2
|
[24,8246; 24,8262]
|
2
|
24,8254
|
|
3
|
[24,8262; 24,8278]
|
2
|
24,827
|
|
4
|
[24,8278; 24,8294]
|
5
|
24,8286
|
|
5
|
[24,8294; 24,831]
|
7
|
24,8302
|
|
6
|
[24,831; 24,8326]
|
7
|
24,8318
|
|
7
|
[24,8326; 24,8342]
|
7
|
24,8334
|
|
8
|
[24,8342; 24,8358]
|
3
|
24,835
|
|
9
|
[24,8358; 24,8374]
|
3
|
24,8366
|
|
10
|
[24,8374; 24,839]
|
2
|
24,8382
|
По полученным данным строим гистограмму
Представим результаты измерения в стандартном виде
Q =
± tp
.
1) Вычисляем
=24,831; σx=0,00442;
=0,00092;
) Определим границы доверительного
интервала ∆ = ± tp
с вероятностью Р
= 0,95.
При n = 24 и Р = 0,95 находим tp =
2,064.
∆= ±2,064 х
0,0013 = 0,0027.
3) Представим
результаты измерений в стандартном виде:
Q = 24,831 ± 0,0027;
= 24,831;
tp =2,064; n = 24.
Доверительный интервал с вероятностью Р = 0,95 имеет вид:
где
z при Р=0,95 соответствует значению 1,960:
24,831 - 1,960 *
0,00092 < Q < 24,831 + 1,960 *
0,00092;
,829 < Q < 24,8328.
Доверительный интервал с вероятностью
Р = 0,99 имеет вид:
где z при Р=0,99 соответствует значению
2,576:
24,831 - 2,576 *
0,00092 < Q < 24,831 + 2,576 *
0,00092;
,8286 < Q < 24,8333.
Задача 3
Выбрать ряд взаимосвязанных параметров А и В и определить порядковые
номера членов этих рядов
1. Определяем по табл. 1 ряд параметров А, его знаменатель и порядковые
номера членов
R5/2
(2,5, 6,3);
φА= 6,3/2,5 = 2,52
N1=16; N2=32;
. Находим приближенное значение параметра В1, соответствующее
первому члену А1:
А1=2(В1)0,5; А1=2,5; В1=(2,5
/2)2=1,56;
. Определяем знаменатель ряда В:
φА =
φВ0,5
φВ =φА2= 2,522 = 5,04
. Определяем ряд параметров В, его обозначение и порядковые номера
членов:
R10/2 (2.8, 4, 5.6, 8, 11.2, 16, 22.4);=Nτ+K10; K=0; N1=18;
N2=24; N3=30 ; N4=36 ; N5=40 ; N6=46
; N7=52
|
Обозначение параметров
|
Обозначение ряда
|
Знаменатель ряда
|
Значение параметров
|
|
|
|
1
|
2
|
3
|
4
|
5
|
6
|
7
|
|
|
|
2,5
|
6,3
|
|
|
|
|
|
|
А
|
R5
|
|
Порядковые номера членов
ряда
|
|
|
|
|
|
|
|
|
|
|
|
|
|
|
|
|
|
|
|
|
|
В
|
R
|
|
Порядковые номера членов
ряда
|
|
|
|
|
|
|
|
|
|
|
Задача 4
Провести анализ соединения с зазором, с натягом, с дополнительным
креплением.
. Проставить на чертежах соединений обозначение заданных посадок, а на
чертежах деталей (отверстия и вала)- обозначения заданных полей допусков.
. Определить допуски размеров отверстия и вала.
. Изобразить схемы полей допусков отверстия и вала. На схемах указать
величины предельных отклонений размеров, допуски, а также наибольший,
наименьший и средний зазоры и натяги; для переходных посадок указать наибольший
зазор и наибольший натяг
Решение.
.Соединение с зазором
Рисунок 1 - Соединение с зазором
Анализ посадки: Номинальный диаметр отверстия и вала равен и составляет
160 мм. Отверстие выполнено по 8 квалитету точности, а вал - по 6. Отверстие
выполняется с основным отклонением Е, т. е. выполняется в системе отверстия.
Нижнее основное отклонение отверстия EI и верхнее отклонение отверстия ES - положительные.
По ГОСТ 25346-89 находим:
величину
допуска отверстия
для номинального размера D=160 мм
квалитета точности 8:
;
величину
допуска вала
:
;
величину
основного отклонения отверстия:
EI=0,085;
величину
основного отклонения вала:
es=0
Определяем
верхнее предельное отклонение отверстия по формуле:
ES=EI+
=0,085+ 0,063=0,148 мм (24)
Определяем
второе предельное отклонение вала по формуле:
ei=es+
=0-0,025=-0,025 мм (25)
Определяем
наибольший и наименьший предельные размеры отверстия:
(26,
27)
Определяем
наибольший и наименьший предельные размеры вала:
(28,
29)
Находим
наибольший и наименьший предельные зазоры в соединении:
(30,
31)
Определяем
допуск посадки:
Рисунок
2 - Вал
Рисунок
3 - Отверстие
Рисунок
4 - Схема поля допуска
Соединение
с натягом
Рисунок
5 - Соединение с натягом
Номинальный
диаметр отверстия и вала равен и составляет 20 мм. Отверстие выполнена по 9
квалитету точности, а вал - по 8. Отверстие выполняется с основным отклонением
H, т. е. выполняется в системе отверстия. Нижнее основное отклонение отверстия
EI равен 0, верхнее отклонение ES - положительное.
Рисунок 6
- Отверстие
Рисунок 7
- Вал
Рисунок 8 - Схема полей допуска отверстия и вала
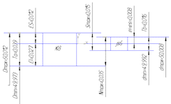
Соединение с дополнительным креплением
Номинальный диаметр отверстия и вала равен и составляет 50 мм. Отверстие
выполнена по 8 квалитету точности, а вал - по 6. Отверстие выполняется с
основным отклонением K, т.
е. выполняется в системе отверстия. Нижнее основное отклонение отверстия EI
отрицательное, верхнее отклонение ES - положительное.
Отклонение js показывает, что
вал - не основная деталь, а сопрягаемая. Нижнее отклонение вала -
отрицательное, верхнее отклонение вала - положительное, что свидетельствует о
том, что предельные размеры вала больше номинального, но наименьший зазор и
натяг отрицательные. Следовательно, применение основного отклонения вала js в системе отверстия, при основном
отклонении отверстия K,
обеспечивает получение посадки с гарантированным натягом и зазором.
Рисунок 10 - Отверстие
Рисунок 11 - Вал
Рисунок 12 - Схема полей допуска отверстия и вала
Задача 5
Ознакомиться с указателем «Национальные стандарты» правилами пользования
указателем и изучить 1-2 стандарта (на выбор) из раздела, соответствующего
профилю профессиональной деятельности студента. Дать характеристику каждого из
перечисленных видов документов: Технический регламент, МС ИСО, ГОСТ, ГОСТ Р,
ОКТЭИ, Стандарт организации, ТУ, ПР, Р.
Государственный стандарт Российской Федерации (ГОСТ Р)
принимается Госстандартом России или Государственным комитетом Российской
Федерации по вопросам архитектуры и строительства (Госстрой России). К объектам
ГОСТ Р относятся продукция, работы и услуги, имеющие межотраслевое значение;
стандарт отрасли (ОСТ) - разрабатывается и применятся государственными органами
в пределах их компетенции применительно к продукции, работам и услугам отраслевого
значения. Здесь под отраслью понимается совокупность субъектов хозяйственной
деятельности независимо от их ведомственной принадлежности и форм
собственности, разрабатывающих и (или) производящих продукцию (выполняющих
работы и оказывающих услуги) определенных видов, которые имеют однородное
потребительное или функциональное назначение. Стандарты отраслей не должны
нарушать обязательные требования государственных стандартов, а также правила и
нормы безопасности, установленные государственными надзорными органами по
вопросам, отнесенным к их компетенции. Ответственность за соответствие
требований стандартов отраслей обязательным требования м государственных
стандартов несут принявшие их государственные органы управления; стандарт
предприятия (СТП) - стандарт, утвержденный предприятием. Эти стандарты
разрабатываются и принимаются самим предприятием. Объектами стандартизации СТИ
являются составляющие организации и управления производством, направленные на
повышение его эффективности, продукция, производимая этим предприятием, методы
расчета, технологические нормы и требования, типовые процессы изготовления,
оснастка, инструмент и т. п.Требования стандартов предприятий подлежат
обязательному соблюдению другими субъектами хозяйственной деятельности, если в
договоре на разработку, производство и поставку продукции, на выполнение работ
и оказание услуг сделана ссылка на эти стандарты; Национальный стандарт -
стандарт, принятый национальным органом по стандартизации. В перечень
нормативных документов включен технический регламент. Под регламентом
понимается документ, в котором содержатся обязательные правовые нормы. Такой
документ принимается органом власти и подлежит обязательному исполнению.
Технический регламент - содержит технические требования к объекту стандартизации.
Эти требования могут содержаться непосредственно в самом этом документе либо
имеется ссылка на другой нормативный документ (стандарт, документ технических
условий, свод правил). В отдельных случаях в технический регламент полностью
включается нормативный документ.
К техническим регламентам относятся законодательные акты и постановления
Правительства РФ, содержащие в себе требования, нормы и правила технического
характера; государственные стандарты в части устанавливаемых в них обязательных
требований; нормы и правила федеральных органов исполнительной власти. К
нормативным документам относятся также общероссийские классификаторы
технико-экономической информации. Общероссийский классификатор
технико-экономической и социальной информации (ОКТЭИ) - официальный документ, в
котором представлены систематизированные своды наименований и кодов
классификационных группировок и (или) объектов классификации в области
технико-экономической и социальной информации. Разрабатываются на продукцию,
услуги, производственные процессы, имеющие общегосударственное применение.
Например, Общероссийский классификатор продукции (ОКП), предприятий и
организаций - ОКПО и др.
Международные стандарты (МС ИСО) разрабатываются международными
организациями по стандартизации для того, чтобы устранить технические барьеры в
торговле, то есть гармонизировать требования, предъявляемые к продукции,
услугам в соответствие с требованиями международных стандартов.
Если стандарт гармонизирован с международным стандартом, то по нему можно
проводить сертификацию продукции.
Региональные стандарты разрабатываются региональными органами по
стандартизации. Например, такой организацией является ЕОКК (европейская
организация по контролю качества).
Государственные стандарты (ГОСТ) разрабатывают на продукцию, работы,
услуги, потребности в которых носят межотраслевой характер. Стандарты этой
категории принимает Госстандарт России. В стандартах содержатся как
обязательные требования, так и рекомендательные. К обязательным относятся:
безопасность продукта, услуги, процесса для здоровья человека, окружающей
среды, имущества, а также производственная безопасность и санитарные нормы,
техническая и информационная совместимость и взаимозаменяемость изделий,
единство методов контроля и единство маркировки. Требования обязательного
характера должны соблюдать государственные органы управления и все субъекты
хозяйственной деятельности независимо от формы собственности. Рекомендательные
требования стандарта становятся обязательными, если на них есть ссылка в договоре
(контракте).
Стандарт организации - стандарт, утвержденный и применяемый организацией
для целей, установленных статьей 17 Федерального закона «О техническом
регулировании», для совершенствования производства и обеспечения качества
продукции, выполнения работ, оказания услуг, а также для распространения и
использования полученных в различных областях знаний результатов исследования
(испытаний), измерений и разработок.
Стандарты организаций применяются равным образом и в равной мере
независимо от страны и (или) места происхождения продукции, осуществления
процессов производства, эксплуатации, хранения, перевозки, реализации и
утилизации, выполнения работ и оказания услуг, видов или особенностей сделок и
(или) лиц, которые являются изготовителями, исполнителями, продавцами,
приобретателями. Порядок разработки, утверждения, учета, изменения и отмены
стандартов организаций осуществляется в соответствии с принципами:
добровольного применения стандартов;
максимального учета при разработке стандартов законных интересов
заинтересованных лиц;
применения международного стандарта как основы разработки национального
стандарта, за исключением случаев, когда такое применение признано невозможным
вследствие несоответствия требований международных стандартов климатическим и
географическим особенностям Российской Федерации, техническим и (или)
технологическим особенностям или по иным основаниям, либо когда Российская
Федерация в соответствии с установленными процедурами выступала против принятия
международного стандарта или отдельного его положения;
недопустимости создания препятствий производству и обращению продукции,
выполнению работ и оказанию услуг в большей степени, чем это минимально
необходимо для выполнения целей стандартизации;
недопустимости установления таких стандартов, которые противоречат
техническим регламентам и национальным стандартам;
обеспечение условий для единообразного применения стандартов.
Стандарты организаций разрабатываются с целью:
повышения уровня безопасности жизни или здоровья граждан, имущества
физических или юридических лиц, государственного или муниципального имущества,
экологической - безопасности и содействия соблюдению требований технических
регламентов;
повышения уровня безопасности объектов с учетом риска возникновения
чрезвычайных - ситуаций природного и техногенного характера;
обеспечения научно-технического прогресса;
повышения конкурентоспособности продукции, работ, услуг;
рационального использования ресурсов;
технической и информационной совместимости;
сопоставимости результатов исследований (испытаний) и измерений,
технических и экономико-статистических данных;
унификации продукции.
Технические условия (ТУ) разрабатываются предприятиями и другими
субъектами хозяйственной деятельности в том случае, когда стандарт создавать
нецелесообразно. Объектом ТУ может быть продукция разовой поставки, выпускаемая
малыми партиями, а также произведения художественных промыслов. Особенность
процедуры принятия ТУ состоит в том, что во время приемки новой продукции
происходит их окончательное согласование с приемочной комиссией. Перед этим
предварительно рассылается проект ТУ тем организациям, представители которых
будут на приемке продукции. ТУ считаются окончательно согласованными, если
подписан акт приемки опытной партии (образца).
Правила по стандартизации (ПР) - нормативный документ по стандартизации,
принимаемый Госстандартом или Госстроем России. ПР разрабатываются на
конкретные производственные процессы и их элементы, связанные с решением задач
организации и управления работами по стандартизации, метрологии, сертификации,
аккредитации, лицензированию, государственному контролю и надзору за
соблюдением обязательных требований технических регламентов, государственных и
межгосударственных стандартов. Если ПР прошли регистрацию в Министерстве
юстиции России, то требования, содержащиеся в них, являются обязательными.
Норма - нормативный документ, содержащий положения, устанавливающие
количественные меры или качественные критерии, которые должны быть
удовлетворены в процессе производства или работы.
Рекомендации (Р) - нормативный документ, содержащий добровольные для
применения организационно-технические и (или) общетехнические положения,
правила, методы выполнения работ. ПР и Р разрабатываются, как правило,
организациями подведомственными Госстандарту РФ или Госстрою РФ. Утверждаются и
издаются этими комитетами после обсуждения с заинтересованными сторонами.
Международный стандарт - стандарт, принятый международной организацией по
стандартизации. В частности, ИСО, МЭК. Такие стандарты носят рекомендательный,
добровольный характер; межгосударственный стандарт (ГОСТ) - стандарт, принятый
государствами, присоединившимися к соглашению о проведении согласованной
политики в области стандартизации, метрологии и сертификации.
Общесоюзных классификаторов технико-экономической информации (ОКТЭИ) -
комплекс взаимоувязанных документов, созданных по единым правилам и
требованиям, содержащих информацию, необходимую для управления в определенной
сфере деятельности.
УСД предназначены для использования как в условиях применения средств
вычислительной техники, так и при традиционных методах обработки информации.
Общесоюзные классификаторы представляют собой систематизированные перечни
наименований и кодов объектов классификации и классификационных группировок, разработанных
и утвержденных в установленном порядке, обязательных для применения при
обеспечении автоматизации процессов обработки информации.
Порядок утверждения, внедрения, ведения и регистрации УСД общесоюзного
назначения, унифицированных форм документов других уровней управления и ОКТЭИ
устанавливается Госстандартом СССР.
Задача 6
Подобрать посадку для вала.
Таблица 4
|
Вариант
|
d
|
d1
|
1-2
|
|
|
|
d2, мм
|
l, мм
|
материал
|
f
|
Fa, Н
|
Мкр, Нм
|
|
|
|
|
|
1
|
2
|
|
|
|
|
2
|
500
|
430
|
560
|
0,3d
|
Сталь 45
|
СЧ15-32
|
0,21
|
250
|
9000
|
Номинальный диаметр сопрягаемых поверхностей , мм. d =500;
Внутренний
диаметр пустотелого вала , мм. d
= 430 ;
Наружный
диаметр охватывающей детали , мм. d
= 560 ;
Длина
соединения , мм. l=150;
Коэффициент
трения f= 0,21;
Осевая
нагрузка , H. F
=250;
Крутящий
момент H
Mкр=9000;
Решение:
.
Рассчитаем наименьший расчётный натяг
N
=
(10)
где
Fa=250 -осевая
нагрузка , H;
f= 0,21 -
коэффициент трения;
Mкр=9000
-крутящий момент H*м;
d=500 -
номинальный диаметр сопрягаемых поверхностей , мм;
Е
и Е
- для стали Е
2,06
Н/м
для
чугуна Е
1,2
Н/м
;
Коэффициенты
С
и С
определяем
по формуле:
C
=
; C
=
(11)
где
d
=430- внутренний диаметр пустотелого вала , мм;
d
=560 -наружный диаметр охватывающей детали , мм.;
и
-коэффициент Пуассона, для стали
; для чугуна
С
=
С
=
N
=
Поправки
к расчётному натягу исхода из условий задачи принимаем
t=0;
;
;
где
Ra
=3,2 мкм;
Ra
=6,3 мкм - высота неровностей поверхности отверстия и
вала достигается методом обработки детали
К
и К
-
коэффициент, учитывающий вершину смятия неровностей К
=0,2 К
=0,7
Поправка
у для стальных деталей диаметром до 500 мм
вращающихся со скоростью до 47 м/с доставляет 2 мкм
.
Наименьший функциональный натяг
N
F
= N
+
I=39,11+10,1=49,21мкм
.
По величине N
F
подберём ближайшую посадку Ø500Н7/r6
Схема полей допусков с натягом Ø500Н7/r6
4.
Проверяем прочность соединяемых деталей при N
.1
Давление на поверхности контакта вала и втулки
.2
Допустимое давление на поверхности втулки
Р
=0,58
.3
Допустимое давление на поверхности вала
Р
=0,58
Запас
прочности втулки:
Р
/Р=42,34/3,09=13,7
Запас
прочности вала
Р
/Р=54,37/3,09=17,6
Посадка
обеспечивает необходимую прочность соединения.
Электромагнитная совместимость
Задача 7
Определить действующее значение эквивалентного тока конденсаторной
батареи, подключенной к шинам РУ. Схема электроснабжения приведена на рисунке
1. Источник высших гармоник тиристорные преобразователи.
Данные источников высших гармоник:
выпрямленное напряжение Ud-800В
выпрямленный ток Id -1500A/
Решение:
Для более точной оценки воспользуемся формулой:
,
,
где
Кр=4 при двенадцати пульсной схеме выпрямления
Кр=0 при шести пульсной схеме выпрямления
;
%.
;
%.
Реактивная
нагрузка группы преобразователей
;
Допустимое
значение реактивной нагрузки группы преобразователей
;
Реактивная
мощность группы преобразователей подлежащая компенсации
;
Действующее
значение основной и высших гармоник
;
где
n - порядковый номер гармоники
;
;
;
;
Реактивная
мощность преобразователя подлежащая компенсации
Q=7,43/2=3,715МВАр;
Фазное
напряжение промышленной частоты на зажимах батареи конденсаторов фильтра
определяется по формуле
,
где Un-фазное напряжение промышленной частоты на шинах подстанции.
,
Коэффициент
характеризует степень увеличения напряжения на
батарее, в сравнении с напряжением на шинах за счет последовательного включения
реактора.
;
;
;
Напряжение
n-й гармоники на конденсаторах при соединении в звезду
,
где
Inб - ток n-й гармоники, протекающий в батарее конденсаторов;
- емкостное
сопротивление ее при промышленной частоте.
;
;
;
Номинальный ток батареи конденсаторов:
,
Ф11
;
Ф23
;
Проверка
батарей конденсаторов производиться по условию допустимой перегрузки по
напряжению:
,
где
;
Ф11
;
Ф13
;
Ф23
;
Проверка
батарей конденсаторов по условию допустимой перегрузки по току:
,
Учитывая возможность проникновения в фильтр других гармоник помимо той,
на которую он настроен, целесообразно выбрать коэффициент Сi с некоторым запасом; окончательно
второе условие для выбора батарей фильтров представим в виде
,
Ф11
,
-
условие не выполняется.
В
реальных условиях необходимо принимать во внимание отклонения емкости от
номинальных значений. Данное отклонение рассмотрим ниже.
Ф13
,
-
условие выполняется;
Ф23
,
-
условие выполняется;
При
идеальной настройке в резонанс и номинальных значениях индуктивности Lном
и емкости Сном справедливо следующее соотношение:
,
,
Ф11
;
Ф13
;
Ф23
;
По
табл.4-30 [3] выбираем:
;
Фазное
напряжение промышленной частоты на зажимах батареи конденсаторов фильтра
определяется по формуле
,
где Un-фазное напряжение промышленной частоты на шинах подстанции.
,
Коэффициент
характеризует степень увеличения напряжения на
батарее, в сравнении с напряжением на шинах за счет последовательного включения
реактора.
;
;
;
Напряжение
n-й гармоники на конденсаторах при соединении в звезду
,
где
Inб - ток n-й гармоники, протекающий в батарее конденсаторов;
- емкостное
сопротивление ее при промышленной частоте.
;
;
;
Номинальный ток батареи конденсаторов:
,
Ф11
;
Ф13
;
Ф23
;
Проверка
выбранных батарей конденсаторов производиться по условию допустимой перегрузки
по напряжению:
,
где
;
Ф11
;
Ф13
;
Ф23
;
Отклонения
индуктивности и емкости от номинальных значений.
Индуктивность
L имеет отклонение, обусловленное несовершенством
технологии изготовления реакторов:
; (6.14)
где
относительное отклонение индуктивности от номинального значения
.
Согласно
ГОСТ 1479-69 допускается относительное отклонение индуктивности в пределах
0-15%.
В
реальных условиях вследствие изменения геометрических размеров реактора в
зависимости от температуры нагрева индуктивность его несколько возрастает с
температурой; однако это изменение незначительно и им можно пренебречь.
Емкость
батарей конденсаторов С также имеет отклонение DС от
номинального значения, обусловленное в первую очередь разной толщиной бумаги,
пропитываемой синтетическими жидкостями:
,
где
относительное отклонение емкости от номинального значения
.
Согласно
ГОСТ 1282-68 допускается относительное отклонение емкости конденсаторов в
пределах -5 +10%.
Зависимость
емкости батареи конденсаторов Сt от температуры нагрева определяется известным
соотношением
,
Здесь
Со - величина емкости при температуре 20 °С;
Dt = t °-20°;
-температурный
коэффициент емкости;
для
конденсаторов с пропиткой синтетическими жидкостями он равен -4-8•10-4
1/°С.
Таким
образом, выражение для емкости конденсаторов одной фазы фильтра можно
представить в виде
,
С
учетом выше изложенного, сделаем перерасчет для фильтра 11 гармоники по
допустимой перегрузки по току.
;
;
Ф11
, 1,14>1,12 - превышение допустимого
тока на 1,7%.
Индуктивное
и емкостное сопротивления фильтра изменяются с изменением частоты питающей
сети. Обозначив через Dw отклонение частоты от номинального значения , можем
записать:
,
где
относительное отклонение частот от номинального значения
.
Абсолютная
величина реактивного сопротивления фильтра гармоники DXфn при расстройке резонансного контура вследствие отклонений
индуктивности и емкости от номинальных значений представляется выражением
,
Реальные значения и пределы изменения величин, входящих в формулу,
следующие:
Dt=0-60°С;
= -0,02
-0,01.
Ф11
;
=
=
-83Ом - отклонение носит емкостной характер.
Ф13
;
=
=
-70Ом - отклонение носит емкостной характер.
Ф23
,
=
=
-12Ом - отклонение носит емкостной характер.
Относительное
отклонение реактивного сопротивления от величины емкостного сопротивления при
идеальной резонансной настройке выражается формулой
,
Ф11
;
Ф13
;
Ф23
;
a-это коэффициент,
характеризующий расстройку фильтра в зависимости от возможных отклонений
индуктивности и емкости, обусловленных технологическими и эксплуатационными
условиями. Требуется, чтобы çaï<0,1, таким образом, возможная расстройка может достигать двух
порядков.
Оценим
величину относительного отклонения реактивного сопротивления фильтра
на нерезонансных частотах в частности на частоте n=13. Реактивное сопротивление фильтра на частоте гармоники порядка
:
,
;
Задача 8
Определить рабочее положение регулировочных ответвлений для режимов
наибольших и наименьших нагрузок ГПП.
Расчетная мощность потребителей I и II категорий надежности составляет 75 %
расчетной мощности предприятия. Выберем число и мощность трансформаторов ГПП.
Учитывая наличие потребителей I и II категорий надежности, принимаем к
установке два трансформатора. Номинальную мощность трансформаторов определяем
по условию
Sном.т ≥ SрΣ / 2 ∙ 0,7 (3.4.5)
Sном.т ≥ 18 970 / 2 ∙ 0,7 = 13 550 кВА.
Принимаем к установке трансформаторы с номинальной мощностью 16 000 кВА.
Проверяем перегрузочную способность трансформаторов в аварийном режиме по
условию
,4 Sном.т ≥ SрΣ (3.4.6)
,4 ∙ 16 000 = 22400 > 18 970.
Условие (2.3.2) выполняется.
Нагрузка трансформатора в аварийном режиме при отключении потребителей III категории составит:
β.ав =
≈ 0,89.
Сравним
целесообразность установки для варианта 1 (рис 3.1 а) двухобмоточного
трансформатора типа ТДН-16000/110 с напряжениями 115/6,6 кВ и разделительного
трансформатора ТМШ-2500/10 с напряжениями 6/6,3 кВ с установкой для варианта 2
одного трехобмоточного трансформатора ТДТНШ-16000/110 с напряжениями
115/6,3/6,6 кВ. Для выравнивания нагрузок трехобмоточного трансформатора к
сборным шинам обособленной подземной нагрузки допускается присоединение
энергоемких электроприемников поверхности, получающих питание по кабельным
линиям.
Трансформаторы
подключены к сети в течение 8760 часов в год. Время наибольших потерь для
обмоток трансформатора в расчетах примем равным Tп.СН = 4500 ч, Tп.НН = 2800 ч. Стоимость 1 кВт∙ч потерь
электроэнергии Сп.0 = 2,73 руб/(кВт∙ч).
Для
определения потерь мощности в трехобмоточном трансформаторе ΔРтр пользуемся выражением [15]
ΔРтр = ΔРх.х + ΔРп.о + βВН2ΔРк ВН + βСН2ΔРк СН + βНН2ΔРк НН,
(3.4.7)
где
βВН -
коэффициент загрузки обмотки высшего напряжения; ΔРк ВН - потери мощности к. з. в обмотке высшего напряжения
при 100 % - ной загрузке; βСН - коэффициент загрузки обмотки среднего напряжения;
ΔРк СН - потери мощности к. з. в обмотке среднего напряжения
при 100% - ной нагрузке; βНН -
коэффициент загрузки обмотки низшего напряжения; ΔРк НН
- потери мощности к. з. в обмотке
низшего напряжения при 100 % - ной загрузке.
В
справочных данных на трехобмоточные трансформаторы задается величина ΔРк ВН-НН. В этом случае потери к. з. каждой обмотки одинаковы
и равны 0,5ΔРк ВН-НН.
С
целью учета потерь активной мощности, обусловленных потреблением реактивной
мощности, определяют приведенные потери мощности в трехобмоточном трансформаторе
ΔР'тр = ΔР'х.х + ΔРп.о + βВН2ΔР'к ВН + βСН2ΔР'к СН + βНН2ΔР'к НН,
(3.4.8)
где
ΔР'х.х, ΔР'к ВН,
ΔР'к СН, и ΔР'к НН
рассчитываются как и для двухобмоточных трансформаторов: ΔР'х.х = ΔРх.х + Кп.п ΔQх.х
, кВт; ΔР'к = ΔРк + Кп.пΔQк , кВт; ΔQх.х = Sном iх %
/ 100 - постоянная составляющая потерь реактивной мощности, квар; ΔQк = Sном ик % / 100 - реактивная мощность, потребляемая
трансформатором при полной нагрузке, квар; Кп.п = 0,07
кВт / квар - коэффициент повышения потерь, т. е. потери активной мощности,
приходящиеся на передачу 1 квар в данной системе электроснабжения.
Напряжения
к. з. обмоток трансформатора при заданных значениях ик ВН-НН,
ик ВН-СН и ик СН-НН определяются
из выражений
ик В =
0,5(ик ВН-СН + ик ВН-НН - ик
СН-НН);
ик С =
0,5(ик ВН-СН + ик СН-НН
- ик ВН-НН); (3.4.9)
ик Н = 0,5(ик
ВН-НН + ик СН-НН - ик
ВН-СН).
Технико-экономические
данные трансформаторов, приняты по [9].
Потери
мощности в трехобмоточном трансформаторе по (3.4.7)
ΔР'х.х = 29 + 0,07 ∙
16000 ∙
= 40,2 кВт;
ик В =
0,5(10,5 + 17 - 6,5) = 10,5;
ик С =
0,5(10,5 + 6,5 - 17) = 0;
ик Н =
0,5 ∙ (17 + 6,5 - 10,5) = 13;
Рк ВН = 0,5ΔРк ВН-НН
= Рк СН = Рк
НН = 0,5 ∙ 96 = 48;
ΔР'к ВН = 48 + 0,07 ∙ 16000 ∙
= 165,6;
ΔР'к СН = 48;
ΔР'к НН = 48 + 0,07 ∙ 16000 ∙
= 193,6.
Приведенные
потери мощности в трансформаторе составят (без учета ΔРп.о)
ΔР'тр = 40,2 + (1,19)2 ∙ 165,6 +
(0,6)2 ∙ 48 + (0,6)2 ∙ 193,6 = 361,7 кВт.
Потери
электроэнергии трехобмоточного трансформатора
ΔЭа.т = NР'х.хTг + 1/N (βВН2Р'к ВНTп.ВН
+ βСН2ΔР'к СН Tп.СН +
+ βНН2ΔР'к НН Tп.НН),
(3.4.10)
где
N -
количество параллельно работающих трансформаторов; Tг - годовое число часов работы трансформатора; Tп.ВН, Tп.СН, Tп.НН - время наибольших
потерь для обмоток высшего, среднего и низшего напряжений трансформатора. С
учетом предыдущих расчетов
ΔЭа.т = (40,2 ∙ 8760 + 234,5 ∙ 2800 + 17,3 ∙
4500 + 69,7 ∙ 2800) ∙ 10-3 = (352152 + 656600 + 77850 +
195160) ∙ 10-3 = 1281,762 тыс. кВт ∙ ч.
Разъединитель для ГПП выбирается по конструктивному исполнению, роду
установки (внутренняя, наружная) и электрическим параметрам: номинальному
напряжению (Uном) и току (Iном), термической и электродинамической устойчивости при токах
КЗ. Электродинамическая устойчивость разъединителей характеризуется амплитудой
(iмакс) предельного сквозного тока КЗ,
называемого иногда током электродинамической стойкости. Термическая
устойчивость разъединителей характеризуется произведением действующего значения
предельного тока (IТ) термической стойкости на время (tТ) протекания тока термической стойкости.
Выбираем разъединитель типа РЛНД-1-10Б/200УХЛ1 с приводом ПРНЗ-10УХЛ1 и
номинальными параметрами:
Uном=10 кВ,
Iном=200 А,
iмакс=15.75 кА,
Iт=6.3 кА,
tт=3 с.
При выборе и проверке разъединителей должны соблюдаться следующие
основные условия:
,
кВ=10кВ,
,
А≥7,33
А,
, (8.3)
.75кА≥4,4А
, (8.4)
.1≥8,41*2=16,82
где
значения Uном, Iном, iмакс, Iт, tт берутся
по паспортным данным разъединителей (приложение З);
Uном.уст - номинальное напряжение сети 10 кВ;
Iраб.макс - расчетное значение тока нагрузки на шинах 10 кВ
ТП1, А;
iУ9(3) -
ударный ток на шинах 10 кВ ТП1, кА.
Iк9(3) -
установившееся действующее расчетное значение тока трехфазного КЗ на шинах 10
кВ ГПП, кА;
tпр - приведенное время КЗ, с; определяется по формуле:
, (8.5)
tпр=1+1=2 с
где
tс.з -
время срабатывания релейной защиты, с;
tо.в - собственное время отключения выключателя, с; в курсовом
проекте рекомендуется принимать tпр =2-3 с.
Задача 9
Проводники электрических сетей от прохождения по ним тока нагреваются.
Чрезмерно высокая температура нагрева проводника может привести к
преждевременному износу изоляции, ухудшению контактных соединений и пожарной
опасности. Значение максимально длительных допустимых токов определены из
условий допустимого теплового износа материала изоляции проводов различных
марок и сечений.
При расчете сетей по нагреву сначала выбирают марку провода в зависимости
от характеристики среды помещений, его конфигурации и способа прокладки сети.
Затем переходят к выбору сечения проводников по условию допустимых длительных
токов по нагреву - это длительно протекающий ток по проводнику. При котором
устанавливается наиболее длительно допустимая температура нагрева проводника.
Это имеет важное значение для безопасной эксплуатации сети, так как перегрев
может привести к выходу проводника из строя.
Для выбора сечения проводника по условиям нагрева токами нагрузки
сравниваются с токами расцепителя Iр, и допустимая Iдоп
для проводника принятой марки и условий его прокладки. При этом
Iр
Iдоп
А
- ток
сети, А.
Линия
от ЭСН до ГПП ВЛ одноцепная АС - 3 х 35, I
= 175 А
удельное
индуктивное сопротивление
Ом
-
удельное индуктивное сопротивление
-
протяженность линии, км.
Ом/км
-
удельное активное сопротивление, Ом/км.
-
удельная проводимость материала, м/Ом.
S - сечение
проводника,
Ом
(2.5.1.4)
Сопротивление
приводится к Н:
Ом
- сопротивление,
приведенное к НН
-
сопротивление, приведенное к ВН
Ом
-
сопротивление, приведенное к НН
-
сопротивление, приведенное к ВН
и
- высокое и низкое напряжение
Для
трансформатора
Ом; Х
=27,2 Ом; Z
=28,7 Ом; Z
=312 Ом
Для
автоматов
н.р.=400
А ВА 51-37
SF
Ом;
Ом;
Ом
I н.р.=150 А ВА
51-33
SF1
Ом;
Ом;
Ом
I н.р.= 25 А ВА
51-31-1
SF
Ом;
Ом;
Ом
Для
кабельных линий
1
- КЛ1:
Ом/м:
0,091
Ом/м
Так
как в схеме 3 параллельных кабеля, то
Ом/м
Ом/м
Ом/м
SF - КЛ2:
Ом/м:
0,116
Ом/м
Ом/м
Ом/м
Для
шинопровода ШРА 250
Ом;
Ом
Ом;
Ом
(2.5.1.12)
(2.5.1.13)
Для
ступеней распределения
Ом;
Ом
Упрощается
схема замещения, вычисляются эквивалентные сопротивления на участках между
точками КЗ и наносятся на схему
Ом
Ом
Ом
Ом
Ом
Ом
Вычисляются
сопротивления до каждой точки КЗ и заносятся в «Сводную ведомость токов КЗ»
Ом;
Ом
Ом
Ом
Ом
Ом
Ом
Ом
Ом
;
Определяются
коэффициенты К
и q:
q1=q3=1
Определяются
3-фазные и 2-фазные токи КЗ и заносятся в «Сводная ведомость токов КЗ»:

КА

КА

КА
КА
КА
КА
КА
КА
КА
КА
КА
КА
Сводная
ведомость токов КЗ
|
№
|
Ом Ом Ом q кА А кА Ом
|
|
|
|
|
|
|
|
|
|
|
|
|
К1
|
83.7
|
458
|
97.3
|
1,6
|
1
|
1
|
2.3
|
3.2
|
2.3
|
2
|
20
|
1,8
|
|
К2
|
137.5
|
63.8
|
151.6
|
2,1
|
1
|
1
|
1,4
|
1.9
|
1,4
|
1,2
|
91.3
|
1.1
|
|
К3
|
156.6
|
65.6
|
169,8
|
2.3
|
1
|
1
|
1,2
|
1,6
|
1,2
|
1,04
|
115.8
|
1
|
Для кабельных линий
Ом
Ом
Ом
Ом

Ом
Ом
Ом
Ом
Ом
Ом
Ом
Ом
Ом
кА
кА
кА
Результаты
расчета токов КЗ предоставлены в «сводной ведомости токов КЗ»
Согласно
условиям по токам КЗ линии электроснабжения проверяются:
.
на надежность срабатывания:
Надежность
срабатывания автоматов обеспечена;
на
отключающую способность:


Автомат
при КЗ отключается не разрушаясь
на
отстройку от пусковых токов. Учтено при выборе
для
каждого автомата:
(для ЭД)
(для РУ)
вал электромагнитный эквивалентный электроснабжение
Согласно
условиям проводники проверяются:
на
термическую стойкость:
-
термический коэффициент, берется из справочника
- установившейся
3-фазный ток КЗ
-
приведенное время действия тока КЗ
КЛ
(ШНН-ШМА):
3 х
КЛ
( ШМА-П ):
3 х
1,7
По
термической стойкости кабельные линии удовлетворяют;
На
соответствие выбранному аппарату защиты: учтено при выборе сечения проводника
Характеристика времени срабатывания РТВ и РТМ
Карта согласования защит линии 0, 38 кВ трансформатора ТП 1 и линии 10
(кВ)
Список использованной литературы
1. Справочник по электроснабжению и
электрооборудованию: в 2 т. / Под общ. ред. А.А. Федорова. Т.2
Электрооборудование. - М.: Энергоатомиздат, 1987. - 592 с.
2. Правила устройства электроустановок.
- М.: Энергоатомиздат, 1985. - 640 с.
3. Справочник по электроснабжению и
электрооборудованию: в 2 т. / Под общ. ред. А.А. Федорова. Т.1
Электроснабжение. - М.: Энергоатомиздат, 1986. - 568 с.
5. Техническая информация о выполнении I этапа хоздоговора 082-255 на тему:
“Исследование показателей качества электрической энергии в узлах нагрузки с
тиристорными преобразователями рудника Таймырский”. Научный руководитель темы Г.В.
Иванов.
6. Электротехнический справочник: в 3-х
т. Т.2. Электротехнические устройства / Под общ. ред. проф. МЭИ В.Г.
Герасимова, П.Г. Грудинского, Л.А.Жукова и др. - 6-е изд., испр. и доп. - М.
Энергоиздат, 1981. - 640 с.
7. Жежеленко И.В. Высшие гармоники в
системах электроснабжения промпредприятий. М., Энергия, 1974. - 184 с.
8. Железко Ю.С. Выбор мероприятий по
снижению потерь электроэнергии в электрических сетях: Руководство для
практических расчетов. - М. Энергоатомиздат, 1989. - 176 с.
9. Александров К.К., Кузьмина Е.Г.
Электротехнические чертежи и схемы. - М.: Энергоатомиздат, 1990. - 288 с.
10. Баркан Я.Д.
Автоматическое управление режимом батарей конденсаторов. - М. Энергия, 1978. -
112 с.
11. Ильяшов В.П.
Конденсаторные установки промышленных предприятий. М., Энергия, 1972. - 248 с.
12. Жежеленко И.В.
Качество электроэнергии на промышленных предприятиях. - К.: Техника, 1981. 160
с.
13. Железко Ю.С.
Компенсация реактивной мощности и повышение качества электроэнергии. - М.:
Энергоатомиздат, 1985. - 224 с.
14. Красник В.В.
Автоматические устройства по компенсации реактивной мощности в электросетях
предприятий. - 2-е изд., перераб. и доп. - М.: Энергоатомиздат, 1983. - 136 с.
15. Поспелов Е.Г.
и др. Компенсирующие и регулирующие устройства в электрических системах. Л.:
Энергоатомиздат. Ленингр. отд-ние, 1983. - 112 с.
16. Охрана труда в
машиностроении. Под ред. Е.Я. Юдина. Уч. для вузов. М., Машиностроение, 1976. -
335 с.