Матэматычныя задачы энергетыкі

  • Вид работы:
    Курсовая работа (т)
  • Предмет:
    Физика
  • Язык:
    Белоруский
    ,
    Формат файла:
    MS Word
    214,06 Кб
  • Опубликовано:
    2012-04-12
Вы можете узнать стоимость помощи в написании студенческой работы.
Помощь в написании работы, которую точно примут!

Матэматычныя задачы энергетыкі

Уводзіны

Матэматычныя задачы энергетыкі - пераходная дысцыпліна паміж агульнатэхнічнымі і спецыяльнымі дысцыплінамі. Базуецца на вышэйшай матэматыцы, ТОЭ, электрычных машынах і інфарматыцы. Вынікі выкарыстоўваюцца ў такіх дысцыплінах, як пераходныя працэсы, электрычныя станцыі, рэлейная засцярога і аўтаматыка, курсавым і дыпломным праектаванні.

ЭВМ прымяняецца пры рашэнні наступных задач энергетыкі:

Разлік токаў кароткага замыкання.

Разлік уставак устройстваў рэлейнай засцярогі і аўтаматыкі.

Разлік усталяваных і пераходных рэжымаў электрасістэм.

Разлік аптымальнага размеркавання нагрузак паміж генератарамі.

Разлік электрадынамічных сіл на элементах электраабсталявання.

Разлік магнітных, электрычных і тэмпературных полёў, якія дзейнічаюць у электрычных машынах

Задачай дадзенага курсавога пректа з’яўляецца разлік рэжымаў электрасістэмы лікававымі метадамі.

Пад электрычнай сістэмай разумеюць частку энергасістэмы,у якой выпрацоўваецца, пераўтвараецца, размяркоўваецца і спажываецца электрычная энергія.

Рэжым электрычнай сістэмы - яё стан у дадзены момант часу або на зададзеным інтэрвале часу. Адрозніваюць тры асноўныя рэжымы:

Нармальны усталяваны рэжым - рэжым, у якім электрычная сістыма працуе працяглы час і адносна якога разлічаны ўсе тэхнічна-эканамічныя паказчыкі.

Пераходны рэжым або аварыйны (ненармальны) - ен выклікаецца запланіраваннымі або незапланіраваннымі адключэннямі элементаў электрычнай сістэмы, кароткімі замыканнямі. У пераходным рэжыме электрычная сістэма пераходзіць ад аднаго ўстойлівага стану да другога. У пераходным рэжыме змяняюцца ўсе параметры рэжыму электрычнай сістэмы.

Пасляаварыйны рэжым - ён характарызуецца дастаткова працяглай работай сістэмы з адным або некалькімі адключанымі паказчыкамі (сістэма працуе з непраектнымі або пагоршанымі тэхнічна-эканамічнымі паказчыкамі).

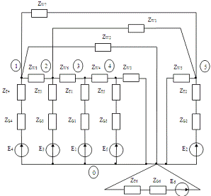
1. Пабудова схемы замяшчэння электрычнай сістэмы і разлік яе

параметраў

Мал 1.1 Схема замяшчэння нармальнага рэжыму

Кароткае замкненне трэба разлічыць у вузле 2. Для зручнасці разліку перанумаруем вузлы. Тады ў новай схеме кароткае замыканне будзе адбывацца ў вузле 5

Мал 1.2 Схема замяшчэння нармальнага рэжыму

Табліца 1.1 Генератары

Тып

SH, MBA

UH, kB

cosxdXd''



G1

2´ТВC-32-У3

40

10.5

0,8

2.648

0.153

G2

3хТВФ-120-2У3

125

10,5

0,85

1,907

0,192

G3

3хТВВ-320-2ЕУ3

375

20

0,85

1,698

0,173

G4

2хТВФ-63-2У3

78,75

10,5

0,8

1,2

0,153

G5

3xТВФ-110-2ЕУ3

137,5

10,5

0,85

2,04

0,189

G6

3´ТГВ-200-2У3

235.3

10.5

0,85

1.84

0.19









электрычный ток замкнення ітэрацыя

Табліца 1.2 Трансфарматары

Тип

SH, MBA

UH, kB

uk, %

Т1

2´ТДЦ-40 000/220

40

242/10,5

11

Т2

3´ТДЦ-125000/220

125

242/10,5

11

Т3

3´ТЦ-400000/220

400

242/20

11

Т4

2´ТД-80000/220

80

242/10,5

11

Т5

3´ТДЦ-125000/220

125

242/10,5

11

Т6

3´ТЦ-250000/220

250

242/10,5

11








Табліца 1.3 ЛЭП

Линия

W1

W2

W3

W4

W5

W6

W7

W8

L, км

140

100

90

110

140

120

80

150


Разлік параметраў схемы замяшчэння будзем праводзіць у адносных адзінках па наступных формулах:

Памер ЭРС генератара:


супраціўленне генератара


упраціўленне трансфарматара


супраціўленне ЛЭП


Зададзімся базісным напружаннем  і базіснай магутнасцюб=1000 МВА.

;

 

 

 

 

 

 

 

 

 

 

 

 

 

Параметры генератараў у рэжыме кароткага замкнення (замест xd падстаўляем у формулы xd''):

;

 

 

 

 

 

Дзеля спрашчэння схемы замяшчэння аб’яднаем супраціўленні трансфарматараў і генератараў, якія злучаны паслядоўна, ў адно супраціўленне (у левым слупку - для нармальнага рэжыму, у правым - для рэжыму кароткага замкнення ):


Нармальны рэжым. Кароткае замкненне:

  

 

 

 

 

  

2. Разлік токаў усталяванага нармальнага рэжыму на аснове мадэлі

контурных раўнанняў з дапамогай лікавага метаду простай ітэрацыі

Састаўляем сістэму раўнанняў у матрычным выгляддзе па формуле:

кIк=Ек,

дзе: Zк - матрыца контурных супрціўленняў, якая мае парадак к (колькасць лінейна незалежных контураў схемы). Дыяганальны элемент zii гэтай матрыцы роўны сумме супрціўленняў галін, якія ўваходзяць у i-ы контур. Недыяганальны элемент zij роўны сумме супраціўленняў галін, якія ўваходзяць адначасова ў i-ы і ў j-ы кантуры, прычым сума мае знак плюс, калі накірунак і-тага і j-тага кантуроў у гэтых галінах супадаюць, і знак мінус, калі не супадаюць.к - матрыца - слупок невядомых контурных токаў памерам к´1,

Ек - матрыца - слупок заданых контурных ЭРС памерам к´1.

Для дадзенай схемы колькасць незалежных кантуроў:

к=m-(n-1)=14-(7-1)=8,

дзе m=14 - колькасць галін; n=7 - колькасць вузлоў.

Мал. 2.1 Падграф дрэва і падграф хорд для схемы замяшчэння нармальнага рэжыму

Табліца 2.1 Матрыца Zk(1-4 слупок)

0



Табліца 2.2 Матрыца Zk(5-8 слупок)

0


Табліца 2.3 Матрыца Еk

0

0

0


Табліца 2.4 Лікавыя значэнні матрыц Zk і Еk

11.041

9.441

9.441

9.441

9.441

-8,048

1.134

0

-0.412

9.441

44.823

10.348

10.348

10.348

2.041

0.907

2.041

-1.375

9.441

10.348

16.418

11.18

11.18

2.873

1.739

2.873

-0.734

9.441

10.348

11.18

14.614

11.861

3.554

2.42

3.554

-0.545

9.441

10.348

11.18

11.861

18.298

3.554

3.479

4.613

-0.608

1.134

2.041

2.873

3.554

3.554

4.31

2.42

3.554

0

0

0.907

1.739

2.42

3.479

2.42

4.538

3.479

0

1.134

2.041

2.873

3.554

4.613

3.554

3.479

5.218

0


Праводзячы разлік метадам простай ітэрацыі, атрымоўваем наступны вынік:

Табліца 2.5 Матрыца контурных токаў

Ik1

Ik2

Ik3

Ik4

Ik5

Ik6

Ik7

Ik8

0.044

-0.025

-0.04

-0.015

-0.021

0.033

0.01

0.022


Разлічым токі ў галінах:

   

   

Разлічым токі ў іменаваных адзінках (кА):

Базісны ток знаходзіцца:


Тады токі ў іменаваных адзінках, кА:


. Разлік токаў трохфазнага кароткага замкнення на аснове мадэлі

контурных раўнанняў і лікавага метаду простай ітэрацыі

Мал. 3.1 Схема замяшчэння для рэжыму кароткага замкнення

Мал. 3.2 Падграф дрэва і падграф хорд для схемы замяшчэння рэжыму кароткага замкнення

Фарміруем матрыцы Zk і Ek.

Табліца 3.1Матрыца Zk

0

0

0

0

0

0

0

0

0

0

0

0

0

0

0

0

0

0

0

0

0

0

0

0

0

0

0

0

0

0

0

0

0

0

0

0

0

0

0

0

0

0

0

0

0

0

0

0

0

0



Табліца 3.2 Матрыца Еk


Табліца 3.3 Лікавыя значэнні матрыц Zk і Еk

3.039

-0.246

0

0

0

-0.246

1.659

1.659

0

0.002

-0.246

4.441

3.288

0

0

0.246

0

0

0

-0.002

0

-3.288

4.871

0.751

0

0

0

0

0

0.015

0

0

0.751

1.432

0

0

0

0

0

1.114

0

0

0

0

1.864

0.805

0

0.805

0

1.113

-0.246

0.246

0

0

0.805

2.11

0

0.805

0

0.014

1.659

0

0

0

0

0

2.415

1.659

0

-1.099

1.659

0

0

0

0.805

0.805

1.659

3.069

0

0.014

0

0

0

0

0

0

0

0

0.415

-1.112


Табліца 3.4 Матрыца контурных токаў

Ik1

Ik2

Ik3

Ik4

Ik5

Ik6

Ik7

Ik8

Ik9

0.308

-0.141

-0.23

0.899

0.636

-0.241

-0.77

0.151

-2.68


Разлічым токі ў галінах:

 

 

 

 

 


Базісны ток, кА:

Разлічым токі ў іменаваных адзінках, кА:


Ток у вузле кароткага замкнення:


. Разлік токаў усталяванага нармальнага рэжыму на аснове раўнанняў

па законах Кірхгофа і лікавы метад Жардана

Абагульненнае раўнанне стану электрычнага ланцуга на базе законаў Кірхгофа мае наступны выгляд:

=F;

дзе- квадратная матрыца m´m, дзе m - колькасць галін электрычнай схемы;

M - першая матрыца спалучэнняў (інцыдэнцый), або ўзлавая матрыца, памерам (n-1)´m, дзе n - колькасць усіх вузлоў схемы, а (n-1) - колькасць лінейна незалежных узлоў схемы;

N - другая матрыца спалучэнняў (інцыдэнцый), ці контурная матрыца, памерам k´m, дзе k колькасць лінейна незалежных кантуроў схемы;

Zд - дыяганальная матрыца супраціўленняў галін схемы памерам m´m;

I- матрыца-слупок токаў у галінах схемы памерам m´1;

-матрыца-слупок правых частак абагульненнага раўнання памерам m´1;

J - матрыца-слупок крыніц токаў тока ў незалежных вузлах схемы памерам (n-1)´1;

Ек - матрыца-слупок контурных ЭРС у лінейна незалежных контурах памерам k´1.

Для нашай схемы матрыцы A і F будуць мець наступны выгляд:

Табліца 4.1 Матрыцы А і F

1

-1

0

0

0

0

0

0

0

0

0

-1

0

-1

0

0

1

-1

0

0

0

1

0

0

0

0

0

-1

0

0

0

0

1

-1

0

0

0

1

0

0

0

0

0

0

0

0

0

0

1

-1

0

0

0

1

0

0

0

0

0

0

0

0

0

0

1

-1

0

0

0

0

1

0

0

0

0

0

0

0

0

1

0

0

0

0

1

0

1

1

0

0

0

0

0

0

0

0

0

0

0

0

0

0

0

0

0

0

0

0

0

0

0

0

0

0

0

0

0

0

0

0

0

0

0

0

0

0

0

0

0

0

0

0

0

0

0

0

0

0

0

0

0

0

0

0

0

0

0

0

0

0

0

0

0

0

0

0

0

0

0

0

0

0

0


Табліца 4.2 Лікавыя значэнні матрыцы A

1

-1

0

0

0

0

0

0

0

0

0

-1

0

-1

0

0

1

-1

0

0

0

1

0

0

0

0

0

-1

0

0

0

0

1

-1

0

0

0

1

0

0

0

0

0

0

0

0

0

0

1

-1

0

0

0

1

0

0

0

0

0

0

0

0

0

0

1

-1

0

0

0

1

0

1

0

0

0

0

0

0

0

0

1

0

0

0

0

1

0

1

1

0

-8.307

-1.134

0

0

0

0

1.6

0

0

0

0

0

0

0

-0.412

-8.307

-1.134

-0.907

0

0

0

0

34.475

0

0

0

0

0

0

-1.375

-8.307

-1.134

-0.907

-0.832

0

0

0

0

5.238

0

0

0

0

0

-0.734

-8.307

-1.134

-0.907

-0.832

-0.681

0

0

0

0

2.753

0

0

0

0

-0.545

-8.307

-1.134

-0.907

-0.832

-0.681

-1.059

0

0

0

0

5.378

0

0

0

-0.608

0

-1.134

-0.907

-0.832

-0.681

0

0

0

0

0

0

0.756

0

0

0

0

0

-0.907

-0.832

-0.681

-1.059

0

0

0

0

0

0

1.059

0

0

0

-1.134

-0.907

-0.832

-0.681

-1.059

0

0

0

0

0

0

0.605

0



Праводзячы разлік лікавым метадам Жардана, атрымоўваем наступны вынік:

 

 

 

 

 

 


Базісны ток, кА:

Разлічым токі ў іменаваных адзінках, кА:



. Разлік токаў трохфазнага кароткага замнення на аснове раўнанняў па законах Кірхгофа і лікавага метада Жардана

Фарміруем матрыцы F і A :

Табліца 5.1 Матрыцы A і F

1

0

0

0

0

-1

0

0

0

0

0

-1

-1

0

0

0

1

0

0

0

1

-1

0

0

0

-1

0

0

0

0

0

0

1

0

0

0

1

-1

0

0

0

0

0

0

0

0

0

0

1

0

0

0

1

-1

0

0

0

0

0

0

0

0

0

0

1

0

0

0

0

1

1

0

1

0

0

0

0

0

0

0

0

0

0

0

0

0

0

0

0

0

0

0

0

0

0

0

0

0

0

0

0

0

0

0

0

0

0

0

0

0

0

0

0

0

0

0

0

0

0

0

0

0

0

0

0

0

0

0

0

0

0

0

0

0

0

0

0

0

0

0

0

0

0

0

0

0

0

0

0

0

0

0

0

0

0

0

0

0

0

0

0

0

0

0

0

0

0

0

0

0

0

0

0

0

0

0

0

0

0


Табліца 5.2 Лікавыя значэнні матрыцы A і F

1

0

0

0

0

-1

0

0

0

0

0

-1

-1

0

0

0

1

0

0

0

1

-1

0

0

0

-1

0

0

0

0

0

0

1

0

0

0

1

-1

0

0

0

0

0

0

0

0

0

0

1

0

0

0

1

1

0

0

0

0

0

0

0

0

0

0

1

0

0

0

0

1

1

0

1

0

0

1.659

-0.246

0

0

0

1.134

0

0

0

0

0

0

0

0

0.002

0

0.246

-3.288

0

0

0

0.907

0

0

0

0

0

0

-0.002

0

0

3.288

-0.751

0

0

0

0.832

0

0

0

0

0

0

0.015

0

0

0

-0.751

0

0

0

0

0.681

0

0

0

0

0

1.114

0

0

0

0

-0.805

0

0

0

0

1.059

0

0

0

0

1.113

0

0.246

0

0

-0.805

0

0

0

0

0

1.059

0

0

0

0.012

1.659

0

0

0

0

0

0

0

0

0

0

0.756

0

0

-1.099

1.659

0

0

0

-0.805

0

0

0

0

0

0

0

0.605

0

0.014

0

0

0

0

0

0

0

0

0

0

0

0

0

0.415

1.112



Праводзячы разлік лікавым метадам Жардана, атрымоўваем наступны вынік:

 

 

 

 

 


Базісны ток, кА:

Разлічым токі ў іменаваных адзінках, кА:


Ток кароткага замкнення:


. Разлік токаў кароткага замкнення з выкарыстоўваннем праграмы

ВЫХАДНЫ ФАЙЛ ПРАГРАМЫ TKZ

УВАХОДНЫЯ ДАДЗЕНЫЯ:

Прызнак разлiку каэфiцыентау размеркавання токау КЗ

па галiнах схемы NRKRTKZH=2

Прызнак схемы нулявой паслядоунасцi NSNP=0

Колькасць галiн у схеме прамой паслядоунасцi KH=14

Колькасць вузлоу кароткага замыкання KWKZ= 1

Колькасць галiн у схеме нулявой паслядоунасцi KHSNP= 0

Колькасць вузлоу у схеме нулявой паслядоунасцi,

якiя маюць нулявы патэнцыял KWSNPNP= 0

Базiсная магутнасць SB= 1000. MVAнфармацыя аб галiнах схемы прамой паслядоунасцi:

N1K(KH) N2K(KH) X(KH) SNG(KH)

адн.адз. МВА

0 1 1.6590 157.

0 2 .2460 1125.

0 3 3.2880 80.

0 4 .7510 412.

0 6 .8050 375.

1 2 1.1340 0.

2 3 .9070 0.

3 4 .8320 0.

4 5 .6810 0.

5 6 1.0590 0.

2 6 1.0590 0.

1 5 .7560 0.

1 6 .6050 0.

0 5 .4150 705.нфармацыя аб вузлах кароткага замыкання:

NWKZ(KWKZ) UB(KWKZ)

кВ

5 230.0

РЭЗУЛЬТАТЫ РАЗЛIКУ:

НУМАР ВУЗЛА КЗ: 5

Базiснае напружанне вузла КЗ, кВ: 230.000000

Базiсны ток у вузле КЗ, кА: 2.510219

Рэзультатыунае супрац. схемы адносна вузла КЗ:

-для токау прамой (адв.) паслядоун. (адн.адз.) 2.226158E-01

Перыядычная састаул. звышпераходн. току КЗ (КА):

- трохфазнае 11.276010

- двухфазнае 9.765312

Сiметрычныя састауляльныя току КЗ (КА):

Прамая Адваротная Нулявая

- трохфазнае 11.2760

- двухфазнае 5.6380 5.6380

Каэфiцыенты размеркавання сiметрычныых састауляльных тока КЗ па

галiнах схемы (дадатным накiрункам у галiне лiчыцца накiрунак

ад канца галiны з большым нумарам да канца з меньшым нумарам)

Галiна схемы Прамая Адваротная Нулявая

0 1 -.0634 .0634

0 2 -.1406 .1406

0 3 -.0184 .0184

0 4 -.1330 .1330

0 6 -.1082 .1082

1 2 .0622 -.0622

2 3 -.0287 .0287

3 4 -.0472 .0472

4 5 -.1802 .1802

5 6 .1280 -.1280

2 6 -.0496 .0496

1 5 -.1554 .1554

1 6 .0298 -.0298

0 5 -.5364 .5364

Галіны у спісе пералічаны у парадку , які адпавядае нумарацыі галін пры разліку рэжыму кароткага замкнення у раздзелах 3 і 5

Токі ў іменаваных адзінках, кА:

Вынік атрымаўся з дакладнасцю прыблізна 10% у параўнанні з разлічанымі токамі по метаду Жардана. Гэта абумоўлена тым , што супрациуленне генератарау мы прыняли за 1 .

Токі ў галінах 9 і 12 (мал. 3.1 ) атрымаліся з адваротным знакам , таму што пры перабудове схемы з мал 1.2 да мал 3.1 для гэтых галін былі выбраны адваротныя напрамкі .

. Разлік пераходнага рэжыму

Патрэбна разлічыць лікавым метадам токі ў галінах схемы і напружанні на элементах схемы ў пераходным рэжыме, які ўзнікае пасля замыкання ключа.

Мал 7.1 Схема замяшчэння энергасістэмы для разліку пераходнага  рэжыму

L1 = 0.2 Гн;

C 2 = 100 мкФ;

C 3 = 20 мкФ;

R1 = 25 Ом;

R2 = 15 Ом;

R3 = 25 Ом;

е1 = Емsin(wt+j);

Ем = 60 B;

w = 314 р/с;

j = 35°.

Пасля замкнення ключа ў схеме атрымоўваецца два лінейна незалежных контура і адзін лінейна незалежны вузел. Саставім сістэму раўнанняў па законах Кіргофа:

 (1)

Гэтая сістыма не з’яўляецца замкненай, пагэтаму неабходна дапоўніць яе яшчэ двума раўнаннямі.

 

Атрымоўваем сістэму наступнага выгляду:

 (2)

Выразім ток  з першага раўнання і падставім у астатнія.


Падставім выраз для  (4-ае раўнанне) ва ўсе астатнія раўнанні.


Праз суму 3 і 4 раўнання пасля дзялення кожнага адпаведна на  і  атрымоўваем выраз для . Праз рознасць 3 і 4 раўнання атрымоўваем выраз для і адразу ж падстаўляем яго у 5 раўнанне і атрымоўваем выраз для .

Сістэма дыферэнцыяльных раўнанняў (2), зведзеная да нармальнага стану, з выключанымі невядомымі і  наступная.

Атрыманая такім чынам сістэма раўнанняў (3), якая з’яўляецца сістэмай дыферэнцыяльных раўнанняў у нармальнай форме, прыдатная да лікавага рашэння пры дапамозе стандартных падпраграм.

Разлічым пачатковыя ўмовы. Разлік будзем весці ў дзейных значэннях велічынь. Да замкнення ключа ў схеме меўся адзін контур, такім чынам:

;

;

;

;


Такім чынам пачатковыя ўмовы наступныя:

  

Па выніках разліку пабудуем вектарную дыяграму напружанняў для ўсталяванага дааварыйнага рэжыму

Мал 7.2 Вектарная дыяграма напружанняў для ўсталяванага дааварыйнага рэжыму

Ведаючы пачатковыя ўмовы, разлічым сістэму дыферэнцыяльных раўнанняў (3). Лікавы разлік сістэмы (3) выканаем пры дапамозе праграмы разліку сістэмы дыферанцыяльных раўнанняў метадам Рунге-Кутта чацвертага парадку (праграма DIFRK4 у лабараторнай рабоце № 7). Неабходна зрабіць адаптапцыю гэтай праграмы для разліку сістэмы (3). Змяненні праводзім у тым, што пішам новую падпраграму PRAV для разліку правых частак.

Файл уваходных дадзеных для мадэлявання пераходнага рэжыму ў схеме пасля замыкання ключа К мае выгляд:

1 0. 0.1 0.0001

2.7239 13.6196

Вынікі разліку пераходнага рэжыму выводзяцца праграмай у выглядзе стаўбцоў з дадзенымі ў файл з пашырэннем REZ і GRF.

Графікі пераходнага рэжыму змешчаны на малюнках.

Падпраграма правых частак для сістэмы дыферанцыяльных раўнанняў (3) в будзе мець выгляд:

SUBROUTINE PRAV(X,Y,F)

REAL L1

DATA C2,C3,L1,R1,R2,R3,Em,fi/0.0001,0.00002,0.2,25.,15.,25.,60.,

*35./

DIMENSION Y(*),F(*)

! ЭЛЕКТРАРУХАЮЧАЯ СІЛА У МОМАНТ x

e=Em*sin(314.*x+fi/180.*3.14159)/sqrt(2.)

! ВЫЛІЧЭННЕ КАЭФІЦЫЕНТАЎ, ШТО СТАЯЦЬ ПОБАЧ З ПЕРАМЕННЫМІ

quo11=-(R1*R2+R2*R3+R1*R3)/(L1*(R2+R3))

quo12=-R2/(L1*(R2+R3))

quo13=-R3/(L1*(R2+R3))

quo14=e*R3/(L1*(R2+R3))

quo21=R2/(C2*(R2+R3))

quo22=-1./(C2*(R2+R3))

quo23=1./(C2*(R2+R3))

quo24=-e/(C2*(R2+R3))

quo31=R3/(C3*(R2+R3))

quo32=1./(C3*(R2+R3))

quo33=-1./(C3*(R2+R3))

quo34=e/(C3*(R2+R3))

! СІСТЭМА ДЫФ.РАЎНАННЯЎ

F(1)=quo11*Y(1)+quo12*Y(2)+quo13*Y(3)+quo14

F(2)=quo21*Y(1)+quo22*Y(2)+quo23*Y(3)+quo24

F(3)=quo31*Y(1)+quo32*Y(2)+quo33*Y(3)+quo34

RETURN

END

Ніжэй прыведзены файл з вынікамі разліку сістэмы дыферынцыяльных раўнанняў (файл прыведзены толькі часткова).

DIFRK4 - РАШЭННЕ СIСТЭМЫ ДЫФЕРЭНЦЫЯЛЬНЫХ РАУНАННЯУ

УВАХОДНЫЯ ДАНЫЯ

1 0. 0.0299999993 9.99999975E-005

0. 2.72390008 13.6196003

РЭЗУЛЬТАТЫ РАЗЛIКУ

x y(1) y(2) y(3) y(4) y(5) y(6) y(7) y(8)

0.0000 0.0000 2.7239 13.6196

0.0001 0.0028 2.3996 15.2482

0.0002 0.0054 2.0969 16.7818

0.0004 0.0102 1.5483 19.6032

0.0005 0.0125 1.2989 20.9071

0.0006 0.0146 1.0642 22.1484

0.0007 0.0167 0.8431 23.3325

0.0008 0.0188 0.6346 24.4638

0.0009 0.0207 0.4379 25.5460

0.0010 0.0226 0.2523 26.5822

0.0011 0.0244 0.0772 27.5752

0.0012 0.0261 -0.0879 28.5269

…………………………………

0.0282 0.0382 2.8098 10.9308

0.0283 0.0331 3.0689 9.8132

0.0284 0.0279 3.3249 8.6859

0.0285 0.0227 3.5773 7.5499

0.0286 0.0175 3.8261 6.4066

0.0287 0.0123 4.0709 5.2568

0.0288 0.0070 4.3115 4.1020

0.0289 0.0018 4.5477 2.9430

0.0290 -0.0034 4.7793 1.7812

0.0291 -0.0086 5.0060 0.6176

0.0292 -0.0138 5.2276 -0.5466

0.0293 -0.0190 5.4440 -1.7102

0.0294 -0.0241 5.6548 -2.8721

0.0295 -0.0292 5.8600 -4.0312

0.0296 -0.0343 6.0592 -5.1863

0.0297 -0.0393 6.2524 -6.3362

0.0298 -0.0443 6.4393 -7.4798

0.0299 -0.0492 6.6197 -8.6160

0.0300 -0.0541 6.7936 -9.7436

0.0301 -0.0589 6.9606 -10.8616

Мал. 7.3 Графік функцыі тока IL1

Мал. 7.4 Графік функцыі напружання UC2

Мал. 7.5 Графік функцыі напружання UC3

Пасля заканчэння пераходнага рэжыму ў схеме захоўваецца так званы ўсталяваны рэжым. Дзеля праверкі лікавага разліку дыферэнцыяльных раўнанняў неабходна разлічыць якім-небудзь метадам усталяваны пасляаварыйны рэжым і параўнаць атрыманыя вынікі з вынікамі разліку дыферэнцыяльных раўнанняў.

Для разліку ўсталяванага пасляаварыйнага рэжыму вырашым сістэму , скдадзеную па метаду контурных раўнанняў:


Падставім значэнні:

 

Пры разліку атрымоўваем:

 

 

Пабудуем вектарныя дыяграмы токаў і напружанняў для схемы ў ўсталяваным рэжыме

Мал 7.6 Вектарная дыяграмма напружанняў усталяванага пасляаварыйнага рэжыму

Мал 7.7 Вектарная дыяграмма токаў усталяванага пасляаварыйнага рэжыму

Цяпер параўнаем вынікі ад вырашэння сістэмы дыферынцыяльных раўнанняў і ад разліку паслякамутацыйнай схемы на базе контурных раўнанняў.

Напрыклад, возьмем з файла выхадных дадзеных амплітуднае значэнне напружання  у момант часу t = 0,0300 : .

З другога боку разлік паслякамутацыйнай схемы прапоноўвае наступнае:

 

Розніца паміж вынікамі нязначная. Адсюль лікавы разлік дыферанцыльных раўнанняў можна лічыць правільным.

Літаратура

1. Неклепаеў Б.Н., Кручкоў І.П. “Электрычная частка электрастанцый і падстанцый”. Дапаможныя матэрыялы для курсавога і дыпломнага праектавання. - М.: Энергаатамвыд., 1989. - 608 с.

Похожие работы на - Матэматычныя задачы энергетыкі

 

Не нашли материал для своей работы?
Поможем написать уникальную работу
Без плагиата!
Без нейросетей!