Двойной Т-образный мост

  • Вид работы:
    Контрольная работа
  • Предмет:
    Физика
  • Язык:
    Русский
    ,
    Формат файла:
    MS Word
    309,49 Кб
  • Опубликовано:
    2012-06-12
Вы можете узнать стоимость помощи в написании студенческой работы.
Помощь в написании работы, которую точно примут!

Двойной Т-образный мост

Задание

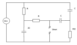
Рис 1. Принципиальная электрическая схема

R2 =

C2 = 2C1

R1 = R3 = 60 кОм

C1 = C3 = 40 пФ

Построить АЧХ, ФЧХ и переходную характеристику.

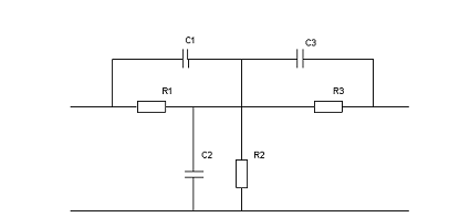
С1 = С3 = С

С2 = 2С

R1 = R3 =R

R2 =

Рис 2. Расчётная схема

Расчет стационарных характеристик цепи АЧХ и ФЧХ

K(p) = вых(р) = I4R - I5

I4 = IΙΙΙ - IΙΙ

I5 = IΙ - IΙΙΙ

По закону Кирхгофа найдем токи в контурах:

IΙ (R + ) - IΙΙR - IΙΙΙ () = Uвх

IΙΙ (2R + ) - IΙR - IΙΙΙ (R +) = 0

IΙΙΙ (R +  +  +  ) - IΙ () - IΙΙ (R +) = 0

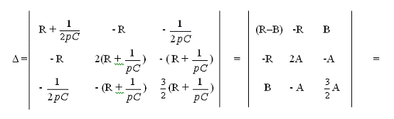
= (R - B)(2A∙A - A2) + R( - R∙A + BA) + B(AR - 2AB) = (R - B)(3A2 - A2) +

+ R∙( -RA + BA) + BA(R - 2B) = (R - B)∙2A2 + RA(B - 1,5R) + BA(R - 2B) =

= 2A2(R - B) - RA(R + 0,5R - B) + BA(R - 2B) = 2A2(R - B) - RA(R - B) - 0,5R2A + BA(R - 2B) = 2A2R - 2A2B - R2A + RAB - 0,5R2A + RAB - 2B2A = 2A2R - 2A2B -

1,5R2A + 2RAB - 2B2A = A(2AR - 2AB - 1,5R2 + 2RB - 2B2) =

= (R + )∙ 2R(R + ) + 2(R + )∙ - 1,5R2 - 2R -  =

= (R + )∙ 2R2 +  +  +  - 1,5R2 -  -  =

= (R + )∙( R2 +  +  ).

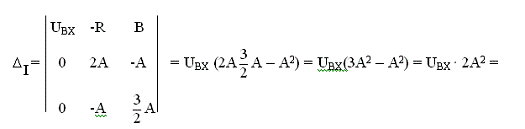
= Uвх ∙ 2.Ι =  = Uвх = Uвх .

IΙΙ =  = Uвх  = Uвх .

IΙΙΙ = Uвх  = Uвх .

I4 = IΙΙΙ - IΙΙ = Uвх - Uвх =

= Uвх .

I5 = IΙ - IΙΙΙ = Uвх - Uвх =

= Uвх .

Выразим выходное напряжение

Uвых(р) = I4R - I5 = Uвх =

= Uвх = Uвх =

= Uвх = Uвх = - Uвх .

K(p) =  = -  = - .

АЧХ

K(j) = -  = -

|K()| =  =

ФЧХ

() = arctg - arctg  = - arctg

Таблицы и графики АЧХ и ФЧХ

R = 60 кОм

C = 40 пФ

В результате получим

|K()| =

() = - arctg

Таблица значений АЧХ

Таблица 1

[рад/c]01000050000983882000004166661000000176500040000001000000030000000












|K()|10.9950.9000.7070.3720.0000.4440.7070.9220.9860.998













Таблица значений ФЧХ

Таблица 2

[рад/с]01000050000983882000004166661000000176500040000001000000030000000












()0-5.5-26-45-68-63.545239.53













Расчетные графики

АЧХ

амплитудный частотный цепь переходный

ФЧХ


П = ω гр2 - ω гр1 = 1765000 - 98388 = 1666612 [рад/c]

Расчёт переходной характеристики

a(p) =  = =  

Разложим знаменатель по формуле а(х-х1)(х-х2). Для этого найдем корни квадратного уравнения относительно p:

 = 0= 16R2C2 - 4R2C2 = 12R2C2

= 2

p1,2 =

p1 =

p2 =

 = R2C2(p - )(p - )

a(p) =  =

 +  =

=  + .

Найдем переходную характеристику а(t) с помощью преобразования Лапласа

F(p) = ;f(t) =  (p) = ;f(t) =

(t)=++ =

= 1 +  +  =

= 1 +  =

= 1 +  =

= 1 +  = 1 -  +.

Таблицы и графики переходной характеристики

a(t) = 1 -  +.

Таблица значений переходной характеристики

T,мкс

0

1

2

3

4

5

10

20

50

a(t)

1

0.211

0.128

0.185

0.264

0.340

0.622

0.876

0.995


Графики переходной характеристики

Теоретический график

Практический график

Заключение

Двойной Т-образный мост является заграждающим фильтром. Полоса заграждения данного фильтра лежит в пределах от нижней граничной частоты - 98388 [рад/с] до верхней граничной частоты 1765000 [рад/c] и составляет 1666612 [рад/c]. В полосе заграждения сдвиг фаз возрастает от -π/4 на нижней граничной частоте до π/4 на верхней граничной частоте, изменяя свой знак с минуса на плюс.

Так же мы провели исследование временных характеристик четырехполюсника при импульсном воздействии. При подаче импульса напряжение на выходе мгновенно приобретает значение входного напряжения, после чего резко падает и плавно поднимается до уровня входного.

В расчетах применялись знания, полученные из курсов мат. анализа и информатики, построение графиков выполнено с помощью системы Micro-Cap.


Не нашли материал для своей работы?
Поможем написать уникальную работу
Без плагиата!
Без нейросетей!