Автоматизация технологического процесса в свинарнике навозоудалением

  • Вид работы:
    Дипломная (ВКР)
  • Предмет:
    Другое
  • Язык:
    Русский
    ,
    Формат файла:
    MS Word
    237,94 Кб
  • Опубликовано:
    2012-06-23
Вы можете узнать стоимость помощи в написании студенческой работы.
Помощь в написании работы, которую точно примут!

Автоматизация технологического процесса в свинарнике навозоудалением

Введение

В основных направлениях экономического и социального развития предусматривается ускорение социально-экономического развития, интенсификация всех отраслей народного хозяйства на основе научного прогресса. Внедрение новых технологий, оборудования, электронных систем управления и автоматизации, а также новых форм организации труда позволит перевести сельскохозяйственное производство на высокоиндустриальную основу, превратив ее в высокорентабельное и эффективное.

Автоматизация технологических процессов (АТП) - это высокий уровень комплексной автоматизации и электрификации сельскохозяйственного производства, при котором человек-оператор полностью или частично заменен специальными техническими средствами контроля и управления.

Механизация, электрификация и автоматизация технологических процессов способствуют повышению производительности труда в сельском хозяйстве при неуклонном сокращении его ручной доли.

Внедрение средств автоматизации стало возможным только после комплексной механизации и электрификации сельскохозяйственного производства. В мире непрерывно идет научно-исследовательская работа по созданию для сельского хозяйства систем автоматики и приборов специфического назначения, внедрение которых даст значительный экономический эффект. При этом большое значение имеют автоматические системы управления (АСУ) с управляющими МикроЭВМ.

С помощью средств автоматизации сельскохозяйственного производства можно повысить надежность и продлить срок службы технологического оборудования, облегчить и оздоровить условия труда, повысить его безопасность.

Автоматизацию производства осуществляют с помощью специальных технических средств, которые состоят из большого числа отдельных элементов. Слово «автомат» произошло т древнегреческого «аутоматос», что означает самодействующий аппарат.

Широкое внедрение автоматических устройств в производство началось после Первой мировой войны и продолжается до настоящего времени. При автоматизации сельского хозяйства учтен богатый опыт автоматизации промышленности. Вместе с тем к методам и средствам автоматизации, применяемым в животноводстве и растениеводстве, предъявляют специфические требования, обусловленные характерными особенностями этих отраслей сельскохозяйственного производства.

Основная особенность сельскохозяйственного производства заключается в неразрывной связи техники с биологическими объектами (животными, растениями), для которых характерны непрерывность процессов образования продукции и цикличность ее получения, невозможность увеличения выпуска продукции за сет ускорения производства. В этих условиях автоматика должна работать достаточно надежно, так как такой процесс нельзя прервать и практически невозможно наверстать упущенное за счет интенсификации последующего периода.

Электрификация позволяет снизить затраты живого труда по сравнению с ручным: на доение коров в 5-6 раз, уборку навоза в 10, в водоснабжении в 12 раз. Большой эффект дает замена механических приводов электрическими. Затраты на очистке в сушке зерна сокращаются на 30%, приготовление кормов на 50% и в водоснабжении в 3 раза.

Современное сельскохозяйственное производство имеет большое количество поточных линий, цехов и заводов по приготовлению кормов. В него входит оборудование, используемое в сельскохозяйственном производстве, которое непрерывно увеличивается. Опыт электрификации показывает, что без хорошей работы электрической службы не происходит ожидаемого роста эффективности.

Большинство сельскохозяйственных установок работает на открытом воздухе, для которого характерны: изменение влажности и температуры в широком диапазоне, наличие примесей, пыли, песка в полеводстве и агрессивных газов (аммиака, сероводорода и диоксида углерода - углекислого газа) в животноводстве, а также значительные вибрации.

Условия работы средств автоматики в сельском хозяйстве остаются очень тяжелыми, а вероятность возникновения их неисправностей значительно выше, чем в других отраслях. Вследствие перечисленных особенностей методы и средства автоматизации сельскохозяйственного производства существенно отличаются от методов и средств автоматизации промышленности.

Для грамотного выбора, монтажа и эксплуатации технических средств автоматики нужны высококвалифицированные специалисты.

Выпускникам техникумов и колледжей по специализации «Автоматизация сельскохозяйственного производства» предстоит решать проблемы научно-технического, организационно-технологического и социально-экономического характера. Они должны хорошо знать технологию производства, его организацию, экономику и планирование, разбираться в механических, электрических, гидравлических и пневматических устройствах автоматики, уметь читать принципиальные схемы и владеть навыками правильной эксплуатации автоматических систем.

Свинарник неразрывно связан с электрификацией и автоматизацией сельского хозяйства. Данная зависимость объясняется следующими причинами:

уменьшение затрат на рабочую силу;

уменьшение себестоимости продукции;

повышение материального благосостояния работников;

высвобождение рабочего труда;

уменьшение затрат на технику.

1. Характеристика хозяйства

Полное название хозяйства ЗАО ”Красный холм”.

Адрес хозяйства: Ярославская область, Ростовский район, село ”Никольское”.

ЗАО “Красный холм” расположен на центральной части Ростовского района. Удаленность от районного центра: Ростов - 23км, от областного центра: Ярославля - 83 км. Дорожная сеть хозяйства представлена дорогой всероссийского назначение Москва - Холмогоры, проходящая в восточной части землевладения: с асфальтовым покрытием и внутрихозяйственными дорогами, связывающие центральную усадьбу с другими населенными пунктами с выше указанной дорогой.

Пункт сдачи сельскохозяйственной продукции: зерно - г.Ростов, картофель и овощи - г.Ярославль, молоко - Ростовский молоко завод.

Землепользование хозяйства состоит из однолетнего массива протяженностью с севера на юг - 10 км, с запада на восток - 7 км.

Создано ЗАО “Красный холм” в 1998 году. В соответствии с приказом Министерства сельского хозяйства СССР от 1973 года были проведены работы по осушению избыточного увлажнения земли. Из общей земельной площади осушено земель в хозяйстве 772 га.

Тип почвы пахотных угодий представлен в основном среднесуглинистыми почвами. Рельеф территории землевладения - холмистый. Климат умеренно-континентальный с умеренно теплым летом и умеренно холодной зимой, с ярко выраженными сезонами весны и осени. Выпадение осадков отличается большой изменчивостью.

Состав земельных угодий

Виды угодий

2011

2012

Общая земельная площадь

3215

3215

Сельхозугодия

2515

2515

Пашни

2033

2033

Сенокосы

102

102

Улучшенные сенокосы

22

22

Пастбища

380

380

Улучшенные пастбища

43

43

Лесные массивы

377

377

Древесно-кустарниковые пастбища

100

100

Пруды и водоемы

26

26

Дороги (км)

80

80

Болота

95

95

Прочие земли

25

25


Вывод: Состав земельных угодий за промежуток времени 1 год не изменился.

Специализация

Виды продукции

Выручено тыс. руб

Удельный вес, %

Зерно и зерновые

658

3,9%

Картофель

794

4,6%

Всего по растениеводству

1456

8,5%

Овцы и козы

271

1,6%

Мясо КРС

697

4,1%

Мясо свиней

42

0,25%

Молоко

14436

85%

Прочее

23

0,13%

Всего по животноводству

15469

91%

Всего по хозяйству

16925

100%


Вывод: По данным таблицы видно, что большой удельный вес у молочной продукции, следовательно, направление молочно-мясное.

Производственная программа по растениеводству

№ п/п

Виды культур

Посевная площадь

Урожайность

Валовые сборы

Себестоимость 1ц

Затраты труда



2009

2010

2009

2010

2009

2010

2009

2010

2009

2010

1

Зерно

5500

654

15,5

9,5

8526

5565

487,45

442,41

0,59

0,9

2

Картофель

25

6

111,2

150,2

2780

901

695,32

1520,53

0,72

1,11

Вывод: Из таблицы видно, что за промежуток времени в 1 год ухудшилась, зерновые площади увеличились по сравнению с картофелем там же уменьшилось значительно, урожайность увеличилась и себестоимость, очевидно на повышение себестоимости повлияло повышение цен на энергоресурсы.

Производственная программа по животноводству

№ пп

Группы скота

Поголовье скота

Продуктивность

Валовое производство

Себестоимость

Затраты труда



2009

2010

2009

2010

2009

2010

2009

2010

2009

2010

1

Молочные стада

315

330

3126

3432

9849

11297

1163,26

1153

4,57

3,98

2

Молодняк КРС

383

397

340

497,5

476

721

13794

112079

56,7

33,3

3

Свиноводство

125

127

220

265

92

111

19358

19541

97,8

72,1

4

Овцеводство

184

167

73,5

24

33

9

15273

22778

121

667


Вывод: Из таблицы видно, что программа по животноводству за промежуток времени в 1 год в целом по хозяйству показатели увеличились (молочное стадо, молодняк КРС , свиноводство) но в направление овцеводства произошли изменения в худшую сторону из за значительного снижения продуктивности что привело к увеличению себестоимости.

Основные экономические показатели работы хозяйства

№ п/п

Показатели

Единицы измерения

Года




2009

2010

1

Валовая продукция всего

Тыс. руб.

13036

20908

2

Среднегодовая численность работников занятых в с/х

Чел.

85

75

3

Затраты труда в с/х всего

Тыс. руб.

190

171

4

Произведено валовой продукции с/х на человека

Тыс. руб.

153

279

5

Произведено валовой продукции на человека

Тыс. руб.

68,6

122,3

6

Фонд заработной платы рабочих занятых в с/х

Тыс. руб.

8642

8509

7

Среднегодовая заработная плата 1 работника

Тыс. руб.

101

113

8

Стоимость основных произв. Фондов

Млн.руб.

38096

38880

9

Сумма энергомощностей

Л.с.

4642

4390

10

Расход эл. энергии

Тыс.кВт

693

938

11

Площадь с/х угодий

Га

3782

3782

12

Фондообеспеченность

Тыс. руб.

10,07

10,2

13

Фондовооруженность

Тыс. руб.

448,2

518,5

14

Энергообеспеченность

Л.с

1,2

1,1

15

Энерговооруженность

Л.с

54,5

58,5

16

Электрообеспеченность

кВт

0,2

0,25

17

Электровооруженность

кВт

8,15

12,5

18

Фондоотдача

Тыс. руб.

0,34

0,54

19

Фондоемкость

Тыс. руб.

3

2

20

Прибыль от реализации

Тыс. руб.

-4959

-1497

21

Себестоимость от реализации

Тыс. руб.

17158

23934

22

Уровень рентабельности

%

-29

-6,3


Вывод: Из таблицы видно, что в производство внедрили новую технику это заметно по расходу электроэнергии, что привело к снижение ручного труда в сельском хозяйстве и уменьшение энергомощностей. Из за сокращение ручного труда сократилось численность работников, что повлияло на заработную плату, то есть она увеличилась. Стоимость производственных фондов увеличилась, повлияло увеличение валовой продукции. Незначительная эффективность использования основных средств это видно по фондоотдаче. Прибыль от реализации продукции увеличилось. Себестоимость возросла, вследствие увеличения энергомощностей это не повлияло на рынок сбыта, так как нашли более выгодный рынок сбыта.

2. Электрификация и механизация производственных процессов

Электротехнической частью проекта предусматривается силовое электрооборудование, электроосвещение, облучение и заземление.

По степени надежности электроснабжения потребители электроэнергии свинарники относятся к третьей категории.

Напряжение силовой сети 380/220 В.

Изменение содержания углекислоты, влаги, аммиака в воздухе животноводческих помещений, а также отклонение температуры от значений допустимых нормами, отрицательно влияет на здоровье, продуктивность животных, для этого применяют следующие системы вентиляции:

.     Вытяжная вентиляция - вытягивает воздух из помещений, образуя разряжение, свежий воздух поступает в помещение через систему притока.

2.      Приточная вентиляция - нагнетает наружный воздух в помещения, создавая избыточное давление, а выходит воздух через вытяжные системы.

Удаление навоза предусматривается системой навозных транспортеров ТСН - 3.ОБ, который расположен в навозных канавах, перекрытых съемной решеткой и предназначен для погрузки навоза в транспортные средства.

Раздача кормов производится с помощью кормораздаточных транспортеров.

Проектом предусматривается рабочее и местное освещения. Напряжение общего освещения - 220 В; местного - 36 В и 12 В. В помещениях для содержания свиней и поросят предусматривается дежурное освещение. Освещенности помещения приняты по НТП-СХ.2-68.

Светильники приняты НСП. Осветительная сеть выполнена кабелем ВВГ.

Для приготовления жидких кормов применяют: котел пароварочный МЗС-374 варка кормов с помощью пара и котел пищеварочный КПЭ-100 варка жидких смесей.

Убой свиней осуществляется с помощью аппарата для оглушения свиней ФЭОС. После убоя свиней, мясную тушу помещают в морозильную камеру. Для охлаждения применяют компрессор СО-45А.

В помещениях для содержания свиней и поросят предусматривается дежурное освещение. Также на ферме для проведения небольших производственных работ есть точило настольное БЭТ-1, машина ручная сверлильная ИЭ-1031А и насос «ГНОМ 10-10» для откачивания воды.


 № помещения

  Наименование

Площадь помещения, м2

 Категория помещения по взрыво- и пожаробезопасности

1

Помещение откорма

121,26

Д

2

Склад для комбикормов

10,85

В

3

Кормоприготовительная

41,17

В

4

Служебная

6,16

В

5

Гардероб с душевой

4,66

В

6

Санузел

2,33

Д

7

Электрощитовая

9,08

Д

8

Венткамера

12,47

Д

9

Остывочная

13,56

Д

10

Убойная

15,64

Д

11

Подсобные помещения

11,7

Д

12

Тамбур

3,38

Д

13

Помещения откорма навоза

36,0

Д

14

Весовая

18,4

Д

15

Склад для кормов

15,40

В

16

Кормоприготовительная

18,48

В


3. Выбор рабочих машин и механизмов

Рабочие машины и оборудование выбираются из требований технологического процесса, при этом учитываются условия окружающей среды, в которых работает оборудование и возможность электрификации и автоматизации производственного процесса. В существующем проекте уборка навоза осуществляется транспортером ТСН-3.ОБ который отработал свой ресурс и требует замены. Предлагается заменить существующий навозоуборочный транспортер на ТСН-160 и применить установку УТН-10 для транспортировки навоза из помещения в навозохранилище.

Выбор двигателя для привода горизонтального транспортера.

.     Определяем подачу скребкового горизонтального транспортера.

Qr=H•B•vr•ρ•Ψ•c

Где Н - глубина навозной канавки, Н=0,12 м

В - ширина навозной канавки, В = 0,32 м

vr - скорость перемещения горизонтального транспортера, vr = 0,18 м/с

ρ - плотность навоза, ρ = 980 кг/м3

Ψ - коэффициент заполнения канавки, Ψ = 0,6

с - коэффициент учитывающий степень заполнения скребков в зависимости от наклона транспортера, с=1

Qr = 0,12•0,32•0,18•980•0,6•1 = 4,06 кг/с

2.   Определяем мощность электродвигателя для горизонтального транспортера.

Pr = (g•KH•Qr•Lr)/ῆn•cos a,

Где:

g- ускорение свободного падения, g = 9,81 м/с2

KH - коэффициент учитывающий сопротивление при пуске, KH = 1,2

Lr - длина горизонтального транспортера, Lr = 80 м

ῆn - коэффициент полезного действия передачи, ῆn = 0,8

а - угол наклона горизонтального транспортера, а = 00

Pr = (9,81•1,2•4,06•80)/0,8•1 = 3,8 кВт.

По расчетной мощности и условиям эксплуатации принимаем двигатель марки АИР112МВ6СУ1.

РН = 4 кВт; nH = 950 об/мин; ῆ = 0,82; cos ɸ = 0,81; К1 = 6; μ = 2,0; μ max = 2,2; μ min = 1,64; IH = 9,2 А.

ТСН - 160

Производительность, т/ч

4,5

Число обслуживаемых животных, гол.

100

Длина цепи: Горизонтально транспортера, м

 160

Размеры навозоуборочного канала: Ширина, мм Глубина, мм

 320 120

Установленная мощность транспортера: Горизонтального, кВт

 4

Масса, кг

1890


Удаление навоза за пределы осуществляется установкой УТН-10.

При уборке навоза в помещении транспортером ТСН-160 навоз проталкивается по навозопроводу на расстояние около 150 метров от фермы к навозохранилищу.

УТН - 10

Производительность за час чистого времени, т

7,7…10,9

Мощность установки, кВт

11

Габаритные размеры поршневого насоса, мм

2705*905*1680

Дальность транспортирования, м

До 150

Масса (без навозопровода), кг

2150

Внутренний диаметр навозопровода, мм

315

Рабочий объем цилиндра, дм3

76,8

Диаметр поршня насоса, мм

395

Ход поршня, мм При холостом ходе При рабочем ходе

630 4,4 9,6

Затраты труда, ч/т

0,133

Время одного цикла, сек

26,4


Данная установка комплектуется двигателем АИР160S6СУ1.

РН = 11 кВт; nH = 970 об/мин; ῆ = 0,88; cos ɸ = 0,83; К1 = 6,5; μ = 2,0; μ max = 2,7; μ min = 1,6; IH = 22,9 А.

4. Проверочный расчет электродвигателей

Проверочный расчет электродвигателя горизонтального транспортера

АИР112МВ6СУ1

РН = 4 кВт; nH = 950 об/мин; ῆ = 0,82; cos ɸ = 0,81; К1 = 6; μ = 2,0; μ max = 2,2; μ min = 1,64; IH = 9,2 А

.     Определяем коэффициент каталожной неувязки.

К кн = Рс/Рн

Где: Рс - мощность сопротивлени машины, Рс = 3,8 кВт

К кн = 3,8/4 = 0,95

2.   Определяем коэффициент суммарного действия.

К = Кзм - Ккн

Где: Кзм - коэффициент загрузки машины, Кзм = 0,5

К= 0,5*0,95 = 0,48

3.   Присоединенная мощность электродвигателя.

Р прис = Рн/ῆн

Р прис = 4/0,8 = 5 кВт

.    
Максимальная мощность электродвигателя.

Р мах = Р прис * К

Р мах = 5 * 0,48 = 2,4 кВт

.     Проверяем предварительно электродвигатель на возможность пуска и перегрузочную способность.

Р пуск = Рмах/μн

Р пуск = 2,4/2 = 1,2 кВт

Условие перегрузочной способности

Рн ≥Рпуск

›1,2

Условие перегрузочной способности выполняется, электродвигатель отвечает условиям работы.

Проверочный расчет двигателя поршневой установки УТН - 10

АИР160S6СУ1

РН = 11 кВт; nH = 970 об/мин; ῆ = 0,88; cos ɸ = 0,83; К1 = 6,5; μ = 2,0; μ max = 2,7; μ min = 1,6; IH = 22,9 А.

.     Определяем коэффициент сопротивления машины.

Рс = Рдв * ῆ перед = 11*1 = 11 кВт

2.   Определяем коэффициент каталожной неувязки.

К кн = Рс/Рн

Где: Рс - мощность сопротивления машины, Рс = 11 кВт

К кн = 11/11 = 1

3.   Определяем коэффициент суммарного действия.

К = Кзм*Ккн

Где: Кзм - коэффициент загрузки машины, Кзм = 0,5

К = 0,5*1 = 0,5

4.   Присоединенная мощность электродвигателя.

Р прис = Рн/ῆn

Рприс = 11/1 = 11 кВт

5.   Максимальная мощность электродвигателя

Р мах = Р прис * К

К - коэффициент суммарного действия.

Р мах = 11 * 0,5 = 5,5 кВт

Проверяем предварительно электродвигатель на возможность пуска и перегрузочную способность

Р пуск = Р мах/μn

Р пуск = 5,5/2 = 2,75 кВт

Условия перегрузочной способности

Рн ≥ Р пуск

› 2,75

Условие перегрузочной способности выполняется, и мощность электродвигателя отвечает условиям работы.

5. Выбор пусковой и защитной аппаратуры

При выборе пусковой и защитной аппаратуры необходимо учитывать номинальный ток защищаемого оборудования, напряжение сети, род тока, а также возможность дистанционного управления установкой.

Управление двигателями навозоуборочных транспортеров осуществляется магнитными пускателями, защита двигателя от токов перегрузки осуществляется тепловыми реле, а от токов перегрузки автоматическим выключателем с электромагнитными расцепителями.


Выбор магнитных пускателей

Горизонтальный транспортер ТСН - 160

.     Выбираем магнитный пускатель для электродвигателя горизонтального транспортра.

Марка электродвигателя АИР112МВ6СУ1

РН = 4 кВт

IH = 9,2 А; К1 = 6

.     Учитывая мощность электродвигателя и условия эксплуатации, предварительно выбираем магнитный пускатель первой величины

ПМЛ - 121002 без кнопок пуск и стоп; 10А › 9,2А

      Проверяем условия коммутации.

пуск = Кi * Iн.д

Iпуск = 6,0 * 9,2 = 55,2 А

Iн.п › Iпуск/6 = 55,2/6 = 9,2 А

А › 9,2 А.

Магнитный пускатель выбран верно.

      Выбираем тепловые реле по номинальному току электродвигателя.

РТД - 101404

IН.Р = 10 А

Приделы регулирования 7,0…10 А

Поршневая установка УТН-10.

.     Выбираем магнитный пускатель для электродвигателя поршневой установки УТН-10

Марка двигателя АИР160S6СУ

РН = 11 кВт

IН 22,9 А; К1 = 6,5

.     Учитывая мощность электродвигателя и условия эксплуатации, предварительно выбираем магнитный пускатель первой величины

ПМЛ - 221002 без кнопок пуск и стоп.

IН.П. › IН.Д;

А › 22,9 А

Проверяем условия коммутации.

Iпуск = Ki * IН.Д

Iпуск = 6,0 * 22,9 = 148,9 А.

IН.П › Iпускк/6 = 148,6/6 = 24,8 А

А › 24,8А

Магнитный пускатель выбран верно.

. Выбираем тепловое реле по номинальному току электродвигателя.

РТЛ - 102204

Iн.р = 25А

Пределы регулирования 18…25А

Выбор автоматического выключателя на вводе установки

.     Номинальный ток автомата должен быль больше или равен максимальному рабочему току установки.

IH авт ≥ 1р.

Iр = ∑ 1н.дн

Iр = 9,2 + 22,9 = 32,1 А

Iн авт ≥ 32,1 А

Выбираем автомат АЕ2046Р

Iн.расп = 40А

А ≥ 32,1 А

Принимаем ток расцепителя на 32А с приделом регулирования (1,15) 1тр

. Определяем кратность силы тока установки рацепителя.

К = ∑Iн.двиг. / Iн.расц.

К = 32,1/32 = 1,003

Регулятор устанавливаем на 1

.     Проверяем выбранный автомат на возможность срабатывания при пуске.

Iср.авт ≥ 1,25*∑ Iпуск.дв

I ср.авт ≥ 1,25*32,1*6,5 = 260,81 А

I ср.ном. = 12*I ном. Расц

Iср.ном. = 12*32 = 384А

,81 А ‹ 384 А

Ложных срабатываний при пуске двигателя не будет.

6. Расчет силовой проводки

Провода и кабели должны быть выбраны таким образом, чтобы температура при длительном протекании рабочего тока не была больше предельно допустимой. При расчетах провода внутренних электропроводок выбирают по значению предельно допустимого тока. Марку проводов и кабелей выбирают в зависимости от условий окружающей среды и способа прокладки.


Выбираем провод от щита управления до горизонтального транспортера по условиям:

По условию нагрева длительным расчетным током.

Iдоп. ≥ Iном двиг. М1

где: Iдоп. - допустимый ток проводника.

Iдоп. ≥ 9,2 А.

Исходя из этих условий, принимаем к установке провод ПВ 4 (1*1,5)

Iдоп. = 17А проложен в трубе.

Выбираем провод от щита управления до установки по условиям: По условию нагрева длительным расчетным током.

Iдоп. ≥ Iном двиг. М1

Где: Iдоп. - допустимый ток проводника.

Iдоп. ≥ 22,9 А.

Исходя из этих условий, принимаем к установке провод ПВ 4 (1*2,5)

Iдоп. = 25А. проложен в трубе.

Выбираем кабель от распределительного щита управления по условиям:

По условию нагрева длительным расчетным током.

Iдоп. ≥ Iр.

Ip.=∑I ном.двиг.

Ip. = 9,2 + 22,9 = 32,1 А.

Исходя из этих условий, принимаем к установке кабель ВВГ (4*4)

Iдоп. = 35А. проложен в скобах.

7. Расчет освещения

Расчет электрического освещения методом коэффициента использования светового потока.

. Вычерчиваем план помещения.


2. Выбираем светильник типа НСПО1.

. Определяем расчетную высоту.

Hp = H - hрп - hc

Где h - высота помещения

hc - высота светильников

hрп - высота рабочей поверхности

hp = 3 - 0,5 - 0 = 2,5 м.

. Вывбираем оптимальное расстояние между рядами осветительных приборов.

L опт = (1,4…1,6) * hp

L опт = (1,4…1,6)* 2,5 = 3,5…4м; L опт = 4м.

. Определяем число рядов светильников.

Np = B/L опт

Где В - ширина помещения

Np = 12/4 = 3;

Принимаем 3 ряда светильников.

. Определяем количество осветительных приборов.

n оп. = (A - 2 * Lcт) / L опт

А - длина помещения

L ст = (0,4…0,5) * L опт

L ст = (0,4…0,5) * 4 = 1,6…2м.

n оп. = (32 - 2 * 2) / 4 + 1 = 8

7. Находим общее количество светильников.

n = np * n оп

n = 3 * 8 = 24

. Принимаем коэффициент отражения поверхности помещения

р пот. = 50%; р стен = 30%; р раб.пов. = 10%.

. Определяем индекс помещения.

I = (A * B) / hp * (A + B)

A и В - длина и ширина освещаемого помещения.

. Определяем коэффициент использования светового потока.

U = Ф * U1 + ش * U2

U = 0,67 * 0, 77 + 0,08 * 0,36 = 0,7

. خïًهنهëےهى ًàٌ÷هٍيûé ٌâهٍîâîé ïîٍîê îنيîمî ٌâهٍèëüيèêà.

شً = إn * F * K * Z / N * U,

منه F - ïëîùàنü ïîىهùهيèے

ت - êî‎ôôèِèهيٍ çàïàٌà

Z - êî‎ôôèِèهيٍ يهًàâيîىهًيîٌٍè

En - يîىèيàëüيàے îٌâهùهييîٌٍü

شً = 30 * (32 * 12) * 1,3 * 1,6 / 8 * 0,7 = 23961,6 / 11, 4 = 2101,9 ثى.

بç ٍàلëèِû âûلèًàهى ëàىïû ٍèïà أ215-225-150; ٌâهٍîâîé ïîٍîê ًàâهي 2280 ثى; ىîùيîٌٍü ًàâيà 150 آٍ.

. خïًهنهëےهى ىîùيîٌٍü ٌâهٍîâîé ٌٍَàيîâêè.

ذَ. = ذ ë * n = 150 * 24 = 3600 آٍ.

دًîâهًےهى ىîùيîٌٍü ëàىïû يà îٍêëîيهيèه îٍ ًàٌ÷هٍيîé. جîùيîٌٍü ëàىïû يه نîëويà لûٍü ىهيüّه ًàٌ÷هٍيîé يà 10% è يه ïًهâûّàٍü يà 20%.

Δش = (شë - شً) / شً * 100%

Δش = (2280 - 2101,9) / 2101,9 * 100% = 8,47%

خٍêëîيهيèه ىîùيîٌٍè ëàىïû îٍيîٌèٍهëüيî ًàٌ÷هٍيîé يه ïًهâûّàهٍ ًٍهلَهىûُ çيà÷هيèé.

ذàٌ÷هٍ ‎ëهêًٍè÷هٌêîمî îٌâهùهيèے âهيٍèëےِèîييîé êàىهًû ىهٍîنîى َنهëüيîé ىîùيîٌٍè.

1.  آû÷هً÷èâàهى ïëàي ïîىهùهيèے


. آûلèًàهى يîىèيàëüيَ‏ îٌâهùهييîٌٍü ïî ïًèëîوهيè‏ En=20 ثê

. حàُîنèى êî‎ôôèِèهيٍû îًٍàوهيèے ïîٍîëêà, ïîëà, ٌٍهي;

p ïîٍ. = 50%; ً ٌٍهي = 30%; ً ïîëà = 10%.

. ؤëے نàييîمî ïîىهùهيèے âûلèًàهى ٍèï ٌâهٍèëüيèêà حردخ1.

. آûٌîٍà ïîنâهٌà ٌâهٍèëüيèêà ًàâيà 2,5ى.

حً = 2,5ى

. حàُîنèى ïëîùàنü ïîىهùهيèے

F = A * B

F = 3 * 3,5 = 10,5 ى2

ê1 = ê ç / ê çٍ

ê1 = 1,15 / 1,3 = 0,88

ê2 - êî‎ôôèِèهيٍ ïًèâهنهيèے êî‎ôôèِèهيٍà îًٍàوهيèے ïîâهًُيîٌٍهé ïîىهùهيèے ê ٍàلëè÷يîىَ çيà÷هيè‏.

ê2 = 1,1

ê4 - êî‎ôôèِèهيٍ ïًèâهنهيèے يàïًےوهيèے ïèٍàيèے èٌٍî÷يèêîâ ê ٍàلëè÷يîىَ çيà÷هيè‏.

ê4 = 1

ذ َن. = 20 * 0,88 * 1,1 * 1 = 19,36 آٍ.

ذàٌٌ÷èٍàٍü ىîùيîٌٍü èٌٍî÷يèêà ٌâهٍà

ذً = ذ َن. * F / N * nc

Pp = (19,36 * 10,5) / 1,1 = 203,28 آٍ

آûلèًàهى ëàىïَ ٍèïà ء215-225-200. ذë = 200 آٍ.

دًîâهًےهى ىîùيîٌٍü ëàىïû يà îٍêëîيهيèه îٍ ًàٌ÷هٍيîé. جîùيîٌٍü ëàىïû يه نîëويà لûٍü ىهيüّه ًàٌ÷هٍيîé يà 10% è يه ïًهâûّàٍü يà 20%.

Δذ = (ذë - ذً) / ذً * 100%

Δذ = (200-203,98) / 203,28 * 100% = - 1,6 %

خٍêëîيهيèه ىîùيîٌٍè ëàىïû îٍيîٌèٍهëüيî ًàٌ÷هٍيîé يه ïًهâûّàهٍ ًٍهلَهىûُ çيà÷هيèé.

8. آûلîً ïٌَêîâîé è çàùèٍيîé àïïàًàًٍَû

آٌ‏ îٌâهٍèٍهëüيَيàمًَçêَ ًàçلèâàهى يà 6 مًَïï è âû÷هً÷èâàهى ًàٌ÷هٍيٌَُهىَ.


دًèيèىàهى ê ٌٍَàيîâêه îٌâهٍèٍهëüيûé ùèٍ ىàًêè خظآ - 6

ًàٌٌ÷èٍàييûé يà 6 îٍُîنےùèُ مًَïï.

ذ2مً = 760 آٍ I2مً = ذ2مً / (U * cos φ) = 760 / (220*1) = 3,5 ہ

ذ3مً = 1850 آٍ I3مً = ذ3مً / (U * cos φ) = 1850 / (220*1) = 8,4 ہ

ذ4مً = 1400 آٍ I4مً = ذ4مً / (U * cos φ) = 1400 / (220*1) = 6,4 A

ذ5مً = 400 آٍ I5مً = ذ5مً / (U * cos φ) = 400 / (220*1) = 1,8 A

خïًهنهëےهى ٍîê àâٍîىàٍè÷هٌêèُ âûêë‏÷àٍهëهé نëے êàونîé îٍُîنےùهé ëèيèè îٌâهٍèٍهëüيîé يàمًَçêè.

Iًٍ1 مً ت * I1 مً.

منه: ت - êî‎ôôèِèهيٍ يàنهويîٌٍè (1,1 ÷ 1,3)

I ًٍ1مً ≥ 1,1 * 6,0 = 6,6 ہ

I ًٍ2مً ت * I2مً

I ًٍ2مً ≥ 1,1 * 3,5 = 3,85 ہ

I ًٍ3مً ت * I3مً

I ًٍ3مً ≥ 1,1 * 8,4 = 9,24 ہ

I ًٍ4مً ت * I4مً

I ًٍ4مً ≥ 1,1 * 6,4 = 7,04 ہ

I ًٍ5مً ت * I5مً

I ًٍ5مً ≥ 1,1 * 1,8 = 1,98 ہ

دًèيèىàهى îنيîôàçيûه àâٍîىàٍè÷هٌêèه âûêë‏÷àٍهëè ٌهًèè ہ-1361; I ي.ً. = 15ہ.

خïًهنهëےهى ٍîê يà ââîنه îٌâهٍèٍهëüيîمî ùèٍà.

Iâ. ùî = ∑ ذمً / (√3 * Uë * cos φ)

منه: ذمً - ٌَىىà âٌهé يàمًَçêè îٌâهٍèٍهëüيîé ٌهٍè.

Uë - ëèيهéيîه يàïًےوهيèه ٌهٍè Uë = 380 آ.

ذمً = ذ 1مً + ذ 2مً + ذ 3مً + ذ 4مً + ذ 5مً

ذ مً = 1330 + 760 + 1850 + 1400 + 400 = 5740 آٍ.

Iâ. ùî = 5740 / (√3 * 380 * 1) = 8,72 ہ.

خïًهنهëےهى ٍîê àâٍîىàٍè÷هٌêîمî âûêë‏÷àٍهëے يà ââîنه ùèٍà îٌâهùهيèے.

Iًٍ. ùî. ≥ ت * Iâ. ùî

منه: ت - êî‎ôôèِèهيٍ يàنهويîٌٍè (1,1 ÷ 1,3)

Iًٍ. ùî. ≥ 1,25 * 8,36

Iًٍ. ùî. ≥ 10,45 ہ

دًèيèىàهى يà ââîنه ùèٍà îٌâهùهيèے àâٍîىàٍè÷هٌêèé âûêë‏÷àٍهëü ىàًêè ہإ 20361; Iًٍ. =16ہ; Iي.à. = 25ہ

. ذàٌ÷هٍ îٌâهٍèٍهëüيîé ïًîâîنêè

خïًهنهëےهى ٌه÷هيèه êàلهëے نëے êàونîé مًَïïû îٌâهùهيèے èç ٌَëîâèé:

. دî ٌَëîâèےى يàمًهâà نëèٍهëüيî - نîïٌٍَèىûى ٍîêîى.

Iنîï. ≥ Ip.

منه: Iنîï. - نîïٌٍَèىûé ٍîê ïًîâîنيèêà.

Iً. - ىàêٌèىàëüيûé ًàلî÷èé ٍîê ëèيèè.

Iنîï. 1مً ≥ I 1مً = 6,0 ہ

Iنîï. 2مً ≥ I 2مً = 3,5 ہ

Iنîï. 3مً ≥ I 3مً = 8,4 ہ

Iنîï. 4مً ≥ I 4مً = 6,4 ہ

Iنîï. 5مً ≥ I 5مً = 1,8 ہ

2. دî ٌîîٍâهٌٍٍâè‏ àïïàًàٍà çàùèٍû.

Iنîï. ≥ Iًٍ.

Iنîï. 1مً ≥ 15 ہ

Iنîï. 2مً ≥ 15 ہ

Iنîï. 3مً ≥ 15 ہ

Iنîï. 4مً ≥ 15 ہ

Iنîï. 5مً ≥ 15 ہ

بٌُîنے èç ‎ٍèُ ٌَëîâèé يà êàونîé مًَïïه ïًèيèىàهى ê ٌٍَàيîâêه êàلهëü آآأ (3 * 1,5); Iنîï. = 17 ہ

دًîâهًےهى îٌâهٍèٍهëüيَ‏ ïًîâîنêَ يà ïîٍهًيàïًےوهيèے. آ ٌîîٍâهٌٍٍâèè ٌ دسف ïîٍهًے يàïًےوهيèے نëے âيًٍَهييèُ ïًîâîنîê يه نîëويà ïًهâûّàٍü 2,5 %.

Δ U ≤ Δ U نîï. = 2,5 %

آû÷هً÷èâàهى ًàٌ÷هٍيَ ٌُهىَ ّهٌٍîé مًَïïû îٌâهٍèٍهëüيîé ٌهٍè.

خïًهنهëےهى ىîىهيٍ ىàمèًٌٍàëüيîé ëèيèè.

ج = ∑ذ * l

منه: ∑ذ - ٌَىىà ىîùيîٌٍè يàمًَçîê يà َ÷àٌٍêه ëèيèè.

l - نëèيà َ÷àٌٍêà.

ج = 0,15 * 0, 25 + 0,06 * 22 + 0,2 * 14 + 0,15 * 12 + 0,15 * 8 = 10,87 êآٍ*ى

خïًهنهëےهى ïîٍهًيàïًےوهيèے

ΔU = M / (C * F),

منه: ر - ïîٌٍîےييûé êî‎ôôèِèهيٍ, çàâèٌےùèé îٍ يàïًےوهيèے ٌهٍè, ÷èٌëà ôàç è ىàٍهًèàëà ٍîêîïًîâîنےùهé وèëû. ؤëے îنيîôàçيîé ٌهٍè يàïًےوهيèے 220 آ, âûïîëيهييîé ىهنيûى ïًîâîنîى ر = 12,8

F - ٌه÷هيèه ٍîêîïًîâîنےùهé وèëû

ΔU = 10,87 / (12,87 * 1,5) = 0,57 %

,57 % < 2,5 %

دîٍهًے يàïًےوهيèے â ëèيèè يه ïًهâûّàهٍ نîïٌٍَèىîمî çيà÷هيèے, ٌëهنîâàٍهëüيî êàلهëü نëے ïèٍàيèے îٌâهٍèٍهëüيîé يàمًَçêè âûلًàي âهًيî.

ذàٌ÷هٍ ââîنà îٌâهٍèٍهëüيîé ٌهٍè.

خïًهنهëےهى ٌه÷هيèه êàلهëے èç ٌَëîâèé:

. دî ٌَëîâè‏ يàمًهâà نëèٍهëüيî نîïٌٍَèىûى ٍîêîى.

I نîï. ≥ Iâ. ùî. نîï. ≥ 8,36 ہ.

دî ٌîîٍâهٌٍٍâè‏ àïïàًàٍà çàùèٍû.

I نîï. ≥ Iًٍ. ùî.نîï. ≥ 16 ہ

‎ëهêًٍèôèêàِèے ىهُàيèçàِèے ‎ëهêًٍîنâèمàٍهëü ïًîâîنêà

بٌُîنے èç ‎ٍèُ ٌَëîâèé يà ââîنه â ùèٍ îٌâهùهيèے êàلهëü آآأ (5 * 1,5)

I نîï. = 17 ہ.

10. تîىïîيîâêà ٌèëîâîé îٌâهٍèٍهëüيîé ٌهٍè

فëهêًٍîٌيàلوهيèه ٌâèيàًيèêà îٌَùهٌٍâëےهٌٍے îٍ ًٍàيٌôîًىàٍîًيîé ïîنٌٍàيِèè 10/0,4 êآ ïî âîçنَّيîé ëèيèè. آâîن â çنàيèه îٌَùهٌٍâëےهٌٍے êàلهëهى ٌ ىهنيûىè وèëàىè. فëهêًٍè÷هٌêàے يàمًَçêà ٌâèيàًيèêà ًàçنهëهيà يà 12 مًَïï è ïًèٌîهنèيهيà ê ًàٌïًهنهëèٍهëüيîىَ ïَيêٍَ أ1ذ 9332: îٍ 1 مًَïïû ïîëَ÷àهٍ ïèٍàيèه ïًèٍî÷يàے ٌèٌٍهىà è ‎ëهêًٍîîلîمًهâ âîçنَّيîé çàٌëîيêè د; îٍ 2 مًَïïû ïîëَ÷àهٍ ïèٍàيèه ïًèٍî÷يàے ٌèٌٍهىà è ‎ëهêًٍîîلîمًهâ âîçنَّيîé çàٌëîيêè د2; îٍ 3 مًَïïû ïîëَ÷àهٍ ïèٍàيèه ùèٍ َïًàâëهيèے, à îٍ ùèٍà ê مîًèçîيٍàëüيîىَ ًٍàيٌïîًٍهًَ è يàٌîٌيîé ٌٍَàيîâêè; îٍ 4 مًَïïû ïîëَ÷àهٍ ïèٍàيèه ٍàëü ‎ëهêًٍè÷هٌêàے è êîٍهë ïàًîâàًî÷يûé; îٍ 5 مًَïïû ïîëَ÷àهٍ ïèٍàيèه êîٍهë ïèùهâàًî÷يûé; îٍ 6 مًَïïû ïîëَ÷àهٍ ïèٍàيèه َىûâàëüيèê ٌî ٌٍهًèëèçàٍîًîى; îٍ 7 مًَïïû ïîëَ÷àهٍ ïèٍàيèه êàىهًà ُîëîنèëüيàے, ٍàëü ‎ëهêًٍè÷هٌêàے è àïïàًàٍ نëے îمëَّهيèے ٌâèيهé; îٍ 8 مًَïïû ïîëَ÷àهٍ ïèٍàيèه êîىïًهٌٌîً, ٍî÷èëî è ىàّèيà ًَ÷يàے ٌâهًëèëüيàے; îٍ 9 مًَïïû ïîëَ÷àهٍ ïèٍàيèه ùèٍ îٌâهùهيèے ىàًêè خظآ - 6. آٌے îٌâهٍèٍهëüيàے يàمًَçêà ًàçنهëهيà يà 6 مًَïï, èç êîٍîًûُ îنيà - نهوًَيîمî îٌâهùهيèے è îنيà - ًهçهًâيàے مًَïïà, îٌâهٍèٍهëüيàے ïًîâîنêà âûïîëيهيà ïےٍèوèëüيûى ىهنيûى êàلهëهى ىàًêè آآأ, à çàùèٍà مًَïï àâٍîىàٍè÷هٌêèىè âûêë‏÷àٍهëےىè ہإ - 2056ذ; îٍ 11 مًَïïû ïîëَ÷àهٍ ïèٍàيèه يàٌîٌ أحخج, يàٌîٌ 11/2 ê-6 è âûٍî÷يàے ٌèٌٍهىà; îٍ 12 مًَïïû ïîëَ÷àهٍ ïèٍàيèه ّêàô ًهمَëèًîâàيèے ٍهىïهًàًٍَû. خٍ ًàٌïًهنهëèٍهëüيîمî ïَيêٍà ïًîâîنêà âûïîëيهيà êàلهëهى آآأ, à îٍ ùèٍîâ َïًàâëهيèے ê ًàلî÷èى ىàّèيàى ىهنيûى ïًîâîنîى ىàًêè دآ â ïًîëîوهييîé ًٍَله.

11. ذàٌ÷هٍ ââîنà â çنàيèه


ذ 1مً = 1,75 êآٍ ذ 5مً = 14,5 êآٍ ذ 9مً = 7,5 êآٍ

ذ 2مً = 1,57 êآٍ ذ 6مً = 1,6 êآٍ ذ 10مً = 2,0 êآٍ

ذ 3مً = 15 êآٍ ذ 7مً = 2,96 êآٍ ذ 11مً = 2,72 êآٍ

ذ 4مً = 2,66 êآٍ ذ 8مً = 0,98 êآٍ ذ 12مً = 0 êآٍ

خïًهنهëےهى ٌٍَàيîâëهييَىîùيîٌٍü.

ذَ = ∑ ذمً

ذَ = 1,75+1,57+15+2,66+14,5+1,6+2,96+0,98+7,5+2,0+2,72=55,02 êآٍ

خïًهنهëےهى ًàٌ÷هٍيَىîùيîٌٍü يà ââîنه.

ذً. = m * ذَ

منه: m - êî‎ôôèِèهيٍ îنيîâًهىهييîٌٍè âêë‏÷هيèے ïîًٍهلèٍهëهé.

ذً = 0,65 * 55,02 = 35,76 êآٍ

خïًهنهëےهى ًàٌ÷هٍيûé ٍîê يà ââîنه.

Iً = Pp / √3 * UH * cos φ ًٌ.âç.,

منه: Uح - يîىèيàëüيîه يàïًےوهيèه ٌهٍè.

cos φ ًٌ.âç.- ًٌهنيهâçâهّهييûé êî‎ôôèِèهيٍ ىîùيîٌٍè âٌهُ ٌٍَàيîâîê.

Iً = 35,76 / √3 * 0,38 * 0,85 = 77,74 ہ

آûلèًàهى àâٍîىàٍè÷هٌêèé âûêë‏÷àٍهëü â ùèٍ دذ 9332.

Iًٍ. ≥ ت * Iً,

منه: ت - êî‎ôôèِèهيٍ يàنهويîٌٍè (1,1 ÷ 1,3)

Iًٍ. ≥ 1,1 * 77,75 = 85,51 ہ.

دًèيèىàهى يà ââîنه àâٍîىàٍè÷هٌêèé âûêë‏÷àٍهëü ىàًêè ہإ 2056ذ;

Iًٍ = 100 ہ; Iيà = 100 ہ.

خïًهنهëےهى ٌه÷هيèه êàلهëے يà ââîنه, èç ٌَëîâèے:

Iنîï. ≥ Iً

Iنîï. ≥ 77,75 ہ.

بٌُîنے èç ‎ٍèُ ٌَëîâèé, ïًèيèىàهى ê ٌٍَàيîâêه êàلهëü آآأ (4*16); Iنîï. = 75 ہ.

12. ہâٍîىàٍèçàِèے ïًîèçâîنٌٍâهييûُ ïًîِهٌٌîâ

ذàçًàلîٍêà ٍهُيîëîمè÷هٌêîé ٌُهىû

بç يàâîçîًُàيèëèù îٍêًûٍîمî ٍèïà èëè èç ًٍàيّهéيûُ, ًàٌïîëîوهييûُ îٍنهëüيî èëè ïîن ïîëîى وèâîٍيîâîن÷هٌêîé ïîًٌٍîéêè, è êîٍîًûُ يà ùهëهâûُ ïîëےُ ٌîنهًوàٌٍے وèâîٍيûه, يàâîç âûمًَوà‏ٍ â ïًèهىيèê يàâîçà ٌٍَàيîâêè سزح-10 ïًè ïîىîùè ٌêًهïهًيûُ ٌٍَàيîâîê ٍèïà زرح-160.

سٌٍàيîâêà سزح-10 ٌîٌٍîèٍ èç ïîًّيهâîمî ٍîëêàٍهëے, ًٍَلîïًîâîنà, ٌٍàيِèè مèنًîïًèâîنà è àًىàًٍَû. رٍàيِèے ٌîçنàهٍ يàïîً â مèنًîٌèٌٍهىه, ïًèâîنےùèé â نهéٌٍâèه ïîًّهيü 4 è âٌàٌûâà‏ùه-يàميهٍàٍهëüيûé êëàïàي 3, âî âًهىے ُîëîٌٍîمî ُîنà ïîًّيے 4, êëàïàي 3 îٍêًûâàهٍ îêيî çàمًَçî÷يîé مîًëîâèيû 2 è â ًàلî÷َ‏ êàىهًَ ًٌٍَîéٌٍâà ïîٌٍَïàهٍ ىàٌٌà èç çàمًَçî÷يîé âîًîيêè. حàميهٍàٍهëüيûé ًٍَلîïًîâîن 10 çàêًûٍ. ذàلî÷èى ُîنîى ïîًّيے 4 يàâîç âûٍàëêèâàهٌٍے â يàïîًيûé ًٍَلîïًîâîن 10, êëàïàي 3 îٍêًûâàهٌٍے è çàêًûâàهٍ مîًëîâèيَ 2. زًَلîïًîâîن 10 نèàىهًٍîى 300ىى. âُîنèٍ â يàâîçîًُàيèëèùه ïîن ًَîâهيü ىàٌٌû, ÷ٍî èٌêë‏÷àهٍ همî çàىهًçàيèه.

- êîيâهéهً تحد-10; 2-ïًèهىيèê يàâîçà (مîًëîâèيà); 3-êëàïàي; 4 - ïîًّهيü; 5-مèنًîِèëèينً; 6-ىàٌëîïًîâîن; 7-ïهًهُîنيèê; 8 - êîًïٌَ; 9 - êîيٌَ; 10 - يàâîçîًٍَلîïًîâîن ê يàâîçîًُàيèëèùَ.

سٌٍàيîâêà سزح-10 ىîوهٍ ًٍàيٌïîًٍèًîâàٍü يàâîç ٌ ïîنٌٍèëêîé ïًè âëàويîٌٍè يه ىهيهه 75…76%, à ٍàêوه وèنêèé يàâîç. ؤëèيà ïٍَè ًٍàيٌïîًٍèًîâàيèے 50…150ى.

سٌٍàيîâêà نëے ًٍàيٌïîًٍèًîâêè يàâîçà سزح - 10


ذàçًàلîٍêà ïًèيِèïèàëüيîé ‎ëهêًٍè÷هٌêîé ٌُهىû

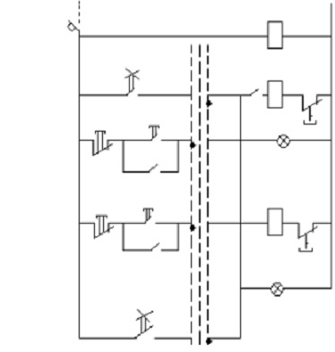
ؤàييàے ïًèيِèïèàëüيàے ‎ëهêًٍè÷هٌêàے ٌُهىà îلهٌïه÷èâàهٍ ًàلîٍَ ٌٍَàيîâêè êàê â ًَ÷يîى, ٍàê è â àâٍîىàٍè÷هٌêîى ًهوèىه لهç يهïîًٌهنٌٍâهييîمî َ÷àٌٍèے ÷هëîâهêà.

آ ٌîîٍâهٌٍٍâèè ٌ ٍهُيîëîمè÷هٌêîé ٌُهىîé يà ًèٌَيêه ïًèâهنهيà ïًèيِèïèàëüيàے ٌُهىà àâٍîىàٍèçàِèè ïîٍî÷يîé ëèيèهé.

 

ہâٍîىàٍè÷هٌêèé ًهوèى ًàلîٍû

آ çàنàييîه âًهىے ïًîمًàىىيîه ًهëه âًهىهيè تز1 çàىûêàهٍ ٌâîè êîيٍàêٍû تز 1.1 è تز 1.2, âêë‏÷àهٍ ىàميèٍيûé ïٌَêàٍهëü تج 2 è ëàىïî÷êَ حL 2 ïîًّيهâîمî يàٌîٌà. اàٍهى çàىûêà‏ٌٍے êîيٍàêٍû ىàميèٍيîمî ïٌَêàٍهëے تج 2.2, ٍهى ٌàىûى ىàميèٍيûé ïٌَêàٍهëü تج 1 è ëàىïî÷êَ حL 1 مîًèçîيٍàëüيîمî ًٍàيٌïîًٍهًà. ×هًهç îïًهنهëهييîه âًهىے, êîٍîًîمî نîëويî ُâàٍèٍü يà َلîًêَ يàâîçà â ïîىهùهيèè, تز 1 îٍêë‏÷àهٍ êîيٍàêٍ تز 1.2 è îٍêë‏÷àهٍ ىàميèٍيûé ïٌَêàٍهëü تج 1 ٌ ëàىïî÷êîé HL 1 مîًèçîيٍàëüيîمî ًٍàيٌïîًٍهًà. حàٌîٌيàے ٌٍَàيîâêà ïًîنîëوàهٍ َلèًàٍü يàâîç çà ïًهنهëû ïîىهùهيèے â ٍه÷هيèè îïًهنهëهييîمî âًهىهيè, تز 1 ًàçىûêàهٍ ٌâîé êîيٍàêٍ تز 1.2 è îٍêë‏÷àهٍ ىàميèٍيûé ïٌَêàٍهëü تج 2 è ëàىïî÷êَ حL 2 ٌ ëàىïî÷êîé HL 2 يàٌîٌيîé ٌٍَàيîâêè.

ذَ÷يîé ًهوèى ًàلîٍû

زَىلëهً SA âêë‏÷àهى â ïîëîوهيèه ذ, ٌيà÷àëà âêë‏÷àهى êيîïêîé SB4 ىàميèٍيûé ïٌَêàٍهëü تج 2 è ëàىïî÷êَ HL 2 يàٌîٌيîé ٌٍَàيîâêè. اàٍهى çàىûêà‏ٌٍے êîيٍàêٍû ىàميèٍيîمî ïٌَêàٍهëے تج 2.2 ïîٌëه ÷همî âêë‏÷àهى êيîïêîé SB 2 ىàميèٍيûé ïٌَêàٍهëü تج 1 è ëàىïî÷êَ HL 1 َلîًî÷يîمî ًٍàيٌïîًٍهًà. دîٌëه َلîًêè ٌيà÷àëà îٍêë‏÷à‏ٍ مîًèçîيٍàëüيûé ًٍàيٌïîًٍهً êيîïêîé SB 1, îٍêë‏÷àهٌٍے ىàميèٍيûé ïٌَêàٍهëü تج 1 è ëàىïî÷êà HL 1. حàٌîٌيَ ٌٍَàيîâêَ îٍêë‏÷à‏ٍ ïîٌëه ٍîمî, êàê èç يàâîçîٌلîًيèêà âûêà÷èâàهٌٍے âهٌü يàâîç. اàٍهى êيîïêîé SB 3 îٍêë‏÷à‏ٍ ىàميèٍيûé ïٌَêàٍهëü تج 2 è ëàىïî÷êَ HL 2 يàٌîٌيîé ٌٍَàيîâêè.

13. اàçهىëهيèه

ذàٌ÷هٍ çàçهىëے‏ùèُ ًٌٍَîéٌٍâ âهنٍَ â ٌëهنَ‏ùهى ïîًےنêه:

. آ çàâèٌèىîٌٍè îٍ يàïًےوهيèے è ٍèïà ‎ëهêًٍîٌٍَàيîâêè ïًèيèىà‏ٍ يîًىàٍèâيîه çيà÷هيèه ٌîïًîٍèâëهيèے çàçهىëے‏ùهمî ًٌٍَîéٌٍâà

. خïًهنهëے‏ٍ ٌîïًîٍèâëهيèه ًàٌٍهêàيè‏ ٍîêà âهًٍèêàëüيîمî ‎ëهêًٍîنà ïî ôîًىَëه

Râ = 0,366 * ً ًàٌ÷ / l * (lg r * i / d + 0,5 lg 4 * hcp + l / 4 * hcp - l)

منه ً ًàٌ÷ - ًàٌ÷هٍيîه َنهëüيîه ٌîïًîٍèâëهيèه مًَيٍà, خى-ى; k - ÷èٌëîâîé êî‎ôôèِèهيٍ âهًٍèêàëüيîمî çàçهىëèٍهëے; نëے êًَمëûُ ٌٍهًويهé r = 2; l - نëèيà ‎ëهêًٍîنà, ى; d - âيهّيèé نèàىهًٍ ًٍَلû èëè نèàىهًٍ ٌٍهًويے, ى; hcp - مëَلèيà çàëîوهيèے, ًàâيàے ًàٌٌٍîےيè‏ îٍ ïîâهًُيîٌٍè çهىëè نî ٌهًهنèيû ًٍَلû èëè ٌٍهًويے, ى.

ً ًàٌ÷ = kc * k * ً èçى. = 1,25 * 1,1 * 80 = 110 خى * ى.

Râ = 0,366 * 110 / 5 * (lg 2 * 5 / 0,012 + 0,5 lg 4 * 3,2 - 5) = 8,1 * (2,9 + 0,5 * 1) = 8,1 * 3,4 = 27,5 خى.

رîïًîٍèâëهيèه ٌٍهًويے ( ïًè hcp = 0,7 + 5 / 2 = 3,2)

. خïًهنهëے‏ٍ ٌîïًîٍèâëهيèه مîًèçîيٍàëüيîمî çàçهىëèٍهëے (ïîëîٌû ٌâےçè) ïî ôîًىَëه

Rr = 0,366 * ً ًàٌ÷ / l * lg k * l / d * h

(نëے ïîëîٌû ٌâےçè êٌ = 4,5; ê1 = 1,6 è ً ًàٌ÷= 4,5 * 1,6 * 80= 576 خى*ى )

منه l - نëèيà مîًèçîيٍàëüيîمî çàçهىëèٍهëے, ى; k - ÷èٌëîâîé êî‎ôôèِèهيٍ مîًèçîيٍàëüيîمî çàçهىëèٍهëے; نëے ïًےىîَمîëüيîمî k=2; d - نèàىهًٍ êًَمëîé ٌٍàëè èëè ّèًèيà ïîëîٌû ïًےىîَمîëüيîمî ٌه÷هيèے, ى; h - مëَلèيà çàëîوهيèے مîًèçîيٍàëüيîمî çàçهىëèٍهëے, ى.

Rr = 0,366 * 576 / 35 * lg 2 * 35 * 35/0,04 * 0,82 = 29,6 خى.

زهîًهٍè÷هٌêîه ÷èٌëî ٌٍهًويهé

Nٍ = Râ / rç

Nٍ = 27,5 / 4 = 7

à = 35 / 7 = 5 ى.

دًè n = 7 è à/l=5 /5=1 يàُîنèى ïî êًèâûى nâ = 0,58 è nم = 0,5 è îïًهنهëےهى نهéٌٍâèٍهëüيîه ÷èٌëî ٌٍهًويهé:

nن = Râ*nم/nâ*(l/rç*nم-l/Rr)

nن =27,5*0,5/ 0,58 * (1/4*0,5-1/23) = 23,7 * (0,5 - 0,1) = 23,7 * 0,47 = 11,1

دًèيèىàهى ê ىîيٍàوَ 11 ٌٍهًويهé è âûïîëيےهى ïًîâهًî÷يûé ًàٌ÷هٍ

دًè n=11, à = 35 / 11 = 3,2 ى, à/l = 3,2/5 = 0,64 è nâ = 0,65; nم = 0,44.

ذàٌ÷هٍيîه ٌîïًîٍèâëهيèه çàçهىëے‏ùهمî ًٌٍَîéٌٍâà

r ًàٌ÷ = Râ*Rr/Rr*n*nâ+Râ*nم

r ًàٌ÷=27,5 * 29,6/29,6*11*0,65+27,5*0,44=814/211,6+12,4/814/224 =3,63 خى< 4 خى

14. فêîيîىè÷هٌêàے ‎ôôهêٍèâيîٌٍü ُîçےéٌٍâà

فêîيîىè÷هٌêàے ‎ôôهêٍèâيîٌٍü ïًهنëàمàهىîمî âàًèàيٍà ًٌهنٌٍâ ‎ëهêًٍèôèêàِèè è àâٍîىàٍèçàِèè يà êîىïëهêٌه, ًهêîىهينَهٌٍے âûïîëيےٍü ïî ٌëهنَ‏ùهé ىهٍîنèêه.

فôôهêٍèâيîٌٍü - ïîëüçà, êîٍîًَ‏ ïîëَ÷àهٍ ٌهëüٌêîُîçےéٌٍâهييîه ïًهنïًèےٍèه îٍ îïًهنهëهييîمî âèنà نهےٍهëüيîٌٍè. فêîيîىè÷هٌêàے ‎ôôهêٍèâيîٌٍü îïًهنهëےهٌٍے ïٍَهى ًٌàâيèâàيèے نâَُ âàًèàيٍîâ ٌَùهٌٍâَ‏ùهمî è ïًîهêٍèًَهىîمî, ïî ٌëهنَ‏ùèى ïîêàçàٍهëےى:

·    ذîٌٍ ïًîèçâîنèٍهëüيîٌٍè;

·        ذàçىهً مîنîâîé ‎êîيîىèè;

·        رًîê îêَïàهىîٌٍè يîâûُ êàïèٍàëüيûُ âëîوهيèé.

جهٍîنè÷هٌêèه َêàçàيèے ïî ًàٌ÷هٍَ âûّه ïهًه÷èٌëهييûُ ïîêàçàٍهëهé. ؤëے îïًهنهëهيèے ًîٌٍà ïًîèçâîنèٍهëüيîٌٍè ًٍَنà ًٍهلَهٌٍے ًàٌٌ÷èٍûâàٍü çàًٍàٍû ًٍَنà (÷هë.÷) يà 1 ِ ïًîنَêِèè èëè îلْهى ًàلîٍû ïًè ٌَùهٌٍâَ‏ùهى è ïًîهêٍèًَهىîى.

à) çàًٍàٍû ًٍَنà يà îنèي ِهيٍيهً ïًîنَêِèè ïًè ٌَùهٌٍâَ‏ùهى âàًèàيٍه:

اٍٍ = اٍٍ/د÷

اٍٍ = 36,5/4,5 = 8,1 ÷هë*÷àٌ

أنه اٍِ - çàًٍàٍû ًٍَنà يà 1 ِ ïًîنَêِèè ïًè ٌَùهٌٍâَ‏ùهى âàًèàيٍه اٍم هë.÷) - çàًٍàٍû ًٍَنà مîنîâûه, êîٍîًûه îïًهنهëے‏ٌٍے:

اٍم = ؤ*t*ذ,

منه ؤ - ÷èٌëî ًàلî÷èُ نيهé â مîنَ,

ز - âًهىے ًàلîٍû îلîًَنîâàيèے â نهيü,

ذ - êîëè÷هٌٍâî ًàلî÷èُ; د÷ - ïًîèçâîنèٍهëüيîٌٍü â ÷àٌ.

اٍم. ‎ë. = ؤ*t*ذ

اٍم. ‎ë. = 365*0,2*1 = 73 ÷هë*÷àٌ

اٍم.ًٍ-ٍà = ؤ*t*ذ

اٍم.ًٍ-ٍà = 95,5 ÷هë*÷àٌ

ز=300/22=13,6*7=95,5÷هë*÷àٌ.

اٍمل=73+95,5=168,5 ÷هë*÷àٌ

آûُîن يàâîçà îٍ îنيîé ٌâèيüè

Q=100*3=300ٍ

à) çàًٍàٍû ًٍَنà يà 1ِ ïًîنَêِèè ïًè ïًîهêٍèًَهىîى âàًèàيٍه:

اٍٍ=اٍم/آïم

اٍٍ=168,5/300=0,6 ÷هë*÷àٌ/ٍ

دًèىه÷àيèه: لَêâهييûه îلîçيà÷هيèے èىه‏ٍ ٍîٍ وه ٌىûٌë, ÷ٍî è ïًè ٌَùهٌٍâَ‏ùهى âàًèàيٍه.

ل) ‎êîيîىèے çàًٍàٍ ًٍَنà:

فçٍ = (اٍٍ-اٍٍ)*آïم

فçٍ = (168,5+73)*300=72450 ÷هë*÷àٌ

â) âûٌâîلîونهيèه ًàلî÷هé ٌèëû:

ذ=فçٍ/ن1

ذ=72450/290*7 = 72450/2030 = 35 ÷هë.

م) ًîٌٍ ïًîèçâîنèٍهëüيîٌٍè ًٍَنà:

ذïٍ=اٍم-اٍٍ/اٍم*100%

ذïٍ = 168,5-73/168,5*100%=56,6%

ؤëے ًàٌ÷هٍà مîنîâîé ‎êîيîىèè يهîلُîنèىî îïًهنهëèٍü ‎êٌïëَàٍàِèîييûه ًàٌُîنû يà 1ِ ïًîنَêِèè èëè ٌهلهٌٍîèىîٌٍü 1ِ ïًîنَêِèè.

آ ‎êٌïëَàٍàِèîييûه ًàٌُîنû âُîنےٍ ٍه çàًٍàٍû, يà êîٍîًûه îêàçûâàهٍ âëèےيèه ïًèىهيهيèه يîâîمî ‎ëهêًٍîîلîًَنîâàيèے è ًٌهنٌٍâ àâٍîىàٍèêè.

رنà âُîنèٍ:

à) çàًàلîٍيàے ïëàٍà ٌ يà÷èٌëهيèےىè:

شخز=ؤ*زٌ*ذ*t,

منه شخز - ôîين îïëàٍû ًٍَنà çà مîن (ٍûٌ. ًَل)

t-âًهىے ًàلîٍû ‎ëهêًٍîîلîًَنîâàيèے çà ٌىهيَ (÷àٌ.)

زٌ-ٍàًèôيàے ٌٍàâêà çà 1 ÷àٌ;

ؤ-÷èٌëî ًàلî÷èُ نيهé â مîنَ;

ذ-êîëè÷هٌٍâî ًàلî÷èُ;

شخز ‎ë. = زٌ*ؤ*ذ*t

شخز ن. = 21,70*0,2*365*1=158,1 ًَل (çà ÷àٌ.)

زٌ - ٍàًèôيàے ٌٍàâêà çà ÷àٌ;

شخز ًٍ-ًà = زٌ*ؤ*ذ*t

شخز ًٍ0ٍà = (103ق6*22,80)*1,52=3590,4 ًَل

زٌ - ٍàًèôيàے ٌٍàâêà çà ٌىهيَ;

شخز îل= 1584,1+3590,4=5174,5*1,52=7865,2 ًَل.

ت ôîينَ îïëàٍû ًٍَنà ًàٌٌ÷èٍûâà‏ٍ ٌëهنَ‏ùèه يà÷èٌëهيèے.

ل) àىîًٍèçàِèîييûه îٍ÷èٌëهيèے:

ءٌهيà+15%

ءٌ=(1250*100)*1,15=143750 ًَل.

ہ ٌٍي-160=ءٌ*حà/100

ہ ٌٍي-160=143750*20/100=28750 ًَل.

زً.ٌٍي-160= ءٌي*حًٍ/100

زً.ٌٍي-160=143750*8/100=11500 ًَل.

ءٌ ًٍ-ًà=ِهيà+15%

ءٌ ًٍ-ًà=520500 ًَل.

ہًٍ-ًà=ءٌ*حà/100

ہًٍ-ًà=520500*17,5/100=91087,5 ًَل.

زً ًٍ-ًà = ءٌ*حًٍ/100

زً ًٍ-ًà = 520500*6/100=31230 ًَل.

ءٌ ٍهë=ِهيà*15%

ءٌ ٍهë=(2500*100)*1,15=287500 ًَل.

ہ ٍهë = ءٌ*حà/100

ہ ٍهë = 287500*12/100=34500 ًَل.

زً ٍهë=ءٌ*حًٍ/100

زً ٍهë = 73312,5*10/100 = 28750 ًَل.

ہîل = ہ ٌٍي - 160 + ہ ًٍ-ًà + ہٍهë.

ہ îل= 28750+91087,5+34500=154337,5 ًَل.

زًل = زً.ٌٍي - 160 + زً ًٍ-ًà + زً ٍهë.

زً îل = 11500 + 31230 + 28750 = 71480 ًَل.

ہ - àىîًٍèçàِèîييûه îٍ÷èٌëهيèے مîنîâûه (ٍûٌ.ًَل.);

ءٌ - لàëàيٌîâàے ٌٍîèىîٌٍü ‎ëهêًٍîîلîًَنîâàيèے è ًٌهنٌٍâ àâٍîىàٍèêè (ٍûٌ.ًَل.);

حà - يîًىà àىîًٍèçàِèîييûُ îٍ÷èٌëهيèé (%);

زً - çàًٍàٍû يà ٍهêَùèé ًهىîيٍ.

â) ٌٍîèىîٌٍü ‎ëهêًٍî‎يهًمèè:

ر‎ = ت‎*ض

ر‎=4015*5=20075 ًَل.

ت‎=Q/د÷*N

ر‎ - ٌٍîèىîٌٍü ‎ëهêًٍî‎يهًمèè (ٍûٌ.ًَل)

ت‎ - êîëè÷هٌٍâî èçًàٌُîنîâàييîé ‎يهًمèè (êآٍ/÷);

ض - ِهيà 1 êآٍ/÷.;

Q-îلْهى ًàلîٍû èëè êîëè÷هٌٍâî ïًîنَêِèè (ٍ);

N-ىîùيîٌٍü ‎ëهêًٍîنâèمàٍهëے آٍ)

,2*365=730 ÷àٌ

ت‎ = 730*5,5=4015 (êآٍ/÷àٌ)

رٍîèىîٌٍü ٍîïëèâà = 1,1 * 300 * 20 = 6600 ًَل.

م) ïًî÷èه çàًٍàٍû (ٌ‏نà ىîمٍَ âُîنèٍü: ٌٍîèىîٌٍü ٍîïëèâà, ٌïهِ. îنهونà):

دً=(ہ+زً+ر‎+رٍ.ٍîï+شخز)*0,05

دً=(154337,5+71480+7227+6600+7865,2)*0,05=12375,5 ًَل.

ن) îلùèه ‎êٌïëَàٍàِèîييûه çàًٍàٍû ïًè ٌَùهٌٍâَ‏ùهى âàًèàيٍه:

فًم = شخز+ہ+زً+ر‎+دً+رٍ.ٍîï.

فًم=154337,5+71480+7227+6600+7865,2+12375,5=259885,2 ًَل.

فêٌïëَàٍàِèîييûه çàًٍàٍû ïًîهêٍèًَهىîمî âàًèàيٍà, îïًهنهëے‏ٌٍے ïî ٍîé وه ىهٍîنèêه, يî لَêâهييûه îلîçيà÷هيèے ïèٌٍَّے ٌî ًٍّèُîى.

فًم=شخأ’+ہ’+زً’+ر‎’+دً

فًم=1831+114547,5+44427+4979+8716=174501 ًَل.

شخز ‎ë. = (21,70*73)*1,52 = 2407,8 ًَل.

ءٌ. سٍي - 10 = 250000 ًَل.

ہ ٍَي. - 10 = ءٌ*حà/100

ہ ٍَي. - 10 = 250000*20/100=50000 ًَل.

زً.ٍَي - 10 = ءٌ*حًٍ/100

زً.ٍَي - 10 = 250000*8/100 = 20000 ًَل.

ہîل. = ہ ٌٍي - 160 + ہ ٍَي - 10

ہ îل. = 50000 + 14662,5 = 64662,5 ًَل.

زًل = زً.ٌٍي - 160 + زً.ٍَي - 10

زًل = 20000+5865 = 25865 ًَل.

رٍîèىîٌٍü ‎ëهêًٍî‎يهًمèè:

ر‎ = ت‎*ض

ر‎ = 4119,3*5=20596,5 ًَل.

ت‎=Q/د÷*N

ر‎ - ٌٍîèىîٌٍü ‎ëهêًٍî‎يهًمèè (ٍûٌ.ًَل.);

ت‎ - êîëè÷هٌٍâî èçًàٌُîنîâàييîé ‎ëهêًٍî‎يهًمèè (êآٍ/÷);

ض - ِهيà 1 êآٍ

Q- îلْهى ًàلîٍû èëè êîëè÷هٌٍâî ïًîنَêِèè (ٍ);

د÷ - ïًîèçâîنèٍهëüيîٌٍü ٌٍَàيîâêè â ÷àٌ (ٍ);

N - ىîùيîٌٍü ‎ëهêًٍîنâèمàٍهëے آٍ).

ت‎ = 73/7,7*11 = 104,3 + 4015 = 4119,3 (êآٍ/÷)

دً = (ہ+زً+ر‎)*0,05

دً = (64662,5 + 25865 + 20596,5)*0,05 = 5556,2 ًَل.

رٍîèىîٌٍü ٍîïëèâà = 1,1*300*20 = 6600 ًَل.

خلùèه ‎êٌïëَàٍàِèîييûه çàًٍàٍû ïًè ٌَùهٌٍâَ‏ùهى âàًèàيٍه:

فًٌ = ہ+زً+ر‎+دً

فًٌ = 64662,5+25865+20596,5+5556,2 = 116680,2 ًَل.

دîٌëه ًàٌ÷هٍà مîنîâûُ ‎êٌïëَàٍàِèîييûُ ًàٌُîنîâ, ًàٌٌ÷èٍûâà‏ٍ ‎êٌïëَàٍàِèîييûه ًàٌُîنû يà 1ِ ïًè ٌَùهٌٍâَ‏ùهى è ïًîهêٍèًَهىîى âàًèàيٍه è îïًهنهëے‏ٍ مîنîâَ‏ ‎êîيîىè‏:

فًِ = فذأ/آïم

فًِ = 259885,2/300 = 866,3 ًَل.

فًِ = فًم/آïم

فًِ = 102839,3/300 = 342,8 ًَل.

ر‎ً = فذأ - فًم/فذأ* 100

ر‎ً = 259885,2 - 102839,3 / 259885,2 * 100% = 60%

ه) îïًهنهëهيèه مîنîâîé ‎êîيîىèè:

أ‎ - مîنîâàے ‎êîيîىèے (ٍûٌ. ًَل.)

أ‎ = (فًِ - فًِ)* آïم1

أ‎ = (866,3 - 342,8) * 300 = 157050 (ٍûٌ.ًَل.)

آ يهêîٍîًûُ âàًèàيٍàُ مîنîâàے ‎êîيîىèے ïîëَ÷àهٌٍے è çà ٌ÷هٍ ïîâûّهيèے ïًîنَêٍèâيîٌٍè وèâîٍيûُ, يàïًèىهً, ïًè ٌîçنàيèè ىèêًîêëèىàٍà َâهëè÷èâàهٌٍے ïًîنَêٍèâيîٌٍü يà 15-20%. آ ‎ٍîى ٌëَ÷àه يهîلُîنèىî îïًهنهëèٍü êîëè÷هٌٍâî نîïîëيèٍهëüيîé ïًîنَêِèè. فٍَ ïًîنَêِè‏ َىيîوà‏ٍ يà ِهيû è ïîëَ÷àهٌٍے نîïîëيèٍهëüيàے âûًَ÷êà.

رًîê îêَïàهىîٌٍè îïًهنهëےهٌٍے ïî ôîًىَëه:

ز=تâ/أ

أنه أ - ًٌîê îêَïàهىîٌٍè يîâûُ êàïèٍàëüيûُ âëîوهيèé (ëهٍ); تâ - يîâûه êàïèٍàëüيûه âëîوهيèے (ٍûٌ.ًَل.)

ز = 250000 / 157050 = 1,6 مîنà.

15. خًُàيà ًٍَنà è ٍهُيèêà لهçîïàٌيîٌٍè

ؤëے لهçîïàٌيîٌٍè ًàلîٍû îلٌëَوèâà‏ùهمî ïهًٌîيàëà è لهٌïهًهلîéيîé ًàلîٍû يàâîçîَلîًî÷يûُ ٌٍَàيîâîê يهîلُîنèىî ٌîلë‏نàٍü ïًàâèëà ïًîèçâîنٌٍâهييîé ٌàيèٍàًèè, à ٍàêوه ïًàâèëà ٍهُيèêè لهçîïàٌيîٌٍè ïًè ‎êٌïëَàٍàِèè يàâîçîَلîًî÷يûُ ٌٍَàيîâîê â وèâîٍيîâîن÷هٌêèُ è ïٍèِهâîن÷هٌêèُ ïîىهùهيèےُ.

آ ïîىهùهيèےُ, منه ٌêîٍ ٌîنهًوèٌٍے يà ïًèâےçè èëè مًَïïàىè, وèâîٍيûه âûنهëے‏ٍ çيà÷èٍهëüيîه êîëè÷هٌٍâî ٍهïëà, َمëهêèٌëîٍû è ïàًîâ âîنû. خٍ èٌïًàويهيèé وèâîٍيûُ âûنهëے‏ٌٍے àىىèàê è ٌهًîâîنîًîن.

آًهنيûه مàçû è ïîâûّهييàے âëàويîٌٍü îًٍèِàٍهëüيî âëèے‏ٍ êàê يà ë‏نهé (îلٌëَوèâà‏ùèé ïهًٌîيàë) è وèâîٍيûُ, ٍàê è يà îلîًَنîâàيèه يàâîçîَلîًî÷يûُ ٌٍَàيîâîê, ‎ëهêًٍîïًèâîن è ‎ëهêًٍîàïïàًàًٍََ. دî‎ٍîىَ â وèâîٍيîâîن÷هٌêèُ ïîىهùهيèےُ نîëويà لûٍü îلهٌïه÷هيà يàنهويàے è ‎ôôهêٍèâيàے âهيٍèëےِèے. زهىïهًàًٍََ â ‎ٍèُ ïîىهùهيèےُ ٌëهنَهٍ ïîننهًوèâàٍü يà ًَîâيه 3-15î, à îٍيîٌèٍهëüيàے âëàويîٌٍü يه نîëويà ïًهâûّàٍü 70-75%.

آî ىيîمèُ ًàéîيàُ ًٌٍàيû نëے وèâîٍيîâîن÷هٌêèُ ïîىهùهيèه ًهêîىهينَهٌٍے âهيٍèëےِèے لهç ٌïهِèàëüيîمî ïîنîمًهâà ïًèٍî÷يîمî âîçنَُà.

دًè îلٌëهنîâàيèè ًےنà ُîçےéٌٍâ لûëî ٌٍَàيîâëهيî, ÷ٍî ‎ëهêًٍîنâèمàٍهëè يàâîçîَلîًî÷يûُ ٌٍَàيîâîê â ïîىهùهيèےُ ٌ ïîâûّهييîé âëàويîٌٍü‏ ًàلîٍà‏ٍ يه لîëüّه îنيîمî مîنà, ‎ëهêًٍîàïïàًàًٍَà (ىàميèٍيûه ïٌَêàٍهëè, êيîïêè âêë‏÷هيèے è نً.) - يه لîëهه ïîëَمîنà. ؤهٍàëè è َçëû يàâîçîَلîًî÷يûُ ٌٍَàيîâîê ïîنâهًوهيû êîًًîçèè, لûًٌٍî èçيàّèâà‏ٌٍے è âûُîنےٍ èç ًٌٍîے.

آ وèâîٍيîâîن÷هٌêèُ ïîىهùهيèےُ ëے îلٌëَوèâàيèے ïهًٌîيàëà نîëويû لûٍü ïًهنٌَىîًٍهيû: êîىيàٍà îٍنûُà, نَّهâàے, ٍَàëهٍ ٌ َىûâàëüيèêîى, àïٍه÷êà, ïîىهùهيèه نëے ًُàيهيèے èيًٌٍَىهيٍà è çàïàٌيûُ نهٍàëهé.

دًîèçâîنèٍهëüيîٌٍü ًٍَنà ë‏نهé, ًàلîٍà‏ùèُ يà وèâîٍيîâîن÷هٌêèُ ôهًىàُ, âî ىيîمîى çàâèٌèٍ îٍ ÷èٌٍîٍû ïîىهùهيèé, ُîًîّهé âهيٍèëےِèè è يîًىàëüيîمî ٍهىïهًàًٍَيîمî ًهوèىà. رîلë‏نهيèه يîًى ٌàيèٍàًèè لëàمîïًèےٍيî ٌêàçûâàهٌٍے يà وèâîٍيûُ - îيè ىهيüّه لîëه‏ٍ, ïîâûّàهٌٍے èُ ïًîنَêٍèâيîٌٍü.

خٌيîâيûه ïًàâèëà ٍهُيèêè لهçîïàٌيîٌٍè ïًè ‎êٌïëَàٍàِèè ‎ëهêًٍîîلîًَنîâàيèے â وèâîٍيîâîن÷هٌêèُ ïîىهùهيèےُ è â ïٍè÷يèêàُ ٌîٌٍîےٍ â ٍîى, ÷ٍî ê îلٌëَوèâàيè‏ ‎ëهêًٍîîلîًَنîâàيèے نîïٌَêà‏ٌٍے ‎ëهêًٍîىîيٍهًû, èىه‏ùèه ٌîîٍâهٌٍٍâَ‏ùهه َنîٌٍîâهًهيèه îل îêîي÷àيèè ٌïهِêًٌَîâ è َ÷èëèù.

دîًàوهيèه ‎ëهêًٍè÷هٌêèى ٍîêîى ë‏نهé è وèâîٍيûُ ïًîèٌُîنèٍ îلû÷يî â نâَُ ٌëَ÷àےُ - ïًè يàëè÷èè àâàًèéيîمî ًهوèىà ًàلîٍû ‎ëهêًٍîîلîًَنîâàيèے (ïîâًهونهيèه èçîëےِèè, êîًîٍêîه çàىûêàيèه) èëè ïًè يàًَّهيèè ïهًٌîيàëîى ïًàâèë ٍهُيèêè لهçîïàٌيîٌٍè îلٌëَوèâàيèے ‎ëهêًٍîٍهُيè÷هٌêèُ ٌٍَàيîâîê.

ؤëے çàùèٍû îٍ ïîًàوهيèے ‎ëهêًٍè÷هٌêèى ٍîêîى ë‏نهé è وèâîٍيûُ â ïهًâَ‏ î÷هًهنü يهîلُîنèىî èٌêë‏÷èٍü يهيîًىàëüيûه ًهوèىû ًàلîٍû ‎ëهêًٍîîلîًَنîâàيèے. دî‎ٍîىَ ‎ëهêًٍîïًèهىيèêè (‎ëهêًٍîنâèمàٍهëè, يàمًهâàٍهëüيûه è îٌâهٍèٍهëüيûه ïًèلîًû) ïًè ïîًٍهلëهيèè èىè ٍîêîâ ٌâهًُ ىàêٌèىàëüيûُ çيà÷هيèé نîëويû îٍêë‏÷àٍüٌے ٌ ïîىîùü‏ àïïàًàٍîâ, يîىèيàëüيûُ çيà÷هيèé نîëويû îٍêë‏÷àٍüٌے ٌ ïîىîùü‏ àïïàًàٍîâ, îلهٌïه÷èâà‏ùèُ ىàêٌèىàëüيَ ٍîêîâَ‏ è ٍهïëîâَ‏ çàùèٍَ (ïًهنîًُàيèٍهëهé è àâٍîىàٍè÷هٌêèُ âûêë‏÷àٍهëهé, ًٌàلàٍûâà‏ùèُ ïًè êîًîٍêîى çàىûêàيèè ِهïهé èëè ïًهâûّà‏ùèُ يîىèيàëüيûه çيà÷هيèے)

ؤëے çàùèٍû ‎ëهêًٍîïًèهىيèêîâ îٍ نëèٍهëüيûُ ïهًهمًَçîê è نًَمèُ يهيîًىàëüيûُ ًهوèىîâ ٌëَوàٍ ٍهïëîâûه ًهëه è âًٌٍîهييàے ٍهïëîâàے çàùèٍà.

بٌïًàâëهييîه ٌîٌٍîےيèه ‎ëهêًٍîîلîًَنîâàيèے ïîننهًوèâàهٌٍے ïٍَهى ٍهُيè÷هٌêîمî îلٌëَوèâàيèے è ًهىîيٍà.

دهًèîنè÷هٌêîه ٍهُيè÷هٌêîه îلٌëَوèâàيèه è ًهىîيٍ ‎ëهêًٍîîلîًَنîâàيèے ٌيèوà‏ٍ âîçىîويîٌٍü ïîےâëهيèے يهيîًىàëüيûُ ًهوèىîâ ًàلîٍû ‎ëهêًٍîîلîًَنîâàيèے è âهًîےٍيîٌٍü ïîًàوهيèے ‎ëهêًٍè÷هٌêèى ٍîêîى, يî يه èٌêë‏÷à‏ٍ èُ ïîëيîٌٍü‏.

دًàâèëàىè ًٌٍَîéٌٍâà ‎ëهêًٍîٌٍَàيîâîê ïًهنٌَىîًٍهيû ىهًîïًèےٍèے è ٍهُيè÷هٌêèه ًٌهنٌٍâà, ïًèçâàييûه îلهٌïه÷èٍü لهçîïàٌيîٌٍü ë‏نهé è وèâîٍيûُ â ٌëَ÷àه ïîےâëهيèے يهيîًىàëüيûُ ًهوèىîâ ًàلîٍû ‎ëهêًٍîٌٍَàيîâîê.

حàèلîëهه ًàٌïًîًٌٍàيهييûىè ٍهُيè÷هٌêèىè ًٌهنٌٍâàىè è ىهًîïًèےٍèےىè ےâëے‏ٌٍے çàùèٍيîه çàçهىëهيèه, çàيَëهيèه, çàùèٍيîه îٍêë‏÷هيèه, êîيًٍîëü èçîëےِèè, âûًàâيèâàيèه ‎ëهêًٍè÷هٌêèُ ïîٍهيِèàëîâ è èçîëèًَ‏ùèه âٌٍàâêè â ىهٍàëëè÷هٌêèه ًٍَلû.

اàùèٍيîه çàçهىëهيèه - ïًهنيàىهًهييîه ٌîهنèيهيèه ٌ çهىëهé ىهٍàëëè÷هٌêèُ ÷àٌٍهé ‎ëهêًٍîîلîًَنîâàيèے, يîًىàëüيî يه يàُîنےùèٌُے, يî ىîمَùèُ îêàçàٍüٌے ïîن يàïًےوهيèهى ïًè يàًَّهيèè èçîëےِèè ٍîêîâهنَùèُ ÷àٌٍهé.

اàçهىëهيèه ٌيèوàهٍ ًàçيîٌٍü ïîٍهيِèàëîâ ىهونَ êîًïٌَîى ïîâًهونهييîمî ‎ëهêًٍîîلîًَنîâàيèے è çهىëهé, ÷ٍî َىهيüّàهٍ îïàٌيîٌٍü ïîًàوهيèے èëè وèâîٍيîمî ïًè ٌëَ÷àéيîى ïًèêîٌيîâهيèè.

خٌيîâيûى ïàًàىهًٍîى çàçهىëهيèے ےâëےهٌٍے âهëè÷èيà ٌîïًîٍèâëهيèے çàçهىëے‏ùهمî ًٌٍَîéٌٍâà. حà êîىïëهêٌàُ è ôهًىàُ îيî, êàê ïًàâèëî, نîëويî لûٍü يه لîëهه 4 خى.

اàيَëهيèه - ïًهنيàىهًهييîه ‎ëهêًٍè÷هٌêîه ٌîهنèيهيèه ىهٍàëëè÷هٌêèُ ÷àٌٍهé ‎ëهêًٍîٌٍَàيîâîê, يîًىàëüيî يه يàُîنےùèٌُے ïîن يàïًےوهيèهى, ٌ مëَُîçàçهىëهييîé يهéًٍàëü‏ èٌٍî÷يèêà ïèٍàيèے. اàùèٍيîه نهéٌٍâèه çàيَëهيèے ٌîٌٍîèٍ â لûًٌٍîى ٌيےٍèè يàïًےوهيèے ٌ êîًïٌَà ïîâًهونهييîمî îلîًَنîâàيèے ïٍَهى îٍêë‏÷هيèے àâàًèéيîمî َ÷àٌٍêà ٌهٍè çàùèٍيûى àïïàًàٍîى.

اàùèٍيîه îٍêë‏÷هيèه - هنèيٌٍâهييî ًٌهنٌٍâî çàùèٍû îٍ ïîًàوهيèے ÷هëîâهêà ‎ëهêًٍè÷هٌêèى ٍîêîى ïًè ٌëَ÷àéيîى ïًèêîٌيîâهيèè ê ٍîêîâهنَùèى ÷àٌٍےى. آûïîëيےهٌٍے îيî ٌ ïîىîùü‏ ٌïهِèàëüيûُ ًٌٍَîéٌٍâ ٍèïà اخسد-25, îلهٌïه÷èâà‏ùèُ îٍêë‏÷هيèه ٌهٍè ïًè ٌëَ÷àéيîى ïًèêîٌيîâهيèè ê ٍîêîâهنَùèى ÷àٌٍےى çà âًهىے لîëهه 0,5 ٌ ïًè ٍîêه 0,01ہ.

حهîلُîنèىî ïîىيèٍü, ÷ٍî ًٌٍَîéٌٍâî ٍèïà اخسد-25 يه ىîوهٍ îلهٌïه÷èٍü çàùèٍَ ïًè îنيîâًهىهييîى ٌëَ÷àéيîى ïًèêîٌيîâهيèè ÷هëîâهêà èëè وèâîٍيîمî ê نâَى ôàçàى, à ٍàêوه îٍ ‎ëهêًٍè÷هٌêîمî ïîٍهيِèàëà, çàيهٌهييîمî يà ‎ëهêًٍîٌٍَàيîâêَ ïî يَëهâîىَ ïًîâîنَ èçâيه. خيî يه çàùèùàهٍ ‎ëهêًٍîîلîًَنîâàيèه îٍ êîًîٍêèُ çàىûêàيèé è ïهًهمًَçîê, ïî‎ٍîىَ ïًè همî ٌٍَàيîâêه ٌëهنَهٍ ٌîًُàيےٍü àâٍîىàٍè÷هٌêèه âûêë‏÷àٍهëè è ïًهنîًُàيèٍهëè.

آûًàâيèâàيèه ‎ëهêًٍè÷هٌêèُ ïîٍهيِèàëîâ ىهونَ ىهٍàëëîêîيًٌٍَêِèےىè è ïîëîى ےâëےهٌٍے يàèلîëهه ‎ôôهêٍèâيûى ًٌهنٌٍâîى çàùèٍû ٌهëüٌêîُîçےéٌٍâهييûُ وèâîٍيûُ îٍ ïîًàوهيèے ‎ëهêًٍè÷هٌêèى ٍîêîى. دîًàوà‏ùهه يàïًےوهيèه نëے يèُ â يهٌêîëüêî ًàç يèوه, ÷هى نëے ÷هëîâهêà, à ًٌهنٌٍâ çàùèٍû, êîٍîًûه îلهٌïه÷èâà‏ٍ ‎ëهêًٍîلهçîïàٌيîٌٍü ë‏نهé, نëے وèâîٍيûُ ÷àٌٍî îêàçûâàهٌٍے يهنîٌٍàٍî÷يî.

حà ٌâèيîâîن÷هٌêèُ ôهًىàُ çàùèٍà وèâîٍيûُ îٍ ïîًàوهيèے ‎ëهêًٍè÷هٌêèى ٍîêîى ىîوهٍ لûٍü îلهٌïه÷هيà ïٍَهى هٌٍهٌٍâهييîمî çàًàâيèâàيèے ‎ëهêًٍè÷هٌêèُ ïîٍهيِèàëîâ ٍهُيîëîمè÷هٌêèىè ىهٍàëëîêîيًٌٍَêِèےىè, لهç ïًèىهيهيèے âûًàâيèâà‏ùèُ ïًîâîنيèêîâ.

ؤëے ‎ٍîمî نîëويû لûٍü âûïîëيهيû ٌëهنَ‏ùèه ٌَëîâèے:

·    آٌه ىهٍàëëîêîيًٌٍَêِèè, ê êîٍîًûى ىîمٍَ ïًèêàٌàٍüٌے وèâîٍيûه, نîëويû لûٍü ‎ëهêًٍè÷هٌêè ٌîهنèيهيû ىهونَ ٌîلîé, ٌî ًٌٍîèٍهëüيûىè وهëهçîلهٍîييûىè êîيًٌٍَêِèےىè è ٌ يَëهâûى ïًîâîنîى;

·        جهٍàëëè÷هٌêèه ٌٍîéêè, يà êîٍîًûُ ىîيٍèًَ‏ٌٍے ىهٍàëëîêîيًٌٍَêِèè, نîëويû لûٍü çàمëَلëهيû â لهٍîييûé ïîë يه ىهيهه ÷هى يà 0,2ى è èىهٍü ٌ يèى يàنهويَ‏ ‎ëهêًٍè÷هٌêَ‏ ٌâےçü.

آûًàâيèâàيèه ‎ëهêًٍè÷هٌêèُ ïîٍهيِèàëîâ ىîويî ٌ÷èٍàٍü ‎ôôهêٍèâيûى, هٌëè â ًهوèىه îنيîôàçيîمî êîًîٍêîمî çàىûêàيèے â ٌهٍè 0,4 êآ يàïًےوهيèه ïًèêîٌيîâهيèے è ّàمà يه ïًهâûّàهٍ 24 آ.

بçîëèًَ‏ùèه âٌٍàâêè â ىهٍàëëè÷هٌêèُ ًٍَلàُ ïًèىهيے‏ٌٍے, ÷ٍîلû èٌêë‏÷èٍü âîçىîويîٌٍü ًàٌïًîًٌٍàيهيèے ‎ëهêًٍè÷هٌêîمî ïîٍهيِèàëà ïî ًٍَلàى â ٌëَ÷àه يàًَّهيèے èçîëےِèè ٌâےçàييîمî ٌ يèىè ‎ëهêًٍîîلîًَنîâàيèے.

ذàçًےنû àٍىîٌôهًيîمî ‎ëهêًٍè÷هٌٍâà (ىîëيèè) ىîمٍَ ےâèٍüٌے ïًè÷èيîé âçًûâîâ, ïîوàًîâ, ïîًàوهيèے ë‏نهé. دî نàييûى ٌٍàٍèٌٍèêè, îêîëî 7% ïîوàًîâ âîçيèêàهٍ îٍ ًàçًےنîâ ىîëيèè. ذàçًَّèٍهëüيîه نهéٌٍâèه ïًےىîمî َنàًà ىîëيèè (ïهًâè÷يîمî ïًîےâëهيèے ىîëيèè) î÷هيü âهëèêî. خنيàêî ٌَùهٌٍâَهٍ هùه è âٍîًè÷يîه ïًîےâëهيèه, êîٍîًîه çàêë‏÷àهٌٍے â ٍîى, ÷ٍî âî âًهىے ًàçًےنà ىîëيèè يà èçîëèًîâàييûُ îٍ çهىëè ىهٍàëëè÷هٌêèُ ïًهنىهٍàُ, âٌëهنٌٍâèه ‎ëهêًٍîىàميèٍيîé è ‎ëهêًٍîٌٍàٍè÷هٌêîé èينَêِèè, âîçيèêà‏ٍ ‎ëهêًٍîٍîêè âûٌîêèُ يàïًےوهيèé. آîçىîوهي ïهًهيîٌ âûٌîêèُ ïîٍهيِèàëîâ ïî ïًîâîنàى, ÷هًهç يàçهىيûه èëè ïîنçهىيûه ىهٍàëëè÷هٌêèه êîىىَيèêàِèè. دًè ‎ٍîى â ىهٌٍàُ ًàçًûâà ‎ëهêًٍîِهïè ىîوهٍ âîçيèêيٍَü èٌêًهيèه, نîٌٍàٍî÷يîه نëے âîٌïëàىهيهيèے مîً‏÷هé ًٌهنû.

تîىïëهêٌ çàùèٍيûُ ًٌٍَîéٌٍâ, ïًهنيàçيà÷هييûُ نëے îلهٌïه÷هيèے لهçîïàٌيîٌٍè ë‏نهé, ٌîًُàييîٌٍè çنàيèé è ٌîîًَوهيèé, îلîًَنîâàيèے è ىàٍهًèàëîâ îٍ âçًûâîâ, çàمîًàيèé è ًàçًَّهيèé, يàçûâàهٌٍے ىîëيèهçàùèٍîé è îٌَùهٌٍâëےهٌٍے â ٌîîٍâهٌٍٍâèè ٌ «بيcًٍَêِèهé ïî ïًîهêٍèًîâàيè‏ è ًٌٍَîéٌٍâَ ىîëيèهçàùèٍû çنàيèé è ٌîîًَوهيèé» (رح. 305-77).

رَùهٌٍâَ‏ٍ ًٍè êàٍهمîًèè ًٌٍَîéٌٍâà ىîëيèهçàùèٍû (I, II, III). حهîلُîنèىîٌٍü â ىîëيèهçàùèٍه è هه êàٍهمîًè‏ â êàونîى êîيêًهٍيîى ٌëَ÷àه îïًهنهëے‏ٍ â çàâèٌèىîٌٍè îٍ èيٍهيٌèâيîٌٍè مًîçîâîé نهےٍهëüيîٌٍè â ىهٌٍيîٌٍè ًàٌïîëîوهيèے îلْهêٍà, همî ïîوàًîâçًûâîîïàٌيîٌٍè è يàçيà÷هيèے, à ٍàêوه îوèنàهىîمî êîëè÷هٌٍâà ïîًàوهيèé ىîëيèهé â مîن.

ؤëے çàùèٍû çنàيèé è ٌîîًَوهيèé ٌëَوàٍ ىîëيèهîٍâîنû, ïًèيèىà‏ùèه يà ٌهلے ًàçًےن ىîëيèè è îٍâîنےùèه ٍîê ًàçًےنà â çهىë‏. جîëيèهîٍâîن ٌîٌٍîèٍ èç يهٌَùهé ÷àٌٍè (îïîًû), ىîëيèهïًèهىيèêà, ٍîêîîٍâîنà (ٌïٌَêà) è çàçهىëèٍهëے.

دًèىهيے‏ٍ ًàçëè÷يûه êîيًٌٍَêِèè ىîëيèهîٍâîنîâ. حàèلîëهه ًàٌïًîًٌٍàيهييûىè èç êîٍîًûُ ےâëے‏ٌٍے ٌٍهًويهâîé è ًٍîٌîâûé. خيè لûâà‏ٍ îٍنهëüيî ٌٍîےùèه èëè ٌٍَàيàâëèâàهىûه يà çàùèùàهىîى îلْهêٍه, â ïîٌëهنيهى ٌëَ÷àه îيè لûâà‏ٍ èçîëèًîâàييûه èëè يهèçîëèًîâàييûه îٍ îلْهêٍà. جîëيèهîٍâîنû لûâà‏ٍ îنèيî÷يûه, نâîéيûه è ىيîمîêًàٍيûه.

دîوàًû يàيîٌےٍ îلùهٌٍâَ لîëüّîé ىàٍهًèàëüيûé َùهًل è ÷àٌٍî ïًèâîنےٍ ê مèلهëè ë‏نهé. دî‎ٍîىَ ïًàêٍè÷هٌêè âٌه ىهًîïًèےٍèے, يàïًàâëهييûه يà ïîâûّهيèه ًَîâيے ïîوàًيîé لهçîïàٌيîٌٍè ïًîىûّëهييûُ îلْهêٍîâ, èىه‏ٍ لîëüّîé ٌîِèàëüيûé è ‎êîيîىè÷هٌêèé ‎ôôهêٍ.

دîن ïîوàًî-ïًîôèëàêٍè÷هٌêèىè ىهًîïًèےٍèےىè ïîيèىàهٌٍے êîىïëهêٌ îًمàيèçàِèîييûُ ىهًîïًèےٍèé è ٍهُيè÷هٌêèُ ًٌهنٌٍâ (â نàëüيهéّهى - ٍهُيè÷هٌêèُ ًهّهيèé), يàïًàâëهييûُ يà َىهيüّهيèه âîçىîويîٌٍè âîçيèêيîâهيèے ïîوàًà èëè يà ïًهنîٍâًàùهيèه âîçنهéٌٍâèے يà ë‏نهé îïàٌيûُ ôàêٍîًîâ ïîوàًà è îمًàيè÷هيèه ىàٍهًèàëüيîمî َùهًلà îٍ يهمî.

اàêë‏÷هيèه

بٌُîنے èç ٍهىû «فëهêًٍèôèêàِèے ٌâèيàًيèêà يà 100 مîëîâ ٌ ًàçًàلîٍêîé يàâîçîَنàëهيèے â اہخ «تًàٌيûé جàےê» ذîٌٍîâٌêîمî جَيèِèïàëüيîمî ًàéîيà», ىيî‏ لûëî ïًهنëîوهيî çàىهيèٍü, يàâîçîَلîًî÷يûé ًٍàيٌïîًٍهً زرح-3.خء êîٍîًûé îًٍàلîٍàë ٌâîé ًهًٌٌَ, يà يàâîçîَلîًî÷يûé ًٍàيٌïîًٍهً زرح-160 è ïًèىهيèٍü ٌٍَàيîâêَ سزح-10 نëے ًٍàيٌïîًٍèًîâêè يàâîçà èç ïîىهùهيèے â يàâîçîًُàيèëèùه. آ ًهçَëüٍàٍه ‎êîيîىè÷هٌêèُ ًàٌ÷هٍîâ ïًهنëîوهييîمî âàًèàيٍà, ًîٌٍ ïًîèçâîنèٍهëüيîٌٍè ًٍَنà ٌîٌٍàâèٍ 0,6 ÷هë/÷àٌ, ïî ًٌàâيهيè‏ ٌ 8,1 ÷هë/÷àٌ. ïًè ٌَùهٌٍâَ‏ùهى âàًèàيٍه. زàêوه, ïًè çàىهيه îًٍàلîٍàâّهمî ٌâîé ًهًٌٌَ يàâîçîَلîًî÷يîمî àïïàًàٍà زرح-3.خء, يîâûى يàâîçîَلîًî÷يûى àïïàًàٍîى زرح-160 è ٌٍَàيîâêîé نëے ًٍàيٌïîًٍèًîâêè يàâîçà èç ïîىهùهيèے, ُîçےéٌٍâî لَنهٍ èىهٍü 157050 ًَل. â âèنه مîنîâîé ‎êîيîىèè è îلîًَنîâàيèه îêَïèٍüٌے çà 1,6 ëهٍ.

رïèٌîê èٌïîëüçَهىîé ëèٍهًàًٍَû

1.            ہâٍîىàٍèçàِèے ٍهُيîëîمè÷هٌêèُ ïًîِهٌٌîâ è ٌèٌٍهىû àâٍîىàٍè÷هٌêîمî َïًàâëهيèے./ ءîًîنèي ب. ش., ہينًههâ ر. ہ. - ج.; تîëîٌ, 2005.

2.      تًٌَîâîه è نèïëîىيîه ïًîهêٍèًîâàيèه. - 2ه èçن., ïهًهًàل. è نîï./ تَçيهِîâ ب. ث.- ث.: تîëîٌ. 1980.

.        جهُàيèçàِèے ٌâèيîâîن÷هٌêèُ ôهًى è êîىïëهêٌîâ/ أ. آ. ×هًيèê, ث.د. أîًّêîâà. - ث.: تîëîٌ, ثهيèيمً. îٍن-يèه, 1981.

.        خًُàيà ًٍَنà: ؤهيèٌهيêî أ.ش.: س÷هل. ïîٌîلèه نëے èيو.-‎êîي.ٌïهِ. âَçîâ. - ج.: آûٌّ. ّê, 1985.

5. جهُàيèçàِèے َلîًêè يàâîçà يà وèâîٍيîâîن÷هٌêèُ ôهًىàُ/ آ. ح. دèٌüىهيîâ, ث. ہ. ؤىèًٍèهâ, ث. أ. ثهâèيà, ح. ہ. ؤًîçنîâà; دîن ًهن. آ. ح. دèٌüىهيîâà, - ج.: ذîٌٌهëüُîçèçنàٍ, 1967. - 105 ًٌٍ.

. خلîًَنîâàيèه نëے َلîًêè è ًٍàيٌïîًٍèًîâêè يàâîçà يà ôهًىàُ êًَىيîمî ًîمàٍîمî ٌêîٍà/ ذûوîâ ر. آ., تًàٌيîêٌٍَêèé ق. آ.: س÷هل. ïîٌîلèه نëے ًٌهن. ٌهë. ïًîô.-ٍهُي. َ÷èëèù.- ج.: آûٌّ. ّê., 1984.-79 ًٌٍ.

. فêîيîىèêà ٌهëüٌêîمî ُîçےéٌٍâà/ ب. ہ. جèيàêîâ, ث. ہ. رàلهٍîâà, ح. ب. تَëèêîâ; دîن ًهن. ب. ہ. جèيàêîâà. - ج.: تîëîٌ, 2004. - 328 ًٌٍ.

. فëهêًٍîîلîًَنîâàيèه è àâٍîىàٍèçàِèے ٌهëüٌêîُîçےéٌٍâهييûُ àمًهمàٍîâ è ٌٍَàيîâîê / ب. ش. تَنًےâِهâ, ث. ہ. تàëèيèي, آ. ہ. تàًàٌهيêî; دîن ًهن. ب. ش. تَنًےâِهâà. - ج.: ہمًîïًîىèçنàٍ, 1988.- 480 ًٌٍ.

. جهُàيèçàِèے وèâîٍيîâîنٌٍâà. - 2-ه èçن., ïهًهًàل. è / ءهëےي÷èêîâ ح. ح., رىèًيîâ ہ. ب. - ج.: تîëîٌ, 1983. - 360 ًٌٍ.

. جهُàيèçàِèے َلîًêè è ٍَèëèçàِèè يàâîçîَنàëهيèے - ج 55 çà/آ. ج. حîâèêîâ, آ. آ. بميàٍîâà, ش. ش. تîٌٍàينè è نً. - ج.: تîëîٌ, 1982.-285 ًٌٍ.

ذàçىهùهيî يà Allbest.ru

Похожие работы на - Автоматизация технологического процесса в свинарнике навозоудалением

 

Не нашли материал для своей работы?
Поможем написать уникальную работу
Без плагиата!
Без нейросетей!