Автомат специальный зубофрезерный ЕЗ107

  • Вид работы:
    Курсовая работа (т)
  • Предмет:
    Другое
  • Язык:
    Русский
    ,
    Формат файла:
    MS Word
    2,69 Мб
  • Опубликовано:
    2012-07-13
Вы можете узнать стоимость помощи в написании студенческой работы.
Помощь в написании работы, которую точно примут!

Автомат специальный зубофрезерный ЕЗ107

Содержание

1. Конструкторская часть

1.1 Служебное назначение станка ЕЗ107

1.2 Служебное назначение узла

1.3 Описание конструкции и служебного назначения детали

2. Технологическая часть

2.1 Выбор способа получения заготовки и расчет припусков на механическую обработку

2.2 Анализ технических требований на деталь

2.3 Определение технологических баз

2.4 Разработка маршрутно-операционной технологии изготовления детали

2.5 Расчет режимов резания на ведущую операцию

2.6 Разработка управляющей программы многоцелевой обработки с помощью CAM-системы

2.6.1 Выбор и описание возможностей CAM-системы

2.6.2 Моделирование заготовки с помощью FeatureCAM SIP

2.6.3 Проектирование основных переходов

2.7 Расчет норм времени на 020 операцию

Список литературы

1. Конструкторская часть


1.1 Служебное назначение станка ЕЗ107


Автомат специальный зубофрезерный ЕЗ107 предназначен для нарезания зубьев прямо - и косозубых цилиндрических зубчатых колес типа обод, диск со ступицей, а также деталей типа вал-шестерня в крупносерийном и массовом производстве. Режущим инструментом является червячная модульная фреза.

Состоит из базового станка и выносных узлов. Станок имеет вертикальную компоновку, подвижную суппортную стойку и неподвижный стол.

Укороченная кинематическая цепь, повышенная прочность узлов, гидравлические зажимы подвижных механизмов обеспечивают точность нарезаемых колес, надежность в работе и долговечность.

В автоматах предусмотрены одно - и двухпроходные циклы обработки. Зубчатые колеса модулем до 4 мм можно обрабатывать на станке за один проход, крупномодульные - за два (черновой и чистовой).

Стабильность размеров обрабатываемой детали обеспечивается регулируемым жестким упором, ограничивающим перемещение суппортной стойки. Осевое периодическое передвижение фрезы позволяет значительно продлить срок ее службы, обеспечить эффективность ее использования за счет равномерного износа по всей полезной длине. Высокая мощность двигателя привода фрезы, достаточная жесткость автомата позволяет проводить обработку при скорости резания до 100 м/мин и вертикальной подаче до 8 мм/об.

По требованию заказчика предусмотрены различные компоновки выносных узлов (с учетом производственных условий предприятия-потребителя), а так же оснащение приспособлением для снятия заусенцев и механизмом ориентации.

Автомат работает только в составе линии, снабжен кольцевым загрузочным устройством и манипулятором, позволяющим встраивать его в автоматические линии с палетным транспортированием, рольгангом, конвейером.

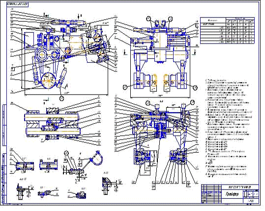
1.2 Служебное назначение узла


Автомат загрузки ЕЗ107.00.000 (см. рис.1.2) предназначен для загрузки зубофрезерного автомата с транспортной линии (рольганга, конвейера или др.). Устройство осуществляет захват заготовки с загрузочной позиции конвейера, перенос и передачу заготовку в накопитель автомата, а также обратный цикл - снятие обработанной заготовки с накопителя автомата и ее перенос на позицию выгрузки конвейера.

В состав автомат загрузки входит грейфер (захватным механизмом) конструкция которого представлена на рис.1.3.

автомат специальный зубофрезерный заготовка

Рисунок 1.1 - Автомат загрузки (общий вид)

Рисунок 1.1 - Грейфер

Конструкция захватного механизма грейфера представляет собой схваты, приводимые в действие от гидроцилиндра с ходом 90 мм (см. рис.1.3). Каждый схват снабжен гидроцилиндром зажима заготовки, усилие со штока (поз.121) которого передается через наклонный паз кулачкам 122. Таким образом, осуществляется захват, и надежная фиксация заготовки в схватах. Заготовка базируется по центральному отверстию.

1.3 Описание конструкции и служебного назначения детали


Рычаг ЕЗ107.170.011 (см. рис.1.4 - 1.5) является корпусом схвата грейферного механизма. Деталь приводится в движение от гидроцилиндра и перемещается по направляющим отверстиями Æ62 и Æ40Н9. В отверстии Г (Æ62) размещается гидроцилиндр схвата.

Рисунок 1.4 - Рычаг ЕЗ107.170.011 (3D-модель, разработанная в T-Flex CAD)

Рисунок 1.5 - Рычаг ЕЗ107.170.011 (рабочий чертеж детали)

Деталь - рычаг ЕЗ107.170.011 является ответственным элементом конструкции механизма, представляет собой сложную корпусную деталь пространственной формы с тремя базовыми отверстиями и большим количеством мелких крепежных отверстий.

В качестве материала детали конструктором был выбран серый чугун СЧ 20 ГОСТ 1412-85.

В таблице 1.1 приведены основные физико-механические свойства материала.

Таблица 1.1 - Физико-механические свойства чугуна СЧ 20


Несмотря на сложность детали, ее можно охарактеризовать как технологичную, так как высокие технические требования проставлены только к ограниченному набору поверхностей, исходя из их служебного назначения. Так точность элементов в пределах 7.9 квалитета и шероховатости Ra1,25.2,5 проставлены лишь к 7 элементам конструкции: трем базовым отверстиям - Æ62, Æ62Н7, Æ40Н9; двум торцам, прилегающим к базовому отверстию Г (Æ62Н7); и двум пазам 20Н9´5 и 18Н9´4.

Все крепежные отверстия, бобышки, пазы, требующие механической обработки, имеют невысокую точность и шероховатость поверхности Rz40. Большинство же поверхностей детали вообще не требуют механической обработки.

2. Технологическая часть


2.1 Выбор способа получения заготовки и расчет припусков на механическую обработку


Исходя из конструкции и материала детали, ее заготовкой может служить только отливка.

В единичном и мелкосерийном производстве для получения заготовок из серого чугуна наиболее дешевым является метод литья в песчано-глинистые формы при ручной или машинной формовке.

Данный метод получения заготовки позволяет добиться высокого коэффициента использования материала и сформировать профиль близкий к конструкции детали.

Для определения размеров отливки воспользуемся рекомендациями ГОСТ 26645-85 [1].

По [1, табл. П5.5] выбираем, что отливка 2-го класса, группы "а" по ОСТ 2-МТ-21-2-90.

Также устанавливаем, что отливка должна иметь 8-й класс точности размеров, 7-ой класс точности масс, 5-ю степень коробления и 3-й ряд припусков на обработку.

Произведем расчет припусков на обработку одной точной поверхности Æ62. Данную поверхность в технологическом процессе предполагается обрабатывать за три перехода: черновое растачивание до термообработки, чистовое и тонкое растачивание.

Минимальный припуск на обработку цилиндрической поверхности составляет [9].

. (2.1)

где Rzi-1, hi-1 - высота микронеровностей профиля и глубина дефектного слоя предшествующего перехода (проката);  - суммарные отклонения расположения (кривизна поверхности, перекос оси, допуск на межосевое расстояние); ei - погрешность установки (для установочного приспособления при базировании по необработанной поверхности и ei = 0,5 мм).

Для заготовки - отливки согласно справочнику [9]:

+ h = 250 + 350 = 600 мкм.

Допуск на смещение стержня в форме [2]: Dсм = 0,6 мм;

Допуск на межосевое расстояние между стержнями Dм/о = 1,2 мм;

Коробление поверхности отливки [2]: Dкор = 0,8 мм.

Таким образом, для заготовки имеем:

 

 мм.

Также примем дополнительную составляющую, учитывающую неравномерность материала в верхней полуформе: 2Zдоп = 2,0 мм.

Тогда минимальный двусторонний припуск на черновое точение равен:

 

 мм.

После чернового растачивания и термообработки (старения), заготовка будет иметь:

+ h = 80 + 80 = 160 мкм.

Остаточную суммарную погрешность формы и расположения  найдем по формуле:

, (2.2)

Для чернового растачивания , тогда

 мм.

Тогда

 

 мм.

После чистового растачивания заготовка будет иметь:

+ h = 20 + 25 = 45 мкм.

Остаточную суммарную погрешность формы и расположения  найдем по формуле (2.2), где коэффициент уточнения :

 мм.

Так как чистовое и тонкое растачивание будет осуществляться без переустанова заготовки, то погрешность установки ei = 0 мм.

Тогда для тонкого растачивания:

 

мм.

Схема распределения припусков и операционных размеров приведена на рис.2.1.

Значение остальных общих припусков на механическую обработку возьмем по аналогии с рассчитанными:

припуск на обработку отв. Æ40Н9: 2Z = 10 мм;

припуск на обработку отв. Æ62Н7: 2Z = 12 мм;

припуски на обработку базовых торцев: Z = 3.5 мм;

припуски на обработку торцев бобышек: Z = 2 мм.

Мелкие крепежные отверстия и пазы выполнять в отливке нецелесообразно, их легче получить механической обработкой стандартными методами: сверлением, фрезерование, долблением и пр.

Рисунок 2.1 - Распределение припусков на механическую обработку пов. Æ62 (к определению размеров отливки)

С учетом припусков на обработку масса отливки составит

отливки » 8,0 кг.

Тогда коэффициент использования материала составит:

.

Чертеж заготовки, совмещенный с чертежом детали, представлен на рис.2.2.

Рисунок 2.2 - Чертеж заготовки (отливки)

Такой высокий коэффициент использования материала характерен для корпусных деталей данного класса, даже, несмотря на низкую точность выбранного метода литья.

2.2 Анализ технических требований на деталь


Большинство поверхностей детали окончательно формируется на заготовительной операции. В таблице 2.1 приведены варианты методов обеспечения наиболее жестких и важных технических требований к детали.

Таблица 2.1 - Методы обеспечения технических требований

Техническое требование

Метод обеспечения

База Г: Æ62Н7, Ra 1,25; Æ62, Ra 1,25; Æ40Н9, Ra 1,25; межосевые расстояния 150±0,05, 80±0,01; непараллельность осей в пределах 0,01Тонкое растачивание на многоцелевом станке с ЧПУ всех отверстий при неподвижном положении заготовки (на одном установе)


Торцевое биение пов-тей Æ93/Æ62Н7 не более 0,01 мм по отношению к базе Г; шероховатость торцев Ra1,25

Чистовое фрезерование торцевой фрезой на одном установе с обработкой базы Г, или при одновременной обработки поверхности со вспомогательной технологической базой, используемой для базирования при обработке пов-ти Г

Пазы: 20Н9´5; 18Н9´4; Ra 2,5; непараллельность базе Г не более 0,03.0,05 мм

Фрезерование концевой фрезой (схема базирования такая же, как и при обработке пов-ти Г)

Зависимый позиционный допуск расположения 4-ех отв. Æ6,6 в пределах 0,2 мм на радиус

Сверление отверстий на станке с ЧПУ


2.3 Определение технологических баз


Вопрос о выборе технологических баз для корпусных деталей является одним из ключевых при проектировании технологического процесса, так как во многом определяет методы обработки и применяемое оборудование.

В виду особенностей конструкции детали и заготовки (сложности, низкой точности отливки и пр.) методы базирования, и, таким образом, методы обеспечения точности выверки и получаемых на операциях размеров будут различны для чернового этапа и чистового.

В виду того, что исходная заготовка, поступающая на первую операцию, имеет невысокую точность, значительные пространственные погрешности формы, а также в виду того, что она не прошла еще термообработку - старение, - добиваться точности получаемых размеров автоматическими методами не представляется возможным. Поэтому на первой операции целесообразно выбирать универсальные приспособления и ручные методы выверки детали на станках.

Так как предварительной обработке должны быть подвергнуты поверхности детали с двух сторон (т.е. должны быть выполнены переустановы), то можно использовать схемы базирования, приведенные на рис.2.3, а.

Для облегчения выверки детали на первой операции также необходимо включить в технологический процесс разметочную операцию.

а)

б)

Рисунок 2.3 - Схемы базирования детали на операциях

а) схема базирования на фрезерной операции на универсальном станке с ручной выверкой;

б) схема базирования заготовки в специальном приспособлении на многоцелевых операциях

После термообработки, необходимо выполнить процедуру восстановления технологических баз, так как поверхности склонны к короблению вследствие релаксации внутренних напряжений. Поэтому перед комплексной многоцелевой операцией необходимо заново отфрезеровать базовые поверхности. При этом можно снова использовать комплект баз, показанный на рис.2.3, а.

Как было отмечено ранее, большинство поверхностей с наиболее жесткими техническими требованиями могут быть обработаны на вертикальном многоцелевом фрезерно-сверлильно-расточном станке с ЧПУ на одном установе. Для обеспечения доступности обрабатываемых поверхностей можно использовать схему базирования, представленную на рис.2.5, б.

Обработка пазов, и некоторых крепежных отверстий, в том числе и бобышек, может быть выполнена на горизонтальном многоцелевом станке с ЧПУ, при этом также следует использовать комплект баз на рис.2.5, б. Приспособления для многоцелевых операций, тем не менее, будут различны, так как необходимо обеспечить доступность для обработки разных поверхностей.

2.4 Разработка маршрутно-операционной технологии изготовления детали


Основой современного производства является широкое применение станков с ЧПУ и высокая концентрация обработки.

Для корпусных деталей такой подход реализуется применением станков с ЧПУ фрезерно-сверлильно-расточной группы. Это позволит совмещать на одной операции выполнение таких переходов, как расточка базовых отверстий, фрезерование базовых торцев и пазов, сверление мелких крепежных отверстий и пр.

В виду высокой точности некоторых поверхностей и необходимости выполнения термообработки (старения) технологический процесс целесообразно разбить на два этапа:

черновой - фрезерная и расточная обработка до термообработки;

чистовой - несколько комплексных операций, где выполняются все технические требования чертежа.

Маршрут обработки с указанием выбранного оборудования представлен в табл.2.2.

Таблица 2.2 - Маршрут обработки

Описание операции

Оборудование

Оснастка

000 Обрубка и очистка литья



005 Разметочная Проверить контурные размеры литья. Проверить расположение осей отв. Æ62, Æ62Н7, Æ40Н9.

Разметить под обработку торцевые плоскости у отв. Æ62, Æ62Н7, Æ40Н9 со стороны короткого конца. Разметочная плитаРейсмас

Штангенциркуль




010 Вертикально-фрезерная Установить заготовку согласно эскизу, выверить и закрепить. Фрезеровать по разметке торцевые плоскости у отв. Æ62, Æ62Н7, Æ40Н9 со стороны короткого конца предварительно.

Снять заготовку со станка, удалить заусенцыВертикально-фрезерный станок консольного типа мод.6А140П

Крепежные болты

Установочные планки

Рейсмас

Штангенциркуль

Фреза торцовая Æ160

Напильник



020 Многоцелевая с ЧПУ Установить заготовку в приспособление согласно эскизу, закрепить. Фрезеровать торцевые плоскости у отв. Æ62, Æ62Н7, Æ40Н9 со стороны длинного конца предварительно.

Расточить Æ62, Æ62Н7 до Æ60-0,7, Æ40Н9 до Æ38-0,5.

Снять заготовку со станкаВертикальный многоцелевой станок мод.600VПриспособление специальное установочное типа УСП

Фреза торцовая Æ160

Штангенциркуль

Расточная оправка Æ60

Расточная оправка Æ38



025 Термическая Искусственное старение по технологии ОГМет

Печь


030 Малярная

 


035 Вертикально-фрезерная Установить заготовку согласно эскизу, выверить и закрепить. Биение обрабатываемых поверхностей не более 0,1 мм. Пропылить торцевые плоскости у отв. Æ62, Æ40Н9 технологически. Фрезеровать по разметке торцевую плоскость у отв. Æ62, Æ62Н7 стороны короткого конца предварительно и окончательно.

Снять заготовку со станка, удалить заусенцыВертикально-фрезерный станок консольного типа мод.6А140П

Крепежные болты

Установочные планки

Рейсмас

Штангенциркуль

Индикатор

Фреза торцовая Æ160

Напильник



040 Многоцелевая с ЧПУ Установить заготовку в приспособление согласно эскизу, закрепить. Фрезеровать торцевую плоскость у отв. Æ62Н7 стороны длинного конца предварительно и окончательно. Расточить Æ62, Æ62Н7 до Æ61,8-0,05, Æ40Н9 до Æ39,8-0,05. Расточить Æ62, Æ62Н7, Æ40Н9 окончательно в размеры на чертеже.

Центровать, сверлить 4 отв. Æ6,6 согласно чертежу.

Снять детальВертикальный многоцелевой станок мод.600VПриспособление специальное установочное типа УСП

Фреза торцовая Æ160

Штангенциркуль

Расточная оправка Æ61,8

Расточная оправка Æ39,8

Расточная оправка с микрометрической регулировкой Æ62

Расточная оправка с микрометрической регулировкой Æ62

Расточная оправка с микрометрической регулировкой Æ40

Калибры Æ62, Æ62Н7, Æ40Н9

Центровочное сверло Æ5

Сверло спиральное Æ6,6



045 Многоцелевая с ЧПУ Установить заготовку в приспособление верхней плоскостью (по чертежу) к шпинделю, закрепить. Фрезеровать пазы 20Н9´5, 18Н9´4 начисто Центровать 7 отв. на глубину h = 4 мм Сверлить 4 отв. под резьбу М6 на глубину h = 16 мм, нарезать резьбу М6 в 4-х отв. на глубину h = 13 мм Сверлить 3 отв. под резьбу М8 на глубину h = 50 мм, рассверлить 3 отв. до Æ9 на глубину h = 22 мм, нарезать резьбу М8 в 3-х отв. на глубину h = 45 мм, цековать 3 отв. до Æ20 на глубину h = 2 мм Повернуть стол на 90° по часовой стрелке Центровать сверлить и нарезать резьбу М10-7Н Повернуть стол на 8°, 149 ° по часовой стрелке Фрезеровать торцы бобышек Центровать на глубину h = 6 мм, сверлить отв.2 отв. Æ4, рассверлить до Æ8,5 на глубину h = 12 мм, развернуть отв. под резьбу K1/8’’, нарезать резьбу K1/8’’ на глубину h = 9 мм Снять деталь со станка

Горизонтальный многоцелевой станок мод. ИС500

Приспособление специальное установочное типа УСП Фреза концевая Æ10 Сверло центровочное специальное Æ15 мм Сверло спиральное Æ5 мм Метчик машинный М6 Сверло спиральное Æ9 мм Метчик машинный М8 Цековка Æ20 мм Сверло спиральное Æ8,5 мм Метчик машинный М10 Сверло спиральное Æ8,7 мм Развертка коническая Метчик машинный для конической резьбы K1/8’’ Штангенциркуль Калибр резьбовой М6 Калибр резьбовой М8 Калибр резьбовой М10

050 Слесарная Удалить заусенцы после фрезерования, притупить острые кромки, образовать фаски

Верстак

Набор слесарного инструмента

055 Разметочная Разметить под обработку паз B = 20 мм в отв. Æ62, паз B = 3 мм в отв. Æ40Н9Плита разметочнаяРейсмас

Штангенциркуль

Кернер



060 Долбежная Долбить паз B = 20 мм в отв. Æ62 по разметкеДолбежный станок мод. Долбяк

Штангенциркуль

Крепежные болты

Установочные планки



065 Горизонтально-фрезерная Фрезеровать паз B = 3 мм в отв. Æ40Н9 по разметке

Горизонтально-фрезерный станок мод.6К81Г

Фреза дисковая трехсторонняя Тиски станочные

070 Слесарная Удалить заусенцы, зачистить кромки, очистить деталь от стружки и грязи

 


075 Контроль Контролировать соответствие размерных параметров детали требованиям чертежа

 

Нутромер Штангенциркуль Индикатор Калибры-резьбовые М6, М8, М10 Набор образцов шероховатости Линейка

2.5 Расчет режимов резания на ведущую операцию


Произведем расчет режимов резания по эмпирическим формулам на переходы ведущей операции - 020 Многоцелевой с ЧПУ.

Переход 1 - Фрезеровать торцевые плоскости у отв. Æ62, Æ62Н7, Æ40Н9 со стороны длинного конца предварительно. Ширина фрезерования на различных участках будет различна, примем Bср = 80. Фреза торцевая Æ160 мм, оснащенная пластинами из твердого сплава ВК6 с покрытием из TiN, z = 8. Снимаемый припуск t » 4,0 мм. Число проходов i = 1.

Зубцовую подачу выбираем из [10, с.283].

sz = 0,18.0,28 мм/зуб. Окончательно принимаем sz = 0,25 мм/зуб.

Стойкость режущих пластин фрезы примем равной T = 45 мин.

Скорость резания определим по формуле:

, (2.3)

гдеCv - коэффициент вида обработки и m, x, y - показатели степени выбираем из [10, с.286-290];

Для серого чугуна коэффициент Kмv определяется по формуле:

, (2.4)

гдеНВ - твердость обрабатываемого материала;

nv - коэффициент, который выбираем по [10, с.262].

Для нашего случая nv = 1,25; HB = 170. Тогда

v = 445; q = 0,2; x = 0,15; y = 0,35; u = 0,2; p = 0; m = 0,32.

;

Kпv = 0,8; [10, с.263];

Киv = 1,0; [10, ст.263].

.


Частоту вращения шпинделя по формуле:

 (2.5).

, принимаем nст = 315 об/мин.

Тогда фактическая скорость резания составит:


Минутную подачу sм найдем по формуле:

; (2.6)

.

Окружная составляющая силы резания Pz при фрезеровании определим по формуле:

, (2.7)

где Cp, x, y, u, q, w - коэффициенты вида обработки, выбираем по [12, с.291].

p = 54,5; x = 0,9; y = 0,74; u = 1,0; q = 1,0; w = 0.

Поправочный коэффициент Kмp определяем по формуле:

 (2.8)

где n = 1,0;

.

.

Крутящий момент на шпинделе равен:

; (2.9), .

Эффективную мощность резания найдем по формуле:

; (2.10)

.

Станок 600V может поставляться приводами различной мощностью (11, 15 и 18,5 кВт). Поэтому данная обработка возможна на любой модификации станка.

Основное время обработки найдем как

; (2.11)

где lр. х. - длина рабочего хода.

Из схемы обработки (с учетом врезания и перебега) lр. х. » 500 мм.

Тогда

.

 

Переход 2 - Расточить Æ62, Æ62Н7 до Æ60-0,7. Глубина резания t = 5 мм. Расточная оправка Æ60 с пластиной из твердого сплава ВК6 с покрытием из TiN. Стойкость пластины Т = 30 мин.

Выбираем поперечную подачу [10, с.267].

s = 0,1.0,18 мм;

Окончательно принимаем s = 0,15 мм/об.

Скорость резания рассчитываем по формуле:

, (2.12)

Где Cv - коэффициент вида обработки, выбираем из [10, с.269-270];

m, x, y - показатели степени выбираем из [10, с.269-270];

 - коэффициенты, учитывающие особенности материала заготовки и инструмента и состояние обрабатываемой поверхности.

Для серого чугуна коэффициент Kмv определяется по формуле (2.4):

Для нашего случая nv = 1,25; HB = 170, Cv = 292; x = 0,15; y = 0, 20; m = 0, 20.

Тогда

;

Kпv = 0,8; [10, с.263];

Киv = 1,0; [10, с.263].

.

Так как обработка внутренняя, расчет по формуле 2.12 проводим с учетом дополнительного коэффициента 0,9:

.

Частоту вращения шпинделя рассчитаем по формуле (2.5):

.

Принимаем n = 630 об/мин.

Тогда фактическая скорость резания составит:

.

Минутную подачу оправки найдем как:


Проведем проверку найденных режимов резания по мощности главного привода станка.

Значение тангенциальной составляющей силы резания определяется по формуле:

 (2.13)

Где Cp, x, y, n - зависят от вида обработки и выбираются из [10, с.273]. Для нашего случая - Cp = 92; x = 1,0; y = 0,75; n = 0;p - поправочный коэффициент, учитывающий специфику конкретной обработки. Данный коэффициент рассчитывается как произведение ряда коэффициентов:


 - коэффициенты, учитывающие соответственно свойства обрабатываемого материала, и геометрические параметры (главный угол в плане - j, передний угол - g, наклона режущей кромки - l и радиус при вершине - r).

Поправочный коэффициент Kмp определяем по формуле (2.8):

где n = 0,4;

.

Значение остальных коэффициентов примем равным единице. Тогда Kp = 0,956.

Откуда

.

Мощность резания рассчитаем по формуле:

 (2.15)

.

Данная величина ниже мощности (с учетом КПД) главного привода станка, поэтому обработка возможна.

Основное время обработки найдем по формуле (2.11).

Из схемы обработки (с учетом врезания и перебега) lр. х. » 130 мм.

Тогда

.

 

Переход 3 - Расточить Æ40Н9 до Æ38-0,7. Глубина резания t = 5 мм. Расточная оправка Æ38 с пластиной из твердого сплава ВК6 с покрытием из TiN. Стойкость пластины Т = 30 мин.

Так как условия обработке данного перехода аналогичны предыдущему, за исключением диаметра обработки, то можно принять расчетные значения подачи и скорости резания одинаковыми, сделав лишь уточнение для частоты вращения и минутной подачи.

o = 0,15 мм/мин; v = 140,6 м/мин; .

Принимаем n = 1000 об/мин.

Тогда фактическая скорость резания составит:

.

Минутную подачу оправки найдем как:


Основное время обработки найдем по формуле (2.11).

Из схемы обработки (с учетом врезания и перебега) lр. х. » 40 мм.

Тогда

.

2.6 Разработка управляющей программы многоцелевой обработки с помощью CAM-системы


В данном разделе рассмотрим порядок разработки управляющей программы для многоцелевого станка 600V на 020 операцию.

2.6.1 Выбор и описание возможностей CAM-системы


В качестве CAM-системы для проектирования обработки детали на токарном обрабатывающем центре был выбран программный комплекс FeatureCAM 2008 фирмы Delcam (США).

Программный комплекс состоит из большого числа модулей и предназначен для проектирования операций механической обработки деталей на станках с ЧПУ, в т. ч. разработки управляющих программ.

Программный комплекс состоит из следующих модулей:

·              (2.5D): 2.5 координатная многоцелевая фрезерная обработки;

·              (3D): 3-х координатная многоцелевая фрезерная обработки;

·              (TURN): токарная обработка;

·              (RECOG): распознавание элементов импортируемых моделей из внешних CAD-систем;

·              (TOMB): многопозиционная (агрегатная) обработка;

·              (5-axis Pos): 5-координатная обработка.;

·              (SOLID): твердотельное моделирование;

·              (WIRE): электроэрозионная (проволочно-вырезная) обработка;

·              (MSIM): имитация узлов станка;

·              (MTUR): обработка на станках с несколькими револьверными головками

Рабочее окно программы показано на рис.2.4.

Рисунок 2.4 - Рабочее окно программы FeatureCAM 2008

Программный комплекс FeatureCAM 2008 относится к CAM-системам на основе баз знаний и элементов. Механическая обработка, на основе базы знаний, объединенная с механической обработкой на основе элементов, обеспечивает более высокий уровень автоматизации, к тому же более гибкий, чтобы проектировать и изменять широкий диапазон изготавливаемых деталей. В математической модели детали уже заложена определенная информация, CAM-система использует эту информацию для создания элементов обработки и их взаиморасположения.

Порядок работы с программой довольно прост и сводится к последовательному (или непоследовательному) выполнению этапов "Steps", представленных в табл.2.3.

Таблица 2.3 - Этапы проектирования обработки в FeatureCAM 2008



1. Stock - запуск мастера создания заготовки, задания ее параметров (геометрия, свойства материала, координатной системы заготовки)


2. Geometry - создание геометрических элементов внутри объема заготовки (имеется большой набор инструментов) - можно импортировать геометрию из CAD-систем


3. Curves - создание контуров обработки на основе геометрических построений


4. Surfaces - создание фасонных поверхностей на основе геометрических построений и контуров


5. Solids - создание трехмерных твердотельных элементов на основе геометрических моделей и контуров (используется также для создания заготовок)


6. Automatic features recognition - автоматическое распознавание элементов детали (применяется, если импортируется модель детали или заготовки)


7. Features - использование базы данных для создания элементов заготовки и выбора методов их обработки


8. Toolpaths - запуск симуляции механической обработки заготовки


9. NC Code - постпроцессирование - генерация управляющей программы (доступно только в лицензионной версии)


Customize Manufacturing - настройка баз данных для соответствия с возможностями собственного производства


Другими словами, вначале создается solid-модель заготовки "Stock", поступающей на проектируемую операцию. Заготовка может быть создана стандартной (параллелепипед "Box", цилиндр "Cylinder"), создана средствами модуля "Solid", или импортирована из внешней CAD-системы. Далее на контуре заготовки наносятся геометрические построения (состоящие из обычных геометрических примитивов - линий, отрезков, окружностей, кривых и пр.). Впоследствии данные построения используются для создания контуров обработки (например, кармана, паза, выточки, отверстия и пр.). При наличии на детали фасонных пространственных поверхностей, они создаются на этапе "Surfaces". Далее, используя мастер "Features", из базы знаний выбирается элемент (стандартный, или создаваемый на основе контура), утверждается стратегия ее обработки, выбирается инструмент, корректируются (при необходимости) некоторые технологические параметры.

В процессе проектирования FeatureCAM 2008 автоматически выполняет следующее:

·        определяет все черновые и чистовые операции для изготовления детали;

·        выбирает соответствующее число и размеры инструментов;

·        вычисляет подачи и обороты шпинделя;

·        определяет шаги и слои выборки по осям;

·        генерирует переходы, погружение, и перемещения занижения;

·        генерирует путь инструмента;

·        создает NC-программу

2.6.2 Моделирование заготовки с помощью FeatureCAM SIP

Заготовка для детали - рычаг ЕЗ107.170.011 получается литьем. Сама отливка (см. рис.2.2) имеет сложную пространственную конструкцию, очень близкую к форме детали.

Для моделирования заготовок, имеющих сложную трехмерную конфигурацию, предназначен специальный модуль расширения (plugin) FeatureCAMSIP.

а)

 

б)

 

в)

 

г)

 

д)

 

е)

 

ж)

Рисунок 2.5 - Этапы создания заготовки в FeatureCAM 2008

а)"Geometry" - этап геометрических построений - создание линий построений; б) обводка контуров; в) - г) выполнение "операций" трехмерного моделирования - выталкивания, булевых и пр.; д) результат моделирования - трехмерная модель заготовки; е) создание локальной системы координат заготовки; ж) задание свойств материала и придание модели статуса заготовки

В нашем случае заготовка может быть получена как булевая операция нескольких компонентов выталкивания различных контуров. Для реализации этого необходимо на этапе "Geometry" создать геометрические построения (см. рис.2.5, а) - совокупности формообразующих линий, далее на этапе "Curves" обвести контуры (см. рис.2.5, б) и далее создать на их основе новый твердотельный элемент (см. рис.2.5, в). Далее, созданному solid-элементу присваивается статус заготовки, задаются свойства материала (см. рис.2.5, е).

2.6.3 Проектирование основных переходов

На 020 операции осуществляется обработка двух торцев (фрезерованием) и трех отверстий (растачиванием).

Проектирование переходов чернового торцового фрезерования осуществляется с помощью "мастера" Features - Face.

Далее, в диалоговом режиме (см. рис.2.6) задается положение (в локальной системе координат заготовки) обрабатываемой плоскости, задается значение припуска, а также стратегия обработки. На последнем этапе проектирования выбирается режущий инструмент, и задаются режимы резания.

После этого можно запустить имитацию обработки, проверить правильность выполнения перехода, и, в случае, необходимости, откорректировать некоторые параметры.

Проектирование второго перехода торцевого фрезерования можно осуществить, скопировав данные о геометрических перемещениях первого перехода, внеся поправки (коррекции) на положение обрабатываемой плоскости.

На рис.2.7 представлены этапы решения этой задачи.

а)

б)

в)

г)

д)

е)

ж)

з)

а) выбор элемента "Feature" - Face;

б) задание положения обрабатываемой плоскости;

в) задание припуска;

г) задание стратегии обработки;

д) выбор инструмента;

е) задание режимов резания; ж) задание дополнительных параметров перехода;

з) фрагмент имитации обработки

Рисунок 2.6 - Этапы проектирования торцевого фрезерования

 а)

б)

ж)

Рисунок 2.7 - Этапы проектирования второго перехода торцевого фрезерования

а) создание нового перехода как копии траекторий движения предыдущего;

б) корректировка координат траектории движения инструмента;

в) фрагмент имитации обработки

Аналогично проектируются и переходы, связанные с растачиванием отверстий.

На рис.2.8 представлены фрагмент имитации переходов растачивания. В таблице 2.4 представлены сводные данные о спроектированных переходах.

Таблица 2.4 - Данные о спроектированных переходах


а)

б)

ж)

Рисунок 2.7 - Фрагменты имитации расточных переходов

а) - б) растачивание двух отв. Æ62 до Æ60;

в) растачивание отв. Æ40 до Æ38

Для получения управляющей программы для системы ЧПУ, необходимо выполнить последний этап - постпроцессирование. Для этого следует выбрать подходящий станок, оснащенный системой ЧПУ и выбрать вкладку NC-code.

Ниже приведен текст управляющей программы, выданной системой FeatureCAM 2008 после постпроцессирования.

N185F100. N190MCALL Cycle85 (10,84.0,2.54,,86.0,3,100., 1000) N195X150.0Y40.0 N200MCALL N205Z109.4 N210X0. Y0. F100. N215Z45.54 N220F100. N225MCALL Cycle85 (10,43.0,2.54,,40.0,3,100., 1000) N230X0. Y0. N235MCALL N240Z109.4 N245Z150M9 N250X0Y0M5 N255; TOOL CHANGE (Расточная оправка d38) N260; BORE HOLE1_2 N265T3 N270M6 N275D3 N280 M01 N285S1000M3 N290 G4F4 N295G0X150.0Y-40.0 N300Z109.4M8 N305Z86.54 N310F150. N315MCALL Cycle85 (10,84.0,2.54,,86.0,3,150., 1000) N320X150.0Y-40.0 N325MCALL N330Z109.4 N335Z150M9 N340X0Y0M5 N345G54 SUPA D0 N350G75 FP=1 Y1=0 Z1=0 N355M30 N360%

2.7 Расчет норм времени на 020 операцию


Штучно-калькуляционное время на операцию выражается формулой:

 (2.16)

Где Тп. з. - подготовительно заключительное время, мин;

 (2.17)

 

Тп. з.1, Тп. з.2, Тп. з.3 - суммарные временные затраты на получение наряда, чертежа, технологической документации в начале смены и сдачи в конце смены, инструктаж, установку рабочих органов в нулевое положение, загрузку программы, обработку пробной детали и пр. Согласно [9] принимаем Тп. з.1 » 35 мин.

Тп. з.2 рассчитаем как сумму времен на подготовительно-заключительные переходы из [9, табл.12-14 стр.606-611].

 

Тп. з.2 = 4 + 2 + 7 + 2 + 2 +2,5 + 3×1,5 = 24 мин.

Тп. з.3 = 3,0 мин.

Тогда

 

Тп. з. = 35,5 + 24,5 + 3,0 = 63 мин.

 

Тшт - штучное время на операцию, мин;

Норма штучного времени на операцию определяется по формуле

 (2.18)

Где tв. у. - вспомогательное время на установку и снятие детали, мин. Так как зажим заготовки осуществляется в специальное установочное приспособление с зажимом заготовки прихватами tв. у. = 1,2 мин.

Т0 - суммарное основное время на операцию, мин. Согласно проведенного расчета режимов резания  мин;

Тв. р. - вспомогательное время, связанное с обработкой поверхности, для выполнения ручной работы, не включаемого в программу, мин. Данное время будет складываться из времен на включение и выключение станка, отвод оградительно щитка станка, подвод инструмента в исходное положение и пр. Из [9, табл.16, стр.618 - 619] определяем:

.

 

Тм. в. - машинно-вспомогательное время, относящееся к автоматической работе станка, мин. По [9, табл.12, стр.605 - 608] определяем:

.

Тобл. - время на обслуживание рабочего места, отдых и личные надобности, мин. Время рассчитывается из соотношения:

 (2.12)

Где а - величина, принятая для обслуживания рабочего места, отдых и личные надобности в процентах к оперативному времени - для токарного станка выбранной модели a = 10%;

Топ - оперативное время на операцию, мин определяется из соотношения:

. (2.13)

.

Тогда штучное время на операцию составит:

.

Так как в узле число применяемых аналогичных деталей равно двум, то принимаем число деталей в партии nд = 10 шт.

Штучно-калькуляционное время на операцию составит:

.

Список литературы


1.      Афанасьев А.Е. Методические указания по заполнению технической документации - Егорьевск.: 2002, - 58 с.

2.      Выбор заготовки с технико-экономическим обоснованием. Метод. Рук-во / Сост. И.А. Стрекалов, Е.А. Копейкин. - Егорьевск: МГТУ "Станкин", 2004. - 49 с.

.        Колесов И.М. Основы технологии машиностроения: Учеб. для машиностроит. Спец. Вузов. - 2-е изд., М.: Высш. Шк., 1999. - 591 с., ил.

.        Кошеленко А.С., Позняк Г.Г., Сингх Д.К. Основы базирования в металлообработке: Учеб. Пособие. - М.: Изд-во РУДН, 2003 - 150 с.: ил.

.        Махов А.А. Проектирование фрезерных многоцелевых операций с ЧПУ с помощью FeatureCAM. - Методические указания к выполнению лабораторной работы по дисциплине "Технологическая информатика", - ЕТИ МГТУ "Станкин", 2006, 12 стр.

.        Металлорежущие станки. Тепинкичиев В.К., Красниченко Л.В., Тихонов А.А., Колев Н.С.М., Изд-во "Машиностроение", 1972, 464 с.

.        Нормативы времени и режимов резания для нормирования работ на фрезерных станках с ЧПУ и типа "Обрабатывающий центр". Мелкосерийное и массовое производство. М: ВНИИТЭМР. 1986г. - 151с.

.        Обработка металлов резанием: Справочник технолога / А.А. Панов, В.В. Аникин, Н.Г. Бойм и др.; Под общ ред.А. А. Панова. - М.: Машиностроение. 1988. - 736 с.: ил.

.        Режущий инструмент: Альбом / Под ред.В.А. Гречишникова - Ч.1. - М.: Изд-во "Станкин", 1996. - 348с., ил.

.        Справочник технолога-машиностроителя. В 2-х т. Т.1/Под ред.А.Г. Косиловой и Р.К. Мещерякова. - 4-е изд., перераб. и доп. - М.: Машиностроение, 1985.656 с., ил.

.        Справочник технолога-машиностроителя. В 2-х т. Т.2/Под ред.А.Г. Косиловой и Р.К. Мещерякова. - 4-е изд., перераб. и доп. - М.: Машиностроение, 1985.656 с., ил.

.        Стрекалов И.А. Методические рекомендации по выполнению технологической части дипломного проекта и курсового проекта по предмету "Технология станкостроения", Егорьевск.: ЕТИ, 1994, 200 стр.

.        Coroguide. Руководство по повышению производительности. Sandvik Coromant, 2000, 180 стр.

Похожие работы на - Автомат специальный зубофрезерный ЕЗ107

 

Не нашли материал для своей работы?
Поможем написать уникальную работу
Без плагиата!
Без нейросетей!