Вертикальный синхронный двигатель типа ВДС 325/40-16 мощностью 5500 кВт
Вертикальный
синхронный двигатель
типа
ВДС 325/40-16 мощностью 5500 кВт
Задание на курсовое проектирование
Спроектировать вертикальный
синхронный двигатель со следующими параметрами:
Номинальные данные:
- номинальная мощность
СМ
номинальное линейное
напряжение 
номинальная частота вращения
ротора 
номинальная частота
напряжения сети 
номинальный коэффициент
мощности
(опережающий)
внешний диаметр
сердечника статора 
класс нагревостойкости
изоляции
схема обмотки статора
Технические требования:
кратность пускового
момента
≥ 0,4
кратность максимального
момента
≥ 1,8
кратность входного
момента
≥ 1,4
кратность пускового тока
≤
5,5
Изоляция обмотки статора
- термореактивная. Возбудитель - статический, тиристорный
Реферат
Пояснительная записка
включает в себя расчет синхронного двигателя вертикального исполнения типа ВДС
325/40-16 мощностью Pном = 5500 (кВт).
В данной работе
произведен синтез электромагнитного ядра явнополюсного синхронного
вертикального двигателя, результаты которого удовлетворяют всем предъявленным
техническим требованиям.
В первой главе описаны
конструкция, принцип действия, назначение, основные характеристики и элементы
конструкции синхронного двигателя.
Вторая глава
представляет собой полностью ручной расчет электромагнтного ядра с учетом всех
требований и ограничений. Здесь получен первоначальный вариант проектируемого
двигателя.
Далее производится
синтез электромагнитного ядра двигателя на ЭВМ и поиск оптимального варианта.
При этом используются данные второй главы, а также некоторые опытные и
аналитические зависимости. Итогом третьей главы является полностью
спроектированное электромагнитное ядро машины.
Математические
вычисления были выполнены в математическом пакете MathCAD13, все рисунки
выполнены в Компас-3D─V7_LT.
Пояснительная записка
содержит 37 страницы, 14 рисунков, 4 таблицы; было использовано четыре
источника литературы.
Введение
В настоящее время
широкое распространение получили крупные вертикальные электродвигатели
переменного тока мощностью от нескольких десятков ватт до десятков мегаватт, а
частотой вращения от нескольких до десятков тысяч оборотов в минуту.
Синхронные двигатели
большой мощности экономически выгоднее, чем двигатели другого типа. Также
целесообразно применять их в качестве привода устройств, в местах стабильной
нагрузки, где не требуются частые пуски и двигатель должен работать с
постоянной частотой вращения, например: компенсаторы, насосы, воздухоустановки,
нагнетатели. инхронный двигатель в сравнении с другим двигателем имеет
следующие преимущества:
возможность
генерирования и регулирования реактивной мощности;
меньшая зависимость
перегрузочной способности от напряжения;
возможность
кратковременно увеличивать перегрузочную способность за счет форсировки
возбуждения;
стабильная частота
вращения, что обеспечивает технологичность процесса.
И следующие недостатки:
сложность изготовления,
дороговизна, меньшая надежность;
сложность в управлении и
регулировании скорости вращения;
затруднен пуск.
1. Назначение, краткое
описание конструкции и системы возбуждения
.1 Принцип действия и
конструкция
Следует выделить две
основные части синхронной машины: статор и ротор. Статор представляет собой
неподвижный полый шихтованный сердечник с продольными пазами внутри, в которых
расположена обмотка статора. Во внутренней полости статора расположена
вращающаяся часть машины - ротор, который может иметь явно полюсное и неявно
полюсное исполнение. В неявно полюсной машине зазор между ротором и статором
постоянный. В роторе крепится обмотка возбуждения и демпферная клетка, которая
служит для пуска и успокоения ротора при резком изменении режимных параметров.
Обмотка возбуждения создает неподвижное поле. К валу ротора подводится
нагрузка.
Синхронная машина может
работать в двух различных режимах: в автономном и параллельно с сетью. В
автономном режиме машина является единственным источником энергии для
потребителей, то есть работает только в генераторном режиме. При работе от сети
или параллельно сети она может работать в режимах синхронного генератора,
двигателя, компенсатора.
.2 Конструкция корпуса,
сердечника и обмотки статора вертикального СД
.2.1 Корпус статора
Корпус статора
вертикального электродвигателя имеет круглую форму и выполняется сварным из
листовой стали. Он состоит из горизонтально расположенных круглых фланцев,
промежуточных рам, распорных ребер и цилиндрической обшивки с отверстиями для
выхода нагретого воздуха.
Расположение ребер,
промежуточных рам и обшивки обеспечивает получение секционных камер для
прохождения нагретого воздуха к охладителям - при замкнутом цикле вентиляции
или к отверстиям в обшивке для выхода воздуха в окружающую среду - при
разомкнутом цикле. Нижняя торцевая рама является опорной поверхностью, статор
которой устанавливается на фундамент. К корпусу статора с обеих сторон
прикрепляются торцевые щиты.
.2.2 Сердечник статора
Сердечник статора
синхронного и асинхронного электродвигателей состоит из гладких штампованных
сегментов из электротехнической стали толщиной 0,5 мм с выштампованными по
внутреннему диаметру открытыми пазами для катушек обмотки, сегментов с
вентиляционными распорками и концевых сегментов с нажимными пальцами. Сегменты
собраны в пакеты и стянуты посредством нажимных фланцев и шпилек в корпусе
статора. Сегменты штампуются из электротехнической стали марки 3413 и
покрываются с обеих сторон лаком горячей сушки.
Пакеты сердечника
разделяются между собой сегментами с вентиляционными распорками, образующими
радиальные вентиляционные каналы шириной по 10 мм. Сегмент с вентиляционными
распорками представляет собой два сложенных штампованных листа
электротехнической стали марки Э11, к которым приварены точечной сваркой или
приклепаны стальные полоски из специального нормализованного профиля
двутаврового сечения 4х10 или 8х10 мм ердечник статора выполнен из штампованных
сегментов и разделен радиальными каналами на ряд пакетов. Пакеты собираются в остов
сварной конструкции, выполненный из стального листа и состоящий из двух рам,
ряда ребер н нажимного фланца. Сердечник закрепляется в остове посредством
стяжных шпилек, пропущенных через отверстия в спинке сегментов, в раме и
нажимном фланце. В корпусе статора подобны и сердечник устанавливается уже в
обмотанном виде и закрепляется в нем посредством планок и болтов.
Такая конструкция
применяется в электрических машинах, имеющих термореактивную изоляцию обмотки
статора, в которых пропитка обмотки изоляционными лаками производится после ее
укладки в пазы сердечника.
.2.3 Обмотка статора
Вертикальные синхронные
двигатели выполняются с катушечными петлевыми двухслойными обмотками с
укороченным шагом. Катушки состоят из ряда витков обмоточной меди прямоугольного
сечения марки ПСД с двусторонней изоляцией толщиной 0,47 мм. Каждый виток
состоит из нескольких проводников. По ширине паза располагается два
проводников.
Для большей плотности
крепления обмотки в паз под клин, между стержнями и на дно паза, между стенками
паза и стержнями закладывают специальное уплотняющие прокладки. Крайние нижние
клинья закрепляют, чтобы предотвратить их выпадение из паза. Лобовые части
обмотки статора удерживаются бандажным кольцами от деформаций и вибраций при
действии на них усилий, особенно значительных при внезапных коротких
замыканиях.
Катушки изготовляются на
шаблонах совершенно одинаковыми по форме и размерам. Выгибанием лобовой части
на специальном оборудовании достигается форма катушек, при которой стороны
располагаются в разных плоскостях.
.2.4 Изоляция статорных
обмоток
В вертикальных
электродвигателях для изоляции катушечных статорных обмоток применяется в
основном непрерывная, однородная микалентная изоляция с пропиткой битумными
компаундами и прессовкой в компаундных котлах гидростатическим способом.
1.2.5 Воздухоохладители
Воздухоохладитель
состоит из сварной рамы, двух трубных досок с трубками и двух крышек.
Увеличение поверхности трубок достигается за счет оребрения их или навивки и
припайки к трубкам медных проволочных спиралей эллиптической формы.
Концы трубок
развальцованы в стальных трубных досках. С внешней стороны трубные доски
закрыты стальными штампованными крышками. Крышки снабжены фланцами для подвода
и отвода охлаждающей воды и водоразделяющими перегородками. Крепление крышки к
трубной доске производится через уплотняющую резиновую прокладку. Рама
воздухоохладителя представляет собой стальное гофрированное основание с
приваренными уголками, в которых имеются отверстия для подъема
воздухоохладителя и отверстия для крепления его к корпусу статора. Нагретый
воздух омывает наружную поверхность оребренных трубок или трубок с проволочными
спиралями, расположенных в шахматном порядке. Нагретый воздух попадает на
трубки со стороны корпуса статора и выходит из противоположной стороны уже
охлажденным. Воздухоохладитель уплотняется на корпусе статора резиновыми
шайбами.
.3 Конструкция ротора
вертикальных синхронных двигателей
Ротор состоит из
следующих основных узлов: остова, магнитного обода, полюсов, обмотки возбуждения,
вала с насаженными втулками подпятника и направляющих подшипников.
.3.1 Остов и магнитный
обод ротора
Остов ротора выполняется
в виде сварной конструкции, состоящей из кованой стальной втулки, двух круглых
рам из толстого листа и поперечных ребер прямоугольного сечения. Кроме
приварки, рамы закрепляются на втулке стальными цилиндрическими штифтами.
На остов ротора насажен
обод, выполненный из стального литья марки 25. Обод имеет многогранную форму с
числом граней, равным числу полюсов ротора. На каждой грани имеется по одной
продольной канавке для крепления полюсов с Т-образным хвостовиком.
Для предохранения от
сдвига обода при подъеме ротора на домкратах обод дополнительно закрепляется на
остове путем установки стальных цилиндрических штифтов, пропущенных сквозь
толщу обода и поперечное ребро остова. Обод ротора подобной конструкции
воспринимает усилия от центробежной силы полюсов и зоны обода, в которой
размещаются хвостовики полюсов.
Между отдельными
кольцами установлены дистанционные распорки из полосовой стали, образующие
радиальные вентиляционные каналы, через которые охлаждающий воздух попадает в
окна между катушками обмотки возбуждения. Остов прикрепляется к двум фланцам
втулки посредством пригнанных конусных стальных шпилек. Сама втулка насаженна
на вал с натягом методом горячей посадки. Подобная конструкция допускает выем
ротора из статора, не нарушая линию спаренных валов двигателя и насоса.
.3.2 Полюсы ротора
Для уменьшения
пульсационных потерь полюсы набираются из штампованных листов. Штампованные
вырубки полюсов собираются в монолитные пакеты посредством двух стальных щек и
шпилек или заклепок. В башмаках полюсных вырубок выштамповываются и в щеках
высверливаются круглые отверстия для размещения стержней демпферной обмотки.
Щеки полюсов изготовляются стальными, литыми или коваными или вырезаются из
толстого листового проката. Крепление полюсов к остову ротора производится
посредством Т-образных хвостовиков и парных тангенциальных клиньев или болтами.
Рисунок 1 Полюс ротора.
а - общий вид
1-сердечник, 2-катушка;
б - разрез полюса
1-демпферный стержень, 2-демпферный сегмент, 3-верхняя изоляционная шайба,
4-катушка, 5-нижняя изоляционная шайба, 6-стальная шайба, 7-изоляция
сердечника, 8-сердечник, 9-стяжная шпилька, 10-гайка, 11-щека.
.3.3 Обмотка возбуждения
Обмотка возбуждения
синхронных двигателей выполняется из отдельных полюсных катушек с открытыми
наружной и внутренней поверхностями.
Катушка полюса изготовляется
из голой, согнутой на ребро шинной меди специального периодического профиля.
Применением подобной меди достигается увеличение наружной поверхности катушки и
улучшение съема тепла с катушки.
Рисунок 2 Полоса меди периодического
профиля
Витковая изоляция
катушки выполняется из лакированной асбестовой бумаги или из стеклоткани,
пропитанной эпоксидным лаком. Для придания монолитности катушки опрессовываются
и выпекаются под большим давлением на прессе (не менее 150 кгс/см2 площади
витка).
Изоляция катушки от
корпуса накладывается непосредственно на сердечник полюса. Она выполняется из
стеклоткани, пропитанной эпоксидным лаком.
.3.4 Демпферные обмотки
Синхронные вертикальные
двигатели имеют демпферные (пусковые) обмотки, состоящие из круглых латунных
или медных стержней, припаянных концами к медным пластинам (сегментам). Для
получения хорошего теплоотвода стержни демпферной обмотки должны сидеть в пазу
плотно, без зазора. Стержни должны быть зафиксированы по центру полюсного
башмака с помощью керновки или чеканки для обеспечения равномерного удлинения
от торцов башмака при нагреве. Сегменты демпферных обмоток выполняются из меди
марки МГТ (ГОСТ 434-71) и припаиваются к стержням тугоплавким припоем. Сегменты
располагаются в горизонтальной или вертикальной плоскости.
В данном двигателе
применяется конструкция демпферной обмотки с креплением каждого сегмента зубом
(выступом) на козырьке щеки полюса.
.4 Конструкция крестовин
и вала
В вертикальных
электродвигателях верхняя крестовина является грузонесущей, она опирается на
корпус статора.
Крестовина выполняется
лучевого типа сварной конструкции из листовой стали. Крестовина состоит из
центральной части и приваренных к ней лап. Центральная часть крестовины
изготовляется: из внутреннего цилиндра, внешней обечайки цилиндрической или
конической формы, верхнего и нижнего фланцев, основных и промежуточных ребер,
сваренных между собой. К основным ребрам приварен опорный диск, непосредственно
воспринимающий нагрузку от подпятника. Центральная часть крестовины является
масляной ванной и в ней расположены опорный подпятник, верхний направляющий
подшипник и маслоохладители. Пространство между лапами закрывается перекрытием,
состоящим из отдельных листов и являющимся одновременно верхним статорным
щитом. Подпятник крестовины воспринимает нагрузку, складывающуюся из силы
тяжести вращающихся частей электродвигателя и насоса и гидравлического усилия,
действующего на рабочее колесо насоса.
Размеры верхней
крестовины определяются из условия обеспечения ее вертикальной жесткости и
допустимых механических напряжений в сечениях лап, в фланцах центральной части,
в ребрах и других частях крестовины
Нижняя крестовина
выполняется сварной конструкции из листовой стали лучевого типа с четырьмя
лапами. Центральная часть крестовины представляет собой цилиндр из верхнего и
нижнего фланцев и приваренных к ним обечайкам. Лапы двутаврового сечения
приварены к фланцам и к обечайке.
Центральная часть
крестовины является масляной ванной, в которой размещены нижний направляющий
подшипник скользящего трения и маслоохладитель. Снизу к масляной ванне
прикрепляется болтами через резиновую прокладку сварная крышка из листовой
стали с центральным отверстием. К крышке по внутреннему диаметру приварен
цилиндр, являющийся выгородкой нижней крестовины. На нижнюю крестовину в
радиальном направлении действует несбалансированная односторонняя нагрузка,
воспринимаемая направляющим подшипником. Кроме того при пуске двигателя,
крестовина нагружается моментом сил трения, возникающим на поверхности
сегментов подпятника. Нижняя крестовина располагается своими лапами на
фундаментных плитках, закрепленных непосредственно на фундаменте, или крепится
к нижнему опорному кольцу статора.
.5 Подпятник
Вертикальные усилия,
создаваемые весом вращаюшихся частей агрегата и осевой составляющей
гидродинамической силы, воспринимаются подпятником.
Подпятники современных
гидрогенераторов выполняются с вращающимся диском и неподвижными опорными
подушками (сегментами). Диск и сегменты помещены в заполненную маслом ванну.
Сегменты опираются на шаровую опору (или, реже, на пружинное основание) и имеют
возможность наклоняться, так что между ними и диском образуется клиновидный
слой масла, сужающийся в направлении движения диска.
Конструкция подпятника
должна удовлетворять следующим основным требованиям:
а) давать возможность
распределить нагрузку между сегментами с достаточной для практики точностью;
б) позволять сегментам
наклоняться в двух плоскостях, создавая клиновидный зазор между сегментами и
диском;
в) обеспечивать
сохранение достаточно плоской формы поверхностей трения при пуске и работе
подпятника;
г) создавать правильную
циркуляцию масла в ванне подпятника и обеспечивать отведение выделяемой
теплоты;
д) удерживать сегменты
от сдвига при вращении ротора и от подъема вместе с ротором.
Рисунок 3 Однорядный
подпятник с сегментами на винтовой опоре:
- корпус; 2 - стопор; 3
- болт со сферической головкой; 4 - опорный диск; 5 - сегмент; 6-диск (зеркало)
подпятника;7 - втулка; 8,10 - изоляционные прокладки; 9 - упор.
Для данного двигателя
применяется однорядный подпятник с сегментами на винтовых опорах (рис. 6). Диск
подпятника притянут к вращающейся втулке и удерживается от тангенциального
сдвига штифтами. Равномерная по окружности деформация диска и втулки в
коническую поверхность не опасна, так как сегменты могут повернуться вслед за
диском. Более опасно образование на диске волны деформации с чередующимися
впадинами и выступами, что приводит к пульсации давления в масляном слое.
Сегмент подпятника
состоит из стальной основы и баббитового покрытия. Радиальная кромка сегмента,
над которой сначала проходит фиксированный радиус диска при его вращении,
называется входной кромкой, а противоположная - выходной. На входной кромке
сегмента баббитовое покрытие выполняется с фаской, облегчающей затягивание
масла диском. Поверхность баббита за вычетом этой фаски называют рабочей.
.5.1 Смазка подпятника и
маслоохладители
Для сегментного
подпятника электродвигателя применяется замкнутая внутри масляной ванны система
смазки. Внешняя циркуляция масла отсутствует. Весь подпятник полностью погружен
в масло. Масло в ванне циркулирует за счет насосного действия вращающего диска
и этим обеспечивает смазку поверхностей трения и охлаждение сегментов. Масло в
масляной ванне охлаждается с помощью маслоохладителей.
Эффективное охлаждение
масла в подпятнике осуществляется за счет встроенных в масляную ванну водяных
трубчатых охладителей. Маслоохладители выполняются из прямых или U-образных
латунных трубок, концы которых развальцованы. Внутри трубок протекает
охлаждающая вода. С наружной стороны трубки омываются маслом. К трубным доскам
посредством болтов прикреплены на резиновых прокладках сварные стальные или
литые чугунные крышки. Верхняя крышка снабжена двумя патрубками для
присоединения трубопровода подачи и отвода воды. Маслоохладители с U-образными
трубками и одной крышкой при одинаковых внешних размерах имеют увеличенную
поверхность теплоотдачи и меньше гидравлических соединений внутри масляной ванны,
отчего уменьшается вероятность попадания воды в масло по сравнению с
маслоохладителями с прямыми трубками и двумя крышками.
.6 Система возбуждения
ВСД
Возбуждение синхронных
двигателей обеспечивается от возбудителей, расположенных на валу двигателей или
от отдельно стоящих тиристорных возбудителей.
Благодаря быстрому
развитию полупроводниковой техники для вертикальных двигателей в основном
применяются полупроводниковые статические возбудители на тиристорах. Малые
габариты и небольшая масса, практическая безынерционность, широкие возможности
регулирования и требуемая для этого малая мощность, измеряемая ваттами, высокий
к.п.д. - таковы преимущества тиристорных возбудителей. В проектируемом
двигателе используется полупроводниковый статический возбудитель на тиристорах.
Нестандартные значения
номинальных напряжений возбуждения СД обусловили нестандартные напряжения ТВУ и
потребовали разработки специальных трансформаторов, что позволило уменьшить
установленную мощность трансформаторов, повысить КПД и коэффициент мощности
ТВУ.
К системам возбуждения
предъявляются следующие основные требования, которым она должна удовлетворять:
надёжное питание
постоянным током обмотки возбуждения ротора двигателя в любых режимах работы;
устойчивое регулирование
тока возбуждения при изменении на грузки двигателя от нуля до номинальной при
заданном уровне напряжения;
достаточное
быстродействие;
форсировка возбуждения;
быстрое гашение
магнитного поля в двигателе.
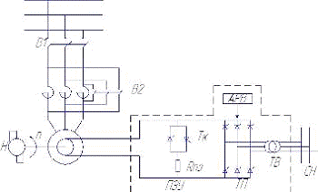
На рис.7 показана схема
возбуждения от тиристорного возбудителя. Система возбуждения состоит из
следующих основных узлов: внешней сети Uc, сети собственных нужд СН,
трансформатора возбуждения ТВ, тиристорного преобразователя ТП, пускозащитного
сопротивления Rпз, тиристорного ключа ТК, автоматического регулятора возбуждения
АРВ, трансформатора напряжения ТН и трансформатора тока ТТ.
Регулирование тока
возбуждения осуществляется изменением угла отпирания тиристоров. При пуске
синхронного двигателя на подсинхронной скорости тиристоры отпираются с углом,
соответствующим потолочному напряжению возбуждения. Длительность форсировки при
этом обычно около 1 с. Предельное установившееся напряжение возбудителя
(потолок) Uпот при форсировке должно быть не менее 1,4 номинального напряжения
возбуждения синхронного двигателя Uв.н. Для крупных двигателей практически
всегда Uопт = (1,7-2,0)Uв.н (особенно при тиристорном возбуждении). Система
возбуждения должна быть рассчитана на длительность форсировки 50 сек.
Рисунок 4 Система
возбуждения двигателя
Тиристорный возбудитель
управляет пуском и остановкой двигателя и потому отпадает надобность в станции
управления. При пуске, когда в обмотке ротора индуктируется переменная э.д.с.,
обмотка должна быть включена на резистор, чтобы создать замкнутую цепь для
отрицательной полуволны тока. Резистор может быть линейным и нелинейным,
включенным только на время пуска или постоянно подключенным. В последнем случае
он осуществляет и защиту тиристоров от перенапряжений при переходных процессах
в двигателе. При пуске синхронного двигателя тиристорный преобразователь
заперт, обмотка возбуждения включена на разрядный резистор через тиристорный
ключ, который представляет собой два встречно-параллельных тиристора. К концу
пуска, когда напряжение на обмотке ротора падает, включается тиристорный
преобразователь, а тиристоры ключа запираются.
2. Расчет
электромагнитного ядра
.1 Расчет номинальных
величин
.1.1 Номинальная полная
мощность
где
- среднее значение КПД крупных синхронных двигателей.
.1.2 Номинальный фазный
ток статора
.2 Расчет сердечника
статора
.2.1. Число пар полюсов
.2.2. Внутренний диаметр
статора
Принимаю внутренний
диаметр статора Di=2.787 (м) для выполнения соотношения из 2.2.6
.2.3 Полюсное деление
.2.4 Длина сердечника статора
.2.5 Высота спинки
сердечника статора
.2.6 Высота паза статора
.2.7 Ширина паза статора
где
,
а
,
принятое для оговоренной в техническом задании термореактивной изоляции.
Проверяю соотношения
и
:
и
Соотношения выполняются.
.2.8 Число параллельных
ветвей
Выбираю число
параллельных ветвей, удовлетворяющим
условию Ia = Iн/а <
275, где Ia - ток в каждой ветви.
- условие выполняется,
следовательно а = 4.
.2.9 Минимальное
зубцовое деление
.2.10 Максимально
возможное число полюсов статора
.2.11 Число пазов на
полюс и фазу
.2.12 Число пазов
статора
.2.13 Число пазов в
сегменте
Число выбирается кратным
числу пазов z в диапазоне zc = 6-18. Наилучшее деление на сегменты получается
при zc = 12, т.к. при этом большая хорда сегмента:
Сегменты штампуются из
листов электротехнической стали шириной 430 (мм).
.2.14 Зубцовое деление
.3 Расчет обмотки
статора
.3.1 Линейная нагрузка
.3.2 Число эффективных
проводников в пазу
Величина
округляется
до ближайшего целого четного числа.
.3.3 Число элементарных
проводников в одном эффективном
где
- предварительное значение плотности тока в обмотке статора;
- предварительная
площадь сечения элементарного проводника.
Число
может
принимать значения 1,2,3,4,6. Выбираем
.
Рисунок 5 Раскрой
электротехнической стали на сегменты
.3.4 Ширина
элементарного проводника
где
-
толщина витковой изоляции;
- толщина корпусной
изоляции;
- число элементарных
проводников по ширине паза.
.3.5 Высота
элементарного проводника
1.759 мм
где 
- двухсторонняя толщина
изоляции элементарного проводника.
.3.6 По найденным
значениям a0 и b0 из [1, табл. П3.2] определяются размеры стандартного
проводника и его сечение S0, а затем уточняются размеры паза
=1.8 (мм);= 6,7 (мм);=
11,7 (мм2);
0.068 (м)
Проверка.


Соотношения выполняются
.3.7 Средний перепад
температуры в изоляции обмотки статора
где
-
плотность тока в обмотке статора;

- теплопроводность
изоляции для термореактивной изоляции.
Необходимо, чтобы
средний перепад температуры Θиз не превышал 25
- 30 ˚С. В данном случае условие выполнено.
Рисунок 6 Паз статора с обмоткой и
спецификацией
|
Позиция
|
Наименование материалов
|
|
1
|
Провод медный марки ПСД
|
|
2
|
Лента стеклянная ЛЭС-0.1
|
|
3
|
Витковая изоляция (стеклослюдинитовая лента толщиной 0.27 мм)
|
|
4
|
Корпусная изоляция(стеклослюдинитовая лента толщиной 2.5 мм)
|
|
5
|
Стеклотекстолит толщиной 1мм
|
|
6
|
Клин стеклотекстолитовый
|
.3.8 Число витков в фазе
2.3.9 Шаг обмотки
(округляется до ближайшего целого)
где
- число фаз.
.3.10 Укорочение шага
.3.11 Коэффициент
укорочения
.3.12 Коэффициент
распределения
.4 Коррекция главных
размеров статора по уровню индукции в воздушном зазоре, зубцах и спинке статора
.4.1 Число
вентиляционных каналов (округляется до ближайшего целого)

где 
- обычно принимаемая
ширина пакета статора;

- стандартная ширина
вентиляционного канала.
.4.2 Длина сердечника
статора

.4.3 Индукция в
воздушном зазоре над серединой полюса

где
-
коэффициент полюсного перекрытия.
.4.4 Индукция в спинке
статора

где 
;

.
.4.5 Индукция в зубцах
на высоте 1/3 от основания паза

где
/3
- ширина зубца на высоте 1/3 от основания паза.
Значения индукций в
различных участках магнитной цепи при холостом ходе обычно находятся в
пределах:
Bδ0 = (0,6 - 0,82)
;=
(1,4 - 1,6)
;/3
= (1,6 - 1,8)
.
Так как полученные
значения индукций не попадают в эти диапазоны, проведу корректировку главных
размеров статора для получения удовлетворительных результатов.
Таблица 1 Коррекция
главных размеров статора
|
Корректируемые размеры
|
Исходное значение
|
Скорректированное значение
|
|
Di
|
2,787
|
2,847
|
|
nв
|
9
|
6
|
|
0,610,41
|
|
|
|
0,520,35
|
|
|
|
0,5470,559
|
|
|
|
0,030,031
|
|
|
|
0,1580,128
|
|
|
|
0,0170,018
|
|
|
|
0,5480,806
|
|
|
|
0,851,559
|
|
|
|
1,2141,752
|
|
|
2.5 Расчет величины воздушного
зазора
.5.1 Линейная нагрузка

.5.2 Величина воздушного
зазора под серединой полюса

,
где
1,158
Существуют ограничения
по выбору воздушного зазора. Он не должен быть меньше, чем
Одновременно проверяется
условие: 
В проектируемом
двигателе воздушный зазор удовлетворителен.
.6 Расчет полюса и
демпферной обмотки
.6.1 Ширина полюсного
наконечника: 
.6.2 Высота полюсного
наконечника: 
.6.3 Ширина сердечника
полюса: 
2.6.4 Высота сердечника
полюса: 
.6.5 Число стержней
демпферной обмотки (округляется до ближайшего целого числа):
.
.6.6 Сечение стержня
демпферной обмотки: 
.6.7 Диаметр стержня
демпферной обмотки (округляется с точностью до 0,5 мм): 
Размеры демпферной
обмотки корректируются по условию термической устойчивости:
ncSc > 0,05Asτ
1454,165> 1392,731
.6.8 Шаг демпферной
обмотки: 
Для уменьшения
добавочных потерь и исключения прилипания ротора при пуске число стержней nc и
их шаг t2 корректируют так, чтобы выполнялось условие:
(nc - 1)(1 - t2/t1)
>0,75.
(14 - 1)·(1 -
0,028/0,03) =0,866 > 0,75 - условие выполняется.
.6.9 Площадь поперечного
сечения короткозамыкающих колец:к = 0,5ncSc = 727,082
.6.10. Поперечные
размеры короткозамыкающих колец:


Контактные кольца
выполним из шинной меди стандартного сечения.
.6.11 Ширина шлица паза
демпферной обмотки: 
.6.12 Высота шлица паза
демпферной обмотки: 
.7 Расчет магнитной цепи
Магнитопровод статора
собирается из отдельных сегментов электротехнической стали марки 2412 толщиной
0,5 мм. Полюсы синхронной машины выполнены шихтованными из стали марки Ст 3
толщиной 1,5 мм.
.7.1 Первая гармоника
основного магнитного потока при холостом ходе:

.7.2 МДС обмотки статора
по продольной оси

где 
;
- коэффициент
приведения обмотки статора по продольной оси.
.7.3 Поскольку характер
распределения полного потока Ф отличается от синусоидального, то вводится
коэффициент формы поля:
где
(
)
.7.4 Расчетный поток в
спинке статора

.7.5 Часть потока Ф,
приходящегося на полюсный наконечник Фλ, определяет
индукцию в зазоре и зубцах статора

где
- коэффициент приведения
.7.6 Наличие пазов на
статоре и роторе создает дополнительное магнитное сопротивление для потока Фλ
в воздушном зазоре. Такой же эффект оказывает и вентиляционные
каналы. Учет этих эффектов производится с помощью коэффициента Картера Кδ
путем соответствующего увеличения величины воздушного зазора:
где
;
;
;
;
.
Таблица 2
Размеры магнитной цепи
|
Необходимые величины
|
Спинка статора
|
|
Длина участка, м
|
(п.2.4.4.)
|
|
Ширина участка, м
|
(п.2.4.4.)
|
|
Площадь участка, м2
|
|
|
Длина силовой линии, м
|
|
|
Зубцы статора
|
|
Длина участка, м
|
(п.2.4.4.)
|
|
Ширина участка, м
|
(п.2.4.5.)
|
|
Площадь участка, м2
|
|
|
Длина силовой линии, м
|
|
|
Зазор
|
|
Длина участка, м
|
|
Ширина участка, м
|
(п.2.6.1.)
|
|
Площадь участка, м2
|
|
|
Длина силовой линии, м
|
|
|
Полюс статора
|
|
Длина участка, м
|
|
|
Ширина участка, м
|
(п.2.6.3.)
|
|
Площадь участка, м2
|
|
|
Длина силовой линии, м
|
|
При расчете магнитной цепи
необходимо также учесть потоки рассеяния Фσр обмотки возбуждения, которые дополнительно нагружают полюсы Фm =
σmФ, где σm = 1+ Фσр/Ф - коэффициент
рассеяния обмотки возбуждения. Величина потока рассеяния Фσр зависит от
коэффициента проводимости λmp.
.7.7 Коэффициент проводимости
где
;
;
.
Провожу расчет магнитной
цепи для режима холостого хода (Кнг = 0) и режима номинальной нагрузки (Кнг =
1,0).
Для удобства расчет
сведу в таблицы 3 и 4.
.7.8 Магнитный поток при
номинальной нагрузке Ф02:
где
- активное
сопротивление обмотки статора, о.е.;
- индуктивное
сопротивление рассеяния обмотки статора, о.е.
Таблица 3
Расчет магнитной цепи
для режима холостого хода
|
Спинка статора
|
|
Магнитный поток, Вб
|
|
|
Индукция, Тл
|
|
|
Напряженность, А/м
|
(из
[1, табл.П.1.12])
|
|
Магнитное напряжение, А
|
|
|
Зубцы статора
|
|
Магнитный поток, Вб
|
|
|
Индукция, Тл
|
|
|
Напряженность, А/м
|
(из
[1, табл.П.1.13])
|
|
Магнитное напряжение, А
|
|
|
Зазор
|
|
Магнитный поток, Вб
|
|
|
Индукция, Тл
|
|
|
Напряженность, А/м
|
|
|
Магнитное напряжение, А
|
|
|
Полюс ротора
|
|
Магнитный поток, Вб
|
(п.2.7.10.)
|
|
Индукция, Тл
|
|
|
Напряженность, А/м
|
(из
[1, табл.П.1.14])
|
|
Магнитное напряжение, А
|
|
2.7.9 Для расчета
сопротивлений
и
используются
соотношения
где
где
;
;
.
Таблица 4
Расчет магнитной цепи
для номинальной нагрузки
|
Спинка статора
|
|
|
Магнитный поток, Вб
|
|
|
Индукция, Тл
|
|
|
Напряженность, А/м
|
(из
[1, табл.П.1.12])
|
|
Магнитное напряжение, А
|
|
|
Зубцы статора
|
|
Магнитный поток, Вб
|
|
|
Индукция, Тл
|
|
|
Напряженность, А/м
|
(из
[1, табл.П.1.13])
|
|
Магнитное напряжение, А
|
|
|
Зазор
|
|
Магнитный поток, Вб
|
|
|
Индукция, Тл
|
|
|
Напряженность, А/м
|
|
|
Магнитное напряжение, А
|
|
|
Полюс ротора
|
|
Магнитный поток, Вб
|
|
|
Индукция, Тл
|
|
|
Напряженность, А/м
|
(из
[1, табл.П.1.14])
|
|
Магнитное напряжение, А
|
|
.7.10 Расчет МДС обмотки возбуждения
при номинальной нагрузке
Потоки Ф0i, i = 1,2 определяют
соответствующие магнитные напряжения:
Fδi - магнитное напряжение воздушного зазора;- магнитное напряжение
зубцов статора;- магнитное напряжение спинки статора.
Сумма этих магнитных напряжений
совместно с МДС обмотки статора определяют магнитные напряжения Fσpi на участке рассеяния
полюсов
Зная магнитные
напряжения Fσpi, находим коэффициенты рассеяния:
;
,
и полные потоки полюсов:
;
.
Потокам Фmi
соответствуют магнитные напряжения полюсов Fmi.
Результирующие магнитные
напряжения:
;
.
Магнитное напряжение F02
определяет напряжение МДС обмотки возбуждения при номинальной нагрузке:
.8 Расчет перегрузочной
способности
.8.1 МДС обмотки
возбуждения в режиме трехфазного короткого замыкания при номинальном токе
статора
.
2.8.2 Кратность
максимального синхронного момента
.9. Расчет обмотки
возбуждения
.9.1 Ширина провода
обмотки возбуждения
,
где
Ширина провода обмотки
возбуждения ограничивается условием ее размещения в межполюсном пространстве:
где
-
коэффициент при р > 2,
и условием надежного
крепления обмотки возбуждения на полюсе:
.
Условия выполняются.
.9.2 Высота провода
обмотки возбуждения
.
Размеры провода обмотки
возбуждения приводятся в соответствие со стандартными значениями шинной меди
[1, табл. П3.2.] и затем определяется сечение провода Sв:
;
;
.
1:4
Рисунок 7 Межполюсное
окно ротора с обмоткой и спецификацией
.9.3 Средняя длина витка
обмотки возбуждения при bm > 0,2 (м)
.9.4 Номинальное
напряжение возбуждения
.
2.9.5 Число витков
обмотки возбуждения
.9.6 Ток возбуждения
холостого хода
.
.9.7 Ток возбуждения при
номинальной нагрузке
.
.9.8 Плотность тока в
обмотке возбуждения при номинальной нагрузке
.
.9.9 Перегрев обмотки
возбуждения
.
Номинальные значения
напряжения и тока обмотки возбуждения привожу в соответствие с номинальными
данными возбудителей, имеющихся в соответствующих каталогах.
Номинальные данные
тиристорного возбудителя:вн = 480 (А),вн = 80 (В)
Выбор размеров
проводника обмотки возбуждения осуществляется с учетом следующих условий:
←
←
Условия выполняются.
Таким образом, проведен
ручной расчет синхронного двигателя, который полностью определяет его свойства
и характеристики. Их оценка производится с помощью ЭВМ. Результаты поверочного
расчета полученного варианта позволяют судить о степени его соответствия
требованиям ГОСТ и технического задания.
3. Оптимизация
электромагнитного ядра на ЭВМ
Характерной чертой
современного этапа проектирования электрических машин является переход к
автоматизированному проектированию. В этом случае задача синтеза
электромагнитного ядра явнополюсных синхронных двигателей реализуется в два
этапа: аналитический и пошаговый. На аналитическом этапе, выполненном вручную,
определяются исходные параметры двигателя. Этот расчёт приведён во второй
главе. В ходе пошагового этапа выполняются проектные исследования двигателя и
решается задача его параметрической оптимизации. Этот этап выполняется на
персональном компьютере с помощью пакета программ “ОРТСD”.
В этой главе приведён
поэтапный процесс корректировки исходного варианта двигателя, а именно: поиск
приемлемого варианта, оптимизация по минимуму приведённой стоимости,
оптимизация по минимуму резервов.
Номинальные данные:
Номинальная мощность Рн
= 5500 (кВт)
Номинальное линейное
напряжение Uн = 6 (кВ)
Номинальный коэффициент
мощности(опережающий) cosfн = 0,9
Номинальная частота
напряжения сети fн = 50 (Гц)
Число пар полюсов р
= 16
Номинальный ток
возбудителя Iвн = 480 (А)
Исходные значения
конструктивных параметров:
Внутренний диаметр
статора Di = 2.847 (м)
Число пазов статора z
=288
Число эффективных проводников
в пазу Uп = 10
Длина сердечника статора Lt
= 0,410(м)
Величина воздушного
зазора d
= 0,008 (м)
Ширина паза статора Вп
= 0,013 (м)
Высота паза статора Нп
= 0,068 (м)
Ширина сердечника полюса Bm
= 0,317 (м)
Высота сердечника полюса Нm
= 0,0.316 (м)
Ширина полюсного
наконечника Вpm = 0,0.393 (м)
Высота проводника
обмотки возбуждения Аem = 5 (мм)
Ширина проводника
обмотки возбуждения Вem = 36 (мм)
Число стерней демпферной
обмотки nс = 14
.1 Поиск приемлемого
варианта
В результате ручного
расчёта мы получили исходные данные для поиска приемлемого результата.
Рисунок 8 Экспресс
информация по первому варианту исходных данных
Из данной таблицы видно,
что рассчитанный двигатель имеет штраф по кратности пускового тока, кратности
входного момента и кратности максимального момента. Для увеличения кратности
пускового тока уменьшим длину машины до lt = 0,38м. Изменение lt существенно
влияет на уровень индукций во всех участках магнитной цепи. Уменьшение lt ведет
к повышению степени насыщения стали. При этом увеличиваются потери в стали и
возрастает МДС обмотки возбуждения. В результате повышается перегрев обмоток
статора и возбуждения. При меньшей длине повышаются электромагнитные моменты
Мп, Мм, Мвх, а также снижается момент инерции ротора, что облегчает условия
пуска и синхронизации двигателя и уменьшает перегрев демпферной обмотки. Снизим
внутренний диаметр машины до Di = 2.79м. Снижение внутреннего диаметра приведет
к снижению перегрева обмотки возбуждения. В итоге получим вариант оптимизации
без штрафов.
Рисунок 9 Экспресс
информация по второму варианту исходных данных
Из данной таблицы видно,
что все индукции находятся в допустимых пределах, перегревы обмоток статора,
возбуждения, демпферной, также лежат близко к заданным пределам. Кратности
моментов и кратность пускового тока не сильно расходятся с заданными
техническими требованиями. Поэтому данный вариант принимаю за результат
оптимизации по минимуму резерва.
.2 Оптимизация по
минимуму приведенной стоимости
Одним из важнейших
критериев оценки двигателя является приведённая стоимость.
Приведённая стоимость-
это капитальные затраты на изготовление двигателя и ежегодные эксплуатационные
расходы.
Так как эксплуатационные
расходы - это расходы, связанные с обслуживанием данной машины, а следовательно
они зависят от каких-то конструктивных особенностей, требующих, или не
требующих постоянного контроля и поддержания их в рабочем состоянии, то основным
направлением в уменьшении приведённой стоимости считаю - уменьшение
используемых материалов (это сталь и медь).
При этом начальным
является приемлемый вариант.
В первую очередь
необходимо уменьшить габариты машины, путем уменьшения длинны машины lt до
0.4м. Но при этом возрастает перегрев обмотки возбуждения из-за насыщения
зубцов статора и полюса, а также увеличивается кратность пускового тока и
уменьшается кратность входного момента. Для уменьшения кратности пускового тока
необходимо увеличить высоту паза до hп = 0,074м, а для увеличения кратности
входного момента ширину - bп = 0,014м. Так же уменьшаю число зубцов Z до 240, а
число активных проводников увеличиваю до 12.
вертикальный синхронный
двигатель электромагнитный
Рисунок 10 Экспресс
информация по третьему варианту исходных
Таким образом, мы нашли
вариант с меньшей приведённой стоимостью, чем у приемлемого варианта примерно
на 5%. Проанализировав данные таблицы можно сделать вывод, что данный вариант
синхронного двигателя является оптимальным.
3.3 Анализ результатов
Рисунок 11 Расчетный
формуляр, часть 1
Рисунок 12 Расчетный
формуляр, часть 2
Заключение
Полученный при
оптимизации вариант, несмотря на то, что отличается от первоначального
(полученного при ручном расчете) является более приемлемым. Также можно видеть,
что мы увеличили перегревы обмоток, повысив их до крайних верхних пределов.
Магнитная система двигателя является насыщенной. Кратности моментов и тока
входят в допустимые пределы. Так же удалось значительно снизить стоимость
двигателя и максимально повысить его КПД, который составляет 95,61%. Таким
образом, данный вариант синхронного двигателя, полученный при оптимизации, можно
считать полностью удовлетворяющим всем показателям проектирования.
Я считаю, что в
результате процесса разработки курсового проекта удалось получить вертикальный
синхронный двигатель с довольно хорошими для такого класса машин показателями.
Рисунок 13
Характеристика холостого хода
Рисунок 14 Пусковые
характеристики
Список используемой
литературы
1. Проектирование электрических машин: Учебник для вузов / И.П.
Копылов,
2. Ф.А. Горяинов, Б.К. Клоков и др.; Под ред. И.П. Копылова.
- М.: Высшая школа, 2002.
. Конструктивное устройство вертикальных электродвигателей
переменного тока: Методические указания к курсовому и дипломному проектированию
/ Новиков Н.Н., Шутько В.Ф.. - Екатеринбург: изд. ИПК УГТУ, 2001, 38 с.
. Синтез и оптимизация явнополюсных синхронных двигателей:
Методические указания к курсовому проектированию / Новиков Н.Н., Шутько В.Ф.. -
Свердловск: изд. УПИ им.С.М, Кирова, 1985, 41 с.
. Проектирование гидрогенераторов и синхронных
компенсаторов: Учебник для вузов / Абрамов А.И., Иванов-Смоленский А.В.. - М.:
Высшая школа, 1978.