Анализ преобразования сигналов ARC-цепями

  • Вид работы:
    Курсовая работа (т)
  • Предмет:
    Физика
  • Язык:
    Русский
    ,
    Формат файла:
    MS Word
    163,57 Кб
  • Опубликовано:
    2012-08-29
Вы можете узнать стоимость помощи в написании студенческой работы.
Помощь в написании работы, которую точно примут!

Анализ преобразования сигналов ARC-цепями













Курсовая работа на тему

«Анализ преобразования сигналов ARC - цепями»

Введение

Электрические фильтры представляют собой частотно-избирательные электрические цепи. Они пропускают сигналы определенных частот и задерживают (ослабляют) сигналы других частот. Современные активные фильтры строят на операционных усилителях.

Цель данной курсовой работы - анализ преобразования сигналов ARC-цепями. В работе приводятся основные уравнения фильтров второго рода, методы определения коэффициентов и других параметров ARC - цепей.

1. Анализ в частотной области

.1 Определение операторной функции ARC-фильтра

Операторная функция передачи фильтров второго порядка имеет следующий вид

                       (1)

здесь «резонансная» частота ωp является масштабом или нормирующим множителем по оси времени и определяется по формуле

                                                                                          (2)

 - нормированный по резонансной частоте ωp оператор s имеет тот же смысл, что и оператор Лапласа p;

Q - «добротность» фильтра:

                                                                                             (3)

Из формулы (1) следует, что фильтры второго порядка определяются четырьмя независимыми коэффициентами:

• добротностью Q (определяющей основные характеристики фильтра);

• В0, В1 и В2 соответственно при нулевой, первой и второй степени s числителя, определяющими тип фильтра, а также его частотные и временные свойства

                                                                                      (4)

Тип фильтра определяется исключительно коэффициентами числителя, что отражено в табл. 1.

Первые четыре типа фильтров являются основными.

Таблица 1

№ п/п

Тип фильтра

Коэффициенты Bk



B0

B1

B2

1 2 3 4 5 6

ФНЧ Полосовой Фильтр ФВЧ Заграждающий фильтр (ЗФ) Фазовый корректор Амплитудный корректор

B0≠0 B0=0 B0=0 B0≠0 B0=k B0=1

B1=0 B1≠0 B1=0 B1=0 B1=-k/Q B1=k/Q

B2=0 B2=0 B2≠0 B2≠0 B2=k B2=1


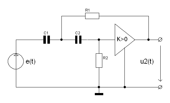
Схема, для которой будет производиться расчет, показана на Рис.1.

Рис 1. Принципиальная схема ARC-фильтра второго порядка.

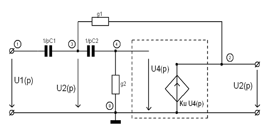
Преобразуем данную схему в эквивалентную операторную

Рис.2. Эквивалентная операторная схема замещения фильтра второго порядка

Входное напряжение U1(p) поступает на неинвертирующий вход ОУ, поэтому выходное напряжение U2(p) совпадает по знаку с входным и ku=kус.

Базовым узлом 0 считается клемма «земля» (┴). Входной зажим принят за узел 1, а выходной - за узел 2. На рис. 2 номера узлов обозначены цифрами в кружках.

Здесь напряжения первого U1(p) и второго U2(p) узлов считаются известными, поэтому узловые уравнения составляются только для остальных узлов, в данном случае - для третьего и четвертого. Таким образом, узловые уравнения (по методу узловых потенциалов) имеют вид:

                    (5)

Для схемы замещения рис. 2 справедливо равенство выходного напряжения и напряжения ИНУН, то есть U2(p)=kuU4(p).

Подставив это соотношение в систему (5), из второго уравнения получим


Тогда первое уравнение системы (5) принимает вид


Откуда получается операторный коэффициент передачи по напряжению:

                    (6)

Обычно операторную функцию цепи представляют в канонической форме (1), когда коэффициент при старшей степени переменной р в знаменателе равен 1. Для этого числитель и знаменатель Hu(р) делится на коэффициент при старшей степени р в знаменателе. В данном случае получится

                                    (7)

что соответствует выражению (1)


Это значит, что коэффициент передачи по напряжению Hu(р) соответствует ФВЧ.

Из сравнения этих двух выражений следует

                                                            (8)

Таким образом, операторная функция фильтра имеет вид:

                                                      (9)

Добротность фильтра

.

1.2 Рассчитаем резонансную частоту fp и добротность Q цепи. Аналитически исследуем частотные характеристики полученного ARC-фильтра, определив частоту (частоты) среза и полосы пропускания и задерживания. Построим графики АЧХ и ФЧХ.

[См];

[См];

C1=98*10-9 [Ф];

C2=4*10-9 [Ф];

K=11.

Резонансная частота

[рад/с],

[Гц].

Добротность

b2=11,

                                                        (10)

Комплексная функция вида  получается заменой переменной p на jω в функции (10). Она определяет частотные свойства фильтра.

Заменим в формуле (1) переменную s на (или p на jω), получим АЧХ и ФЧХ любых фильтров второго порядка:

АЧХ

                                                    (11)

ФЧХ:

           (12)

В АЧХ и ФЧХ аргументом является «нормированная» по ωр частота или частота, выраженная в относительных единицах: . В дальнейшем, если не оговорено обратное, будем использовать относительную частоту и обозначать ее без нижних индексов «ое», то есть просто ω.

В пункте 1.1. было получено, что для исследуемого фильтра , b2=11. Подставляя данные в выражения (11) и (12) получаем АЧХ и ФЧХ данного фильтра

АЧХ:                                                       (13)

ФЧХ:                                          (14)

Рис. 3. Амплитудно-частотная характеристика фильтра.

Для ФВЧ экстремальное значение частоты ωm рассчитывается по формуле

 при , [рад/с]

При этом максимальное значение коэффициента передачи по напряжению равно

 при ,

Полоса пропускания определяется значением АЧХ на уровне  от наибольшего значения:


Частота, соответствующая значению K1 АЧХ, и будет частотой среза ωср. Эту частоту можно найти графически , либо решая уравнение (13) относительно ω при Ku=K1:

ωср=28568 [рад/с]

Таким образом, полоса пропускания фильтра ω>28568 рад/с, полоса среза ωср<28568 рад/с.

Учитывая все вышесказанное, покажем на графике полосу пропускания и среза

Рис. 4. Амплитудно-частотная характеристика с линией среза

По формуле (14) построим график ФЧХ, по оси Y отложим фазу, измеряемую в радианах:

Рис. 5. Фазочастотная характеристика фильтра.

1.3 Рассчитаем и построим амплитудный и фазный спектры сигнала (воздействия)

Периодический сигнал - воздействие f(t) - может быть представлен бесконечной суммой синусоид кратных частот - рядом Фурье:

, k=1,2,3…                          (15)

Периодическая функция времени обладает свойством повторения формы через минимальный промежуток времени Т, называемый периодом функции


Период определяет частоту основной гармоники бесконечной суммы, которой кратны все слагаемые


Коэффициенты ряда (15) определяются по формулам Фурье

                                                                  (16)

Объединение синуса и косинуса одной частоты в выражении (15) дает другую форму ряда Фурье:

                                                            (17)

где ; .

В теории цепей удобнее использовать комплексную форму ряда Фурье, которую можно получить из ряда (15) заменой тригонометрических функций комплексными экспонентами с помощью формул Эйлера:

,

.

После группировки слагаемых и простых преобразований получается

фильтр цепь амплитудный фазный

                                                         (18)

здесь комплексная амплитуда k-й гармоники

;                                            (19)

Вещественная часть и модуль мнимой части комплексной амплитуды являются коэффициентами при косинусе и синусе соответственно.

Если обозначить сопряженную амплитуду через комплексную амплитуду с отрицательным индексом

                                                                               (20)

то обе суммы в выражении (18) можно заменить одной и получить ряд Фурье в комплексной форме:

                                                                               (21)

Комплексные коэффициенты определяются после подстановки формулы (19) в (16) выражением

                                                            (22)

где .

С учетом выражений (19) и (22) можно получить

                                         (23)

Вещественность  означает, что ряд состоит только из косинусных гармоник, а функция времени является четной.

Амплитудный спектр

                                            (24)

Его огибающая изменяется по закону . Узлы огибающей ωу располагаются при значениях частоты, обращающих синус в нуль (кроме частоты ω = 0):

Число гармоник на интервале между двумя узлами равно отношению , называемому скважностью импульсов.

На вход ARC-фильтра будем действовать периодическим сигналом прямоугольной формы, имеющего следующие характеристики:

Скважность: s =4

Амплитуда, В: U=10

Порядок Фурье: n=3

Будем исследовать реакцию фильтра при воздействии на него сигнала частотой, лежащей в полосе пропускания. Для этого выберем частоту сигнала воздействия f=fрез, где fрез - резонансная частота данного фильтра, то есть частота сигнала воздействия f=5686 Гц.

Усеченный ряд Фурье функции в соответствии с (24) имеет вид


Используя формулу (25) построим график суммы

Рис.6. График суммы.

Из определения частотной функции цепи следует, что амплитуда и начальная фаза любой гармоники реакции может быть найдена из соотношений:

                                                                         (26)

                                                                    (27)

Или в комплексной форме

                                                                    (28)

Зная амплитудный  и фазный  спектры воздействия, а также АЧХ  и ФЧХ , легко определить амплитудный  по формуле (26) и фазный  по формуле (27) спектры реакции или комплексные амплитуды гармоник реакции по формуле (28).

Комплексный спектр воздействия определяется из соотношения (24)

                               (29)

Используя формулу (29) построим амплитудный и фазовый спектры воздействия

Рис.7. Амплитудный спектр воздействия

Рис.8. Фазный спектр воздействия.

1.4 Рассчитаем амплитудный и фазный спектры реакции

В пункте 1.3 были получены амплитудный и фазный спектры сигнала воздействия. Определим, какова будет реакция исследуемого ARC - фильтра, если на его вход воздействовать периодическим сигналом (см. п.п. 1.3).

Используя формулы (13), (26) и (29) построим амплитудный спектр реакции:

Рис. 9. Амплитудный спектр реакции

Из графика видно, что при k=1 наблюдается максимальная пропускная способность фильтра. Это обусловлено тем, что k, где  - частота основной гармоники.

Используя формулы (14), (27) и (29) построим фазовый спектр реакции:

Рис. 10. Фазный спектр реакции

1.5 Построить график функции времени реакции цепи на заданное воздействие

По амплитудному и фазному спектрам реакции можно построить соответствующую им функцию времени по формуле (17)

                                        (30)

Рис.11. График функции времени.

На рис.11 показаны графики сигналов воздействия (UB(t)) и реакции (U(t)) ARC - фильтра.

.6 Построим графики амплитудного и фазного спектров воздействия и реакции, а также временные функции воздействия и реакции с периодом в два раза больше

В п.п. 1.3. - 1.5 мы исследовали реакцию фильтра при воздействие на него периодическим сигналом, частотой f=fрез, где fрез - резонансная частота данного ARC - фильтра. По условию данного пункта примем частоту сигнала воздействия f=0,5*fрез, то есть f=2843 Гц.

Для построения графиков амплитудного и фазного спектров воздействия и реакции, а также временных функций воздействия и реакции воспользуемся формулами, используемые в пунктах 1.3.-1.5.

Рис.12. График суммы

Рис.13. Амплитудный спектр воздействия

Рис. 14. Амплитудный спектр реакции

Рис.15. Фазный спектр воздействия

Рис. 16. Фазный спектр реакции

Рис.17. График функции времени

1.6 Построим графики амплитудного и фазного спектров воздействия и реакции, а также временные функции воздействия и реакции с периодом в два раза больше

В п.п. 1.3. - 1.5 мы исследовали реакцию фильтра при воздействие на него периодическим сигналом, частотой f=fрез, где fрез - резонансная частота данного ARC - фильтра. По условию данного пункта примем частоту сигнала воздействия f=2*fрез, то есть f=11372 Гц.

Для построения графиков амплитудного и фазного спектров воздействия и реакции, а также временных функций воздействия и реакции воспользуемся формулами, используемые в пунктах 1.3.-1.5.

Рис.18. График суммы

Рис.19. Амплитудный спектр воздействия

Рис. 20. Амплитудный спектр реакции

Рис.21. Фазный спектр воздействия

Рис. 22. Фазный спектр реакции

Рис.23. График функции времени

2. Анализ во временной области

.1 Определение переходной и импульсной функции фильтра

Временные методы определения реакции цепи на произвольное воздействие основаны на интегралах Дюамеля и наложения, в которых используется переходная и импульсная характеристики цепи. Эти методы вытекают из интеграла - свертки двух функций.

Поскольку операторная функция цепи определяет связь между изображениями воздействия и реакции по известному воздействию в операторной форме:


Воспользовавшись теоремой свертывания (Бореля), получим оригинал от этого изображения:

или                                                                  (31)

где  - импульсная функция (характеристика) цепи.


                 (32)

где  - переходная функция (характеристика) цепи.

Таким образом, зная переходную или импульсную функцию, можно рассчитать реакцию цепи на любое воздействие.

Временной метод расчета переходных процессов состоит в нахождение импульсной и переходной функции и определение по формулам (31) или (32) реакции цепи на заданное воздействие.

Следует при этом учитывать то обстоятельство, что реакция цепи определяется при нулевых начальных значениях.

При нулевых начальных значениях требуется рассчитать токи и напряжения при отсутствие воздействия, а затем добавить к ним найденные реакции по временному методу.

Переходная характеристика цепи

Переходной характеристикой называется функция, описывающая переходной процесс в цепи с нулевыми начальными условиями при подключении ее к источнику единичного ступенчатого воздействия.

Изображение такого воздействия имеет вид


а изображение реакции, определенное с помощью операторной функции цепи, равно


Отсюда переходная характеристика является оригиналом от деленной на p схемной операторной функции цепи

.                                                                        (33)

В соответствии с выражением (33) для фильтров второго порядка любого типа переходная характеристика имеет вид

                                                           (34)

Корни полинома знаменателя этого выражения определяют вид переходной характеристики любого фильтра второго порядка.

Найдем корни полинома знаменателя для исследуемого ARC- фильтра.

,

, ,, .

Подставляя исходные данные, получаем:

, , .

Корни уравнения являются комплексными и сопряженными

где, .

Переходная характеристика определяется по формуле

          (35)

Поскольку для данного фильтра , преобразуем выражение (35) для определения переходной характеристики ФВЧ:

,

. (36)

Импульсная характеристика цепи

Импульсной характеристикой цепи называется функция, описывающая переходной процесс в цепи с нулевыми начальными условиями при подключение ее к источнику единичного импульсного воздействия.

Изображение такого воздействия имеет вид


в этом случае изображение реакции


Таким образом, импульсная характеристика является оригиналом от схемной операторной функции:

                                                                            (37)

Для фильтра второго порядка импульсная характеристика определяется выражением

.                                                              (38)

Так как корни знаменателя являются комплексно сопряженными, импульсная характеристика имеет вид

            (39)

где - единичная импульсная функция Дирака.

Для данного фильтра импульсная характеристика имеет вид:

              (40)

.2 Построим графики реакции цепи на ступенчатое воздействие

Реакцию цепи  на ступенчатое воздействие  определяется непосредственно с помощью переходной характеристики по формуле

                                                                             (41)

где 1(t) - функция единичного импульса, U - амплитуда, - переходная функция цепи.

Используя формулы (36) и (41) построим график реакции на ступенчатое воздействие.

Рис. 24. График реакции цепи на воздействие единичного импульса

.3 Рассчитаем и построим графики реакции цепи на импульсное воздействие

Реакцию цепи  на идеальное (бесконечно короткое) импульсное воздействие  проще всего найти с помощью импульсной характеристики цепи из следующего соотношения:

,                                                                                 (42)

здесь под S понимают площадь импульса, поскольку


Реакцию цепи на реальное импульсное воздействие (конечной длительности) также можно находить по формуле (42) при условии, что длительность воздействия значительно меньше (по крайней мере, на порядок) длительности реакции цепи. Последняя определяется импульсной характеристикой и зависит от корней знаменателя операторной функции цепи.

Поэтому импульсным можно считать воздействия, длительность которых удовлетворяют условию

,                                                                                          (43)

где  - параметр импульсной характеристики цепи; - вещественная часть комплексных корней операторной функции цепи.

Максимальное время , удовлетворяющее выражению (43)


Используя формулы (40) и (42) построим график реакции на импульсное воздействие. Период импульса примем Т=10-5 [сек].

Рис. 25. График реакции цепи на импульсное воздействие

2.4 Найдем реакцию цепи на непериодический прямоугольный импульс амплитудой U, и длительностью tи с помощью переходной и импульсной функции фильтра. Построим график реакции

Для определения реакции цепи на воздействие произвольной формы используют интеграл Дюамеля или интеграл наложения.

Интеграл Дюамеля имеет следующий вид:


где - воздействие произвольной формы; - реакция цепи на данное воздействие.

Для того чтобы определить реакцию цепи на непериодический прямоугольный импульс, необходимом определить участки интегрирования, где функция воздействия непрерывна и дифференцируема. Такими участками являются:

 и

 и

На этих участках можно непосредственно применять интеграл Дюамеля. В точке разрыва следует учесть скачок воздействия от U до нуля, то есть ступенчатое воздействие. В результате для  получается:

здесь третье слагаемое учитывает разрывность функции воздействия в точке .

Интеграл наложения имеет вид:


это выражение позволяет определить реакцию цепи на воздействие в виде прямоугольного импульса напряжения. Для моментов времени когда (при этом воздействие равно U),

.

Реакция на тоже воздействие, но для моментов времени , определяется так


Поскольку воздействие при  равно нулю, то второй интеграл равен нулю.

Реакцию цепи на прямоугольный импульс можно записать в виде одного интеграла, объединив оба выражения для . При этом верхний предел интегрирования определяется из условия, а сам интеграл имеет вид:

                                                                      (44)

С помощью переходной функции (36) и (44) определим реакцию фильтра на непериодический импульс

Рис. 26. График реакции цепи, построенный с помощью переходной функции

С помощью импульсной функции (40) и (44) определим реакцию фильтра на непериодический импульс

Рис. 26. График реакции цепи, построенный с помощью импульсной функции

Заключение

В данной работе была проанализирована предложенная схема ARC - фильтра высоких частот.

Для этого использовались такие методы анализа и расчета электронных схем, как математическое моделирование исходной схемы (составление системы уравнений) по разработанной схеме замещения устройства.

Решение систем уравнений производилось в среде MathCad.

Результаты выполнения программ MathCad представлены в виде графиков.

Литература

1.   Зевеке Г.В., Ионкин П.А., Нетушил А.В., Страхов С.В. Основы теории цепей: Учебник для вузов. - 5-е изд., перераб. - М.: Энергоатомиздат, 1989. -528 с.

2.      Бакалов В.П., Игнатов А.Н., Крук Б.И. Основы теории электрических цепей и электроники. - М.: радио и связь, 1989.

.        Семенова И.К. Методические указания к выполнению курсовой работы по дисциплине ТОЭ «Анализ преобразования сигналов ARC - цепями». - М.: МГИ, 1992.

.        Матханов П.Н. Основы анализа электрических цепей. Линейные цепи: Учебник для вузов. - М.: Высш. Шк., 1990 - 400 с.

.        Сиберт У.М. Цепи, сигналы, системы. В 2-х кн. Кн. 2. - М.: Мир,1988. - 360 с.


Не нашли материал для своей работы?
Поможем написать уникальную работу
Без плагиата!
Без нейросетей!