|
bк, мм
|
|
|
|
|
|
|
|
|
Двухслойная
петлевая равносекционная
|
1
- 8
|
19
+ 19
|
1;
4
|
1,50, 1,58; 1,50, 1,58;
|
0,902
|
675
|
0,195
|
14,5
|
16,0; 47,3
|
-
|
[1, стр. 181 - 183,
226 - 227]
В ней указаны:
– линейное напряжение U1л,
В;
– внешний диаметр сердечника статора Dа1,
мм;
– внутренний диаметр сердечника статора Di1,
мм;
– длина сердечника статора l1,
мм (длина сердечника ротора равна длине сердечника статора для данного
двигателя, так как его высота оси вращения меньше 250);
– односторонний воздушный зазор между
статором и ротором δ, мм;
– число пазов статора z1
и ротора z2;
– шаг обмотки в зубцовых делениях у;
– число эффективных проводников в пазу Sп
(Так как обмотка данного двигателя двухслойная, то в таблице приведено число
эффективных проводников в пазу в виде двух слагаемых. Первое слагаемое
представляет собой число эффективных проводников в первом слое обмотки, второе
- во втором);
– число элементарных проводников в одном
эффективном n;
– число параллельных ветвей обмотки фазы
а;
– номинальный диаметр проволоки d,
мм;
– средний диаметр провода d',
мм;
– номинальные размеры
прямоугольной проволоки
, мм;
– номинальные размеры
прямоугольного провода
, мм;
– обмоточный коэффициент kоб;
– средняя длина витка lω, мм;
– активное сопротивление
обмотки фазы статора при 20˚С r1(20), Ом;
– масса обмотки Gм, кг;
– средний размер
коротокозамыкающего кольца в аксиальном направлении ак, мм;
– средний размер
коротокозамыкающего кольца в радиальном направлении bк, мм.
В роторе электродвигателя 4А200L8У3
применяется алюминиевая беличья клетка литого типа. При данном исполнении
одновременно заливаются как одно целое и стержни, и замыкающие кольца, которые
прилегают к торцу ротора, что значительно проще и дешевле фазного исполнения.
На замыкающих кольцах отливаются также вентиляционные лопатки, выполняющие роль
вентилятора при работе машины. Отсутствие контактных колец, скользящих
контактов и пусковых реостатов уменьшает общие габариты машины, повышает ее
надежность и упрощает эксплуатацию.
Кроме того, можно также отметить, что
короткозамкнутая обмотка ротора играет роль демпферной (успокоительной)
обмотки. Основным ее отличием от всех остальных обмоток электрических машин
заключается в отсутствии изоляции между пазовой частью обмотки и стенками паза.
Что касается формы паза ротора, то она
определяется мощностью двигателя и его пусковыми характеристиками. Выбранный
электродвигатель 4А200L8У3
имеет мощность 22кВт (см. табл. 1.1) и нормальный пусковой момент, поэтому паз
ротора выполняют грушевидным. Размеры паза выбирают такими, чтобы зубцы ротора
имели параллельные стенки [2, стр. 45 - 47; 4, стр. 220].
Конфигурация и основные размеры паза статора с
обмоткой (а) и паза ротора (б) приведены на рисунке 1.2.
Рис 1.2. Конфигурация и основные размеры пазов:
а) трапецеидальный полузакрытый паз статора с
обмоткой;
б) овальный закрытый паз ротора
2. Расчет обмотки статора двигателя
.1 Обоснование схемы обмотки
Общие сведения о трехфазных обмотках
Два проводника, расположенных в пазах, отстоящих
друг от друга на шаг у и соединенные между собой, образуют простейший
контур-виток. Каждый виток может состоять из нескольких параллельных
(элементарных) проводников. Совокупность последовательно соединенных витков,
уложенных в одну и ту же пару пазов, образует катушку (или секцию). Проводники
катушки, лежащие в одном и том же пазу, называются стороной катушки. Расстояние
между сторонами катушки называется шагом обмотки у и выражается в долях
полюсного деления или в зубцовых делениях.
Шаг у, равный полюсному делению τ,
называется
диаметральным или полюсным (у = τ). Если
у < τ,
шаг
укороченный, если у > τ, шаг
удлиненный; разность τ - у называется
укорочением. Совокупность катушек одной и той же фазы, расположенных в соседних
пазах и соединенных последовательно, образует катушечную группу. Соединенные
последовательно, параллельно или последовательно-параллельно катушечные группы
образуют обмотку фазы. В трехфазной обмотке обмотки фаз соединяются в
треугольник (Δ) или звезду (Y).
Расположенные в соседних пазах стороны катушек
одной катушечной группы занимают q
зубцовых делений и образуют фазную зону с углом α. Трехфазные
обмотки выполняются с фазными зонами α = π / 3 (шестизонные
обмотки) и α = 2π / 3 (трехзонные
обмотки). Если число пазов на полюс и фазу q
дробное, то обмотка называется дробной.
Обмотки переменного тока подразделяются на
однослойные и двухслойные.
В современных машинах переменного тока
применяются преимущественно двухслойные обмотки.
В двухслойных обмотках стороны катушек лежат в
пазах в два слоя, и каждая катушка одной стороной лежит в верхнем, а другой
стороной - в нижнем слое. При этом все катушки имеют одинаковые размеры и
форму.
Применение двухслойной обмотки объясняется
следующими ее преимуществами:
) возможностью укорочения шага на любое число
зубцовых делений, что выгодно с точки зрения подавления высших гармоник ЭДС и
НС обмоток и уменьшения расхода обмоточного провода;
) одинаковыми размерами и формами всех катушек,
что упрощает и облегчает изготовление обмоток;
) относительно простой формой лобовых частей
катушек, что также упрощает изготовление обмотки.
Двухслойные обмотки переменного тока делятся на
петлевые и волновые, которые в электромагнитном отношении равноценны.
Статорные же обмотки асинхронных двигателей
выполняются только петлевыми.
По виду обмотки подразделяются на всыпные
обмотки с мягкими катушками и обмотками с жесткими катушками или полукатушками.
Мягкие катушки изготавливаются из круглого медного или алюминиевого провода.
Такие катушки наматываются на шаблоны, где им придается предварительная форма,
и затем укладываются в предварительно изолированные трапецеидальные пазы. После
укладки катушки и закрепления их в пазах с помощью клиньев или крышек
производится формовка лобовых частей и бандажирование. Междуфазовые
изоляционные прокладки устанавливаются в процессе укладки обмоток. Обмотанный
таким образом статор подвергается пропитке. Весь процесс изготовления всыпных
обмоток может быть полностью механизирован.
Жесткие катушки (или полукатушки)
изготавливаются из прямоугольного изолированного провода. Окончательная форма
придается катушкам до укладки. Корпусная и междуфазовая изоляции частично
наносятся непосредственно на катушки, которые затем либо пропитываются или
компаундируются, либо склеиваются до укладки в пазы. После этого катушки
укладываются в полуоткрытые или открытые предварительно изолированные пазы
статора, закрепляются и подвергаются окончательной пропитке.
Всыпные обмотки имеют следующие преимущества
перед обмотками с жесткими катушками:
1) возможность полной механизации всего
процесса изготовления;
2) меньшая длина и вылет лобовых частей, а
следовательно, и меньшие потери, более высокий КПД, меньшая длина активной
части машины;
) более благоприятная с точки зрения
использования зубцовой зоны трапецеидальная форма паза;
) меньшее открытие паза, обеспечивающее
меньшие пульсации потока в воздушном зазоре, то есть меньшие добавочные потери
и намагничивающий ток;
) большая производственная
технологичность: намотка катушечных групп, в ряде случаев и обмоток фаз,
производится без разрыва, то есть меньшее число паек, возможность укладки
обмотки в пазы сердечника без корпуса облегчают и удешевляют обмотку и
пропитку.
В силу этих достоинств мягкие всыпные обмотки
дешевле и менее трудоемки.
Достоинствами жестких обмоток являются больший
коэффициент заполнения за счет применения прямоугольных проводов и большая
надежность, связанная с меньшей технологической дефектностью, так как в пазы
укладываются готовые изолированные и проверенные катушки, которые подвергаются
меньшим деформациям.
В силу указанных преимуществ всыпные обмотки
являются предпочтительными для асинхронных двигателей на напряжение до 1000 В,
мощностью до 100 кВт [6, стр. 402 - 403; 7, стр. 109 - 111, 118 - 120].
2.2 Определение фазных зон и схемы обмотки
статора
Определим число пазов на полюс и фазу по формуле
(2.1),
где р - количество пар полюсов, m -
количество фаз, z1 -
количество пазов статора (см. табл. 1.5).
Имеем
.
Тогда полюсное деление, выраженное в
зубцовых делениях, определяется по формуле
(2.2)
и равно
.
Выберем шаг обмотки у = 8 зубцовых
делений. Тогда относительный шаг равен
(2.3).
Сначала распределяем верхние стороны
катушек (пазов) по фазным зонам по q = 3 стороны
(пазов) в каждой зоне. Если пазы 1, 2, 3 отвести для зоны фазы А, то зоне фазы
В нужно отвести пазы 9, 10, 11, так как фаза В должна быть сдвинута
относительно фазы А на 120˚, то есть на две зоны по 60˚ или на 8
пазов (1 + 6 = 7; 2 + 6 = 8; 3 + 6 = 9). Зона С сдвинута относительно зоны В
также на 120˚ и занимает пазы 7 + 6 = 13, 8 + 6 = 14, 9 + 6 = 15. На
протяжении следующих двойных полюсных делений чередование зон А, В, С
происходит с такой же закономерностью. Таким образом, распределена половина
фазных зон и пазов верхнего слоя. Другие фазные зоны также распределяем по
фазам А, В, С и обозначаем их соответственно X, Y, Z. При этом для
зон Х, принадлежащих фазе А, отводим пазы, которые сдвинуты относительно зон А
на τ = 9 пазов,
то есть пазы 1 + 9 = 10, 2 + 9 = 11, 3 + 9 = 12 и т. д. Аналогично зонам Y принадлежат
пазы 7 + 9 = 16, 8 + 9 = 17, 9 + 9 = 18 и т. д., зонам Z - пазы 13 +
9 = 22, 14 + 9 = 23, 15 + 9 = 24 и т. д. Различие между зонами А, В, С и X, Y, Z состоит в
том, что ЭДС в соответствующих сторонах катушек (например, катушек зон А и Х)
сдвинуты по фазе на 180˚ вследствие их сдвига в магнитном поле на одно или
нечетное число полюсных делений.
В результате получим распределение
верхних сторон катушек (пазов) по фазным зонам, изображенное в верхнем ряду
верхней части схемы обмотки на листе 2.
Поскольку в рассматриваемом случае
шаг укорочен на одно зубцовое деление, то нижние стороны катушек (пазов) будут
сдвинуты на одно зубцовое деление влево . Отметим, что распределение нижних
сторон по зонам можно и не производить, так как оно получится автоматически при
вычерчивании лобовых соединений катушек.
Весьма важно отметить, что полученное
в схеме обмотки на чередование фазных зон А, Z, В, X, С, Y с q пазами в
каждой зоне, повторяющееся на протяжении каждого двойного полюсного деления,
характерно для любой трехфазной обмотки с фазной зоной α = 60˚.
Распределение пазов по фазам можно произвести
также на основании звезды пазовых ЭДС обмотки (рис. 2.1).
Рис. 2.1. Звезда пазовых ЭДС
Сдвиг ЭДС проводников соседних пазов
по фазе определяется по формуле
(2.4)
и равен
.
После обхода векторов пазовых ЭДС на
протяжении двух полюсных делений (векторы 1 - 12) звезда векторов ЭДС при целом
q будет
повторяться вследствие совпадения ЭДС соответствующих пазов (1 и 1 + 12 = 13 и
т. д.) по фазе. Если отвести первые два вектора (рис. 2.1) для зоны А, то
векторы зон В и С будут сдвинуты от векторов А на 120˚ и 240˚.
Векторы зон X, Y, Z будут
сдвинуты относительно векторов зон А, В, С соответственно на 180˚. В
результате получим такое же распределение пазов по зонам, как и полученное
выше.
На схеме обмотки на для каждого паза
начерчены два проводника (стороны катушки). Будем считать, что левые из них
расположены в верхних слоях, а правые - в нижних. Катушки будем нумеровать по
верхним сторонам. Так как ЭДС соседних катушек тоже сдвинуты на γ = 20˚,
то
звезду ЭДС пазов (рис. 2.1) можно рассматривать и как звезду ЭДС катушек.
В пределах каждой катушечной группы q = 3 катушки
соединяются последовательно. Таким образом, для фазы А в схеме обмотки получим
восемь групп, состоящих соответственно из катушек 1-2-3, 10-11-12, 19-20-21,
28-29-30, 37-38-39, 46-47-48, 55-56-57, 64-65-66. Все они соединены
последовательно, причем группы 10-11-12, 28-29-30, 46-47-48, 64-65-66
"вывернуты" по отношению к группам 1-2-3, 19-20-21, 37-38-39,
55-56-57 (конец группы 1-2-3 соединен с концом же группы 10-11-12 и т. д.),
чтобы ЭДС всех групп складывались друг с другом. Аналогично произведено
соединение групп в других фазах.
В качестве начал фаз А, В, С в схеме
обмотки на взяты начала катушек 1, 7, 13 со сдвигом на 120˚. Концы фаз X, Y, Z в схеме
обмотки на листе 2 соответствуют началам катушек 64, 70, 4. Стрелками указаны
направления токов параллельных ветвей [6, стр. 403 - 407].
.3 Расчет магнитодвижущей силы обмотки статора
Магнитное поле обмотки машины зависит, с одной
стороны, от расположения проводников обмотки и тока в них, а с другой стороны,
от конфигурации магнитной цепи машины и магнитных свойств отдельных ее
участков. Главной целью расчета поля обмотки является определение распределения
магнитной индукции вдоль магнитного зазора машины, так как от этого
распределения зависят:
) величины и формы индуктированных в обмотках
ЭДС;
) величина и характер возникающих
электромагнитных усилий, создающих вращающие моменты машины.
Описывая магнитное поле, создаваемое обмоткой
переменного тока в воздушном зазоре, допустим, что
) магнитная проницаемость стали сердечников μс
= 0;
) пазы отсутствуют, и воздушный зазор является
равномерным;
) катушечные стороны расположены в воздушном
зазоре и имеют в сечении вид бесконечно тонкой ленты с шириной, равной зазору δ;
4) зазор δ мал
по сравнения с радиусом статора.
При этих условиях линии магнитной индукции в
воздушном зазоре прямолинейны и перпендикулярны поверхностям зазора [6, стр.
430].
Найдем магнитодвижущую силу трехфазной обмотки
асинхронного двигателя, учитывая гармоники высших порядков по формуле
(2.5),
где ν = (1 + 6i) и ν = (5 + 6i) - порядок
гармоники; ω
- угловая
частота питающей сети; а - пространственная координата; t - время; F1+6i и F5+6i - амплитуды
МДС соответствующих гармоник [10, стр. 104].
Амплитуда МДС ν-ой гармоники
определяется по формуле
(2.6),
где m -
количество фаз; kобν -
результирующий обмоточный коэффициент для ν-й гармоники; W - число
витков в фазе; р - количество пар полюсов; I -
действующее значение тока фазы (см. пункт 3.1).
Результирующий обмоточный
коэффициент и число витков в фазе находятся по формулам
(2.7)
и
(2.8),
где kрν -
коэффициент распределения обмотки для ν-ой гармоники ЭДС; kуν -
коэффициент укорочения шага для ν-ой гармоники ЭДС; Sп - число
эффективных проводников в пазу (см. табл. 1.5) [10, стр. 47, 50, 100 - 101].
Подставляя известные величины в
формулы (2.7) и (2.8), получим для первой гармоники
и
.
Тогда по формуле (2.6) найдем
амплитуду МДС первой гармоники
.
Для последующих гармоник получим
Видно, что значение амплитуды МДС
при увеличении порядкового номера гармоники уменьшается и для пятой гармоники
ее значение не превышает 3% от первой. Таким образом, при построении кривой МДС
будем учитывать действие только первой гармонической составляющей, что внесет
погрешность не более 5%, являющейся допустимой в нашем случае.
Кривая МДС катушки представляет
ломаную кривую, которая изменяется скачком в местах расположения проводников с
током. Величина скачка в точке расположения стороны катушки с числом витков ωк и током iк равна ωкiк. На
участках, не имеющих проводников с током, величина ординат кривой не
изменяется, и на этих участках кривая МДС изображается горизонтальной линией.
Кривую МДС всей обмотки можно
получить в результате наложения кривых МДС составляющих ее элементов обмотки
или катушек.
В начале изображаем распределение
сторон катушки обмотки вдоль воздушного зазора с указанием принадлежности их
различным фазам Затем для рассматриваемого момента времени устанавливаем
величину и направление токов в проводниках отдельных катушек; далее,
передвигаясь слева направо, чертим ломаную кривую МДС обмотки, производя в
точках расположения сторон каждой катушки вертикальный скачок в зависимости от
направления тока - вверх или вниз, равный объему тока в данной секции.
Полученную ломаную линию затем разделяют осью абсцисс на две части, верхнюю и
нижнюю, таким образом, чтобы сумма площадей верхних участков кривой равнялась
сумме площадей нижних участков.
Кривую МДС строим для двух моментов
времени:
а)
, тогда
. Токи зон X, Y, Z равны токам
в зонах A, B, C
соответственно, но имеют противоположный знак, то есть
;
б)
, тогда
.
Так как число пазов на полюс и фазу q - целое
число, то достаточно построить кривую МДС на протяжении двойного полюсного
деления, так как в дальнейшем кривая будет повторяться. При этом кривые
ступенчатых положительных полуволн МДС будут симметричны отрицательным [10,
стр. 105 - 106].
Необходимо отметить, что укорочение
шага в данной двухслойной петлевой равносекционной обмотке приближает кривую
МДС к синусоиде, так как градация величин ступеней кривой вследствие перекрытия
фазных зон разных слоев обмотки при этом увеличивается [6, стр. 449].
3. Анализ характеристик двигателя
.1 Построение схемы замещения двигателя и
определение ее параметров
Для расчета характеристик асинхронной машины и
исследования различных режимов ее работы удобнее иметь дело не с действительной
асинхронной машиной, представляющую собой систему двух (или в общем случае
нескольких) электромагнитно связанных контуров, а с эквивалентной ей
электрической системой, создав для этой цели соответствующую схему замещения.
Реальная асинхронная машина с электромагнитными
связями между обмотками заменяется относительно простой электрической цепью,
что позволяет существенно упростить расчет характеристик.
Очевидно, что при переходе к схеме замещения
уравнения для этой схемы должны полностью соответствовать уравнениям,
описывающим рабочий процесс асинхронной машины.
Существует две схемы замещения асинхронной
машины Г-образная и Т-образная.
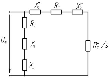
Воспользуемся Г-образной схемой замещения (рис.
3.1) при изучении процессов, происходящих в асинхронной машине, так как она
имеет существенные преимущества перед Т-образной, применяемой при изучении
процессов в трансформаторах.
В последних намагничивающий контур представляет
собой звено, находящееся между первичной и вторичной стороной, и дает
возможность изучать явления при изменении направления потока энергии.
В отличие от трансформатора, асинхронный
двигатель, являясь приемником энергии, должен рассматриваться при неизменном
напряжении на зажимах, то есть при U1
= const. В этом случае при
Т-образной схеме замещения происходит изменение токов не только в главной цепи,
но и в ответвленной цепи намагничивания, и поэтому все токи зависят от режима
работы. С увеличением нагрузки увеличивается поток рассеяния и в связи с этим
из-за возрастания насыщения отдельных участков магнитопровода полями рассеяния
уменьшаются индуктивные сопротивления. Увеличение скольжения в двигателе с
короткозамкнутым ротором приводит к возрастанию действия эффекта вытеснения
тока, что вызывает изменение сопротивлений обмотки ротора. При Г-образной схеме
при U1
= const ток I00
в ответвленном контуре при изменении скольжения s
остается постоянным, а изменяется лишь ток в главной цепи.
Генераторный и тормозной режимы в асинхронной
машине изучаются также при постоянном напряжении на зажимах U1
= const, поэтому и для
этих режимов работы Г-образная схема представляет те же преимущества, что и для
двигательного режима [2, стр. 196; 9, стр. 537; 10, стр. 421, 425 - 426].
Рис. 3.1. Г-образная схема замещения фазы
асинхронного двигателя
По схеме замещения фазы асинхронного двигателя,
приведенной на рис. 3.1, получим преобразованную схему (рис. 3.2), в которой
используются абсолютные величины активных и индуктивных сопротивлений.
Для перехода от относительных единиц к
абсолютным величинам определяем номинальные значения фазного напряжения и тока
двигателя по формулам
(3.1)
и
(3.2).
Тогда получим
и
.
Определяем параметры
электродвигателя в абсолютных величинах xi и ri по формулам
(3.3)
и
(3.4),
где Xi и Ri -
сопротивления из табл. 1.2.
Индуктивное сопротивление рассеяния
обмотки статора
.
Активное сопротивление обмотки
статора
.
Приведенное к обмотке статора
индуктивное сопротивление рассеяния ротора
.
Приведенное к обмотке статора активное
сопротивление ротора
.
Главное индуктивное сопротивление хμ
.
Сопротивления x1 и r1 найдем по
формулам
(3.5),
(3.6)
[1, стр. 26, 30]
Получим
и
.
Сопротивления х0 и хк
найдем по формулам
(3.7)
и
(3.8).
Получим
и
.
Рис. 3.2. Схема замещения фазы
асинхронного двигателя упрощенная в абсолютных величинах
.2 Построение круговой диаграммы
По схеме замещения фазы
асинхронного двигателя, приведенной в справочнике (рис. 1а), получают
преобразованную схему (рис.1б). В преобразованной схеме (рис.1б) используют
абсолютные величины. Для этого нормированные величины, приведенные в
справочнике, необходимо перевести в абсолютные. При переводе необходимо учесть,
что номинальные величины относятся к линейным.
Вначале построения круговой диаграммы
определяют масштаб тока:
где
- диаметр круговой диаграммы
(150-200 мм). Затем определяют вектор тока холостого хода I0:
Построение круговой диаграммы (КД)
на комплексной плоскости начинают с построения, векторов
и
. При этом
отрезок
в масштабе
тока соответствует модулю
. Масштаб
для построения вектора
выбирается
произвольно. Из т.
проводят
линию параллельную мнимой оси и на ней откладывают отрезок
равный
диаметру КД. На этом диаметре строят окружность с центром в т.
. Далее
проводят линию
переменного
параметра
параллельно
оси +1. Масштаб сопротивлений выбирают таким, чтобы отрезок ОХ был больше
диаметра КД:
На линии переменного параметра
откладывают отрезки xb;bc
После этого проводят линию моментов ob и линию
мощности oc. На КД
отмечают точки B и C.
Для построения шкалы скольжений
через точки B и C проводят
прямую линию. Проводят радиус
. Перпендикулярно радиусу
проводят
линию 01. Отрезок 01 представляет собой равномерную шкалу скольжений, которую
разбивают на 10 частей. Затем можно проверить правильность построения КД.
Для этого определяют масштаб
мощности:
и масштаб моментов;
где
По известному (ранее вычисленному)
номинальному моменту определяют отрезок
, соответствующий этому моменту:
Перпендикулярно диаметру КД в любом
месте внутри КД проводим линию. Отрезок
откладывают от линии моментов ОВ.
Через
проводят
линию nN параллельно
линии моментов. Точка N на КД соответствует номинальному
режиму. Соединяют прямой точки N и B .На шкале
скольжений отсчитывают номинальное скольжение и сверяют с паспортным значением.
Разница значений скольжений не должна превышать 10 %, Параллельно линии
моментов проводят касательную Kl и дуге ONC. На шкале
скольжений откладывают критическое скольжение Sкр и проводят
прямую линию через эту точку и точку В. Эта линия должна прийти в точку касания
линии Кl с КД.
Отрезок МК в масштабе моментов должен соответствовать критическому моменту Мкр.
Если эти условия выполняются - КД построена верно.
Для построения шкалы к.п.д.
продолжают линию мощности до пересечения с мнимой осью (точка
).
Перпендикулярно диаметру КД из т.
проводят прямую
d. Затем
параллельно диаметру КД, проводят прямую dh до
пересечения с линией мощности. Отрезок dh
представляет собой равномерную шкалу к.п.д. Для проверки правильности построения
проводят линию
N, которая на
пересечении со шкалой к.п.д. укажет номинальное значение к.п.д. Это значение
необходимо сравнить с каталожным значением номинального к.п.д.
Построение шкалы коэффициента
мощности (
). Радиусом
100 мм из т.
проводят
окружность. Отрезок
представляет
собой равномерную шкалу
. Для
определения коэффициента мощности продолжают вектор тока I1 до
пересечения с окружностью
. На шкале
отсчитывают
значение коэффициента мощности. На рисунке с КД показано определение
для точки N
номинального режима.
Для построения рабочих характеристик
двигателя по КД используют дугу ONL,
. На дуге ONL выбирают
несколько точек и для каждой определяют скольжение S, величину
тока I1, значение
момента М, к.п.д.,
, мощность
на валу Р2 и мощность, потребляемую двигателем из сети Р1.
Для определения мощностей Р2 и Р1 определяют отрезки L Р2
и L Р1,
которые в масштабе мощности
соответствуют указанным мощностям.
Эти отрезки определяются для ряда выбранных точек КД на дуге ONL.
Рабочие характеристики двигателя S, I1, M,
, Р1
(Р2) можно построить на одной обшей оси Р2. При
построении особо отмечают точку номинального режима.
Рассмотрим порядок определения
параметров асинхронного двигателя для режима его работы, определяемого точкой N на окружности.
Токи. Соединив точку N
с точками О и О1 получим треугольник токов О1ОN
стороны которого определяют ток статора I1=O1Оmi,
ток холостого хода I0=ONmi
и ток ротора I2=ONmi.
Опустив перпендекуляр из точки N
на ось абсцисс получим прямоугольный треугольник катеты которого определяют
активную и реактивную составляющую тока статора.
Подводимая мощность к двигателю мощность прямо
пропорциональна активной составляющей тока статора . Подводимую мощность
отсчитывают от оси абсцисс которую называют линией подводимой мощности.
Полезную мощность на круговой диаграмме
отсчитывают по вертикали от точки N
на окружности токов до линии полезной мощности.
Электромагнитная мощность отсчитывается от
заданной точки до линии электромагнитного момента.
Электромагнитный момент также отсчитывается от
заданной точки до линии момента.
Коэффициент мощности определяется как cosφ=O1f/100
Перегрузочная способность определяется как Mmax/Mном=Nc*mm/Mном
Скольжение. Рассчитав электрические потери в
обмотке ротора Pэ2=m1I22r12,
где ток определяется по круговой диаграмме, находим s=Pэ2/Pэм.
.3 Расчет и построение рабочих характеристик
двигателя по круговой диаграмме
Рабочими характеристиками асинхронного двигателя
называют зависимости потребляемой мощности Р1, первичного тока I1,
коэффициента мощности cosφ1,
скольжения s и КПД η
от
полезной мощности Р2 при работе с номинальным напряжением и
частотой. Рабочие характеристики позволяют находить все основные величины,
определяющие режим работы двигателя при различных нагрузках.
Построим рабочие характеристики
электродвигателя, используя круговую диаграмму и задаваясь рядом значений
мощности на валу Р2 = 0,25Рном, Р2 = 0,5Рном,
Р2 = 0,75Рном, Р2 = Рном, Р2
= 1,25Рном. Согласно изложенному в пункте 3.2.3, находим
соответствующие этим мощностям точки круговой диаграммы (см. табл. 3.1), после
чего с помощью диаграммы можно найти все необходимые величины, характеризующие
работу двигателя.
Таблица 3.1. Значения Р1, I1,
s, η, cosφ1
в зависимости от Р2
|
Р2,
Вт
|
Р1,
Вт
|
I1, А
|
S
|
η, %
|
cosφ1
|
|
0
|
168
|
13,86
|
0
|
0
|
0,0183
|
|
5500
|
5754
|
16,53
|
0,0220
|
54,77
|
0,5273
|
|
11000
|
11619
|
23,36
|
0,0279
|
78,61
|
0,7535
|
|
16500
|
17757
|
32,39
|
0,0347
|
85,13
|
0,8306
|
|
22000
|
24288
|
43,15
|
0,0427
|
87,00
|
0,8528
|
|
27500
|
31437
|
56,25
|
0,0533
|
86,49
|
0,8467
|
Рабочие характеристики асинхронного двигателя 4А200L8У3
мощностью 22 кВт приведены . При Р2 = 0 значения I1
и cosφ1
соответствуют режиму холостого хода.
.4 Расчет и построение механической
характеристики двигателя по круговой диаграмме
Механической характеристикой асинхронного
двигателя называют зависимость момента на валу М от величины скольжения s.
Задаваясь различными значениями скольжения s,
вычисляем по круговой диаграмме соответствующий электромагнитный момент.
Точки, снятые с круговой диаграммы, по которым
на листе 2 строится механическая характеристика, приведены в таблице 3.2.
Таблица 3.2. Зависимость электромагнитного
момента на валу М от скольжения s,
снятая с круговой диаграммы
|
s
|
0
|
0,02
|
0,03
|
0,13
|
0,15
|
0,28
|
0,5
|
1
|
|
М,
Нм
|
0
|
55
|
183
|
461
|
410
|
301
|
202
|
101
|
Механическая характеристика в справочнике задается
тремя точками (табл. 1.3), представляющими собой коэффициенты кратности
минимального, критического и пускового моментов по отношению к номинальному.
Номинальный момент Мном можно найти
по формуле
(3.31),
где n -
синхронная частота вращения двигателя; Рном - номинальная мощность; sном -
номинальное скольжение.
Минимальный, критический и пусковой
моменты ищутся соответственно по формулам
(3.32)
и равны
Нм
Нм
Нм
Точки, взятые из справочных данных,
по которым на листе 2 строится механическая характеристика, приведены в таблице
3.3.
Таблица 3.3. Зависимость
электромагнитного момента на валу М от скольжения s, взятая из
справочных данных
|
s
|
0,0270
|
0,2593
|
0,1300
|
0.5
|
|
М,
Нм
|
294
|
323
|
577,02
|
346,21
|
.5 Определение механической характеристики
двигателя по формуле Клосса
При определении механической характеристики по
формуле Клосса воспользуемся точной формулой Клосса, имеющей вид [6, стр. 515 -
517]
(3.33),
где величина а равна
(3.34).
Критическое значение скольжения sк определим
по формуле
(3.35).
Оно равно
.
Точки, полученные по формуле Клосса,
по которым на листе 2 строится механическая характеристика, приведены в таблице
3.4.
Таблица 3.4. Зависимость
электромагнитного момента на валу М от скольжения s, полученная
по формуле Клосса
|
s
|
0,0289
|
0,0888
|
0,13
|
0,5
|
0,8
|
1,0
|
|
М,
Нм
|
273,00
|
485,70
|
457,44
|
186,81
|
121,69
|
98,55
|
3.6 Тепловой и вентиляционный расчет
асинхронного двигателя
Работа асинхронного двигателя сопровождается
потерями мощности, которые в форме потоков тепловой энергии передаются от
наиболее нагретых частей машины к менее нагретым и, в конечном итоге,
передаются с охлаждаемых поверхностей окружающей среде. Передача тепла в
твердых телах происходит посредством теплопроводности, а с нагретых
поверхностей отдача тепла происходит преимущественно посредством конвекции и
лучеиспускания. На пути движения тепловых потоков возникают перепады
температуры. Цель теплового расчета асинхронного двигателя - это определение
превышения температуры его отдельных частей над температурой охлаждающего
воздуха.
В асинхронных двигателях с короткозамкнутым
ротором наиболее сильно, как правило, нагревается обмотка статора. Допустимое
среднее значение превышения температуры обмотки статора над температурой
охлаждающей среды (перегрев обмотки статора) зависит от класса нагревостойкости
(температурного индекса) выбранного изоляционного материала. Перегрев обмотки
статора должен быть ниже допустимых значений, установленных ГОСТ 183 - 74.
Определяем потери мощности в обмотке статора
подразделяют на потери в пазовой и лобовой части обмотки статора, согласно [1]
по формуле
, (10.1)
где
- коэффициент увеличения потерь для
изоляции класса нагревостойкости F.
Вт.
Определяем потери мощности в лобовой
части обмотки статора, согласно по формуле
, (10.2)
Вт.
Определяем периметр поперечного
сечения паза, согласно [1] по формуле:
, (10.3)
м.
Определяем перепад температуры в
изоляции пазовой части обмотки, согласно [1] по формуле:
, (10.4)
где
мм - односторонняя толщина пазовой
изоляции;
- средняя эквивалентная
теплопроводность пазовой изоляции;
- среднее значение коэффициента
теплопроводности внутри изоляции катушки всыпной обмотки.
°С.
Определяем превышение температуры
внутренней поверхности магнитопровода статора над температурой воздуха внутри
машины, согласно [1] по формуле:
, (10.5)
где
- коэффициент, учитывающий, что
только часть потерь мощности в стали и пазовой части обмотки статора передается
воздуху внутри машины, а остальная часть потерь передается через станину
наружному воздуху;
- коэффициент теплоотдачи с
поверхности.
.
Определяем перепад температуры по
толщине изоляции лобовой части катушки из круглого провода, согласно [1] по
формуле:
, (10.6)
где
- условный периметр охлаждения
лобовой части одной катушки;
- односторонняя толщина изоляции
лобовой части катушки, при отсутствии изоляции
мм.

.
Определяем превышение температуры
поверхности лобовых частей обмотки статора над температурой воздуха внутри
машины, согласно [1] по формуле:
, (10.7)
.
Определяем среднее превышение
температуры обмотки статора над температурой воздуха внутри машины, согласно
[1] по формуле
, (10.8)
.
Определяем потери мощности,
отводимые в воздух внутри машины, согласно [1] по формуле:
, (10.9)
где
,
Вт;
Вт.
Определяем поверхность ребер
станины, согласно [1] по формуле:
, (10.10)
где
м - условный периметр поперечного
сечения ребер корпуса двигателя.
.
Определяем превышение температуры
воздуха внутри машины над температурой окружающей среды определяется в
предположении, что температура корпуса равна температуре воздуха внутри машины,
согласно [1] по формуле:
, (10.11)
где
- коэффициент подогрева воздуха.
.
Определяем среднее значение
превышения температуры обмотки статора над температурой окружающей среды,
согласно [1] по формуле:
, (10.12)
.
Определяем требуемый расход воздуха,
согласно [1] по формуле:
, (10.13)
где
- коэффициент, учитывающий
изменение теплоотдачи по длине корпуса машины.
, (10.14)
где
- коэффициент;
об/мин - частота вращения ротора в
номинальном режиме.
;
м3/сек.
Определяем расход воздуха, который
может быть получен при заданных размерах двигателя, согласно [1] по формуле:
, (10.15)
м3/сек
Для нормального охлаждения асинхронных
двигателей необходимо, чтобы расход воздуха, обеспечиваемый наружным
вентилятором, был больше требуемого, то есть выполнялось условие:
; (10.16)
.
.7 Анализ статических и динамических свойств
двигателя по его характеристикам на соответствие требованиям технического задания
Пусковые и номинальные характеристики двигателя
типа 4А200L8У3 соответствуют
условиям прямого запуска механизмов.
На основании построенных по круговой диаграмме
расчетным путем механических характеристик можно произвести сравнение их с
каталожными данными. В результате небольших погрешностей при расчете и
построении характеристики, построенные по круговой диаграмме и каталожным
данным, несколько различаются. В среднем погрешность не превышает 10%, что
допустимо при наших расчетах.
Заключение
Данный двигатель типа 4А200L8У3
относится к электродвигателям общего назначения. Он предназначен для работы в
нормальных условиях. По шумовым качествам двигатель превосходит другие
двигатели со степенью защиты IP23.
По сравнению с другими типами имеет меньший пусковой ток относительно
номинального тока I1ф
ном < Iп в 5-7 раз. По приведенному
расчету Iп
/ I1ф ном
= 2,72.
Двигатель можно применить для приводов
механизмов, не предъявляющих особых требований к пусковым характеристикам,
скольжению, энергетическим показателям. Его можно применить для приводов
небольших конвейеров, в компрессорной установке средней мощности, для
деревообрабатывающих станков, не имеющих больших первоначальных нагрузок или в
какой-либо другой отрасли промышленности.
Список литературы
1.
Асинхронные двигатели серии 4А: Справочник / А. Э. Кравчик, М. М. Шлаф, В. И.
Афонин, Е. А. Соболенская. - М.: Энергоиздат, 1982. - 504 с., ил.;
.
Проектирование электрических машин: Учеб. пособие для вузов / И. П. Копылов, Ф.
А. Горяинов, Б. К. Клоков и др.; Под Ред. И. П. Копылова. - М.: Энергия, 1980.
- 496 с., ил.;
.
Гольдберг О. Д., Гурин Я. С., Свириденко И. С. Проектирование электрических
машин: Учеб. для втузов / Под ред. О. Д. Гольдберга. 2-е изд., перераб. и доп.
- М.: Высш. шк., 2001. - 430 с., ил.;
.
Справочник по электрическим машинам: В 2 т. Т. 1 / Под общ. Ред. И. П. Копылова
и Б. К. Клокова. - М.: Энергоатомиздат, 1988. - 456 с., ил.;
.
Справочник по электрическим машинам: В 2 т. Т. 2 / Под общ. Ред. И. П. Копылова
и Б. К. Клокова. - М.: Энергоатомиздат, 1989. - 688 с., ил.;
.
Вольдек А. И. Электрические машины. Учебник для студентов высш. техн. учебн.
заведений. - 3-е изд., перераб. - Л.: Энергия, 1978. - 832 с., ил.;
.
Асинхронные двигатели общего назначения / Бойко Е. П., Гаинцев Ю. Г., Ковалев
Ю. М. и др.; Под ред. В. М. Петрова и А. Э. Кравчика. - М.: Энергия, 1980. -
488 с., ил.;
.
Жерве Г. К. Обмотки электрических машин: Основы, устройства, теории и работы. -
Л.: Энергоатомиздат, 1989;
.
Токарев Б. Ф. Электрические машины: Учебник для техникумов. - М.:
Энергоатомиздат, 1989. - 672 с., ил.;
.
Костенко М. П., Пиотровский Л. М. Электрические машины, часть 2. - М.-Л.:
Энергия, 1965. - 704 с. с рис.;
.
Касаткин А. С., Перекалин М. А. Электротехника, изд. 8-е переработанное. - М. -
Л.: Госэнергоиздат, 1961. - 460 с. с черт.;
.
ГОСТ 2.108-68. (СТ СЭВ 2516-80). Спецификация;
.
ГОСТ 2.305-81. (СТ СЭВ 363-88). Изображения - виды, разрезы, сечения;
.
ГОСТ 2.416-68. Условие изображения сердечников магнитопроводов;
.
СТ СЭВ 159-88. ЕСКД СЭВ. Складывание чертежей.