Производство листового стекла флоат-способом
Реферат
Данный дипломный проект состоит из пояснительной записки, содержащей 120
листов печатного текста, включающего: 39 таблиц, 13 рисунках, и основанной на
21 литературных источниках, и графической части состоящей из 8 листов формата
А1 (план и разрезы цеха, генеральный план, технологическая карта,
теплотехническое оборудование, НПР, строительная конструкция и
технико-экономические показатели, технологическая схема) и 1 листа формата А2
(разрезы цеха).
Ключевые слова: стекло листовое, механическая обработка, контроль
качества, сырье, технология, производство, оборудование, флоат-способ.
Целью данного дипломного проекта было запроектировать производство
листового стекла флоат-способом формования на расплаве олова и
усовершенствовать его. В работе рассмотрены различные технологии производства
листового стекла, пути и средства его совершенствования. Произведены все
необходимые технологические и экономические расчеты.
Введение
Основными направлениями экономического и социального развития России и
стран СНГ является развитие производства эффективных строительных материалов,
одним из таких материалов является стекло.
Стекло - один из самых распространенных материалов, широко используемых в
строительной промышленности и в быту. Непрерывно возрастающая потребность в
стеклоизделиях различного назначения вызывает необходимость увеличения выпуска
продукции стекольной промышленности при улучшении ее качества.
Научно-технический прогресс в производстве стекла позволил значительно
расширить области его эффективного применения. В последние годы в технике
стеклоделия произошли значительные изменения. Появились новые способы
производства и средства совершенствования существующих способов, новые области
применения стекла, увеличилось число составов стекол, все более широко
внедряются в практику методы математического планирования и автоматического
регулирования процессов стеклоделия.
К числу выдающихся достижений последнего времени в стеклотехнике,
несомненно, относится производство полированного стекла на расплаве олова,
заменившее дорогой способ шлифования и полирования на громоздких механических
конвейерах. Стекло и изделия на его основе применяют во всех областях
современной науки и техники. Стекло превратилось в незаменимый материал
строительного и конструкционного назначения.
Огромное значение имеет качество продукции - важнейший показатель
деятельности предприятия. Повышение качества продукции в значительной мере
определяет выживаемость предприятия в условиях рынка, темпы научно-технического
прогресса, рост эффективности производства, экономию всех видов ресурсов,
используемых на предприятии. Рост качества продукции - характерная тенденция
работы всех ведущих фирм мира.
Управление качеством - действия, осуществляемые при создании,
эксплуатации или потреблении продукции в целях установления, обеспечения и
поддержания необходимого уровня ее качества.
Сущность всякого управления заключается в выработке управляющих решений и
последующей реализации предусмотренных этими решениями управляющих воздействий
на определенном объекте управления. При управлении качеством продукции
непосредственными объектами управления, как правило, являются процессы, от
которых зависит качество продукции. Они организуются и протекают как на до
производственной стадии, так и на производственной и после производственной
стадиях жизненного цикла продукции.
Система управления качеством продукции представляет собой организационную
структуру, четко распределяющую ответственность, процедуры, процессы и ресурсы,
необходимые для управления качеством.
Политика в области качества может быть сформулирована в виде принципа
деятельности предприятия и включать:
· улучшение экономического положения предприятия;
· расширение или завоевание новых рынков сбыта;
· достижение технического уровня продукции, превышающего
уровень ведущих предприятий и фирм;
· ориентацию на удовлетворение требований потребителя
определенных регионов;
· освоение изделий, функциональные возможности которых
реализуются на новых принципах;
· улучшение важнейших показателей качества продукции;
· снижение уровня дефектности изготавливаемой продукции;
· увеличение сроков гарантии на продукцию;
· развитие сервиса.
1.
Оценка потребности и определение ассортимента продукции
Структуру производства стекла определяет потребитель. В настоящее время
75 % общего объема составляет выпуск контейнерного и плоского стекла, что
связано с ростом производства пищевых продуктов, напитков, резким увеличением
строительного рынка (ежегодный прирост составляет до 8%), потреблением около
20% плоского стекла мебельной промышленностью и транспортом.
Ежегодно в Россию импортируется 350-400 тыс. тонн специального вида
архитектурного, теплозащитного и фасадного стекла, в основном выпускаемого
заводами фирм «Пилкинтон» (Великобритания), «Сан-Гобен» (Франция), «Главербел»
(Бельгия), «Гардиан» (США). Одновременно около 25-30% стекла импортируется в
некоторые европейские страны, СНГ, а также в Иран, Турцию и африканские страны.
В России за последние 15 лет в производстве и потреблении стекла
произошли существенные изменения. Изменилось само отношение к этому продукту:
если раньше основным его назначением было остекление деревянных рам в жилищном
строительстве и розничная продажа, то сейчас основная часть стекла поступает на
вторичную переработку, такую как нанесение покрытий, закалка, изготовление
многослойных стекол и стеклопакетов. Листовое стекло стало базовым продуктом
для производства изделий. Это вызвало изменение требований, предъявляемых
потребителями к качеству листового стекла, особенно к стабильности показателей
качества.
С 1999 года усилились со стороны государства требования к экономии
энергоресурсов, в том числе и в сфере гражданского строительства за счет
использования энергосберегающих материалов и конструкций. В жилом секторе 18%
от общей площади занимает остекление, а потери тепла составляют более 65%.
СНиПами установлена нормативная величина приведенного коэффициента
сопротивления теплопередачи стеклопакета, равная 0,55 м2*°С/Вт.
Простейший однокамерный стеклопакет 4-16-4 (два простых стекла толщиной по 4 мм
и дистанционная рамка длиной в 16 мм между ними) имеет коэффициент всего 0,32 м2х°С/Вт,
чего явно недостаточно.
В данном дипломном проекте разработана технология по производству
листового стекла формата «Джамбо-Сайз» размером 3210х6000 мм толщиной от 4 до 10
мм. Данный формат является более экономным при переработке, по сравнению с
форматом ДЛФ размером 3210х2500 мм., отходы при раскрое листа формата
«Джамбо-Сайз» всего 6% от общей площади листа тогда, как при раскрое листа
формата ДЛФ на те же листы отходы составляют 14% от площади листа. Из выше
сказанного можно сказать, что спрос на данную продукцию будет достаточно высок
как в Саратовской области, так и в других регионах Российской Федерации
Ассортимент
выпускаемого листового стекла
В данном дипломном проекте запроектировано производство листового стекла
флоат-способом в соответствие ГОСТ 111-2001.
Таблица 1.1
|
Наименование продукции
|
Документация
|
Код ОКП
|
|
Стекло листовое
|
ГОСТ 111-2001
|
592210
|
|
Стекло листовое для
производства закаленного стекла для транспорта
|
ТУ 5922-017-51404745-2006
|
|
|
Стекло листовое для
производства многослойного стекла и закаленного стекла для стеклоизделий
|
ТУ 5922-018-51404745-2006
|
|
|
Стекло листовое для
промышленной переработки
|
ТУ 5922-012-51404745-2003
|
|
|
Стекло листовое
|
ТУ 5922-015-51404745-2003
|
|
Конечным продуктом являются листы размером 3210×6000мм толщиной: 4, 5, 6, 8, 10мм.,
также запроектировано производство листов формата 3210×2500 мм. Стекло в соответствии с его
оптическими искажениями и допускаемыми пороками подразделяют на марки М0, М1,
М2, М4, М5, М6, М7.
Отклонения от плоскостности листа стекла не должно быть более 0,1% длины
наименьшей стороны.
2. Технико-экономические обоснования развития производства
Технико-экономическая часть содержит технико-экономические показатели
предприятия и экономическую эффективность производства.
Технико-экономические показатели выражаются: производственной программой,
расходом сырья и материалов на выпуск готовой продукции, потребностью в
технологическом оборудовании, годовым режимом рабочего времени, потребной
численностью производственных рабочих и т.д.
.1 Производительность цеха
Производительность предприятия - расчетный показатель максимального
выпуска условной номенклатуры продукции в единицу времени.
Величина производственной мощности предприятия в целом равна сумме
мощностей отдельных параллельно работающих технологических участков по
производству листового стекла. Расчет производительности предприятия по выпуску
готовых изделий производится исходя из заданной годовой производительности. В
данном дипломном проекте годовая производительность предприятия с учетом
КИС=0,91 равна П=18250 тыс. м2 /год при толщине ленты стекла 4 мм.
При расчете производительности необходимо учитывать возможный брак в
производстве и некондиционность изделий. Для заводов по производству стекла
процент брака (стеклобоя) может достигать 1%. Расчет производительности
приведен в таблице 2.1
Пфак= 1,01*Пгод,
где Пфак - фактическая производительность
предприятия в год по вытянутому стеклу;
,01- коэффициент, учитывающий потери при производстве;
Пгод - заданная производительность
предприятия.
Пфак= 1,01*18250000=18432500 м2
/год.
Псутки= 18432500/365=50500 м2.
Псмена=50500/2=25250 м2.
Пчас=25250/12=2104,2 м2.
Таблица 2.1
|
№ п/п
|
Наименование передела
(операции)
|
Производительность
предприятия
|
|
|
В год, м2
/год
|
В сутки, м2
|
В смену, м2
|
В час, м2
|
|
1
|
Цех по подготовке сырьевых
материалов и заготовки шихты
|
18432500
|
50500
|
25250
|
2104,2
|
|
2
|
Варка стекломассы
(стекловаренная печь)
|
|
|
|
|
|
3
|
Формование ленты стекла
(ванна расплава)
|
|
|
|
|
|
4
|
Отжиг ленты стекла
|
|
|
|
|
|
5
|
Концевые операции
|
|
|
|
|
|
6
|
Цех сортировки и упаковки
|
|
|
|
|
Отправным материалом для расчета технологического оборудования, потока
сырья, состава персонала является режим работы цеха (предприятия). Он
определяет количество рабочих дней в году, количество смен в сутки и рабочих
часов в смене.
Режим работы устанавливается в соответствии с трудовым законодательством
РФ.
При назначении режима работы предприятия необходимо обеспечить полное
использование основных фондов и принять наибольшее количество рабочих смен в
сутки.
Расчетный годовой фонд времени работы технологического оборудования в
часах, на основании которого рассчитывается производственная мощность
предприятия в целом и отдельных линий, установок, определяют по формуле:
Вр=Ср*U*Ku (час),
где Вр - расчетный годовой фонд времени работы
технологического оборудования в часах;
Ср - расчетное количество рабочих суток в году;
U -
количество рабочих часов в сутки;
Кu - среднегодовой коэффициент
использования технологического оборудования.
Вр = 365*24*0,95= 8322 часа
Гр = Вр*Кэк.в. =8322 * 0,876= 7290,1
часа
Где Гр- годовой фонд рабочего времени;
Кэк.в. -коэффициент использования эксплуатационного времени,
0.876
Режим работы предприятия характеризуется количеством рабочих дней в году,
количеством смен в сутки и продолжительностью смены в часах. В виду того, что
на данном предприятии имеют место процессы, требующие круглосуточного контроля,
принимаем 365 рабочих дня исходя из 7-дневной рабочей недели при двухсменной
работе. Таким образом, годовой фонд рабочего времени составит 7290,1 часа при
12и часовой рабочей смене.
.2 Потребность в сырьевых материалах и полуфабрикатах
Расчет объема потребляемых материалов производится исходя из заданной
производительности предприятия и расхода материалов на единицу готовой
продукции.
Для получения стекла требуемого качества и вида состав
шихты рассчитывают, используя данные химического анализа применяемых сырьевых
материалов. Расчет ведут на 100 мас. ч. стекломассы. Химические составы стекла
и каждого составляющего шихту вещества выражают в процентах от массы.
В данном дипломном проекте необходимо рассчитать
состав шихты для листового стекла отформованного флоат-способом следующего
состава (%):
Таблица 2.2
|
№ п./п.
|
Наименование элемента
|
Содержание в шихте, %
|
|
1
|
Si02
|
73
|
|
2
|
А12О3
|
0,9
|
|
3
|
СаО
|
8,7
|
|
4
|
MgO
|
3,6
|
|
5
|
Na2O(R2O)
|
13,4
|
|
6
|
SO3
|
0,3
|
|
7
|
Fe203
|
0,1
|
Химический состав сырьевых материалов Таблица 2.3
|
Материал
|
Оксиды, %
|
П.П.П.
|
|
Si02
|
СаО
|
MgO
|
Na20
|
А1203
|
Fe203
|
|
|
Песок
|
98,98
|
0,4
|
-
|
-
|
0,22
|
0,03
|
0,37
|
|
Мел
|
1,5
|
54
|
-
|
-
|
-
|
0,02
|
44,3
|
|
Доломит
|
3
|
27
|
19,8
|
-
|
1,6
|
0,02
|
48,4
|
|
Сода
|
-
|
-
|
-
|
56
|
-
|
-
|
44
|
|
Известняк
|
-
|
56
|
-
|
-
|
-
|
0,03
|
44
|
|
Полевой шпат
|
68
|
-
|
-
|
-
|
21,7
|
0,02
|
11
|
|
Сульфат
|
-
|
0,8
|
-
|
95
|
-
|
0,01
|
4
|
|
Стеклобой
|
73
|
8,7
|
3,6
|
13,4
|
0,9
|
0,1
|
-
|
Чтобы получить 100 кг стекломассы заданного состава,
необходимо с сырьевыми материалами ввести заданное количество оксидов в
килограммах.
С учетом потерь при прокаливании и транспортировки
состав шихты будет следующим:
Песок - 58,9%+0,37%+1%=58,9+0,218+0,589=59,707кг.
Полевой шпат - 3%+11%+1%=3+0,33+0,03=3,36кг.
Известняк - 4%+44%+1%=4+1,76+0,04=5,8кг.
Сульфат натрия - 1%+4%+1%=1+0,04+0,01=1,05кг
Уголь - 0,1%=0,1кг.
Сода - 18%+44%+1%=18+7,92+0,18=26,1кг.
Доломит - 15%+48,4%+1%=15+7,26+0,15=22,41кг.
Из выше сказанного можно сделать вывод, что на 100 кг
стекломассы требуется 118,527 кг шихты плюс 15 кг стеклобоя.
Таблица 2.4
|
№ п./п.
|
Материал
|
Потребность в материале
|
|
|
В год, т
|
В сутки, кг
|
В смену, кг
|
В час, кг
|
|
1
|
Песок
|
110037,7326
|
301473,24
|
150736,68
|
12561,39
|
|
2
|
Полевой шпат
|
6193,4076
|
16968,24
|
8484,12
|
707,01
|
|
3
|
Известняк
|
10691,0544
|
29290,56
|
14645,28
|
1220,44
|
|
4
|
Сульфат натрия
|
1935,4344
|
5302,56
|
2651,28
|
220,94
|
|
5
|
Уголь
|
184,32792
|
505,008
|
252,504
|
21,042
|
|
6
|
Сода
|
48109,6572
|
131807,28
|
65903,64
|
5491,97
|
|
7
|
Доломит
|
41307,8676
|
113172,24
|
56586,12
|
4715,51
|
|
8
|
Стеклобой
|
32768,9262
|
89777,88
|
44888,94
|
3740,745
|
|
9
|
Готовая шихта
|
251228,40792
|
688297,008
|
344148,504
|
28679,047
|
|
Вспомогательные материалы
|
|
10
|
Жидкость для резки стекла,
кг.
|
4,511
|
12,36
|
6,18
|
0,515
|
|
11
|
Прокладочный материал
«Сепарол», кг.
|
52,56
|
144
|
72
|
6
|
|
12
|
Гвозди, кг
|
35,04
|
96
|
48
|
4
|
|
14
|
Пиломатериал, кг
|
241,8
|
662,4
|
331,2
|
27,6
|
Шихта представляет собой смесь материалов, обеспечивающих прохождение при
высокой температуре химических реакций с образованием стекла. Для производства
стекла применяют материалы, при помощи которых в состав стекла вводят окислы: Si02, Na20, СаО, MgO,
А1203 и др.
Кварцевый песок - горная порода, при помощи которой в
состав стекла вводится Si02.
Окись кремния является основой стекла. В кварцевых песках первого сорта
содержание Si02 должно быть не менее
97,5-99%, а в песках второго сорта - не менее 97-98,7%. Примеси окислов железа
(Fe203), титана (Ti02) и хрома (Сг203) являются
вредными и к их содержанию в песке предъявляются особенно жесткие требования.
Содержание оксидов Fe203 не должно превышать
0,05%.
К песку предъявляются также требования в отношении его
зернового (гранулометрического) состава. Наиболее подходящим является песок со
средним размером зерен - 0,15-0,40 мм. Поступающий в шихту песок дополнительно
просеивается через сито с сеткой №08(81 отв/см2).
Доломит представляет собой осадочную горную породу,
включающую в себя главным образом минералы доломита с некоторыми примесями.
Доломит в химически чистом состоянии содержит CaCO3 - 54.3%, MgCO3
- 45,7%. Через доломит в стекло вводят MgO(не менее 19%) и CaO(в пределах 29-32%). Содержание примесей оксида железа
в доломите не должно превышать 0,15%. В настоящее время доломит с карьера
поступает обработанным и обогащенным, но подается в шихту после дополнительного
просеивания через сито с сеткой №1,2(36 отв/см2).
Известняк широко распространен в природе. Это
осадочная горная порода состоящая из СаСО3 и некоторых примесей Si02, А12О3,
MgO в количестве до 2% эти примеси не
вредны. Применяемый в стекловарении чистый известняк содержит 56% СаО и 44% СО2.
Через известняк в состав стекла вводят СаО.
Содержание окислов железа должно быть менее 0,3%. В
последние годы известняк поступает в виде мела в готовом виде, но перед
поступлением в шихту просеивается через сито с сеткой №1,2 (36 отв/см2
).
Пегматит представляет собой прочную природную смесь,
состоящую из 71% Si02 и
15% А12О3. В составе примесей находятся около0,4% окислов
железа. На карьере он проходит процесс размола и обогощения и в производство
поступает в готовом виде. Через пегматит в стекло вводится А12О3.
Перед подачей в шихту производится контрольное просеивание через сито с сеткой
№0,7 (100 отв/см2). В рецепте шихты может быть заменен полевошпатом.
Полевошпатный концентрат представляет собой отходы
горнодобывающих фабрик, которые перерабатывают пегматитовые и нефелиновые руды
для извлечения из них ценных минералов. Полевошпатный концентрат содержит до
68% Si02,21,7% А12О3
и до 0,5% Fe203.
Кальцинированная сода - продукт химического
производства и представляет собой хорошо растворимый в воде
мелкокристаллический порошок белого цвета. Химический состав соды - Na2CO3 содержащий 58,5% Na2O и
41,5% CO2. В составе примесей содержится не более 0,02% оксидов
железа. Кальцинированная сода является главным реагентом, обеспечивающий процесс
химических реакций при варке стекла и входит в состав стекла в виде оксидов
натрия Na2O(R2O). Сода является сильнопылящим
материалом, обладающим высокой гигроскопичностью и хорошей растворимостью в
воде. Последнее свойство затрудняет хранение соды, поэтому ее приходится
складировать в специальных вертикальных силосах, оснащенных системой аэрации,
исключающие попадание влаги и слеживания соды.
Сульфат натрия - синтетический продукт, натриевая соль
серной кислоты Na2SO4 который в основном составе содержит 43,7% Na2O и 56,3% SO3. Сульфат представляет собой
растворимый в воде мелкокристаллический порошок. Он применяется для активизации
процесса осветления стекломассы. Обычно в комбинации с углеродом в качестве
которого добавляется каменный уголь. Сульфат и уголь поступают на завод в
готовом виде, но перед подачей в шихту проходит контрольное просеивание на сите
с сеткой №1,2 (36 отв/см2 ).
Одним из наиболее важных факторов определяющих выбор
рецепта стекла для флоат-процесса, является кристаллизационная способность
стекла, то есть те температурные пределы внутри которых оно может
закристаллизоваться. Поэтому состав промышленного стекла всегда следует
подбирать таким образом, чтобы температура верхнего предела кристаллизации была
ниже температуры формования не менее чем на 25-30оС.
Для флоат-стекла этим требованиям удовлетворяют
следующие составы приведенные в табл 2.2.
Состав стекольной шихты рассчитывается уже по
заданному рецепту стекла с учетом химического состава применяемых сырьевых
материалов. Весовой состав шихты является исходным для организации производства
шихты. Он утверждается главным инженером предприятия и строго контролируется
техническим персоналом цеха и ЦЗЛ. Помимо исходных сырьевых материалов в состав
шихты вводится стеклобой образующийся во время производственного процесса.
Масса стеклобоя вводится в количестве не более 20% (свыше 100%) от общей массы
шихты.
Весовой состав шихты для флоат-стекла, рассчитанный
для вышеприведенного рецепта:
Таблица 2.5
|
№ п/п
|
Наименование компонента
|
Содержание в шихте, %
|
|
1
|
Песок
|
58,9
|
|
2
|
Полевой шпат
|
3,0
|
|
3
|
Известняк
|
4,0
|
|
4
|
Сульфат натрия
|
1,0
|
|
5
|
Уголь
|
0,1
|
|
6
|
Сода
|
18,0
|
|
7
|
Доломит
|
15,0
|
|
8
|
Стеклобой
|
15
|
2.3 Потребность в оборудовании
Выбор технологического оборудования производится с учетом ранее принятого
технологического способа производства, а также исходя из рассчитанной
производительности предприятия.
Расчет потребного количества технологического оборудования производится с
учетом норм производительности оборудования в единицу рабочего времени при
данной номенклатуре продукции, чтобы обеспечить выпуск изделий в объеме годовой
производственной программы предприятия в условиях установленного режима работы.
Расчет потребного количества оборудования:
М= Пnч/(Пн*Кн),
где М -
количество машин (установок);
Пnч - производительность предприятия часовая;
Пн - производительность оборудования нормативная;
Кн - коэффициент использования оборудования, в стекольной
промышленности он равен 0,98.
Подготовка шихты:
Взвешивание:
Песок - М=12561,39/(7000*0,98)=12561,39/6860=1,83 принимаем 2
массоизмерительного устройства ДВСТ-350П.
Полевой шпат - М=707,01/(900*0,98)=707,01/882=0,8 принимаем 1
массоизмерительное устройство ДВСТ-40.
Сульфат натрия - М=220,94/(300*0,98)=220,94 /294=0,8 принимаем 1
массоизмерительное устройство ДВСТ-40.
Уголь - М=21,042/(30*0,98)=21,042 /29,4=0,72 принимаем 1
массоизмерительное устройство ДВСТ-40.
Сода - М=5491,97/(6000*0,98)=5491,97/5880=0,93 принимаем 1
массоизмерительное устройство ДВСТ-40.
Доломит - М=4715,51/(5000*0,98)=4715,51/4900=0,96 принимаем 1
массоизмерительное устройство ДВСТ-40.
Стеклобой - М=3740,745/(4000*0,98)=3740,745/3920=0,95 принимаем 1 массоизмерительное
устройство ДВСТ-40.
Перемешивание:
Сульфатоугольная смесь - М=241,982/(300*0,98)=241,982/294=0,82 принимаем
1 тарельчатый смеситель СТ-250.
Готовая шихта - М=28679,047/(15000*0,98)=28679,047/14700=1,95 принимаем 2
тарельчатых смесителя СТ-700.
Варка стекла:
Для варки стекла принимаем ванную стекловаренную печь регенеративную с
поперечным направлением пламени непрерывного действия, производительностью
500т/сут готовой стекломассы.
Формование:
Для формования ленты стекла принимаем 1 ванну расплава (расплав олова) и
10 растягивающих (утоняющих) устройств - МС-466«Bottero».
Отжиг:
Для процесса отжига ленты стекла принимаем печь отжига туннельную,
электрическую, непрерывного действия ПОС-350.
Концевые операции:
Перемещение ленты стекла - конвейер фирмы «Bottero» с валами из легированной жаростойкой стали, скорость
перемещения листов стекла от 30 до 60 м/мин. Раскрой ленты стекла - механизм
раскроя ленты стекла фирмы «Bottero»
АТ-533 6 шт. (2прадольных и 4поперечных балки).
Отломка бортов - механизм отломки бортов АТМ-533 4 шт. (2с левой стороны,
2 с правой стороны).
Стол перереза больших размеров на меньшие форматы «Hegla»
Весь перечень производственного оборудования приведен в ведомости
оборудования таблица 11.
Ведомость производственного оборудования Таблица 11
|
№ п./п.
|
Наименование оборудования
|
Характеристика оборудования
|
Назначение оборудования
|
Количество
|
|
1
|
Массоизмерительное
устройство ДВСТ-350П
|
Предел взвешивания 350кг
Объем ковша 0,35 м3 Цикл взвешивания 180 сек. Потреб.мощность 1,8
кВт.
|
Взвешивание сырья
|
2
|
|
2
|
Массоизмерительное
устройство ДВСТ-40
|
Предел взвешивания 15-40 кг
Объем ковша 0,1 м3 Цикл взвешивания 90 сек. Потреб.мощность 0,6
кВт
|
Взвешивание сырья
|
7
|
|
3
|
Магнитный валковый
сепаратор МВС-77 на редкоземельных магнитах
|
Производительность, т/ч,
при размере частиц, мм: 2,0……….2-3, 1,0………..до 2, 0,6………до 1,6. Максимальная
напряженность магнитного поля при зазоре 3 мм, кА/м…….1270
|
Обогащение и очистка
слабомагнитных сырьевых материалов
|
5
|
|
4
|
Сушильный барабан с
типоразмером 1200×6000
|
Объем сушильного
пространства 6,8 м3. Наклон 5%. Мощность электродвигателя 3,8 кВт.
|
Сушка сырьевых материалов
|
4
|
|
5
|
Тарельчатый смеситель
СТ-250
|
Производительность 3-4 т/ч.
Вместимость чаши 250 л. Мощность электродвигателя 4,5 кВт.
|
Смешивание сульфата и угля
|
1
|
|
6
|
Тарельчатый смеситель
СТ-700
|
Производительность 15 т/ч.
Вместимость чаши 700 л. Мощность электродвигателя 20 кВт.
|
Смешивание всех компонентов
шихты
|
2
|
|
7
|
Механический питатель МП-30
|
Тип питателя - стольные
|
Загрузка шихты в карман
печи
|
4
|
|
8
|
Ванная стекловаренная печь
|
Тип - регенеративная с
поперечным направлением пламени непрерывного действия. Производительность -
500 т/сут готового стекла. Кол-во пар горелок 6 шт.
|
Варка стекла
|
1
|
|
9
|
Регенераторы
|
Тип - вертикальный
секционный с насадкой чашечного типа.
|
Утилизация тепла отходящих
газов
|
12
|
|
10
|
Система разводки топлива и
воздуха на раздув по горелкам
|
Способ подвода газа -
нижний. Тип горелочных устройств - горелка газовая ГГР-2, диффузионная.
|
Подача газа к горелкам и
его сжигание. Возможность плавного регулирования расхода газа и подбора
оптимальных параметров пламени.
|
|
|
11
|
Система вдувания воздуха в
подсводное пространство студочной части печи
|
Вентилятор
Производительнос-тью 7200 м3/час. Мощность эл.двигателей 40 кВт.
|
Интенсификация студки
стекломассы, подготовка стекломассы к выработке.
|
|
|
12
|
Автоматизированная
пятиканальная система технологического контроля толщины ленты флоат-стекла в
режиме реального времени в горячей зоне печи отжига
|
|
Контроль толщины ленты
флоат-стекла в режиме реального времени в горячей зоне печи отжига
|
|
|
13
|
Водяные холодильники
|
Осевой, Боковые
ограничители шихты,
|
Для управления положения
шихты в варочной части печи.
|
1 2
|
|
|
Арочный,
|
Для защиты арки
загрузочного кармана
|
2
|
|
|
На пережиме
|
Для интенсификации процесса
студки стекломассы, усиления возвратного потока в варочную часть
|
2
|
|
14
|
Перемешивающее устройство
|
Две поперечные мешалки,
установленные на пережиме стекловаренной печи за холодильником
|
Для повышения однородности
(гомогенизации) стекломассы по химсоставу и температуре
|
2
|
|
15
|
Ванна расплава
|
Расход стекломассы 500
т/сут. Габаритные размеры: Длина-49926 мм. Ширина-8400 мм. Высота-3218 от
0,000. Установочная мощность электронагревателей 4768 кВт.
|
Формование ленты стекла
|
1
|
|
16
|
Растягивающие (утоняющие)
устройства МС-466 «Bottero»
|
|
Для предупреждения сужения
ленты, получения стекла различных номиналов.
|
8 раб. 2 рез.
|
|
17
|
Печь отжига ПОС-350
|
Тип печи - туннельная,
электрическая, непрерывного действия. Длина печи отжига 89650 мм. Длина зоны
воздушного охлаждения и обдува 89650 мм.
|
Отжиг ленты стекла
|
1
|
|
18
|
Конвейер транспортировки
ленты стекла
|
Скорость движения листов по
конвейеру, для толстых номиналов стекла 30 м/мин; для тонких номиналов 60
м/мин.
|
Транспортировка ленты
стекла
|
1
|
|
19
|
Механизм раскроя ленты
стекла АТ-533
|
|
Раскрой ленты стекла на
форматы, отрезка бортов от ленты стекла
|
4 раб. 4 рез.
|
|
20
|
Механизм отломки бортов
АТМ-533
|
|
Отломка бортов
|
2 лев. 2 рав.
|
|
21
|
Ротатор АТВ-533
|
|
Поворот листа на 90о
|
1
|
|
22
|
Автомат съемщик-укладчик
листов стекла АТК-533
|
Тип - с пневмоприсосками
|
Съем и укладка листов
стекла в тарные контейнеры
|
1
|
|
23
|
Подвесной однобалочный кран
|
Грузоподъемность 5т.
|
Перемещение различных
грузов в пределах цеха
|
3
|
|
24
|
Стол перереза «Hegla»
|
Производительность 6000 м2/смена
|
Перерез больших форматов на
меньшие листы
|
1
|
|
25
|
Мостовой кран
|
Грузоподъемность 50т.
|
Перемещение пирамид со
стеклом
|
1
|
|
26
|
Траверс типа «Краб»
|
Грузоподъемность 3т.
|
Перемещение пачки стекла на
пирамиду со стеклом
|
2
|
|
27
|
Шлаковая камера
|
3 вала из жаропрочной
легированной стали, 6 горелок с сернистым газам
|
Защита выходных отверстий
ВР от попадания кислорода и выравнивание тем-ры перед отжигом
|
1
|
3. Технология производства плоского стекла флоат-способом
Данная технология распространяется на листовое стекло, предназначенное
для остекления светопрозрачных строительных конструкций, средств транспорта, а
также изготовления стекол с покрытиями, зеркал, закаленных и многослойных
стекол и других изделий строительного, технического и бытового назначения.
Производство листового стекла флоат-способом является непрерывным процессом.
Загрузка шихты и стеклобоя в стекловаренную печь
Стекловарение(варка стекла в стекловаренной печи)
Формование(формование ленты на расплаве олова)
Отжиг(регулируемое охлаждение ленты стекла в печи отжига)
Концевые операции(раскрой на форматы, отрезка и отломка бортов, дробление
бортов, поворот листа стекла на 90о, контроль качества листов стекла
на конвейере, нанесение прокладочного материала, съем и упаковка).
Схема 1. Технологическая схема процесса производства листового стекла
флоат-способом
Подготовка сырьевых материалов. В настоящее время, как
правило, основные сырьевые материалы, поступающие на стекольные заводы, не
могут быть использованы для составления стекольной шихты без предварительной
подготовки. Поэтому на большинстве действующих заводов имеются специальные
составные цехи, в которых производится их обогащение, сушка, измельчение и
просеивание.
При этом такие материалы, как известняк, доломит и
мел, подвергают дроблению, сушке, помолу, грохочению и магнитной сепарации, а
песок в дополнение к этим операциям часто требует более сложной обработки по
его обезжелезнению.
Выгрузка и складирование сырьевых материалов
Обработка и хранение сырьевых материалов
Дозирование и смешивание компонентов
Подача шихты в бункера - накопители
Транспортирование шихты в бункера загрузочного кармана
ванной стекловаренной печи
Схема 2. Технологическая схема производства подготовки
шихты.
В данном дипломном проекте было принято решение
запроектировать использование магнитных валковых сепараторов на редкоземельных
магнитах для обогащения и очистки песка, полевого шпата и других компонентов
шихты от содержащегося в них железа.
Сепаратор представляет собой заключенный в корпус
мини-конвейер с распределяющей системой подачи материала и устройством
разделения потоков по магнитным свойствам. Основная часть сепаратора - ведущий
магнитный валок с магнитной индукцией на его поверхности от 1,1 до 1,5 Тл.
Редкоземельный магнитный валок используется как ведущий шкив, тонкая лента
служит транспортирующим элементом и соединяет ролик с немагнитным ведомым
шкивом. Транспортирующим элементом является тонкая, заполненная графитом
кевларовая лента с внешним тефлоновым покрытием, которая обладает высокой
износостойкостью и позволяет максимально снизить потери магнитной индукции. В
результате магнитная индукция на поверхности рабочей зоны составляет от 1,0 до
1,7 Тл. Благодаря консольной конструкции один механик может быстро заменить
ленту (на это затрачивается менее 5 мин). Сепаратор оснащен частотным приводом
регулировки скорости прохождения сепарируемого материала, смотровым окном,
отверстиями для аспирации и дистанционным пультом управления.
Сепарируемый материал подается вертикально на
распределяющее вибрирующее устройство, создающее равномерный слой продукта в
зоне действия магнитного поля. Движущейся лентой продукт переносится на
магнитный ролик в зону сепарации. Когда сепарируемый материал входит в область
действия магнитного поля, магнитные и (или) парамагнитные частицы притягиваются
к валку, меняя тем самым свою траекторию движения, и отсекаются системой
распределения потоков, а весь немагнитный материал продолжает движение по
естественной траектории.
Редкоземельные валковые магнитные сепараторы в
зависимости от технологических особенностей изготавливают в 1-, 2- и 3-уровневых
версиях с немагнитным или магнитным повтором.
В случаях, когда влажность песка превышает 4-4,5%, его
сушат обычно в сушильных барабанах, хотя применяют и другие устройства
(шахтные, трубчатые и другие сушилки).
Для удаления из песка крупных зерен и включений его
просеивают (грохочение), что является обычно вспомогательным процессом при
обогащении. Для просеивания песка применяют вибрационные, барабанные и другие
грохоты с ситами, имеющими 81 отв./см2.
Подготовка доломита, известняка и мела включает в себя
магнитную сепарацию.
Приготовление стекольной шихты. Стекольную шихту
приготовляют путем тщательного перемешивания предварительно подготовленных и
строго отвешенных (отдозированных) порций сырьевых материалов.
Шихта должна быть строго однородной по своему составу,
т. е. в каждом участке шихты соотношение сырьевых материалов должно быть
одинаковым и соответствовать заданному рецепту. Допустимые отклонения по весу
отдельных компонентов от заданного состава не должны превышать:
Сода............ ………………… 1,00%
Сульфат....... ………………… 1,00%
Доломит и известняк в сумме… 1,00%
Влажность... ………………… 0,50%
Влажность содовой шихты должна быть 2 -4%, а сульфатной 5 - 7%
Шихту приготовляют в составных цехах, работающих по
вертикальной схеме. По этой схеме бункера с сырьевыми материалами располагаются
в один ряд. Емкость каждого бункера определяется суточной потребностью завода в
каждом компоненте. Под каждым бункером смонтирован автоматический весовой
дозатор. Под дозаторами устанавливают ленточные транспортеры.
Вначале отвешивается песок, который при помощи
транспортера направляется в смеситель. После этого туда подается строго
отмеренное количество воды из дозатора. Через определенное время, необходимое
для равномерного увлажнения песка, отвешивают и подают в смеситель доломит,
известняк и соду. Отдозированные сульфат и уголь при помощи транспортера
направляются в смеситель. Готовая сульфатоугольная смесь транспортером подается
в общий смеситель.
После перемешивания готовая шихта самотеком подается в
расходные бункера.
Для перемешивания шихты широкое распространение на
стекольных заводах получили скоростные тарельчатые смесители периодического
действия, обладающие высокой производительностью и обеспечивающие достаточную
гомогенизацию шихты. Применяются также смесители барабанного типа.
Шихту следует загружать в печь в виде гряд или
небольших кучек высотой 100-250 мм. Такая подача обеспечивается при помощи
механических питателей с несколькими отдельными бункерами и столами,
расположенными по ширине загрузочного отверстия (кармана).
Варка стекла производится в ванной стекловаренной
регенеративной печи непрерывного действия с поперечным направлением пламени.
Для отопления печи используют природный газ, место рождение Саратовская
область.
Варка стекла является процессом многостадийным
превращения твердых сырьевых материалов в жидкую стекломассу.
Процесс варки стекла состоит из 5 стадий:
· силикатообразование;
· стеклообразование;
· осветление;
· гомогенизация;
· студка.
Стекловарение протекает при высоких температурах
1400-1500оС в движущейся вязкой среде (стекломассе) переменного и
сложного состава и зависит от состава стекла, условий теплообмена, характера
движения стекломассы и газов.
Силикатообразование - компоненты шихты взаимодействуют
и претерпевают физические и химические изменения. К концу стадии большинство
газообразных веществ из шихты улетучивается, основные химические реакции между
компонентами шихты заканчиваются, шихта превращается в спекшуюся массу,
состоящую из силикатов и кремнезема. Для натрий-кальций-силикатных стекол
стадия завершается при температуре 900…1150°С. Повышение температуры ускоряет
силикатообразование;
стеклообразование - начинается плавление спекшейся
массы, взаимное растворение компонентов и кремнезема. К концу стадии
стекломасса становится прозрачной, без непроверенных частиц шихты, однако она
еще пронизана большим числом пузырей и свилей, содержит не растворившиеся зерна
кремнезема и продолжает оставаться химически неоднородной. Обычно эта стадия
завершается при температуре 1150…1250°С. Повышение температуры, применение
перемешивания ускоряют процессы стеклообразования;
осветление - стекломасса, становясь менее вязкой,
освобождается от видимых газообразных включений. Стадия заканчивается при
1450…1550°С и вязкости стекломассы 7…20 Па-с. Осветление ускоряется при повышении
температуры, уменьшении толщины слоя стекломассы, добавке осветлителей,
бурлении;
гомогенизация - стекломассу выдерживают при высоких
температурах или перемешивают. К концу стадии она освобождается от свилей и
становится однородной. Обычно гомогенизация протекает одновременно с
осветлением;
охлаждение - температуру стекломассы снижают на
200…300°С, чтобы получить необходимую для выработки изделий вязкость.
Охлаждение стекломассы производится с помощью
введенных в стекловаренную печь водяных холодильников, мешальных устройств и
подачи воздуха в подсводовое пространство студочного бассейна.
После прохождения всех выше перечисленных процессов
стекломасса поступает на формование ленты стекла. Формование ленты
осуществляется в ванне расплава. Ванна расплава представляет собой тепловой
агрегат, содержащий слой расплавленного металла (олова), защитную
восстановительную атмосферу, средства подачи и формования стекломассы, вывода
ленты стекла из ванны расплава, КИП.
Ванна расплава имеет огнеупорную футеровку,
выполненную из шамотных брусьев. Огнеупоры свода крепятся к раме кожуха. Срок
службы огнеупоров ванны расплава до капремонта не менее 10 лет.
Процесс формования ленты стекла на расплаве металла
включает следующие стадии:
· регулируемую подачу стекломассы на поверхность
расплавленного металла;
· активное формование;
· охлаждение готовой ленты.
По длине ванна расплава разделена на 16
технологических зон, из которых 8 широких (с 1ой по 8ую
зоны), 3 средних (с 9ой по 11ую зоны) и 5 узких (с12ой
по 16ую зоны).
Толщину и скорость формования ленты стекла
регулируется с помощью растягивающих (утоняющих) устройств.
В боковых стенках кожуха свода имеются окна для
вставки и выемки нагревателей. В боковых стенках между бассейном и подвесной
стеной имеется промежуток, заполненный герметизирующими вставками. Основное
тепло в ванну вносится стекломассой поступающей из стекловаренной печи.
Регулирование температуры в процессе формования ленты стекла осуществляется
сводовыми электрическими нагревателями, расположенными на специальной керамике.
Для защиты олова от окисления используется защитный газ (смесь азота и
водорода), находящийся в ванне под небольшим избыточным давлением. Количество
кислорода в защитном газе не должно превышать 0,0001%. Азото-водородная смесь
для защитной атмосферы подается по трубопроводу из азото-водородной станции.
Вывод ленты стекла из ванны расплава осуществляется с перегибом при поднятии
ленты стекла на приемные валы шлаковой камеры.
Шлаковая камера является промежуточным конструктивным
элементом между ванной расплава и печью отжига. Ее основное назначение защита
выходного отверстия ванны от проникновения кислорода в ванну и осуществления
выравнивания температуры и предварительного охлаждения ленты перед отжигом.
В шлаковую камеру, под второй и третий вал под углом к
образующей вала подается сернистый газ. Обработка стекла сернистым газом
производится с целью защиты поверхности стекла от повреждения на валах печи
отжига и предотвращает загрязнение валов оксидами, выносимыми нижней
поверхностью ленты стекла.
В данном дипломном проекте я рекомендую установить
автономный привод на валы шлаковой камеры для осуществления профилактических
работ по состоянию валов в непрерывном режиме не давая негативных последствий
на качество выпускаемой продукции.
После формования лента стекла проходит отжиг. Отжиг
ленты стекла осуществляется в печи отжига, имеющий корпус, футерованный
теплоизоляцией, и снабженный системой транспортирования и охлаждения ленты
стекла, электрообогревом и КИП. Процесс отжига листового стекла включает
следующие основные стадии:
· предварительное охлаждение;
· ответственный отжиг;
· ускоренное охлаждение.
Печь отжига обеспечена системой автоматического
аварийного переключения приводов на питание от аккумуляторной батареи.
После прохождения печи отжига лента стекла проходит
под «темной» кабиной, где с помощью полярископа можно оценить качество отжига
ленты стекла.
После «темной» кабины на конвейере установлены балки
обдува ленты стекла, предназначенные для охлаждения ленты после печи отжига до
70 - оптимальная температура для резки стекла.
В данном дипломном проекте после балок обдува на
конвейере, я рекомендую установить устройство позволяющее контролировать
прочность ленты стекла на изгиб в режиме реального времени, что даст большой
положительный эффект в системе качества предприятия (см. раздел НПР).
Конвейеры транспортировки ленты и листов стекла имеют
скорости, соответствующие скорости перемещения ленты стекла в печи отжига и
обеспечивающий его транспортировку в широком диапазоне скоростей выработки.
Раскрой ленты стекла на листы проводится с точностью, соответствующей ГОСТ
111-2001 и технических условий на вырабатываемую продукцию.
Концевые операции:
· раскрой стекла на форматы на конвейере
· отрезка и отломки бортов на
конвейере;
· нанесение прокладочного материала;
· поворот листа стекла на 90о;
· контроль качества листов стекла на
конвейере;
· упаковка листов стекла, хранение и
отгрузка.
Нанесение прокладочного материала, укладка, маркировка
и упаковка нарезанного стекла осуществляется в соответствии с НТД.
Раскрой ленты стекла на заданные форматы осуществляется на конвейере с
помощью балок раскроя (продольных и поперечных), при этом контролю подлежат все
линейные размеры, и форма листа стекла. Угол заточки отрезного ролика при
различных толщинах ленты стекла различен: при 4 мм - 135о; при 5 мм
- 140о; при 6 мм - 145о; при 8-10 мм - 154о.
Для улучшения качества реза вместе с прохождением ролика реза наносится
расклинивающая жидкость АСРЕ 5250. После этого производится отломка бортов и отрезанного
листа заданного формата специальными устройствами.
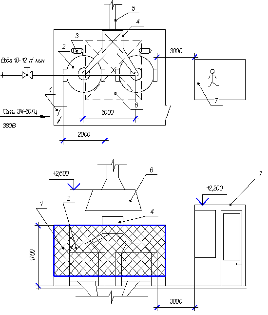
Рис.1 Бортоотломная машина
Контроль проделанных операций рекомендую проводить устройствами
приведенными в разделе НПР (см. ниже).
Перед отрезкой лента проходит контроль на наличие дефектов на листе,
контроль осуществляют контролеры, находящиеся по обе стороны конвейера в
специальных оборудованных кабинах. Если участок ленты стекла заданного формата
отвечает требованиям ГОСТ 111-2001, то эта лента продолжает движение по
рольгангу до поста отрезки, где от нее отрезается лист заданного формата
3210х6000 мм, в противном случае, контролер подает сигнал на балки резки для
отрезки лита меньшего формата 3210х2500 мм. Также подается сигнал на ротатор с
помощью пульта управления, и ротатор поворачивает лист меньшего размера на 90о
и направляет его по рольгангу на стол перереза «Hegla», где они перерезаются - из них вырезают дефект
(включение) и упаковываются в тару.
Рис. 2 Ротатор
Отрезанные листы движутся по конвейеру под кабиной напыления
прокладочного материала
После чего листы заданного формата движутся на пост съема-упаковки, где
производится съем и установка листа в пачку на промежуточную пирамиду с помощью
специального автомата укладчика, оборудованного пневмоприсосками. Пачка
набирается из 15 листов, после чего эта пачка с помощью специального траверса
типа «Краб» устанавливается на пирамиду, на которой будет транспортироваться
готовая продукция на дальние расстояния, данная пирамида будет состоять из 7
таких пачек по 15 листов. Между пачками помещаются полосы из пенопласта, для
предотвращения разрушения листов во время перевозки, пачка устанавливается под
углом 5о к вертикали.
Рис. 3 Стол перереза «Hegla»
Рис. 4 Траверс типа «Краб»
Рис.5 Укладчик и промежуточная пирамида
Перевозка пачек такого большого формата «Джамбо-Сайз» осуществляется на
специальных оборудованных автомобилях - инлоудерах, имеющих автономную подвеску
на каждое колесо вместо осевого моста. Пирамида, находящаяся в прицепе машины
зажимается пневмозадвижками, щупы которых покрыты мягкой резиной.
Рис. 6 Автомобиль - инлоудер
Рис. 7 Погрузка пирамиды со стеклом в инлоудер
Погрузку пирамиды со стеклом в инлоудер осуществляется самостоятельно
самим инлоудером, путем наезда прицепом на пирамиду (см. рис. 7).
Главным требованием ко всему технологическому
оборудованию является надежность и непрерывность (бесперебойность) работы.
4. Теплотехнический расчет
Стекловаренная регенеративная стекловаренная ванная печь непрерывного
действия.
Исходные
данные
. Производительность печи - 500 т/сутки.
. Шихта - содосульфатная.
Влажность шихты - 5,2 %.
Обратный бой - 15 %.
Топливо
- природный газ 
ккап/nм
.
.
Основные параметры сжигания топлива:
а)
Расход воздуха при
1,2 составляет - 11,3 пм
/пм
.
б)
Выход продуктов горения - 12,3 пм
/пм
.
.
Максимальная температура варки - 1590 °С.
Составление
теплового баланса печи и определение часового расхода топлива
Приход тепла.
. Потенциальная энергия топлива - 8500 В ккал/час, где В - часовой расход
топлива.
. Физическое тепло воздуха, нагретого до 850 °С,
В ккал/час
Итого приход: 11680 ккал/час.
Расход тепла.
. Унос с дымовыми газами при t = 1580 °С
12,3
1580
0,38
В = 7385 В ккал/час.
. Расход тепла на стеклообразование
(0,85х370х500х103)/24= 6,552
106 ккал/час,
где 0,85 - коэффициент, учитывающий количество обратного боя; 370 ккал/кг
- расход тепла на термохимические реакции и реакции агрегации для получения 1
кг стекломассы из шихты; 500 т- часовая производительность.
. Тепло, уносимое производственным потоком стекломассы при t = 1200 °С
((500х103)/24)х360=7,5х106 ккал/час,
где 360 ккал/кг - теплосодержание 1 кг стекломассы при t = 1200 °С.
. Излучение во влеты горелок:
= 1600 °С; t
=1350°C
,88х5,54х[(1873/500)4-(1623/500)4]=2,32х106
ккал/час
Суммарная площадь F = 5,54 м2
. Излучение в щель загрузочного кармана
= 1470 °С; t
=60°C.
Площадь щели загрузочного кармана:
х0,21=1,47 м2
Коэффициент диафрагмирования при отношении высоты щели к толщине стены,
равном
,23 : 0,5 = 0,46 - 0,46:
,88х1,47х0,45х((1743/500)4-(333/500)4)=0,353х106
ккал/час
. Потери ограждениями печи (см. таблицу потерь)
,3х106 ккал/час
Итого расход:
Составление уравнения теплового баланса
В=7385В+7,7х106
В=(7,7х106)/4295=1800нм3/час
С учетом потерь с выбивающимися газами, с излучением через отверстия,
связанные с износом печи, принимаем расход топлива, увеличенный на-5 %
В=1800х1,05=1890 нм3/час
Тепловая мощность
х1890=16х106 ккал/час
Расчет потерь
тепла в окружающую средуТаблица 4.1
|
Исходные данные
|
Результаты расчета
|
|
№№ n/n
|
Элемент печи
|
Материал
|
Толщина
|
Температура Внутр.
Поверхн.
|
Поверхность
|
Температурааружной стенки
|
Температура на границах
слоев
|
|
Потери тепла
|
|
|
|
|
|
|
|
|
|
|
t
Ft
t
|
к=1,2,..,n-1q
|
|
|
|
|
|
|
|
|
|
|
м
|
°C
|
°С°C Ккал/час
|
|
|
|
|
|
1
|
2
|
3
|
4
|
5
|
6
|
7
|
8
|
9
|
10
|
|
Варочная часть
|
|
1.
|
Свод
|
стеклодинас.
|
0,4
|
1540
|
140
|
|
|
5250
|
735
|
|
2.
|
Стены верхние
|
бакор 37
|
0,3 0,2
|
|
9,4
|
|
|
5500
|
52
|
|
3.
|
Стены верхние
|
0,2
|
1500
|
25
|
|
|
4000
|
100
|
|
4.
|
Стены бассейна
|
бакор 37
|
0,2
|
|
4,1
|
обдувается
|
17700
|
72,5
|
|
4a.
|
- “ -
|
- “ -
|
0,2
|
1400
|
8,2
|
|
|
14300
|
117
|
|
5.
|
Стены бассейна
|
бакор 37
|
0,25
|
|
2,8
|
обдувается
|
17700
|
50
|
|
5a.
|
- “ -
|
- “ -
|
0,25
|
1380
|
5,6
|
|
|
14200
|
80
|
|
6.
|
Стены бассейна
|
бакор 41
|
0,3
|
1350
|
39
|
обдувается
|
11800
|
460
|
|
7.
|
Стены бассейна
|
бакор 37
|
0,25
|
1380
|
4,5
|
обдувается
|
14200
|
64
|
|
8.
|
Дно
|
многошамот. бакор 37
|
0,4 0,1
|
1220
|
140
|
|
|
2300
|
320
|
|
9.
|
Заклинки и заслонки
|
стеклодинас.
|
0,23
|
1420
|
3,0
|
|
|
6300
|
19 2070
|
Расчет
теплового баланса студочной части печи
В расчете студочная часть печи принята от 1,5м от оси последней горелки
до начала сливного канала.
1. Расчет средневзвешенной температуры верхнего выработочного
потока стекломассы градиентным методом
Таблица 4.2
|
Участки
|
Расчетные величины
|
Примечание
|
|
Температура стекломассы в
сливочном канале
|
1150 С
|
|
Мелкая часть студочного канала Ширина-3,75 м:
Глубина-0,6 м: длина-2,5 м:
∆t=14,3
C/м
|
14,3х2,5=37,75оС
|
|
|
|
Глубокая часть студочного канала
|
Ширина-3,75 м; Глубина-0,9
м; Длина- 2,5 м; ∆t=13,1 оС/м 13,1х2,5=33оС
|
|
|
Заградительное устройство
по Стекломассе
|
Заглубление по
стекломассе-0,25 м. Падение температуры-0,25оС
|
|
|
Суммарный перепад Температур
|
213оС
|
|
|
Температура стекломассы В
начале пережима
|
1365оС принимаем
1365оС
|
|
. Тепловой баланс глубокой части студочного канала
Приход тепла
1. С производственным потоком стекломассы при t= 1365 °С
((500х103)/24)х430=8,958х106 ккал/час
ккал/кг - теплосодержание стекломассы при t = 1365 °C.
. С конвективными потоками при t = 1365 °С
g
430
ккал/час.
.
Излучением из варочной части
4,88хFxΨх((tвар+273)4/500-(tстуд+273)4/500)=
=4,88х1,79х1х(134,6-97,96)=0,32х106
ккал/час
F=(0,41+0,0952/3)х3,75=1,75
м2
= 1,0-
коэффициент диафрагмирования;
t
=1430 °C - температура излучения газовой среды варочной части.
t
= 1300 °C- температура излучения газовой
среды студочной части.
Итого
приход: 430
G
+2х10
ккал/час.
Расход тепла
. С производственным потоком стекломассы при t = 1280 °C
(500х103)/24х395=8,23х106 ккал/час
ккал/кг - теплосодержание стекломассы при t = 1280 °C..
. С обратными конвективными потоками при t = 1280 °C
G
395 ккал/час.
.
Потери ограждениями глубокой части студочного канала печи
,657
10
ккал/час.
.
Потери тепла охлаждаемым заградительным устройством
,1
10
ккал/час.
.
Излучением из глубокой части
,88хFстxΨх((t1+273)4/500-(t2+273)4/500)=
=4,88х4х1х(61220-58170)=0,17х106
ккал/час
F=3,75
(0,735+0,5
2/3)=4 м
.
Итого
расход: 395
G
+ 2,957
10
ккал/час.
Составляем
уравнение теплового баланса
G
+2
10
=395 G
+ 2,367
10
Мощность
конвективного потока
Gk=(2.367-2)x106/(430-395)=10.5
T/час
Мощность производственного потока
G=100/24=4,16
т/час.
Кратность потока
N=(G+G
)/G=(10,5+4,16)/4,16=3,5.
.
Тепловой баланс мелкой части студочного канала
Приход тепла
1. С производственным потоком
стекломассы при t= 1280 °
(500
10
)/24х395=8,23
10
ккал/час.
1. С конвективными потоками при t = 1280 °C
G
395
ккал/час.
1. С излучением из глубокой части
студочного бассейна
,06 ккал/час.______________
Итого
приход: 395 G
+ 1,71
10
ккал/час.
Расход тепла
1. С производственным потоком
стекломассы при t == 1150 °С
(500х106)/24х332=6,92х106 ккал/час
ккал/кг - теплосодержание стекломассы при t = 1150 °С.
. С конвективными обратными потоками стекломассы при t = 1200 °С
G
358
ккал/час.
ккал/кг
- теплосодержание стекломассы при t = 1200 °С. 3. Потери
ограждениями мелкой части студочного канала печи 0,33
10
ккал/час.
Итого
расход: 358 G
+ 1,71
10
ккал/час.
Составляем
уравнение теплового баланса:
G
+1,71
10
=358G
+1,71
10
.
Мощность
конвективного потока:
(1,71-1,71)х106/395-358=0
Потери
в мелкой части студочного бассейна компенсируются теплом, оставляемым
выработочным потоком.
В целях улучшения условий осветления и дальнейшей студки стекломассы за
зоной пережима печи (за 6ой парой горелок) глубина бассейна
уменьшается за счет поднятия дна на высоту равную высоте одного донного бруса.
В конструкции печи предусматривается изоляция стен и свода.
Для увеличения покрытия зеркала стекломассы пламенем
максимально расширяются влеты 2, 3 и 4-й пары горелок с уменьшением размера
простенков между влетами.
Для улучшения передачи тепла от факела к стекломассе и
увеличения покрытия зеркала стекломассы пламенем предусматриваются бакоровые
влеты с наклонным к стеклу сводом, скосами подпятников для расширения влетов в
сторону печи и установка скошенного зуба. Для увеличения срока службы стен
бассейна по центральной продольной оси в загрузочный карман введен осевой
металлический холодильник, охлаждаемый потоками холодной воды.
Варочная часть отделяется от студочной по газовой
среде плоской аркой, расположенной в торцевой стене, по стекломассе -
погруженным заградительным устройством - металлическими холодильниками (2 шт.)
с водяным охлаждением. Для улучшения однородности стекломассы за погруженным
устройством устанавливаются два мешальных агрегата.
Конфигурация студочной части должна обеспечить ликвидацию застойных
участков за счет ее постоянной ширины 7990 мм по всей длине. Для ускорения и
регулировки процессов студки предусматривается принудительная подача воздуха в
подсводовое пространство.
Стены бассейна и газового пространства варочной части
изолируются. Изоляция не доходит до верха бассейна на 250 мм, что позволяет
интенсивно обдувать верхнюю часть бруса, наиболее подверженную разъеданию.
Глубина бассейна 1500 мм. Дно печи выложено из
многошамотного бруса с выстилкой из бакоровой плитки, дно печи имеет подъем на
300 мм в районе пережима. Для получения стекла высокого качества при
высокотемпературной варке печь выкладывается из высококачественных огнеупоров.
Стены бассейна варочной части в зоне максимальных
температур выполняются из целиковых брусьев высотой 1500 мм из бакора - 41,
остальная часть стен бассейна варочной и студочной частей выкладывается из
бакора - 33. Угловые брусья варочной части, как сильно изнашивающиеся, из
бакора - 41 и выполняются с окатанными гранями, которые будут направлены в
сторону стекломассы для минимизации появления огнеупорных включений в стекле в
последствии.
Свод варочной части, торцевые стены, плоские арки и
стена газового пространства за 4-й парой горелок выкладываются из стекольного
динаса повышенной плотности. Свод варочной части в зоне осветления изолируется
легковесным шамотом. Арка загрузочного кармана выполняется из бакора - 33.
Свод и стены газового пространства студочной части
выполняются из стекольного динаса. Влеты горелок, выстил подины, щечки
горелок - из бакора - 33. Свод горелок - из стекольного динаса повышенной
плотности. Своды и разделительные стены регенераторов в верхней части - из
стекольного динаса.
Насадка регенераторов - из периклазовых кирпичей П-91
и П-90 (ГОСТ 4689-94) производства комбината "Магнезит", что позволит
продлить срок службы насадок без замены до 3,5 - 4 лет, а в отдельных случаях -
до 5лет.
Рис.8 Насадочный периклазовый кирпич: а)П-91 и б)П-90.
Для увеличения КПД печи было принято решение поднять кладку насадки
(увеличить его объем) до уровня низа горелочных косоуров, это позволит при
данном типе насадок увеличить КПД до 50%.
5. Автоматические системы производства
Автоматизация производственных процессов является наиболее эффективным
направлением повышения производительности труда. Технически грамотно
осуществленная автоматизация производства, кроме того, высвобождает большое
количество рабочих, резко увеличивает выпуск готовой продукции, улучшает ее
качество, значительно снижает себестоимость. Однако автоматизация требует
определенных затрат, в некоторых случаях которые могут оказаться настолько
крупными, что не окупятся или окупятся в очень длительный срок.
При автоматизации производства различают автоматический контроль и
автоматическое управление, при автоматизации тепловых процессов (как в данном случае)
наиболее широко применяют автоматическое регулирование, которое является
разновидностью автоматического управления и заключается в поддержании равенства
регулируемого параметра его установленному значению.
В данном производстве осуществляется автоматический контроль
приготовлении и засыпки шихты в печь, контроль температуры воды в водяных
холодильниках, контроль подачи и охлаждения воды на растягивающие машины,
контроль температур по ванной печи и ванне расплава и печи отжига, контроль
уровня стекломассы, контроль разряжения перед трубой, контроль толщины ленты в
горячей зоне печи отжига, контроль прочности ленты стекла в режиме реального
времени, контроль геометрических параметров отрезанных листов. А также
автоматическое регулирование тепловыми процессами: расход природного газа по
горелкам, расход воздуха на горение, расход защитной атмосферы в ванне
расплава, скорость выработки ленты стекла, скорость загрузки шихты в карман
ванной печи, скорость валов шлаковой камеры, степень циркуляции воздуха в печи
отжига, резки ленты стекла на форматы, съем и упаковка листов в пирамиду.
Автоматизированное регулирование является более сложным видом
автоматизации, чем автоматический контроль или автоматическое управление.
Состоит автоматическое регулирование из регулируемого объекта и автоматического
регулятора. Последний в свою очередь состоит из регулирующего устройства,
исполнительного механизма и задатчика. Непосредственно с объектом соединен
измерительный преобразователь и регулирующий орган.
На примере автоматического регулирования теплового процесса отжига ленты
стекла можно выделить: объект регулирования - печь отжига, регулируемый
параметр - температура в печи. Измерительным преобразователем являются
термопары, установленные в нижней и верхней частях рабочей зоны печи.
Усилительным устройством служит электромагнитное реле, исполнительным
электродвигатель печи. Все средства контроля подключены к компьютерной системе,
которая записывает все параметры в тренды истории.
Устойчивость систем автоматического регулирования является необходимым
условием их нормального действия. Под устойчивостью понимают свойство системы
возвращаться к установившемуся состоянию после прекращения действия возмущения,
которое вывело ее из этого состояния.
Помимо устойчивости к переходному процессу системы автоматического
регулирования предъявляются требования, обуславливающие его качественные
показатели. Различают следующие показатели качества: максимальное отклонение
регулируемой величины, величина перерегулирования, погрешность регулирования,
время регулирования.
Максимальное отклонение регулируемой величины чем, меньше, тем выше
качество регулирования.
Величина перерегулирования не должна превышать максимально допустимого
значения. При переходе из одного установившегося состояния в другое,
регулируемая величина приближается к новому значению, не выходя за пределы
ограниченные новым и старым значениями, или выходит за них, тогда и наступает
перерегулирование. Чем больше перерегулирование, тем более колебательным и
продолжительным будет процесс.
Погрешность регулирования - это отклонение регулируемой величины от
заданного значения. Она состоит из динамической части, являющейся
дополнительной ошибкой регулирования, и статической, которая складывается из
двух составляющих. Первая обусловлена причинами вызывающих нечувствительность
регулятора. Вторая это статическая ошибка, зависящая от конструкций системы
автоматического регулирования и ее нагрузки.
Время регулирования - это промежуток времени переходного режима от
момента приложения воздействия к системе регулирования и до момента, когда
регулируемая величина входит в зону нечувствительности.
6. Качество продукции
.1 Система менеджмента качества
Переход России к рыночной экономике, конкурентная среда в условиях рынка
обязывают руководителей стекольных производств уделять большое внимание
проблемам качества. Серьезная конкурентная борьба обусловила в странах с
развитой рыночной экономикой разработку программ повышения качества. Возникла
необходимость выработки объективных показателей для оценки способности фирмы
производить продукцию с необходимыми качественными характеристиками. Эти
характеристики подтверждаются сертификатом соответствия на продукцию. Многие
фирмы - производители стекла имеют системы качества, на различных предприятиях
они индивидуальны. тем не менее, мировая наука и практика сформировали общие
признаки построения таких систем, которые изложены в стандартах ISO серии 9000
и в отечественном аналоге ГОСТ Р ИСО 9001: 2001 Системы менеджмента качества.
Требования.
ГОСТ рекомендует использовать модель системы качества (СМК), основанную
на процессном подходе. При этом организация должна определить ответственность
руководства и обеспечить СМК требуемыми ресурсами: человеческими,
инфраструктурой и производственной средой.
Процессы жизненного цикла продукции включают: планирование процессов
жизненного цикла, процессы, связанные с потребителями, проектирование и
разработку, процесс закупок, процессы производства и обслуживания, управление
устройствами для мониторинга измерений.
Способность предприятия достигать своих целей, обеспечивая
конкурентоспособность выпускаемой продукции, определяется действующей на нем
системой организации и управления - системой менеджмента качества. Система
менеджмента качества представляет собой совокупность взаимосвязанных и
взаимодействующих элементов для разработки политики и целей в области качества
и достижения этих целей посредством скоординированной деятельности по выбору ее
направления и управлению организацией применительно к качеству.
Поэтому на проектируемом производстве разработана, внедрена и
поддерживается в рабочем состоянии система менеджмента качества в соответствии
с МС ISO 9001:2001, ГОСТ Р ISO 9001:2001.
С целью повышения результативности управления предприятием применяется
процессный подход и определены процессы системы менеджмента качества. Все
процессы по степени их влияния на получение добавленной стоимости
классифицируются:
- бизнес-процессы, непосредственным результатом которых является
выпуск продукции и получение прибыли;
- поддерживающие процессы, результатом которых является создание
необходимых условий для осуществления бизнес-процессов;
процессы менеджмента, результатом которых является повышение
результативности и эффективности бизнес-процессов и поддерживающих процессов.
Для каждого процесса, с учетом цели деятельности, установлены критерии
качества процесса. Методы измерения, периодичность измерения процессов,
инструменты и методы мониторинга, методы анализа процессов установлены в картах
процессов.
Руководство данного предприятия несет полную ответственность за внедрение
и функционирование системы менеджмента качества. Ответственность высшего
руководства включает:
· обеспечение ориентации на потребителя;
· обеспечение Политики в области качества и обеспечение ее
понимания на всех уровнях организации;
· установление целей в области качества;
· планирование в рамках СМК;
· формирование организационной структуры, распределение
ответственности и полномочий;
· проведение анализа со стороны руководства;
· обеспечение ресурсами.
В основе деятельности предприятия лежит принцип «Фокус на потребителя»,
внедрение которого обеспечивается путем:
o наличие в Политике качества обязательств по соответствии
продукции требованиям потребителя;
o наличие в Целях в области качества задач, связанных с
достижением требований потребителя, повышением удовлетворенности потребителя;
o изучение и определения требований потребителей посредством
анкетирования, проведения конференций потребителей;
o разработки и осуществление мероприятий по достижению требований
потребителя;
o тщательного рассмотрения рекламаций потребителя и
осуществление корректирующих и предупреждающих действий;
o пропагандистской работы с персоналом по разъяснению важности
выполнения требований потребителя и завоевания его лояльности.
Политика в области качества сформулирована высшим руководством на основе
бизнес-стратегии и изложена далее. При анализе СМК Политика в области качества
рассматривается генеральным директором на ее пригодность. Руководители
подразделений доводят Политику до сведения всех работающих через:
- вывешивание текста Политики в подразделениях;
- обсуждение на собрании коллективов предприятий, днях качества у
генерального директора;
систему обучения персонала.
Реализация политики в области качества осуществляется путем разработки и
выполнения целей и планов качества.
Политика в области качества.
Руководство предприятия считает своей основной задачей проведение
следующей политики в области качества:
Полное удовлетворение потребителей поставленными точно в срок и по приемлемой
цене конкурентоспособными изделиями и услугами, соответствующими требованиям и
ожиданиям потребителей или превосходящих их по качеству.
Пути достижения поставленной цели:
ü Необходимо принять роль потребителя для предприятия как
источник жизненной силы, так как процветание и развитие предприятия зависит от
его денег. Качество - это понимание и удовлетворение запросов потребителей.
Потребитель - прежде всего.
ü Непрерывное совершенствование на всех этапах производства.
Вовлечение в создание качества каждого работника предприятия. Наилучшее
использование возможностей людей ведет к постоянному улучшению деятельности
всей организации. Качество обеспечивается профессионалами на каждом месте. Путь
к совершенству не имеет конца.
ü Направлять усилия работников на предотвращение ошибок, а не
на их исправление. Создавать потребность бездефектной работы. Качество
необходимо не контролировать, а создавать.
ü Долгосрочное и взаимовыгодное сотрудничество с поставщиками.
Качественная продукция может быть произведена только из качественного сырья,
материалов и услуг. Работая с поставщиками, мы работаем над качеством нашей
продукции.
ü Внедрение и постоянное улучшение системы менеджмента качества
как совокупности взаимосвязанных процессов, оказывающих влияние на формирование
качества продукции. Внедрение действенной системы качества - кратчайший путь к
успеху.
Считать обязанностью и делом чести каждого работника предприятия
выполнение Политики в области качества.
Ежегодно руководством составляются цели по качеству и утверждаются лица,
ответственные за их достижение. Подразделения, исходя из ежегодных целей
предприятия с учетом своего вклада в их выполнение и с целью реализации
Политики в области качества, разрабатывают цели по качеству для подразделений.
Для реализации установленных целей в каждом подразделении разрабатывают планы
качества, которые определяют пути, средства и меры достижения целей. Контроль
за выполнением планов качества осуществляет лицо, ответственное за достижение
целей по качеству и заместитель генерального директора по качеству. По
окончанию выполнения планов качества составляется отчет. Если цель по качеству
не достигнута, разрабатываются корректирующие действия.
Руководство осуществляет контроль и анализ СМК, что является составной
частью анализа результативности и эффективности деятельности предприятия,
который проводится по направлениям:
- финансово-экономическая деятельность;
- производственная деятельность;
удовлетворенность потребителя;
персонал;
результативность СМК.
Фактически достигнутые показатели обсуждаются и анализируется по
процессам ежемесячно с составлением отчета, ежеквартально - на Координационном
совете. По результатам оценки результативности и эффективности управления
предприятием с учетом оценки по отдельным направлениям разрабатывают
мероприятия, направленные на улучшение деятельности. Информация об оценке
деятельности предприятия доводится до персонала на «Дне качества» у
генерального директора.
Для осуществления выпуска продукции определены и внедрены процессы и
процедуры. Процессы: процессы связанные с потребителем, разработка
научно-технической продукции, конструирование, закупки, производство, доставка.
Процедуры: идентификация и прослеживаемость продукции, управление продукцией
поставляемой заказчиком, упаковка хранение и поставка продукции, управление
контрольным измерительным и испытательным оборудованием.
Выпуск продукции осуществляется на основании Целей по качеству и
бизнес-плана предприятия. Бизнес-план составляется на основании результатов
маркетинговых исследований и возможностей производства. На основании
бизнес-плана разрабатывается план выпуска продукции.
Характеристики планируемой к выпуску продукции определены ГОСТ, ТУ с
учетом требований потребителей. Процесс производства продукции ведется в
контролируемых условиях в соответствии с технологическими регламентами
производства продукции и технологическими инструкциями. Состав технологического
оборудования производства продукции определен технологическими регламентами. В
целях обеспечения бесперебойной работы проводят планово-предупредительный
ремонт. Производство полностью оснащено контрольным и измерительным
оборудованием. Контроль характеристик продукции производится службой качества
цеха совместно с КТЛ. Вся продукция до передачи ее потребителю подлежит контролю.
Для доказательства выполнения установленных требований используются записи о
качестве.
На производстве осуществляется процедура идентификации и прослеживаемости
продукции, позволяющая отличить данную продукцию от остальной и проследить
предысторию продукции, получить на любом этапе производства информацию о
причинах обнаружения несоответствий для принятия необходимых корректирующих
мер. Ответственность за организацию и контроль идентификации и прослеживаемости
продукции возложена на главного технолога. Идентификация осуществляется
посредством нанесения маркировки на продукцию, использованием сопроводительной
документации (ярлыки, листы) при перемещении по всем стадиям технологического
процесса. Прослеживаемость продукции обеспечивается регистрацией данных о
качестве в соответствующих документах в процессе производства на всех стадиях,
а также в специальных журналах контролеров служб качества, персонала КТЛ и
начальников участков.
Статус контроля и испытаний продукции идентифицируется с помощью средств,
указывающих на соответствие или несоответствие продукции требованиям
проведенного контроля и испытаний. Идентификация статуса контроля и испытаний
осуществляется в течение всего процесса производства, обеспечивая отправку
потребителю только той продукции, которая прошла необходимый контроль испытаний
или была выпущена на основании санкционированного отклонения.
На предприятии утверждена и внедрена процедура упаковки, хранения и
поставки продукции в соответствии с установленными требованиями. Выполнение
работ по упаковке, погрузке, разгрузке, транспортировке и хранению продукции
осуществляется методами и средствами, исключающими потери качества готовой
продукции. Ответственность за сохранность продукции при выполнение работ
возлагается на начальника цеха, при поставке - на начальника по снабжению.
Все работы по внутрицеховому перемещению продукции производятся
квалифицированным обслуживающим персоналом, прошедшим подготовку и обучение.
Работы осуществляются в соответствии с ТУ, технологическими и рабочими
инструкциями. Оборудование, используемое для погрузочно-разгрузочных работ
проходит регулярный технический осмотр.
Упаковка продукции производится в тару. Контроль качества тары
осуществляется контролером. Упаковочные материалы также подвергаются входному
контролю.
В цехе для хранения продукции предусмотрены специальные площадки. Вся
продукция в обязательном порядке комплектуется по виду, маркам, размеру и
устанавливается по специально отведенным зонам, которые определенным образом
идентифицируются.
Отгрузка осуществляется на основании документа на приобретение,
предоставленного Заказчиком. При отгрузке выписываются отгрузочные документы,
подлинники которых передаются Заказчику, а копии хранят на предприятии.
Поставка продукции потребителю осуществляется: железнодорожным
транспортом в соответствии с Правилами перевозок грузов, действующими на данном
транспорте, и ТУ погрузки и крепления грузов, утвержденных Министерством путей
и сообщения, автотранспортом Заказчика, автотранспортом предприятия.
Периодически осуществляются проверки годной продукции, длительно
хранившейся на складе.
На предприятии утверждена и внедрена процедура управления средствами
измерений и испытательным оборудованием. Ответственность возложена на главного
метролога.
Необходимость проведения измерений, требуемая точность и выбор
необходимых средств измерений осуществляется службой главного метролога
совместно с инженерно-техническими службами предприятия. Приобретает требуемые
средства измерений отдел материально-технического обеспечения по заявкам подразделений
предприятия, согласованным службой главного метролога. Аттестация
испытательного оборудования проводится службой главного метролога совместно со
специалистами подразделения, эксплуатирующие данное оборудование.
Подготовку к проверке и калибровку средств измерений осуществляют служба
главного метролога и цех КИПиА в соответствии с утвержденным графиком.
Результаты проверки удостоверяются нанесением поверительного клейма, а также
записью в эксплуатационных документах. При обнаружении неисправного средства
измерения сообщают об этом руководителю, где оно используется. Руководители
подразделений, служба качества оценивают, как обнаруженное несоответствие могло
повлиять на качество технологического процесса, качество проведения контроля
продукции. В случае необходимости, если степень риска повторения несоответствия
велика, разрабатываются корректирующие действия.
.2 Контроль качества
Для производства качественной продукции необходимо контролировать
входящие материалы, контролировать исполнение каждой операции, контролировать
качество выходящего продукта.
Для производства листового стекла флоат-способом входному контролю
подвергаются все исходные компоненты шихты с помощью химанализа на содержание
основных оксидов, вода для растягивающих машин и вспомогательные материалы.
Операционный контроль осуществляется на стадиям приготовления шихты, загрузки
шихты в печь, варки стекломассы, формование ленты стекла, отжиг ленты стекла,
операции по раскрою ленты, контроль прочности ленты стекла в режиме реального времени
и упаковки готовой продукции.
Пооперационный контроль качества листового стекла флоат-способом
зафиксирован в технологической карте.
Контроль производства и качества выпускаемой продукции.
Режимная карта технологического процесса производства
стекла толщиной 4 мм при съеме 500т/сут. Таблица 6.1
|
№ п/п
|
Наименование параметра
|
Ед.измер.
|
Значение параметра
|
Допустимые отклонения
|
Примечание
|
|
Стекловаренная печь
|
|
1
|
Производительность печи
|
т/сут
|
500
|
±1
|
|
|
2
|
Уровень стекломассы
|
мм
|
112
|
±0,15
|
|
|
3
|
Общий расход газа по
горелкам
|
Нм3/час
|
4660
|
±45
|
|
|
4
|
Расход газа по горелкам: 1
2 3 4 5 6
|
Нм3/час
|
960 1000 860 1010 600 235
|
±5 ±10 ±5 ±10 ±10 ±10
|
|
|
5
|
Состав отходящих газов:
Коэффициент избытка воздуха по горелкам 1 2 3 4 5 6 Содержание угарного газа
(СО), не более 1-2 горелки 3-6 горелки
|
ррм
|
1,05 1,05 1,10 1,10 1,35
1,7 2500 500
|
±0,02 ±0,02 ±0,05 ±0,05
±0,15 ±0,20
|
|
|
6
|
Давление газов в варочной
части печи
|
Кгс/м2
|
0,26
|
±0,02
|
|
|
7
|
Давление газа в коллекторе
|
Кгс/м2
|
0,65
|
+0,02/-0,01
|
|
|
8
|
Донные температуры,Д1 Д2 Д8
|
оС
|
972 994 918
|
±2 ±2 ±2
|
|
|
9
|
Температура по стекломассе
,М3
|
оС
|
1402
|
±3
|
|
|
10
|
Температура стекломассы в
выработочном канале,К1
|
оС
|
1100
|
±0,5
|
|
|
11
|
Температура отходящей воды
с осевого холодильника, не более
|
оС
|
65
|
|
Температура воды на выходе
регулируется начальником смены цеха
|
|
12
|
Температура отходящей воды
с холодильника на пережиме
|
оС
|
48
|
±3
|
|
|
13
|
Температура отходящей воды
с мешалок
|
оС
|
50
|
±3
|
|
|
14
|
Скорость мешалок
стекломассы
|
Об/мин
|
3,5-5
|
|
Задается распоряже-нием
главного инженера
|
|
Ванная расплава
|
|
15
|
Скорость выработки ленты
стекла
|
М/час
|
620
|
±5
|
|
|
16
|
Ширина ленты стекла с
бортами
|
мм
|
3530
|
±10
|
|
|
17
|
Скорость РУ, 1 2 3 4
|
М/мин
|
2,75 3,75 4,75 5,75
|
±0,5 ±0,5 ±0,5 ±0,5
|
Скорости и углы РУ
допускается регулировать по распоряжению бригадира с целью выдерживания
толщины и разнотолщинности стекла
|
|
18
|
Угол разворота РУ, 1 2 3 4
|
град
|
-4/-4 2/2 3/3 3/3
|
±1 ±1 ±1 ±1
|
|
|
19
|
Расход защитной атмосферы:
Общий По линиям1 2 3 4
|
м3/час
|
1200 345 300 285 270
|
±5 ±5 ±5 ±10
|
Допускается регулирование
по распоряжению бригадира при нештатных ситуациях
|
|
20
|
Содержание водорода в
трубопроводах подачи защитной атмосферы по линиям: 1 2 3 4
|
Объемные %
|
±0,3 ±0,3 ±0,3 ±0,3
|
Допускается регулирование
по распоряжению начальника производства при нештатных ситуациях
|
|
21
|
Избыточное давление в ванне
расплава
|
Кгс/м2
|
2,0
|
±0,2
|
|
|
22
|
Температура олова в 16 зоне
ванны расплава, лев/прав
|
оС
|
600/604
|
±3
|
|
|
23
|
Температура ленты стекла на
выходе из ванны расплава по пирометру
|
оС
|
607
|
±1
|
|
|
24
|
Температура днища ванны
расплава по зонам, 1-8 9-11 12-16
|
оС
|
100-110 90-95 90-95
|
|
|
|
25
|
Температура отходящей воды
с холодильников под узлом слива, 1 2
|
оС
|
40 38
|
±3 ±3
|
Температура воды на выходе
регулируется начальником смены цеха
|
|
26
|
Температура отходящей воды
с РУ, не более
|
оС
|
45
|
|
|
|
27
|
Температура отходящей воды
с холодильников ванны расплава, не более
|
оС
|
50
|
|
|
|
28
|
Расход сернистого ангидрида
|
Л/час
|
900
|
±100
|
|
|
29
|
Содержание кислорода в
ванне расплава, не более
|
Объемные %
|
0,0008
|
|
|
|
30
|
Содержание влаги (точка
росы) в ванне расплава, не менее
|
оС
|
Минус 24
|
|
|
|
Печь отжига
|
|
31
|
Температура валов шлаковой
камеры, 1 2 3
|
оС
|
542 550 550
|
±2
|
Процесс отжига
контролируется по положению регулирующих органов согласно разрешению главного
инженера
|
|
32
|
Температура ПО по секциям
(середина): 1 3 4 7 8
|
оС
|
560 510 515 455 415
|
±5
|
|
|
33
|
Величина торцевых
остаточных напряжений, не более
|
Нм/см на 1 мм толщины
стекла
|
5
|
|
|
|
34
|
Перепад остаточных
напряжений, не более Перепад остаточных напряжений на смежных образцах, не
более
|
Нм/см на 1 мм толщины
стекла
|
1,25 0,8
|
|
|
|
35
|
Степень внедрения олова в
нижнюю поверхность стекла, Тн+75%, не более
|
|
1,25
|
|
|
|
36
|
Температура стекла перед
напылением, не более
|
оС
|
40
|
|
|
Режимная карта процесса раскроя стекла Таблица 13
|
Наименование параметра,
ед.измер.
|
Значение параметра для
стекла толщиной
|
|
4 мм
|
5 мм
|
6 мм
|
8-10 мм
|
|
Угол заточки ролика, о
|
135
|
140
|
145
|
154
|
|
Качество реза
|
Ровный рез, отсутствие
стекольной крошки и пыли, стекло легко разламывается по линии реза без
образования закраин, сколов и т.п.
|
Помимо указанных процессов контролю также подвергаются
показатели качества стекла: контроль потребительских свойств по качеству стекла
и контроль технологического процесса по показателям качества стекла. К контролю
потребительских свойств по качеству стекла можно отнести: геометрические
параметры (длина и ширина заготовок, разность длин диагоналей, толщина и
разнотолщинность, отклонение от прямоугольности углов и кромок, ширина ленты с
бортами и без бортов, отклонение от плоскости); присутствие микродефектов,
пузырей и включений; оптические искажения видимые в проходящем свете ив
отраженном свете; коэффициент направленного пропускания света; водостойкость
стекла. К контролю технологического процесса по показателям качества стекла
можно отнести: состав стекла (процентное содержание оксидов); плотность стекла;
однородность; унос олова стеклом из ванны расплава; определение массовой доли
примесей в олове.
Периодичность контроля задается с учетом наладки
технологического режима выработки листового стекла. Все контрольные измерения
производятся в соответствии с ГОСТ 111-2001.
Листовое стекло выпускается толщиной 4-10 мм и в зависимости от
качественных показателей делится на марки: М0, М1, М2, МЗ….М7.
Размеры и качественные показатели оконного стекла регламентируются ГОСТ
111-2001 «Стекло оконное. Технические условия».
Листы оконного стекла должны быть строго прямоугольной формы, иметь
ровные кромки и целые углы, быть прозрачным и бесцветным. Сколы и щербины в
кромках и при повреждении углов допускаются не более 3 мм длиной.
Светопропускание стекла не менее 87% лучей видимой части спектра (для 2 мм
стекла). Стандартом регламентируются пороки различных видов - пузыри, инородные
включения, рух, свиль и царапины. Поверхность листов не должна иметь радужных и
матовых пятен, а также других следов выщелачивания.
Длину и ширину листов стекла и длину диагоналей измеряют металлической
рулеткой с погрешностью до 1 мм. Толщину листов измеряют микрометром с
погрешностью до 0,01мм в середине каждой стороны листа на расстоянии от кромки
не менее его толщины. Сколы, щербины углов измеряют металлической линейкой с
погрешностью до 1 мм. Показатели внешнего вида определяются визуально в
проходящем свете при рассеянном освещении. Определение оптических искажений
проводят на установке контроля внешнего вида К 1387 (прибор «зебра»). Внутренние
напряжения стекла определяют на полярископах-поляриметрах типа ПКС-125.
стекловаренный
печь листовой стекло ассортимент
7. Архитектурно-строительная часть
.1 Объемно-планировочные решения
Главный - производственный корпус проектируемого предприятия представляет
собой одноэтажное промышленное здание каркасного типа состоящее из 1 пролета 30
м, имеющее прямоугольное очертание в плане и встроенные бытовые помещения.
Общая длина здания 342 м, высота здания 17,42 м, высота до стропильной
конструкции 10,8 м. Основной каркас образуется металлическими колоннами
двутаврового сечения, расположенными с постоянным шагом 6 м, и перекрытыми
металлическими фермами с параллельными поясами пролетом 30 м. Бытовые помещения
расположены внутри производственного здания по его периметру.
Стены здания - трехслойные железобетонные панели, навесные толщиной 300
мм, номинальная высота 0,9; 1,2 и 1,8 м. Угловые панели удлиняются на 0,35 м
при привязке стен «250». Исходя из этого, выбрано ленточное остекление.
Основанием для кровли служит замоноличенный настил из ребристых
железобетонных плит размером 3×12 метра и слой пароизоляции. В
качестве утеплителя приняты пенополистирольные плиты.
Фундамент используется монолитный, железобетонный, высотой 1200 мм,
армируется арматурными сетками и каркасами, класс бетона В-15.
В здании применены полы, состоящие из верхнего слоя, подвергающегося всем
эксплуатационным воздействиям (бетон марки М 400(В-30)) и подстилающего слоя,
воспринимающего вертикальные нагрузки и передающего их на грунтовое основание
(плиты из тяжелого бетона на песчаной подготовке).
Помещения освещены естественным светом, цеховые помещения имеют отдельные
входы. Для естественного освещения и удаления пыли из цеха применяется
светоаэрационные фонари прямоугольного профиля.
Достоинство данного типа здания в том, что оно позволяет легко перемещать
и модернизировать оборудование, осуществлять естественное освещение по всей
производственной площади.
.2 Разработка генерального плана
Генеральный план предприятия представляет собой комплексное и
рациональное решение вопросов размещения зданий, сооружений, транспортных и
инженерно-технических коммуникаций, а также благоустройство и озеленение
территории.
Решение генерального плана предприятия, т.е. расположение зданий,
сооружений и транспортных путей, определяется технологическим процессом, чтобы
обеспечить его экономичность на минимальной площади территории с применением
прогрессивных видов транспорта и максимально возможного блокирования зданий.
Предусматривается зонирование территории для предохранения производственных и
административно - бытовых зданий от газов и пыли, а также максимальное
использование аэрации и естественного освещения. Площадка предприятия, как
правило, разделяется на следующие зоны: предзаводскую, производственную,
подсобную, складскую.
При проектировании генерального плана соблюдены следующие принципы:
. Здания и сооружения сгруппированы по производственному признаку в
пределах определенной зоны территории. Предусмотрено блокирование зданий и
сооружений.
. Поток, полуфабрикатов, а также изделий между агрегатами и цехами
направляется поступательно, по кратчайшему пути, без встречных и возвратных
движений и с применением минимальных типов и количества транспортных средств.
. Здания вспомогательного производства размещены в зоне соседней с зоной
цехов основного производства.
. Вспомогательные производственные цехи с выделением пыли, газа и дыма
(склад компонентов шихты, котельная и др.) размещены в зоне, удаленной от
главного входа на предприятие. Они располагаются по отношению к другим зданиям
(производственным, административно-бытовым, жилым) с учетом «розы ветров» и
санитарных норм.
. Складские здания и сооружения расположены на территории предприятия с
учетом эффективного использования фронта внутризаводских железобетонных путей
для сокращения времени на погрузочные и разгрузочные операции.
. Наиболее громоздкие цеха и склады, которые обслуживаются
железнодорожным транспортом, расположены вблизи железнодорожных путей, а цехи и
склады, обслуживаемые автомобильным транспортом - вблизи въездов автотранспорта
на заводскую территорию. В этом случае обеспечивается разделение грузовых,
железнодорожных и автомобильных потоков, устраняется возможность пересечения
обоих видов транспорта, сокращается протяженность транспортных путей.
Для размещения инженерных коммуникаций (сетей водоснабжения, канализации
и др.) вдоль основных проездов и параллельно линиям застройки расстояния между
зданиями не менее 21-25м.
Санитарные разрывы от крытых складов всех пылящих материалов до вспомогательных
зданий и сооружений приняты не менее 15м, а между складами и административными
зданиями не менее 35м.
На территории предприятия установлены благоустроенные озелененные
площадки для отдыха работающих на участках между зданиями и в зонах с наименьшим
влиянием производственных вредностей.
Для соблюдения требований ГО предусмотрены мероприятия, направленные на
ограничение размеров возможных разрушений и поражений, а также для защиты
людей. Выбор тех или иных мероприятий ГО произведены по соответствующим
инструкциям.
В составе проектируемого предприятия по производству листового стекла
флоат-способом входят следующие здания и сооружения:
· основной производственный цех;
· вспомогательные производственные цеха - ремонтно-механический
цех, деревообрабатывающий цех, котельная, транспортный цех, компрессорная
станция и т.п.;
· склады компонентов шихты, готовой продукции, вспомогательных
материалов;
· хозяйственные и служебные здания - лаборатории, помещение
сторожевой охраны;
· административно - бытовые здания - заводоуправление, бытовые
помещения для рабочих, столовая и т. д.
1. Главный производственный корпус.
Главный производственный корпус представляет собой однопролетное здание
размерами 30×342 метра, прямоугольного очертания в плане.
Главный производственный корпус состоит из участков: стекловарения,
формования, отжига, раскроя и упаковки.
2. Дозаторно-смесительный цех
Дозаторно-смесительный цех запроектирован справой стороны к главному
корпусу со стороны загрузочного кармана стекловаренной печи, который соединен
галереей, по которой шихта подается к загрузочным бункерам.
Для приготовления шихты принят дозаторно-смесительный цех, вертикального
типа, оборудованный двумя тарельчатыми смесителями принудительного
перемешивания СТ-700, вместимостью 700 л. Габаритные размеры здания 45×12м, высотой 24 метра.
3. Вспомогательные производственные цеха.
Ремонтно-механический, электромеханический ремонтно-строительный цеха
размещаются в отдельном здании. У каждого цеха, как основного, так и
вспомогательного, имеются бытовые помещения.
Автоматизированная компрессорная станция размещена недалеко от главного
производственного цеха.
4. Склад компонентов шихты.
Для создания производственного запаса заполнителей используется
прирельсовый склад заполнителей с применением устройств разгрузки, емкостью
4700 м3. Длина разгрузочных железнодорожных путей у складов
заполнителей составляет 280 м из условия одновременного размещения на них всего
состава («вертушки») с заполнителями, а также предусмотрен дополнительный
железнодорожный путь для маневров, учитывая, что разгрузка заполнителей должна
производиться за 2 часа.
5. Склад готовой продукции.
Для изделий из стекла применяются склады закрытого типа. Склад готовой
продукции расположен в конце производственного цеха. Склады обслуживаются
мостовыми кранами. Изделия на складе хранятся в пакетах на пирамидах,
рассортированных по маркам и размерам.
6. Склад горючих и смазочных материалов.
Склад размещен на крайних участках заводской территории. Здесь обеспечен
большой разрыв между этими складами производственными цехами, который требует
противопожарные нормы.
7. Административно - бытовые здания.
Административно - бытовые здания и здания обслуживающего назначения
(столовая, медпункт) размещены близко к главному проезду и входу на территорию
предприятия со стороны наибольшего движения потоков людей.
8. Азото-водородная станция.
Азото-водородная станция размещена на крайних участках заводской
территории. Здесь обеспечен большой разрыв между этим зданием и
производственными цехами, который требует противопожарные нормы.
Экономические показатели промышленных зданий определяются их объемно
планировочными и конструктивными решениями, характером и организацией санитарно
- технического оборудования. Важную роль играет запроектированное в производственном
помещении соотношение производственной и подсобной площадей, высота помещения.
Таблица 7.1 ПРОИЗВОДСТВЕННОЕ ЗДАНИЕ
|
Наименование
|
Показатель
|
|
V стр. надз. [м3]
|
174420м3
|
|
S произв. [м2]
|
10260 м2
|
|
S вспомог. [м2]
|
10009,8 м2
|
|
S застр. [м2]
|
19451 м2
|
|
К
|
0,8
|
8. Строительные конструкции
8.1 Расчёт столбчатого фундамента
Требуется рассчитать столбчатый отдельный фундамент под металлическую
колонну, подобрать геометрические размеры фундамента и базы стальной колонны.
Расчёт начинаем со сбора всех нагрузок действующих на тело фундамента.
Нагрузка от кровли:
. Защитный слой из гравия, втопленного в битум ρ=2200 кг/м3; δ=5 мм.
. Четырехслойный рубероидный ковер ρ=400 кг/м3; δ=20 мм.
. Цементно-песчанная стяжка ρ=2200 кг/м3; δ=10 мм.
. Утеплитель (маты из стекловолокна) ρ=300 кг/м3; δ=120 мм.
. Обмазочная пароизоляция ρ=400 кг/м3; δ=5 мм.
. Ж.б. плита покрытия ρ=2500 кг/м3; δ=300 мм.
Нагрузки от
конструкции кровли Таблица
8.1
|
№ п/п
|
Вид нагрузки
|
Формула подсчета
|
Нагрузка на 1м2
|
|
|
|
Нормативная кг/м2(кН/м2)
|
Коэффициент надежности по
нагрузке
|
Расчетная кг/м2(кН/м2)
|
|
1
|
Защитный слой из гравия,
втопленного в битум
|
0,005×2200
|
11(0,11)
|
1,3
|
14,3(0,143)
|
|
2
|
Четырехслойный рубероидный
ковер
|
0,02×400
|
8(0,08)
|
1,3
|
10,4(0,104)
|
|
3
|
Цементно-песчанная стяжка
|
0,01×2200
|
22(0,22)
|
1,3
|
28,6(0,286)
|
|
4
|
Утеплитель (маты из
стекловолокна)
|
0,12×300
|
36(0,36)
|
1,3
|
46,8(0,468)
|
|
5
|
Обмазочная пароизоляция
|
0,005×400
|
2(0,02)
|
1,3
|
2,6(0,026)
|
|
6
|
Ж.б. плита покрытия
|
0,3×2500
|
750(7,5)
|
1,1
|
825(8,25)
|
|
Итого:
|
829(8,29)
|
-
|
927,7(9,277)
|
|
Временная нагрузка
|
1(0,01)
|
1,4
|
1,4(0,014)
|
|
Итого:
|
830(8,3)
|
-
|
929,1(9,291)
|
Нагрузка от остальных вышестоящих конструкций Таблица 8.2
|
№ п/п
|
Вид нагрузки
|
Формула подсчета
|
Нагрузка на 1м2
|
|
|
|
Нормативная кН/м2
|
Коэффициент надежности по
нагрузке
|
Расчетная кН/м2
|
|
1
|
Стальная ферма с
параллельными поясами
|
-
|
136,13
|
1,05
|
142,94
|
|
2
|
Мостовой кран
|
-
|
99,5
|
1,3
|
129,35
|
|
3
|
Стальная подкрановая балка
|
-
|
31,4
|
1,05
|
32,97
|
|
4
|
Стальная колонна
|
-
|
56,44
|
1,05
|
59,26
|
|
5
|
Снеговая нагрузка
|
1×30×6
|
180
|
1,4
|
252
|
|
6
|
Эксплуатационная нагрузка
(груз на кране)
|
-
|
500
|
-
|
500
|
|
Итого:
|
1003,47
|
-
|
1116,52
|
Расчёт начинаем с расчёта площади подошвы фундамента. Для этого
определяем усилия на уровне верха фундамента. На практике принято рассчитывать
фундамент на воздействие нормативных нагрузок.
Принимаем нагрузку Nn=1003,47+8,3=1011,77 кН
Ориентировочные размеры подошвы принимаем 3×3 м.
Высота фундамента - 1,2 м.
Рассчитываем фундамент как нагруженный центрально.
Площадь подошвы фундамента
Где
R0=0,24 МПа - расчётное сопротивление грунта;
ρср=2000
кг/м3=0,02 МПа;
Н=(1,2+0,15)
м=1,35 м - расстояние от уровня запланированной отметки (пола первого этажа).
Аф=(1011,77×10)/(0,24-0,02×1,35)=47501 (см2)
а=√Аф=2,18
м → принимаем а=2,2 м=220 см.
Полезная
высота фундамента
h0=-0.25(hk+bk)+0.5√N/(0.75×Rbt+Pгр)
(hk+bk)=1,2
Rbt
для бетона В15 равно Rbt=0,75 МПа.- реактивное давление грунта на подошву
фундамента от воздействия расчётной нагрузки, равной
N=1116.52+0.5×1×5.9×78.5×1.1=1371.25(кН)
Pгр=N/Aф=(1371,25×10)/48400=0,283 (МПа)
Уточнённая
площадь фундамента Аф=4,84 (м2)
h0=-37.5+0.5×√(1371.25×10)/(0.75×0.75+0.283)=26.175(см)
Полную
высоту фундамента принимаем с учётом условия заделки в фундамент анкерных
болтов колонны (Ø 25) в бетоне класса В20.
Rsc=365
(МПа)
Rb=11.5
(МПа)
ωan=0.5
Δλan=8
(см)
Условие
выполняется.
Изгибающий
момент от реактивного давления грунта у грани колонны
М1=0,125× Pгр×(а- hk)2×а=
=0,125*0,283*(2,2-1)2*2,2*103=112,1(кНм)
у
грани второго среза фундамента
М11=0,125× Pгр×(а-а1)2×а=
=0,125*0,283*(2,2-1,36)2*2,2*103=54,9(кНм)
у
грани третьего среза фундамента
М111=0,125× Pгр×(а- а2)2×а=
=0,125*0,283*(2,2-1,98)2*2,2*103=3,8(кНм)
Площадь
арматуры на всю ширину находим по формулам:
Аs1=M1/(0.9*h01*Rs)=112.1*10/(0.9*0.3*280)=15(см2)
Rs=280
МПа.
Аs2=M11/(0.9*h02*Rs)=54,9*10/(0.9*0.7*280)=3,11(см2)
Аs3=M111/(0.9*h03*Rs)=3,8*10/(0.9*1,2*280)=0,13(см2)
По
результатам подсчёта принимаем Аs=15 cм2
принимаем 8 стержней Ø16 мм стали А - II с Аs= 16,08 см2.
Во
взаимно перпендикулярном направлении принимаем, то же количество арматуры.
Достаточность
сечения нижней ступени за пределами участка наклонного под 450 не
проводится т.к. в данном случае такой участок отсутствует.
Рис.
9 Арматурная сетка фундамента
.2
Расчёт базы колонны двутаврового сечения
Теперь
проводим расчёт базы колонны двутаврового сечения. Материал базы - сталь марки
Вст3кп2, расчётное сопротивление R=213 МПа =22 кН/см2 при t=4 - 20 мм; R=205
МПа=21 кН/см2 при t=21 - 40 мм.
Бетон
фундамента марки В15 Rbt=0,75 МПа.
Нагрузка
на базу 1000 кН.
Требуемая
площадь плиты базы
Апл.тр.=N/(Rпр×γ)=1000/(0,75*1,2)=1111,11 (см2)
По
ориентировочному значению коэффициента γ=1,2 принимаем плиту размером 510×1010 мм. Принимая площадь по обрезу фундамента Аф=1360×1360 см, корректируем коэффициент γ:
γ=√Аф/Апл=√(136*136)/(51*101)=2,11(см2)≥1,2
условие
выполняется.
Далее
рассчитываем напряжение под плитой базы
σф=1000/(51*101)=0,24
(кН/см2)
Конструируем
базу колонны с траверсами толщиной 10 мм, привариваем их к полкам колонны и к
плите угловыми швами. Вычисляем изгибающие моменты на разных участках для
определения толщины плиты.
Участок
1, опёртый на 4 канта.
Отношение
сторон b/a=868/243=3,5 по таблице α=0,1
Мпл.1=α*q*a2=0.1*0.24*24,32=14,17(кН*см)
(q= σф)
Участок
2, консольный, отношение b/a>2:
М2=(q*l2)/2=0.24*5.92/2=4.2(кН*см)
Участок
3 не проверяем, так как он имеет меньший консольный свес. Определяем толщину
плиты по максимальному моменту
tпл≥√6Ммах/R=√6*14,17/21=2(см)
Принимаем
плиту толщиной tпл=20 мм.
Таким
образом, с запасом прочности усилие в колонне полностью передаётся на траверсы,
не учитывая прикрепления торца колонны к плите.
Прикрепление
траверсы к колонне выполняется полуавтоматической сваркой в углекислом газе
сварочной проволокой Ст08Г2С. Толщину траверс принимаем tтр=12 мм,
высоту hтр=350 мм. Расчётные характеристики:
Rсвуш=21,5МПа
Rсвус=0,45·36,5=16,42МПа
βш=0,7
βс=1,0
βшRсвуш=0,7·21,5=15,05 кН/см2< βс· Rсвус=1·16,42=16,42кН/м2
γсвуш= γсвус=1.
Прикрепления
рассчитываем по металлу шва, принимая катет угловых швов kш=12 мм:
∑σш=N/kш4lш=1000/1,2*4*(35-2)=6,31(кН/см2)≤βшRсвш
Проверяем
допустимую длину шва
l
ш=35-2=33(cм)‹85βш kш=85*0,7*1,2=71,4 (см)
Швы удовлетворяют требованиям прочности. При вычислении суммарной длины
швов с каждой стороны шва не учитывалось 1 см на непровар.
Приварку торца колонны к плите выполняем конструктивными швами kш=6мм,
так как эти швы в расчёте не учитывались.
9. Безопасность технологического процесса производства листового стекла
флоат-способом
Необходимо определить опасности, создаваемые на операциях от каждого
элемента технологического процесса, для этого разобьем технологический процесс
и определим опасности от каждого элемента.
.1 Опасности от различных элементов на каждой стадии технологического
процесса представлены в таблице № 9.1:
Производство листового стекла флоат-способом включает в себя следующие
технологические переделы:
Таблица № 9.1
|
Технический процесс.
|
Элементы Т.П.
|
Опасности создаваемые Т.П.
|
|
1. Подготовка сырьевых
материалов
|
1.1 Сушильный барабан 1.2
Сито для просеивания 1.3 Магнитные сепараторы 1.4 Ленточные конвейеры и
элеваторы 1.5 Пневмонасосы и грейферный кран
|
1. Запыленность и
загазованность воздуха рабочей зоны. 2. Повышенный уровень шума на рабочем
месте. 3. Расположение рабочего места на значительной высоте относительно
поверхности земли (пола). 4. Подвижные части производственного оборудования,
передвигающиеся материалы. 5. Химические: токсические раздражающие
канцерогенные. 6. Поражение электрически током.
|
|
2. Приготовление сырьевой
смеси (шихты)
|
2.1Накопительные бункера
для компонентов шихты. 2.2Объёмные и весовые дозаторы для подачи компонентов
шихты в смеситель. 2.3 Смеситель 2.4 Пульт управления.
|
1.Пыление. 2.Движущиеся
лопатки при перемешивании сырьевой смеси. 3.Поражение электрически током.
|
|
3. Подача шихты в
раздаточные бункера загрузчиков
|
3.1Ленточный конвейер,
пульт управления. 3.2 Весовые дозаторы
|
1.Пыление. 2. Подвижные
части производственного оборудования, передвигающиеся материалы. 3. Поражение
электрически током.
|
|
4. Варка стекломассы
|
4.1 Стекловаренная печь.
4.2 Загрузчики шихты. 4.3 Горелочные устройства. 4.4 Водяные холодильники.
4.5 Перемешивающие устройства. 4.6 Вентиляторы.
|
1. Подвижные части
производственного оборудования. 2. Отсутствие или недостаток естественного
света, недостаточная освещенность рабочей зоны. 3. Поражение электрически
током. 4. Повышенный уровень шума на рабочем месте. 5. Запыленность и
загазованность воздуха рабочей зоны. 6. Химические токсические раздражающие
канцерогенные. 7. Повышенная или пониженная температура воздуха рабочей зоны.
8.Загазованность рабочего пространства.
|
|
5. Формование ленты стекла
на расплаве олова и отжиг ленты стекла.
|
5.1.Ванна расплава.
5.2.Растягивающие устройства. 5.3.Водянные холодильники. 5.4.Дозирующий
шибер. 5.5. Вентиляторы.
|
1.Поражение электрически
током. 2. Повышенный уровень шума на рабочем месте. 3. Химические:
токсические раздражающие канцерогенные. 4. Отсутствие или недостаток
естественного света, недостаточная освещенность рабочей зоны. 5. Повышенная
или пониженная температура воздуха рабочей зоны.
|
|
6. Порезка и упаковка
листов стекла.
|
6.1.Установка для раскроя
ленты стекла на заданные размеры. 6.2.Ротатор. 6.3.Автоматический упаковщик
листов стекла.
|
1. Повышенная или
пониженная температура воздуха рабочей зоны. 2. Поражение электрически током.
3. Повышенный уровень шума на рабочем месте. 4. Подвижные части производственного
оборудования, передвигающиеся материалы.
|
|
7. Транспортирование
изделий на склад готовой продукции.
|
7.1 Мостовой кран 7.2
Самоходная вывозная тележка
|
1.Крановые операции на
мостовом кране. 2.Повреждения при наезде на человека.
|
Наиболее опасными из перечисленных элементов технологического процесса
являются: приготовление сырьевой смеси в смесителе, варка стекла и формование
ленты стекла на расплаве олова (см. таб. 9.1 п.2,4,5).
Рассмотрим позиции 2, 4 и 5 более подробно в таб. 9.2.
Опасность создаваемая смесителем представляется в виде движущихся
механических частей - лопаток, также возможно поражение током. При
перемешивании сырьевой смеси возникает пыление на рабочем месте.
Во время варки стекломассы и формования ленты стекла
на расплаве олова опасность для обслуживающего персонала представляют шумовые
воздействия, которые превышают норму на 1,2 раза (норма - 80 Дцб, показания
измерения - 96 Дцб), влияние повышенных температур, подвижные части
производственного оборудования, отсутствие или недостаток естественного света,
недостаточная освещенность рабочей зоны, возможность поражения электрически
током, запыленность и загазованность воздуха рабочей зоны, химические
токсические раздражающие канцерогенные, загазованность рабочего пространства.
Таблица № 9.2
|
Технический процесс.
|
Элементы Т.П.
|
Опасности создаваемые Т.П.
|
|
1. Приготовление сырьевой
смеси.
|
1.1Накопительные бункера
для компонентов шихты. 1.2Объёмные и весовые дозаторы для подачи компонентов
шихты в смеситель. 1.3 Смеситель 1.4 Пульт управления.
|
1.Пыление. 2.Движущиеся
лопатки при перемешивании бетонной смеси. 3.Поражение электрически током.
|
|
2. Варка стекломассы.
|
2.1 Стекловаренная печь.
2.2 Загрузчики шихты. 2.3 Горелочные устройства. 2.4 Водяные холодильники.
2.5 Перемешивающие устройства. 2.6. Вентиляторы.
|
1. Подвижные части
производственного оборудования. 2. Отсутствие или недостаток естественного
света, недостаточная освещенность рабочей зоны. 3. Поражение электрически
током. 4. Повышенный уровень шума на рабочем месте. 5. Запыленность и
загазованность воздуха рабочей зоны. 6. Химические токсические раздражающие
канцерогенные. 7. Повышенная или пониженная температура воздуха рабочей зоны.
8.Загазованность рабочего пространства.
|
|
3. Формование ленты стекла
на расплаве олова.
|
3.1.Ванна расплава.
3.2.Растягивающие устройства. 3.3.Водянные холодильники. 3.4.Дозирующий
шибер. 3.5. Вентиляторы.
|
1.Поражение электрически
током. 2. Повышенный уровень шума на рабочем месте. 3. Химические:
токсические раздражающие канцерогенные. 4. Отсутствие или недостаток
естественного света, недостаточная освещенность рабочей зоны. 5. Повышенная
или пониженная температура воздуха рабочей зоны.
|
9.2 Инженерное решение
Для исключения опасности поражения электрическим током и повреждения от
движущихся механических частей пульт управления смесителем выведен в сторону на
3 метра в отдельное помещение оснащенное системой кондиционирования воздуха
(см. рис. 1). Над смесителем установлена вытяжка воздуха для эвакуации
загрязненного воздуха, соединенная с пылеосадительным циклоном. Для ограничения
доступа человека к вращающимся механизмам установлено ограждение высотой 1,5
метра, которое состоит из несущего каркаса (металлические трубы из обычной
стали диаметром 40мм и толщиной стенки 4мм.) и навесных щитов (обрамление
состоит из металлических уголков из обычной стали с шириной полки 300мм и
толщиной 3мм и натянутой по периметру каркаса металлической сетки, которая
крепиться к обрамлению с помощью электродуговой сварки). Вся конструкция
делается разборной для обеспечения доступа к технологическому оборудованию для
проведение ремонтных работ.
Для защиты обслуживающего персонала от шумовых воздействий в смесительном
цехе наиболее эффективно использование звукопоглощающих панелей, также можно
применять индивидуальные средства защиты, согласно ГОСТ 12.4.051-78. - наушники
группы (Б) с эффективностью противошумов, дБ, при частоте, Гц, не менее 125;
массой 0,28 кг; сила прижатия (Н), не более - 5 или одноразовые или
многоразовые беруши. Для защиты органов дыхания в качестве ИСЗ рекомендуется
применение респираторов типа «Леписток».
Рис.
10 Общая компоновка узла перемешивания компонентов шихты.
.
Электрошкаф; 2. Смесители; 3. Электропривод; 4. Дозирующий бункер; 5. Ленточный
конвейер; 6. Вытяжка запыленного воздуха; 7. Пульт управления смесительной
установкой.
Рис. 11 Общая компоновка линии по производству листового флоат-стекла.
1. Стекловаренная печь; 2. Ванна расплава- формования ленты стекла;
3. Пост автоматического управления процессами; 4. Металлическое ограждение; 5.
Загрузчики шихты с установленными циклонами; 6. Печь отжига ленты стекла; 7.
Место установки видеокамер.
Для персонала контролирующего процессы варки и формования ленты стекла
предлагаю следующие инженерные решения: также для исключения опасности
поражения электрическим током и повреждения от движущихся механических частей
пульт управления стекловаренной печью и ванной расплава выведен в сторону на
7,5 метров в отдельное помещение, оснащенное системой кондиционирования воздуха
(см. рис. 2). Над загрузочным каналом установлена вытяжка воздуха для эвакуации
загрязненного воздуха, соединенная с пылеосадительным циклоном, ванна расплава
имеет установку для утилизации загрязненной «защитной атмосферы» ванной
расплава. Для предотвращения соприкосновения человека с зонами повышенных
температур по периметру ванной печи установлено ограждение высотой 1,5 метра,
которое состоит из несущего каркаса (металлические трубы из обычной стали
диаметром 40мм и толщиной стенки 4мм.) и навесных щитов (обрамление состоит из
металлических уголков из обычной стали с шириной полки 300мм и толщиной 3мм и
натянутой по периметру каркаса металлической сетки, которая крепиться к
обрамлению с помощью электродуговой сварки). Вся конструкция делается разборной
для обеспечения доступа к технологическому оборудованию для проведение
ремонтных работ.
Для минимизации времени нахождения рабочего персонала в зонах повышенных
температур и для постоянного контроля за прохождением технологических процессов
в зонах повышенных температур устанавливаются видеокамеры посылающие видео
сигнал на мониторы установленные на пульте управления.
Для защиты рабочего персонала от тепловых нагрузок применяют
дополнительную теплоизоляцию тепловых агрегатов, в качестве индивидуальных
средств защиты на время нахождения в зонах повышенных температур рекомендуется
применение специальной одежды из суконного материала (куртка и штаны), рукавицы
из того же материала, подшлемник и утепленную обувь. Для защиты глаз от
воздействия излучений от горячей стекломассы рекомендуется применение очков с
затемненными стеклами, также рекомендуется использование защитных сетчатых
масок из тонкой проволоки, оснащенных темными стеклами. В качестве ИСЗ для
защиты органов дыхания рекомендуется использовать респираторы типа «Леписток».
В связи с отсутствием или недостатком естественного
света и недостаточной освещенностью рабочей зоны рекомендуется привести
искусственную освещенность в соответствие требованиям санитарных норм
(установить необходимое количество ламп искусственного освещения), при недостатке
естественного света - обеспечить чистоту окон, по возможности расставить
оборудование и предметы таким образом, чтобы они не препятствовали доступу
естественного света.
Необходимым условием во время проведения абсолютно
всех технологических операций является ношение касок.
Для защиты обслуживающего персонала от шумовых
воздействий в производственном цехе для звукоизоляции пульта АСУ наиболее
эффективно использование звукопоглощающих панелей, а непосредственно в
помещении самого цеха нужно применять индивидуальные средства защиты, согласно
ГОСТ 12.4.051-78. - наушники группы (Б) с эффективностью противошумов, дБ, при
частоте, Гц, не менее 125; массой 0,28 кг; сила прижатия (Н), не более - 5 или
одноразовые или многоразовые беруши, т.к. при устройстве звукопоглощающих
панелей создаются дополнительные опасности - во время крановых операций
возможно задевание переносимыми грузами о заграждения; во время работы или
ремонта оборудования звукопоглощающие панели загораживают доступ и видимость
оборудования.
Для защиты от повреждения электрическим током
электрошкафы и вентиляторы с электроприводами размещены в подвальном помещении.
Все электрооборудование имеет защитное заземление.
Вывод: в разделе «Безопасность технологического процесса» были
рассмотрены технологические операции в ходе изготовления листового стекла
методом формования на расплаве олова. Были выбраны наиболее сложные и опасные
процессы - приготовление сырьевой смеси в смесителе, варка стекломассы и
формование ленты стекла на расплаве олова. Для устранения опасности, связанной
с повреждением о движущие части оборудования и высокой запыленности рабочей
зоны смесителя, было принято решение об ограждении наиболее опасного участка и
вынесения пульта управления смесителем и ленточным транспортером, также
вынесения пульта управления варочным и формовочным процессами и применение СИЗ
и принудительной очистки воздуха. Также во избежание повреждений от воздействия
высоких шумов целесообразно применение индивидуальных средств защиты и
звукопоглощающих панелей и применение СИЗ от повышенных температур.
Использование видеоаппаратуры.
10. Экологическая экспертиза
.1 Обоснование экологической экспертизы
В данном разделе дипломного проекта производится
экологическая экспертиза предприятия по производству листового стекла методом
формования на расплаве олова (флоат-способ). Предприятие находится в
промышленном районе города на земельном участке для сельскохозяйственного
использования. Выбор места нахождения данного предприятия обусловлено
рациональным размещением источников выброса и населенных мест (селитебной
застройки) с учетом преобладающего направления ветра, с целью хорошего
продувания ветрами в сторону противоположную селитебной.
Основным документом, регламентирующим правила
проведения экологической экспертизы в России, является Федеральный закон «Об
экологической экспертизе», принятый в соответствии с указом Президента от 23
ноября 1995 года.
На основании Закона, экологической экспертизе подлежат
все виды работ, связанные с использованием природных ресурсов (полезных
ископаемых, водных и земельных ресурсов, воздушной среды), а также объектов
промышленного и гражданского строительства.
Целью экологической экспертизы является оценка
экологических последствий принятия технических, технологических и управленческих
решений (реализации проекта), выработка на основе экспертного анализа социально
и экономически приемлемых предложений, направленных на снижение ущерба
окружающей среде и улучшения экологической обстановки в регионе.
В соответствии с санитарной классификацией
предприятий, производств и объектов по санитарно-защитной зоне данное
предприятие относится к II
классу (расстояние 500 м), т.к. на предприятии присутствуют тепловые агрегаты,
ширина санитарно-защитной зоны рассчитывается от места расположения дымовых
труб. В данном дипломном проекте в качестве санитарно-защитной зоны
предлагается использовать насаждения деревьев высокорослых пород с
разветвленной кроной, для максимального задержания негативных факторов
направленных в сторону селитебной зоны.
Территория санитарно-защитной зоны должна быть
благоустроена и озеленена по проекту благоустройства, которое составляют в
соответствии с требованиями СНиП по проектированию генеральных планов
промышленных зданий.
Объектом экологической экспертизы является проектная
документация на производство листового стекла методом формования на расплаве
олова.
Заводы по производству стекла и стеклоизделий
оказывают отрицательное воздействие на окружающую природную среду, загрязняя
воздух, воду и почву.
Для снижения этого воздействия на окружающую природную
среду и уменьшения экологических платежей в соответствии с Законом РФ «Об
охране окружающей среды», от 10 января 2002 года, с учетом действующих
государственных экологических стандартов, нормативов качества, инструкций, правил
и технологических регламентов разработаны «Требования по обеспечению
экологической безопасности», которые направлены на предупреждение и минимизацию
неблагоприятного воздействия на окружающую природную среду.
.2 Водопотребление, отведение и очистка сточной воды
предприятия
Вода является одним из наиболее важных ресурсов,
потребляемых предприятием, для поддержания производственных процессов и
санитарно-гигиенических условий производства. Вода поступает на завод из
городского водопровода г. Саратова. Водопотребление из городской системы
водоснабжения:
1
на хозпитьевые
нужды 6528 тм3/год. Из них 6528 тм3/год сточных вод
сбрасывается в централизованную систему городской канализации;
2
на
производственные нужды 2770 тм3/год, вода используется полностью.
Таким образом:
1.
Общее
водопотребление - 9298 тм3/год.
2.
Водопотребление
на производственные нужды составляет 1022,78 тм3/год или 11 % от
общего водопотребления.
3.
Сброс сточных вод
в городскую канализацию - 6528 тм3/год.
4.
Сброс сточных вод
на очистные сооружения - 2960тм3/год.
5.
Ливневые стоки
поступают на локальные очистные сооружения завода.
Сведения о видах сбрасываемых сточных вод и
оборудования, для их очистки приведены в таблице 6.2.1.
Сточные воды, образующиеся в технологических
процессах, административных и хозбытовых зданиях, а также ливневые стоки с
территории предприятия не должны сбрасываться в поверхностные водные объекты,
на рельеф местности без глубокой их очистки до ПДК (0,05 мг/л - по
нефтепродуктам; 2 мг/л - по взвешенным веществам).
Виды сбрасываемых сточных вод и оборудование для их
очистки
Таблица 10.1
|
№ п.п.
|
Источник выбросов
|
Наименование вредных
веществ
|
Допустимое содержание
вредных примесей
|
Оборудование для
обезвреживания
|
|
1
|
Хозяйственная деятельность
(хозбытовые сточные воды)
|
-
|
Определяется владельцем
коммунальных сетей
|
Биологические очистные
сооружения
|
|
2
|
Ливневые стоки
|
Нефтепродукты, механические
примеси
|
0.05 мг/л 2.0 мг/л для
сбросов на рельеф местности
|
Лотки, канализация,
отстойники, флотатор, Фильтр адсорбционный.
|
|
3
|
Производственные сточные
воды цехов, котельной, гаража, склада ГСМ
|
Нефтепродукты, механические
взвешенные вещества
|
0.05 мг/л нефтепродуктов,
2.0 мг/л механических взвешенных веществ для сброса на рельеф местности
|
Лотки, отстойник, флотатор,
фильтр, адсорбер
|
Для предотвращения загрязнения окружающей природной
среды нефтепродуктами, содержащимися в ливневых стоках завод должен иметь:
1
заглубленные
бетонные отстойники для гравитационного отстаивания ливневых сточных вод;
2
ж/б лотки для
сбора ливневых стоков в отстойники;
3
флотатор для
очистки ливневых сточных вод от взвеси и нефтепродуктов;
4
фильтры для
очистки ливневых стоков от взвеси до ПДК 2 мг/л;
5
адсорбционные
фильтры для доочистки ливневых стоков от нефтепродуктов до ПДК 0.05 мг/л в
случае сброса стоков на рельеф местности или в реку.
Для предотвращения загрязнения окружающей природной
среды производственными сточными водами необходимо:
6
ремонтировать, по
мере надобности, ж/б лотки и канализацию для сбора производственных стоков
(пс);
7
направлять пс в
отстойники для предварительного отделения минеральных взвешенных веществ и
нефтепродуктов;
8
для повышения
эффективности очистки воды от нефтепродуктов установить в отстойниках
кавитационные эжекторы;
9
пену,
образующуюся при работе эжекторов и содержащую нефтепродукты и взвешенные
вещества собирать в специальные емкости, а затем сдавать специализированным
предприятиям;
10 после отстойников для доочистки
направить воду во флотатор, оборудованный кавитационными эжекторами;
11 очищенную воду, по возможности, использовать
в технологических процессах.
Запрещается сбрасывать производственные сточные воды в
канализацию без локальной очистки от нефтепродуктов до уровня, требуемого
владельцем канализационной системы, или в реку без очистки до ПДК.
.3 Мероприятия по снижению воздействия на атмосферный
воздух
Сведения об основных выбросах и мероприятиях по их
уменьшению сведены в таблицу 10.2
Основные выбросы стационарных и передвижных источников
завода, средства и мероприятия по их уменьшению
Таблица 10.2
|
№п/п
|
Источник выбросов
|
Наименование вредных
выбросов
|
Класс опасности
|
Разрешенный выброс, г/сек
|
ПДК Среднесуточный,
мг/м3
|
Оборудование для
обезвреживания
|
|
1
|
Склад древесины
|
Пыль древесная
|
ОБУВ
|
0,054
|
0.100
|
Фильтры рукавные и
электростатического улавливания
|
|
2
|
Деревообрабатывающий цех
|
Пыль древесная
|
ОБУВ
|
0,054
|
0.100
|
|
|
3
|
Котельная:
|
Сажа, оксид азота, пыль
|
3, 2,3
|
0,0088; 0,28363; 0.14293
|
0.05, 0.03, 0.05
|
Циклон, мокрый скруббер
|
|
4
|
Ремонтно-механический цех
|
Пыль абразивная, сажа,
оксид азота, оксид серы
|
3,3,2,3
|
0,00364; 0,0088; 0.14293;
|
0.04, 0.05, 0.03, 0.05
|
Циклон, адсорбер,
каталитический фильтр
|
|
5
|
Автотранспортный тепловоз
|
Сажа, оксид углерода,
диоксид
|
3, 4, 2, 4
|
0.14293; 0.004; 0,0564;
0,0065
|
0.03, 3.00, 0.03, 1.00
|
Нейтрализаторы
|
|
|
азота, углеводороды
|
|
|
|
|
|
6
|
Склад ГСМ
|
Углево- дороды
|
4
|
0,0065
|
1.00
|
Адсорбционный фильтр
|
|
7
|
Столярный цех
|
Пыль древес- ная
|
ОБУВ
|
0,054
|
0.100
|
Циклон
|
|
8
|
Дозировочно-смесительный
цех
|
Пыль н/орг. двуок. кремния
>70%
|
3
|
0,4224
|
0.115
|
Циклон, мокрый скруббер
|
|
9
|
Стекловарен-ная печь
|
Пыль н/орг. двуок. кремния
>70% , диоксида азота, оксида азота, оксида углерода, сажа
|
3, 2, 3, 2 3
|
0,4224; 0,0564; 0,0088;
0.004; 0.14293
|
0.115 0.002 0.002 0.0003
0,089
|
Кирпичная труба
|
|
|
|
|
|
|
|
|
Перечень и количество загрязняющих веществ,
разрешенных к выбросу в атмосферу сведены в таблицу 10.3
Перечень и количество загрязняющих веществ,
разрешенных к выбросу в атмосферу Таблица 10.3
|
Загрязняющее вещество
|
Суммарный выброс
|
Вид норматива (ПДВ/ВСВ)
|
|
Всего
|
|
|
г/сек
|
т/год
|
|
|
Азота диоксид
|
0.0187
|
0.1242
|
пдв
|
|
Марганец и его соединения
|
0.0113
|
0.0712
|
пдв
|
|
Алюминия оксид
|
0.0250
|
0.090
|
пдв
|
|
Ангидрид сернистый
|
0.005
|
0.0180
|
пдв
|
|
Ксилол
|
0.0425
|
0.0488
|
пдв
|
|
Толуол
|
0.0471
|
0.0031
|
пдв
|
|
Этилбензол
|
0.0016
|
0.0001
|
пдв
|
|
Железа оксид
|
0.009
|
1.312
|
пдв
|
|
Сажа
|
0.14293
|
0.0324
|
пдв
|
|
Пыль н/орг. двуок. кремния
>70%
|
1.33592
|
1.275
|
пдв
|
|
Пыль н/орг. Двуок. кремния
20-70%
|
0.03874
|
5.1171
|
пдв
|
|
Пыль н/орг. Двуок. кремния
<20%
|
0.0982
|
0.2371
|
пдв
|
|
Взвешенные вещества
|
0.0130
|
0.4556
|
пдв
|
|
Углерода оксид
|
0.004
|
0.0492
|
пдв
|
|
Бутилацетат
|
0.0044
|
0.0037
|
пдв
|
|
Спирт изобутиловый
|
2.947
|
0.0072
|
пдв
|
|
Пентан
|
0.0785
|
0.1991
|
пдв
|
|
Амилены (смесь изомеров)
|
0.001
|
0.0011
|
пдв
|
|
Углеводороды предельные
С12-С19
|
0.00283
|
0.0128
|
пдв
|
|
Масло минеральное нефтяное
|
0.0188
|
0.0101
|
пдв
|
|
Уайт-спирит
|
0.0160
|
0.0294
|
пдв
|
|
Пыль древесная
|
0.0574
|
0.3098
|
пдв
|
|
Пыль абразивная
|
0.0007
|
0.00086
|
пдв
|
|
Всего: 5.22082 9.47786
|
На заводе установлено несколько видов газоочистных
установок:
1. Установка сухой инерционной очистки воздуха. Она
выполнена: первая ступень - 6 циклонов БЦ-250, вторая ступень - фильтр СМЦ-166 и
предназначена для улавливания пыли от сырьевых материалов и аналогичная
установка для улавливания древесной пыли.
2. Установка сухой инерционной очистки аспирационного
воздуха, выполнена двумя циклонами БЦ-500 и рукавным фильтром СМЦ-166. Она
предназначена для улавливания пыли от сырьевой смеси в момент ее приготовления,
выделяющейся при работе оборудования обрабатывающего эти материалы.
10.4 Защита от акустического загрязнения окружающей
среды
Уровень шума, создаваемый маневровыми тепловозами
ремонтно-механическим цехом и компрессорной завода, должен соответствовать
требованиям, изложенным в «Санитарных нормах проектирования промышленных
предприятий» (СН 245-7) и «Санитарных правилах организации технологических
процессов и гигиенических требованиях к производственному оборудованию» №
1042-73 от 04.04.2002 Минздрава.
Для снижения шума устраивают звукоизолирующие кожухи,
которые позволяют снизить уровень шума на 10-15 дБ и на высоких частотах - до
20 дБ.
Снижение воздушного шума на 5 - 6 дБ достигается путем
облицовки внутренних поверхностей стен звукопоглощающими материалами или
заполнением регенерирующей пеной.
Для приглушения шумов, происходящих в дозировочных,
смесительных отделениях производится акустическая обработка стен и потолков.
10.5