Расчет и исследование прицельных поправок воздушной стрельбы
Курсовая
работа
по дисциплине
Бортовые
информационно-управляющие средства оснащения ЛА
Расчет и
анализ прицельных поправок воздушной стрельбы
Содержание
1. Задание
2. Векторная
схема и векторное уравнение задачи прицеливания
. Составление
скалярных уравнений задачи прицеливания
. Вычисляемые
величины
. Расчет
дополнительных параметров условий стрельбы
. Расчет и
анализ прицельных поправок
6.1 Расчет упрежденной
дальности
, времени полета
и
понижения снаряда
.2 Расчет прицельных поправок
воздушной стрельбы
7. Итоговая
таблица и анализ
.
Функциональная схема прицельной системы
.
Используемая литература
прицеливание
стрельба поправка
1. Задание
Характеристика цели. Цель № 4 - самолет, выполняющий полет по дуге
окружности в плоскости, параллельной плоскости ОX1Z1.
Начальные условия. Вариант №2. Н=15 км, V=800 км/час, Vц=900
км/час, D=600 м, β=130 град, ε=-60 град, βvц=-60 град, βjц=-30 град, εjц=25 град, n=4,5. αат=2º30’
град, βск=0º30’
град.
Вводимые величины. Вариант № 3. C=2 м2/кг, 10-5
Cb=7 с/м, C2=0.9, V0=900
м/с, Ввx1=25 м, Ввy1= -2 м, Ввz1= 3 м.
Выведем проекцию векторного уравнения прицеливания на ось OYD.
Скалярно
умножим все орты векторного уравнения на орт
: Определим проекции всех ортов уравнения 17 на ось OYD:
. 
.
С учетом малости углов атаки и скольжения:
.
.
.
.
7.
8.
Таким образом, получаем:
2. Векторная схема и векторное уравнение задачи прицеливания
прицеливание стрельба поправка
Векторная схема задачи прицеливания при стрельбе из авиационного
артиллерийского оружия подвижной пушечной установки (ППУ) с использованием
визирной системы оптической прицельной станции бомбардировщика представлена на
рис. 1.
На рис. 1. приняты следующие обозначения:
ВП,
О, Ц
- положения визирно-прицельной подсистемы, снаряда и
цели в момент выстрела соответственно;
-
положение цели и снаряда через время его полета Т;
- вектор
выноса визирной системы относительно оружия;
- вектор
понижения снаряда вследствие действия силы тяжести ;
- вектор
смещения снаряда вследствие проявления бортового эффекта;
- вектор
перемещения цели за время Т полета снаряда;
-
векторы дальности до цели, фактической упрежденной дальности и требуемой
(расчетной) упрежденной дальности снаряда;
-
векторы начальной скорости снаряда относительно самолета, воздушной скорости
самолета и скорости снаряда относительно воздуха (абсолютной скорости снаряда);
- вектор
дальность полета снаряда по направлению вектора
;
- вектор
промаха;
-
бортовой угол стрельбы.
Из
рисунка следует, что для рассматриваемой прицельной схемы вектор промаха
будет определяться из следующего соотношения:
,
где
векторы
и
определяются
по формулам:
,
.
Условием
задачи прицеливания является минимизация вектора промаха. Положим, что вектор
промаха равен нулю, т.е.
. Откуда следует, что для решения задачи прицеливания
вектор
должен быть равен расчетному (требуемому) вектору
, т.е.
Так
как векторы понижения снаряда
и
бортового эффекта
малы по сравнению с вектором дальности стрельбы
, то направление вектора
, как следует из второго уравнения (2), определяется
единичным вектором
, который выражается зависимостью:
,
где
,
-
векторы, записанные через орты осей систем координат, которые связаны с этими
векторами.
Тогда
.
Из
(3) следует, что направление вектора
можно
изменять векторами
или
. Так как
оружие подвижно, то изменение направления вектора
может быть достигнуто достаточно быстро поворотом
вектора
оси
,
направленной по оружию, т.е. путем поворота оружия подвижной пушечной
установки.
Таким
образом, для попадания снаряда в цель необходимо фактическое конечное положение
снаряда (т.
) совместить с требуемым положением (т.
), что согласно формулам (2) состоит в реализации
равенства
. (4)
В
силу того, что модули векторов понижения снаряда
и
бортового эффекта
оказываются меньше ошибок измерения дальности, то эти
векторы можно не учитывать при определении модуля
и тогда вектор дальности стрельбы
по модулю приближается к модулю вектора упрежденной
дальности. Будем считать, что
С
учетом уравнений (3), (4), (5) исходное векторное уравнение задачи прицеливания
примет вид:
.
,
где
- орт системы координат “
”, связанной с оружием и ориентированной относительно
базовой (самолетной) системы координат бортовым углом
и углом места оружия
, которые
определяют потребное направление оружия ППУ;
,
где
- орт системы координат “
”, связанной с вектором воздушной скорости
летательного аппарата
. Систему координат “
”
называют скоростной или поточной системой координат. Базовая система координат
ориентирована относительно поточной углами скольжения
и атаки
;
где
- орт наземной (стартовой) системы координат “0”. Оси
базовой системы координат ориентированы относительно наземной курсовым углом
, углом тангажа
и углом
крена
. Считая углы крена, тангажа и рысканья малыми, можно
принять
.
,
где
- множитель при векторе бортового эффекта
;
-
коэффициент бортового эффекта; вектор
представлен
проекциями на оси базовой системы координат (с учетом малости углов атаки и
скольжения можно считать, что
);
,
где
- орт лучевой (визирной) системы координат “D” -
системы координат, связанной с вектором дальности. Система “D”
ориентирована относительно осей базовой бортовым углом
и углом места цели
.
Вектор
выноса визирного устройства относительно оружия в самолетной системе координат
может быть записан в виде

.
Для
рассматриваемой гипотезы движения цели - маневр по дуге окружности с угловой
скоростью W - вектор перемещения цели
за время полета снаряда T может быть
представлен в виде:

где
,
.
Для
синхронного способа определения скорости и ускорения цели имеем следующие
формулы:
,
.
Подставляя уравнения 7-16 в уравнение 6 и учитывая малость углов атаки и
скольжения получаем следующее векторное уравнение задачи прицеливания:
Решая
систему скалярных уравнений, получаемых проецированием векторного уравнения
(17) на оси лучевой системы координат при условии полного замыкания системы,
т.е. написания недостающих уравнений для скалярных величин, можно найти
потребные бортовой угол
и угол места
оружия
ППУ.
3.
Составление скалярных уравнений задачи прицеливания
В
прицельных системах реализуется система скалярных уравнений задачи
прицеливания. Для любой прицельной системы составление скалярных уравнений
начинается с записи выражений для параметров прицеливания. Параметрами
прицеливания будем называть такие итоговые величины, которые в конце решения
задачи прицеливания должны принять нулевые значения. Если параметры
прицеливания могут быть вычислены, то задача прицеливания решается
автоматически или вручную. Если же эти параметры не могут быть вычислены, то
такая задача решается только вручную.
В
рассматриваемой задаче прицеливания в качестве параметров прицеливания должны
быть приняты рассогласования (
и
) между потребными и фактическими углами поворота
оружия
,
,
где
- потребные бортовой угол и угол места оружия;
,
-
фактические бортовой угол и угол места оружия (разности этих углов в виде
напряжения могут быть замерены на входе электронного усилителя следящего
привода подвижной пушечной установки). Уравнения (18) являются исходными
уравнениями системы скалярных уравнений.
Продолжим
составление системы скалярных уравнений, представив ее в замкнутом виде.
Замкнуть систему скалярных уравнений - это значит представить все промежуточные
определяемые скалярные параметры в конечном счете через измеряемые и
устанавливаемые величины.
Потребные
углы
определяются по формулам
,
,
где
и
-
бортовой угол и угол места цели (вектора
);
,
-
прицельные поправки воздушной стрельбы. Физически поправки
,
определяют
углы между потребным направлением оружия и фактическим направлением на цель,
т.е. вектором дальности до цели.
Углы
и
измеряются
при помощи обзорно-визирной системы в процессе сопровождения цели (при
совмещении визирной линии авиационной прицельной системы с направлением на
цель).
Прицельные
поправки
,
и модуль
упрежденной дальности
определяются соответственно из следующих формул:
.
Формулы
(20),(21),(22) получаются при проецировании исходного векторного уравнения (17)
соответственно на оси
лучевой системы координат.
Для
получения проекции векторного уравнения на ось необходимо скалярно умножить обе
части этого уравнения на орт соответствующей оси, т.е скалярно умножить все
векторы уравнения на орт соответствующей оси.
При
этом
, так как
скалярное произведение
равно косинусу угла между соответствующими векторами,
а этот угол, определяемый прицельными поправками
, мал (
). Для упрощения скалярное произведение
принимается постоянной величиной, согласно заданию
равной 0.9. При этом ошибка, вычисленная даже при максимальных
значениях угла
, не превосходит 3%.
Время
полета T и понижение снаряда η определяются по упрощенным зависимостям, в которых
сопротивление воздуха учитывается табличными двухпараметрическими функциями
,
.
Приведенный
баллистический коэффициент CH вычисляется
по формуле
,
где
С- баллистический коэффициент снаряда, Н(Н) - функция изменения плотности по
высоте полета ЛА (в курсовой работе эта высота задана).
Проекции
вектора ускорения цели на оси системы ''D'' при
измерении параметров движения цели синхронным способом могут быть вычислены по
формулам
,
,


,
где
- проекции ускорения самолета на оси системы ’’D”. Вычисление проекций вектора
ускорения самолета на оси системы ''D'' выполняется в соответствии с формулой
,
. Вычисляемые величины
|
величины
|
|
параметры прицеливания -
рассогласования между потребным и фактическим бортовым углом и углом места
оружия;
|
|
|
потребные бортовой угол и угол
места оружия;
|
|
|
прицельные поправки воздушной
стрельбы;
|
|
|
упрежденная дальность;
|
|
|
баллистические элементы - понижение
и время полета снаряда;
|
|
|
абсолютная скорость снаряда
(скорость снаряда относительно воздуха);
|
|
|
бортовой угол стрельбы (угол между
векторами и );
|
|
|
приведенный баллистический
коэффициент;
|
|
|
|
проекции ускорения цели на оси системы координат “D”;
|
Измеряемые величины
|
величины
|
измерители
|
|
|
фактические бортовой угол и угол места оружия;
|
сельсинная связь измерителя рассогласования ППУ;
|
|
|
|
|
углы атаки и скольжения;
|
датчики углов атаки и скольжения, ДУАС;
|
|
углы тангажа и крена;инерциальная система; самолетная
гироскопическая курсо-вертикаль (СКВ);
|
|
|
|
проекции вектора абсолютной угловой
скорости визирной линии на оси системы координат “ D ”;датчики угловых скоростей (ДУС), установленные по
соответствующим осям системы координат “D”;
|
|
|
|
проекции вектора абсолютного
углового ускорения визирной линии на оси системы координат “D”;угловые акселерометры или
дифференцирующие звенья, на вход которых подаются угловые скорости ;
|
|
|
|
дальность до цели и ее
производные;радиодальномер и дифференцирующие звенья, на вход которых
подаются соответственно ;
|
|
|
|
проекции вектора ускорения самолета
на оси базовой системы координат ''1'';акселерометры, установленные по
соответствующим осям системы координат “1 ”;
|
|
|
высота и
воздушная скорость полета самолета;баро-радиовысотомер и датчик воздушной
скорости
|
системы воздушных сигналов (СВС).
|
|
|
Устанавливаемые величины
|
величины
|
|
С
|
баллистический коэффициент;
|
|
V0
|
начальная скорость снаряда;
|
|
Сb
|
коэффициент второго проявления бортового эффекта;
|
|
С2
|
постоянная величина, равная среднему значению косинуса угла
между векторами и ;
|
|
вx1, вy1 ,вz1
|
проекции вектора выноса визирной системы относительно места
расположения оружия - берутся из конструкционного чертежа самолета.
|
5. Расчет дополнительных параметров условий стрельбы
Дополнительными
параметрами условий стрельбы являются скорость сближения с целью
и проекции абсолютной угловой скорости визирной линии
. В курсовой работе эти параметры необходимо
вычислять. Формулы для вычисления дополнительных параметров могут быть получены
из уравнения (15) для вектора скорости цели в случае ее определения синхронным
способом.
.
Векторы
записываются через единичные векторы системы ''D'' в
следующем виде:
,
,
где
- проекции скорости цели на оси системы координат “D”,
- проекции
скорости самолета на оси системы координат “D ”.
Решая
совместно (27),(28),(29),получим
.
Умножив
скалярно уравнение (30) последовательно на орты осей системы координат “D”,
получим следующие зависимости для определения искомых параметров
,
,
.
Для
определения проекций вектора
поступаем
следующим образом. Введем систему координат
,
связанную с вектором воздушной скорости цели
. Система
координат ''
'' получается путем поворота базовой системы координат
на углы
. Тогда проекции вектора
на оси системы координат “D” могут быть
определены путем перемножения следующих матриц преобразования координат
.
где
Vц -
заданное значение скорости цели;
-
матрица перехода от системы '' 1'' к системе ''D'',
определяемая углами β и ε;
- матрица перехода от системы ''
'' к системе ''1'', определяемая углами
.
Проекции
вектора
на оси системы ''D'' могут быть
определены из произведения следующих матриц
,
Где
- матрица перехода от системы ''
'' к системе ''1'', определяемая углами атаки и
скольжения.
Так
как для расчета дополнительных параметров можно сделать допущения
(из-за малости углов атаки и скольжения), то
.
Проведем
необходимые расчеты для векторов
:
Вектор
вычислим с учетом малости углов атаки и скольжения.
Найдем
искомые параметры:
-19.2 м/с
-0.0231
рад/с
-0.1475
рад/с
В
расчетных формулах (20) - (22), определяющих параметры Δβ и Δε и
Dу , также
имеются проекции ускорения цели
на оси
лучевой системы координат “D”. Эти проекции в прицельной системе должны
вычисляться по формулам (25) в зависимости от измеряемых и вычисляемых
параметров
.
В
курсовой работе проекции ускорений вычисляются в зависимости от заданных
параметров условий стрельбы, точнее, в зависимости от заданной величины
ускорения цели и ориентации вектора
в
системе “D”.
Введем
систему координат
, связанную с вектором ускорения цели
, которая получается путем поворота базовой системы
координат на углы
. Тогда проекции ускорения цели
в системе “D” могут быть определены путем
перемножения следующих матриц преобразования координат вектора
:
,
где
- транспортированная матрица перехода от системы
координат ''1'' к системе координат ''
'',определяемая
углами
.
Для
цели, выполняющий полет по дуге окружности в плоскости, параллельной плоскости
ОX1Z1,
требуется рассчитать ускорение по следующим формулам:
где
n - перегрузка самолета-цели на развороте.
Проведем
необходимые расчеты для вектора
:
м,
м/c2.
6. Расчет и анализ прицельных поправок
Расчет
прицельных поправок выполняется в два этапа. На первом этапе выполняется расчет
методом последовательных приближений упрежденной дальности
, времени полета снаряда
и понижения
, которые
не зависят от поправок
. На втором этапе также методом последовательных
приближений выполняется расчет прицельных поправок воздушной стрельбы
с учетом вычисленных параметров
,
и
.
6.1
Расчет упрежденной дальности
, времени
полета
и понижения снаряда
Последовательность
расчета параметров
,
и
:
.
Вычисление приведенного баллистического коэффициента производится по формуле
.
При
заданном по условию курсовой работы значении баллистического коэффициента С и
найденном по таблице значении функции изменения плотности воздуха по высоте
полета самолета H(Н) вычисляется значение приведенного баллистического
коэффициента
.
.
Вычисление скорости снаряда относительно воздуха (абсолютной скорости)
производится по формуле
3.
Вычисление дополнительных параметров
,
и
В
качестве первого приближения упрежденной дальности берется дальность до цели
.
Вычисление
двухпараметрической табличной функции сопротивления воздуха.
Вычисляется
один из параметров табличной функции сопротивления
.
По
параметрам
и
в
таблице находится значение функции
. Если значение функции
для
полученных параметров
и
не
совпадает с узловыми точками, приведенными в таблице (параметры
и
имеют
промежуточные значения в таблице), то проводится линейная интерполяция. Ниже
приведен пример определения двухпараметрической функции
методом линейной интерполяции.
где
- разности узловых значений параметров,
- разности узловых значений параметров,
и
- полученные на текущей итерации значения
соответствующих параметров.
Находим
время полета снаряда после первого приближения
Определяем
второе приближение упрежденной дальности по зависимости, полученной из формулы
(22), при условии малости значений понижения снаряда и бортового эффекта.
Находим
второе приближение параметра
и второе
приближение табличной функции
.
Вычисляем
второе приближение времени полета снаряда
Процесс
приближения заканчивается тогда, когда последующее приближение будет отличаться
от предыдущего на четвертую цифру после запятой. Для упрощения расчетов
ограничимся третьим приближением.
Находим
понижение снаряда с учетом полученных выше значений по формуле
По
параметрам
и
в
таблице находится значение функции
. Если
значение функции
для полученных параметров
и
не
приведено в таблице (параметры
и
имеют промежуточные значения в таблице), то
проводится линейная интерполяция.
Для
расчетов прицельных поправок
,
определяющих углы между потребным направлением оружия и фактическим направлением
на цель, берутся значения последнего приближения.
Проведем
необходимые вычисления:
.
;
.
м\с
. Вычисление
,
и
.
.1.
,
,
.
3.2.
,
,
3.3.
.
3.4.
,
,
,
,
,
.
,
,
,
,
.
.2 Расчет прицельных поправок воздушной стрельбы
Прицельные
поправки
определяются из формул (20),(21).
Представим
уравнение (2.19) в следующем виде:
где
- параметр в формуле (45);
- слагаемое, учитывающее влияние на прицельную
поправку i -ого фактора.
После
преобразования формулы (21) выражения для слагаемых
принимают вид

Решим
уравнение (20) относительно
,
представив его в следующем виде:
(48)
где
,
-
делитель в формуле (48) и слагаемое, учитывающее влияние на прицельную поправку
фактора.
После
преобразования формулы (20) выражения для слагаемых
будут иметь вид
Из
полученных формул видно, что в процессе приближений уточняются только слагаемые
Б и N, а суммы
и
неизменны.
Последовательность
вычисления прицельных поправок:
Вычисляем
отдельно слагаемые
и их сумму.
Вычисляем
отдельно слагаемые
и их сумму
.
При
вычислении параметра N, входящего в формулу (4.9), делаем первое приближение
.
Тогда
Определяем
первое приближение угловой поправки воздушной стрельбы
в виде
Находим
первое приближение величины Б, входящей в формулу (45),
.
Вычисляем
второе приближение угловой поправки
.
Находим
второе приближение параметра N
Вычисляем
второе приближение прицельной поправки
.
Находим
второе приближение величины Б
.
Вычисляем
третье приближение угловой поправки
.
Вычисление
прицельных поправок заканчивается на четвертой итерации (все вычисления
выполняются с точностью до второго знака числа).
Прицельные
поправки воздушной стрельбы, бортовой угол и угол места визирной линии
используются для определения потребных значений бортового угла и угла места
оружия.
Проведем
требуемые расчеты:
рад/с,
,
,
,
,
,
,
,
,
,
,
,
,
,
,
,
,
,
,
,
,
,
,
,
.
Определим
угловые поправки
итеративным способом:
.
,
,
,
.
,
,
.
3.
,
,
.
4.
,
,
,
7. Итоговая таблица и анализ
|
Источник поправки
|
|
|
|
|
|
|
Значение  Значение
|
|
|
|
1.
|
Движение цели
|
|
-0.0163
|
|
0.2029
|
|
2.
|
|
|
0.0023
|
|
-0.0106
|
|
3.
|
Угол атаки
|
|
-0.0002
|
|
0
|
|
4.
|
Угол скольжения
|
|
0.00002
|
|
0
|
|
5.
|
Ускорение цели
|
|
-0.0097
|
|
-0.0112
|
|
6.
|
|
|
0.0129
|
|
-0.0601
|
|
7.
|
|
|
-0.0016
|
|
0
|
|
8.
|
|
|
0.0018
|
|
0.0061
|
|
9.
|
Бортовой эффект
|
|
0.0051
|
|
0.0239
|
|
10.
|
Понижение
|
|
0.0021
|
|
0
|
|
11.
|
Согласующее слагаемое
|

|
-
|
-
|
Анализируя
таблицу, очевидно, что наибольшее влияние на
оказывает
движение цели и вынос оружия. Наибольшее влияние на
оказывает движение цели, второе проявление бортового
эффекта и вынос оружия.
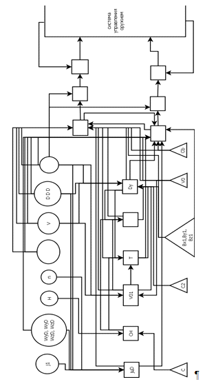
8. Функциональная схема прицельной системы
9. Используемая литература
1. Г.А.
Жуков. Учебное пособие по выполнению курсовой работы «Расчет и анализ
прицельных поправок воздушной стрельбы». - М.: МАИ
2. Г.А.
Жуков. Основы теории воздушной стрельбы: Учебное пособие. - М.: Изд-во
МАИ_ПРИНТ, 2008. - 160 с.