Конструирование четырехтактного двигателя внутреннего сгорания с одним цилиндром, работающего по схеме вращающегося цилиндра-клапана
Общая
характеристика работы
Объектом проектирования является четырёхтактный
двигатель внутреннего сгорания с одним цилиндром, работающий по схеме
вращающийся цилиндр-клапан
Актуальность темы.
С каждым годом всё большее распространение находят малолитражные виды
транспорта, такие, как мотоциклы, скутеры, мопеды самокаты и т.д. Объясняется
это рядом причин. Во-первых, это модно среди молодёжи. Во-вторых, такой вид
транспорта удобен как в эксплуатации, так и в обслуживании. Ну и, в-третьих,
конечно же, он дёшев. Двигатели в таких видах транспорта как скутер, например,
составляет немалую часть стоимости. Но и экономичность для них играет не
последнюю роль. И какой владелец пусть даже самого заурядного скутера не хочет,
чтобы его транспорт был всё-таки помощнее? Поэтому, там где нужно больше
удельной мощности выбирают двухтактный двигатель в ущерб экономичности, а там
где нужна экономичность, выбирают четырёхтактный, но уже в ущерб удельной
мощности.
Поэтому актуальным становиться вопрос о том, каким образом объединить
преимущества двухтактного и четырёхтактного двигателя.
Целью работы является разработка конструкции двигателя, тепловой расчет и
баланс двигателя, динамический и кинематический расчет, расчет на прочность
основных деталей двигателя, экономическое обоснование выбора двигателя данной
конструкции, обоснование использования конструкции ДВС с использованием схемы
вращающийся цилиндр-клапан на основании расчётов.
Методика работы основана на использовании курсов "Методы инженерного
проектирования", "Детали машин", "Основы организации
производства", "Динамика и прочность ДВС", "Проектирование ДВС".
На защиту выносятся:
Принципиальная схема ДВС.
Тепловой расчёт
Кинематический и динамический расчет.
Расчет на прочность.
Общая компоновка двигателя.
Анимация принципиальной схемы работы двигателя
Практическая ценность
Работа может быть использована для создания опытного образца двигателя.
Публикации
Публикаций нет.
Содержание
Введение
1. ИНФОРМАЦИОННЫЙ ОБЗОР
.1 Предпосылки к созданию нового вида двигателя
.2 Схема работы двигателя
. ПОСТАНОВКА ЗАДАЧИ И ОПИСАНИЕ ДВИГАТЕЛЯ
.1 Техническое задание
.2 Характеристика
2.3 Безопасность конструкции
.4 Ресурсные испытания
.5 Описание двигателя
.6 Сравнительные характеристики
. ВНЕШНЯЯ СКОРОСТНАЯ ХАРАКТЕРИСТИКА ОБЫЧНОГО КЛАПАННОГО АНАЛОГА ДВИГАТЕЛЯ
. РАСЧЁТ ДВИГАТЕЛЯ
.1 Тепловой расчёт двигателя
.2 Кинематический расчёт КШМ и динамический расчёт двигателя
. РАСЧЁТ НА ПРОЧНОСТЬ ОСНОВНЫХ ДЕТАЛЕЙ ДВИГАТЕЛЯ
.1 Расчёт на прочность элементов поршневой группы
.2 Расчёт на прочность деталей шатунной группы
.3 Расчёт коленчатого вала
. ЭКОНОМИЧЕСКАЯ ЧАСТЬ. БИЗНЕС ПЛАН
6.1 Общая часть
6.2 Общая характеристика продукции
6.3 Текущая маркетинговая ситуация
6.4 Планируемая ёмкость рынка
.5 Расчёт себестоимости двигателя
6.6 Финансовый план
6.7 Определение точки безубыточности
7. БЖД. ЭРГОНОМИКА РАБОЧЕГО МЕСТА ИНЖЕНЕРА
КОНСТРУКТОРА
.1 Введение
7.2 Эргономика рабочего места
7.3 Требование к мониторам (ВДТ) и ПЭВМ
7.4 Обеспечение визуальных и эргономических параметров
7.5 Микроклимат рабочего помещения
7.6 Шум и вибрация
7.7 Электробезопасность
7.8 Источники излучения
7.9 Освещение
7.10 Вентиляция
7.11 Пожаробезопасность оператора вычислительных машин
7.12 Заключение по разделу
Заключение
Библиографический список
Приложения
Введение
Двигатель внутреннего сгорания - это сложный механизм, превращающий
внутреннюю тепловую энергию в механическую. Другими словами, энергия топлива
переходит во внутреннюю энергию газа, а газ, расширяясь, совершает работу,
движет поршень. Так внутренняя энергия газа превращается в кинетическую энергию
поршня.
Двигатели, в которых механическая работа создается в результате
преобразования тепловой энергии, называются тепловыми. Тепловая энергия
получается при сжигании какого-либо топлива. Тепловой двигатель, в котором часть
химической энергии топлива, сгорающего в рабочей полости, преобразуется в
механическую энергию, называется поршневым двигателем внутреннего сгорания.
(Советский энциклопедический словарь)век - это мир техники. Могучие машины
добывают из недр земли миллионы тонн угля, руды, нефти. Мощные электростанции
вырабатывают миллиарды киловатт-часов электроэнергии. Тысячи фабрик и заводов
изготавливают одежду, радиоприемники, телевизоры, велосипеды, автомобили, часы
и другую необходимую продукцию. Телеграф, телефон и радио соединяет нас со всем
миром. Поезда, теплоходы, самолеты с большой скоростью переносят нас через
материки и океаны. А высоко над нами, за пределами земной атмосферы, летают
ракеты и искусственные Спутники Земли. Все это действует при помощи энергии. А
так как двигатели внутреннего сгорания очень хорошо преобразуют энергию топлива
в механическую, а затем и в другие виды энергии, то они получили очень большое
применение в различных областях человеческой деятельности.
Быстрое распространение ДВС в промышленности, на транспорте, в сельском
хозяйстве и стационарной энергетике была обусловлена рядом их положительных
особенностей. Осуществление рабочего цикла ДВС в одном цилиндре с малыми
потерями значительным перепадом температур между источником теплоты и
холодильником обеспечивает высокую экономичность этих двигателей.
Высокая экономичность - одно из положительных качеств ДВС. Среди ДВС
дизель в настоящее время является таким двигателем, который преобразует
химическую энергию топлива в механическую работу с наиболее высоким КПД в
широком диапазоне изменения мощности. Это качество дизелей особенно важно, если
учесть, что запасы нефтяных топлив ограничены.
К положительным особенностям ДВС стоит отнести также то, что они могут
быть соединены практически с любым потребителем энергии. Это объясняется
широкими возможностями получения соответствующих характеристик изменения
мощности и крутящего момента этих двигателей.
Сравнительно невысокая начальная стоимость, компактность и малая масса
ДВС позволили широко использовать их на силовых установках, находящих широкое
применение и имеющих небольшие размеров моторного отделения.
Установки с ДВС обладают большой автономностью. Даже самолеты с ДВС могут
летать десятки часов без пополнения горючего. Важным положительным качеством
ДВС является возможность их быстрого пуска в обычных условиях. Двигатели,
работающие при низких температурах, снабжаются специальными устройствами для
облегчения и ускорения пуска. После пуска двигатели сравнительно быстро могут
принимать полную нагрузку. ДВС обладают значительным тормозным моментом, что
очень важно при использовании их на транспортных установках.
Таким образом стационарные двигательные установки и в будущем будут иметь
широкую перспективу применения в различных областях деятельности человека. К
тому же учитывая стоимость зарубежных установок, можно говорить о возникшей
потребности в разработке новых моделей стационарных двигателей.
Исходя из назначения двигателя выставляются следующие критерии: низкая
стоимость, надежность, ремонтопригодность, простое и дешевое обслуживание.
Но прогресс на месте не стоит, и на смену старым приходят новые
двигатели. Более совершенные, более экономичные и надёжные. Возможно, новейшая
английская разработка - двигатель, представленный в моём дипломном проекте в
ближайшем будущем получит огромное распространение в классе малолитражных
двигателей благодаря своим неоспоримым преимуществам.
1.
ИНФОРМАЦИОННЫЙ ОБЗОР
1.1
Предпосылки к созданию нового вида двигателя
На первый взгляд кажется, что предложенное англичанами серьёзное
изменение в привычной всем конструкции ДВС - это шаг в сторону сложности. Но
потом понимаешь - совсем наоборот. Новый тип мотора надёжнее и эффективнее
прежнего. Главное, что это вовсе не бумажный проект
Британская компания RCV Engines была создана в 1997 году специально для
проработки, испытаний и, наконец, продвижения на рынок всего одного
изобретения. Оно, собственно, и зашифровано в названии фирмы: "Вращающийся
цилиндр-клапан" (Rotary Cylinder Valve - RCV).
К настоящему времени базирующаяся в Вимборне компания не только отладила
технологию, но доказала работоспособность этой новой концепции. Она уже
наладила серийный выпуск линейки маленьких четырёхтактных (обратите внимание)
моторчиков с рабочим объёмом от 9,5 до 50 "кубиков", предназначенных
для авиамоделей, газонокосилок, ручных мотопил и подобной техники.
Но вот 1 февраля 2006 года компания презентовала первый образец
125-кубового двигателя для скутеров, благодаря чему дала многим людям повод
впервые познакомиться с этой мало известной пока технологией - RCV.
Один из маленьких движков от RCV Engines, предназначенный для
авиамоделей. Он также построен по фирменной технологии RCV. Объём - 10
кубических сантиметров, мощность на валу - 670 ватт (0,9 "лошадок"),
вес - 570 граммов.
Комментируя релиз новинки, управляющий директор RCV Engines Эрик Хилл
(Eric Hill) сказал: "Технология RCV - существенное новшество, которое
прокладывает путь к новому поколению двигателей для самых разных прикладных
секторов. Двигателей более экономичных и с меньшими
выбросами загрязняющих веществ".
Также авторы изобретения заявляют о снижении себестоимости движков (на
несколько процентов) за счёт сокращения числа деталей, и повышении их удельной
мощности как на единицу объёма, так и на единицу веса, по сравнению с аналогами
того же класса (процентов на 20). [11]
1.2
Схема работы двигателя
Итак, перед нами четырёхтактный двигатель, в котором нет привычных
клапанов и всей системы их привода. Вместо них британцы заставили работать
распределителем газов сам рабочий цилиндр двигателя, который в моторах RCV
вращается вокруг своей оси.
Поршень при этом совершает точно те же движения, что и раньше. А вот
стенки цилиндра вращаются вокруг поршня (цилиндр закреплён внутри мотора на
двух подшипниках).
С края цилиндра устроен патрубок, который попеременно открывается к
впускному или выпускному окну. Предусмотрено тут и скользящее уплотнение,
работающее аналогично поршневым кольцам - оно позволяет цилиндру расширяться
при нагревании, не теряя герметичность.
В свече зажигания применён скользящий графитный контакт, хорошо знакомый
автомобилистам по старым механическим распределителям зажигания.
Приводят цилиндр во вращение всего три шестерёнки: одна на цилиндре, одна
на коленчатом валу и одна - промежуточная. Естественно, скорость вращения
цилиндра - вдвое меньше оборотов коленвала.
Но зачем избавляться от клапанов? Напомним, мы говорим именно о
четырёхтактных моторах, более сложных, но более экономичных, чем двухтактные,
которые господствуют в секторе миниатюрных (10-50 "кубиков") ДВС.
Разрез нового 125-кубового двигателя RCV. На переднем плане видны
шестерни привода цилиндра (рис. 1.2). В районе свечи и в районе красной
шестерёнки - хорошо видны его подшипники. Цилиндр находится в положении впуска
свежего заряда. Внизу видна выхлопная труба, перекрытая стенкой цилиндра
Во-первых, клапаны ограничивают просвет, через который проходит воздух
или выхлопные газы. С этим борются при помощи четырёхклапанных головок
цилиндров, что заметно усложняет и удорожает конструкцию двигателя.
Окна же в данной системе существенно больше. Почти как окна у
двухтактника. Но это четырёхтактник, очень экономичный.
Ключевая деталь привода вращения цилиндра - промежуточная комбинированная
шестерня.
Во-вторых, клапаны совершают возвратно-поступательное движение; и их
инерционность мешает разгонять двигатели до больших оборотов. Клапаны
отрываются от распредвала - пружины не успевают их закрывать.
В системе же RCV цилиндр, выполняющий и функцию универсального клапана,
вращается равномерно в одну сторону. Ничто не мешает обороты такого
четырёхтактника повысить против привычных для моторов равного объёма, но с
клапанами.
Наконец, в-третьих, привод клапанов - это источник потерь на трение
(пружины сильно прижимают "хвосты" клапанов к поверхности кулачков распредвала).
В RCV, правда, взамен появляется скользящее уплотнение верхней части
цилиндра (там, где устроены окна для газообмена), но там нет сильного прижима.
К тому же, привод цилиндра (шестерни) обладает меньшими потерями, чем потери в
приводе распредвала обычных движков (цепь или зубчатый ремень).
Увы, новую технологию сложно представить масштабированной до
многоцилиндровых и многолитровых автомобильных моторов. Хотя такая мысль
выглядит соблазнительной.
Ведь линейка уже созданных маленьких движков с системой RCV показывает
удельную мощность до 100 "лошадок" на литр (и это без всякого
наддува), заметно меньшую токсичность и лучшую экономичность, чем
четырёхтактные соперники в этом классе, оборудованные двухклапанной головкой
цилиндра.
Система RCV, идеальна для моторчиков с рабочим объёмом до 250 кубических
сантиметров.
Рисунок 1.1 - Двигатель объёмом 49 см3 производства компании RCV
Рисунок 1.2 - Двигатель объёмом 125 см3 производства компании RCV
Таблица 1 Выигрыш в характеристиках существующих двигателей RCV в сравнении с клапанными аналогами
[11]
|
Тип
|
Литраж см3
|
Тип трансмиссии
|
Выигрыш в мощности от
аналогичных четырёхтактных двигателей с обычным газораспределением
|
Экономия топлива по
сравнению с аналогичными четырёхтактными двигателями с обычным
газораспределением
|
Выигрыш в стоимости от
аналогичных четырёхтактных двигателей с обычным газораспределением
|
|
Скутер
|
49
|
вариатор
|
+15%
|
+25%
|
-15%
|
|
Скутер
|
125
|
вариатор
|
+11%
|
+17%
|
-14%
|
|
Мотоцикл
|
100
|
4-х-ступенчатая
механическая коробка передач
|
+2%
|
+10%
|
-8%
|
|
CUB
|
110
|
4-х-ступенчатая
механическая коробка передач
|
+10%
|
+6%
|
-7%
|
|
Скутер
|
125
|
вариатор
|
+11%
|
+8%
|
-7%
|
|
Мотоцикл
|
125
|
5-ти-ступенчатая
механическая коробка передач
|
+5%
|
+8%
|
-8%
|
2. ПОСТАНОВКА ЗАДАЧИ И ОПИСАНИЕ ДВИГАТЕЛЯ
.1 Техническое задание
Основные параметры и размеры
Таблица 2.1 - Основные показатели двигателей
|
Наименование параметра
|
Значение
|
|
1. Число цилиндров
|
1
|
|
2. Масса полная, кг
|
Не более 15
|
|
3. Длина, мм
|
Не более 250
|
|
4. Ширина, мм
|
Не более 230
|
|
5. Высота, мм.
|
Не более 400
|
|
6. Рабочий объем, см³
|
175
|
|
7. Диаметр цилиндра, мм
|
63
|
|
8. Ход поршня, мм
|
56
|
|
9. Степень сжатия
геометрическая
|
7,5
|
|
10.Номинальная эффективная
мощность, кВт
|
Не менее 7,44
|
|
11. Частота вращения
коленчатого вала при нормальной мощности, 1/мин
|
5000
|
|
12. Максимальный крутящий
момент, Н.м
|
Не менее 14
|
|
13.Минимальный удельный
расход топлива, г/кВт.ч
|
Не более 400
|
|
14.Частота вращения
коленчатого вала на режимах холостого хода, 1/с (1/мин)
|
1000±50
|
Система смазки
масла: авиационные МС-14, МС-20 по ГОСТУ 21743; моторные для
автотракторных дизелей М10В2 по ГОСТУ 8581, масло смазочное МГД-14М по ТУ
38.101930.
Система питания
Таблица 2.2 - Система питания
|
1.Фильтр
|
Сухой
|
|
2. Карбюратор
|
С диаметром диффузора не
менее 26 мм.
|
|
3.Топливо
|
Бензин с октановым числом
не менее 92
|
|
4.Бак или канистра для
топлива со шлангом
|
Штампосварной
|
Система охлаждения - воздушная
Электрооборудование
1) Система зажигания
2) Катушка зажигания.
) Свеча зажигания
2.2 Характеристики
2.2.1 Прогретый и отрегулированный двигатель должен запускаться за время
не более 15 сек. и устойчиво работать на всех режимах.
2.2.1 Покрытия металлические, неметаллические, неорганические и
лакокрасочные должны соответствовать ГОСТ 28617 и чертежам.
2.2.2 Каждая партия комплектующих изделий и материалов, поставленных
другими предприятиями-изготовителями, предназначенных для изготовления
двигателя, должна иметь сертификат о качестве (или другой документ,
подтверждающий качество) и соответствующую маркировку.
.2.3 Установленный ресурс до капитального ремонта при условии
соблюдения правил эксплуатации и ухода, указанных в паспорте, должен быть не
менее 500 часов.
.2.4 Установленная безотказная наработка должна быть не менее 100
часов.
2.3 Безопасность конструкции
2.3.1 Требования безопасности к конструкции должны соответствовать ГОСТ
28708.
2.3.2 Содержание окиси углерода в отработавших газах на холостом ходу не
должно превышать 3 %.
.3.3 Уровень шума двигателя не должен превышать 98 дБА.
2.4 Ресурсные испытания
2.4.1 Испытания проводятся на двигателе проработкой 500 часов при условии
внесения в двигатель конструкторских изменений, влияющих на этот параметр.
2.4.2 Объем и последовательность и испытаний должны соответствовать
программе и методике. Нормативный док. ГОСТ 15309.
2.5 Описание двигателя
Двигатель состоит из следующих конструктивных элементов:
кривошипно-шатунного механизма, систем впуска и выпуска.
Конструктивной особенностью двигателя является то, что гильза цилиндра
приводится во вращение от коленчатого вала с частотой вращения в два раза
меньшей, чем частота вращения коленчатого вала, что позволяет служить гильзе в
качестве клапана в механизме газораспределения.
В качестве аналога в расчётах для сравнения применён четырёхтактный
бензиновый двигатель с теми же характеристиками (ход поршня, диаметр поршня,
степень сжатия, частота вращения коленчатого вала), но с обычным клапанным
механизмом газораспределения.
2.6 Сравнительные характеристики
Таблица 2.3 Сравнительная таблица
|
Технические
характеристики
|
Sо1о 210
|
Zongsheen ZS125T - 7
|
МZ2-34 (Zanzonettera)
|
Проектируемый
двигатель
|
|
Двигатель:
|
двухтактный,
одноцилиндровый
|
четырёхтактный
одноцилиндровый
|
двухтактный,
одноцилиндровый
|
четырёхтактный,
одноцилиндровый
|
|
Охлаждение:
|
воздушное
охлаждение (набегающий поток)
|
воздушное
охлаждение (принудительное)
|
воздушное
охлаждение (набегающий поток)
|
воздушное
охлаждение (набегающий поток)
|
|
Объём
двигателя:
|
208 см3
(цилиндр с никосиловым покрытием)
|
124 см3
|
313 см,
(цилиндр с никосиловым покрытием), (поршень с тефлоновым напылением)
|
175 см3
|
|
Диаметр поршня
|
70мм
|
62 мм
|
76 мм
|
63 мм
|
|
Ход поршня
|
54 мм
|
42 мм
|
69мм
|
56 мм
|
|
Максимальные
обороты
|
6250 об./мин
|
8100 об./мин
|
6200 об/мин
|
5500 об/мин
|
|
Степень сжатия:
|
____
|
9
|
9,6
|
7,5
|
|
Макс. мощность:
|
11кВт 15 л/с на 6000 об./мин.
|
5 кВт на 7500
об./мин.
|
27,5 л/с на
6250 об./мин.
|
7,44 кВт на 5000 об./мин.
|
|
Крутящий
момент:
|
17,7Н·м на 5500
об /мин.
|
7 Н*м на 6500 об/ мин
|
35 Н·м на 4500
об/мин
|
14,21 Н·м на
5000 об/мин
|
|
Топливная
смесь:
|
бензин с
октановым числом не ниже 92
|
бензин с
октановым числом не ниже 92
|
бензин с
октановым числом не ниже 93 синтетическое масло 2т, 50:1
|
бензин с
октановым числом не ниже 92,
|
|
Зажигание:
|
электронное
|
электронное
|
электронное
|
электронное
|
|
Карбюратор:
|
Walbro
WВ32
|
____
|
Tillotson
HR 197 диафрагменный
|
с диаметром диффузора
26мм
|
|
Свечи:
|
NGK - С8НАS зазор 0,7
|
____
|
NGK-C8HAS
зазор 0,7
|
А 23
|
|
Стартер:
|
ручной
|
ручной или
электростартер
|
электростартер
450Вт
|
______
|
3. ВНЕШНЯЯ СКОРОСТНАЯ ХАРАКТЕРИСТИКА ОБЫЧНОГО КЛАПАННОГО АНАЛОГА ДВИГАТЕЛЯ
При построении внешней скоростной характеристики вновь проектируемого
двигателя используются результаты теплового расчета, проведенного для одного
режима работы - режима максимальной мощности, и использования эмпирических
зависимостей.
Максимальная частота вращения коленчатого вала ограничивается: условиями
качественного протекания рабочего процесса, термическим напряжением деталей,
допускаемой величиной инерционных нагрузок и т. д.; минимальная - определяется
условиями устойчивой работы двигателя при полной нагрузке [7].
Расчетные точки кривой эффективной мощности определяются по
формуле,(кВт):
(3.1)
где,
- частота вращения коленчатого вала при номинальной
мощности
Построение
кривых скоростной характеристики ведется в интервале: от
до
Определяем
значения Nex при изменении nх от 720 до 5500 об/мин с шагом в 100 об/мин, и
результаты вычислений заносим в таблицу А.1 Приложения
Точки
кривой эффективного крутящего момента определяются по формуле, (Н∙м):
(3.2)
Определяем
значения Мex при изменении nх от 720 до 5500 об/мин с шагом в 100 об/мин, и
результаты вычислений заносим в таблицу А.1 Приложения
Удельный
эффективный расход топлива в искомой точке скоростной характеристики, (
):
(3.3)
Определяем
значения gex при изменении nх от 720 до 6600 об/мин с шагом в 100 об/мин, и
результаты вычислений заносим в таблицу А.1 Приложения
где,
- удельный эффективный расход топлива при номи-нальной
мощности (из теплового расчета)
Часовой
расход топлива, (
):
(3.4)
Определяем
значения Gтx при изменении nх от 720 до 5500 об/мин с шагом в 100 об/мин, и
результаты вычислений заносим в таблицу А.1 Приложения.
4. РАСЧЕТ ДВИГАТЕЛЯ
В тепловом расчёте считаем двигатель как обычный клапанный, принимая допущение,
что процессы сгорания в обоих двигателях будут происходить одинаково.
4.1 Тепловой расчёт двигателя
Таблица 4.1 Основные данные для теплового расчёта
|
Параметр
|
Обозначение
|
Значение
|
Разме-рность
|
|
Диаметр цилиндра
|
D
|
63
|
мм
|
|
Ход поршня
|
S
|
56
|
мм
|
|
Число цилиндров
|
i
|
1
|
|
|
Число оборотов при
номинальной мощности
|
nном
|
5000
|
об/мин
|
|
Степень сжатия
|
e
|
7,5
|
|
|
Количество тактов
|
t
|
4
|
|
|
Зажигание
|
-
|
искровое
|
|
|
Наддув
|
-
|
Отсутствует
|
|
|
Топливо
|
-
|
бензин
|
l
|
0,25
|
|
Таблица 4.2
Исходные данные
|
Коэффициент избытка воздуха
|
a
|
0,9
|
|
|
Давление окружающей среды
|
P0
|
0,1013
|
МПа
|
|
Температура окружающей
среды
|
T0
|
290
|
К
|
|
Приращение температуры в
процессе подогрева от стенок
|
DT
|
15
|
К
|
|
Температура остаточных
газов
|
Тг
|
1000
|
К
|
|
Давление остаточных газов
|
Pr
|
0,113
|
МПа
|
|
Коэффициент, определяющий
Ра,
|
KРa
|
0,85
|
|
|
Коэффициент использования
теплоты в точке z
|
xz
|
0,9
|
|
|
Коэффициент использования
теплоты в точке b
|
xb
|
0,92
|
|
|
Коэффициент, учитывающий
теплоотдачу в стенку в процессе сжатия
|
u
|
0
|
|
|
Показатель политропы сжатия
в компрессоре
|
nk
|
0
|
|
|
Потери давления в воздушном
холодильнике
|
DPхол
|
0
|
МПа
|
|
Приращение температуры при
охлаждении
|
DTхол
|
0
|
К
|
|
Состав и свойства горючего
Содержание углерода Содержание водорода Содержание кислорода Теплота сгорания
Молекулярная масса
|
С Н О Нu mT
|
0,855 0,145 0,000 43961
115
|
кДж/кг кг/кмоль
|
Стехиометрическое количество воздуха, теоретически необходимое для
полного сгорания 1 кг топлива и состава С+Н+О (воздух принимают как 0,21
объёмных частей кислорода и 0,79 объёмных частей азота)
=0,5119
кмоль.(4.1)
Количество свежей смеси на 1 кг топлива для двигателей с внешним
смесеобразованием
=0,4694
кмоль.(4.2)
Неполное
сгорание при a<1
Принимают,
что продукты неполного сгорания состоят из углекислого газа СО2,
окиси углерода СО, водяного пара Н2О, водорода Н2 и азота
N2
=0,0148(4.3)
=0,0564
=0,0067
=0,0658
=0,3640.
где К - коэффициент зависящий от Н/С водорода и углерода, содержащихся в
топливе. Для бензинов при Н/С=0,17¸0,19, K=0,4490.
Общее количество продуктов сгорания
=0,5077(4.4)
Коэффициент
молекулярного изменения свежей смеси
=1,0816(4.5)
Давление в
начале сжатия
=0,086
МПа(4.6)
Коэффициент
наполнения
0,8086
(4.7)
где
- коэффициент, учитывающий неодинаковость
теплоёмкостей смеси и остаточных газов и равный 1,064 .
Коэффициент
остаточных газов
=0,0445
(4.8)
Температура
рабочей смеси в начале сжатия
=350,3
К(4.9)
Действительный
коэффициент молекулярного изменения
=1,078
(4.10)
Давление
в конце сжатия
=1,996 МПа(4.11), n1=1,365.
Показатель политропы сжатия и расширения находится из трансцендентного
уравнения
(4.12)
где
(4.13)
для
процесса сжатия i=1, к=c, n=a, m=e,
при
адиабатном сжатии
, следовательно
для
процесса расширения i=2, к=b, n=z, m=e,
;
Rm=8,1343 кДж/(кмоль*К)- универсальная газовая
постоянная.(4.15)
Температура
в конце сжатия
=812,0 К(4.16)
Теплота
сгорания продуктов неполного сгорания при a<1
=5797,2 кДж/кг(4.17)
Коэффициент
выделения теплоты при сгорании, если a<1
=0,8681(4.18)
Уравнение сгорания для бензиновых двигателей:
(4.19)
где
- коэффициент использования теплоты при сгорании,; uс
с.з - молярная внутренняя энергия свежей смеси в конце процесса сжатия
(свежего заряда), uс п.с - молярная внутренняя энергия продуктов
сгорания.
Степень
повышения давления
=3.75(4.20)
Молярная
внутренняя энергия свежего заряда при температуре tc, (температура в
уравнение молярной внутренней энергии подставляется в °С)
=11804
кДж/кмоль(4.21)
где
Сv c.з - молярная теплоёмкость свежего заряда (воздуха) при
температуре tc,
Молярная
внутренняя энергия продуктов сгорания при температуре tc
=12946
кДж/кмоль(4.22)
где
rк п.с - объёмная доля компонента продуктов сгорания, Сv п.с
- молярная теплоёмкость компонента продуктов сгорания при температуре tс.
Молярная
внутренняя энергия продуктов сгорания при температуре при температуре tz
=75974
кДж/кмоль(4.23)
где
Сv п.с - молярная теплоёмкость компонента продуктов сгорания при
температуре tz.
Объёмная
доля компонента продуктов сгорания
(4.24)
где
Мк - количество компонента продуктов сгорания, кмоль; например,
.
Решая
уравнение сгорания, определяем температуру Tz=2821,6 K.
Теоретическое
давление в цилиндре в конце сгорания
=7,478
МПа. (4.25)
Действительное
давление в цилиндре в конце сгорания
=6,730 МПа.
Давление
конца расширения
=0,357 МПа(4.26), n2=1,321 (n2
- показатель политропы расширения)
Температура конца расширения
=1348,8
K(4.27)
Среднее
индикаторное давление
=0,957
МПа(4.28)
Индикаторная
мощность двигателя (где Vh - рабочий объём одного цилиндра)
=7,83
кВт(4.29)
Индикаторный
к.п.д.
=0,3009(4.30)
Удельный индикаторный расход топлива
=0,2722
кг/(кВт*ч)(4.31)
Мощность
механических потерь
=2,05
кВт(4.32)
где
Рмех=A+BСм - среднее давление механических потерь, где A
и B - коэффициенты устанавливаемые экспериментально, средняя скорость поршня -
Эффективная
индикаторная мощность двигателя
=5,78
кВт(4.31)
Механический
к.п.д.
=0,8306(4.32)
Эффективный
к.п.д.
=0,2499(4.33)
Удельный эффективный расход топлива
=0,3277
кг/(кВт*ч)(4.34)
Литровая
мощность
=33,13
кВт/л(4.35)
Часовой
расход топлива
=1,89
кг/ч.(4.36)
Рисунок
4.1 - Индикаторная диаграмма
4.2 Кинематический расчет кривошипно-шатунного механизма и
динамический расчёт двигателя
Исходные данные [ 30, стр
18.]
1). Тип двигателя: бензиновый
). Частота вращение коленвала при
номинальной мощности(об/мин)
). Число и расположение цилиндров (рядный) k=1
). Степень сжатия
). Диаметр цилиндра (м)
). Отношение S/Dц
). Рабочий объём цилиндра (л)
). Критерий подобия
). Плотность железа кг/м3
). Конструктивная масса шатуна кг/м2
). Конструктивная масса поршня кг/м2
14). Давление на впуске Па
). Давление на выпуске Па
). Показатели политропы расширения и
сжатия ( из теплового расчёта)
). Диаметр коренной шейки (м)
). Длина коренной шейки (м)
). Диаметр шатунной шейки (м)
). Длина шатунной шейки (м)
). Толщина щеки (м)
). Механический КПД
). Степень повышения давления
Определение основных размеров КШМ
) Находим перемещение поршня
(4.37)
) Находим радиус кривошипа
(4.38)
) Находим длину шатуна
(4.39)
) Находим угловую скорость коленчатого вала (рад/с)
(4.40)
) Находим находим площадь поршня (м2)
(4.41)
Построение графиков перемещений, скорости и ускорения
Полученные значения заносим в таблицу А.2
приложения
) Перемещение поршня [5,стр 108]
(4.42)
) Скорость поршня [5,стр 108]
(4.43)
3) Ускорение поршня [5,стр 109]
(4.44)
Рисунок 4.2 - Перемещение поршня
Рисунок 4.3 - Скорость поршня
Рисунок 4.4 - Ускорение поршня
Определение приведённых масс КШМ [4, стр.96]
) Коренная шейка:
а) Объём коренной шейки:
(4.45)

б).Масса коренной шейки:
(4.46)
(кг)
) Шатунная шейка:
а) Объём шатунной шейки:
(4.47)

б) Масса шатунной шейки:
(4.48)
(кг)
) Параметры щеки:
а) Высота щеки:
(4.49)

б).Ширина щеки:
(4.50)

в) Объём щеки:
(4.51)

г).Масса щеки:
(4.52)
(кг)
) Масса поршневой группы
(4.53)
(кг)
) Приведённая масса щеки
- толщина щеки
(4.54)
(кг)
) Длина шатуна, отнесённая к кривошипу:
(4.55)

) Длина шатуна, отнесённая к поршню:
(4.56)

) Масса шатуна:
(4.57)

) Масса шатуна, отнесённая к кривошипу:

(4.58)
) Масса шатуна, отнесённая к поршню:
(4.59)

) Масса деталей поршневой группы:
(4.60)

. Масса вращающихся частей:
(4.61)

Силы, действующие на детали КШМ.
Полученные значения заносим в таблицу А.3
приложения
) Сила инерции поступательно движущихся масс 1-го порядка:
(4.62)
Рисунок 4.5 - инерции поступательно движущихся масс 1-го порядка
2) Сила инерции поступательно движущихся масс 2-го порядка:
(4.63)
Рисунок 4.6 - сила инерции поступательно движущихся масс 2-го порядка
) Сила инерции поступательно движущихся масс:
(4.64)
Рисунок 4.7 - сила инерции поступательно движущихся масс
Построение индикаторной диаграммы
Полученные значения заносим в таблицу А.3
приложения
-объём камеры сгорания
(4.65)

-полный объём цилиндра
(4.66)

-Давление начала сжатия, Па
(4.67)
Давление конца сжатия, Па
(4.68)
Давление начала рабочего хода, Па
( из теплового расчёта)
Угол поворота коленчатого вала при сжатии, град.
Угол поворота коленчатого вала при расширении, град.
Перемещение поршня при сжатии
(4.69)
-Перемещение поршня при расширении
(4.70)
Степень сжатия
(4.71)
-Степень расширения
(4.72)
Давление в начале процесса расширения
Давление при сжатии, Па
(4.73)
Давление при расширении, Па
(4.74)
-Давления при сжатии и расширении, c учётом поправок на неидеальность
процесса:
(4.75)
(4.76)
Угол поворота коленчатого вала, град
система уравнений для аппроксимированной индикаторной диаграммы
Рисунок 4.8 - Индикаторная диаграмма
Построение графиков функции некоторых сил и момента двигателя
Полученные значения заносим в таблицу А.3
приложения
) Просуммируем силы давления газов и силы инерции
(4.77)
Рисунок 4.9 - Сумма силы давления газов и
силы инерции
2) Силы и моменты, действующие в КШМ:
Угол поворота шатуна, град
(4.78)
-Сила, действующая вдоль шатуна, Н
(4.79)
-Опрокидывающая сила, Н
(4.80)
-Сила, создающая момент, Н
(4.81)
-Сила, направленная вдоль кривошипа, Н
-Крутящий момент, создаваемый двигателем
с обычным клапанным механизмом газораспределения Н*м
(4.82)
-Крутящий момент, создаваемый двигателем
с вращающимся цилиндром
(4.83)
- КПД, создаваемое двигателем, с учётом того, что газораспределение осуществляется
зубчатыми передачами, а не клапанным механизмом.
Рисунок 4.10 - Сила, действующая вдоль
шатуна
Рисунок 4.11 - Опрокидывающая сила
Рисунок 4.12 - Момент, создаваемый
двигателем с обычным клапанным механизмом газораспределения
Mcр=10.71
H*м - среднее значение момента
N=M*n/9550 = 10.71*5000/9550=5.61 кВт - номинальная мощность
двигателя
Значение полученной мощности отличается от мощности, полученной при
тепловом расчёте на 3 %
Рисунок 4.13 - Момент, создаваемый
двигателем с вращающимся цилиндром - клапаном
Mcр=14.21
H*м - среднее значение момента.
N=M*n/9550 = 14.21*5000/9550=7.44 кВт - номинальная мощность
двигателя.
Выигрыш в мощности составляет таким образом 33 %.
Но здесь мы не учитываем потери на трение.
5.
РАСЧЕТ НА ПРОЧНОСТЬ ОСНОВНЫХ ДЕТАЛЕЙ ДВИГАТЕЛЯ
Таблица 5.1 - Исходные данные
|
Карбюраторный
одноцилиндровый двигатель с вращающимся цилиндром
|
|
Характеристика
|
размерность
|
величина
|
|
Количество цилиндров
|
-
|
1
|
|
Количество тактов
|
-
|
4
|
-
|
63/56
|
|
Рабочий объем цилиндра
|
см3
|
175
|
|
Частота вращения
коленчатого вала при номинальной мощности
|
об/мин
|
5000
|
|
Номинальная мощность
|
кВт
|
7,44
|
|
Степень сжатия
|
-
|
7.5
|
|
Геометрический критерий
подобия
|
-
|
0,25
|
5.1 Расчет на прочность элементов поршневой группы
Расчет поршня
а) Расчет днища поршня.
Материал поршня - алюминиевый сплав.
Основные размеры конструктивных элементов поршневой группы выбираем на
основании статистических данных.
Таблица 5.2 - Основные конструктивные соотношения размеров элементов поршня
|
Параметр
|
Значение
|
|
H/D
|
0.9 ÷ 1.3
|
|
δ/D
|
0.06 ÷ 0.09
|
|
s/D
|
0.05 ÷ 0.10
|
|
δ ю , мм
|
1.5 ÷ 4.5
|
|
h/D
|
0.07 ÷ 0.08
|
|
hп/D
|
0.03 ÷ 0.05
|
|
h2/D
|
0.41 ÷ 0.61
|
|
hю/D
|
0.68 ÷ 0.71
|
|
di
|
D-2·(s+t+Δt)
|
|
t/D (толщина кольца)
|
компрессионные: 0.04 ÷ 0.045
|
|
маслосъемные: 0.038 ÷ 0.043
|
|
Δt, мм (радиальный зазор между кольцом и стенкой
канавки)
|
компрессионные: 0.7 ÷ 0.95
|
|
маслосъемные: 0.9 ÷ 1.1
|
|
iмо
(количество маслосъемных отверстий в стенке поршня)
|
6 ÷ 12
|
|
dм/C
(диаметр маслосъемных отверстий)
|
0.3 ÷ 0.5
|
|
C, мм (высота поршневых колец)
|
1.5 ÷ 4.0
|
|
dп/D
|
0.24 ÷ 0.28
|
|
(dвн/dп)=α
|
0,65 ÷ 0,75
|
|
lп/D
|
0.85 ÷ 0.9
|
|
a/D
|
0.28 ÷ 0.45
|
|
b/D
|
0.30 ÷ 0.50
|
|
dб/D
|
0.30 ÷ 0.50
|
где, D - диаметр поршня
δ - толщина днища
s -
минимальная толщина поршня
δ ю - высота юбки
h -
высота жарового пояса поршня
hп
- высота перемычки
(первой)
h2 - расстояние между концом юбки и
пальцем
di - внутренний диаметр поршня
H -
высота поршня
dп - внешний диаметр пальца
dвн - внутренний диаметр пальца
lп - длина пальца
a -
длина втулки шатуна
b -
расстояние между бобышками
dб - средний диаметр бобышки
В соответствии с существующими аналогичными двигателями и с учетом
соотношений приведенных в таблице принимаем:
δ=4 мм; Н=57 мм; s=4 мм; δю=2 мм; h=5
мм; hп=3 мм; h2=26 мм; iмо=6; dп=21 мм; dвн=13.65 мм; lп=54 мм; a=28 мм; b=32
мм; dб=19 мм; di=48.2 мм; tк=2.6 мм; tм=2.4 мм; Δtк=0.7 мм; Δtм=1 мм; С=2 мм; dм=1 мм; hю=45 мм;

Рисунок 5.1 Расчётные модели элементов поршня
В связи со сложностью конфигурации днища поршня, трудностью установления
характера нагружения и величины упругости заделки контура днища, днище
рассчитывается как круглая пластина, заделанная по контуру и нагруженная
равномерно распределенной нагрузкой. Берется режим максимального крутящего
момента, когда сила давления газов имеет максимальное значение. Вследствие чего
получаем два нормальных напряжения: радиальное и кольцевое (максимальные
значения которых возникают на контуре днища) [8, стр. 41].
ri=(di/2)=48.2/2=24.1 мм - внутренний
радиус поршня
pz=7.478 (МПа) - максимальное давление (считается равномерным) (из
динамического расчета)
δ - толщина днища
σr - радиальное напряжение
σφ - кольцевое напряжение
где, μ=0.26 (коэффициент Пуассона для алюминиевых сплавов)
т.
к. допускаемое напряжение [σ]=(40 ÷ 60) (МПа), принимаем значение di =39 мм, δ=6
мм
Полученные значения напряжений не превышают допускаемых значений. Условие
выполняется.
Расчет термических напряжений.
Поток тепла идет по толщине днища и по радиусу к стенкам поршня.
Допущение: температура по контуру совпадает с температурой стенки поршня.
Максимальные термические напряжения возникают на контуре пластины (при r=ri).
Радиальное термическое напряжение:
Тц - температура в центре пластины
Тк - температура на контуре пластины
k -
коэффициент, учитывающий податливость корпуса поршня на корпусе пластины
α=22·10-6 1/К - коэффициент линейного
расширения материала поршня
Е=0.65·105 (МПа) - модуль Юнга
h -
длина верхней части поршня
h=(δ+rп-ri)=(6+31.5-24.1)=13.4
(мм)
rп=(D/2)=31.5 (мм) - радиус поршня
Примечание:
перепад температур определяем следующим образом:
q -
тепловая нагрузка на днище [Вт/м2]
λ=150 [Вт/м·К]- коэффициент теплопроводности
материала днища
Тепловую нагрузку определяем следующим образом:
β=0.1 - доля всего тепла, которая остается в
днище поршня
N -
номинальная мощность двигателя
Н=43961 [кДж/кг] - низшая теплота сгорания топлива
g=328
[гр/кВт·час] - удельный расход топлива
i-число
цилиндров
Fп=(π·D2/4)=(3.14·0.0632/4)=3.12·10-3 (м2)
-площадь торца поршня
Определяем
радиальное термическое напряжение:
-
кольцевое термическое напряжение.
Аналогичным образом определяем термические напряжения, обусловленные
перепадом температуры по толщине днища поршня. В этом случае за счет перепада
температуры по толщине поршня максимальные напряжения возникают на торце днища.
где, Тк.с. - температура газов в камере сгорания
Твн.п. - температура внутренней поверхности поршня
Складывая термические напряжения, определяем полное термическое
напряжение.
Полное
напряжение (термическое + механическое от давления газов) не должны превышать
допускаемые напряжения: [σ]=
(70 ÷ 120) (МПа)
Расчет
стенки поршня.
Расчет
стенки поршня будем производить по сечению маслосъемного кольца.
Рисунок
5.2 - расчётные модели элементов поршня
где,
dм.о.-
диаметр маслосъемного отверстия
В
сечение I-I, под действием давления газов, возникают напряжения
сжатия, а под действием сил инерции растягивающие напряжения.
напряжение сжатия:
где,
-
площадь поршня по сечению маслосъемного кольца
nм.о.=6 - число маслосъемных отверстий
- площадь поперечного сечения маслосъемного отверстия
Эти напряжения не должны превышать допускаемых значений: [σ]=(30 ÷ 40) МПа.
Учет сил инерции.
На режиме холостого хода возникают максимальные силы инерции (в верхней
мертвой точке), что приводит к возникновению напряжений растяжения:
(5.14)
где,
- головная сила инерции, действующая на верхнюю часть
поршня
(5.15)
Мгол.
- масса головной части поршня
В
приближенном вычислении Мгол.=(0.4 ÷ 0.6)·m п
mп=0.374 кг - масса поршня (из
динамического расчета) => Мгол=0.150кг; r=0.028 м - радиус кривошипа (из динамического расчета); ωхх=523.599 (рад/с) - угловая скорость
коленвала, соответствующая числу его оборотов (из динамического расчета)
Эти
напряжения не должны превышать допускаемых напряжений: [σ]=(4 ÷ 10)
МПа. Условие выполняется.
Расчет перемычки.
Проведем расчет на прочность первой перемычки между канавками для
поршневых колец.
р1>р2
Возникают
напряжения среза (
) в перемычке:
(5.16)
Рисунок
5.3 - Расчётные модели элементов поршня
где,
Рп=(р1-р2)·Fпер - сила, действующая на перемычку
Fпер=(π/2)·((Dп)2-(dк)2) - площадь среза
Для
приближенного расчета принимаем:
р1=0.9·рz
р2=0.22·рz
В
результате преобразований получаем:
(5.17)
Сила
Рп действуя на перемычку, кроме среза перемычки изгибает ее, и
создает нормальные напряжения изгиба.
В
перемычке возникают одновременно напряжение среза и нормальное напряжение
изгиба.
Рассчитаем
перемычку между канавками колец на изгиб (напряжения изгиба).
(5.18)
При
расчете перемычки на изгиб условно пластину распрямляем.
lп=π·dк
- длина канавки
-
изгибающий момент(5.19)
- момент
сопротивления сечения пластины(5.20)
Рисунок
5.4 - Схема нагружения перемычки поршня
После
преобразований получаем:
(5.21)
Определяем
эквивалентное напряжение.
(5.22)
Чтобы
перемычка оставалась прежней эквивалентное напряжение не должно превышать
допустимых: [σ]=(30
÷ 40) МПа.
Условие
выполняется.
Гарантия подвижности поршня.
Проверку подвижности поршня определяем для прогретого двигателя по
величине диаметрального зазора между поршнем и цилиндром.
(5.23)
-
необходимый зазор между поршнем и цилиндром в прогретом состоянии
∆
- монтажный зазор
Охлаждение
воздушное
Тц=463
К - температура цилиндра в прогретом состоянии
Тп=523
К - температура поршня в прогретом состоянии
То=293
К - начальная температура поршня и цилиндра
αц=22·10-6
(1/К) - коэффициенты линейного расширения материала цилиндра
αп=22·10-6
(1/К) - коэффициенты линейного расширения материала поршня
Зазор
определяем в верхней и нижней части поршня (головки и юбки поршня).
∆Г=(0.006÷0.008)·Dп=0.006·0.063=0.378
мм - монтажный зазор головки поршня
∆ю=(0.001÷0.004)· Dп=0.004·0.063=0.252
мм - монтажный зазор юбки поршня
Рекомендуемый
диапазон допускаемых значений:
/Dц=(2÷3)·10-3=0.163/63=0.0026
/Dц=(0.5÷1)·10-3=0.037/63=0.0006
. Условие выполняется.
Расчет
поршневого пальца.
Рисунок
5.5 - Расположение пальца в поршне
Расчет
пальца является проверочным.
Основные
нагрузки, действующие на палец:
•
Рz - сила от давления газов
•
Рj - силы инерции
•
Температурные нагрузки
Пальцы
бывают свободно плавающие и закрепленные.
Перечисленные
выше нагрузки создают в пальце:
напряжения
изгиба (σизг.)
напряжения
среза (τmax)
напряжения,
вызванные изменением формы поперечного сечения пальца (овализацией)
а)
Расчет поршневого пальца на изгиб.
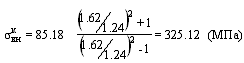
В
качестве материала для пальца выберем сталь 15Х
Рисунок
5.6 - Схема нагружения поршневого пальца
Для
расчета пальца на изгиб применяем схему распределенного контактного давления по
длине бобышек и верхней головки шатуна.
Рисунок
5.7 - Схема нагружения поршневого пальца
В
результате получаются максимальные напряжения изгиба в точке 3 поперечного
сечения пальца.
-
формула Кинасошвили(5.24)
-
геометрический параметр пальца.
Р=Рz+Рjп - суммарная сила от
давления продуктов сгорания (газов) и сил инерции.
сила
инерции от массы поршня действующая на втулку шатуна:
(5.25)
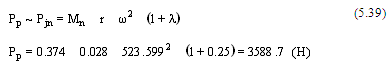
P=-3588.7+23331.4=19742.7 (Н)
Допускаемое
напряжение для легированной стали: [σ]=(150 ÷ 300) МПа. Условие выполняется.
б)
Расчет поршневого пальца на срез.
Для
определения перерезывающей силы используем формулу Журавского:
(5.26)
где,
Smax - статический момент
-
максимальная перерезывающая сила
Iz - момент
инерции
После
преобразований получаем:
(5.27)
Максимальное
касательное напряжение сравнивается с допускаемым: [τ]=100 МПа. Условие выполняется.
в)
Расчет поршневого пальца на износ (износостойкость пальца)
Выполняется
по аналогии с расчетом износостойкости юбки. Определяем износостойкость на
концах и в средней части пальца. Расчет выполняем по величине удельного
давления между поверхностью пальца и поверхностью сопрягаемых деталей: втулка
шатуна, бобышка.
Условное
контактное давление между поршнем и шатуном:
Материал
поршневого пальца сталь 15Х
условное
контактное давление между пальцем и бобышками:
(5.29)
Рjб.п. - сила инерции от
массы поршневой группы без массы пальца.
Для
приближенных расчетов массу поршневой группы без массы пальца принимаем равным:
Мб.п.
≈0.86 ·Мп
Мп
=0.374кг - масса поршневой группы (из динамического расчета)
Мб.п.
≈0.86 ·0.374=0.322 (кг)
(5.30)
lб=((lп-а)/2)=((54-28)/2)=13
мм- длина отрезка соприкосновения пальца с бобышкой
В
качестве расчетного режима при определении удельных давлений для карбюраторных
двигателей выбирают режим максимального крутящего момента.
Найденные
значения удельных давлений должны быть меньше допускаемых:
[qш]=(20 ÷ 35)
МПа
[qб]=(25 ÷ 40)
МПа
Условие
выполняется.
г) Расчет напряжений, вызванных овализацией пальца.
Рисунок 5.8 - Расчётная схема нагружения поршневого пальца
Под действием q(φ) это кольцо начнет изгибаться.
Расчет кольца сведем к расчету его четверти, как кривого бруса.
Взяв, за основу, методы расчета кривого бруса получим следующие
результаты.
Увеличение горизонтального диаметра:
(5.31)
где,
Р=Рz+Рj=19742,7 (Н) -суммарная сила от давления продуктов
сгорания и сил инерции
Eп=2·105 (МПа) - модуль Юнга материала
пальца.
поправочный
коэффициент:
К=1.5-15·
(α-0.4)3=1.5-15·(0.65-0.4)3=1.26(5.32)
Полученное
значение не должно превышать половину зазора между пальцем и бобышкой: ∆d≤(2÷5) · 10-2 (мм). Условие выполнено.
Проверим
напряжения, образующиеся при овализации пальца.
В
указанных точках возникают наибольшие напряжения по значению и знаку.
На
растяжение материалы работают хуже, чем на сжатие. Наибольшие растягивающие
напряжения возникают в точке 4.
Для
гарантии прочности σ(4) должна
быть меньше допускаемого: [σ]=(110÷140) (МПа). Условие выполняется.
д)
Проверка зазоров в соединении пальца с шатуном и бобышкой с учетом нагрева.
Требования:
)Гарантированные
зазоры
)Зазоры
небольшие
Проверяется
зазор для прогретого двигателя для пальца плавающего типа следующим образом.
(5.34)
∆
- монтажный зазор
Тп
- температура пальца
Тб
- температура бобышки
αб=22·10-6
- коэффициент линейного расширения материала бобышки
αп=1·10-5
- коэффициент линейного расширения материала пальца
∆
Тп= (Тп- Т0)=50 К - перепад температур на
пальце
∆
Тб= (Тб- Т0)=80 К - перепад температуры на
бобышке
≤0.001·dп=0.001·21=0.021 мм- гарантированный зазор
Полученный
по формуле (5.34) монтажный зазор между пальцем плавающего типа и шатуном:
0.01÷0.03 мм; между пальцем и бобышкой: -0.01÷0.02 мм (для алюминиевого сплава)
Расчет поршневых колец.
Поршневое кольцо представляет собой брус или стержень, изготовленный
таким образом, чтобы в рабочем состоянии представлял собой разрезанное кольцо.
Рисунок 5.9 - Расчётная схема нагружения поршневого кольца
δ - зазор между концами кольца в рабочем
состоянии
So - зазор между концами кольца в свободном состоянии
So/t=(2.5÷4.0)=2.5, так как tк=2.6 => So=6.5 ммм=2.4 => So=6 мм
а) Определение среднего давления кольца на стенки цилиндра и напряжения
изгиба кольца в рабочем состоянии.
Определяем среднее давление кольца на стенки цилиндра.
среднее контактное давление:
(5.35)
µ=0.2
- коэффициент, определяющий форму эпюры давления кольца на стенку цилиндра
Е=2·105
(МПа) - модуль упругости материала
Компрессионные
кольца:
Маслосъемные
кольца:
Полученные
значения не должны превышать допускаемых значений:
компрессионные
кольца: 0.11÷0.37
маслосъемные
кольца: 0.2÷0.4
Условие
выполняется.
Определим
напряжение изгиба в кольце в рабочем состоянии.
(5.36)
Компрессионные
кольца:
Толщину
компрессионных колец нужно будет взять поменьше - 2,5 мм
Маслосъемные
кольца:
Эти
напряжения не должны превышать допускаемых значений: [σ]=(300÷400) (МПа). Условие выполняется.
б)
Прочность кольца при надевании на поршень.
Существует
три способа надевания кольца на поршень:
)
m=1 2) m=1.57 3)
m=2
Рисунок
5.10 - Способы надевания кольца на поршень
напряжения
изгиба при надевании кольца на поршень:
(5.37)
m - коэффициент,
учитывающий способ надевания кольца
Компрессионные
кольца:
Маслосъемные
кольца:
Полученные
значения больше рабочих напряжений примерно на 30%: [σ,]=(400÷500) (МПа)
в)
Проверка гарантированных зазоров в кольце с прямым разрезом.
(5.38)
∆
- величина монтажного зазора
∆/=(0.06÷0.1) - минимально допустимый зазор в замке кольца для
прогретого двигателя
∆Тк=Тк-То=240
К - перепад температур на кольце
∆ТГ=ТГ-То=100
К - перепад температур на гильзе
αк=1·10-5
1/К- коэффициенты линейного расширения материала кольца
αГ=11·10-6
1/К- коэффициенты линейного расширения материала гильзы
То=293
К - начальная температура
5.2
Расчет на прочность деталей шатунной группы.
Рис.
5.11 - Эскиз шатуна
-
поршневая головка шатуна
-
кривошипная головка шатуна
-
крышка кривошипной головки шатуна
-
стержень шатуна
-
болты
-
втулка вкладыш (два вкладыша)
φз - угол
сопряжения стержня шатуна с головкой (угол защемления)
Расчет
поршневой головки шатуна.
Таблица
5.3 Основные размеры
|
Параметр
|
значение
|
|
Dг/dп
|
1.25÷1.65
|
|
hг/dп
|
0.16÷0.24
|
|
hв/dп
|
0.075÷0.085
|
Принимаем следующие основные размеры:
Dг=34 мм; hг=4 мм; hв=1.6 мм; d= Dг -2 hг =26 мм; φз=1300 ; Lш=112 мм (см. динамический расчёт)
lш =a=28(длина поршневой головки шатуна)
-
наименьшая толщина верхней головки
-
наименьшая толщина втулки
а)
Определение напряжений, действующих на поршневую головку шатуна.
Основные
нагрузки, которые учитываются при расчете поршневой головки шатуна:
1. Силы инерции от массы поршневой группы.
2. Сила от давления продуктов сгорания.
сила растягивающая верхнюю головку шатуна:
сила сжатия:
Помимо указанных сил при расчете верхней головки шатуна необходимо
учитывать контактные давления между стенками головки шатуна и запрессованной
втулки.
Выберем плавающий поршневой палец, в этом случае суммарный натяг между
втулкой и головкой шатуна состоит из двух частей:
Рис. 5.12 Расчётная схема нагружения верхней головки шатуна
∆Σ=∆+∆т -
суммарный натяг
∆=0.04 мм - натяг при запрессовке бронзовой втулки температурный (дополнительный) натяг, который возникает при
работе двигателя за счет прогрева верхней головки шатуна:
∆т=d·∆T·(αв-αш)(5.41)
∆T=(373÷393) К=390 К - температура подогрева
головки и втулки при работе двигателя
αв,αш - коэффициенты линейного расширения материалов втулки
и шатуна
αв=1.8·10-5 1/К
αш=1.0·10-5
1/К
∆Σ=0.04+26·390·(1.8·10-5-1.0·10-5)=0.121
мм
Определяем
напряжения в верхней головке шатуна от контактного напряжения.
контактное
давление между втулкой и головкой:
(5.42)
где,
β=d/dп=26/21=1.24
γ=DГ/dп=34/21=1.62
Еш=2·105
МПа - модуль упругости материала шатуна (сталь)
Ев=1.15·105
МПа - модуль упругости материала втулки (бронза)
νш=0.3 -
коэффициент Пуассона для шатуна
νв=0.34 -
коэффициент Пуассона для втулки
определяем
напряжение в головке шатуна от контактного давления.
(5.43)
Как
правило, радиальное напряжение меньше кольцевого.
напряжение
от контактного давления в точках наружной поверхности головки шатуна
напряжение
от контактного давления в точках внутренней поверхности головки шатуна
Определяем
нормальные напряжения в верхней головке шатуна от действия продольных сил Рр
и Рс.
Рис.
5.13 Расчётная схема нагружения верхней головки шатуна
Примем
следующие допущения:
будем
считать, что при φз верхняя
головка шатуна защемлена в верхней части стержня шатуна
принимаем,
что сила Рр равномерно распределена по верхней полуокружности
головки шатуна
расчетной
схемой верхней головки шатуна является кривой брус защемленной в нижней части No, Mo - неизвестные силовые факторы в сечении разреза
Аналогично
рассматривается схема нагружения головки шатуна силой Рс.
Из-за
защемления верхней головки в стержне шатуна распределение контактного давления
неравномерно:
-
контактное давление от силы Рр(5.44)
rср - средний радиус верхней головки
контактное
давление от силы Рс(5.45)
Примем
при расчете следующие допущения:
при
φз
предполагаем жесткое защемление
в
качестве расчетной схемы верхней головки выбирается схема кривого бруса.
кривой
брус считается статически неопределимым
В
результате получаем следующие напряжения:
Напряжение
в точках наружной поверхности
(5.46)
Напряжение
в точках внутренней поверхности
(5.47)
где,
M(ф) - изгибающий момент в любом сечении
N(ф) -
нормальная сила
a - длина
верхней головки шатуна
h - толщина
стенки головки
k - коэффициент,
учитывающий то, что часть силы воспринимается втулкой k=(0.8÷0.85)=0.8
Опыт
показывает, что максимальные напряжения возникают при ф=фз.
Значения M(ф) и N(ф) для растягивающей силы определяем
следующим образом
f1(фз), f2(фз) - функции, берутся из таблиц или
графиков в зависимости от угла защемления.
т.к. фз=1300 , то f1(фз)=0.078, f2(фз)=0.42 , получим:
Аналогичным образом определяем напряжения от действия сжимающей силы, где
значения M(φ) и N(φ) определяем следующим образом:
f3(φз)=-0.0185, f4(φз)=0.025
При работе шатуна учитываются суммарные напряжения :
Зная напряжения цикла нагружения, определяем запас усталостной прочности:
(5.54)
σ-1=360
(МПа) - предел усталости материала шатуна (Сталь 40Х) при симметричном цикле
нагружения
kп=(0.8÷0.9)=0.85
- коэффициент, учитывающий качество поверхности
ασ≈0.2 - коэффициент, учитывающий вид диаграммы
предельных отклонений
Рекомендуемый
запас усталостной прочности поршневой головки шатуна: nσ=(2.5÷5).Условие
выполняется.
б)
Проверка жесткости поршневой головки.
(5.55)
Рекомендуемый
диапазон:
=(0.001÷0.007). Условие выполняется.
в)
Расчет стержня шатуна
Стержень
шатуна рассчитывается на усталость. Расчет проводится в двух местах: в среднем
и минимальном сечениях.
Определяем
максимальную сжимающую силу в стержне шатуна.
Рc=Pj+pz·Fп=
-4394.72+7.478·106·3.12·10-3=18936.64 (Н)
Рисунок 5.14 - Поперечный разрез шатуна
Мшп=0.084 кг - масса шатуна, отнесенная к поршню (из
динамического расчета)
Определяем максимальное напряжение в среднем сечении шатуна.
kx≈ky=(1.1÷1.2)- коэффициенты, учитывающие
возможную потерю устойчивости при сжатии стержня шатуна.
kx=1.16, ky=1.15
Fcp=2·bщ·tш+аш·(hш-2·tш) - площадь среднего сечения шатуна(5.60)
Fcp=2·23.4·4+4·(20-2·4)=0.000235 м2
Fmin=2·23.4·4+4·(18-2·4)=0.000147 м2
Таблица 5.4 - Параметры сечения шатуна
|
Размер среднего сечения
шатуна
|
Значения
|
|
hш min
|
(0.50÷0.55)·Dг
|
|
bш
|
(1.2÷1.4)·h ш
min
|
|
hш
|
(0.50÷0.60)·lш
|
|
аш≈ tш
|
(2.5÷4.0)
|
hш
min=0.5·36.50 =18 мм
bш =1.3·18=23.4 мм
hш =0.5·28=20 мм
аш≈ tш=4 мм
Определяем напряжение в минимальном сечении:
Максимальное напряжение от растяжения возникает в стержне шатуна при
положении в верхней мертвой точке (в начале такта всасывания):
В сечении под верхней головкой:
Определяем запас усталости на прочность в стержне шатуна:
Для шатунов двигателей значения nx, ny не
должны быть ниже 2.5. Условие выполняется.
Аналогично находим запас усталостной прочности в минимальном сечении.
Рекомендуемое условие nσx≈ nσy≈ nσ выполняется.
3.3 Расчет кривошипной головки шатуна
Нижняя головка шатуна делается разборной.
Рисунок 5.15 - Эскиз нижней головки шатуна.
1- стержень шатуна
2- верхняя часть кривошипной головки шатуна
- нижняя часть кривошипной головки шатуна (крышка)
- вкладыши антифрикционные
- шатунные болты или шпильки
Основные размеры нижней головки шатуна выбираем из статистических данных:
dшш=(0.56÷0.75)·D=0.56·63=36 мм - диаметр шатунной шейки
l2=(1.30÷1.75)·dшш=1.36·36=49 мм - расстояние между осями шатунных болтов
B=(0.45÷0.95)·dшш=0.6·0.83=30 мм - длина нижней головки шатуна
hв=(0.03÷0.05)·dшш=0.05·36=1.8 мм - толщина стенки вкладыша
αо=400=0.697 рад - угол от разъема до
сопряжения головки со стержнем шатуна
hк= l2-( dшш+2 hв)=9 мм
Основные нагрузки действующие на кривошипную головку шатуна:
- силы инерции поступательно движущихся масс
центробежные силы инерции вращающихся частей
(5.67)
Мп=0.444
- масса поступательно движущихся деталей (из динамического расчета)
Мшк=0.21
кг - масса шатуна, отнесенная к кривошипу (из динамического расчета)
Для
гарантированного нераскрытия стыка между крышкой и верхней частью кривошипной
головки шатуна, болты затягивают с гарантированным усилием предварительной
затяжки.
При
расчете кривошипной головки будем принимать следующие допущения:
кривошипную
головку шатуна считаем неразрезной (сплошная конструкция)
считаем,
что при αо
кривошипная головка шатуна защемлена в нижней части стержня шатуна
слабым
звеном в конструкции кривошипной головки шатуна считается крышка головки, и
расчет кривошипной головки шатуна сводится к расчету крышки шатуна
Находим
внутренние силовые факторы (момент и нормальную силу):
Принимаем,
что сила и момент в сечении А-А распределяются между крышкой шатуна и
подшипником нижней головки шатуна обратно пропорционально размерам их
поперечного сечения.
Определяем
силу и момент в крышке:
где,
Fвт=hв·В=1.8·30=54 мм2 - площадь поперечного
сечения вкладыша
Fкр=hк·В=9.1·30=273
мм2 - площадь поперечного сечения крышки.
Mомент инерции в
сечении вкладыша:
Mомент
инерции в сечении крышки
Определяем суммарное напряжение в опасном сечении крышки:
момент сопротивления сечения крышки
Для
обеспечения прочности крышки кривошипной головки шатуна, полученное значение
должно быть меньше допускаемых напряжений:
=(150÷200) МПа. Условие выполняется.
5.3
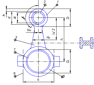
Расчет коленчатого вала
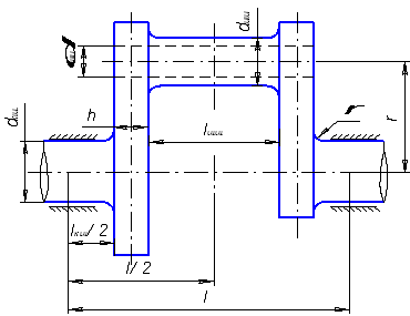
Коленчатый
вал двигателя имеет один кривошип.
Рисунок
5.16 - Эскиз коленчатого вала
Основные
нагрузки, действующие на коленчатый вал:
1. Силы от давления продуктов сгорания, которые передаются от
шатуна к шатунной шейке.
2. Силы от вращающихся частей коленчатого вала и присоединенных к
нему элементов кривошипно-шатунного механизма, которые примыкают к коленчатому
валу.
. Крутящий момент (момент полезного сопротивления двигателя)
В качестве расчетной схемы коленчатого вала принимается упрощенная схема
из одного вырезанного кривошипа.
Для расчета вырезанного кривошипа выбирается наиболее нагруженный
кривошип.
Расчет коленчатого вала является проверочным.
Основные размеры коленчатого вала выбираются из статистических данных.
Рисунок 5.17 - Основные размеры коленчатого вала
ρ - радиус сопряжения щеки с коренной
шейкой
l - расстояние между серединами подшипников коренных шеек
dк.ш. - диаметр коренной шейки
δк.ш. - внутренний диаметр коренной шейки
dш.ш. - диаметр шатунной шейки
δш.ш. - внутренний диаметр шатунной шейки
h -
толщина щеки
r -
радиус кривошипа
lш.ш. - длина шатунной шейки
lк.ш. - длина коренной шейки
Таблица 5.5 - Статистические данные для карбюраторных двигателей с
однорядным расположением цилиндров.
|
Параметр
|
Значение
|
|
dк.ш./D
|
(0.65÷0.80)
|
|
dш.ш./D
|
(0.60÷.0.70)
|
|
lк.ш./ dк.ш
|
Средняя корен. шейка: (0.5÷0.6)
|
|
Крайняя корен. шейка: (0.75÷0.84)
|
|
lш.ш./ dш.ш
|
(0.45÷0.65)
|
|
b/D (ширина щеки)
|
(1÷1.25)
|
|
ρ/h
|
(0.15÷0.20)
|
|
h/D
|
0.2
|
|
δк.ш./dк.ш
|
-
|
|
δш.ш./dш.ш
|
-
|
dк.ш=41 мм
dш.ш=36 мм
Средняя коренная шейка: lк.ш.с=0.5·41=21
мм
Крайняя коренная шейка: lк.ш.к=0.8·41=33мм
lш.ш=0.45·36=17 мм
h=0.2·63=13
мм
b=1·63=63
мм
l=(
lк.ш+ lш.ш+2·h)=(33+17+2·13)=76 мм
ρ=0.17·13=2 мм
В связи с тем, что основные элементы коленчатого вала при работе двигателя
вращаются вокруг продольной оси вала, а величина и направление основных
нагрузок изменяются, то расчет коленчатого вала должен выполняться с учетом
усталости материала.
Рисунок 5.18 - Эскиз коленчатого вала
Кщ - центробежные силы щек
К - сила действующая вдоль по кривошипу
Кш.ш. - центробежная сила инерции шатунной шейки
Кш.к. - центробежная сила инерции массы шатуна, отнесенная к
кривошипу
Кпр - центробежная сила инерции противовеса
Т - тангенциальная сила
RT, RK - реакции опор
Мi - крутящий момент
.3 Расчет коренной шейки
Расчет коренной шейки коленчатого вала на кручение.
Из схемы нагружения кривошипа и из динамического расчета
кривошипно-шатунного механизма можно сделать вывод, что коренные шейки
нагружены в основном крутящими моментами. Изгибающими моментами от действия сил
К и Т пренебрегаем в связи с малой длиной коренной шейки.
Найдем максимальные и минимальные касательные напряжения, возникающие в
коренных шейках:
момент сопротивления сечения коренной шейки:
(5.77)
Мmax, Mmin - максимальный и минимальный крутящие моменты (из
динамического расчета)
Мmax=151.2 Н·м
Mmin=
-60. Н·м
(м3)
Зная
максимальные и минимальные касательные напряжения, найдем среднее (τm)
и амплитудное (τа)
касательные напряжения:
Находим коэффициент запаса усталостной прочности:
(5.80)
где,
τ--1=
80-120 МПа (Сталь 10) - предел усталости материала шейки при симметричном
нагружении
Кτ=(1.8÷2.0)=2
- коэффициент, учитывающий концентрацию напряжений в коренной шейке
(определяется в ослабленном сечении шейки)
ετ=0.76 - коэффициент, учитывающий абсолютные размеры
коренной шейки
где,
τ0 - предел
усталости материала при пульсирующем цикле
(
τ-1/ τ0)=(1.6÷2.0)
=> τ0=55 (МПа)
Рекомендуемый запас усталостной прочности: nτ=(3÷4). Условие выполняется.
Расчет шатунной шейки коленчатого вала.
Из анализа схемы нагружения шатунной шейки видно, что в основном она
нагружена крутящими и изгибающими моментами.
а) Расчет шатунной шейки коленчатого вала на кручение
Найдем максимальные и минимальные касательные напряжения, возникающие в
шатунных шейках по формулам (5.75), (5.76):
момент сопротивления сечения шатунной шейки аналогично формуле (5.77)
Мmax, Mmin - максимальный и минимальный крутящие моменты
Мmax=151.2 Н·м
Mmin=
-60 Н·м
(м3)
Зная
максимальные и минимальные касательные напряжения, найдем среднее (τm)
и амплитудное (τа)
касательные напряжения по формулам (5.78) (5.79):
Находим
коэффициент запаса усталостной прочности по формуле (5.80):
где,
τ-1= 80-120
МПа (Сталь 10) - предел усталости материала шейки при симметричном нагружении
Кτ=(1.8÷2.0)=2
- коэффициент, учитывающий концентрацию напряжений в шатунной шейке
(определяется в ослабленном сечении шейки)
ετ=0.76 - коэффициент, учитывающий абсолютные размеры
коренной шейки
По
формуле (5.81)
, где, τ0 - предел
усталости материала при пульсирующем цикле нагружения ( τ-1/ τ0)=(1.6÷2.0)
=> τ0=55 (МПа)
Рекомендуемый
запас усталостной прочности: nτ=(3÷4).
Условие выполняется.
б)
Расчет шатунной шейки коленчатого вала на изгиб.
Из
динамического расчёта снимаем значения Кmax ,Kmin ,Tmax ,Tmin
Кmax=20000 НKmin=-3952 Н - сила, направленная вдоль кривошипа
Tmax=6000
НTmin=-2251 Н - сила, создающая момент
масса
вращающихся частей
(5.82)
= 0.781
кг
а=0.5·(h+lшш)=0.5·(13+17)=15мм
MTmax=Tmax 0.25·l(5.84)
MTmax=6000·0.25·0.076=114
Н·м
MTmin=Tmin 0.25·l(5.85)
MTmin= -2251·0.25·0.076=-42.77Н·м
MKmax=0.25· (Кmax-Kr)·l + Kr· (0.5·l
-a) (5.86)
MKmax=0.25· (20000-5995.24) ·0.076+5995.24·
(0.5·074-0.015)=398 Н·м
MKmin=0.25· (Кmin-Kr) · l + Kr·
(0.5· l -a)(5.87)
MKmin=0.25·
(-3952-5995.24 )·0.076+5995.24· (0.5·0.074-0.015)= -57.1 Н·м
- угол
поворота КВ, при котором момент сопротивления сечения шатунной шейки изгибу
будет наименьшим, значение берём из динамического расчёта
(5.88)
- момент
сопротивления сечения шатунной шейки изгибу
(5.90)
Находим
нормальные напряжения изгиба:

Зная
максимальные и минимальные нормальные напряжения изгиба, найдем среднее (σm)
и амплитудное (σа)
нормальные напряжения изгиба:
Находим
запас усталостной прочности:
(5.95)
где,
σ-1= 160
МПа (Сталь 10) - предел усталости материала шейки при симметричном нагружении
Кσ=2.3- коэффициент, учитывающий концентрацию напряжений
в шатунной шейке
εσ=0.67 - коэффициент, учитывающий абсолютные размеры
шатунной шейки
ασ=0.06 - коэффициент приведения асимметричного цикла к
равноопасному симметричному циклу
Находим
суммарный запас усталостной прочности:
(5.96)
Рекомендуемый
запас усталостной прочности: nτ=(2.5÷3.0).
Условие выполняется.
Расчет
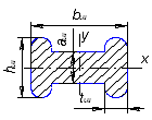
щеки коленчатого вала.
Рисунок
5.19 - Расчетная схема щеки коленчатого вала
а)
Расчет щеки коленчатого вала на изгиб.
Находим
изгибающий момент в плоскости кривошипа:
(5.97)
Дополнительно
к изгибу щеки учитываем напряжение растяжения щеки вдоль кривошипа и находим
напряжение изгиба щеки:
(5.98)
где,
Fщ=b·h=0.063·0.013=0.82·10-3
м2 - площадь поперечного сечения щеки
(5.99)
Находим
максимальные и минимальные напряжения изгиба щеки:
Зная
максимальные и минимальные напряжения изгиба щеки, находим среднее (σm)
и амплитудное (σа)напряжения
изгиба щеки:
Находим
запас усталостной прочности:
(5.104)
Среднее
напряжение не учитываем.
где,
Кσ - коэффициент, учитывающий концентрацию напряжений в
щеке
εσ - коэффициент, учитывающий абсолютные размеры щеки
(Кσ/ εσ)=(2÷2.5)=2
б)
Расчет щеки коленчатого вала на кручение.
Находим
касательное напряжение:
(5.106)
Рисунок
5.20 - Расчётная схема нагружения коленчатого вала
Максимальные
напряжения возникают в середине длинной стороны щеки.
полярный
момент сопротивления кручению:
Wкр.щ.=b·h2·α(5.107)
Wкр.щ.=0.063·0.0132·0.3=3.19·10-6
М3
коэффициент,
зависящий от соотношения сторон прямоугольника
α=1/(3+1.8·(h/b))(5.108)
α =1/(3+1.8·(0.013/0.063 ))=0.3
Находим
максимальные и минимальные касательные напряжения:
Зная
максимальные и минимальные касательные напряжения, найдем среднее (τm)
и амплитудное (τа)
касательные напряжения:
Находим
запас усталости:
(5.113)
≈2.2
Находим
общий запас усталости:
(5.114)
Рекомендуемый
запас усталостной прочности: nΣ=(2.5÷3.0).
Условие выполняется.
6. ЭКОНОМИЧЕСКАЯ ЧАСТЬ. БИЗНЕС ПЛАН
6.1 Общая часть
Бизнес-план является важным документом, предваряющим начало деятельности
предприятия. В бизнес-плане в основном описаны цели предпринимательской
деятельности, пути достижения этих целей и все показатели, вычисляемые в
процессе деятельности предприятия. Наиболее предпочтителен бизнес-план,
включающий следующие разделы: обобщенное резюме, основные параметры и
показатели бизнес-плана, характеристики продуктов, предоставляемых
предпринимателем потребителю, анализ и оценка конъюнктуры рынка сбыта, спроса,
объемов продаж, план действий и организационные меры, ресурсное обеспечение
сделки, эффективность сделки. Четко описывается, каким образом предприятие
хочет достичь высокой прибыли с минимальными затратами. Бизнес-план должен быть
четким и ясным, интересным и понятным. Предприятию, у которого хорошо составлен
бизнес-план, легче завоевывать новые позиции на рынке, легче планировать свои
будущие действия, концепции производства новых товаров и услуг, выбирать
рациональные способы их реализации. Тем самым растет престиж предприятия.
Отдельные предприятия способны добиться некоторого успеха, не затрачивая
большого труда на планирование. Бизнес-планирование само по себе не гарантирует
успеха. Но планирование может обеспечить немало важных и благоприятных факторов
для предприятия. Планирование обеспечивает также основу для принятия эффективных
управленческих решений. Когда известно, чего организация хочет достичь, легче
найти наиболее подходящие действия. Планирование способствует снижению рисков
при принятии решений. Принимая обоснованные плановые решения, руководство
уменьшает риск ошибок, обусловленных ошибочной или недостоверной информацией о
возможностях предприятия или о внешней ситуации.
В бизнес-плане характеризуются основные аспекты коммерческого
предприятия, анализируются проблемы, с которыми оно сталкивается, и
определяются пути и методы их решения. Отсюда бизнес-план выступает
одновременно в качестве поисковой, научно-исследовательской и проектной работы.
Бизнес-планирование занимает все более существенную долю в современном
менеджменте. В постоянно преобразующемся деловом мире для бизнеса открывается
сейчас множество новых возможностей. Бизнес-планирование помогает менеджеру не
упустить их и использовать для преобразования и повышения эффективности
деятельности на рынке.
6.2 Общие характеристика продукции
Двигатель - это силовой агрегат, который может быть
установлен:
а) на какое-либо транспортное средство (мотоцикл, снегоход,
автомобиль и т.п.);
б) на стационарную установку (генератор, водяной насос,
помпа, электростанция и т.п.).
В данной дипломной работе проектируется двигатель для
многцелевого использования: для установки на мотоциклы, на стационарные
установки. Он обладает следующими характеристиками, позволяющими применять его
в этой сфере жизнедеятельности:
·
простота
конструкции;
·
высокая
удельная мощность;
·
доступная
стоимость;
·
лёгкость.
Доступная стоимость такого двигателя может быть достигнута за
счет того что по сравнению с аналогичными 4-х-тактными двигателями
затрачивается меньше материала в механизме газораспределения.
Также, по сравнению с двухтактными двигателями 4-х-тактными имеет большую
топливную экономичность, что делает этот двигатель более привлекательным.
6.3 Текущая маркетинговая ситуация
Потребителем для планируемого товара будут в основном
производители мотоциклов, стационарных установок производства ОАО
"Ижевские мотоциклы". Также двигатели планируются на продажу на
сторону, например на производство дорожно-строительной техники в Серпуховский
завод, где используются четырёхтактные двигатели производства Honda. У нашего двигателя по
сравнению с теми же двигателями Honda имеется ряд преимуществ: они легче, выше
удельная мощность и экономичность. Следует ещё раз отметить, что двигатель с
подобной схемой газораспределения производят лишь в Англии.
Производство двигателей планируется освоить и внедрить на
предприятии ОАО "Молот" г. Вятские Поляны. Для их выпуска можно
использовать уже существующие производственные линии, т.к. на сегодняшний день
они недостаточно загружены, а внедрение новой продукции позволить снизить долю
постоянных затрат на уже производимую продукцию.
6.4 Планируемая ёмкость рынка
При планировании объёма выпуска следует учитывать следующее:
. Количество потенциальных потребителей;
. Постоянное совершенствование техники.
В основном планируется, что вся продукция будет поступать на производство
предприятия ОАО "Ижевский мотоцикл", но часть продукции можно сбывать
"на сторону":
). OOO "Ижевский мотоцикл".
а). По данным, за 2005 год было продано порядка 5000 мотоциклов
производства данного завода. Из них порядка 2000 мотоциклов было того же
литража, что и двигателя в моей работе. Следовательно, заводу ОАО
"Ижевский мотоцикл" будут поставляться 2000 двигателей на мотоциклы.
б) Также, для внутреннего производства на ОАО " Ижевский
мотоцикл"
используются 1500 мотопомп, на базе стационарных двигателей. Учитывая,
что мой двигатель обладает рядом преимуществ, 1500 двигателей будет
поставляться на внутреннее производство завода
) Сбыт "на сторону".
По данным за 2005 год Серпуховский завод, специализирующийся на
производстве строительной техники, продавал в месяц в среднем по 30 виброплит
на базе стационарных четырёхтактных ДВС производства Honda.
Т.е. за год они продали более 3000 установок. Из них 2500 тыс. установок
могут быть заменены на мой двигатель. Т. к. он, при более лучших характеристиках,
менее дорог.
Исходя из вышенаписанного, годовая программа выпуска или партия составит: Q = 5000 шт/год
Необходимо также помнить, что техника постоянно
совершенствуется, и возможно, что уже через определенное время потребитель
будет нуждаться в новой, более современной технике.
.5 Расчет себестоимости нового двигателя
В данной работе проектируется одноцилиндровый четырёхтактный двигатель,
аналогом которого является двигатель "ВП-50" г. Вятские Поляны.
Проектируемый двигатель отличается от базового увеличенным рабочим объемом, как
следствие, увеличенной мощностью, а также тем что он двухтактный а не
четырёхтактный.
За счёт применения принципиально новой схемы работы ГРМ, наш 4-хтактный
двигатель по габаритам и конструкции похож на двухтактный. Определять
себестоимость проектируемого двигателя будем исходя из себестоимости базового
двигателя и его комплектующих, с учетом внесенных изменений в конструкцию
двигателя. За основные комплектующие двигателя примем:
· головка цилиндра;
· вал коленчатый + элементы ГРМ
· цилиндр с вращающимся поршнем;
· картер двигателя.
В связи со сложностью и ёмкостью расчётов, изменение стоимости мы берём
пропорционально увеличению объёма детали.
· в процессе проектирования двигателя головка цилиндра
подверглась значительным изменениям, поэтому себестоимость новой головки
цилиндра увеличится на 50% от цены базового двигателя;
· коленчатый вал в процессе проектирования также подвергается
значительным изменениям. Помимо этого к нему добавились элементы ГРМ, поэтому
себестоимость увеличится на 100%
· конструкция цилиндра с поршнем в процессе проектирования была
полностью изменена, размеры увеличены, поэтому принимаем увеличение
себестоимости на 70%;
· картер двигателя подвергся значительным изменениям, поэтому
его себестоимость по сравнению с базовой увеличивается на 70%.
Остальные детали и узлы проектируемого двигателя остаются как у серийного
базового двигателя "ВП - 50", поэтому их себестоимость не меняется и
в расчете себестоимости нового двигателя не применяется.
(6.1)
где
С1 - себестоимость базового двигателя, руб;
- сумма
комплектующих базового двигателя , руб;
- сумма
комплектующих проектируемого двигателя, руб;
Данные
для расчета себестоимости проектируемого двигателя сведем в таблицу 6.1.
Таблица
6.1 Расчёт себестоимости двигателя
|
Комплектующие детали
|
Себестоимость базового
изделия, руб
|
Себестоимость
проектируемого изделия, руб
|
|
Двигатель
|
4910
|
6227
|
|
Головка цилиндра
|
138
|
1,5*138=207
|
|
Вал коленчатый
|
299
|
2*299=598
|
|
Цилиндр с поршнем
|
605
|
1,7*605=1029
|
|
Картер
|
750
|
1,7*750=1275
|
Себестоимость на комплектующие проектируемого двигателя в таблице
приведена с учетом коэффициентов, обоснованных выше, себестоимость нового
двигателя определена по формуле (6.1).
6.6 Финансовый план
Определим оптовую цену на основе затрат Цопт
Цопт= С2+П+Нпр
С2 - себестоимость двигателя 6227 руб.
П - прибыль (назначаем прибыль 30% от себестоимости)
П = 0,3 С2 = 0,3*6227= 1868,10 (руб.)
Нпр - налог на прибыль ( 24 % от прибыли)
Нпр = 0,24 П = 0,24* 1861,1 = 448,34 (руб.)
Цопт = 6227+1868,10+448,34 = 8543,50 (руб.)
Определим свободную отпускную цену, Ц
Ц = Цопт + НДС, где
НДС - налог на добавленную стоимость, НДС = 18%.
НДС = Цопт·0,18 = 8543,50*0,18 = 1537,82 руб.
Ц = 8543,50+ 1537,82 =10082 руб.
Определение постоянных затрат
Доля постоянных затрат определяется с учетом уже освоенного производства
двигателей, на базе которых проектируется новый двигатель.
Таким образом, постоянные среднегодовые постоянные затраты в себестоимости
товара на основе экспертных оценок будут составлять 650 тыс. рублей С·Q = 650000
Определение переменных затрат на проектируемый двигатель
V = V’×Р2/100 (6.2)
где V’ = 55% - доля переменных затрат;
По данным предприятия ОАО "Ижевские мотоциклы" за 1999 год доля
переменных затрат в цене составляет 50 - 60%, до сегодняшнего момента ситуация в лучшую сторону не изменилась V =55×10082/100=5546 руб;
Исходя из программы выпуска определим годовую прибыль
(6.3)
Где
(6.4)
W = ЦQ-CQ-VQ
(6.5)
W1=ЦQ. -
годовой доход (6.6)
W1=10082·5000 =
50410000 руб.
Cг =CQ - годовые постоянные затраты (6.7)
Cг =650000 руб.
Vг =VQ- годовые переменные затраты (6.8)
Vг =5546·5000=27730000
W =
10082·5000-650000-5546·5000= 22030000
На
проектирование двигателя необходимы капитальные вложения. Так как в данной
работе производится модернизация и доводка серийного двигателя, принимаем
капитальные вложения К = 6 млн. руб. на основе предварительных оценок
Исходя
из капитальных вложений определим срок окупаемости проектируемого двигателя:
(6.9)
лет (3,5
месяца)
Таблица 6.2 Финансовые результаты
|
№
|
Наименование показателей
|
Итого, руб.
|
|
1
|
Объем продаж в натуральном
выражении
|
5000
|
|
2
|
Цена продаж (руб.)
|
10082
|
|
3
|
Доходы
|
50410000
|
|
4
|
Расходы, в том числе:
|
|
|
4.1
|
Единовременные, в том
числе:
|
|
|
А
|
предпроизводственные
|
-
|
|
Б
|
капитальные
|
6000000
|
|
4.2
|
Текущие, в том числе:
|
|
|
А
|
налог на добавленную
стоимость
|
7689100
|
|
Б
|
себестоимость
|
31135000
|
|
5
|
Прибыль от реализации
|
5216900
|
|
6
|
Балансовая прибыль
|
5216900
|
|
7
|
Налогооблагаемая прибыль
|
5216900
|
|
8
|
Налоги и платежи из прибыли
|
1252056
|
|
9
|
Чистая прибыль
|
3964844
|
6.7 Определение точки безубыточности
На рисунке 8.2 изображен график определения точки
безубыточности, т.е. определение того минимального выпуска продукции, начиная с
которого предприятие станет работать без убытков. Из графика видно, что
предприятие начнет работать без убытков, выпуская не менее 213 двигателей в
год.
Рисунок 6.1 Определение точки безубыточности
Вывод: Как видно из расчетных данных наш проект экономически оправдан.
Капитальные вложения в производство нового двигателя окупятся через 0,27 лет.
Как видно из графика на рисунке 6.1, безубыточным производство становится при
производстве всего 140 штук в год.
7. БЖД. ЭРГОНОМИКА РАБОЧЕГО МЕСТА ИНЖЕНЕРА КОНСТРУКТОРА
7.1 Введение
Охрана труда - это система законодательных актов,
социально-экономических, организационных, технических, гигиенических и
лечебно-профилактических мероприятий и средств, обеспечивающих безопасность,
сохранение здоровья и работоспособности человека в процессе труда / /.
Полностью безопасных и безвредных производственных процессов не
существует. Задача охраны труда - свести к минимальной вероятность поражения
или заболевания работающего с одновременным обеспечением комфорта при
максимальной производительности труда.
Главным объектом её исследования являются человек и процесс труда,
производственная среда, взаимосвязь человека с промышленным оборудованием,
организация труда и производства, а также технологические процессы. На основе
научного анализа определяются опасные участки производства, возможные аварийные
ситуации и разрабатываются мероприятия по их предупреждению или ограничению
последствий.
Задача охраны труда - свести к минимуму вероятность несчастного
случая или заболевания работающего с одновременным обеспечением комфортных
условий при максимальной производительности труда.
Условия труда - совокупность факторов производственной среды
и трудового процесса, оказывающих влияние на здоровье и работоспособность
человека в процессе труда.
Вредный производственный фактор - фактор среды и трудового
процесса, который может вызвать профессиональную патологию, временное или
стойкое снижение работоспособности, повысить частоту соматических и
инфекционных заболеваний, привести к нарушению здоровья потомства.
Опасный производственный фактор - фактор среды и трудового
процесса, который может быть причиной острого заболевания или внезапного
резкого ухудшения здоровья, а также смерти.
Безопасные условия труда - условия труда, при которых
воздействие на работающих вредных и опасных производственных факторов исключено
или их уровни не превышают гигиенических нормативов.
Всю человеческую деятельность по характеру выполняемой деятельности
разделяют на 3 основные группы:
- физический труд;
- механизированные формы физического труда;
- умственный труд.
7.2 Эргономика рабочего места
Требования к организации и оборудованию рабочего места
инженера-конструктора приведены в ГОСТ 12.2.032-78. Высота рабочей поверхности
стола для пользователей должна регулироваться в пределах 680-800 мм; при
отсутствии таковой возможности высота рабочей поверхности стола должна
составлять 725 мм.
Модульными размерами рабочей поверхности стола для ПЭВМ, на основании
которых должны рассчитываться конструктивные размеры, следует считать: ширину
800, 1200, 1400 мм, глубину 800 и 1000 мм при нерегулируемой высоте, равной 725
мм.
Рабочий стол должен иметь пространство для ног высотой не менее 600 мм,
шириной - не менее 500 мм, глубиной на уровне колен - не менее 450 мм и на
уровне вытянутых ног - не менее 650 мм.
Высота одноместного стола для занятий с ПЭВМ и ВДТ
Таблица 7.1 Обязательные параметры для соблюдения
|
Рост человека в
|
Высота над
полом, мм
|
|
обуви, см
|
поверхность
стола
|
пространство
для ног не менее
|
|
116 - 130
|
520
|
400
|
|
131 - 145
|
580
|
520
|
|
146 - 160
|
640
|
580
|
|
161 - 175
|
700
|
640
|
|
выше 175
|
760
|
700
|
Примечание: ширина и глубина пространства для ног
определяются конструкцией стола.
Важным элементом рабочего места программиста является кресло. Оно
выполняется в соответствии с ГОСТ 21.889-76. При проектировании кресла исходят
из того, что при любом рабочем положении работника его поза должна быть
физиологически правильно обоснованной, т.е. положение частей тела должно быть
оптимальным. Для удовлетворения требований физиологии, вытекающих из анализа
положения тела человека в положении сидя, конструкция рабочего сидения должна
удовлетворять следующим основным требованиям:
Рабочий стул (кресло) должен быть подъемно-поворотным и регулируемым по
высоте в пределах 400-500 мм и углам наклона сиденья и спинки вперед до 15
градусов и назад до 5 градусов, а также - расстоянию спинки до переднего края
сиденья.Рабочее место необходимо оборудовать подставкой для ног, имеющей ширину
не менее 300 мм, глубину не менее 400 мм, регулировку по высоте в пределах до
150 мм и по углу наклона опорной поверхности подставки до 20 градусов.
Поверхность подставки должна быть рифленой и иметь по переднему краю бортик
высотой 10 мм.
Клавиатуру следует располагать на поверхности стола на расстоянии 100-300
мм от края, обращенного к пользователю, или на специальной регулируемой по
высоте рабочей поверхности, отделенной от основной столешницы.
7.3 Требования к мониторам (ВДТ) и ПЭВМ
Конструкция монитора (видеодисплейный терминал - ВДТ) должна
обеспечивать возможность фронтального наблюдения экрана путем поворота корпуса
в горизонтальной плоскости вокруг вертикальной оси в пределах ± 30° и в вертикальной
плоскости вокруг горизонтальной оси в пределах ± 30° с фиксацией в заданном
положении. Дизайн мониторов должен предусматривать окраску в спокойные мягкие
тона с диффузным рассеиванием света. Корпус монитора и ПЭВМ, клавиатура должны
иметь матовую поверхность одного цвета с коэффициентом отражения 0,4 - 0,6 и не
иметь блестящих деталей, способных создавать блики.
Конструкция ВДТ должна предусматривать наличие ручек
регулировки яркости и контраста, обеспечивающие возможность регулировки яркости
и контраста, обеспечивающие возможность регулировки этих параметров от
минимальных до максимальных значений.
ВДТ и ПЭВМ должны обеспечивать мощность экспозиционной дозы
рентгеновского излучения в любой точке на расстоянии 0,05м. от экрана и корпуса
монитора при любых положениях регулировочных устройств не должна превышать
7,74х10 А/кг, что соответствует эквивалентной дозе, равной 0,1 мбэр/час (100
мкР/час).
7.4 Обеспечение визуальных эргономических параметров ЭВМ
Визуальные эргономические параметры ЭВМ обеспечиваются путем приобретения
высококачественных ЭВМ и их длительным предварительным тестированием, с целью
выявить возможные дефекты. Предельные значения параметров приведены в Таблице
1.
Таблица 7.2 Визуальные эргономические параметры ЭВМ
|
Наименование параметра
|
Предельное значение
параметра
|
|
минимальное значение
параметра
|
максимальное значение
параметра
|
|
Яркость знака (кд/м2)
|
35
|
120
|
|
Внешнее освещение (лк)
|
100
|
250
|
|
Угловой размер знака
(угл/мин)
|
16
|
60
|
Примечания:
. Оптимальным диапазоном значений визуального эргономического
параметра называется диапазон, в пределах которого обеспечивается безошибочное
считывание информации при времени реакции человека - оператора, превышающем
минимальное, установленное экспериментально для данного типа ВДТ, не более чем
в 1,2 раза.
. Допустимым диапазоном значений визуального эргономического
параметра называется диапазон, при котором обеспечивается безошибочное
считывание информации, а время реакции человека - оператора превышает
минимальное, установленное экспериментально для данного типа ВДТ, не более, чем
в 1,5 раза.
. Угловой размер знака - угол между линиями, соединяющими
крайние точки знака по высоте и глаз наблюдателя.
Угловой размер знака определяется по формуле: a = arctg (h/2 l), где h - высота знака, l - расстояние от знака до
глаза наблюдателя.
. Данные, приведенные в настоящей таблице, подлежат
корректировке по мере введения в действие новых стандартов, регламентирующих
требования и нормы на визуальные параметры ВДТ.
7.5 Микроклимат рабочего помещения
Требования к микроклимату оговорены в документе СанПиН 2.2.4.548-96
"Гигиенические требования к микроклимату производственных помещений".
В этом документе оговариваются необходимые значения температуры, влажности и
скорости движения воздуха в рабочем помещении.
В холодный и переходный периоды года помещение должно отапливается,
температура воздуха производственного помещения должна быть 20-22 °C, а в теплый период года 22-24 °C, скорость движения воздуха не более
0.2 м/с круглогодично, что соответствует выше оговоренному ГОСТу.
Большое количество оборудования в рабочем помещении приводит к накоплению
производственной пыли. Пыль может оказывать на организм человека фиброгенное
раздражающее и токсическое действие. Степень опасности пыли зависит от формы
частиц, их твердости, волокнистости, электрозаряженности и т.п. Для
предотвращения запыленности выше предельно допустимой должна использоваться
вентиляции. Может быть установлена местная вытяжная система вентиляции.
Воздух без пыли, микроорганизмов и патогенной микрофлоры. В соответствии
с требованиями санитарных норм на 1 кв. м общее количество колонии не превышает
1000. Этот уровень достигается с помощью вентиляции.
Для обеспечения безопасных условий труда разработчика программного
продукта необходимо в первую очередь ,чтобы помещения, их размеры (площадь,
объем) соответствоваликоличеству работающих и размещаемому в них комплексу
технических средств.
Определяющей характеристикой помещения является площадь на одного
работающего человека. Объем производственного помещения предприятий на одного
работающего принимается не менее 15 кв.м., а площадь - не менее 4,5 кв.м.
Высота помещения должна быть не менее 3м.
7.6 Шум и вибрация
Согласно ГОСТ 12.1.003-89, нормируемой шумовой характеристикой при
постоянном шуме являются уровни звуковых давлений в децибеллах (дБ -
относительная логарифмическая единица измерения звукового давления) в октавных
полосах, в которых верхняя граничная частота в 2 раза больше нижней. Основными
источниками шума являются: принтер и ЭВМ. В соответствии с ГОСТ уровень шума в
рабочем помещении не должен превышать 75 дБ. Необходимо осуществлять уменьшение
шума в источнике, для этого устанавливают виброизолирующие прокладки между
источником и основанием. Для снижения уровня шума в помещении используют
звукопоглощающие материалы с максимальными коэффициентами поглощения в области
частот 63-8000 Гц для отделки помещения. В качестве прокладок используют резину,
войлок, пробку, амортизаторы различной конструкции.
.7 Электробезопасность
Опасное и вредное воздействие на людей электрического тока, электрической
дуги и электромагнитных полей, согласно ГОСТ 12.1.019-79, проявляются в виде
электротравм и профессиональных заболеваний. Электротравмы могут произойти при
протекании через тело человека электрического тока. Нормативные значения:
I
больше 10 mA - опасен для человека;
I
больше 50 mA - вызывает тяжелые поражения;
I
больше 100 mA - смертельно опасен.
В соответствии с ПУЭ помещение комплекса должно относится к классу
помещений без повышенной опасности поражения людей электрическим током, т.к. в
помещении отсутствуют сырость, токопроводящая пыль, токопроводящие материалы и
т.д.
Для создания безопасных условий работы программиста выполняются следующие
мероприятия:
используется выносное заземляющее устройство;
используется зануление;
устранение неисправностей необходимо производить только при отключенном
электропитании;
периодически проверяется целостность изоляции токоведущих частей и
кожухов.
При аварии необходимо отключать питание ЭВМ, блоков питания и пультов
управления для предотвращения ударов электрическим током. Также, для
предотвращения травматизма от ударов, полученных электрическим током,
необходимо правильно организовать эксплуатацию и обслуживание
электроаппаратуры, проведение ремонтных и профилактических работ. Необходимо
использовать средства индивидуальной защиты: изолированную часть высоковольтных
щупов, диэлектрические перчатки и резиновые диэлектрические ковры.
Необходимо следить за наличием и исправностью изоляции токопроводящих
проводников, а также организовать заземление токоведущих частей.
Современные ЭВМ отвечают всем требованиям и нормам электробезопасности
при условии правильного обращения с ними.
7.8 Источники излучения
Уровни облучений от мониторов в ультрафиолетовой, инфракрасной и видимой
областях спектра находятся ниже допустимых значений.
Рентгеновское облучение также ниже допустимой нормы, поэтому разрешается
эксплуатация без особых разрешений. Несмотря на это, для защиты от ионизирующих
излучений используют экраны - передвижные или стационарные щиты,
предназначенные для поглощения или ослабления ионизирующего излучения.
.9 Освещение
Нормирование освещенности производится в соответствии со СНиП 23-05-95
"Естественное и искусственное освещение".
Для создания наилучших условий для видения в процессе труда рабочие места
должны быть нормально освещены. Требуемый уровень освещенности в первую очередь
определяется точностью выполняемых работ и степенью опасности травмирования.
В производственных помещениях используется 3 вида освещения:
Ø естественное (источником его является солнце);
Ø искусственное (используются только искусственные источники
света);
Ø совмещенное или смешанное (характеризуется одновременным
сочетанием естественного и искусственного освещения).
Совмещенное освещение применяется в том случае, когда только естественное
освещение не может обеспечить необходимые условия для выполнения
производственных операций.
Применение только местного освещения не допускается.
Рациональное освещение рабочего места является одним из важнейших
факторов, влияющих на эффективность трудовой деятельности человека,
предупреждающих травматизм и профессиональные заболевания. Правильно
организованное освещение создает благоприятные условия труда, повышает
работоспособность и производительность труда. Освещение на рабочем месте должно
быть таким, чтобы работник мог без напряжения зрения выполнять свою работу.
Утомляемость органов зрения зависит от ряда причин:
Ø недостаточность освещенности;
Ø чрезмерная освещенность;
Ø неправильное направление света.
Недостаточность освещения приводит к напряжению зрения, ослабляет
внимание, приводит к наступлению преждевременной утомленности. Чрезмерно яркое
освещение вызывает ослепление, раздражение и резь в глазах. Неправильное
направление света на рабочем месте может создавать резкие тени, блики,
дезориентировать работающего. Все эти причины могут привести к несчастному
случаю или профзаболеваниям, поэтому столь важен правильный расчет
освещенности.
7.10 Вентиляция
Системы отопления и системы кондиционирования следует устанавливать так,
чтобы ни теплый, ни холодный воздух не направлялся на людей. На производстве
рекомендуется создавать динамический климат с определенными перепадами
показателей. Температура воздуха у поверхности пола и на уровне головы не
должна отличаться более чем на 5 градусов. В производственных помещениях помимо
естественной вентиляции предусматривают приточно-вытяжную вентиляцию. Основным
параметром, определяющим характеристики вентиляционной системы, является
кратность обмена, т.е. сколько раз в час сменится воздух в помещении.
7.11 Пожаробезопасность оператора вычислительных машин
Согласно ОНТП-24-93 все помещения подразделяются на пять категорий: А, Б,
В, Г, Д. Наше помещение относится по пожароопасности к категории Д,
устанавливаемой для помещений, имеющих в обращении негорючее вещество и
материалы в холодном состоянии.
Для категории Д допустимая этажность - 10. Данное помещение находится на
1 этаже. Расстояние от наиболее удалённого рабочего места до ближайшего
эвакуационного выхода не ограничивается.
Пожарная безопасность может быть обеспечена мерами пожарной профилактики
и активной пожарной защитой. Понятие о пожарной профилактике включает комплекс
мероприятий, необходимых для предупреждения возникновения пожара или уменьшения
его последствий. Под активной пожарной защитой понимаются меры, обеспечивающие
успешную борьбу с возникающими пожарами или взрывоопасными ситуациями.
Пожарная безопасность обеспечивается системами предотвращения пожара и
противопожарной защиты, которые выполняют ряд задач:
исключение возникновения пожара;
обеспечение пожарной безопасности людей и материальных ценностей.
Наиболее неисправность средств вычислительной техники, нарушение правил
эксплуатации оборудования. Пожар может возникнуть вследствие причин
неэлектрического и электрического характера:
неосторожное обращение с огнем;
оставленные без присмотра нагревательные приборы;
самовозгорание веществ;
короткие замыкания;
перегрузки проводов;
большое переходное сопротивление;
искрение от нарушения изоляции и т.д.
Для оценки пожарной безопасности необходимо знать, какие огнеопасные
вещества или смеси используются, получаются или могут образовываться в процессе
производства.
Все производственные помещения, территории предприятия должны содержаться
в чистоте и порядке. Двери эвакуационных выходов должны открываться наружу,
загромождение и закрывание пожарных проходов и проездов, а также
противопожарного инвентаря строго запрещается. Курение разрешается только в
специально отведенных местах.
а)Активные методы борьбы с пожарами:
Изоляция очага горения от воздуха с помощью твердых веществ (например,
песок, покрывала и т.д.);
Охлаждение очага горения ниже определенной температуры достигается с
помощью воды, но у нее есть ограничения на тушение легковоспламеняющихся
веществ , электроустановок и др., поэтому чаще применяется углекислый газ,
который при соединении с атмоасферой снижает температуру до -78°С);
интенсивное торможение скорости химической реакции в пламени (в основном
для этой цели применяются порошки);
Для тушения пожаров необходимо применять углекислотные или порошковые
огнетушители, которые обладают высокой скоростью тушения, большим временем
действия, возможностью тушения электроустановок, высокой эффективностью борьбы
с огнем.
Исходя из норм пожарной безопасности для персональных компьютеров
используются два вида огнетушителей:
углекислотный огнетушитель типа ОУ-5 или ОУ-8, с помощью которого можно
тушить загорания различных материалов и установок напряжением до 1000 В;
порошковый (ОХП-10), с помощью которого можно тушить твердые материалы и
горючие жидкости (кроме установок под напряжением);
В помещении предусмотрены средства пожарной сигнализации и пожаротушения
- тепловые извещатели с плавкими предохранителями, которые позволяют оповестить
дежурный персонал о пожаре. В качестве пожарных извещателей устанавливаются
дымовые фотоэлектрические извещатели типа ИДФ-1 или ДИП-1. Связь с пожарной
охраной осуществляется с помощью телефона, установленного в помещении.
При возникновении пожара необходимо:
сообщить по телефону в пожарную охрану;
сообщить руководству;
принять по возможности меры эвакуации людей, тушению пожара и сохранности
материальных ценностей.
7.12 Заключение по разделу
В данном разделе дипломного проекта была рассмотрена эргономика рабочего
места инженера конструктора, предложены мероприятия по охране труда оператора,
по способам борьбы с возгораниями, противопожарной профилактике.
В соответствии с принятыми нормами в ОГК обеспечивается необходимый
микроклимат, минимальный уровень шума, созданы удобные и правильные с точки
зрения эргономики рабочие места, соблюдены требования технической эстетики и
требования к ЭВМ.
Заключение
В результате работы был разработан технический проект четырёхтактного
двигателя с вращающимся цилиндром - клапаном, объёмом 175 см 3
По оценке технических показателей спроектированный двигатель удовлетворяет
всем критериям, которые были выставлены к нему при проектировании, а именно
таким критериям, как: низкая стоимость, надежность, небольшая масса,
ремонтопригодность, простое и дешевое обслуживание.
Динамический расчёт показал, что мощность двигателя увеличилась с 5,61 до
7,44 кВт, что составляет 33%, без учёта потерь на трение.
В экономической части была рассчитана себестоимость двигателя и его
розничная цена, полученные результаты показали ,что наш проект экономически
оправдан при организации производства на существующих ресурсах . Капитальные
вложения в производство окупаются в течении 3,5 месяцев. двигатель кинематический
динамический прочность
В процессе работы были проведены кинематический, динамический и тепловой
расчет двигателя и просчитаны на прочность некоторые основные детали двигателя.
В работе сделан краткий обзор по охране труда, приведены информационный на
двигатель. Выполнена анимация принципиальной схемы работы двигателя.
На основе технического проекта можно разработать рабочий проект и
изготовить опытный образец.
Библиографический список
1. Автомобильные двигатели. Под редакцией М.С. Ховака - М.:
Машиностроение, 1977. - 591 с.
. Анурьев В.И. Справочник конструктора-машиностроителя
Т. 3 - М.: Машиностроение, 1992. - 563 с.
. Бендерский Б.Я., Сазонов В.В., Селифанов С.Е., Вахрамеев
Д.А. Тепловой расчет двигателей внутреннего сгорания: методические указания по
курсовому и дипломному проектированию. - Ижевск: ИжГСХА, 2002. - 40 с.
. Двигатели внутреннего сгорания. Конструирование и расчет на
прочность поршневых и комбинированных двигателей. Под редакцией А.С. Орлина и
М.Г. Круглова - М.: Машиностроение, 1984. - 384 с.
. Дьяченко Н.Х., Харитонов Б. А. и др. Конструирование и
расчет двигателей внутреннего сгорания. - Л.: Машиностроение, 1979. - 392 с.
. Калинин М.П. Мотоцикл. Устройство, эксплуатация и
обслуживание. - М: Высшая школа, 1988. - 160 с.
. Колчин А.И., Демидов В.П. Расчет автомобильных и тракторных
двигателей. - М.: Высшая школа, 2002. - 496 с.
. Орлин А.С. Конструирование и расчет ДВС. Т.2 - М.: Машгиз,
1962. - 394 с.
9. Безопасность жизнедеятельности. Производственная безопасность и охрана
труда./П.П. Кукин, В.Л. Лапин, Н.Л. Пономарев и др.; Учеб. Пособие для
студентов средних спец. Учеб. Заведений. - М.: Высш. шк., - 2001. - 431 с.: ил.
. Электронный ресурс: www.membrana.ru
. Электронный ресурс: www.rcvengines.com
Приложение 1
Доклад
Здравствуйте, Уважаемые члены аттестационной
комиссии. Вашему вниманию предоставляется диплом на тему "Четырёхтактный
двигатель внутреннего сгорания, работающий по схеме вращающийся
цилиндр-клапан"
Актуальность темы.
Всё большее распространение находят малолитражные виды транспорта, такие,
как мотоциклы, скутеры, мопеды самокаты и т.д. Объясняется это рядом причин.
Во-первых, это модно среди молодёжи. Во-вторых, такой вид транспорта удобен как
в эксплуатации, так и в обслуживании. Ну и, в-третьих, конечно же, он дёшев.
Двигатели в таких видах транспорта как скутер, например, составляет немалую
часть стоимости. Но и экономичность для них играет не последнюю роль. И какой
владелец пусть даже самого заурядного скутера не хочет, чтобы его транспорт был
всё-таки помощнее? Поэтому, там где нужно больше удельной мощности выбирают
двухтактный двигатель в ущерб экономичности, а там где нужна экономичность,
выбирают четырёхтактный, но уже в ущерб удельной мощности.
Поэтому актуальным становиться вопрос о том, каким образом объединить
преимущества двухтактного и четырёхтактного двигателя.
Описание двигателя
Двигатель состоит из следующих конструктивных элементов:
кривошипно-шатунного механизма, систем впуска и выпуска.
Конструктивной особенностью двигателя является то, что гильза цилиндра
приводится во вращение от коленчатого вала с частотой вращения в два раза
меньшей, чем частота вращения коленчатого вала, что позволяет служить гильзе в
качестве клапана в механизме газораспределения.
В качестве аналога в расчётах для сравнения применён четырёхтактный
бензиновый двигатель с теми же характеристиками (ход поршня, диаметр поршня,
степень сжатия, частота вращения коленчатого вала), но с обычным клапанным
механизмом газораспределения.
Предпосылки к созданию нового вида двигателя
На первый взгляд кажется, что предложенное англичанами серьёзное
изменение в привычной всем конструкции ДВС - это шаг в сторону сложности. Но
потом понимаешь - совсем наоборот. Новый тип мотора надёжнее и эффективнее
прежнего. Главное, что это вовсе не бумажный проект
Британская компания RCV Engines была создана в 1997 году специально для
проработки, испытаний и, наконец, продвижения на рынок всего одного
изобретения. Оно, собственно, и зашифровано в названии фирмы: "Вращающийся
цилиндр-клапан" (Rotary Cylinder Valve - RCV).
К настоящему времени базирующаяся в Вимборне компания не только отладила
технологию, но доказала работоспособность этой новой концепции. Она уже
наладила серийный выпуск линейки маленьких четырёхтактных (обратите внимание)
моторчиков с рабочим объёмом от 9,5 до 50 "кубиков", предназначенных
для авиамоделей, газонокосилок, ручных мотопил и подобной техники.
Но вот 1 февраля 2006 года компания презентовала первый образец
125-кубового двигателя для скутеров, благодаря чему дала многим людям повод
впервые познакомиться с этой мало известной пока технологией - RCV.
Один из маленьких движков от RCV Engines, предназначенный для авиамоделей.
Он также построен по фирменной технологии RCV. Объём - 10 кубических
сантиметров, мощность на валу - 670 ватт (0,9 "лошадок"), вес - 570
граммов.
Комментируя релиз новинки, управляющий директор RCV Engines Эрик Хилл
(Eric Hill) сказал: "Технология RCV - существенное новшество, которое
прокладывает путь к новому поколению двигателей для самых разных прикладных
секторов. Двигателей более экономичных и с меньшими выбросами загрязняющих веществ".
Также авторы изобретения заявляют о снижении себестоимости движков (на
несколько процентов) за счёт сокращения числа деталей, и повышении их удельной
мощности как на единицу объёма, так и на единицу веса, по сравнению с аналогами
того же класса (процентов на 20). [11]
Схема работы двигателя
Итак, перед нами четырёхтактный двигатель, в котором нет привычных
клапанов и всей системы их привода. Вместо них британцы заставили работать
распределителем газов сам рабочий цилиндр двигателя, который в моторах RCV
вращается вокруг своей оси.
Поршень при этом совершает точно те же движения, что и раньше. А вот
стенки цилиндра вращаются вокруг поршня (цилиндр закреплён внутри мотора на
двух подшипниках).
С края цилиндра устроен патрубок, который попеременно открывается к
впускному или выпускному окну. Предусмотрено тут и скользящее уплотнение,
работающее аналогично поршневым кольцам - оно позволяет цилиндру расширяться
при нагревании, не теряя герметичность.
В свече зажигания применён скользящий графитный контакт, хорошо знакомый
автомобилистам по старым механическим распределителям зажигания.
Приводят цилиндр во вращение всего три шестерёнки: одна на цилиндре, одна
на коленчатом валу и одна - промежуточная. Естественно, скорость вращения
цилиндра - вдвое меньше оборотов коленвала.
Но зачем избавляться от клапанов? Напомним, мы говорим именно о
четырёхтактных моторах, более сложных, но более экономичных, чем двухтактные,
которые господствуют в секторе миниатюрных (10-50 "кубиков") ДВС.
Разрез нового 125-кубового двигателя RCV. На переднем плане видны
шестерни привода цилиндра (рис. 1.2). В районе свечи и в районе красной
шестерёнки - хорошо видны его подшипники. Цилиндр находится в положении впуска
свежего заряда. Внизу видна выхлопная труба, перекрытая стенкой цилиндра
Во-первых, клапаны ограничивают просвет, через который проходит воздух
или выхлопные газы. С этим борются при помощи четырёхклапанных головок
цилиндров, что заметно усложняет и удорожает конструкцию двигателя.
Окна же в данной системе существенно больше. Почти как окна у
двухтактника. Но это четырёхтактник, очень экономичный.
Ключевая деталь привода вращения цилиндра - промежуточная комбинированная
шестерня.
Во-вторых, клапаны совершают возвратно-поступательное движение; и их
инерционность мешает разгонять двигатели до больших оборотов. Клапаны
отрываются от распредвала - пружины не успевают их закрывать.
В системе же RCV цилиндр, выполняющий и функцию универсального клапана,
вращается равномерно в одну сторону. Ничто не мешает обороты такого
четырёхтактника повысить против привычных для моторов равного объёма, но с
клапанами.
Наконец, в-третьих, привод клапанов - это источник потерь на трение
(пружины сильно прижимают "хвосты" клапанов к поверхности кулачков
распредвала).
В RCV, правда, взамен появляется скользящее уплотнение верхней части
цилиндра (там, где устроены окна для газообмена), но там нет сильного прижима.
К тому же, привод цилиндра (шестерни) обладает меньшими потерями, чем потери в
приводе распредвала обычных движков (цепь или зубчатый ремень).
Увы, новую технологию сложно представить масштабированной до
многоцилиндровых и многолитровых автомобильных моторов. Хотя такая мысль
выглядит соблазнительной.
Ведь линейка уже созданных маленьких движков с системой RCV показывает
удельную мощность до 100 "лошадок" на литр (и это без всякого
наддува), заметно меньшую токсичность и лучшую экономичность, чем
четырёхтактные соперники в этом классе, оборудованные двухклапанной головкой
цилиндра.
Система RCV, идеальна для моторчиков с рабочим объёмом до 250 кубических
сантиметров.
(показать плакат, видеоролики )
Описание двигателя
Двигатель состоит из следующих конструктивных элементов:
кривошипно-шатунного механизма, систем впуска и выпуска.
Конструктивной особенностью двигателя является то, что гильза цилиндра
приводится во вращение от коленчатого вала с частотой вращения в два раза
меньшей, чем частота вращения коленчатого вала, что позволяет служить гильзе в
качестве клапана в механизме газораспределения.
Расчёт
Расчёт данного двигателя производят по следующей схеме:
Мы производим тепловой расчёт для гипотетического аналогичного двигателя
внутреннего сгорания четырёхтактного, с теми же показателями, но уже с
классическим механизмом газораспределения:
Объём 175см3
Диаметр цилиндра 63 мм
Ход поршня 56 мм
Частота вращения КВ 5000 об/мин
(показать ВСХ)
Из теплового расчёта выделены следующие параметры:
P0 =
0.1 мпа - давление окружа
Pb =
0.375 мпа - давление конца расширения
Pz =
7.478 мпа - давление в конце сгорания
Pc =
1.996 мпа - давление в конце сжатия
n1 =
1.365 - показатель политропы сжатия
n2 =
1.321 - показатель политропы расширения
λ = 3.75 - степень повышения давления
Nie = 5,78 квт эффективная индикаторная мощность
Далее, для того же гипотетического двигателя с классическим механизмом
газораспределения был произведён кинематический, а также динамический расчёт, в
котором по вышеперечисленным параметрам из теплового расчёта была восстановлена
индикаторная диаграмма
В качестве аналога в расчётах для сравнения применён четырёхтактный
бензиновый двигатель с теми же характеристиками (ход поршня, диаметр поршня,
степень сжатия, частота вращения коленчатого вала), но с обычным клапанным
механизмом газораспределения.
В результате динамического расчёта была выведена эффективная мощность при
номинальных оборотах равная 5,61 квт при механическом КПД = 0,7 , что на 3 %
отличается от мощности, полученной при тепловом расчёте. Далее для нового
двигателя используется механическое КПД = 0,95. Т.е кпд, учитывающий
механические потери, сводится не к потерям на ГРМ с классическим клапанным
механизмом и к потерям на трение, а к потерям в двух шестерёнчатых передачах
нового ГРМ. Совокупный КПД, по статистическим данным , этих передач равняется
0,95. Но потери на трение не учитывались, поскольку они должны выводится
экспериментально. Естественно, самую большую потерю будет составлять трение
между вращающейся гильзой цилиндра и поступательно движущимся поршнем.
В результате эффективная индикаторная мощность нового двигателя составила
7,44 квт. Произошло увеличение в мощности в 33%.
К тому же, за счёт сокращения числа деталей происходит и увеличение
удельной мощности.
Далее же по данным динамического расчёта произведён расчёт на прочность
основных элементов нового двигателя.
В разделе БЖД произведён анализ эргономики рабочего места инженера -
конструктора.
В экономической части представлен бизнес план, в котором при планируемой
ёмкости производства 5000 изделий в год, капитальные вложения должны будут
окупится менее, чем за 4 месяца. Себестоимость изделия составила 6227 рублей.
Приложение 2
Таблица 1 Кинематический расчет двигателя
|
Угол поворота КВ, град
|
Угол поворота КВ, рад
|
Xi Перемещение поршня, м
|
Vi Скорость поршня, м/с
|
Ji Ускорение поршня, м/с2
|
|
0
|
0
|
0
|
0
|
9595,457
|
|
10
|
0,174444
|
0,000530385
|
3,171019
|
9363,334
|
|
20
|
0,348889
|
0,002095937
|
6,189315
|
8684,434
|
|
30
|
0,523333
|
0,004621769
|
8,913604
|
7609,374
|
|
40
|
0,697778
|
0,007989283
|
11,22432
|
6216,768
|
|
50
|
0,872222
|
0,012044819
|
13,03167
|
4605,299
|
|
60
|
1,046667
|
0,016610519
|
14,28075
|
2883,931
|
|
70
|
1,221111
|
0,021496325
|
14,95322
|
1161,359
|
|
80
|
1,395556
|
0,026511947
|
15,06546
|
-464,087
|
|
90
|
1,57
|
0,031477701
|
14,66369
|
-1912,98
|
|
100
|
1,744444
|
0,036233268
|
13,81655
|
-3130,81
|
|
110
|
1,918889
|
0,040643716
|
12,60626
|
-4090,96
|
|
120
|
2,093333
|
0,044602462
|
11,11925
|
-4794,19
|
|
130
|
2,267778
|
0,048031217
|
9,437617
|
-5265,1
|
|
140
|
2,442222
|
0,05087732
|
7,632129
|
-5545,76
|
|
150
|
2,616667
|
0,053109135
|
5,757729
|
-5687,7
|
|
160
|
2,791111
|
0,054710422
|
3,851837
|
-5743,09
|
|
170
|
2,965556
|
0,055674618
|
1,935568
|
-5756,36
|
|
200
|
3,488889
|
0,054733748
|
-3,8169
|
-5743,59
|
|
210
|
3,663333
|
0,053144057
|
-5,72312
|
-5689,33
|
|
220
|
3,837778
|
0,050923647
|
-7,59838
|
-5549,43
|
|
230
|
4,012222
|
0,048088534
|
-9,40557
|
-5271,78
|
|
240
|
4,186667
|
0,044670017
|
-11,0901
|
-4804,77
|
|
250
|
4,361111
|
0,04072033
|
-12,5813
|
-4106,06
|
|
260
|
4,535556
|
0,036317262
|
-13,7974
|
-3150,69
|
|
270
|
4,71
|
0,031566871
|
-14,652
|
-1937,41
|
|
280
|
4,884444
|
0,026603589
|
-15,0625
|
-492,332
|
|
290
|
5,058889
|
0,021587314
|
-14,9602
|
1130,533
|
|
300
|
5,233333
|
0,016697449
|
-14,2982
|
2852,168
|
|
310
|
5,407778
|
0,012124182
|
-13,0596
|
4574,515
|
|
320
|
5,582222
|
0,008057681
|
-11,2621
|
6188,982
|
|
330
|
5,756667
|
0,004676135
|
-8,95983
|
7586,516
|
|
340
|
5,931111
|
0,00213375
|
-6,2421
|
8668,154
|
|
350
|
6,105556
|
0,000549849
|
-3,22795
|
9354,836
|
|
360
|
6,28
|
1,77558E-07
|
-0,05837
|
9595,379
|
|
370
|
6,454444
|
0,000511267
|
3,114032
|
9371,683
|
|
380
|
6,628889
|
0,002058445
|
6,136434
|
8700,582
|
|
390
|
6,803333
|
0,004567684
|
8,867243
|
7632,126
|
|
400
|
6,977778
|
0,007921115
|
11,18641
|
6244,48
|
|
410
|
7,152222
|
0,011965626
|
13,00356
|
4636,047
|
|
420
|
7,326667
|
0,016523696
|
14,26311
|
2915,694
|
|
430
|
7,501111
|
0,021405379
|
14,94606
|
1192,217
|
|
440
|
7,675556
|
0,026420288
|
15,0682
|
-435,783
|
|
450
|
7,85
|
0,031388459
|
14,67525
|
-1888,47
|
|
460
|
8,024444
|
0,036149157
|
13,83554
|
-3110,85
|
|
470
|
8,198889
|
0,04056695
|
12,6311
|
-4075,77
|
|
480
|
8,373333
|
0,044534729
|
11,14838
|
-4783,54
|
|
490
|
8,547778
|
0,047973706
|
9,469626
|
-5258,35
|
|
500
|
8,722222
|
0,050830787
|
7,665855
|
-5542,04
|
|
510
|
0,053074003
|
5,792325
|
-5686,03
|
|
520
|
9,071111
|
0,054686883
|
3,886774
|
-5742,57
|
|
530
|
9,245556
|
0,055662737
|
1,970587
|
-5756,29
|
|
540
|
9,42
|
0,05599976
|
0,052536
|
-5757,27
|
|
550
|
9,594444
|
0,055697742
|
-1,86553
|
-5756,48
|
|
560
|
9,768889
|
0,054756862
|
-3,78196
|
-5744,08
|
|
570
|
9,943333
|
0,053178768
|
-5,68851
|
-5690,94
|
|
580
|
10,11778
|
0,050969769
|
-7,56461
|
-5553,06
|
|
590
|
10,29222
|
0,048145655
|
-9,37348
|
-5278,4
|
|
600
|
10,46667
|
0,044737394
|
-11,0608
|
-4815,27
|
|
610
|
10,64111
|
0,040796792
|
-12,5563
|
-4121,07
|
|
620
|
10,81556
|
0,03640114
|
-13,7782
|
-3170,48
|
|
630
|
10,99
|
0,03165597
|
-14,6401
|
-1961,76
|
|
640
|
11,16444
|
0,026695212
|
-15,0595
|
-520,517
|
|
650
|
11,33889
|
0,021678345
|
-14,967
|
1099,741
|
|
660
|
11,51333
|
0,016784484
|
-14,3155
|
2820,405
|
|
670
|
11,68778
|
0,012203714
|
-13,0873
|
4543,695
|
|
680
|
11,86222
|
0,008126308
|
-11,2996
|
6161,124
|
|
690
|
12,03667
|
0,004730783
|
-9,00591
|
7563,552
|
|
700
|
12,21111
|
0,002171884
|
-6,29478
|
8651,741
|
|
710
|
12,38556
|
0,000569659
|
-3,28484
|
9346,188
|
|
720
|
12,56
|
7,10229E-07
|
-0,11675
|
9595,145
|
Таблица 2 Динамический расчет двигателя
|
Fj1, Н
|
Fj2, Н
|
Fj, Н
|
Pиндик Па
|
Fi, Н
|
Βi
град
|
Si, Н
|
Ni, Н
|
Ti, Н
|
Ki, Н
|
Mкрi, Н*м
|
|
-3408,31
|
-852,077
|
-4260,38
|
101300
|
-3944,63
|
0
|
-3944,63
|
0
|
0
|
-3944,63
|
0
|
|
-3356,58
|
-800,742
|
-4157,32
|
101300
|
-3841,57
|
2,488121
|
-3845,19
|
-166,844
|
-831,058
|
-3754,31
|
-22,1061
|
|
-3202,97
|
-652,922
|
-3855,89
|
101300
|
-3540,14
|
4,905163
|
-3553,14
|
-303,663
|
-1495,58
|
-3223,05
|
-39,7824
|
|
-2952,13
|
-426,43
|
-3378,56
|
101300
|
-3062,81
|
7,181077
|
-3087
|
-385,698
|
-1864,78
|
-2460,12
|
-49,603
|
|
-2611,69
|
-148,555
|
-2760,24
|
101300
|
-2444,49
|
9,248102
|
-2476,65
|
-397,822
|
-1875,47
|
-1617,54
|
-49,8874
|
|
-2191,97
|
147,219
|
-2044,75
|
101300
|
-1729
|
11,04243
|
-1761,58
|
-337,237
|
-1540,89
|
-853,723
|
-40,9876
|
|
-1705,72
|
425,2545
|
-1280,47
|
101300
|
-964,713
|
12,50636
|
-988,136
|
-213,872
|
-942,244
|
-297,638
|
-25,0637
|
|
-1167,69
|
652,0496
|
-515,643
|
101300
|
-199,891
|
13,59086
|
-205,644
|
-48,2996
|
-204,341
|
-23,1066
|
-5,43548
|
|
-594,222
|
800,2767
|
206,0548
|
101300
|
521,8069
|
14,25828
|
538,3746
|
132,5323
|
536,9216
|
-39,528
|
14,28211
|
|
-2,71413
|
852,0755
|
849,3614
|
101300
|
1165,113
|
14,48485
|
1203,324
|
300,8309
|
1165,353
|
-299,903
|
30,99838
|
|
588,8761
|
801,2045
|
1390,081
|
101300
|
1705,833
|
14,26237
|
1760,026
|
433,3892
|
1605,299
|
-721,6
|
42,70096
|
|
1162,592
|
653,7934
|
1816,385
|
101300
|
2132,137
|
13,59889
|
2193,571
|
515,5028
|
1828,422
|
-1211,87
|
48,63601
|
|
1701,018
|
427,6043
|
2128,623
|
101300
|
2444,375
|
12,51804
|
2503,836
|
542,4285
|
1847,472
|
-1689,98
|
49,14275
|
|
2187,812
|
149,8916
|
2337,704
|
101300
|
2653,456
|
11,05737
|
2703,596
|
518,2681
|
1701,946
|
-2100,67
|
45,27177
|
|
2608,198
|
-145,882
|
2462,316
|
101300
|
2778,068
|
9,265811
|
2814,758
|
452,9903
|
1441,693
|
-2417,52
|
38,34903
|
|
2949,415
|
-424,078
|
2525,337
|
101300
|
2841,09
|
7,200994
|
2863,654
|
358,7793
|
1113,335
|
-2638,37
|
29,61472
|
|
3201,107
|
-651,175
|
2549,932
|
101300
|
2865,684
|
4,926685
|
2876,3
|
246,8945
|
752,0477
|
-2776,24
|
20,00447
|
|
3355,632
|
-799,81
|
2555,823
|
101300
|
2871,575
|
2,510617
|
2874,331
|
125,8449
|
378,9969
|
-2849,24
|
10,08132
|
|
3204,818
|
-654,663
|
2550,155
|
101300
|
2865,907
|
-4,88363
|
2876,339
|
-244,745
|
-745,298
|
-2778,1
|
-19,8249
|
|
2954,841
|
-428,778
|
2526,064
|
102000
|
2843,998
|
-7,16114
|
2866,334
|
-357,138
|
-1107,8
|
-2643,61
|
-29,4674
|
|
2615,174
|
-151,227
|
2463,946
|
104100
|
2788,426
|
-9,23037
|
2824,969
|
-452,91
|
-1440,69
|
-2429,99
|
|
2196,126
|
144,545
|
2340,671
|
107800
|
2676,683
|
-11,0275
|
2726,985
|
-521,355
|
-1711,02
|
-2123,41
|
-45,5131
|
|
1710,417
|
422,9005
|
2133,318
|
113400
|
2486,786
|
-12,4946
|
2547,048
|
-550,775
|
-1874,57
|
-1724,36
|
-49,8637
|
|
1172,791
|
650,2991
|
1823,09
|
121200
|
2200,871
|
-13,5828
|
2264,131
|
-531,467
|
-1883,59
|
-1256,33
|
-50,1036
|
|
599,5663
|
799,3407
|
1398,907
|
132000
|
1810,351
|
-14,2542
|
1867,797
|
-459,667
|
-1701,26
|
-770,964
|
-45,2535
|
|
8,142369
|
852,0669
|
860,2092
|
146700
|
1317,473
|
-14,4848
|
1360,68
|
-340,169
|
-1316,66
|
-343,316
|
-35,0231
|
|
-583,529
|
802,1242
|
218,5955
|
166700
|
738,1994
|
-14,2664
|
761,6653
|
-187,605
|
-759,419
|
-58,4493
|
-20,2006
|
|
-1157,49
|
655,5307
|
-501,957
|
194300
|
103,6763
|
-13,6069
|
106,6671
|
-25,0819
|
-106,033
|
11,61807
|
-2,82046
|
|
-1696,31
|
429,9498
|
-1266,36
|
232700
|
-541,036
|
-12,5297
|
-554,223
|
120,1762
|
529,0794
|
-165,039
|
14,07351
|
|
-2183,65
|
152,5626
|
-2031,08
|
287200
|
-1135,88
|
-11,0723
|
-1157,4
|
222,1652
|
1014,473
|
-557,162
|
26,98499
|
|
-2604,7
|
-143,207
|
-2747,91
|
365700
|
-1608,02
|
-9,2835
|
-1629,34
|
262,7124
|
1237,87
|
-1059,45
|
32,92734
|
|
-2946,69
|
-421,722
|
-3368,41
|
480300
|
-1871,32
|
-7,22089
|
-1886,26
|
236,9743
|
1145,266
|
-1498,78
|
30,46407
|
|
-3199,24
|
-649,421
|
-3848,66
|
647300
|
-1831,03
|
-4,9482
|
-1837,87
|
158,4452
|
780,1473
|
-1664,07
|
20,75192
|
|
-3354,68
|
-798,87
|
-4153,55
|
882000
|
-1404,35
|
-2,53311
|
-1405,73
|
62,09691
|
309,265
|
-1371,28
|
8,226449
|
|
-3408,29
|
-852,059
|
-4260,35
|
1177000
|
-591,639
|
-0,04565
|
-591,639
|
0,471138
|
2,355685
|
-591,635
|
0,062661
|
|
-2957,54
|
-431,121
|
-3388,66
|
6745000
|
17635,5
|
7,141191
|
17773,23
|
2208,362
|
10681,29
|
14205,55
|
284,1224
|
|
-2618,65
|
-153,898
|
-2772,55
|
5443000
|
14193,28
|
9,212617
|
14378,56
|
2300,83
|
10852,49
|
9432,208
|
288,6762
|
|
-2200,27
|
141,8694
|
-2058,4
|
4075000
|
10643,37
|
11,01246
|
10842,83
|
2070,188
|
9464,858
|
5289,941
|
251,7652
|
|
-1715,11
|
420,5421
|
-1294,57
|
2987000
|
8015,911
|
12,4829
|
8209,789
|
1773,646
|
7819,565
|
2501,009
|
208,0004
|
|
-1177,89
|
648,542
|
-529,344
|
2190000
|
6296,886
|
13,5747
|
6477,658
|
1519,634
|
6434,075
|
750,1582
|
171,1464
|
|
-604,909
|
798,3967
|
193,4875
|
1644000
|
5317,836
|
14,25
|
5486,479
|
1349,844
|
5472,982
|
-384,601
|
145,5813
|
|
-13,5706
|
852,0496
|
838,479
|
1266000
|
4784,601
|
14,48474
|
4941,512
|
1235,368
|
4789,482
|
-1216,31
|
127,4002
|
|
578,1799
|
803,0358
|
1381,216
|
1003000
|
4507,567
|
14,27044
|
4650,936
|
1145,882
|
4247,85
|
-1893,93
|
112,9928
|
|
1152,38
|
657,2613
|
1809,642
|
815500
|
4351,555
|
13,61484
|
4477,238
|
1053,39
|
3739,117
|
-2462,65
|
99,46052
|
|
1691,602
|
432,2908
|
2123,893
|
680500
|
4245,011
|
12,54132
|
4348,667
|
943,8142
|
3216,837
|
-2926,24
|
85,56787
|
|
2179,477
|
155,2321
|
2334,709
|
581900
|
4148,491
|
11,08717
|
4227,311
|
812,5146
|
2669,889
|
-3277,48
|
71,01905
|
|
2601,196
|
-140,531
|
2460,665
|
509400
|
4048,465
|
9,30116
|
4102,346
|
662,7036
|
2110,227
|
-3517,98
|
56,13204
|
|
2943,96
|
-419,361
|
2524,599
|
456000
|
3945,951
|
7,240776
|
3977,639
|
501,0859
|
1555,558
|
-3660,85
|
41,37783
|
|
3197,363
|
-647,661
|
2549,702
|
417000
|
3849,491
|
4,969695
|
3864,002
|
334,5647
|
1019,375
|
-3727,12
|
27,11537
|
|
3353,714
|
-797,922
|
2555,793
|
389400
|
3769,552
|
2,555592
|
3773,301
|
168,1614
|
506,5094
|
-3739,15
|
13,47315
|
|
3408,267
|
-852,038
|
2556,23
|
371000
|
3712,637
|
0,068474
|
3712,639
|
4,434694
|
13,30412
|
-3712,62
|
0,35389
|
|
3359,367
|
-803,489
|
2555,878
|
360400
|
3679,245
|
-2,4206
|
3682,528
|
-155,452
|
-468,034
|
-3652,66
|
-12,4497
|
|
3208,497
|
-658,124
|
2550,373
|
357000
|
3663,142
|
-4,84053
|
3676,24
|
-310,054
|
-943,92
|
-25,1083
|
|
2960,237
|
-433,46
|
2526,777
|
342800
|
3595,285
|
-7,12122
|
3623,206
|
-448,939
|
-1392
|
-3345,14
|
-37,0271
|
|
2622,123
|
-156,566
|
2465,556
|
328600
|
3489,803
|
-9,19484
|
3535,181
|
-564,611
|
-1795,08
|
-3045,52
|
-47,7491
|
|
2204,417
|
139,1925
|
2343,61
|
314400
|
3323,594
|
-10,9974
|
3385,708
|
-645,552
|
-2117,31
|
-2641,98
|
-56,3203
|
|
1719,799
|
418,1794
|
2137,978
|
300200
|
3073,702
|
-12,4711
|
3147,902
|
-679,442
|
-2310,87
|
-2137,56
|
-61,4691
|
|
1182,979
|
646,7783
|
1829,757
|
286000
|
2721,219
|
-13,5666
|
2799,245
|
-656,306
|
-2324,25
|
-1560,01
|
-61,8251
|
|
610,2504
|
797,4445
|
1407,695
|
271800
|
2254,896
|
-14,2458
|
2326,361
|
-572,192
|
-2116,01
|
-966,68
|
-56,2858
|
|
18,99878
|
852,0236
|
871,0224
|
257600
|
1673,962
|
-14,4846
|
1728,858
|
-432,208
|
-1671,53
|
-441,532
|
-44,4626
|
|
-572,83
|
803,9392
|
231,1097
|
243400
|
989,7875
|
-14,2744
|
1021,287
|
-251,69
|
-1018,01
|
-81,7574
|
-27,079
|
|
-1147,27
|
658,9852
|
-488,285
|
229200
|
226,1312
|
-13,6228
|
232,6702
|
-54,7731
|
-231,372
|
24,54126
|
-6,1545
|
|
-1686,89
|
434,6275
|
-1252,26
|
214900
|
-582,416
|
-12,5529
|
-596,665
|
129,6151
|
570,2302
|
-175,631
|
15,16812
|
|
-2175,3
|
157,9
|
-2017,4
|
200700
|
-1391,82
|
-11,102
|
-1418,33
|
272,9733
|
1245,701
|
-678,161
|
33,13565
|
|
-2597,69
|
-137,853
|
-2735,54
|
186500
|
-2154,22
|
-9,3188
|
-2183
|
353,3102
|
1663,889
|
-1413,14
|
44,25944
|
|
-2941,22
|
-416,996
|
-3358,22
|
172300
|
-2821,16
|
-7,26064
|
-2843,94
|
359,2449
|
1735,482
|
-2253,02
|
46,16381
|
|
-3195,48
|
-645,894
|
-3841,37
|
158100
|
-3348,58
|
-4,99118
|
-3361,31
|
292,294
|
1438,789
|
-3037,81
|
38,2718
|
|
-3352,74
|
-796,965
|
-4149,71
|
143900
|
-3701,17
|
-2,57807
|
-3704,92
|
166,5651
|
829,4365
|
-3610,88
|
22,06301
|
|
-3408,24
|
-852,007
|
-4260,24
|
101300
|
-3944,49
|
-0,0913
|
-3944,5
|
6,282176
|
31,41072
|
-3944,37
|
0,835525
|
Таблица 3 Внешняя скоростная характеристика
|
ne, об/мин
|
Ne, кВт
|
Me, Н∙м
|
ge, г/кВт∙ч
|
Gт, кг/ч
|
|
720
|
0,93492
|
12,3997
|
365,359632
|
0,34158
|
|
1000
|
1,34096
|
12,80522
|
350,811389
|
0,470424
|
|
1100
|
1,48981
|
12,93328
|
345,975881
|
0,515437
|
|
1200
|
1,64023
|
13,0525
|
341,33
|
0,559858
|
|
1300
|
1,79194
|
13,16289
|
336,873747
|
0,603657
|
|
1400
|
1,94467
|
13,26445
|
332,607122
|
0,646811
|
|
1500
|
2,09814
|
13,35717
|
328,530125
|
0,689302
|
|
1600
|
2,25207
|
13,44107
|
324,642756
|
0,731119
|
|
1700
|
2,40619
|
13,51614
|
320,945014
|
0,772255
|
|
1800
|
2,56022
|
13,58237
|
317,4369
|
0,812707
|
|
1900
|
2,71387
|
13,63977
|
314,118414
|
0,852477
|
|
2000
|
2,86688
|
13,68834
|
310,989556
|
0,89157
|
|
2100
|
3,01896
|
13,72808
|
308,050325
|
0,929993
|
|
2200
|
3,16984
|
13,75899
|
305,300722
|
0,967756
|
|
2300
|
3,31925
|
13,78107
|
302,740747
|
1,004871
|
|
2400
|
3,46689
|
13,79432
|
300,3704
|
1,041351
|
|
2500
|
3,6125
|
13,79873
|
298,189681
|
1,07721
|
|
2600
|
3,7558
|
13,79432
|
296,198589
|
1,112462
|
|
2700
|
3,89651
|
13,78107
|
294,397125
|
1,14712
|
|
2800
|
4,03435
|
13,75899
|
292,785289
|
1,181198
|
|
2900
|
4,16904
|
13,72808
|
291,363081
|
1,214706
|
|
3000
|
4,30032
|
13,68834
|
290,1305
|
1,247654
|
|
3100
|
4,4279
|
13,63977
|
289,087547
|
1,28005
|
|
3200
|
4,5515
|
13,58237
|
288,234222
|
1,311897
|
|
3300
|
4,67084
|
13,51614
|
287,570525
|
1,343196
|
|
3400
|
4,78566
|
13,44107
|
287,096456
|
1,373945
|
|
3500
|
4,89566
|
13,35717
|
286,812014
|
1,404134
|
|
3600
|
5,00058
|
13,26445
|
286,7172
|
1,433752
|
|
3700
|
5,10013
|
13,16289
|
286,812014
|
1,462779
|
|
3800
|
5,19405
|
13,0525
|
287,096456
|
1,491192
|
|
3900
|
5,28204
|
12,93328
|
287,570525
|
1,518959
|
|
4000
|
5,36384
|
12,80522
|
288,234222
|
1,546042
|
|
4100
|
5,43916
|
12,66834
|
289,087547
|
1,572395
|
|
4200
|
5,50774
|
290,1305
|
1,597963
|
|
4300
|
5,56928
|
12,36808
|
291,363081
|
1,622684
|
|
4400
|
5,62352
|
12,2047
|
292,785289
|
1,646485
|
|
4500
|
5,67018
|
12,0325
|
294,397125
|
1,669285
|
|
4600
|
5,70898
|
11,85146
|
296,198589
|
1,69099
|
|
4700
|
5,73963
|
11,66159
|
298,189681
|
1,711499
|
|
4800
|
5,76187
|
11,46288
|
300,3704
|
1,730696
|
|
4900
|
5,77542
|
11,25535
|
302,740747
|
1,748456
|
|
5000
|
5,78
|
11,03899
|
305,300722
|
1,764638
|
|
5100
|
5,77533
|
10,81379
|
308,050325
|
1,779092
|
|
5200
|
5,76113
|
10,57976
|
310,989556
|
1,791653
|
|
5300
|
5,73714
|
10,33691
|
314,118414
|
1,80214
|
|
5400
|
5,70306
|
10,08522
|
317,4369
|
1,810361
|
|
5500
|
5,65862
|
9,824698
|
320,945014
|
1,816106
|