Микрофонный усилитель оборудования дуплексной громкоговорящей связи

  • Вид работы:
    Дипломная (ВКР)
  • Предмет:
    Информатика, ВТ, телекоммуникации
  • Язык:
    Русский
    ,
    Формат файла:
    MS Word
    998,59 kb
  • Опубликовано:
    2012-02-21
Вы можете узнать стоимость помощи в написании студенческой работы.
Помощь в написании работы, которую точно примут!

Микрофонный усилитель оборудования дуплексной громкоговорящей связи













Пояснительная записка

МИКРОФОННЫЙ УСИЛИТЕЛЬ ОБОРУДОВАНИЯ ДУПЛЕКСНОЙ ГРОМКОГОВОРЯЩЕЙ СВЯЗИ

Содержание

Введение

. Постановка задачи обеспечения громкоговорящей связи

1.1   Параметры шума, численные характеристики

.2 Принципы работы существующего оборудования громкоговорящей связи

.3     Критерии выбора микрофона

.4     Конструктивное размещение микрофона

2. Технологии подавления шумов и наводок в аудиотехнике

2.1. Технологические способы

.2 Инструментальные способы

.3. Методические способы

3. Предлагаемые варианты шумоподавления для ОДГС и их реализация

3.1 Дифференциальный микрофон

.1.1 Варианты подключения и элементная база

.1.2 Фазирование сигналов

.2 Автоматическая регулировка усиления

3.3 Адаптивная ЦОС

3.3.1 Элементная база

.3.2 Алгоритмы обработки

.3.3 Модель процесса обработки

.4 Дополнение

Заключение

Список литературных источников

Приложения

Введение

Автоматизация технологических процессов вовсе не исключает участие человека, а часто ставит его на место главного звена в технологической цепи. Особенно важным такой подход оказывается в период эксплуатации сложных объектов в предаварийных и аварийных режимах. Степень оперативности принятия решений и эффективность координации действий персонала по управлению оборудованием во многом зависит от наличия и работоспособности оборудования связи. Достойными примером поведения человека в экстренной ситуации являются: случай посадки авиалайнера с горящим двигателем на реку Гудзон в Нью-Йорке, да и многие другие. Весьма сомнительно, чтобы подобные действия могла предпринять и скоординировать система автопилота. Координация и организация текущей работы для территориально-распределенных предприятий не представляется возможным без средств связи. Для экстренных случаев специально создаются системы оповещения. Главной задачей здесь считается - одновременное оповещение как можно большего количества людей о случившемся и снизить степень хаоса и паники. Не умаляя достоинства оповещательных систем, заметим, что это - система без обратной связи и без контроля поведения персонала и контроля ситуации, хотя в нереальном масштабе времени путем фиксации и записи переговоров в хронологическом порядке ситуацию можно восстановить и проанализировать [1]. Среди имеющихся современных видов связи - телефонная, сотовая, радио - громкоговорящую связь все-таки можно считать наиболее оперативной. Главная задача оборудования громкоговорящей связи - создать эффект присутствия и реального времени производственного общения коллектива людей, рассредоточенных на значительной территории. И в обычном и в экстренном режиме работы ценность такого вида связи очевидна.

Приведем выдержки их документа - ОСНОВНЫЕ ПРАВИЛА ОБЕСПЕЧЕНИЯ ЭКСПЛУАТАЦИИ АТОМНЫХ СТАНЦИЙ СТО 1.1.1.01.0678-2007 :

"11.4 Оперативные переговоры - отдача и прием команд, распоряжений, передача и прием устной информации, непосредственно связанные с управлением и ведением технологических процессов при прямом устном контакте, а также с использованием имеющихся на АС технических средств оперативной связи, включая:

телефонную;

высокочастотную;

оперативную громкоговорящую;

командно-поисковую;

резервную внутри объектовую радиосвязь;

другие применяемые на АС технические средства связи.

.4.8 В случае аварийной ситуации следует предоставлять преимущество применения всех средств связи оперативному персоналу, связанному с ликвидацией аварийной ситуации.

.4.10 Применять станционную громкоговорящую связь следует для обеспечения внутренней связи при ведении технологического процесса, в случае необходимости быстрого поиска или вызова работника, передачи распоряжений (команд) оперативному персоналу, а также в случаях, когда необходимо сделать сообщение, касающееся всего оперативного персонала."

Без комментариев.

В пояснительной записке рассматриваются вопросы требований к оборудованию громкоговорящей связи относительно режима работы микрофонного входа. Анализируются условия работы, существующие технологии в области аудио техники. Предлагаются варианты структур и схемных решений микрофонного усилителя. Представлен спектр современной элементной базы для реализации усилителя. Результаты работы оформлены в виде макета варианта усилителя, приводятся его парметры.

1. Постановка задачи обеспечения громкоговорящей связи


По данным и результатам пояснительной записки должно быть сформировано Техническое Задание (ТЗ) на целиком оборудование громкоговорящей связи и в частности на микрофонный усилитель. Здесь будут оговариваться предельные показатели, варианты реализации, т.е. формироваться информационное поле.

Специфика объекта - машинный зал АЭС, где будет эксплуатироваться оборудование, во многом определяет требования. Большинство требований прописано в соответствующих НД и ПНАЭ. Отметим, что такой объект, с точки зрения голосовой связи, можно охарактеризовать, как объект с повышенной шумовой обстановкой.

Требования к громкоговорящей связи с точки зрения реализации принципа эффекта присутствия (круглый стол, конференц-зал) - это обеспечение дуплексной связи. Немаловажным считается в этом контексте и узнаваемость говорящего по голосу и отличие отдельно говорящего среди нескольких, уровень его голоса, тональная окраска фразы.

Далее по тексту - оборудование дуплексной громкоговорящей связи, будем обозначать как ОДГС.

1.1    Параметры шума, численные характеристики


Согласно ГОСТ 12.1.003-83 "Система стандартов безопасности труда. Шум. Общие требования безопасности" помещения, в которых на АЭС будет эксплуатироваться ОДГС можно обозначить как рабочие места за пультами в кабинах наблюдения и дистанционного управления без речевой связи по телефону; в помещениях лабораторий с шумным оборудованием, в помещениях для размещения шумных агрегатов с уровнем шума 80 дБ. Учитывая специфику и требования к оборудованию для АЭС можно считать с запасом уровень шума в 90 дБ.

По характеру спектра шум следует подразделять на:

широкополосный с непрерывным спектром шириной более одной октавы;

тональный, в спектре которого имеются выраженные дискретные тона. Тональный характер шума для практических целей (при контроле его параметров на рабочих местах) устанавливают измерением в третьоктавных полосах частот по превышению уровня звукового давления в одной полосе над соседними не менее чем на 10 дБ.

По временным характеристикам шум следует подразделять на:

постоянный, уровень звука которого за 8-часовой рабочий день (рабочую смену) изменяется во времени не более чем на 5 дБ А при измерениях на временной характеристике "медленно" шумомера по ГОСТ 17187;

непостоянный, уровень звука которого за 8-часовой рабочий день (рабочую смену) изменяется во времени более чем на 5 дБ А при измерениях на временной характеристике "медленно" шумомера по ГОСТ 17187.

Непостоянный шум следует подразделять на:

колеблющийся во времени, уровень звука которого непрерывно изменяется во времени;

прерывистый, уровень звука которого ступенчато изменяется (на 5 дБ А и более), причем длительность интервалов, в течение которых уровень остается постоянным, составляет 1 с и более;

импульсный, состоящий из одного или нескольких звуковых сигналов, каждый длительностью менее 1 с, при этом уровни звука, измеренные в дБ AI и дБ А соответственно на временных характеристиках "импульс" и "медленно" шумомера по ГОСТ 17187, отличаются не менее чем на 7 дБ.

Таким образом, в наихудшем случае эксплуатация ОДГС будет в обстановке широкополосного, постоянного и колеблющегося с импульсным режимом шума.

Характеристикой постоянного шума на рабочих местах являются уровни звукового давления L в дБ в октавных полосах со среднегеометрическими частотами 31,5, 63, 125, 250, 500, 1000, 2000, 4000, 8000 Гц, определяемые по формуле

 

,

где p - среднее квадратическое значение звукового давления, Па;

p0 - исходное значение звукового давления. В воздухе р0 = 2´10-5 Па.

Для ориентировочной оценки (например, при проверке органами надзора, выявлении необходимости осуществления мер по шумоглушению и др.) допускается в качестве характеристики постоянного широкополосного шума на рабочих местах принимать уровень звука в дБ А, измеряемый на временной характеристике "медленно" шумомера по ГОСТ 17187 и определяемый по формуле

 

,

где рА - среднее квадратическое значение звукового давления с учетом коррекции "А" шумомера, Па.

Следовательно, уровень шума в 90 дБА соответствует среднеквадратическому значению звукового давления 0,63 Па.

Звуковое давление нормального человеческого голоса на расстоянии 0,5 - 1 метр соответствует уровню в 65 дБА, что соответствует среднеквадратическому значению звукового давления 0,35 Па, что в 1,8 раза меньше давления, оказываемого шумом. Разборчивость речи (оценивается по ГОСТ Р 51061-97 или STI, RASTI, %-Alcons) может оказаться под вопросом, да и усиленный уровень шума в динамике приемника не будет способствовать адекватной оценке происходящего для оператора.

1.2 Принципы работы существующего оборудования громкоговорящей связи


В данном разделе в рамках пояснительной записки нет необходимости рассматривать параметры существующих и поставляемых в машинные залы АЭС оборудования громкоговорящей связи. Отметим лишь одно - все они работают в режиме полудуплексной связи. Такой режим работы требует от оператора ручного управления переключателем прием/передача, что противоречит принципу эффекта присутствия и обстановке реального времени для всех участников возникшей конференц-связи. И, если в штатном режиме работы объекта, когда чаще связь проходит в голосовом режиме "тэт-а- тэт", полудуплексная связь в какой-то мере обеспечивает оперативность управления, то в заштатных режимах, предаварийных, а особенно в аварийных ("многие-ко-многим") - трудно представить хоть какую-то степень оперативности и эффективности от такой связи. Наоборот, могут возникнуть по субъективным причинам замешательство, неразбериха и эффект "испорченного телефона".

1.3    Критерии выбора микрофона (материал из Интернета)


Производитель ОДГС вероятно заранее уже определился с комплектующими для оборудования, руководствуясь противоречивыми требованиями по обеспечению технических параметров и возможностью серийной реализации. И, тем не менее, в рамках этой пояснительной записки сформируем определенный объем информации о наиболее важном звене ОГДС- микрофоне.

Правильный выбор микрофона и правильная работа с ним зависят от характера его применения, рода деятельности, с одной стороны, и ряда психоакустических особенностей человеческого слуха и микрофонов, с другой.

Не так с микрофоном. Он улавливает и передает дальше в электроакустический тракт все звуки, которые может зарегистрировать. Более того, в отношении звукозаписи психологическая избирательность слуха не действует. Прослушав фонограмму, сделанную в многолюдном собрании, мы услышим лишь хаос голосов, из которых наш слух не сможет выбрать какой-то один.

Из этого психоакустического феномена и следует первое правило работы с микрофонами: в микрофон должны попадать только те звуки, которые нужны; всем остальным объявляется война с применением самых разных способов, средств и устройств.

При всем обилии нормируемых технических параметров микрофон - наиболее индивидуальный прибор. Отсюда и второе правило: не существует идеального микрофона, подходящего для всех источников звука и видов работы. Выбор микрофона для конкретного источника (голоса, инструмента, шума) и способа применения (запись, усиление) - дело опыта, во всех смыслах этого слова.

Микрофоны классифицируются по признаку преобразования акустических колебаний в электрические и подразделяются на электродинамические, электромагнитные, электростатические (конденсаторные и электретные), угольные и пьезоэлектрические.

Однако при всей индивидуальности и характерности микрофон - это прибор, имеющий целый ряд нормируемых параметров, по которым сравнивают и оценивают различные типы и модели. Это чисто технические - акустические и электрические - параметры. Количество их ограничено стандартами (например, ГОСТ 6495-84).

Микрофоны характеризуются следующими параметрами, конкретные значения которых должны указываться в техническом задании:

- Чувствительность микрофона-это отношение напряжения на выходе микрофона к воздействующему на него звуковому давлению при заданной частоте (как правило 1000 Гц), выраженное в милливольтах на паскаль (мВ/Па). Чем больше это значение, тем выше чувствительность микрофона.

- Номинальный диапазон рабочих частот-диапазон частот, в котором микрофон воспринимает акустические колебания и в котором нормируются его параметры .

- Неравномерность частотной характеристики-разность между максимальным и минимальным уровнем чувствительности микрофона в номинальном диапазоне частот.

- Модуль полного электрического сопротивления-нормированное значение выходного или внутреннего электрического сопротивления на частоте 1 кГц.

- Характеристика направленности-зависимость чувствительности микрофона (в свободном поле на определённой частоте) от угла между осью микрофона и направлением на источник звука.

- Уровень собственного шума микрофона-выраженное в децибелах отношение эффективного значения напряжения, обусловленного флуктуациями давления в окружающей среде и тепловыми шумами различных сопротивлений в электрической части микрофона, к напряжению, развиваемому микрофоном на нагрузке при давлении 1 Па при воздействии на микрофон полезного сигнала с эффективным давлением  0,1 Па.

Конкретные реализации типов микрофонов, их амплитудно-частотные характеристики и чувствительность широко представлены в сети Internet в виде результатов поиска по ключевому слову "микрофон".

С точки зрения механо-электрического принципа выбор невелик - в настоящее время используются только динамические и конденсаторные микрофоны. Все прочие не находят применения в профессиональной практике.

Устройство динамического микрофона аналогично устройству динамического громкоговорителя (поэтому последние часто используются и в качестве микрофона - в рациях, переговорных устройствах, то есть там, где компактность важнее качества звука). Диафрагма динамического микрофона связана с катушкой, находящейся в зазоре вокруг магнита. Продольные колебания прилегающего воздуха смещают диафрагму с катушкой относительно постоянного магнитного поля, что приводит к появлению на концах катушки переменного электрического напряжения, амплитуда и частота которого пропорциональны силе и частоте звука, воздействующего на диафрагму.

В конденсаторном микрофоне звук воздействует на мембрану, являющуюся одной из обкладок конденсатора. Этот конденсатор включен в последовательную цепь с источником постоянного тока. При звуковом воздействии на мембрану она начинает колебаться, вызывая изменение емкости, которое, в свою очередь, превращает постоянное напряжение источника в переменное. В силу ряда особенностей использования конденсатора в качестве электроакустического преобразователя конденсаторный микрофон всегда снабжается специальным усилителем, согласующим выход микрофона с входом нагрузки.

С точки зрения пространственных характеристик микрофоны делятся, прежде всего, на направленные и ненаправленные. Направленность определяется как изменение чувствительности микрофона при перемещении источника звука неизменной интенсивности относительно оси, перпендикулярной плоскости диафрагмы. Естественно, что наиболее чувствителен микрофон именно по этой оси. Однако поведение микрофона по мере отклонения источника от этой оси различно:

в случае, если чувствительность меняется очень слабо, микрофон является ненаправленным, и его характеристика направленности графически изображается в виде круга; - если чувствительность в пределах фронтальной полусферы меняется мало, а чувствительность со стороны тыльной полусферы резко падает, микрофон является односторонненаправленным. Поскольку график характеристики направленности напоминает сердце ("крендель"), то такой микрофон называется кардиоидным;  - если у кардиоидного микрофона чувствительность при отклонении от оси сильно ослабляется, образуя вытянутую кардиоиду ("грушу"), это суперкардиоидный микрофон; - в случае резкого падения чувствительности микрофона при отклонении от оси, этот микрофон является гиперкардиоидным, или остронаправленным;  - Существуют также двусторонненаправленные микрофоны, график характеристики которых представляет собой "восьмерку".

При этом следует учитывать, что характеристики направленности сильно зависят от соотношения длины волны и размеров микрофона, то есть от частоты звука. В отношении низких частот направленность микрофонов проявляется меньше, в отношении высоких - больше. Собственно, такими же свойствами обладает и "самый главный микрофон" - человеческое ухо.

1.4     Конструктивное размещение микрофона (материал из Интернета)


Особенность микрофона как датчика в том, что источник звука, объект - мобильный. Характер звука будет зависеть не только от выбранных моделей микрофонов, но - и в большой степени - от расстояния до звучащей поверхности и угла наклона к ней. Варьируя эти параметры, можно добиваться самого разного звучания. Существует зависимость спектрального состава звукового сигнала от расстояния до источника звука, называемая иногда "эффектом близости". Проще говоря, чем ближе источник, прежде всего голос, к микрофону, тем больше низких частот присутствует в сигнале. Это может являться причиной проблем - появления нежелательных призвуков, бубнения, "взрывных" эффектов, а также искажения частотного баланса, когда низкие составляющие голоса начинают пересекаться с другими низкими звуками-шумами.

В области речевой связи по техническим каналам существует специальное понятие "гарнитура", играющее определяющую роль в обеспечении качества передаваемой речи.

Микрофоны, в зависимости от своего предназначения, могут быть ручными, закрепляемыми на стойках и растяжках, петличными, настольными, накамерными и т.д.

Если микрофон не предполагается держать в руке, его форма может быть любой - куб, шар, пуля, ромб и др. Такой микрофон имеет встроенное крепление - зажим или резьбу - для установки на стойке, шарнире, гибком шланге, головной гарнитуре (пара "наушники-микрофон"). Дорогие студийные микрофоны могут вообще не иметь крепежных приспособлений, так как их подвешивают на специальных резиновых растяжках, чтобы акустически изолировать микрофон от пола и стойки.

Характеристика направленности "неручных" микрофонов может быть как односторонней (разной степени остроты), например, у микрофонов, прикрепляемых к музыкальным инструментам, так и ненаправленной - например, микрофонов "общего пространства зала" (ambience).

Большую популярность на радио и телевидении завоевали сравнительно новые типы микрофонов - настольный (планшет-"таблетка") и петличный. Планшетный микрофон, используемый иногда и в театре (уже как напольный), представляет собой плоскую или чуть выпуклую пластину с большой мембраной и разъемом на торце. Благодаря ненаправленной характеристике (точнее, он чувствителен в пределах полусферы) этого микрофона достаточно, чтобы снимать звук со всех участников "круглого стола" и других подобных программ.

Петличные микрофоны, т.н. "лавалье", имеют очень миниатюрную, но высокочувствительную головку и закрепляются, как и следует из названия, на одежде с помощью зажима-прищепки. В связи с тем, что их ось наибольшей чувствительности не может быть направлена прямо на говорящего, петличные микрофоны почти всегда ненаправленные. Часто они снабжены встроенными фильтрами низких частот, ведь одежда - не лучшее место для крепления микрофона.

Применяемые в репортажной видеосъемке (ENG) накамерные микрофоны, как правило, конденсаторные и остронаправленные. Это связано с тем, что микрофон должен брать звук точно с того места, куда направлен объектив, и не воспринимать звуки, приходящие от источника вне кадра. Во многих камерах имеется переменное усиление, управляемое трансфокатором по принципу "ближе-громче", "дальше-тише", хотя данная функция относится уже не к собственно микрофону, а к видеокамере.

Говоря о характеристиках направленности микрофонов, следует учитывать, что многие профессиональные микрофоны имеют переключаемую направленность. Это достигается сборкой микрофона из нескольких капсюлей, так расположенных акустически и так соединенных электрически, что при разных вариантах их включения меняется характеристика направленности микрофона - от ненаправленной до остронаправленной и двусторонненаправленной. Переключатель обычно расположен на корпусе микрофона, но бывает и дистанционное управление - с блока питания, расположенного около микшерного пульта.

В некоторых микрофонах для расширения частотного диапазона применяются два капсюля - низкочастотный и высокочастотный, подобно двухполосным акустическим системам. В таких микрофонах имеется, как и в двухполосных акустических системах, разделительный фильтр-кроссовер.

Отмеченное выше доказывает, что в аппаратуре ОДГС размещению микрофона должно уделяться особое внимание, вплоть до того, что конфигурация и конструкция корпуса ОДГС должна полностью зависеть от расположения микрофона и динамика. Вообще количество методов использования микрофонов столь велико и разнообразно, что советы можно давать до бесконечности. Но главный учитель здесь - практика и ее критическое осмысление.

 

2. Технологии подавления шумов и наводок в аудиотехнике


Общее правило - не надо надеяться на эквалайзер! Микрофон должен хорошо звучать и без него, а если он звучит плохо, то не спасет не только эквалайзер, но и компрессор, эксайтер, энхенсер - ничто!

Микрофон является слабым источником сигналов. Поэтому эти сигналы в наибольшей степени подвержены искажениям и зашумлениям от внешних электромагнитных полей. Виды источников помех для измерительных сигналов, поступающих с датчиков, достаточно подробно рассмотрены в [2].

Вносимые шумы обычно удается существенно снизить, применяя меры борьбы с электростатическими и электромагнитными наводками от источников питания, радиостанций, механических ключей, а также с всплесками напряжения и тока, возникающими из-за процессов переключений в реактивных цепях. К таким мерам относятся: фильтрация, развязка электрических цепей, экранирование проводников и компонентов, применение ограждающих потенциалов, исключение паразитных контуров заземления, физическая переориентация проводников и компонентов, установка гасящих диодов параллельно катушкам реле и моторов, выбор как можно более низких импедансов и использование малошумящих источников питания и опорного напряжения. В табл. 1 приведены некоторые источники вносимых помех, их типичные значения и способы борьбы с ними.

Таблица 1

Источники вносимого шума

Внешние источники

Типичные значения

Способы борьбы

Источники питания с частотой 50 Гц

100 пА

Экранирование, исключение паразитных контуров заземления, изолирование источников питания

Импульсные источники питания с частотой 100 Гц

3 мкВ

Фильтрация

Всплески напряжения на частоте 150 Гц от трансформаторов, работающих на частоте 50 Гц

0,5 мкВ

Переориентация компонентов

Радиостанции

1 мВ

Экранирование

Искрение при переключении

1мВ

Фильтрация частоты 5-100 мГц, исключение паразитных контуров заземления и экранирование

Вибрации

100 пА

Использование малошумящих кабелей

Токи утечки

0,01 - 10 пА ниже 10 Гц

Использование тефлоновых изоляторов


Сравнение эффективности различных способов возможно только в пределах отдельной группы. Также станет очевидным, что, в принципе, не существует одного, самого эффективного способа борьбы с шумом в аналоговом сигнале. На наш взгляд, это должно составлять комплекс мероприятий из каждой группы способов. Причем в каждой конкретной ситуации любой из рассмотренных ниже способов может оказаться как самый эффективный и единственно возможный, так и как дополнение другого более эффективного способа.

2.1 Технологические способы


Экранирование

Помехи, вызванные электрическими полями, могут быть значительно уменьшены при помощи соответствующего экранирования датчика и интерфейсных схем, особенно их высокоимпедансных и нелинейных компонентов. Каждый конкретный случай экранирования должен тщательно разрабатываться. При этом очень важно правильно идентифицировать источник помех и способ его связи со схемой. Некорректное экранирование может только ухудшить положение дел и создать новые проблемы.

Экранирование служит для решения двух задач:

экранирование ограничивает распространение шума в соседние схемы. Здесь возникает проблема, связанная с тем, что отраженные от экранов паразитные сигналы возвращаются назад, и необходимо тщательно продумывать маршрут их "отступления" с учетом контуров заземления и разводки проводов;

если источники помех находятся внутри самого устройства, экраны размещаются только над критичными участками с целью предотвращения попадания шума на чувствительные элементы детекторов и интерфейсных схем. Для этого экраны выполняются в виде металлических коробов вокруг определенных участков схемы или кабелей с экранировкой вокруг центральных проводников.

На рис. 1 показана схема, поясняющая работу электрического экрана.

Рис 1. Электрическое экранирование

Предположим, что экран обладает нулевым потенциалом. Ток шума в левой части схемы равен in=en/Zc1. С другой стороны экрана ток шума будет практически равен нулю, поскольку в этой части схемы нет никаких источников сигнала. Следовательно, напряжение шума на импедансе Z будет также равно нулю, поэтому чувствительная часть схемы становится эффективно защищенной от источника шума. При этом надо быть уверенным в том, что через экран не течет никакой ток iэ, который может вызвать появление разности потенциалов на сопротивлении экрана, и, соответственно, привести к возникновению дополнительных помех.

Положительные результаты дает заключение всей первичной обмотки силового трансформатора блока питания в электростатический экран из медной фольги (экран не замкнут) и подключение этого экрана к общей шине. Это позволяет снизить уровень импульсных помех на шинах питания усилителей сигналов до -60дБ (до 1÷2мВ).

для эффективной работы электростатический экран должен быть подсоединен к внутренней точке защищаемой схемы, имеющей опорный потенциал. Если один из сигнальных выводов микрофона подсоединен к земле, экран также должен быть соединен с землей. Если ни один из выводов микрофона не подключен к точке заземления, заземлять экран бесполезно;

при использовании экранированных проводов их экранировка должна быть подсоединена к точке с опорным потенциалом только со стороны источника сигнала (рис. 2,а);

количество независимых экранов, используемых в аудиосистеме, должно быть равно числу микрофонных входов. Каждая сигнальная линия должна иметь свой собственный экран. Экраны разных линий не должны контактировать друг с другом, если только они не используют общий опорный потенциал (сигнальную "землю"). В этом случае все соединения следует выполнять отдельными проводами, подсоединенными к каждому экрану только в одной точке;

экран следует заземлять только в одной точке, желательно рядом с датчиком. Экранированный кабель никогда нельзя заземлять с двух сторон, поскольку разность потенциалов между двумя точками заземления может привести к возникновению тока в экране, который, используя магнитную связь, может индуцировать паразитное напряжение на центральный проводник;

если микрофон размещен в экранированном корпусе, а сигнал передается через экранированный кабель (рис. 2,б), их экранировка должна быть подсоединена к корпусу. Нельзя допускать появления токов в экране;

Рис. 2. Подсоединение сигнального кабеля к линии с опорным потенциалом

для уменьшения индуктивности, подсоединение экрана к земле надо вести короткими проводами. Это особенно важно при одновременной передаче аналоговых и цифровых сигналов.

Экранирование от магнитных полей

Помехи от электростатических и электрических полей могут быть значительно снижены при применении соответствующих экранов. Гораздо сложнее защищаться от магнитных полей, поскольку они проникают внутрь проводящих материалов. Обычный экран, размещенный вокруг проводника и заземленный на одном конце, очень слабо защищает проводник от наведенных магнитными полями напряжений. Когда магнитное поле проникает внутрь экрана, его амплитуда падает экспоненциально. Для построения эффективных магнитных экранов при работе на низких частотах рекомендуется использовать материалы, обладающие высоким коэффициентом магнитной проницаемости. Приведем несколько практических рекомендаций:

приемные устройства надо располагать как можно дальше от источников магнитных полей;

нельзя размещать провода параллельно силовым линиям магнитного поля, их следует располагать перпендикулярно;

необходимо использовать экран из материала, соответствующего рабочей частоте и величине магнитного поля;

поскольку большой ток является источником магнитных полей, для его передачи следует применять скрученные пары проводов. Если в двух проводах токи равны, но противоположно направлены, общее магнитное поле будет нулевым;

площадь принимающего контура уменьшается при снижении длины проводников и/или расстояния между ними. Выполнение этих условий осуществляется при использовании скрученных пар проводов или проводников, близко прилегающих друг к другу.

Силовые кабели и экраны

Для уменьшения уровня помех силовые кабели (3 провода для фаз и нейтральный провод) должны быть заключены в магнитный экран в виде стальной ленты, который заземляется на щите управления. Экран вблизи измерительной линии должен быть без разрывов.

Хороший эффект дает двойной экран для силовых кабелей: гладкая алюминиевая или свинцовая оболочка толщиной 2мм и броня из двух навитых стальных лент толщиной 0,55мм. Это уменьшает уровень синусоидальных помех примерно на 40дБ.

Измерительные кабели и экраны

Основным средством подавления помех нормального вида является применение рациональной кабельной проводки в виде витой пары для сигнальных проводников, заключенных в один или несколько экранов. Витая пара хорошо подавляет индуктивные наводки, а экран устраняет емкостные связи с токонесущими проводниками. Хороший измерительный кабель должен содержать экранированные витые пары проводов, отдельные для каждого сигнала микрофона, динамика или питания. Для увеличения коэффициента подавления помех желательно иметь общий экран в виде сетки и магнитный ленточный экран (при высоком уровне электромагнитных помех).

Был проведен ряд экспериментов по оценке уровня помех в измерительных кабелях. В результате анализа источников помех для рациональной кабельной проводки могут быть рекомендованы кабели с одной и двумя парами витых проводников + ленточный экран + общий экран в виде сетки. Этому требованию удовлетворяет достаточно большое количество кабелей, однако после введения следующих ограничений их останется немного:

) это должны быть измерительные кабели с рабочим напряжением до 100В и не более (сигнал ±10В, питание 24÷36В);

) верхняя частота сигналов громкоговорящей связи - 10кГц. Поэтому можно использовать кабели с верхней частотой 32÷125кГц;

2.2 Инструментальные способы


Единственным средством защиты микрофонного сигнала, особенно при длинных линиях, может быть симметричный (балансный) провод, у которого аудиосигнал идет по внутренним проводам, закрытым экранной оплеткой. Присоединяемый к корпусу пульта или усилителя, экран защищает слабый микрофонный сигнал от сопоставимых по уровню внешних наводок.

Симметричные линии широко используются в профессиональной аудиотехнике, в схемах усиления малых сигналов и при необходимости передавать сигнал на большие расстояния. Как правило, организация балансных линий сопряжена с большими затратами, поскольку требует либо качественных трансформаторов, либо дифференциальных усилителей и хитрых инверторов, способных работать на реактивную нагрузку. Главное их достоинство - способность подавлять синфазную помеху, т.е. любые наводки извне при очень большой длине кабеля. Это важно, но в условиях, где расстояние между компонентами не превышает нескольких десятков сантиметров, больше привлекает другое преимущество симметричного соединения. Дело в том, что изначально стандарт на него разрабатывался для звуковых студий, где сопротивление линии составляет 600 Ом. Столь малая величина обуславливает некритичность к индуктивности и емкости кабеля. При таких исходных данных реализация балансного соединения может быть проведена на соответствующей элементной базе.

В спецификациях на такие микросхемы Burr-Brown и Analog Devices так и написано: "transformer like driver". Основная их особенность - высокая точность "встроенных" сопротивлений, задающих коэффициент усиления. Она достигается лазерной подгонкой в процессе изготовления микросхем и составляет 0,005%, что абсолютно недостижимо при построении схемы на дискретных элементах. Благодаря этому подавление синфазной помехи в среднем составляет 100 дБ, а искажения в диапазоне частот 10 Гц - 100 кГц не превышают 0,0008%. Примечательно, что оба чипа обеспечивают все заявленные характеристики при амплитудах входного сигнала до 10 В.

Фирма Maxim предлагает набор микросхем семейства MAX4060 для реализации балансного подключения микрофона (рис.3).

Рис. 3 Балансный микрофонный усилитель.

Микрофонный вход - малошумящий, дифференциальный. Это - существенный элемент, когда сталкивающийся с увеличением аналогового сигнала низкой амплитуды в интенсивных шумовых средах. Микрофон и предварительный усилитель могут быть помещеныфизически далее узлов и компонентов, наводящих шум.

2.3 Методические способы


Суть любого метода заключается в дополнительной обработке измерений с целью повышения точности окончательного результата. Интеллектуализация первичных преобразователей (ПП) измерительных сигналов дает возможность расширить перечень операций предварительной обработки непосредственно на выходе чувствительного элемента, в нашем случае - микрофоне.

Дополнительная обработка чаще всего подразумевает предварительное преобразование аналогового сигнала в цифровую форму [3]. Ряд современных методов обработки аудиосигналов представлены в патентах:

№2163032. СИСТЕМА АДАПТИВНОЙ ФИЛЬТРАЦИИ АУДИОСИГНАЛОВ ДЛЯ УЛУЧШЕНИЯ РАЗБОРЧИВОСТИ РЕЧИ ПРИ НАЛИЧИИ ШУМА;

- №2002103863. КОДИРОВАНИЕ ЗВУКОВОГО СИГНАЛА;

№2074516. УСТРОЙСТВО ЗАЩИТЫ ОТ ПОМЕХ;

№2169992. СПОСОБ И УСТРОЙСТВО ДЛЯ ПОДАВЛЕНИЯ ШУМА В СИСТЕМЕ СВЯЗИ;

№2003102578. УСТРОЙСТВО РАЗРЕШЕНИЯ СИГНАЛОВ НА ФОНЕ ПРОИЗВОЛЬНОЙ ПОМЕХИ

Беглый взгляд на структурные схемы предлагаемых решений позволяет сделать вывод о большом объеме вычислений для DSP процессора и соответственно большом периоде внедрения подобных технологий. В рамках данной пояснительной записки кратко в разделе 3.2.3. представлены алгоритмы современных методов шумоподавления.

3. Предлагаемые варианты шумоподавления для ОДГС и их реализация

В рамках данной пояснительной записки решено было представить два варианта, представляющие собой предельные случаи возможной реализации микрофонного усилителя. Один из вариантов рассматривается как разработка, доведенная до реального макета, реализующего оригинальную идею о дифференциальном микрофоне. Второй вариант - рассмотрен с точки зрения реализуемости на настоящий момент. В случае принятия решения о конкретной реализации опытного образца, номенклатура комплектующих будет пересмотрена под требования конкретной эксплуатации ОДГС.

 

3.1 Дифференциальный микрофон


Данная идея базируется на технологии балансного подключения и предполагает наличие двух микрофонов в ОДГС.

Для повышения помехозащищенности от вносимых аддитивных шумов микрофоны подключают в паре таким образом, что их выходные сигналы вычитаются один из другого (см. рис. 4). Такой способ можно назвать дифференциальным методом подключения микрофонов. Один из микрофонов, называемый основным, направлен на оператора, в то время как другой, базовый микрофон, направлен от оператора.

Рис. 4. Дифференциальное подключение микрофонов

Предполагается, что на оба микрофона действуют одинаковые вносимые станционные шумы, называемые здесь синфазными помехами. Это значит, что шумы, действующие на микрофоны, имеют одинаковую фазу и амплитуду, поэтому при вычитании сигналов они будут взаимно уничтожены. Такая комбинация микрофонов может быть называна двойным или дифференциальным микрофоном. Насколько хорошо подавляются шумы можно судить по величине коэффициента ослабления синфазного сигнала К2:


где S1 и S0 - выходные сигналы основного и базового микрофонов. К2 зависит от величины внешних воздействий, и обычно чем выше входные сигналы, тем меньше его значение. Этот коэффициент показывает во сколько раз уменьшается синфазный шум по отношению к полезному сигналу на выходе дифференциального микрофона. Величина К2 является мерой симметричности микрофона. Для эффективного подавления шума микрофоны следует располагать зеркально относительно динамика, на расстоянии 25-30 см каждый и ориентированы от динамика под углом 30-40 градусов. Такой конструктив дополнительно должен решить проблему эха (свиста), эффекта обратной связи для дуплексного режима. Микрофоны должны быть идентичными и работать в одинаковых условиях.

3.1.1 Варианты подключения и элементная база

В качестве базового варианта может быть выбрана схема смесителя для балансных линий (рис.5).

Рис. 5 Смеситель для балансных линий.

В качестве предварительного усилителя сигнала с микрофона может быть выбрана как отечественная микросборка 04УН040-2 (рис. 6), так и микросхемы фирмы Maxim семейства 4060. На входы 5 и 6 микросхемы Max4060 можно было бы подать сразу выходы обоих микрофонов, поскольку разброс напряжений на этих входах возможен вплоть до напряжения питания. В качестве элементной базы предварительного усилителя на могут выступить отечественные ОУ с приемкой пять типа 544 УД2, имеющие полевые транзисторы во входном каскаде.

 

3.1.2 Фазирование сигналов

Считается, что двух идеальных микрофонов не бывает, даже если они из одной партии. Основная проблема в инерционности преобразования изменяющегося давления воздуха в электрический сигнал

Решение этой проблемы видится в применении элементов задержки сигналов с выходов микрофонов относительно друг друга. Безусловно, в каждом тракте микрофонного сигнала должны быть фильтры, определяющие частотные характеристики ОДГС.

Прежде всего - это полосовые фильтры. Они также будут оказывать влияние на фазировку сигналов. С учетом этих замечаний может быть предложена структурная схема дифференциального микрофона в том виде, как она представлена на рис. 7.

Рис. 6. Предварительный усилитель на микросборке 04УН040-2

На структурной схеме: ПУ- предварительный усилитель, ПФ - полосовой фильтр, ФНЧ - фильтр нижних частот, t - элемент задержки, ПД - пиковый детектор, - - смеситель, fТ, и fТ2 - соответственно частоты тактирования фильтров и элементов задержки.

Рис. 7. Структурная схема микрофонного усилителя ОДГС

Опять же, с целью точной фазировки фильтры ПФ и ФНЧ должны быть реализованы на базе микросхем на переключаемых конденсаторах фирмы Maxim MAX7418, MAX7425. Задача ФНЧ - сглаживание высокочастотных составляющих от дискретизации сигнала в элементе задержки перед смесителем. Точки 1 и 2 на структурной схеме отмечены для того, что бы можно было показать многообразие вариантов подключения фильтров, смесителя, задержки, предварительных усилителей. Каждый из этих вариантов имеет как положительные стороны, так и недостатки. В процессе макетирования и снятия характеристик уточняется оптимальный вариант по эффективности шумоподавления и аппаратным затратам. Первый вариант макета усилителя может пока не содержать тактируемые фильтры и тактируемые элементы задержки. На таком варианте проверяется эффективность принятого решения о дифференциальном микрофоне. Да и элементная база может быть применена с наибольшей функциональностью для целей быстрой реализации и получения результатов.

3.2 Автоматическая регулировка усиления


Кроме того, что сигналы в микрофонных трактах должны быть сфазированы, они еще должны быть одинаковой амплитуды. Такую задачу должны решать узлы схемы с пиковыми детекторами ПД и переменные коэффициенты усиления ПУ. Схемы АРУ могут быть реализованы как по стандартной конфигурации (рис.8, 9), так и с применением специализированных микросхем TDA7284, BA3308F и др., которые смогут решать задачу АРУ для заданных параметров эксплуатации. В случае успешного решения задачи АРУ наличие сигнала на выходе смесителя будет зафиксировано выходным пиковым детектором ПД (см. структурную схему). Выходным сигналом с этого ПД необходимо управлять тонкой фазировкой сигналов. Такая необходимость может возникнуть при движении шумного объекта вблизи ОДГС. Постоянная времени этого ПД должна быть такова, что бы не реагировать на появление сигнала оператора связи.

Рис. 8. Схема АРУ по превышению амплитуды.

Рис. 9. Схема АРУ с делителем сигнала на выходе микрофона

Элементы задержки в макетном варианте могут быть реализованы на микросхеме PT2399. Величина задержки регулируется с помощью одного резистора. Поскольку длительность задержки для этой микросхемы достаточно велика - от 30 до 300 мс, то таких линий задержки потребуется 2, по крайней мере для макета. После подтверждения правильности принятых решений, задержка может быть реализована в виде тактируемой управляемой схемы на базе микросхемы HC55564 и обрамлением на базе логических микросхем с приемкой 5. Управление задержкой в этом случае может происходить с минимальным шагом 15,2 мкс., а общая величина задержки может составлять порядка 4 мс, что вполне достаточно с учетом динамических свойств микрофонов.

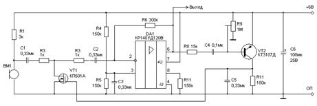
Дополнительно может быть проверен еще один вариант, который подразумевает совершенно разные по типу микрофоны в составе дифференциального микрофона, поскольку АРУ и управляемая зазадержка в достаточно широком диапазоне способны менять амплитуду и фазу сигналов. Схема электрическая принципиальная макета микрофонного усилителя без АРУ, элементов управления задержкой и фильтров приведена в приложении к данной пояснительной записке и на рис. 10.

 

.3 Адаптивная ЦОС


В данном разделе речь пойдет о перспективных вариантах микрофонного усилителя, в которых реализуются методические способы уменьшения шума в звуковых трактах.

Почему "адаптивная"?

По сути, обработка сигнала в сигнальном процессоре должна реализовывать основные описанные выше принципы - АРУ, распознавание речи и т.д., что может быть реализовано только с помощью адаптации к текущей шумовой обстановке.

Не будем здесь приводить наименование и характеристики известных DSP разных фирм и производителей - они и так известны и дороги.

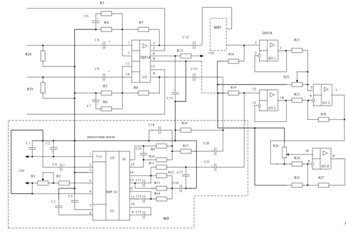
Хотелось бы обратить внимание на оригинальные решения, близкие к задачам для ОДГС. На рис.11 приведена структура одного из представителей решения "система на кристалле" для оцифровки звука и представление его в полосе частот телефонного канала.

подавление шум наводка микрофон

Рис. 10. Схема электрическая принципиальная макета микрофонного усилителя

Рис.11. Структурная схема звукового кодека

Традиционная часть алгоритма обработки звука в рамках этой микросхемы уже решена.

Остальная часть (специфика ОДГС) - должна быть реализована на отдельном процессоре. Положительная сторона применения такого кодека - реализация в ОДГС дополнительно черного ящика для фиксации прерговоров на флэш-память.

 

3.3.2 Алгоритмы обработки       

Естественно, интерес будет представлять реализация специфики ОДГС в виде оригинальных, быстрых алгоритмов.

Суть специфики обработки зашумленных сигналов заложена в запатентованных алгоритмах, приведенных в разделе 2.3. пояснительной записки.

Отметим, что часть этих патентов выступила в качестве аналога и прототипа при оформлении оригинального решения для другого патента [4]. Сложная фильтрация цифровыми фильтрами при распознавании и выделении голоса в реальном времени потребует применение быстродействующих и простых в программной реализации алгоритмов цифровой фильтрации. Принципиально это может быть реализовано на рекурсивных цифровых фильтрах с конечной импульсной характеристикой [5,6].

 

3.3.3 Модель процесса обработки

Имея под рукой программную модель процесса обработки сигнала, всегда можно быстро получить ответ на вопрос "А что, если..?". На сегодняшний день такого уровня модели имеется возможность создавать в среде LabVIEW с последующей прошивкой текущих реализаций в память процессоров DSP. Так, структурная схема макета усилителя выглядит в виде программной модели.


Пользователь формирует исходные данные в табличках и видит их осциллограммы.


Результаты также контролируются:


Такая идеализированная картина, безусловно, отличается от практической реализации, но позволяет быстро провести расчеты, проанализировать спектры сигналов, а в последствии записать реальные сигналы и сделать соответствующие расчеты.

Реальные схемные решения могут дополнительно моделироваться в программе Multisim 10.0. Результаты моделирования и расчеты могут быть дополнительно оформлены по заданию Заказчика.

 

3.4 Дополнение


Дополнительные механизмы контроля наличия голосовых сигналов в усилительном тракте позволят в дальнейшем автоматическую коммутацию сигнала передатчика в случае, если оператор начал переговоры. Не усложняя и так сложные схемы, можно рассмотреть возможность для аппаратного решения применить микросхему согласованного фильтра-декодера сигналаов DTMF или в случае программной реализации на DSP применить результаты, полученные в [7]. Основанием для такого варианта решения может явиться тот факт, что комбинации частот в DTMF или АОНе подобраны соответствующим образом - отличном от голосовых комбинаций. Коммутация передатчика в нужный момент позволит остальное время не пропускать в линию связи лишние шумы.

Заключение


Согласны, что материал данной пояснительной записки окончательно запутал ситуацию с реализацией ОДГС. Но считаем, что лучше иметь множество вариантов, чем ничего. На данном этапе макетирования и частичного исследования желательно получить первый несложный образец. Дополнительные испытания позволят его довести до сколь-нибудь приемлемого варианта. Этот вариант и должен войти в состав первых изделий. Как только выяснится конкурентноспособность принятых решений и реализаций, можно приступать к дальнейшему совершенствованию. Главное - есть желание и возможности, чем бить конкурентов. Как всегда рядом присутствуют отсутствие финансирования и времени (заметим, что первое порождает второе).

Список литературных источников


1.       Сарычев В.В. Программируемая цифровая запись речи. Таганрог, 2005.-192 с.: Деп.ВИНИТИ 27.12.2005 N 1747 - В2005.

2.       Сарычев В.В. Технологическое обеспечение измерений при автоматизации испытаний. - Таганрог: Изд-во ТТИ ЮФУ, 2009. - 160 с. ISBN 978-5-8327-0316-9.

.        Самойлов Л.К., Палазиенко А.А, Сарычев В.В. Ткаченко Г.И. Дискретизация сигналов по времени. Практика и алгоритмы. Монография. Таганрог: Изд-во ТРТУ, 2000.

.        Сарычев В.В., Клопот М.М. Устройство для подавления шума в информационном сигнале. Патент на изобретение № RU 2350022 С2 от 20.03.2009, бюл № 8

.        Сарычев В.В., Турулин И.И., Ткаченко М.Г. Программная реализация рекурсивного фильтра с конечной импульсной характеристикой (программа). Свидетельство о государственной регистрации программы для ЭВМ №2008613841 от 12.08.08.

.        Сарычев В.В., Ткаченко М.Г. Проектирование цифровых фильтров с перестраиваемыми параметрами. Известия ЮФУ. Технические науки. Таганрог: Изд-во ТТИ ЮФУ, 2008. №4 с.204-207.

.        Сарычев В.В., Турулин И.И., Ткаченко М.Г. Программа автоматического определения телефонных номеров при обработке тональных сигналов с использованием рекурсивных фильтров с конечной импульсной характеристикой (программа). Свидетельство о государственной регистрации программы для ЭВМ №2008615827 от 05.12.08.

Похожие работы на - Микрофонный усилитель оборудования дуплексной громкоговорящей связи

 

Не нашли материал для своей работы?
Поможем написать уникальную работу
Без плагиата!
Без нейросетей!