Исследование модели длинной линии
Исследование модели
длинной линии
Цель работы: Экспериментальное исследование распределения напряжений вдоль
однородной линии без потерь при различных значениях сопротивлений нагрузки.
Оборудование и приборы: Лабораторная станция IDL-800, осциллограф, модель длинной линии.
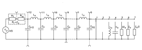
Описание модели длинной
линии
Модель длинной линии
выполнена из 12-ти одинаковых П-звеньев, соединенных каскадно. Сами П-звенья
выполнены из элементов с сосредоточенными параметрами
;
.
Электрическая схема показана на рис. 1.1. Для подключения измерительных
приборов, от каждого звена сделаны отводы, нумерация которых производится от
конца линии.
На вход линии через
согласующий резистор R1,
подается синусоидальное напряжение с генератора.
= 1 кОм;
=
18 Ом;
=
10 мГн;
=
4,7 нФ; число звеньев n = 12.
Рис. 1.1
Предварительный расчет
1. Определить частоту f
генератора:
Определение частоты
теоретически:
Определение частоты практически:
2. Рассчитать вторичные параметры:
Волновое сопротивление:
Коэффициент
распространения:
. Эквивалентная
электрическая длина линии:
.
. Время задержки
. Записать телеграфные
уравнения для режимов ХХ и КЗ
Для режима ХХ:
Для режима КЗ:
Ход работы
1. Устанавливаем планшет
с моделью длинной линии на лабораторную станцию. Включаем питание. Приводим
генератор в режим синусоидального тока. Включаем осциллограф. Устанавливаем
рассчитанное значение частоты.
. Подключаем
осциллографа к входу линии и установить напряжение
(6
9)
В. Находим частоту при которой напряжение будет минимальным. Найденная частота
будет являться той частотой, при которой на линии укладывается одна волна.
. Исследуем
распределение напряжения в длинной линии при сопротивлениях нагрузки.
Результаты измерений заносим в таблицу 1.
Таблица 1.1
|
№№ отводов
|
|
xx
|
кз
|
|
|
|
|
|
|
|
|
|
|
|
|
|
0
|
0
|
4,44
|
0
|
2,6
|
2,5
|
4,2
|
3,2
|
|
1
|
1/12
|
4,05
|
3
|
2,7
|
4,44
|
2,7
|
3
|
|
2
|
2/12
|
2,44
|
4,7
|
2,6
|
5
|
0,3
|
2,4
|
|
3
|
3/12
|
0,18
|
5,3
|
2,6
|
4,25
|
2,3
|
1,8
|
4/12
|
2,32
|
4,5
|
2,6
|
2,44
|
4,2
|
2,3
|
|
5
|
5/12
|
4
|
2,6
|
2,8
|
0,35
|
4,9
|
3,1
|
|
6
|
6/12
|
4,5
|
0,5
|
2,7
|
2,7
|
4
|
3,3
|
|
7
|
7/12
|
3,6
|
3,2
|
2,7
|
4,4
|
2
|
2,9
|
|
8
|
8/12
|
2
|
5,05
|
2,7
|
4,9
|
0,8
|
2,3
|
|
9
|
9/12
|
0,8
|
5,4
|
2,7
|
4
|
3
|
2
|
|
10
|
10/12
|
2,94
|
4
|
2,7
|
1,8
|
4,5
|
2,6
|
|
11
|
11/12
|
4,7
|
1,44
|
3,1
|
1,9
|
5
|
3,6
|
|
12
|
12/12
|
4,8
|
2,2
|
3,2
|
4,1
|
3,9
|
. По результатам измерений п. 3
строим кривые распределения напряжения вдоль линии для всех видов нагрузки
(отдельно для каждой нагрузки).
напряжение
частота генератор сопротивление
хx
кз
5. Измерим входное
сопротивление линии в режиме ХХ (
).
Где 

Где 
. По результатам
измерений п. 5; 6 рассчитать вторичные параметры длинной линии и сравнить с
теоретическим расчетом.
Волновое сопротивление:
Гиперболический тангенс:
расчетное значение:
опытное значение: