Нормирование точности детали вал-шестерня, редуктора заднего моста
«Нормирование
точности детали вал - шестерня, редуктора заднего моста»
Содержание
Введение
Служебное
назначение и принцип работы редуктора заднего моста
Выбор
основных сопрягаемых размеров из рядов предпочтительных чисел
Выбор
и назначение посадок на гладкие сопрягаемые поверхности
Соединение
с подшипниками качения
Выбор
и назначение посадок на резьбовые и шлицевые соединения
Расчёт
размерной цепи
Назначение
допусков, отклонений формы, взаимного расположения поверхностей
Шероховатость
поверхностей
Выбор
средств измерений линейных размеров ведущей шестерни
Сертификация.
Ее роль в повышении качества продукции
Заключение
Список
использованной литературы
Введение
При проектировании деталей машин их
геометрические параметры задаются размерами элементов, а также формой и
взаимным расположением их поверхностей. При изготовлении возникают отступления
геометрических параметров реальных деталей от идеальных значений. Эти
отступления называются погрешностями.
Степень приближения действительных параметров к
идеальным называется точностью. Понятия о точности и погрешности
взаимосвязаны. Точность характеризуется действительной погрешностью.
Конструктор должен исходить из того, что
погрешности параметров не только неизбежны, но и допустимы в определенных пределах,
при которых деталь ещё удовлетворяет требованиям правильной сборки и
функционирования машины. Нельзя требовать получения абсолютно точного
идеального значения параметра, т.е. нулевой погрешности, так как это требование
неосуществимо в реальных условиях изготовления и измерения. Нельзя также
ограничиться установлением одних только идеальных значений параметров деталей,
т.к. при изготовлении могут возникнуть столь большие погрешности, что деталь не
будет удовлетворять своему служебному назначению. Конструктор должен решить две
неразрывные задачи: установить идеальные значения параметров детали и
нормировать точность изготовления этих параметров путем назначения пределов,
ограничивающих их погрешности. Эти пределы в процессе изготовления контроля деталей
являются критериями их годности. Сложность задачи по назначению пределов для
допустимых погрешностей состоит в том, что ее решение требует от конструктора
всестороннего учета как условий функционирования и эксплуатации изделия, так и
условий его изготовления и сборки. Условия эти противоречивы: для правильного
функционирования может требоваться сужение пределов допускаемых погрешностей, а
для экономичного изготовления - расширения. Критерием оптимального решения
данной задачи является обеспечение работоспособности изделия при минимальной
суммарной стоимости его изготовления и эксплуатации.
Служебное назначение и принцип
работы редуктора заднего моста
Главная передача служит для передачи крутящего
момента на переднеприводных автомобилях от вторичного вала коробки передач
через дифференциал на валы привода передних ведущих колес, а на автомобилях с
классической схемой компоновки - от карданной передачи через дифференциал (поз.4)
на полуоси заднего ведущего моста. Главная передача (поз.26,27) изменяет
по величине и направлению крутящий момент, при этом тяговое усилие на ведущих
колесах увеличивается с увеличением передаточного числа главной передачи. На
легковых автомобилях главная передача представляет собой зубчатую пару,
включающую ведущую шестерню (поз.26), и прикрепленную к коробке
дифференциала ведомую шестерню (поз.27).
Дифференциал (поз.4) распределяет
подводимый к нему крутящий момент поровну между приводными валами (полуосями)
ведущих колес и позволяет им вращаться с неодинаковыми скоростями. Необходимость
вращения ведущих колес с разной скоростью на поворотах и при движении по
неровностям дороги объясняется тем, что колеса в этих условиях проходят
неодинаковый путь. При повороте, например, внешнее по отношению к центру
поворота колесо проходит больший путь, чем внутреннее. Для того, чтобы качение
внутреннего колеса было без проскальзывания, оно должно вращаться медленнее,
чем внешнее. Дифференциал (поз.4) состоит из коробки с прикрепленной к
ней ведомой шестерней (поз.27) главной передачи, размещенных внутри
коробки на оси сателлитов, и полуосевых шестерен, которые установлены на валах
(полуосях) привода колес. При движении автомобиля усилие от главной передачи
передается на коробку дифференциала, затем через ось на сателлиты и далее через
полуосевые шестерни и приводные валы (полуоси) к ведущим колесам.
При движении автомобиля по прямой и ровной
дороге сопротивление качению правого и левого колес одинаково, сателлиты,
каждый из которых можно рассматривать как равноплечий рычаг, вокруг своей оси
не вращаются. Они оказывают одинаковое давление на шестерни полуосей и вращают
их с равными скоростями. Во время поворота автомобиля или движения по
неровностям дороги, когда одно из колес, встречая большое сопротивление,
замедляет свое вращение, второе начнет вращаться с большей частотой за счет
вращения сателлитов вокруг своей оси. При этом сумма частот вращения правого и
левого колес всегда равна удвоенной частоте вращения коробки дифференциала.
Главная передача и дифференциал на переднеприводных автомобилях размещены в
одном картере с коробкой передач, а на автомобилях с классической схемой
компоновки они объединены в отдельный редуктор, размещенный в картере заднего
ведущего моста. Главная передача одноступенчатая, с коническими шестернями со
спиральными зубьями (гипоидная передача).
Выбор основных сопрягаемых размеров
из рядов предпочтительных чисел
чертежный шероховатость редуктор мост
Стандарт на нормальные линейные
размеры построен на основе рядов предпочтительных чисел (ГОСТ 8032 - 56),
принятых во всем мире, в том числе в стандартах ИСО и СЭВ, в качестве
универсальной системы числовых значений параметров и размеров продукции всех
отраслей народного хозяйства. Ряды предпочтительных чисел представляют собой
геометрические прогрессии со знаменателями
, которые в каждом десятичном
интервале содержат соответственно 5, 10, 20 и 40 чисел, что отражено в
обозначениях рядов.
Таблица. Ряды линейных (диаметров,
длин, высот, глубин и др.) размеров (по ГОСТ 6636 - 69).
|
Ra5 (R5)
|
Ra10 (R'10)
|
Ra20 (R'20)
|
Ra40 (R'40)
|
|
1,0
|
1,0
1,2
|
1,0
1,1 1,2 1,4
|
1,0
1,05 1,1 1,15 1,2 1,3 1,4 1,5
|
|
1,6
|
1,6
2,0
|
1,6
1,8 2,0 2,2
|
1,6
1,7 1,8 1,9 2,0 2,1 2,2 2,4
|
|
2,5
|
2,5
3,2
|
2,5
2,8 3,2 3,6
|
2,5
2,6 2,8 3,0 3,2 3,4 3,6 3,8
|
|
4,0
|
4,0
5,0
|
4,0
4,5 5,0 5,6
|
4,0
4,2 4,5 4,8 5,0 5,3 5,6 6,0
|
|
6,3
|
6,3
8,0
|
6,3
7,1 8,0 9,0
|
6,3
6,7 7,1 7,5 8,0 8,5 9,0 9,5
|
|
10
|
10
12
|
10
11 12 14
|
10
10,5 11 11,5 12 13 14 15
|
|
16
|
16
20
|
16
18 20 22
|
16
17 18 19 20 21 22 24
|
|
25
|
25
32
|
25
28 32 36
|
25
26 28 30 32 34 36 38
|
|
100
|
100
125
|
100
110 125 140
|
100
105 110 120 125 130 140 150
|
|
160
|
160
200
|
160
170 180 190 200 210 220 240
|
|
250
|
250
320
|
250
280 320 360
|
250
260 280 300 320 340 360 380
|
Для распорной втулки беру размер диаметр 34 из
ряда Ra 40.
Для ведомой шестерни беру размер диаметр 105 из
ряда Ra 40.
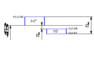
Выбор и назначение посадок на
гладкие сопрягаемые поверхности
Посадки должны обеспечить качественную работу
механизма и долговечность деталей механизма.
Выбор посадок на гладкие сопрягаемые поверхности
определяется характером сопряжения, т.е. посадка с зазором, посадка с натягом и
переходная посадка.
Чаще всего применяют посадки в системе
отверстия.
Посадки определяются в ЕСДП.
Переходная посадка:
Посадка с натягом:
Посадка с зазором:
Соединение с подшипниками качения
Соединения подшипников качения с
валами и корпусами осуществляется в соответствии с ГОСТ 520 - 89.
Посадки наружного кольца с корпусом
осуществляются по системе вала, а посадки внутреннего кольца с валом - по
системе отверстия.
В зависимости от характера
требуемого соединения поля допусков для валов и отверстий корпусов выбираются
по таблице:
|
Класс
точности подшипника
|
Посадочная
поверхность
|
Система
посадок
|
Поля
допусков (ЕСДП СЭВ)
|
|
0,
6
|
Вал
|
Система
отверстия
|
n6, m6, k6, js6, h6,
g6, f7.
|
|
0, 6
|
Отверстие
корпуса
|
Система
вала
|
N7, M7, K7, JS7, H7,
G7, H8, H9, P7.
|
Выбор посадок колец подшипников определяется
характером их нагружения, зависящим от того, вращается или не вращается данное
кольцо относительно действующей на него радиальной нагрузки. Под последней
понимается результирующая всех радиальных нагрузок.
Различают 3 вида нагружения колец - местное,
циркуляционное, колебательное.
Если кольцо воспринимает радиальную нагрузку,
постоянную по направлению, лишь ограниченным участком окружности дорожки
качения и передаёт ее соответствующему ограниченному участку посадочной
поверхности вала или корпуса, то такой характер нагружения кольца называется местным.
Если кольцо воспринимает радиальную нагрузку
последовательно всей окружностью дорожки качения и передаёт ее последовательно
всей посадочной поверхности вала или корпуса, то такой характер нагружения
кольца называется циркуляционным. Такое нагружение получается при
вращении кольца.
Если кольцо воспринимает равнодействующую двух
радиальных нагрузок (РП - постоянной по направлению и РВ
- вращающейся и меньшей по величине) ограниченным участком окружности дорожки и
передаёт ее соответствующему ограниченному участку посадочной поверхности вала
или корпуса, то такой характер нагружения кольца называется колебательным.
ГОСТ 520 - 89 устанавливает следующие классы
точности подшипников: 0; 6; 5; 4; 2. Перечень классов точности дан в порядке
повышения точности. Выбор класса точности подшипника качения следует
производить в соответствии с требованиями, предъявляемыми к проектируемому
подшипниковому узлу.
В машиностроении
наиболее часто используются подшипники классов 0; 6, т.к. применение в
большинстве механизмов дорогостоящих подшипников более высоких классов точности
неэкономично.
Когда требуемая точность вращения не может быть
обеспечена применением в узле подшипников класса точности 0, следует выбирать
подшипники более высокого класса точности.
Класс точности подшипников выбирают путем
сопоставления технических требований, предъявляемых к подшипниковому узлу в
части допустимых радиальных и осевых перемещений вала относительно опоры, с
существующими нормами на точность вращения.
Посадка для заднего подшипника (внутреннее
кольцо), (6 - 7807):
(Посадка используется в редукторе
заднего моста автомобиля ИЖ 2126).
Во избежание разрыва кольца
выбранную посадку следует проверить, чтобы максимальный натяг (мм) посадки не
превышал значения, допускаемого прочностью кольца: [В.Д. Мягков, том 2, стр.
819].
k -
коэффициент, принимаемый приближенно для подшипников средней серии - 2,3.
[σр] -
допускаемое напряжение на растяжения, МПа. [σр] =400 МПа.
Посадка для переднего подшипника
(внутреннее кольцо), (6 - 27606А):
(Посадка используется в редукторе
заднего моста автомобиля ИЖ 2126).
Во избежание разрыва кольца
выбранную посадку следует проверить, чтобы максимальный натяг (мм) посадки не
превышал значения, допускаемого прочностью кольца:
k -
коэффициент, принимаемый приближенно для подшипников средней серии - 2,3.
[σр] -
допускаемое напряжение на растяжения, МПа. [σр] =400 МПа.
Посадка для переднего и заднего
подшипников (наружное кольцо):
(Посадки используются в редукторе
заднего моста автомобиля ИЖ 2126).
Посадка для подшипника дифференциала
(наружное кольцо), (6-2007108):
(Посадка используется в редукторе
заднего моста автомобиля ИЖ 2126).
Посадка для подшипника дифференциала
(внутреннее кольцо), (6-2007108):
(Посадка используется в редукторе
заднего моста автомобиля ИЖ 2126).
Посадка для ведомой шестерни:
(Посадка используется в редукторе
заднего моста автомобиля ИЖ 2126).
Посадка для оси сателлитов:
(Посадка используется в редукторе
заднего моста автомобиля ИЖ 2126).
Выбор и назначение посадок на
резьбовые и шлицевые соединения
Резьбовые соединения.
Резьбовые соединения широко
используются в конструкциях машин, приборов и приспособлений различных отраслей
промышленности.
Посадки резьбовых соединений
определяются в основном характером соединений по боковым сторонам профиля.
Расположение полей допусков наружного и внутреннего диаметров исключает
возможность получения натяга по вершинам и впадинам резьбы.
Метрическая резьба применяется
главным образом в качестве крепежной для резьбовых соединений. Это объясняется
тем, что по сравнению с другими резьбами метрические резьбы имеют наибольший
приведенный коэффициент трения fn.
Резьбы метрические по ГОСТ 8724 -
58, [В.Д. Мягков, том 2, стр.674].
Таблица полей допусков метрической
резьбы (по ГОСТ 16093 - 70):
|
Классы
точности
|
Поля
допусков болтов
|
Поля
допусков гаек
|
|
h
|
g
|
e
|
d
|
H
|
G
|
|
Точный
|
4h
|
-
|
-
|
-
|
4H 5H
|
-
|
|
Средний
|
6h
|
6g
|
6e
|
6d
|
5H 6H
|
6G
|
|
Грубый
|
8h
|
8g
|
-
|
-
|
7H
|
7G
|
Расчет метрической резьбы ведущей шестерни:
M20×1,5 - 6H/6g
(ГОСТ 16093 - 70) [В.Д. Мягков, том 2, стр.675].
d(D)=20мм;
Р=1,5мм.
По табл. 4.12 находим:
По табл. 4.17 находим:
Предельные диаметры болта:
Предельные диаметры гайки:

Шлицевые соединения имеют то же
назначение, что и шпоночные, но обычно применяются при передаче больших
крутящих моментов и более высоких требованиях к соосности соединяемых деталей.
Среди шлицевых соединений, к которым
относятся соединения с прямобочным, эвольвентным и треугольным профилем зубьев
прямобочные соединения наиболее распространены. Они применяются для подвижных и
неподвижных соединений. В зависимости от передаваемого крутящего момента
устанавливается 3 типа соединений: легкой, средней и тяжелой серии.
Центрирование по D
рекомендуется в случаях повышенных требований к точности соосности элементов
соединения, когда твердость втулки не слишком высока и допускает обработку
чистовой протяжкой, а вал обрабатывается фрезерованием и окончательным
шлифованием по наружному диаметру D.
Применяется в соединениях с малым износом поверхностей.
Таблица полей допусков и посадок для
размеров D и b при
центрировании по D (ГОСТ 1139 - 80):
|
Поле
допуска втулки
|
Поле
допуска вала
|
Посадки
|
|
Для
размера D
|
|
H7
|
f7; g6; h6; n6
|
|
|
H8
|
e8; h7
|
|
|
Для
размера b
|
|
F8
|
d9; e8; f7; f8; h6; h8
|
|
|
D9
|
d9; e8; f7; h8
|
|
|
F10
|
e9; f7; h9
|
|
Условное обозначение шлицевого соединения
«ведущая шестерня - фланец»:
Для фланца:
Для шестерни:
Контроль шлицевых соединений
осуществляется с помощью комплексных проходных калибров (пробок и колец), а
также поэлементно путем использования непроходных калибров или универсальных
измерительных приборов. Поэлементный контроль охватывает диаметры валов,
отверстий, толщину зубьев вала и ширину впадин отверстия. Пробковыми и
кольцевыми комплексными калибрами контролируется взаимное расположение
поверхностей соединения.
Шпоночные соединения
Шпоночные соединения предназначены
для соединения валов между собой с помощью специальных устройств (муфт), а
также для соединения с валами различных тел вращения (зубчатых колес, шкивов, маховиков
и т.д.).
Стандартизованы шпоночные соединения
с призматическими, сегментными и клиновыми шпонками.
Чаще всего применяется группа
ненапряженных призматических и сегментных шпоночных соединений. Использование
призматических шпонок даёт возможность более точно центрировать сопрягаемые
элементы и получать как подвижные, так и скользящие соединения. Соединения с
сегментной шпонкой служат для образования только неподвижных соединений.
Соединения с клиновыми шпонками
применяется значительно реже, они недопустимы при высоких требованиях к
соосности соединяемых деталей, так как смещают их геометрические оси на размер
посадочного зазора.
В России действует ГОСТ 83360 -
78 на размеры соединений с призматическими шпонками.
|
Диаметр
вала
|
b×h
|
|
6 - 8
|
2×2
|
|
8 - 10
|
3×3
|
|
440 - 500
|
100×50
|
b - ширина шпонки.
h - высота шпонки.
Расчёт размерной цепи
Использую метод пригонки:
Среднее конусное расстояние: R=88,82мм.
Модуль: m=4,462мм.
Угол делительного конуса: δ=24°.
Из справочника найдем предельные
отклонения исходно - замыкающего звена АΔ (осевое смещение зубчатого
венца шестерни)
:
Назначим на звенья номинальные
размеры и предельные отклонения по
Найдем предельные размеры
компенсатора:
С другой стороны величину
компенсации можно определить:
Размер компенсатора:
Назначение допусков, отклонений
формы, взаимного расположения поверхностей
Точность геометрических параметров
деталей характеризуется точностью не только размеров ее элементов, но и
точностью формы и взаимного расположения поверхностей. Отклонения формы и
расположения поверхностей возникают в процессе обработки деталей из-за
неточности и деформации станка, инструмента и приспособления. В подвижных
соединениях эти отклонения приводят к увеличению износа деталей вследствие
повышенного удельного давления на выступах неровностей, к нарушению плавности
хода, шумообразованию.
Отклонения формы и расположения
поверхностей снижают не только эксплуатационные, но и технологические
показатели изделий. Так они существенно влияют на точность и трудоемкость сборки
и повышают объем пригоночных операций, снижают точность измерения размеров.
Таким образом, для обеспечения
требуемой точности параметров изделия, его работоспособности и долговечности в
рабочих чертежах деталей необходимо указание не только предельных отклонений
размеров, но и указание допусков формы и расположения поверхностей.
Отклонением формы называется
отклонение формы реальной поверхности от формы номинальной поверхности. Под
номинальной понимается идеальная поверхность, номинальная форма которой задана
чертежом.
Таблица
|
Относительная
точность
|
Соотношение
допусков формы и размера
|
Нормальная
(А) Плоская
|
Круглая Поверхности
в подвижных соединениях при небольших скоростях относительных перемещений и
нагрузках. Поверхности в соединениях с натягом, повышенных требованиях к
точности центрирования.
|
|
Повышенная
(В) Плоская
|
Круглая Поверхности
в подвижных соединениях при средних скоростях относительных перемещений и
нагрузках, при повышенных требованиях к плавности хода. Поверхности в
соединениях с натягом при повышенных требованиях к точности и прочности в
условиях больших скоростей и нагрузок, ударов и вибраций.
|
|
Высокая
(С) Плоская
|
Круглая Поверхности
в подвижных соединениях при высоких скоростях и нагрузках, высоких требований
к плавности хода, снижению трения, герметичности уплотнения. Поверхности в
соединениях с натягом при высоких требованиях к точности и прочности в
условиях воздействия больших скоростей и нагрузок, ударов, вибраций.
|
|
Допуски формы и расположения поверхностей при
необходимости указываются в чертежах одним из 2-х способов: условными
обозначениями или текстом в технических требованиях. Применение условных
обозначений предпочтительно. Указание допусков текстом в технических
требованиях рекомендуется ограничить лишь теми случаями, когда требование
нельзя указать условными обозначениями.
Выбор допусков формы цилиндрических
поверхностей зависит от конструктивных и технологических требований, но,
кроме того, связан с допуском размера. По определению поле допуска размера для
сопрягаемых поверхностей ограничивает также и любые отклонения формы на длине
соединения. Ни одно из них не может превысить допуска размера. Допуски формы
должны назначаться только в тех случаях, когда они должны быть меньше допуска
размера.
Отклонение от цилиндричности
упрощенно может быть определено как полуразность между наибольшим и наименьшим
диаметрами поверхности, измеренными в различных сечениях и направлениях.
Отклонение от круглости
наиболее полно контролируется на специальных приборах - кругломерах, на которых
реальный профиль сравнивается с траекторией точного вращения, осуществляемого
шпинделем прибора.
Торцевое биение.
Перпендикулярность торцевой поверхности детали вращения может нормироваться
несколькими способами:
допуском торцевого биения, который ограничивает
отклонение от перпендикулярности.
допуском полного торцевого биения, если
необходимо установить суммарный допуск перпендикулярности и плоскостности
торца.
допуском перпендикулярности торцевой поверхности
относительно базовой оси, если необходимо установить отдельные допуски
перпендикулярности и плоскостности.
Допуск на шейку ведущей шестерни принимаю по
табл. 2.18 [В.Д. Мягков, стр.393].
Допуск на торцевое биение шестерни принимаю по
табл. 2.28 [В.Д. Мягков, стр.414].
Шероховатость поверхностей
Под шероховатостью
поверхности понимается совокупность микронеровностей с относительно малыми
шагами. Шероховатость поверхности в сочетании с другими ее характеристиками
определяют состояние поверхности, и является одной из основных геометрических
характеристик её качества.
Шероховатость поверхности играет
большую роль в подвижных соединениях деталей, в значительной степени влияя на
трение и износ трущихся поверхностей подшипников.
Уменьшение шероховатости поверхности
вносит большую определенность в характер соединения деталей.
Прочность деталей также зависит от
шероховатости поверхности. Разрушение детали, особенно при переменных
нагрузках, в большой степени объясняется концентрацией напряжений, являющихся
следствием имеющихся неровностей. Чем «чище» поверхность, тем меньше
возможность возникновения поверхностных трещин от усталости металла.
Шероховатость поверхности связана
также и с рядом других важных функциональных показателей изделий, таких как
плотность и герметичность соединений, прочность сцепления и т.д. Шероховатость
поверхности влияет на точность измерения деталей.
Способы нормирования шероховатости
поверхности установлены в ГОСТ 2789 - 73 и распространяются на поверхности
изделий, изготовленных из любых материалов и любыми способами.
Параметры, установленные в ГОСТ 2789
- 73 для количественной оценки и нормирования шероховатости поверхностей:
Ra - среднее
отклонение профиля (ответственные поверхности).
Rz - высота
неровностей по 10-ти точкам (неответственные детали).
Rmax -
наибольшая высота неровности.
Sm - средний
шаг неровности.
S - средний
шаг местных выступов.
tp -
относительная опорная длина профиля.
Выбор параметров для нормирования
шероховатости должен производится с учетом назначения и эксплуатационных
свойств поверхности.
Выбор базовой длины:
|
Значения
параметров шероховатости, мкм
|
Базовая
длина l, мм
|
|
Ra
|
Rz
|
|
|
От
0,006 до 0,02 Св. 0,02 до 0,32 0,32 - 2,5 2,5 - 10,0 10,0 - 80,0 80,0 - 100,0
|
От
0,025 до 0,1 Св. 0,1 до 1,6 1,6 - 10,0 10,0 - 40,0 40,0 - 320,0 320,0 -
1600,0
|
0,08
0,25 0,8 2,5 8 25
|
Значения шероховатости
беру по табл. 2.66, стр.517. [В.Д. Мягков]:
Для шеек под подшипники ведущей шестерни
принимаю: Ra1,6
(шлифование).
На резьбу принимаю: Ra3,2.
На шлицы принимаю: Ra1,6.
(Наружный диаметр, шлифование, центр. по D).
На торцы принимаю: Ra3,2.
На неответственные поверхности принимаю: Rz40.
Выбор средств измерений линейных
размеров ведущей шестерни
Шестерня, изготовленная по чертежу, подвергается
контролю с помощью средств измерений. При этом определяется годность шестерни,
т.е. находится ли действительный размер в пределах поля допуска или вышел за
его пределы. Годность шестерни оценивают калибрами, а также обоснованно
выбранными средствами измерений.
Измерить - значит сравнить действительный размер
изделия с величиной, принятой за единицу измерения, т.е. установить, сколько
единиц измерения содержится в контролируемом размере.
Процесс измерения неизбежно сопровождается
погрешностями. Погрешностью измерения называют отклонения результата измерений
от истинного значения измеряемой величины.
Средства измерений выбирают в зависимости от
допуска контролируемого размера и допускаемой погрешности измерений,
установленной ГОСТ 8.051-81. Допуск размера является определяющей
характеристикой для подсчёта допускаемой погрешности измерений, которая
принимается равной 1/20….1/3 допуска на размер. В допускаемую погрешность
измерений входят погрешности средств измерений, установочных мер, погрешности
условий измерений, а также погрешности базирования средств и погрешности,
вызываемые измерительной силой прибора.
Каждое средство измерения характеризуется
основной погрешностью, величина которой указана в паспорте на это средство
измерения. От правильно выбранного средства измерения зависит обеспечение
требуемой точности измерений. Выбор средства измерения заключается в сравнении
его основной погрешности с допускаемой погрешностью измерения; при этом основная
погрешность должна быть меньше допускаемой погрешности измерения.
Выбор средств измерений линейных размеров
производим по таблице 27, стр.166 [ Белкин И.Д., Допуски и посадки - М:
Машиностроение, 1992 - 307с.]
|
Размер
|
Допуск,
Т, мм
|
(1/20…1/3)Т,
мм
|
Выбранный
инструмент
|
|
Диаметр
34k6
|
0,016
|
0,0008…0,005
|
МК
50 - 2 ГОСТ6507 - 90
|
|
Диаметр
28g6
|
0,013
|
0,0006…0,004
|
|
|
33,6h11
|
0,16
|
0,008…0,05
|
ШЦ-II-160-0,05
ГОСТ166 - 89
|
|
6h9
|
0,03
|
МК
25 - 2 ГОСТ6507 - 90
|
|
182JT14
|
2,3
|
0,115…0,76
|
ШЦ-III-250-0,05
ГОСТ166 - 89
|
Для измерения шейки под подшипник (Диаметр 34k6)
выбираю гладкий микрометр МК 50 - 2 ГОСТ6507 - 90 (пределы измерений 25 - 50мм,
класс точности 2). Погрешность измерения выбранного прибора - ±0,004мм.
Для измерения наружного диаметра шлиц (Диаметр
28g6) выбираю гладкий
микрометр МК 50 - 2 ГОСТ6507 - 90 (пределы измерений 25 - 50мм, класс точности
2). Погрешность измерения выбранного прибора - ±0,004мм.
Для измерения головки шестерни (33,6h11)
выбираю штангенциркуль ШЦ-II-160-0,05
ГОСТ166 - 89 (пределы измерений 0 - 160мм). Погрешность измерения выбранного
прибора - ±0,05мм.
Для измерения ширины шлиц (6h9)
выбираю гладкий микрометр МК 25 - 2 ГОСТ6507 - 90 (пределы измерений 0 - 25мм).
Погрешность измерения выбранного прибора - ±0,004мм.
Для измерения длины ведущей шестерни (182JT14)
выбираю штангенциркуль ШЦ-III-250-0,05
ГОСТ166 - 89 (пределы измерений 0 - 250мм). Погрешность измерения выбранного
прибора - ±0,05мм.
Контроль шероховатости поверхности:
Контроль шероховатости поверхности
может осуществляться:
сравнением реальной
поверхности изделия с рабочими образцами шероховатости, которые имеют
стандартизованные значения параметра Ra и
изготовляются для определенных способов обработки; вместо образцов
шероховатости могут быть применены аттестованные образцовые детали.
измерением параметров
шероховатости с помощью щуповых или оптических приборов. Числовые значения
параметров шероховатости определяются либо непосредственно по шкале приборов
(профилометров), либо по увеличенному изображению профиля.
Если в технических требованиях не
задано направление измерения шероховатости, то измерения производят в том
направлении, где имеется наиболее грубая шероховатость.
Сертификация. Ее роль в повышении
качества продукции
Сертификация продукции стала
обязательной. Она рассматривается как официальное подтверждение качества и во
многом определяет конкурентоспособность продукции, а значит и развитие
производства, его рентабельность и эффективность.
Термин «сертификация» впервые был
сформулирован и определен Комитетом по вопросам сертификации (СЕРТИКО)
международной организации по стандартизации (ИСО) и включен в Руководство №2
ИСО версии 1982 г.
Сертификация - действие,
удостоверяющее посредством сертификата соответствия, что изделие или услуга
соответствует определенным стандартам или другим нормативным документам.
сертификация непосредственно связана
с действием третьей стороны, которой является лицо или орган, признаваемые
независимыми от участвующих сторон в рассматриваемом вопросе.
действие по оценке соответствия
производится должным образом, что свидетельствует о наличии строгой системы
сертификации, располагающей определенными правилами, процедурами и управлением.
значительно расширяется область
распространения сертификации соответствия. В настоящее время ей подлежат
продукция, процессы и услуги, в том числе процессы управления качеством на
предприятиях и персонал.
Все это означает постоянное развитие
сертификации как процесса установления соответствия и показывает необходимость
ее проведения для цивилизованных рыночных отношений.
Работы по сертификации продукции
машиностроения проводятся в следующих направлениях:
определение перечней продукции,
подлежащей сертификации;
установление сертификационных
требований к продукции и введение их в нормативно - техническую документацию
(НТД) на эту продукцию;
разработка документов,
устанавливающих правила проведения сертификации конкретной продукции;
аттестация производства
сертифицируемой продукции на предприятиях-изготовителях;
аккредитация испытательных
организаций, определенных для сертификационных испытаний;
испытания продукции, подлежащей
сертификации;
выдача сертификатов или постановка
знаков соответствия;
надзор и контроль качества
сертифицируемой продукции, и проведение сертификации в стране;
участие в международных системах
сертификации конкретной продукции.
Структура законодательной и
нормативной базы сертификации:
Основополагающим документом РФ в
области сертификации является Закон «О сертификации продукции и услуг» № 5151-1
от 10 июня 1993г.
Обязательная сертификация
распространяется на продукцию и услуги, связанные с обеспечением безопасности
окружающей среды, жизни, здоровья и имущества. Законодательно закрепленные
требования к этим товарам должны выполняться всеми производителями на
внутреннем рынке и импортерами при ввозе на территорию России. Номенклатура
товаров и услуг, подлежащих обязательной сертификации в РФ, определяется
Госстандартом России в соответствии с Законом РФ «О защите прав потребителей».
Работы по обязательной сертификации осуществляется органами по сертификации и
испытательными лабораториями, аккредитованными в установленном порядке в рамках
существующих систем обязательной сертификации. Головными органами этих систем
являются государственные учреждения Госстандарт, Госстрой, Госгортехнадзор,
Госкомсвязь и др.
Виды продукции и услуг, подлежащие
обязательной сертификации:
Добровольная сертификация проводится в
тех случаях, когда строгое соблюдение требований существующих стандартов
или другой нормативной документации на продукцию, услуги или процессы
государством не предусмотрено, т.е. когда стандарты или нормы не касаются
требований безопасности и носят добровольный характер для товаропроизводителя.
Потребность в добровольной сертификации появляется, когда несоответствие
стандартам или другим нормативам на объекты сертификации затрагивает
экономические интересы крупных финансово-промышленных групп, отраслей индустрии
и сферы услуг. В последние годы широко распространена добровольная сертификация
систем качества на соответствие требованиям международных стандартов серии ИСО
9000.
Объекты добровольной сертификации:
Стандарты ИСО 9001 - 9003
предусматривают наличие в системе качества четко регламентированных элементов,
влияющих на обеспечение качества продукции от её проектирования до реализации
потребителям.
ГОСТ Р 40.002 - 2000 применяется
при проведении работ по добровольной и обязательной сертификации в системе
сертификации ГОСТ Р, причем его требования обязательны для всех организаций,
пожелавших сертифицировать систему качества в регистре.
Стандарт устанавливает основные
принципы организации работ по сертификации систем качества. При сертификации
должны быть обеспечены: добровольность; бездискриминационный доступ к участию в
процессах сертификации; объективность оценок; воспроизводимость результатов
оценок; конфиденциальность; информативность; проверка выполнения требований,
предъявляемых к продукции; достоверность.
Основной целью систем
обязательной сертификации является защита потребителей от приобретения
(использования) товаров, работ и услуг, которые опасны для их жизни, здоровья и
имущества, а также для окружающей среды. А также: улучшение качества продукции
и услуг, повышение конкурентоспособности на внутреннем рынке и содействие
экспорту, если система признана за рубежом.
Центральный орган по сертификации
осуществляет свою деятельность в соответствии с функциями, установленными
законом РФ «О сертификации продукции и услуг» и правилами Госстандарта России,
на основе Правил организует разработку систем (правил, порядков) сертификации
однородной продукции.
Орган по сертификации - орган,
проводящий сертификацию соответствия. Он создаётся на базе организаций, имеющих
статус юридического лица и являющихся третьей стороной, т.е. независимым от
производителя и потребителя.
Испытательная лаборатория
осуществляет испытания конкретной продукции или конкретные виды испытаний и
выдает протоколы испытаний для целей сертификации.
Заключение
Одной из основных задач конструктора
в процессе проектирования новых изделий, является подготовка чертежной
документации, способствующей обеспечению необходимой технологичности и высокого
качества изделий. Решение этой задачи связано с выбором необходимой точности
изготовления изделий, расчетом размерных цепей, выбором шероховатости
поверхностей, а также выбором отклонения от геометрической формы и расположения
поверхностей.
Список использованной литературы
1. Допуски
и посадки: Справочник. В2-х ч./ В.Д. Мягков, М.А. Палей, А.Б. Романов, В.А.
Брагинский, - 6-е изд., перераб. и доп. - М.: Машиностроение. Ленингр. Отд-ние,
ч.1. - 1982. - 543 с.
. Допуски
и посадки: Справочник. В2-х ч./ В.Д. Мягков, М.А. Палей, А.Б. Романов, В.А.
Брагинский, - 6-е изд., перераб. и доп. - М.: Машиностроение. Ленингр. Отд-ние,
ч.2. - 1982. - 448 с.
. Подшипники
качения: Справочник./ Р.Д. Бейзельман, Б.В. Цыпкин, Л.Я. Перель, - 6-е изд.,
перераб. и доп. - М.: Машиностроение. - 1975. - 572 с.
. Сертификация:
Учебное пособие для студентов вузов./ А.Г. Сергеев, М.В. Латышев, - 2-е изд.,
перераб. и доп. - М.: Логос. - 2001. - 264 с.