|
|
|
|
|
|
|
|
6
|
27
|
31
|
35
|
28
|
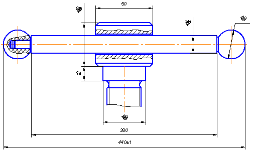
Рис. 2.1 Резьба трапецеидальная
Проводим проверочные расчёты на условие самоторможения и на
прочность в опасном сечении.
Расчёт на условие самоторможение.
Угол подъёма средней винтовой линии резьбы:
съемник самолетный колесо шасси
.
Где:- кол-во
заходов резьбы (принимаем I=1);- шаг резьбы;2 - средний диаметр
резьбы.
Приведенный угол
трения:
,
Условие
самоторможения выполняется.
Дальше выполняем
проверку винта на прочность в опасном сечении:
;
Условие прочности
выполняется.
3. Расчет гайки
Гайки обычно изготавливаются из материалов, имеющих в паре со
стальным винтом низкий коэффициент трения и хорошую износостойкость. К таким
материалам относятся оловянистые и безоловянистые бронзы, латунь,
металлокерамика и антифрикционный чугун.
Гайки выполняются в виде цилиндрических втулок, которые
запрессовываются или ввинчиваются в подвижный или неподвижный корпус. В данном
случае конструкцию гайки выбираем таким образом, чтобы распределение нагрузки
по виткам резьбы было наиболее равномерным
Материал гайки: БрАЖН 10-4-4 ГОСТ 493-79 (sв=650 МПа);
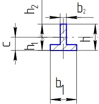
Рис.3.1 Конструкция гайки
При расчёте резьб гаек допускается, что осевое усилие
распределяется по виткам равномерно, а угол подъёма витков настолько мал, что
их можно рассматривать в виде плоских круговых колец. В гайке рассчитывают
резьбу (на изгиб, срез и удельное давление), основные её размеры (H, D), а
также отдельные элементы (посадка в корпус, упорный буртик
, фиксирующие детали и др.).
Тело гайки подвергается кручению и сжатию. Наружный диаметр тела
гайки
определяется из условия прочности:
где k - коэффициент, учитывающий скручивание тела гайки, k=1.3;
допускаемое напряжение сжатия или растяжения
;
Толщина стенки гайки по условию прочности оказалась малой,
наружный диаметр гайки назначаем конструктивно:
;
Рассчитаем количество витков резьбы по формуле:
.
Длина резьбы равна:
.
Проводим проверку витков резьбы на прочность, так как материал
гайки обладает более низкими механическими свойствами, чем материал винта.
Виток резьбы гайки разворачиваем по наружному диаметру (D) и представим в виде
консольной балки, несущей равномерно распределённую нагрузку, которую заменяем
сосредоточенной силой F/z. Наибольшее напряжение среза и изгиба возникают в
корневом сечении с длиной
и высотой витка
. Исходя из условия прочности витка на
срез:
,
,
,
а) Проверка на срез:
,
где
- ширина витка в корневом сечении резьбы.
б) Проверка на смятие:
.
где
- высота витка в среднем сечении.
в) Проверка на изгиб:
.
Все условия выполняются.
Размер заплечика
определяем из условия смятия материала гайки под действием силы P
по уравнению:
,
где
Из конструкторских соображений принимаем D=5 мм.
Высоту заплечика
определяется из условия изгиба под действием нагрузки F, без
учёта запрессовки и трения на поверхности гайки, по уравнению:
Соединение гайки с корпусом имеет следующий вид (рис.3.2).
Рис.3.2.
Гайку в корпус ставим по посадке с гарантированным натягом. Для
уменьшения натяга гайку в корпусе фиксируем штифтом, который должен удерживать
гайку от проворачивания при работе механизма. Если
<
, гайка в корпусе проворачиваться не будет, штифт нагрузки не
испытывает. В противном случае штифт будет работать на срез.
(мм)
Из конструкторских соображений принимаем d0 =4 (мм)

Длину штифта выбираем конструктивно l = 12 (мм).
Принимаем Штифт 4
10 ГОСТ 3128-70.
Рис.4 - Соединение гайки с корпусом с помощью штифта
4.
Расчёт рукоятки
Необходимо рассчитать длину и диаметр рукоятки, а также
проверить ее на изгиб и на смятие.
а) Длина рукоятки
определяется из условия равенства движущего момента
моменту сопротивления в винтовой паре
. Принимаем усилие рабочего равным Q =
100 (H), а материал рукоятки - Сталь 45 без термообработки:
;
В переносных винтовых механизмах чаще всего применяются перекидные
рукоятки либо рукоятки с трещотками.
,
где Мп. - момент трения в подшипнике.
Рассчитываем момент трения в подпятнике МП:
.
Рассчитываем момент рукоятки Мр:
Mp = Mп + Mвп = 250 +27125=27375
;
Принимаем
б) Диаметр рукоятки определяется из условия прочности на изгиб:
;
принимаем
.
в) Проверяем рукоятку на смятие:
,
Все условия выполняются.
5.
Расчёт пяты скольжения
Назначаем подшипник качения. Грузоподъемность стандартного
упорного подшипника определяется по формуле:
,
где:
n -
коэффициент запаса (n = 1.5);
,
Подшипник 8103 ГОСТ 7872-89
Внутренний диаметр подшипника d=25мм;
Внешний диаметр подшипника D=40мм;
Ширина подшипника B=15мм;
Вид пяты показан на рис.6.
Рис.6 - Схема пяты съемника шасси
Все остальные размеры пяты назначаем из конструктивных
соображений.
6.
Расчёт корпуса
Материал корпуса:
Сталь40x закалка в масле, отпуск
,
1. Из расчета на изгиб определяем h,
, тогда
,
где
, х=2 - количество захватов.
.
.
7.
КПД механизма
Коэффициент полезного действия винтовой пары скольжения
определяется по формуле:
При прямом ходе
КПД механизма определяем по формуле:
где
работа сил полезного сопротивления за
один оборот;
работа сил полезного сопротивления и трения в винтовой паре за
один оборот;
работа сил полезного сопротивления в подшипнике.
КПД механизма должен мало отличаться от КПД винтовой передачи.
Заключение
В ходе курсовой роботы мы приобрели первичные навыки
конструкторской деятельности.
В данной курсовой работе представлен расчет винтового
механизма самолётного съёмника. В ходе расчетов были определены параметры
винтовой передачи, корпуса, подобраны стандартные детали. Определен КПД
механизма, который равен 43 %
Список
использованных источников
1.
Муравьева А.М., Яковлев Ю.В. Методические указания к выполнению домашнего
задания по винтовым устройствам: Харьков, Харьк. авиац. ин-т, 1981.
.
Еофян А.С., Дорофеев В.Г. Проектирование винтовых механизмов авиационных
устройств и роботов: Харьков, Харьк. авиац. ин-т, 1989.
.
Анурьев В.И. Справочник конструктора - машиностроителя: В 3-х т. М.:
Машиностроение, 1979. Т.1