Влияние барьерного разряда на электрофизические свойства полиимидных пленок
Государственное
образовательное учреждение высшего профессионального образования
«САНКТПЕТЕРБУРГСКИЙ
ГОСУДАРСТВЕННЫЙ ПОЛИТЕХНИЧЕСКИЙ УНИВЕРСИТЕТ»
ДИПЛОМНАЯ
РАБОТА
Влияние
барьерного разряда на электрофизические свойства полиимидных пленок
Санкт-Петербург
-
2008
ВВЕДЕНИЕ
Полиимиды относятся к числу термостойких
полимеров, содержащих циклические имидные группы. Большинство из них не
растворяются в органических растворителях, устойчивы к действию озона и
ионизирующих излучений [1]. Варьирование химической природы фрагментов
макромолекул полиимидов позволяет получать широкий набор полимеров, значительно
различающихся по структуре и свойствам и которые могут быть использованы в
разнообразных электротехнических системах и устройствах [2].
Полиимидные пленки используются в качестве
диэлектриков для пазовой и обмоточной изоляции низковольтных электрических
машин [3]. Благодаря способности выдерживать кратковременный нагрев до 400ºС
они применяются для изоляции кабелей и проводов в авиационных конструкциях.
Металлизированные полиимидные пленки используются в электронике в качестве
основы гибких печатных схем. Многослойные пакеты из полиимидных пленок,
покрытых золотом, алюминием или монооксидом кремния, находят применение в
качестве наружного защитного покрытия космических аппаратов [4].
К недостаткам полиимидных пленок можно отнести
их повышенное влагопоглощение и резкое увеличение их проводимости во влажной
среде. Значительный интерес представляет повышение адгезионных свойств этих
пленок в связи с их широким применением в составе композиций с другими
материалами [5]. Относительно высокая себестоимость полиимидных пленок говорит
о необходимости модернизации технологии их производства. Ведутся активные
исследования с целью дальнейшего улучшения эксплуатационных свойств этих
материалов путем введения различных добавок в структуру молекулы полиимида [6].
Барьерный разряд широко применяется в
промышленных технологиях. Он используется для генерации УФ-излучения в
эксилампах, нанесения тонких пленок металлов и полупроводников, создания
плоских плазменных панелей и дисплеев, стерилизации медицинских инструментов и
изделий, в озонаторах, а также для модификации поверхностей различных
материалов [7]. Барьерный разряд находит применение при изучении механизма
электрического старения полимеров под действием частичных разрядов [8-10].
При обработке полимеров в плазме электрических
разрядов под действием бомбардировки заряженными частицами, а также жесткого
ультрафиолетового излучения в поверхностных слоях протекают сложные
физико-химические процессы, характер влияния которых на электрофизические
свойства отдельных полимеров изучен недостаточно. Известны данные о
значительном влиянии процессов деструкции, сшивки, окисления, протекающих при
плазменной обработке, на структуру и свойства поверхностных слоев [11].
Комплексное влияние этих процессов на свойства конкретного полимера определяет
необходимость проведения в каждом отдельном случае экспериментальных
исследований, на основании которых можно выбрать и обосновать наиболее
эффективный метод обработки поверхности, оптимизировать его технологические
режимы.
С учетом этого данная работа посвящена изучению
механизма старения полиимидных пленок под действием барьерного разряда, а также
изменений их структуры, электретных, механических и адгезионных свойств.
Актуальность работы. Ароматические линейные
полиимиды, к числу которых относятся полипиромеллитимиды (ПМ), используются в
электротехнике для изготовления изоляции кабелей, конденсаторов, многослойной
композиционной изоляции электрических машин и гибких печатных плат. Широкое
практическое применение полиимида определяется высокими эксплуатационными
характеристиками этого материала, такими как термостаильность, радиационная
стойкость, механическая и электрическая прочность и эластичность.
Наличие пор или газовых включений между
металлическим электродом и диэлектриком, а также между слоями диэлектрических
пленок может приводить к возникновению частичных разрядов (ЧР). Известно, что
существенными факторами, определяющими эрозию пленок под действием ЧР, являются
бомбардировка их поверхности заряженными частицами из плазмы газового разряда,
химическое взаимодействие с продуктами, образующимися в разряде, а также
ультрафиолетовое облучение, повышенная температура и т.д. При этом разрушение
происходит по механизму радикально-окислительной деструкции. Однако роль
отдельных факторов действия разряда для разных полимеров в разных условиях
может быть различной. При изучении процессов старения используется
ионизационная ячейка, в которой над поверхностью полимера зажигается барьерный
разряд, моделируя действие ЧР. Закономерности и механизм электрического
старения подробно изучены для целого ряда полимерных материалов, таких как
полиэтилентерефталат (ПЭТФ), полиэтилен (ПЭ), политетрафторэтилен (ПТФЭ) и
полистирол (ПС). Вместе с тем, информация об особенностях механизма деструкции
полиимидных пленок под действием ЧР довольно ограничена.
Существенный интерес представляет модификация
поверхности полимерных пленок в газовых разрядах. Изучение действия
электрических разрядов в различных газовых средах на полимеры позволяет выявить
новые пути обработки этих материалов. В процессе модификации пленок в разряде
изменяются их объемные и поверхностные свойства. Однако информация о влиянии
барьерного разряда на электрофизические свойства полиимидных пленок практически
отсутствует. В связи с этим тема дипломной работы представляется достаточно
актуальной.
Цель работы. Уточнение механизма старения и
изучение изменений структуры, механических и электретных свойств полиимидных
пленок при их обработке в барьерном разряде.
Для достижения указанной цели были поставлены
следующие задачи:
изучить закономерности изменения структуры
полиимидных пленок, происходящие под действием барьерного разряда;
исследовать влияние обработки в барьерном
разряде на процессы накопления и релаксации гомозаряда в пленках ПМ;
изучить влияние барьерного разряда на
прочностные, деформационные и адгезионные свойства полиимидных пленок;
исследовать изменение кратковременной электрической
прочности пленок, подвергавшихся действию разряда.
Научная новизна работы.
Установлено, что разрушение полиимидных пленок
под действием барьерного разряда происходит по гидролитическому механизму.
Впервые исследованы процессы релаксации заряда в
обработанных в барьерном разряде полиимидных пленках, как в изотермическом, так
и в термостимулированном режиме.
Изучено влияние влаги на спектры токов
термостимулированной деполяризации (ТСД) и установлена взаимосвязь между
величиной их энергии активации и состоянием воды в полимере.
Показано, что обработка полиимидных пленок в
барьерном разряде необратимо увеличивает их гигроскопичность на 20 - 25%.
Практическая значимость работы.
Установлено, что адгезионные свойства пленок ПМ
к эпокси-каучуковому клею ЭК2 после их модификации в барьерном разряде на
воздухе увеличиваются на 30% при оптимальном времени обработки, что необходимо
учитывать при изготовлении многослойной композиционной изоляции электрических
машин.
Предложено использование обработанных в разряде
полиимидных пленок в сенсорных влажностных датчиках с целью повышения их
чувствительности.
Результаты дипломной работы используются в
учебном процессе при подготовке бакалавров, инженеров и магистров на кафедре
«Электрическая изоляция, кабели и конденсаторы» Электромеханического факультета
СПбГПУ.
На защиту выносятся:
Исследование закономерностей изменения структуры
полиимидных пленок при их модификации в барьерном разряде и определение
механизма разрушения пленок.
Систематическое изучение спектров токов ТСД исходных,
увлажненных и обработанных в барьерном разряде пленок ПМ, анализ этих спектров
и определение значений энергий активации отдельных максимумов.
Исследование изменений механической жесткости и
кратковременной электрической прочности полиимидных пленок при старении их в
барьерном разряде.
Изучение влияния обработки в разряде на
адгезионные свойства пленок ПМ к эпоксикаучуковому клею ЭК2 и выбор
оптимального времени воздействия.
Достоверность результатов. Достоверность
обеспечивается обоснованным выбором и использованием современных
экспериментальных методов измерения электрических, электретных и механических
характеристик исследуемых материалов; применением разнообразных методик,
позволяющих всесторонне рассмотреть проблему; проведением многократных испытаний,
показывающих воспроизводимость результатов и статистической обработкой
полученных данных. Сопоставлением полученных результатов с литературными
данными и их анализом на основе современных теоретических представлений.
Личный вклад автора состоит в участии в
постановке цели и задач исследования; проведении экспериментальных
исследований; обработке и анализе полученных результатов. Все результаты,
представленные в работе, получены автором лично или при его непосредственном
участии. В процессе работы автор пользовался консультациями д.т.н., профессора
Цобкалло Е.С.
ГЛАВА 1. ОБЗОР ЛИТЕРАТУРЫ
.1 Полиимидные пленки и их основные свойства
Высокомолекулярные соединения являются основой
для изготовления широкого круга технических материалов: пластмасс, пленок,
резин, волокон, клеев, лаков, от качества которых зависит работоспособность
множества деталей и конструкций различного назначения [1,12].
Анализ разработок, осуществляемых в области
создания конструкций с высокой температурой эксплуатации, показывает, что в
качестве полимерной основы сочетающих высокую деформационную и химическую
устойчивость в широком интервале температур огнестойких полимерных материалов
могут быть эффективно использованы полигетероарилены. Предельная тепло и
термостойкость характерна для полигетероариленов, цепи которых состоят из
непрерывно чередующихся ароматических и гетероциклов [13].
Полиимиды - это полигетероарилены, содержащие в
основной цепи молекулы циклическую имидную группу. Практическое значение
получили ароматические линейные полиимиды благодаря ценным физико-химическим
свойствам, не изменяющимся длительное время в широком интервале температур
[14-18].
Наиболее широко известными и применяемыми
являются полипиромеллитимиды - полиимиды, в получении которых участвует диангидрид
пиромеллитовой кислоты [13]. Они содержат шарнирные атомы и группы в диаминном
фрагменте молекулы. Полипиромеллитимиды - прочные и эластичные, у них
отсутствует выраженный температурный интервал размягчения. Их строение можно
представить общей формулой [15]:
.
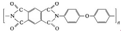
Данная работа посвящена изучению свойств пленки,
относящейся именно к этой подгруппе полиимидов, со структурной формулой
следующего вида:
Высокая термостойкость (химическая устойчивость
при нагреве) полиимидов связана со стабилизацией структуры и упрочнением связей
за счет эффектов сопряжения благодаря наличию неподеленной пары электронов у
гетероатома в цикле (у азота) и атомов с высокой электроотрицательностью
(кислород в карбонильных группах). Высокая теплостойкость (деформационная
устойчивость при нагреве) полиимидов обусловлена циклоцепным строением
макромолекул и межмолекулярным взаимодействием [1].
Первый синтез полиимида из 4аминовталевой
кислоты был осуществлен Боджертом и Реншоу в 1908г. Высокомолекулярный
ароматический полиимид был синтезирован Эдвардсом и Робинсоном в 1955г. В 60х
годах фирма «DuPont» (США) начала коммерческий выпуск полиимидной пленки Kapton
на основе диангидрида пиромеллитовой кислоты и 4,4′-диаминодифенилового
эфира [14].
В настоящее время на основе полиимидов
разработан широкий ассортимент полимерных материалов: связующие, наполненные
композиции, в том числе с использованием непрерывных высокопрочных и
высокомодульных волокон, клеи, герметики, пленки [1, 3, 4, 12, 19-21].
Фирма «DuPont» выпускает несколько типов
полиимидных пленочных материалов - Kapton V, Н (для длительной эксплуатации при
температурах от 190 до 300 ºС)
и F (с односторонним или двухсторонним фторопластовым покрытием).
Полиимидные пленки со свойствами, близкими к
свойствам пленок Kapton, производятся и в России: ПМ1, ПМ1Э, ПМ2, ПМ3, ПМ4, ,
ПМФ351, ПМФ352, ПММ, ПМА, ПМ1ДА.
Полиимидные пленки характеризуются высокими
физико-механическими показателями [1, 13, 14, 22-25]. Они эластичны в широком
диапазоне температур, обладают высокой усталостной и долговременной прочностью
и низкой ползучестью. Отличаются хорошей устойчивостью к атмосферному старению,
воздействию ионизирующих излучений, низких температур и большинства
органических растворителей. Они не токсичны, имеют низкое дымовыделение, при
удалении из пламени самозатухают. Основной особенностью этого материала
является способность сохранять механические и электроизоляционные свойства при
длительной эксплуатации в широком интервале температур (от -200°С до +220°С),
возможна кратковременная эксплуатация при температуре до +300°С.
В работе [12] изучены рентгенограммы образцов
полиимидных пленок Kapton и ПМ. Полученные авторами данные свидетельствуют о
том, что пленки Kapton обладают аксиальной текстурой, образующейся за счет
преимущественного развития кристаллитов, одна из кристаллических осей которых,
связанная с длиной молекулярной цепи, располагается в плоскости пленки.
Дифракционная картина, наблюдающаяся на рентгенограммах пленок полиимида ПМ,
свидетельствует о существовании в пленке мезоморфной структуры. Известно, что
термин «мезоморфная структура» используется для обозначения промежуточного
между кристаллическим и аморфным уровня организации цепей. Упорядоченные
области, возникшие в пленке ПМ за счет агрегации вытянутых участков цепи,
характеризуются дальним порядком вдоль цепи и несовершенной боковой упаковкой
ее фрагментов.
В работах [27-29] дана оценка влияния стабильной
мезоморфной структуры в формировании свойств ароматических полиимидов. На
основании рентгеновских и дилатометрических данных сделан вывод о том, что для
объяснения комплекса упругопрочностных свойств полиимидов необходимо учитывать
конформационное строение макроцепи, а также уровень надмолекулярной упорядоченности,
который реализуется в твердом состоянии. На примере ориентированных систем
показано, что полиимиды, имеющие конформации с небольшими изгибами и образующие
плотную упаковку в упорядоченных областях (кристаллическую или мезоморфную),
обеспечивают более высокие показатели прочности и модули упругости.
Большое значение для создания полиимидов с
заданными свойствами имеют условия проведения их синтеза [1,13]. Исследования
связи химического строения полиимидов с условиями реакций их образования и их
свойствами провел коллектив Института высокомолекулярных соединений РАН. В
лабораториях института были развиты представления о закономерностях
поликонденсационных реакций, лежащих в основе современных технологий получения
полиимидов [30,31].
Наиболее распространенным является двухстадийный
метод получения ароматических полиимидов в результате реакции диангидридов
ароматических тетракарбоновых кислот с ароматическими диаминами [13].
На первой стадии образуется высокомолекулярный
растворимый форполимер полиимида - полиамидокислота (ПАК):
На второй стадии происходит дегидроциклизация
ПАК (имидизация) с образованием конечного продукта - ароматического полиимида:
Вторая стадия реакции может осуществляться
термическим или химическим путем [2, 13, 14].
Кинетика процесса твердофазной термической
циклизации ПАК подробно описана в работах [14] и [30]. В [30] построены модели
этого процесса, подтверждаемые экспериментальными фактами.
Проведен анализ роли процессов распада и
ресинтеза ПАК и сделан вывод, что эти процессы серьезно влияют на конечные
свойства полимера. Существенным недостатком термической циклизации является
ухудшение механических свойств материала на промежуточных технологических стадиях.
Во избежание этого необходим более мягкий метод превращения полиамидокислоты в
полиимид.
Таким методом является химическая имидизация [2,
22], состоящая в обработке полиамидокислоты дегидратирующими агентами в
присутствии катализатора. Наиболее часто используется обработка смесью
ангидрида монокарбоновой кислоты и третичного амина. Важно отметить, что после
реакции имидизации в полиимиде остается некоторое количество воды и
неимидизовавшихся звеньев ПАК, т.е. степень имидизации не достигает 100%.
Технология получения ароматических линейных
полиимидов отличается от технологии получения большинства других линейных
конденсационных полимеров тем, что процесс осуществляется в две стадии, и
стадия циклодегидратации полиамидокислот проводится в самих полимерных материалах
(изделиях) [16]. Схема получения полиимидной пленки методом двухстадийной
поликонденсации:
Раствор полиамидокислоты тщательно фильтруют,
убирают из него воздух и подают непрерывно на тонкую полиимидную подложку,
нанесенную на металлическую ленту. Растворитель удаляют, пропуская такую ленту
через сушильную камеру часто с принудительной циркуляцией сухого инертного газа
(азота), нагретую до 100°С, а затем пленку пропускают через термокамеру с
градиентом температур от 150 до 300°С в атмосфере инертного газа. Окончательная
обработка пленки проводится кратковременным (15 мин.) нагреванием ее при еще
более высоких температурах (вплоть до 400°С). Для двухосной ориентации пленку
подвергают термообработке в специальных зажимах, не допускающей ее усадки. При
этом механическая прочность полиимидной пленки значительно повышается. Для
более эффективного удаления растворителя и выделяющейся при циклизации воды
пленку нагревают до 250°С под давлением, пропуская ее через одну или несколько
пар валков.
Электрические свойства полиимидных пленок
изучались в работах [25, 32-52]. В работе [25] приведены основные электрические
характеристики полипиромеллитимида при температуре 20°С: ε=3,5;
ρ=1017Ом•см (ρ=1012 Ом•см
при Т = 300°С); Епр=275 кВ/мм.
Изучение электропроводности полимерных
диэлектриков связано с рядом трудностей: малой величиной токов при низких
температурах, спаданием тока с течением времени, влиянием различных примесей и
напряженности электрического поля Е на величину проводимости γ.
После
подключения источника постоянного напряжения U к электродам величина тока
зарядки jзар уменьшается с течением времени до стационарного значения jскв. При
закорачивании в цепи наблюдается ток разрядки jраз, направленный противоположно
jзар. При межслоевой или релаксационной поляризации выполняется соотношение
jзар(t) - jскв = -jраз(t). В случае при электродной поляризации на кривых ДВАХ
и реверсионных токов наблюдается характерный максимум, свидетельствующий о
блокирующих свойствах контакта [35]. При инжектирующем контакте jзар в 50-100
раз больше jраз. В случае электроочистки jраз=0.
Изучение jзар металлизированных пленок Kapton H
фирмы «DuРont» (h=25мкм) в интервале температур Т=110-270°С проводилось в
работе [39]. Кривые jзар=f(t) измерялись до установления относительно
стационарного тока, время достижения которого составляло несколько секунд при
Т=270°С и более 104 с при Т=110°С (рис. 1.1). Авторы [39] полагают, что сложный
характер зависимостей jзар=f(t) полиимидных пленок обусловлен электроочисткой
пленок и установлением в них приэлектродной поляризации.
Рис. 1.1. Зависимости jзар=f(t) полиимидных
пленок Kapton H, измеренные при различных температурах (1, 2, 5, 6) и
материалах электродов (2, 3, 4) [39]
В ряду материалов электродов Al - Au - Ag
наблюдается снижение величины jзар. При этом характер зависимости jзар=f(t)
сохраняется. В работе [48] отмечено, что зависимости jзар-jскв=f(t) и jраз=f(t)
пленок ПМ, измеренные в области Т<220ºС,
симметричны. Однако в области повышенных температур (Т>220ºС)
наблюдается асимметрия токов зарядки и разрядки, которую авторы [48] связывают
с возникновением гальванических э.д.с.
Для большинства полимеров установлено, что в
области полей Е>106-108 В/м имеет место отклонение от закона Ома. Если
скорость дрейфа носителей растет не пропорционально Е, а более резко, то
зависимость γ=f(Е) может быть
описана формулой Пуля для ионной проводимости γ=γ0exp(βE).
В
области высоких полей, когда имеет место существенный рост концентрации
носителей с увеличением Е, зависимость γ=f(Е)
описывается формулой Онзагера
,
где q - заряд носителя.
В работе [37] были получены вольтамперные
характеристики (ВАХ) пленок ПМ в интервале Е от 2·105 до 5·107 В/м (рис. 1.2).
До значения Ек=1,25·107В/м зависимость j=f(E) описывается законом Ома. При
Е>Ек зависимость j=f(E) становится квадратичной, что характерно для токов,
ограниченных пространственным объемным зарядом (ТОПЗ) [50]. По мнению авторов
[37] в области ТОПЗ можно уверенно говорить об электронной природе
проводимости, а в омической области природа носителей заряда нуждается в
дополнительном уточнении.
Зависимость lgγ = f(1/Т)
полиимида Kapton H при Е=2·106 В/м (омическая область) изучена в работе [40]
(рис. 1.3). Эта зависимость состоит из двух участков. Величины энергий активации
составляют 0,41 эВ и 1,46 эВ для низкотемпературной и высокотемпературной
областей соответственно. Это значение близко к величине энергии сродства к
электрону кластерных уровней в полиимиде, которая, как отмечают авторы [51],
равна 1,4 эВ.
Имеющиеся в литературе данные о природе
проводимости полиимидных пленок противоречивы. В работе [41] пишут об
электронном механизме проводимости в полиимиде марки PI2545.
Рис. 1.2. Вольтамперные характеристики
полиимидных пленок [37]
Возможность протонной проводимости в полиимидах
рассмотрена в работах [42, 43]. Чувствительность полиимидов к увлажнению также
позволяет предполагать существование протонной компоненты в механизме переноса
заряда [44].
Рис. 1.3. Температурная зависимость
электрической проводимости полиимида [40]
Ионный характер проводимости рассмотрен в работе
[45]. Сесслер полагает [46], что в пленках Kapton H в сильных электрических
полях в качестве носителей заряда выступают дырки. Авторы [47] считают, что
наиболее вероятна ионная проводимость в пленках Kapton HN с прыжковым
механизмом переноса заряда через потенциальные барьеры разной высоты. Итак, до
настоящего времени природа носителей заряда в полиимидах окончательно не определена.
Диэлектрические свойства полиимидной пленки
изучались в ряде работ [36, 37, 43]. Как видно из рис. 1.4, значения ε
и
tgδ
слабо
зависят от частоты и температуры в интервале от 60 до 150оС. В области
температур от -70 до +50оС значения ε и
tgδ
существенно
возрастают, и наблюдается максимум, обусловленный дипольно-групповыми потерями.
Положение этого максимума смещается при увеличении частоты в сторону больших
температур. Имеется также незначительный максимум tgδ
в
области высоких температур (~150оС), положение которого практически не зависит
от частоты. По мнению авторов [36], первый максимум обусловлен содержанием в
пленке влаги, поглощенной из атмосферы, и остатками полиамидокислоты.
Возрастание диэлектрических потерь у полипиромеллитимида при Т ≥ 200оС
обусловлено, потерями проводимости. Результаты диэлектрической спектроскопии
[43] в сочетании с термомеханическими данными [14] позволяют констатировать
отсутствие у полипиромеллитимидов четко выраженных релаксационных процессов,
связанных с размягчением и стеклованием в узкой области температур [15].
Рис. 1.4. Зависимость диэлектрической
проницаемости (а) и тангенса угла диэлектрических потерь (б) полиимидной пленки
от температуры при различных частотах [36]
Техническая ценность полиимидов существенно
определяется их высокой прочностью и гибкостью в широком температурном
диапазоне. Механические свойства полиимидных пленок изучены в работах [8, 14,
15, 20, 53].
Изотропные полиимидные пленки характеризуются
модулем упругости Юнга Eн от 3000 до 10000 МПа для аморфных и частично
закристаллизованных пленок соответственно. Численные величины модуля
показывают, что главную роль в упругости неориентированных полиимидов играют
межмолекулярные связи.
Рис. 1.5. Диаграмма растяжения пленки полиимида
при разных температурах.1 - -195оС; 2 - +20оС; 3 - +400оС [8]
Диаграммы растяжения пленок полипиромеллитимида
ПМ приведены на рис. 1.5, а температурные зависимости прочности σр
и удлинения при разрыве εр - на рис.
1.6 [8]. Из рис. 1.6 видно, что высокую прочность и гибкость полиимид имеет в
широком диапазоне температур: от -200оС до +400оС.
Рис. 1.6. Зависимость прочности (1) и удлинения
при разрыве (2) от температуры для пленки полиимида [8]
Особенно существенно сохранение гибкости при
криогенных температурах (вплоть до температуры жидкого гелия) [14,15]. Можно
обратить внимание на то, что область чисто упругих деформаций на диаграммах
растяжения ПМ доходит до удлинения ε=5-6%, а
в области вынужденно-эластического деформирования (пологие участки диаграммы
рис. 1.6) происходит значительное возрастание модуля упругости [8, 53].
1.2 Действие газового разряда на свойства
полимерных материалов
Для плазменной обработки поверхностей полимеров
используются тлеющий разряд постоянного тока, высокочастотный (ВЧ) и
сверхвысокочастотный (СВЧ) разряды низкого давления, а также коронный и
барьерный разряды при атмосферном давлении [7].
Обработка поверхностей тлеющим разрядом
постоянного тока обычно производится в области его положительного столба. При
комнатной температуре концентрация электронов в тлеющем разряде составляет
~1010 см3, а средние энергии электронов и ионов - единицы и сотые доли эВ
соответственно [54]. Аналогичными микропараметрами обладает и плазма ВЧ
разрядов низкого давления, в результате чего уровень УФ излучения, степени
возбуждения атомов и молекул в этих типах разрядов близки [55]. Однако данные
типы разрядов обладают существенным различием. В разряде постоянного тока
ионной бомбардировке препятствует образование объемного заряда из положительных
ионов у поверхности диэлектрика, в то время как энергии ионов в ВЧ разряде
могут достигать сотен эВ.
Использование СВЧ разрядов низкого давления
обеспечивает более высокую химическую активность плазмы. Недостатком СВЧ
разряда является большая сложность генерации и поддержания плазмы [56].
Коронный и барьерный разряды при атмосферном
давлении отличаются малыми током и мощностью. В разрядах подобного типа высок
выход озона, что позволяет использовать их в качестве озонаторов. Положительные
и отрицательные ионы ускоряются в поле, достигая энергий 3-10 эВ и оказывая
воздействие, подобное ионизирующему излучению, но в тонком приповерхностном
слое. Энергии электронов в таких разрядах могут достигать сотен эВ [7].
Элементарные процессы при взаимодействии
газового разряда с полимерами изучались в ряде работ [57-77]. При
взаимодействии полимера с газовым разрядом на него оказывает влияние ряд
различных факторов. Активными компонентами плазмы газового разряда, способными
инициировать химические реакции в поверхностных слоях полимера, являются
свободные ионы и электроны, свободные атомы, возбужденные частицы и
ультрафиолетовое (УФ) излучение [58].
Основную роль в деградации поверхности под
действием газового разряда играет бомбардировка ионами. Особенности реакций при
ударе тяжелых ионов, в отличие от электронного удара, связаны с возможностью
передачи атомам или фрагментам полимерных молекул заметного импульса.
УФ-излучение может инициировать в твердом теле
определенные фотохимические реакции, специфика которых определяется структурой
молекулы, энергией светового кванта и сечением поглощения. Интенсивность
излучения плазмы в области наиболее высокоэнергетичного вакуумного
ультрафиолета (λ~110-180 нм)
может достигать 1013-1014 квант/см2с. Эта величина существенно зависит от
мощности и объема плазмы, давления и рода газа, а также от концентрации
примесей в плазме.
Под действием электронов и УФ излучения в
полимерах образуются свободные радикалы, межмолекулярные сшивки, газообразные
продукты - преимущественно Н2. Соответствующие первичные химические реакции
могут быть представлены следующими уравнениями:
Активные первичные продукты могут вступать во
вторичные реакции:
+ H· → R· + H2 (образование газообразного
Н2)· + H· → R1-CH=CH-R2 +Н2 (образование двойной связи и Н2)
Н· + Н· → Н2 (образование газообразного
Н2)· + R· → R-R (образование межмолекулярных сшивок)
При наличии О2 в составе плазмообразующего газа
характерны следующие вторичные реакции с участием свободных радикалов:
Сравнительно небольшие возможные энергии
электронов и в особенности ионов в газоразрядной плазме, обеспечивают
образование новых продуктов в тонких поверхностных слоях полимера,
контактирующего с плазмой разряда [66].
Для исследования и идентификации продуктов,
образующиеся в полимерах при действии газового разряда, широко применяются
различные спектроскопические методы [54,58,65].
Обработка полимеров в стационарном НЧ или ВЧ
газовом разряде приводит к уменьшению веса и толщины образца т.е.
сопровождается процессом эрозии. Ее скорость зависит как от химического состава
и структуры полимера, так и от условий обработки.
Выделяют два основных механизма эрозии:
физическое распыление и химическое травление. Физическое распыление связано с
разрушением структуры полимера, в основном, под действием бомбардирующих ионов,
которые достаточно эффективно могут передавать импульс атомам или фрагментам
молекулы, выбивая их из молекулярной структуры. Химическое травление связано с
реакциями на поверхности полимера с участием таких частиц, как атомы О, F,
молекулы О2, О3, метастабильные атомы инертных газов. Комплекс реакций с
участием этих частиц является очень сложным и не поддается более или менее
определенному кинетическому описанию. Однако установлены некоторые общие
закономерности процессов с участием отдельных частиц, или групп частиц. Так при
действии разрядов в кислородосодержащей среде на различные полимеры характерно
образование в молекулярной структуре поверхностных слоев кислородсодержащих
групп С=О, С-О-Н, С-О-О-Н, С-О-О-С. Это может быть связано с реакциями атомов
О, молекул О2, О3, которые способны реагировать со свободными радикалами в
полимерной молекуле. Конечными продуктами реакций могут быть СО2, Н2О, легко
переходящие в газовую фазу.
В работе [58] получены зависимости потери веса
от времени обработки различных полимеров в кислородной плазме ВЧразряда.
Разветвление в полимерной цепи приводит к повышению, а сшивка - к снижению
скорости эрозии полимеров. Скорость деструкции несколько различна для аморфных
и кристаллических областей полимера, что ведет к изменению поверхностной
морфологии полимера при продолжительной обработке. Как правило, скорость эрозии
в аморфных областях полимера выше, чем в кристаллических, вследствие чего
длительная обработка приводит к образованию пористой структуры в поверхностном
слое полимера. Увеличение содержания кристаллической фазы при эрозии может
приводить к увеличению прочности композитных полимерных волокон [60-62].
Установление роли УФ излучения плазмы в
образовании продуктов реакции в поверхностных слоях полимеров проводилось во
многих работах [54-56, 67, 68]. При облучении ПЭ ВУФ излучением ВЧ разряда
через окно LiF исследовалось сшивание этого полимера и было показано, что
излучение оказывает заметное влияние на образование межмолекулярных сшивок
[56,69]. Изучение кинетики накопления свободных радикалов в ПЭ при облучении
его светом ртутной лампы (λ = 253,7 нм)
показало, что эффективность их образования в этих условиях крайне мала [56].
Детальное изучение роли УФ излучения и
электронной компоненты в образовании низкомолекулярных продуктов в ПЭ под
действием плазмы импульсного и стационарного ВЧ разрядов проведено в работах
[54, 55, 68]. Авторы полагают, что на начальной стадии (t < 30 мин)
образование стабильных продуктов в ПЭ обусловлено, главным образом, действием
электронной компоненты, но не УФ излучения, а при временах воздействия t >
60 мин определяется преимущественно ВУФ излучением в диапазоне 140-160 нм.
Природа молекулярных и атомарных активных частиц
в плазме разряда определяется, прежде всего, составом газа. Такими частицами
могут быть свободные атомы в основном и возбужденном состояниях, электронно- и
колебательно возбужденные молекулы. Эти частицы могут вызывать химические
реакции лишь в весьма тонких слоях полимера (не более нескольких
мономолекулярных слоев). Исключением, вероятно, может быть действие озона О3,
который способен диффундировать на большие глубины. Молекулярные и атомарные
частицы ответственны как за эрозию поверхностных слоев полимера, так и за
образование новых функциональных групп в этих слоях, которые могут радикально
менять поверхностные характеристики материала Объемные характеристики
полимерного образца при этом, как правило, остаются неизменными.
Взаимодействие с кислородной или
кислородсодержащей плазмой приводит к образованию полярных групп в
поверхностном слое полимера. Это вызывает рост поверхностной энергии полимера
и, как следствие, увеличение смачиваемости и величины адгезии к металлам и
органическим веществам [60].
При окислении под действием газового разряда
всегда наблюдается два конкурирующих процесса: эрозия с образованием
газообразных продуктов и генерация кислородсодержащих групп в поверхностном
слое полимера. При этом степень окисления поверхности полимера существенно
зависит от его химического состава. Содержание кислорода в поверхностном слое
ПТФЭ при разных временах обработки в кислородном разряде изучалось методом
фотоэлектронной спектроскопии в работе [69]. Авторы утверждают, что на
начальной стадии обработки (0.5-1 мин) наблюдается увеличение содержания
кислорода и падение содержания фтора в поверхностном слое ПТФЭ. Содержание
кислорода достигает максимума при 1 мин обработки, а затем падает практически
до начальной величины, характерной для необработанного ПТФЭ. Это означает, что
процесс образования кислородсодержащих групп доминирует на начальной стадии
обработки, после чего перекрывается процессом эрозии, приводящим
преимущественно к образованию газообразных продуктов.
Взаимодействие с азотной или азотсодержащей
плазмой приводит к образованию азотсодержащих групп в поверхностном слое
полимера, проявляющих, как правило, основные свойства [58]. Взаимодействие с
различными типами плазмы в N2 приводит к связыванию азота преимущественно в
форме иминных групп. В случае воздействия микроволновой плазмы в N2 общее
содержание азотсодержащих групп может достигать 40 ат.%, тогда как воздействие
плазмы в NH3 при тех же условиях всегда приводит к образованию меньшей
концентрации азотсодержащих групп. Фторсодержащие полимеры наиболее трудно
подвергаются азотированию при взаимодействии с азотсодержащей плазмой.
Состав и пространственное распределение
продуктов, образующихся на поверхности и в поверхностном слое полимера при
действии с разряда, могут изменяться во времени после прекращения процесса.
Этот эффект называется регенерацией и зависит от времени хранения, структуры
полимера, состава окружающей образец среды и температуры. С течением времени
хранения могут иметь место следующие процессы:
переориентация полярных групп с поверхности
вглубь образца вследствие теплового движения;
диффузия низкомолекулярных примесей и олигомеров
из объема полимера
на поверхность;
диффузия на поверхность низкомолекулярных
продуктов, образовавшихся в поверхностном слое полимера в процессе обработки в
разряде;
процессы с участием свободных радикалов и других
активных частиц, взаимодействующих между собой и с компонентами окружающей среды.
Для углеводородных полимеров, обработанных в
кислородной плазме, характерно уменьшение угла смачивания в воде в несколько
раз сразу после обработки в кислородной плазме, с последующим возрастанием до
исходной величины через несколько суток хранения в атмосфере воздуха.
Уменьшение смачиваемости в данном случае обусловлено преимущественно
разориентацией полярных групп в приповерхностном слое полимера вследствие
теплового движения [69].
Существенно другой механизм определяет
регенерацию углеводородов, обработанных в азотсодержащей плазме. Авторы [66]
исследовали временные изменения химического состава поверхностного слоя ПЭ,
предварительно обработанного в плазме N2, методом РФЭС. В течение первых
нескольких дней хранения было обнаружено существенное уменьшение содержания
азота и быстрый рост содержания кислорода в поверхностном слое полимера.
Последующее хранение на воздухе не приводило к изменению содержания азота,
однако, наблюдался медленный рост концентрации кислорода. Первая стадия
процесса регенерации очевидно является следствием гидролиза иминных групп при
взаимодействии с атмосферными парами воды:
R-(C=NH) -R1 + H2O → R-C(=O)
-R1 + NH3.
Увеличение концентрации кислорода на второй
стадии объясняется следующей реакцией:
R-CH=N-R1 + H2O → R-CH=O +
H2N-R1.
Исследования влияния структуры полимера на
скорость регенерации после его обработки в кислородной плазме [65] показали,
что более всего этому процессу подвержен ПП, несколько меньшая скорость
регенерации наблюдается для обработанных в тех же условиях
полиэтилентерафталата и ПС, а наиболее стойкими к ней являются ПЭ и полиимид. В
общем случае с увеличением степени кристалличности снижается подвижность
полимерных цепей и, как следствие, уменьшается скорость регенерации по
механизму переориентации полярных групп. Образование межмолекулярных сшивок
также стабилизирует структуру обработанного слоя [64].
Установлено [8-10, 77-88], что основной причиной
электрического старения полимерной изоляции является действие частичных
разрядов (ЧР) в газовых включениях между металлическим электродом и
диэлектриком, между слоями диэлектриков, во внутренних сквозных или закрытых
порах.
Основными характеристиками разрядов в переменном
поле являются сила тока IЧР и мощность разряда WЧР, которые определяются частотой
f , амплитудой напряжения Um , емкостью слоя твердого диэлектрика C1 и
пробивным напряжением газовой прослойки Uпр:
ЧР = 4fC1 (UmUи), WЧР = 4fC1 Uпр(UmUи),
где Uи= Uпр(С1+С2)/С1 - напряжение начала
ионизации , С2 - емкость газовой прослойки [77].
Если происходит общее изменение структуры
диэлектрика, связанное с увеличением tgδ
и возможностью развития теплового пробоя, то определяяющей характеристикой
является мощность ЧР [78]. При поверхностной эрозии скорость разрушения
диэлектрика пропорциональна среднему току ЧР, а не мощности. Это объясняется
тем, что здесь решающую роль играет поверхностная плотность предаваемой
энергии, которая определяется количеством заряженных частиц, приходящих на
поверхность диэлектрика. Следует отметить, что при поверхностной эрозии часть
энергии ЧР теряется в газовом промежутке. Если канал разряда расположен в толще
твердого диэлектрика или в жидкой фазе комбинированного диэлектрика, когда
энергия всего канала участвует в разрушении диэлектрика, то прежде всего необходимо
учитывать энергию или мощность разрядов [8].
Анализ механизма электрического старения
полимеров связан с изучением изменений в пленках, происходящих под действием
разрядов. Частичные разряды в газовых прослойках в диэлектрике хорошо
моделируются барьерным разрядом в ячейке, состоящей из двух диэлектрических
барьеров (стекол) с зазором между ними, на внешние стороны которых нанесены
металлические электроды. При этом исследуемая полимерная пленка помещается на
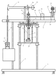
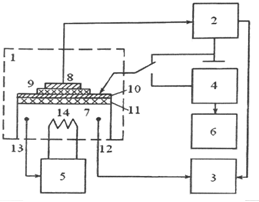
поверхность одного из стекол в зазоре между ними [8, 80, 85].
Рис. 1.7. Зависимости Р=f(Uo) (1) и Р=f(Ut)
пленки ПЭТФ при непосредственном действии разрядов в течение 9ч 40мин (2), 16ч
(3) и 26ч (4) при U=14кВ [8]
Старение пленки под действием разрядов
происходит сравнительно равномерно с течением времени и по всей площади между
электродами, что облегчает исследование изменений толщины ht, массы mt и
кратковременного пробивного напряжения Ut образцов по сравнению с исходными
значениями этих величин ho, mo, Uo. Типичные результаты испытаний полимерных
пленок на старение при таких условиях представлены на рис. 1.7 и 1.8.
На рис. 1.7 изображены зависимости вероятности
безотказной работы P=f(Ut). С увеличением времени действия ЧР tобр кривые
P=f(Ut) смещаются в область более низких значений Ut (зависимости 2, 3, 4). При
этом форма кривых практически не изменяется, следовательно, старение происходит
сравнительно равномерно по всей поверхности пленки в зоне разряда.
Зависимости Ut/Uo=ƒ(t),
ht/ho=ƒ(t), mt/mo =ƒ(t), построенные по
средним значениям Ut, Uo, ht, ho, mt, mo, сопоставлены на рис. 1.8.
Рис. 1.8. Зависимости
(а),
(б)
и
(в)
пленки ПЭТФ при непосредственном (1) и косвенном (2) действии разрядов [8]
Из рис. 1.8 видно, что ht/ho, mt/mo и Ut/Uo
полимерных пленок близки и уменьшаются по мере роста t почти линейно.
Следовательно, процесс старения происходит сравнительно равномерно с течением
времени. Таким образом, основной причиной снижения кратковременного пробивного
напряжения при электрическом старении полимеров служит уменьшение толщины
пленки вследствие ее эрозии [8].
.3 Сорбция воды в полимерах
В подавляющем большинстве природных и
искусственных соединений присутствуют молекулы воды. При этом они, как правило,
не являются просто инертной средой или наполнителем вещества, а выполняют в нем
вполне определенную структурно-функциональную роль.
В некоторых соединениях даже малые примеси воды
приводят к резкому ухудшению отдельных их свойств. Большинство изоляционных
материалов ухудшают свои электрические характеристики при длительном пребывании
в условиях повышенной влажности: уменьшается удельное сопротивление ρ,
возрастают
tgδ
и
ε.
Эти
изменения характеристик связаны с особыми свойствами воды: значение
ε воды
при частоте ниже 109Гц меняется в пределах от 76 при температуре 30°С до 90 при
температуре -4°С и практически не зависит от частоты. В области частот более
109 Гц наблюдается резкое снижение ε воды
при Т ≥ 76°С до ~3 (при 1011 Гц) и ее значение приближается к
диэлектрической проницаемости полимеров (ε ≈ 3-7)
[89].
Известно, что подавляющее большинство окружающих
нас соединений содержит в себе группы OH. При нагревании эти группы выделяются
из вещества в виде молекул воды. Присутствие ОН-групп и кинетика их изменения
при различных условиях изучаются методами нейтронографии, ядерного магнитного
резонанса и инфракрасной спектроскопии.
Исследование колебательных спектров поглощения
ОН-групп в области валентных колебаний ОН-связей, привело к появлению терминов
«сильно связанная» и «слабо связанная» вода. Основанием для такой терминологии
послужило наблюдаемое на опыте монотонное смещение указанной полосы поглощения
в сторону меньших частот, происходящее по мере усиления водородной связи,
образуемой исследуемой группировкой. Условно OH-группы, имеющие полосы
поглощения в интервале 3750-3500 и 3500-3000 см1, были названы
водой, образующей слабую и среднюю водородные связи соответственно [90].
При низкой относительной влажности на
поверхности полимера образуется мономолекулярный слой воды; при более высокой
влажности начинает формироваться полимолекулярный слой, толщина которого быстро
растет с приближением относительной влажности к 100%. Возможно и обратное
явление, когда вода не смачивает поверхности материала. В этом случае даже если
перейти предел насыщения, вода, выпадая в виде росы, не растекается, а образует
на поверхности диэлектрика уединенные шарообразные скопления. Такую картину
можно наблюдать для полиэтилена, политетрафторэтилена и других подобных им
диэлектриков.
Все полимерные материалы как аморфного, так и
кристаллического строения обладают способностью поглощать и пропускать пары
воды. Неактивированная сорбция характерна главным образом для пористых
материалов неорганического происхождения (мрамор, шифер, недообожженная
керамика и др.). В этих материалах имеется огромная сеть субмикроскопических
капилляров и открытых пор. Если такие материалы поместить в условия высокой
влажности, то на стенках внутренних пор и капилляров адсорбируется слой молекул
воды. При активированной сорбции молекулы воды непосредственно внедряются между
молекулами полимера. Так как диаметр молекул воды составляет всего 2,5 Å,
а
размеры молекул полимера в 100 и более раз превышают размеры молекул воды, то
последние легко проникают в полимер благодаря тепловому движению молекул
полимера. При этом внедрение молекул воды в полимер связано с затратой
добавочной тепловой энергии [91-92].
Под гигроскопичностью (влагопоглощаемостью)
обычно подразумевают способность материала поглощать водяные пары из воздуха с
относительной влажностью 97-98% при 20°С. Гигроскопичность определяется как
увеличение веса образца материала за 24 или 48 часов, после нахождения его в
условиях относительной влажности 96-98%, отнесенное к первоначальному сухому
весу образца, выраженное в процентах, т. е.
,(1.1)
где Δm - численная
величина гигроскопичности; m0 - вес сухого образца;- вес образца после выдержки
его в условиях 98 %ной влажности.
Одно и то же количество поглощенной влаги
по-разному влияет на свойства разных материалов. Так, поглощение 0,13% влаги
резко ухудшает его электрические характеристики полистирола, в то время как
даже 1% поглощенной влаги лишь незначительно изменяет электрические свойства
полиэтилена.
Полнее процессы сорбции влаги можно
характеризовать так называемыми влажностными характеристиками (диффузионными
константами): коэффициентом влагопроницаемости Р [кг/м·с·Па], коэффициентом
диффузии D [см2/час] и коэффициентом растворимости влаги hр [кг/м3 Па].
Характеристики Р, D и hр дают возможность
оценивать влагозащитные и влагостойкие свойства материала, учитывая не только
величину гигроскопичности, но и изменение его электрических характеристик под
действием влаги.
Если в системе двух компонентов концентрация
одного из них неодинакова в различных точках, то тепловое движение приводит к
постепенному выравниванию концентрации во всем объеме путем диффузии молекул
данного компонента. Скорость выравнивания концентрации n и количество вещества
m, прошедшего за время Δt через
единицу поверхности полимера в стационарных условиях, связаны с его
коэффициентом диффузии D и градиентом концентрации уравнениями Фика [92]:
, (1.2)
. (1.3)
Важно отметить, что закон Фика позволяет решать
различные задачи о проникновении влаги в материал. Поэтому коэффициент диффузии
влаги D, входящий в выражение этого закона, является одной из важнейших влажностных
характеристик [96-97].
Кривая зависимости количества поглощаемой в
единице объема влаги от времени может иметь различный вид для разных
материалов, взятых при одинаковой толщине в зависимости от типа сорбции (рис.
1.9).
На рис. 1.7 представлены кривые кинетики сорбции
разных типов материалов:
- сорбция в неполярных или слабо полярных
материалах (полиэтилен, политетрафторэтилен, полистирол), подчиняющаяся закону
Генри;
С = hр·p,(1.4)
где С - количество поглощенной влаги, р -
давление паров воды.
В этом случае Р пропорционален D:
= D·hр; (1.5)
- сорбция в полярных материалах (эфир
целлюлозы);
- сорбция в волокнистых материалах (бумага);
- сорбция осмотического характера при высоких
значениях относительной влажности (резина).
Рис. 1.9. Схематические кривые кинетики сорбции.
1 - полиэтилен, 2 - эфир целлюлозы, 3 - бумага, 4 - резина
Виды сорбции 2-4 не подчиняются закону Генри.
Отклонения от закона Генри наблюдаются в тех случаях, когда существует сильное
взаимодействие дипольных групп, ионных примесей в материале с молекулами воды
[91].
Если учитывать объемные свойства материала, то
можно выделить четыре категории материалов с точки зрения их влажностных
характеристик.
. гигроскопичные и смачивающиеся материалы - при
увеличении относительной влажности или времени выдержки в среде с повышенной
влажностью наблюдается уменьшение удельного объемного ρV
и
удельного поверхностного ρS сопротивления,
возрастание tgδ и ε;
2. негигроскопичные, но смачивающиеся материалы
- заметное снижение ρS (ρV практически
не изменяется), изменения tgδ и
ε
определяются
формой включений влаги;
. негигроскопичные и не смачивающиеся материалы
- изменение ρV и ρS
незначительно;
. гигроскопичные и несмачивающиеся материалы -
резкое снижение ρV по мере
абсорбции влаги объемом полимера [93, 94].
Структура материала определяет не только
механизм поглощения влаги, ее количество и кинетику сорбции, но и форму ее
распределения в объеме органического материала. Обычно рассматривают три типа
включения влаги: в виде сферы, эллипсоида и каналов. Зависимость tgδ
увлажненного
диэлектрика от частоты электрического поля при различных формах распределения
влаги представлена на рис. 1.10. Из рис. 1.10 видно, что в случае сферических
включений влияние влаги на величину tgδ будет
меньше, чем в случаях цилиндрических и эллипсоидальных включений.
Рис. 1.10. Зависимость tgδ
увлажненного
диэлектрика от частоты электрического поля при различных формах распределения
влаги. 1 - цилиндры, замыкающие электроды; 2 - эллипсоид; 3 - сфера
В зависимости от вида материала, формы и
распределения в нем включений влаги наблюдается переход от материала со
сферическими включениями (ε возрастает,
а ρv
уменьшается
по мере увеличения количества поглощенной воды, при этом
tgδ проходит через максимум, величина которого также
определяется количеством абсорбированной влаги), к материалу со сквозными
порами (tgδ определяется только
потерями проводимости каналов воды, a ρv -
сопротивлением поглощенной влаги [94, 95].
.4 Адгезия полимерных материалов
Адгезия полимеров к твердым поверхностям
является одним из основных факторов, определяющих свойства любых
полимерно-композиционных материалов. Адгезии как явлению и адгезии полимеров к
твердым телам посвящено большое число монографий и работ [98-107]. Существует
множество теоретических подходов к описанию и объяснению явлений адгезии. За
период, прошедший с начала 40х годов, когда появились систематические работы в
области адгезии полимеров, было выдвинуто более десяти теорий адгезии:
механическая, адсорбционная, электрическая, электронная, электрорелаксационная,
диффузионная, микро-реологическая, реологическая, молекулярно-кинетическая и
некоторые другие. Однако все эти теории и концепции рассматривают, по существу,
частные вопросы и не охватывают всей проблемы в целом. Ни одна из существующих
теорий не дает возможности рассчитать энергию адгезионного взаимодействия и
прочность адгезионного соединения. Это обусловлено тем, что и на собственно
адгезию, и на адгезионную прочность одновременно влияет большое число
разнородных факторов, которые не могут быть учтены в рамках одной какой-либо
теории.
Адгезия - физико-химический процесс, протекающий
на поверхности конденсированных фаз с образованием новой гетерогенной системы.
При этом на границе раздела образуется межфазная область с особыми физическими
и химическими свойствами [98].
На характер адгезионного взаимодействия влияет
множество факторов: эффективность межфазных взаимодействий, термодинамические
свойства материалов, подвижность цепей макромолекул, морфология подложки и
некоторые другие. Одной из важнейших характеристик адгезионного взаимодействия
является адгезионная прочность, определяемая по усилию, необходимому для
разрушения соединения. Существенную роль играют также скорость и способ
приложения нагрузки, размеры образца, наличие механических напряжений,
когезионные свойства материала и ряд других факторов [99]. Необходимо отметить,
что все теоретические представления об адгезии относятся не к собственно
явлению адгезии или прилипания, а к процессам разрушения адгезионных соединений
и их описанию [103].
Прочность адгезионного соединения определяет
основные механические свойства полимерных композиционных материалов. При оценке
адгезионной прочности необходимо учитывать физические аспекты процессов
развития и роста трещин, распределения напряжений и прочее [105-106].
Механизм формирования адгезионного соединения
состоит из следующих стадий:
растекание адгезива на поверхности твердого тела
и его смачивание;
равновесное установление адгезионного контакта,
зависящее от макромолекулярных свойств адгезива и процессов адсорбции и
диффузии;
формирование химической и физической структуры
адгезива при отвердевании, сопровождающееся возникновением поверхностного слоя,
отличающегося по свойствам от объема [99].
Любая система адгезив - субстрат характеризуется
не только величиной адгезии, но и типом нарушения связи между компонентами, т.
е. характером разрушения. Вопрос о характере разрушения имеет не только
теоретический, но и большой практический интерес. Общепринятой является
следующая классификация видов разрушений: адгезионное (адгезив целиком
отделяется от субстрата), когезионное (разрыв происходит по массиву адгезива
или субстрата), смешанное (происходит частичное отделение адгезива от
субстрата, частичное разрушение субстрата и частичное разрушение адгезива). Все
перечисленные виды разрушений схематически представлены на рис. 1.11 [99].
Рис. 1.11. Виды разрушений адгезионных
соединений: а - адгезионное; б, в - когезионное; г - смешанное; 1 - адгезив; 2
- субстрат [99]
При формировании адгезионного контакта очень
часто прибегают к внешним, принудительным мерам, ускоряющим процесс, повышающим
полноту контакта. Рассмотрим влияние внешних воздействий на формирование
адгезионного контакта и адгезионную прочность. Наиболее широко применяемые
способы - повышение температуры и давления, а также вакуумирование.
В реальных пористых телах помимо сквозных
существует большое число тупиковых пор. Кроме того, тела со сквозными порами,
будучи погруженными в жидкость, ведут себя подобно телам с тупиковыми порами,
так как воздух, содержащийся в сквозных порах, также тормозит процесс пропитки.
Поэтому предварительное вакуумирование оказывается полезным при пропитке тел и
со сквозными порами благодаря снижению давления находящегося в них воздуха
[104].
В настоящее время известно, что электрический
заряд поверхности оказывает влияние на взаимодействие тела с жидкой средой. В
частности, установлено, что электризация поверхности полимеров оказывает
существенное влияние на угол смачивания θ (рис.
1.12) [75]. Это влияние проявляется даже через пленку покрытия. Улучшение
смачивания заряженных поверхностей имеет несомненный практический интерес. В
частности, показано, что предварительная электризация ускоряет пропитку
стеклослюдобумажных лент при производстве электрической изоляции [104].
Рис. 1.12. Зависимость θ=f(Q)
для
полиимидов различного строения. 1 - ПМ, 2 - Upilex S, 3 - Upilex R [75]
В последнее время находит применение способ
нанесения полимерных покрытий электростатическим напылением. Поверхностное
натяжение заряженной капли под действием электрокапиллярного эффекта резко
снижается, что оказывает влияние на смачивание. В сильном электрическом поле
компоненты покрытия испытывают ориентирующее влияние. Все эти факторы оказывают
влияние на условия формирования адгезионного соединения и, следовательно, на
адгезионную прочность [105].
Имеются достаточно убедительные данные о том,
что ультразвуковая обработка повышает адгезионную прочность. Так, обработка
ультразвуком эпоксидных компаундов на стадии формирования покрытия в течение
10-15 мин при частоте 1 МГц повышает их адгезионную прочность на 50-60%.
Аналогичный эффект отмечен в случае полиэтилена и поливинилбутираля [99].
Адгезионная прочность повышается также при формировании адгезионного соединения
в магнитном поле. В зависимости от типа полимера и режима обработки повышение
адгезионной прочности составляет от 35-40 до 280%. При склеивании эпоксидным
компаундом и другими клеями кварцевого стекла, винипласта, некоторых
металлических сплавов адгезионная прочность в результате магнитной обработки
возрастает на 20-46%. Механизм влияния магнитного поля на адгезионную прочность
полностью не ясен. Известно, что надмолекулярная структура пленок, полученных в
магнитном поле, существенно изменяется. По-видимому, магнитное поле
способствует возникновению более упорядоченной структуры полимера [104].
.5 Действие различных факторов на свойства
полиимидных пленок
Полиимиды чрезвычайно устойчивы к действию
излучений высоких энергий [14, 15, 108-112]. В условиях, когда большинство
других полимеров полностью разрушается, в полиимидах происходят едва заметные
изменения. При дозе облучения 10000-20000 Мрад прочность полиимидов практически
не снижается, отмечается лишь незначительное снижение эластичности [15].
Зависимости величины тока I от времени облучения пленок ПМ толщиной 7,5 мкм при
различной интенсивности электронного пучка η показаны
на рис. 1.13.
Рис. 1.13. Зависимость тока от времени облучения
пленок ПМ (7,5 мкм), при разной интенсивности облучения электронами: 2,8·103
рад/с (кривая А), 8,4·103рад/с (кривая В), 13·103 рад/с (кривая С), 32·103
рад/с (кривая D). Напряжение на электродах - 300 В [111]
Величина I сначала снижается с течением времени,
затем либо становится постоянной при низких интенсивностях облучения, либо
возрастает при высоких интенсивностях. Подобное поведение было обнаружено в
[111].
Рис. 1.14. Зависимость
γ=f(η) плёнки ПМ (7,5 мкм). Показан
минимальный и средний уровень γ [111]
Рис. 1.15. Зависимости sр=f(r)
(1) и eр=f(r)
(2) облученных электронами высокой энергии на воздухе пленок ПМ [15]
Зависимость γ=f(η),
показанная на рис. 1.14, может быть описана формулой
,
где К и n - постоянные коэффициенты, r - доза. Величина n зависит от вида
излучения и облучаемого материала, и, как правило, лежит в пределах от 0,5 до
1.
Рис.1.16. Зависимости tgδ=f(T)
(1-3) и ε'=f(T)
(1'-3') пленок полиимида ПМ. Доза облучения: 1, 1' - без облучения; 2, 2' - 300
Мрад; 3, 3' - 1000 Мрад [110]
Кинетика изменения прочностных характеристик
полиимида марки ПМ при облучении электронами высоких энергий показана на рис.
1.15. Некоторое уменьшение прочности и эластичности наблюдается при дозах свыше
5-10 тыс. Мрад.
Но даже при r ≥ 50 тыс. Мрад
характеристики пленок остаются достаточно высокими. Такой же стойкостью к γизлучению
обладают и пленки Kapton.
Рис. 1.17. Зависимость tgδ
от
температуры на частоте 500 Гц для необлученной (1) и облученной γлучами
дозой 300 Мрад (2) пленки ПМ [111]
В работе [110] изучалось влияние различных видов
излучения (γ, β, протонное) на
диэлектрические свойства пленок ПМ. Установлено, что все виды излучения
одинаково влияют на диэлектрические свойства пленок. С увеличением D максимумы
потерь в области 213 и 383 К незначительно смещаются в область более высоких
температур (рис. 1.16). Несколько изменяется и величина tgδ
в
максимуме, а также ε пленок. В
области высоких температур, выше 548 К, величина tgδ
резко
возрастает (рис 1.17), причем у облученного материала этот подъем происходит
при более низких температурах. Вероятно, наблюдаемый рост значений tgδ
обусловлен
увеличением электропроводности полимера, на которую в сильной степени влияют
продукты радиолиза, накапливаемые в материале при облучении.
Высокая радиационная устойчивость ароматических
полиимидов может быть связана с рядом причин [14].
. Облучение полиимидов сопровождается
конкурирующими процессами - разрывом макроцепей и межмолекулярной сшивкой.
Поэтому снижение прочности за счет деструкции в значительной степени
компенсируется ее увеличением за счет структурирования.
. Вторая причина высокой радиационной
устойчивости ароматических полиимидов заключается в способности их макромолекул
рассеивать большие дозы поглощенной энергии. Это, по мнению авторов [14],
связано, во-первых, со значительной насыщенностью цепей ароматическими
фрагментами, которые могут рассеивать большую избыточную энергию, сохраняя свою
структуру, а во-вторых, с наличием системы сопряжения в протяженных участках
полимерной цепи. При возникновении избыточной энергии на какой-либо связи
коллективная система π-электронов
способствует ее равномерному перераспределению между всеми элементами цепи,
уменьшая вероятность распада слабых в радиационном отношении гетероатомных
связей.
. Третья причина высокой радиационной стойкости
полиимидов - большие энергетические затраты на разрыв связей гетероцикла.
Снижение молекулярной массы полиимидов при облучении может происходить за счет
разрушения связей гетероцикла или одиночных связей основной цепи, например:
В последних случаях возникают достаточно
стабильные радикалы, которые вследствие своей малой подвижности в полимерной
матрице с большой степенью вероятности могут снова рекомбинировать, т. е.
распад макромолекулы в этом случае маловероятен.
Рис. 1.18. Относительные изменения прочности sр
/(sр)0
(1, 1') и эластичности eр /(eр)0 (2, 2')
полиимидных пленок в процессе ультрафиолетового облучения в сухой (1, 2) и
влажной (1' и 2') атмосфере [14]
Напротив, при распаде связей гетероцикла
образуются малостабильные карбонильные радикалы, диссоциирующие с выделением
СО, после чего восстановление гетероцикла становится невозможным. По оценкам
[110], затраты энергии, требующиеся на один акт разрыва и сшивания, для
макроцепей полиимида примерно в 4 раза больше, чем для полистирола. Возможно,
это связано с тем, что разрыв связи, включенной в гетероцикл, требует большей
энергии, чем разрыв аналогичной одиночной связи.
Эти же причины обеспечивают, по-видимому, и
высокую термическую стабильность ароматических полиимидов и других
полигетероариленов. Поэтому не случайно высокая термическая стабильность
сочетается у них с высокой радиационной стойкостью.
По стойкости к ультрафиолетовому облучению
полиимиды превосходят ПЭТФ, ПЭ, ПК. Однако длительное УФ-облучение вызывает
заметное изменение свойств полиимидов, особенно во влажной атмосфере. Изменение
sр
и eр
для полиимидных пленок в процессе УФ-облучения в сухой и влажной атмосфере
показано на рис. 1.18 [14].
Зависимость скорости изменения механических
свойств от времени хранения при различной влажности говорит о том, что при
УФ-облучении в полиимидах различной структуры наряду с фотолитической
деструкцией протекает деструкция за счет гидролиза. Изменения в ИК-спектрах
позволяют считать, что при фотолизе образуются карбоксильные и амидные группы,
а в условиях влажной среды - также и гидроксильные группы. В некоторых случаях
можно предполагать дальнейшую деструкцию с образованием свободной аминогруппы,
т. е. разрыв макроцепи.
Электрические свойства полиимидов при
УФ-облучении в сухой атмосфере меняются не столь резко, как механические. Так,
после 6000 ч облучения пленок толщиной 25 мкм практически не изменяются
значения ε и tgδ,
а Епр уменьшается в 1,5 раза [15].
Характерной особенностью полиимидов является их
высокая термостойкость. По данным динамической термогравиметрии в вакууме и в
атмосфере инертных газов ароматические полипиромеллитимиды стойки до 500°С,
выше этой температуры происходит значительное увеличение скорости уменьшения
массы полимеров примерно до 35% от исходной. Затем скорость уменьшения массы
стабилизируется, и полимерный остаток практически не теряет массы до 1000°С
Уменьшение массы полиимидной пленки марки ПМ после прогрева в инертной
атмосфере в течении 15 часов при 400, 450 и 500°С составляет 1.5, 3.0, и 7.0 %
соответственно [113].
При тепловом старении в полиимиде протекает
целый ряд различных химических и физических процессов - разрыв макромолекул, их
сшивание, переупаковка цепей, кристаллизация, доциклизация. Все это отражается
на механических свойствах полимера. На рис. 1.19 показаны диаграммы растяжения
пленок полипиромеллитимида ПМ на разных стадиях старения на воздухе при 723К
[14]. Точка, отвечающая моменту разрыва образца, смещается к началу координат
вдоль диаграммы растяжения исходного образца и несколько отклоняется от нее в
сторону более высоких напряжений, т.е. материал становится более жестким.
Рис. 1.19. Диаграммы растяжения при 293К пленок
ПМ до и после старения на воздухе при 723К (450 оС). Числа у кривых - время
старения, в мин.; а - пленка с добавкой 10 мол. % ТФФ; б - пленка без добавок
(кривые сдвинуты на ∆ε=10%) [14]
Каждый из этих эффектов отражает определенные процессы,
протекающие в полимере при тепловом старении. Первый из них можно связать с
увеличением локальной дефектности полимера, подобной надрезам. При небольших
надрезах деформационные свойства материала практически не меняются, форма
кривой σ=σ(ε)
сохраняется,
но разрыв происходит на более ранней стадии растяжения. В роли локальных
дефектов структуры могут выступать разрывы макромолекул, образующиеся в
результате термодеструкции. Второй эффект - повышение жесткости полимера -
можно связать с пространственным сшиванием макроцепей. Это подтверждается и
увеличением модуля упругости полимера при тепловом старении [14].
Подробное изучение термической деструкции
промышленной пленки Kapton-H было выполнено в работе [15]. Анализ веществ,
выделяющихся при распаде, показал содержание значительного количества
амидокислотных звеньев, не зациклизовавшихся в процессе имидизации. Их
присутствие обнаруживается по полосе поглощения 3400 см1, отвечающей валентным
колебаниям N-Hсвязи, и 1680 см1, относящейся к С-Освязи. Кроме амидокислотных
звеньев, в пленке могут присутствовать и следы воды. На это, в частности,
указывают полосы поглощения в области 3450 - 3650 см1.
Авторы [15] полагают, что распад
полиамидокислоты происходит как за счет теплового воздействия, так и гидролитически.
Гидролиз амидокислотных групп может происходить за счет воды, сорбированной
полимером и удерживаемой водородными связями.
Считая, что в полиимиде термически наименее
устойчивы связи имидного циклы, авторы [15] полагают, что деструкция
полиимидной части пленки Kapton-H осуществляется за счет распада этих циклов с
выделением окиси углерода и с образованием карбонизированного азотсодержащего
остатка:
Значительно интенсивнее, чем при чисто
термическом воздействии, полиимиды разлагаются при термоокислении. Так, энергия
активации потери прочности и эластичности при прогреве полиимидных пленок на
воздухе намного ниже, чем при термодеструкции (163 и 230 кДж/моль
соответственно). Основными продуктами деструкции ароматических полиимидов
являются СО и СО2.
В случае термооксилительной деструкции полиимида
отмечается появление в ИК-спектрах полосы поглощения 3450-3500 см1, которую
авторы относят к гидроксильным группам, и некоторое ослабление полосы 1244 см1
(простая ароматическая эфирная связь) по сравнению с поглощением на полосе 1380
см1 (имидная циклическая C-Nсвязь). Последнее указывает на уменьшение
концентрации дифенилэфирных связей
при
терморазложении на воздухе [15].
Рассмотрим теперь устойчивость полиимидов в
водных средах. Чистая вода в обычных условиях не оказывает действия на
полипиромеллитимидные пленки. Однако при кипячении в воде пленки постепенно
теряют свои высокие механические свойства. Кинетика и механизм изменения механических
свойств полиимидных пленок в воде при различных температурах детально изучены в
работе [14].
Экспериментальные данные, характеризующие
прочность и эластичность, проанализированы в [14] по уравнению реакции второго
порядка. Было найдено, что энергии активации Us и Ue
имеют близкие значения и равны соответственно 63 и 67 кДж/моль, что
соответствует энергии активации гидролиза полиамидов. Это дало основание
считать, что изменение прочностных свойств полиимидной пленки при водном
гидролизе обусловлено разрывом остаточных амидных связей. Прочностные свойства
полиимидной пленки, гидролизованной в дистиллированной воде, могут быть почти
полностью регенерированы высокотемпературной обработкой [15]. Повышение
гидролитической стабильности полиимида после длительной обработки горячей
дистиллированной водой и последующего прогрева, вероятно, обусловлено
увеличением завершенности циклизации и удалением из пленки низкомолекулярных
примесей. Можно ожидать, что регенерированная пленка будет иметь и более
высокую термическую стабильность.
Полипиромеллитимиды находятся в ряду полиимидов,
наименее устойчивых к водному гидролизу [14]. Предполагается, что гидролиз
полиимидов в нейтральной среде протекает через тетраэдрические соединения по
схеме:
Далее происходит разрыв амидной связи.
Лимитирующей стадией является первая - разрыв имидного цикла.
Влияние газовых разрядов на свойства полиимидных
пленок изучалось авторами [71, 74-76].
В работе [71] авторы пришли к выводу, что
воздействие плазмы НЧ тлеющего разряда на поверхность полиимидных плёнок марки
ПМ приводит к значительному уменьшению их угла смачивания θ
и
накоплению электрического заряда. Установлено, что на поверхности плёнки
образуется отрицательный заряд, связанный с инжекцией электронов из плазмы.
Обнаружена корреляция между величинами θ и
плотности поверхностного заряда σ, которая
характерна для полиимидов различного строения (ПМ, Upilex S, Upilex R).
Исследования воздействия на полиимиды тлеющего
разряда постоянного тока показали, что плёнки, расположенные на катоде
заряжаются положительно, а расположенные на аноде и в области катодного падения
- отрицательно [71]. Отрицательный заряд авторами связывается с инжекцией
электронов плазмы, а положительный - с действием положительных ионов. Методом
ИКспектроскопии МНПВО было подтверждено наличие в пленке четвертичных атомов
азота (полоса поглощения 3280см1), являющихся носителями положительного заряда.
Авторами [83] установлено, что и в случае обработки пленки в разряде
постоянного тока существует корреляция между θ и
|σ|.
При
этом зависимости θ = f(σ) при
обработке в НЧ разряде и разряде постоянного тока отличаются друг от друга. Для
полиимида, обработанного в НЧ разряде, θ достигает
определённых величин при значительно меньших значениях σ,
чем
при обработке в разряде постоянного тока. Авторы объясняют данный факт
одновременным присутствием в поверхностном слое образца, модифицированного в НЧ
разряде, зарядов обоих знаков.
Изменение углов смачивания и поверхностного
потенциала обработанных в тлеющем разряде пленок ПМ в процессе их хранения в
комнатных условиях авторы [74] связывают с процессами рекомбинации
положительных и отрицательных зарядов, накопившихся в пленках при их
модификации. Наряду с этим отмечается экранирование создавшегося в пленке
заряда полярными молекулами воды. Этими двумя факторами объясняется увеличение
краевого угла смачивания при хранении пленок в комнатных условиях.
В работе [75] продолжено сравнительное
исследование действия плазмы тлеющего НЧ-разряда на свойства и структуру
полиимидных пленок ПМ, Upilex S и Upilex R. Авторы отмечают, что наибольшие
изменения контактных углов смачивания, поверхностного потенциала и адсорбции
воды пленкой наблюдались для Upilex S. Методом ИК-спектроскопии МНПВО было
установлено, что для всех типов исследовавшихся полиимидных пленок процесс
плазмохимической модификации приводит к раскрытию имидных фрагментов в
поверхностном слое полиимида и образованию NH в полярных амидных группах (3400
см1) и OH в несвязанных карбоксильных группах (3500 см1).
В работе [76] обсуждался механизм активации
поверхности полиимидной пленки в двухслойной полиимиднофторопластовой структуре
в плазме барьерного разряда и влияние плазменной обработки на структуру и
свойства пленки ПМ. Было сделано предположение об электростатической природе
адгезии данных полимеров, и установлено, что исходная полиимидная пленка имеет
высокий отрицательный электрический заряд. Различные варианты односторонней
обработки переменным током существенно изменяли величину заряда, однако не
меняли его знак. Двухсторонняя обработка пленки барьерным разрядом переменного
тока практически не изменяла величины заряда. При этом четкой связи между
величиной заряда и стабильностью адгезионной прочности сварного соединения
установлено не было.
После обработки в плазме барьерного разряда
прочность адгезионного соединения, полученного путем сварки полиимида и
фторопласта, существенно повышается. Однако путем только плазменной обработки
добиться стабильно высоких значений адгезионной прочности не удавалось.
Прочность соединения колебалась случайным образом для одних и тех же образцов
от 50 до 500 г/см. В результате проведенных экспериментов было установлено, что
стабильность адгезионной прочности сварного соединения можно значительно
повысить путем механической очистки поверхности полиимида. Наилучший эффект был
получен при проведении механической очистки после плазменной обработки.
Сорбция воды в полиимидах может существенно
повлиять на их электрические и механические свойства. В работе [114] изучалась
сорбция воды полиимидной пленкой при ее выдержке в условиях с различным
содержанием водяных паров. Авторами [114] установлено, что максимальная степень
увлажнения полиимида при выдержке в среде с 98%ной влажностью составила 2,3%.
На основании этих данных был сделан вывод, что исследуемая полиимидная пленка
имеет довольно высокую гигроскопичность.
Рис. 1.20. Зависимости ε``(Т)
высушенной полиимидной пленки [44]
В работе [44] исследовано влияние влажности на
основные характеристики полиимида. При нагревании образца вода уходит из ячеек
полиимида. На рис. 1.20 представлена температурная зависимость мнимой части
комплексной диэлектрической проницаемости ε`` высушенной
в течение 2 дней полиимидной пленки на различных частотах. На рис. 1.21
представлена температурная зависимость ε`` для
пленок с различной степенью увлажнения. Видно, что при увлажнении возрастает
основной максимум, характерный для неувлажненной пленки, и появляется еще один
низкотемпературный пик, обусловленный присутствием воды.
Рис. 1.21. Зависимости ε``(Т),
соответствующие разной степени увлажнения полиимидной пленки [44]
После разделения пиков построена зависимость ε``
= f(T) для
низкотемпературного максимума (рис. 1.22). Из рис. 1.22 видно, что ε
полиимидных
пленок при комнатных температурах в результате абсорбции воды возрастает на
20%. Авторы выделяют два различных участка молекулы полиимида, к которым по их
мнению может прикрепляться молекула воды: один - кислород в эфирной связи и
другой - четыре карбонильные группы (рис. 1.23). При низких уровнях влажности
сорбция влаги к карбонильным группам более вероятна, чем сорбция к кислороду
[44]. Высокотемпературный пик зависимости ε``(T) наблюдается
даже при низких уровнях влажности, что позволяет связать его с водой,
абсорбированной на карбонильных группах. Низкотемпературный пик проявляется
только при высокой влажности, что, скорее всего, связывает его с водой,
абсорбированной на кислороде в эфирной цепи.
Рис. 1.22. Зависимости ε`(Т),
соответствующие низкотемпературному максимуму [44]
Релаксация электрического заряда в полиимидных
пленках в условиях повышенной влажности изучалась в [115]. Авторы рассматривали
изотермическую и термостимулированную релаксацию объемного заряда заряженных в
короне пленок. Согласно их результатам, изотермическая релаксация
электрического заряда в полиимиде существенно ускоряется в условиях 98%-ной
влажности, причем заряд полностью релаксирует в течение 120 минут.
Рис. 1.23. Пространственная структура полиимида
с указанием возможных мест присоединения молекулы воды [44]
Этот факт объясняется появлением дополнительных
носителей заряда из-за диссоциации молекул воды в электрическом поле электрета.
В то же время авторами [115] получено смещение спектров токов ТСД в область
более высоких температур при выдержке образцов в условиях повышенной влажности,
что выглядит противоречащим предыдущему результату.
Таким образом, вопрос о влиянии повышенной
влажности на релаксацию заряда в полиимидных материалах остается открытым.
.6 Электретное состояние в полимерных пленках
Всем диэлектрикам в той или иной степени присуще
электретное состояние. Релаксация заряда в диэлектриках с ярко выраженными
электретными свойствами при нормальных условиях может длиться несколько лет.
Такие электреты широко применяются в микрофонах, телефонах, дозиметрах,
приборах для записи звука и изображения.
В зависимости от способа воздействия в
диэлектрике могут образовываться поверхностный и объемный заряды плотностью σ
и
ρ
соответственно
и устанавливаться остаточная поляризация PS [116-126] Соотношение между σ,
ρ и
PS определяется структурой диэлектрика и способом создания в нем электретного
состояния. Знак эффективной плотности заряда σэфф
говорит о преобладании в электрете с гомо и гетерозаряда. Гомозаряд возникает
при внедрении в диэлектрик заряженных частиц и закреплении их на ловушках. Он
образуется при инжекции носителей из электродов или из газового разряда, а также
под действием пучков заряженных частиц. Образование гетерозаряда может быть
обусловлено дипольно-ориентационной и приэлектродной поляризацией.
Объяснение длительности существования электретов
является одной из основных проблем теории электретного состояния. Гипотезы о
природе электретного состояния различаются разной оценкой роли остаточной
поляризации, закрепленных на ловушках зарядов и собственной электропроводности
диэлектрика в процессе нейтрализации электретного состояния.
Согласно феноменологической теории А.Н. Губкина
[117] длительное существование электретов обусловлено медленным разрушением
остаточной поляризации Рs и изменением поверхностного гомозаряда σr
за
счет проводимости электрета γ в
соответствии с выражениями:
,
.
(1.8)
где τS - время
релаксации остаточной поляризации.
Тогда σэфф
определяется как:
,(1.9)
где β=τr/τs,
σ0=Ps0-σr0, τr - время релаксации
гомозаряда.
Длительное существование электретов и инверсию
знака заряда Губкин объяснял большим значением τs по
сравнению с τг. Однако из
множества экспериментальных данных следует, что роль Рs невелика и электретное
состояние обусловлено неравновесным распределением по объему захваченных
ловушками носителей.
В работах Н.П. Богородицкого и его учеников
высказывается предположение, что длительное существование электретов является
следствием медленного освобождения носителей зарядов из ловушек, в которых они
закрепляются в процессе изготовления электрета:
, (1.10)
где nt - степень заполнения ловушек, W - энергия
активации.
При этом рассматривалось наличие в электрете
облаков зарядов различных знаков и конфигураций.
Так, например инжекционная модель [119] описывает
диэлектрик, содержащий два облака зарядов разных знаков, при этом релаксация
заряда осуществляется исходя из предположения, что собственная проводимость
диэлектрика пренебрежимо мала, а носители, освобождаясь из ловушек, движутся с
эффективной подвижностью μ путем
многократного перезахвата. Во многих работах этого направления не принимается
во внимание влияние собственной проводимости диэлектрика на процесс
нейтрализации элекретного заряда.
Скорость релаксации заряда за счет собственной
проводимости определяется максвелловским временем релаксации τм=εε0/γ.
Если γ=const(x), то
плотность тока в цепи закороченного в процессе нейтрализации заряда диэлектрика
(U=0) равна нулю:
.
Для описания релаксации заряда за счет проводимости
диэлектрика была предложена модель электретного состояния, основанная на
предположении о неоднородности диэлектрика по величине проводимости γ=f(x)
[119]. В
простейшем случае она сводится к анализу трехслойного диэлектрика, состоящего
из двух внешних слоев толщиной h1/2 с удельной проводимостью γ1
и
диэлектрической проницаемостью ε1 и
внутреннего слоя толщиной h2 со значениями γ2 и
ε2
соответственно.
При изготовлении электрета на границе раздела слоев за счет поляризации
Максвелла-Вагнера накапливается заряд σ0. В
этом случае ток разрядки в закороченном диэлектрике равен:
, где
.
(1.11)
Направление тока разрядки электрета определяется
соотношениями проводимостей γ1 и
γ2
и диэлектрических проницаемостей ε1 и
ε2
наружного
и внутреннего слоев диэлектрика. Анализ экспериментальных данных по разрядке
пленочных полимерных электретов при различных контактных условиях, проведенный
на основе рассмотренной модели, свидетельствует о том, что удельная
проводимость поверхностных слоев выше, чем внутренних.
.7 Характеристики электретного состояния и
методы их измерения
Электретное состояние плоского свободного
электрета толщиной h и диэлектрической проницаемостью ε.
в
одномерном приближении характеризуется двумя параметрами: суммарным зарядом q
на единицу поверхности электрета и электретной разностью потенциалов Uэ между
поверхностями х = 0 и х = h электрета:
; (1.12)
. (1.13)
Экспериментальное измерение q и Uэ
осуществляется разными методами, основанными на принципе электростатической
индукции.
Рис. 1.25. Распределение потенциала и
напряженности электрического поля в момент компенсации при различном положении
вибрирующего электрода относительно поверхности электрета: а) х = 0; б) х = h
Одним из наиболее часто используемых является
метод компенсации с вибрирующим электродом, который позволяет определять два
значения компенсирующей разности потенциалов Uк: U0 и Uh, если вибрирующий
электрод расположен со стороны поверхностей х = 0 и х = h соответственно (рис.
1.25). Компенсирующая разность потенциалов регистрируется при равенстве нулю
переменного сигнала на сопротивлении, включенном последовательно в цепь.
Параметры q и Uэ связаны с величинами U0 и Uh следующими соотношениями:
,
,(1.14)
где δ - зазор
между неподвижным электродом и электретом. Если имеет место только остаточная
поляризация Рs = const и в электрете нет зарядов, то
,
,
.
(1.15)
Если остаточная поляризация Рs = 0, а в образце
имеется захваченный на ловушки объемный заряд ρ=f(х),
то параметры q и Uэ могут быть выражены в виде:
,
.
(1.16)
Кинетика релаксации заряда в полимерах
характеризуется временными зависимостями электретной разности потенциала
Uэ=f(t), суммарного заряда в расчете на единицу площади q(t) и тока разрядки
I(t).
Обычно величина Uэ уменьшается с течением
времени, а зависимость Uэ=f(t) описывается спадающей кривой. Стабильность
электретного состояния определяется природой диэлектрика, его электрическими
характеристиками (прежде всего величиной γ), способом
зарядки и условиями хранения. Чем меньше γ, тем
более высокой стабильностью обладают электреты. Так, стабильность пленочных
полимерных электретов увеличивается при переходе от ПЭ к ПЭТФ, а затем к ПК и
ПП (рис. 1.26) [118]. Существенным фактором, определяющим стабильность
пленочных полимерных электретов, является влажность окружающей среды. В
условиях повышенной влажности (95-98%) ρS полимерных
пленок возрастает и резко уменьшается время релаксации гомозаряда в пленках.
Скорость релаксации заряда на начальном участке
зависимости Uэ=f(t) увеличивается с увеличением начального значения электретной
разности потенциала, т.е. с увеличением напряженности электрического поля в
электрете. На скорость релаксации заряда влияют и условия контакта электрета с
электродами.
Рис. 1.26. Зависимость Uэ=f(t) электретов,
изготовленных из различных полимерных пленок [118]
Если электроды из мягкой свинцовой фольги плотно
прижаты к диэлектрику, то полная разрядка электретов с гомозарядом при
замыкании электродов накоротко завершается даже при комнатной температуре за
2-3 суток. При этом направление тока разрядки соответствует движению носителей
заряда в приэлектродных слоях. Если же между электретом и электродом поместить
изолирующую прокладку, то разрядка происходит за гораздо более длительное время
(сотни суток), а направление тока разрядки соответствует движению зарядов через
толщу образца.
При повышенной температуре в изотермических
условиях процесс релаксации заряда существенно ускоряется. При этом изучаются
временные зависимости Uэ(t), q(t) или I(t). В качестве ускоренного метода
изучения процессов релаксации заряда широко применяется метод термостимулированной
деполяризации (ТСД). В этом случае разрядка электрета производится в
неизотермических условиях при нагреве образца с постоянной скоростью β.
В
процессе нагрева закороченного образца с замкнутыми на измерительный прибор
электродами измеряется ток термостимулированной деполяризации IТСД, а при
разомкнутых электродах - термостимулированное напряжение UТСН, характеризующее
спадание Uэ в процессе нагрева [118].
Анализ зависимостей IТСД=f(T) и UТСН=f(T)
позволяет анализировать механизм релаксации заряда и оценивать стабильность
электретов.
Метод ТСД нашел широкое применение при
исследовании электрофизических явлений в полупроводниках и диэлектриках
[116-120, 125-135].
В спектрах токов ТСД можно наблюдать один или
несколько максимумов, положение которых обусловлено химической природой
полимера, способом зарядки и характером контакта электрета с электродом.
Природа максимумов токов ТСД может быть обусловлена различными релаксационными
процессами [116]. В спектре ТСД могут быть пики, связанные с освобождением и
дрейфом носителей, захваченных на ловушки в полимере. При этом по кривым токов
ТСД рассчитывают энергию ловушек или функцию распределения ловушек по энергии
[126]. Существенную роль в процессе релаксации заряда может играть собственная
проводимость диэлектрика [119].
Форма кривых IТСД=f(T) полимерных электретов
зависит от характера контакта с электродами [118]. При плотном контакте
носители преимущественно движутся через тонкие приэлектродные слои к
электродам. Максимум тока в этом случае наблюдается в области более низких
температур. При неплотном контакте направление тока изменяется, что
соответствует движению носителей через среднюю часть электрета, а максимум тока
смещается в сторону более высоких температур.
Способы обработки кривых токов ТСД зависят от
предположений о механизме релаксации зарядов [118, 120,125-135].
Приближенные аналитические выражения токов
термостимулированной деполяризации позволяют установить связь между параметрами
релаксационных процессов и положением, величиной, а также формой
соответствующего пика термостимулированного тока. Указанная связь лежит в
основе целого набора способов обработки экспериментальных данных
термоактивационной спектроскопии, которые обстоятельно рассмотрены в [126].
Теоретический анализ максимумов токов ТСД может
быть выполнен с учетом простых предположений [118]:
экспоненциальный спад электретной разности
потенциалов Uэ со временем
;(1.17)
экспоненциальная зависимость времени релаксации τ
от
температуры
;(1.18)
контакты обладают блокирующими свойствами -
отсутствует обмен носителями заряда между диэлектриком и электродами. В этом
случае сила тока I во внешней цепи определяется изменением индуцируемого на
обкладках площадью S заряда σ:
.(1.19)
В соответствии с выражением (1.19) существует
множество способов определения энергии активации W отдельного релаксационного
процесса по экспериментально полученным кривым ТСД [126]. Среди них:
метод наклона температурной зависимости времени
релаксации:
, (1.20)
где ω0==1/τ0 - частотный
фактор;
метод начального подъема [127]:
при Т ≈ Т0,
(1.21)
где Т0 - температура начала релаксации заряда;
метод варьирования скорости нагревания [128]:
, (1.22)
где Tm1 и Tm2 - температуры максимумов токов ТСД
при скоростях нагрева β1 и β2
соответственно;
метод парциальной полуширины пика [129]:
, (1.23)
где ΔT - полуширина
пика на кривой ТСД;
метод точек перегиба [130]:
(1.24)
где G1*, G2* - коэффициенты, величины которых
зависят от значения ω0и кинетики
релаксационного процесса;
метод варьирования степени начального заполнения
ловушек:
, (1.25)
где Tm1 и Tm2 - температуры максимумов токов
ТСД, соответствующие двум различным начальным заполнениям ловушек nt01 и nt02
соответственно. Эти методы являются приближенными, т.к. в них используются
только отдельные участки кривых ТСД.
Однако токи термостимулированной деполяризации
реальных объектов исследования могут быть обусловлены не одним, а целым набором
релаксационных процессов, в результате чего кривая представляет собой сложную
суперпозицию элементарных пиков [125]. Существуют методические приемы, которые
позволяют разделять спектр ТСД на отдельные максимумы, а затем использовать
описанные выше способы определения параметров релаксационных процессов.
Примерами таких методов являются частичная термоочистка (линейный нагрев) и
фракционный нагрев (нагрев в пилообразном режиме) Авторами работ [131-133]
предложена методика разложения экспериментальной кривой тока ТСД на
элементарные пики с использованием выражения:
, (1.26)
, (1.27)
где
.
Коэффициенты А, В, Ti и энергия активации W
подбираются так, чтобы расчетная кривая совпадала с экспериментальной. Однако,
уравнение (1.27) пригодно только для случаев, когда W ≥ 0,5 эВ.
Анализ спектров токов ТСД, содержащих набор
пиков, в ряде случаев требует применения более сложных расчетных методов. Одним
из таких методов является восстановление функции распределения заполненных
поверхностных ловушек по энергиям активации, используемое авторами [125, 134,
135]. Согласно этой методике термостимулированный ток может быть записан в
виде:
, (1.28)
где g(W,ω0) - функция
распределения ловушек по энергиям активации и частотным факторам, ξ(W,ω0)
- ядро
интегральных уравнений.
ξ(W,ω0) определяется
выражением:
, (1.29)
где β - скорость
линейного нагрева.
Восстановление функции g(W,ω0)
осуществляется
численными методами с использованием слаборегуляризующих алгоритмов Тихонова. В
общем случае (1.28) решается с привлечением модели квазинепрерывного двумерного
распределения по W и ω0 для каждого
релаксационного процесса. При этом необходимо задаваться величиной частотного
фактора ω0.
Критерием правильности выбора которого является совпадение максимумов функций
распределения, полученных для двух различных скоростей нагрева.
Применение данной методики позволяет определять
параметры электрически активных дефектов (ЭАД) как в монорелаксационном случае,
так и при сложном энергетическом распределении ЭАД [134].
Метод подгонки заключается в том, что
экспериментально измеренная зависимость тока ТСД сравнивается с теоретически
рассчитанной зависимостью.
Варьируя параметры, добиваются максимального
совпадения экспериментальной и расчетной зависимостей.
При хорошем совпадении можно говорить об адекватности
выбранной модели и корректности определения искомых параметров электрета.
Использование в методе подгонки формулы (1.19)
осложняется наличием двух неизвестных параметров: энергии активации W и
частотного фактора ω0. Исключить ω0
возможно
с помощью выражения:
, (1.30)
где τm - время
релаксации при температуре максимума Tm, которое при необходимости легко
рассчитывается из кривой ТСД.
Исходя их этого, выражение для тока ТСД при
плотном контакте электрета с электродами может быть записано как:
, (1.31)
При неплотном контакте необходимо учитывать
параметры прокладки, влияющие на величину индуцированного на электродах заряда.
В этом случае ток ТСД определяется по формуле:
, (1.32)
где εпр
и hпр - диэлектрическая проницаемость и толщина прокладки.
Подгонка осуществляется путем варьирования
одного параметра - W. Очевидно, что совпадение расчетного и измеренного тока
ТСД возможно только при условии, что известны точные значения e,
eпр,
h, hпр, b,
Тm и Uэ0. Однако в реальных условиях значения характеристик образцов и
прокладок могут несколько варьироваться от измерения к измерению и отличаться
от справочных значений.
Для того чтобы обойти указанные выше трудности
при расчете кривой тока ТСД, формулы (1.31) и (1.32) необходимо модифицировать.
Из эксперимента нам заведомо известна одна «реперная» точка - плотность тока в
максимуме Im. Подставив в (1.31) Т=Тm запишем выражение для максимального тока
при плотном контакте:
. (1.33)
По аналогии максимальный ток при неплотном
контакте:
. (1.34)
В результате получим в обоих случаях одинаковую
формулу для расчета тока ТСД:
, (1.35)
Варьируя в (1.35) величины Im, Tm и W можно
добиться совпадения измеренной и расчетной зависимостей тока ТСД при условии,
что мы имеем дело с кинетикой релаксации заряда 1го порядка.
При анализе сложного спектра токов ТСД кривая
представляется в виде суммы отдельных токов, каждый из которых соответствует
элементарному релаксационному процессу с кинетикой первого порядка:
, (1.36)
где Ii записывается в соответствии с (1.35).
Такой способ обработки сложных кривых токов ТСД
был использован в работах С.Н. Койкова.
Выводы по обзору литературы и постановка задач
Проведя анализ источников литературы можно
сделать вывод, что достаточно полно исследованы основные свойства полиимидных
пленок и их изменения при радиационном облучении, термоокислительной
деструкции, гидролизе и действии агрессивных сред. Хорошо изучены
закономерности электрического старения целого ряда полимерных материалов, таких
как полиэтилен, поликарбонат, полистирол, политетрафторэтилен и др. Вместе с
тем, информация о влиянии барьерного разряда на разрушение полиимидных пленок и
изменение их структуры и свойств довольно ограничена. Количественные данные,
имеющиеся в литературе об изменении электретных характеристик пленок полиимида,
подвергающихся действию барьерного разряда, практически отсутствуют. Так же
вопрос о влиянии обработки в разряде на механические свойства полимеров и в,
частности, полиимидных пленок, в настоящее время почти не изучен и не был в
достаточной степени отражен в литературе. Поэтому цель настоящей работы
состояла в уточнении механизма старения и изучении изменения структуры, механических
и электретных свойств полиимидных пленок при их обработке в барьерном разряде.
В соответствии с целью в работе были поставлены
следующие задачи:
Изучить закономерности изменения структуры
полиимидных пленок, происходящие под действием барьерного разряда.
Исследовать влияние обработки в барьерном
разряде на процессы накопления и релаксации гомозаряда в пленках ПМ.
Изучить влияние барьерного разряда на
прочностные, деформационные и адгезионные свойства полиимидных пленок.
Исследовать изменение кратковременной
электрической прочности пленок, подвергавшихся действию разряда.
ГЛАВА 2. МЕТОДИКА ИЗМЕРЕНИЙ
.1 Объект исследования и подготовка образцов
Объектом исследования являлась промышленная
полиимидная пленка российского производства (ОАО НЗСП) марки ПМА (ГОСТ -
61912185) толщиной 40 мкм.
Изучение релаксации объемного заряда в
изотермическом и термостимулированном режимах проводилось на образцах пленки
квадратной формы размером 40х40мм., которые зажимались в круглые металлические
кольца. Для достижения плотного контакта в ряде экспериментов использовались
электроды из свинцовооловянной фольги.
Образец для изучения диаграмм растяжения
представлен на рис. 2.1. Он состоит из двух частей: непосредственно пленки
размером 10х150мм и рамки из миллиметровой бумаги, в которую вклеивается пленка
с помощью клея ПВА. После закрепления образца в зажимах рамка разрезалась по
середине.
Рис. 2.1. Образец для изучения диаграмм
растяжения
В связи с необходимостью исследования свойств
анизотропии пленка для подготовки испытательных образцов вырезалась вдоль и
поперек полотна. Образцы для изучения деформационных свойств готовились по той
же методике. Однако конструкция зажимов у автоматического релаксометра
деформации отличается. Поэтому база образца уменьшалась до 50мм и
соответственно размер пленки становится 5х90мм (рис. 2.2).
Рис. 2.2. Образец для изучения деформационных
свойств
Для изучения адгезионных свойств полиимидной
пленки к эпоксикаучуковому клею ЭК2, используемому в качестве связующего в
композиционных материалах на основе пленок ПМ, использовались образцы,
состоящие из пленки размером 5х90мм и рамки из миллиметровой бумаги, в которую
она вклеивалась при помощи клея ПВА. Образцы пленок разрезались на две равные
части, после чего склеивались клеем ЭК2 на площади 5х5мм (рис. 2.3). Из-за
склейки база образца уменьшается до 40мм, соответственно размер пленки
составлял 5х80мм.
Рис. 2.3 Образец для изучения адгезионных
свойств
.2 Обработка пленок в барьерном разряде
Барьерный разряд - это разряд в газовой среде,
заполняющий промежуток между электродами, один или оба из которых покрыты
диэлектриком. Эти разряды находят широкое применение при производстве озона, в
CO2 лазерах, как источник ультрафиолетового излучения и для обработки
поверхностей полимеров [7, 136-144].
Обработка полиимидной пленки в барьерном разряде
производилась при переменном напряжении U = 15 кВ и частоте f = 50 Гц. Для
создания барьерных разрядов использовалась специальная ионизационная ячейка
(рис. 2.4), состоящая из двух стеклянных пластин (1) с воздушным зазором (2)
между ними, на которые были нанесены электроды (3). Величина зазора
фиксировалась с помощью стеклянных полосок (4). Пленка (5) помещалась на
стеклянную пластину. Толщина стекол составляла 1 мм, воздушного зазора -1 мм,
размер электрода - 60х50 мм. Обработка пленок производилась в течение
различного времени: 2.5, 5, 7.5, 10, 30, 60, 120 и 480 мин при нормальном атмосферном
давлении без принудительной вентиляции воздуха.
Рис. 2.4. Схематическое изображение
ионизационной ячейки
Напряжение на ячейку (10) подавалось с выходов
высоковольтной установки (рис. 2.5), расположенных внутри камеры, имеющей
специальное ограждение для защиты персонала, проводящего испытания.
Высоковольтная установка оборудована блокировкой, не допускающей подачи питания
в основную цепь при открытых дверях высоковольтной камеры, и световой
сигнализацией, оповещающей о том, что на электроды подано высокое напряжение.
Для ограничения тока в случае пробоя образца применяется защитное водное
сопротивление (8). Напряжение на электродах ячейки измеряется статическим
вольтметром (9). Высокое напряжение снимается с вторичной обмотки однофазного
повышающего трансформатора (7). Низковольтная цепь испытательной установки
получает питание от однофазной сети напряжением 220 вольт, подающееся на схему
через автоматический выключатель (1) и пакетный выключатель (2).
В низковольтной цепи установки находятся
устройства для плавного регулирования напряжения на образце, включения и
отключения питания высоковольтного трансформатора, максимальной токовой защиты,
а также схемы питания сигнальных ламп, катушки и контакты реле и магнитного пускателя,
кнопки управления. Для плавного изменения напряжения на образце вверх и вниз с
постоянной скоростью используется управляемый реактор (3), ползунок которого
перемещается реверсивным электродвигателем (4).
Рис. 2.5. Принципиальная электрическая схема
установки для обработки в барьерном разряде
Для управления скоростью изменения напряжения на
образце применяется автотрансформатор (6), коэффициент трансформации которого
изменяется вручную. Питание в низковольтную обмотку повышающего трансформатора
подается через контакты магнитного пускателя, катушка которого также подключена
к сети 220 вольт через блок контакты и кнопку «Стоп». В цепь питания
высоковольтного трансформатора последовательно включена катушка токового реле,
предназначенного для защиты установки. Контакты данного реле включены в цепь
питания катушки магнитного пускателя последовательно с блок контактами и
кнопкой «Стоп» и в нормальных условиях находятся в замкнутом состоянии. При
срабатывании реле контакты размыкаются и обесточивают катушку пускателя,
отключая повышающий трансформатор от сети.
Обычно барьерный разряд неоднороден и состоит из
множества микроразрядов, возникающих в промежутке между диэлектрическими барьерами,
как показано на рис. 2.6. Каждый микроразряд состоит из двух основных частей:
цилиндрического канала и пятна на диэлектрическом барьере. Причем каждое пятно
ограничено окружностью и соприкасается с соседним пятном.
Рис. 2.6. Картина распределения отдельных нитей
микроразрядов при барьерном разряде на воздухе [7]
Следует отметить, что пространственно-временная
структура барьерного разряда отражает механизм развития электрического пробоя в
разрядном промежутке. Определение геометрии канала представляет сложную и не до
конца решенную задачу вследствие статистического характера появления
микроразрядов. Согласно [138], при одних и тех же параметрах разрядной ячейки
могут наблюдаться как отдельные шнуры при более низких напряжениях, так и
шнуры, образующие упорядоченные структуры как показано на рис. 2.7, а при более
высоких значениях приложенного напряжения, и даже комплексные узоры полос (рис.
2.7, б).
Рис. 2.7. Фотографии пространственных структур в
барьерном разряде (вид сквозь электрод) [138]
Схема, использованная для измерения
характеристик частичных разрядов в ячейке, представлена на рис. 2.8. Она
состоит из:
Сх - ионизационная ячейка;
Сэ - соединительный конденсатор;
Сс - градуировочный конденсатор;
Г - градуировочный генератор;з - защитное
сопротивлениеи -измерительное сопротивление, с которого подавался сигнал на
осциллограф.
Рис. 2.8. Схема для измерения характеристик
частичных разрядов в ионизационной ячейке
Расчетная величина емкости ячейки составила Сх
=19 пФ, в связи с чем в качестве соединительного конденсатора был выбран
конденсатор емкостью Сэ=330 пФ, рассчитанный на напряжение 16 кВ. Величина
градуировочной емкости составляла Сс =7,5 пФ, защитного сопротивления Rз=560
кОм, а измерительного - Rи=150 Ом. В качестве градуировочного использовался
генератор Г5-54, с которого подавались градуировочные импульсы амплитудой
U0=22,5 В и длительностью 100 мкс. Измерения проводились с помощью осциллографа
Le Croy WaveJet 322 (разрешающая способность 2-3 нс, полоса пропускания 200
МГц, активное сопротивление 1МОм±1,5%, входная емкость не более 20 пФ). Высокая
разрешающая способность осциллографа по времени позволила визуально наблюдать совокупность
частичных разрядов в воздушном зазоре ионизационной ячейки. На рис 2.9 -2.11
представлены зависимости величины кажущегося заряда q от фазового угла φ,
наблюдавшиеся
при различных значениях подававшегося на ячейку напряжения U.
Рис. 2.9. Зависимость q=f(φ),
полученная
из осциллограмм частичных разрядов в воздушном зазоре ионизационной ячейки при
подаче на нее напряжения U=6,2 кВ
Величина градуировочного заряда q0 составляла:
=Cc·U0=7,5 пФ·22,5 В = 1,68·1010 Кл.
Рис. 2.10. Зависимость q=f(φ),
полученная
из осциллограмм частичных разрядов в воздушном зазоре ионизационной ячейки при
подаче на нее напряжения U=8,4 кВ
Рис. 2.11. Зависимость q=f(φ),
полученная
из осциллограмм частичных разрядов в воздушном зазоре ионизационной ячейки при
подаче на нее напряжения U=11,7 кВ
а)
б)
Рис. 2.12. Зависимость q=f(φ),
полученная
из осциллограмм частичных разрядов в воздушном зазоре ионизационной ячейки при
подаче на нее напряжения U=6,5 кВ. а - положительная полуволна; б -
отрицательная полуволна
а)
б)
Рис. 2.13. Зависимость q=f(φ),
полученная
из осциллограмм частичных разрядов в воздушном зазоре ионизационной ячейки при
подаче на нее напряжения U=12 кВ. а - положительная полуволна; б -
отрицательная полуволна
Средняя амплитуда градуировочного импульса,
определенная по осциллографу, равнялась Uср=139 мВ при длительности импульса τ=50
нс.
Величина масштабного коэффициента k составляла:
= q0/Uср = 1,68·1010 Кл/139 мВ = 1,21·109 Кл/В.
Осциллограммы частичных разрядов за полупериод
изучались при положительной и отрицательной полярностях напряжения U в
зависимости от его величины, которая составляла 6,5, 8,7, 10, 12 и 15 кВ
(примеры таких осциллограмм для U = 6,5 и 12 кВ представлены на рис 2.12 и 2.13
соответственно). По осциллограммам с учетом масштабного коэффициента k
определялись величины кажущегося заряда за полупериод q для каждого из
напряжений, по которым были рассчитаны значения среднего тока ЧР IЧР.
Результаты расчетов сведены в табл. 2.1.
Таблица 2.1. Значения q и IЧР для разных
напряжений на ионизационной ячейке
|
U,
кВ
|
q,
Кл
|
IЧР,
А
|
|
6,5
|
7,12·108
|
7,12·106
|
|
8,7
|
1,27·107
|
1,27·105
|
|
10
|
1,96·107
|
1,96·105
|
|
12
|
4,83·107
|
4,83·105
|
|
15
|
1,67·106
|
1,67·104
|
.3 Изучение кинетики сорбции влаги в пленках
Измерения массы образцов производились на
аналитических весах ВЛР200гМ 2го класса точности с ценой деления 0,1 мг. Весы
модели ВЛР200гМ являются равноплечными весами с именованной шкалой и
встроенными гирями на неполную нагрузку.
Измерения прироста массы образцов в процессе
проведения экспериментов проводились в соответствии с ГОСТ 6433.1-71 [145],
ГОСТ 12423-66 [146] и ГОСТ 10315-75 [147], которые распространяются на твердые
электроизоляционные материалы и устанавливают методы определения их
влагостойкости и водостойкости по влагопоглощению и водопоглощению.
В соответствии с ГОСТ 10315-75 перед испытаниями
образцы выдерживались при температуре 55±2ºС
и относительной влажности не более 20% в течение 5 часов, затем охлаждались до
температуры комнатной среды в эксикаторе над силикагелем, не оказывающим
влияния на полиимидную пленку. При нормализации и кондиционировании образцы
располагались так, чтобы не создавать препятствий для проникновения влаги по
всей поверхности пленки, образцы не соприкасались друг с другом и стенками
камеры.
При определении прироста массы воду удаляли с
поверхности образцов при помощи фильтровальной бумаги. Вычисление прироста
массы образцов Δm осуществляли
по формуле:
(2.1)
где m0 - масса нормализованного «сухого»
образца, m - масса увлажненного образца.
.4 Изучение химических и структурных изменений в
пленках ПМ
В качестве инструментального метода анализа
инфракрасная спектроскопия применяется, во-первых, для обнаружения определенных
функциональных групп в молекуле изучаемого соединения и, во-вторых, для
идентификации соединений путем сравнения их спектров со спектрами аутентичных
образцов [148-149].
Инфракрасные (ИК) спектры большинства
органических соединений строго индивидуальны, особенно в области 1350-750 см1,
которую иногда называют «областью отпечатков пальцев». Наличие изолированной
функциональной группы или сочетания нескольких функциональных групп в одной
молекуле обусловливает появление характерных полос поглощения, благодаря чему
их можно идентифицировать в спектре неизвестного соединения [148].
Метод многократно нарушенного полного
внутреннего отражения (МНПВО) наиболее эффективен при исследовании образцов,
подвергнутых действию разряда, поскольку продукты реакции образуются в тонком
поверхностном слое толщиной порядка мкм и долей мкм. Спектры нарушенного
полного внутреннего отражения наблюдают, когда исследуемый образец находится в
контакте с призмой из оптически менее плотного материала. Излучение проходит
через призму и ее границу с образцом под углом, превышающим критический, а
затем проникает в образец (на глубину до 1-2 мкм), где теряет часть своей
энергии и отражается (рис. 2.14). В качестве материала призм используют
прозрачные в различных областях спектра материалы: кварц, кремний, германий,
алмаз и др.
Рис. 2.14. Оптическая схема приставки МНПВО
Инфракрасные спектры МНПВО приповерхностных
слоев исходных и обработанных в барьерном разряде полиимидных пленок измерялись
в диапазоне частот 4000-650 см1 на ИК-Фурье-спектрометре Spectrum One
производства фирмы Perkin Elmer с приставкой МНПВО с алмазным кристаллом.
Разрешение прибора - 4 см1, отношение сигнал/шум - 24000:1, абсолютное
отклонение линии 100% пропускания - 0,5%.
Изучение кинетики изменения полос поглощения
3670 см1, 3640 см1 и 3560 см1, обусловленных накоплением воды в
полиимидных пленках, в процессе их увлажнения и последующего прогрева
производилось на двухлучевом инфракрасном спектрофотометре ИКС-29.
При анализе спектров рассчитывалась величина
оптической плотности D, определяемая как:
,(2.2)
где I0, I, - интенсивность света, падающего на
образец и прошедшего через него, соответственно, α(ν) -
показатель
поглощения, с - концентрация поглощающего вещества, l - толщина поглощающего
слоя вещества .
Как видно из (2.2), величина D прямо
пропорциональна концентрации активных центров поглощения, т.е. по ней можно
определять содержание в исследуемом материале тех или иных структурных групп
[143].
Расчет D проводился относительно величины
оптической плотности D0 фундаментальных полос 1020 см1 и 3100 см1, относящихся
к колебаниям ароматического кольца.
.5 Изучение электретных свойств полиимидных
пленок
Процессы релаксации заряда в исходных и
обработанных в разряде полиимидных пленках изучались в изотермическом и
термостимулированном режимах. При этом измерялась зависимость электретной
разности потенциалов Uэ с течением времени Uэ=f(t) и токи термостимулированной
деполяризации (ТСД). Зависимости Uэ=f(t) исследовались на образцах пленок,
хранившихся при нормальных условиях, и на предварительно увлажненных образцах.
Предварительное увлажнение плёнок осуществлялось при их выдержке в эксикаторе с
98%ой влажностью в течение 24 часов. При изучении зависимостей Uэ = f(t)
увлажненных пленок образцы на время измерений извлекались из эксикатора.
Длительность измерения Uэ не превышала 1 минуты.
Перед измерениями пленки заряжались в коронном
разряде в течение 60 секунд при отрицательной полярности коронирующего
электрода до значений электретной разности потенциалов Uэ = 300±50 В. В
результате зарядки исследуемых образцов в коронном разряде в них образовывался
отрицательный гомозаряд.
Зависимости Uэ = f(t) снимались при комнатной
температуре методом компенсации с вибрирующим электродом
Спектры токов ТСД измерялись при нагреве со
скоростью β = 1,5К/мин в режиме
разомкнутой цепи с использованием изолирующих прокладок из политетрафторэтилена
(ПТФЭ) толщиной 20 мкм, которые помещались между пленкой и электродами.
Температура образцов поддерживалась с точностью ±1ºС.
При измерениях верхний электрод плотно прижимался к образцу. Диаметр верхнего
электрода составлял 10 мм. Величина закраин на образцах составляла 8 мм, что
исключало влияние поверхностной проводимости и соответствовало ГОСТу по
измерению электропроводности полимерных пленок.
Рис. 2.15. Принципиальная схема установки для
зарядки под действием коронного разряда
Зарядка полиимидной пленки под действием
коронного разряда на воздухе проводилась в разрядной ячейке, схема которой
приведена на рис. 2.15. Ячейка включает в себя коронирующий электрод (1),
сетчатый электрод (2) и массивный шлифованный электрод (3), находящийся под
потенциалом земли. Образец полиимидной пленки (4) помещался при зарядке на
нижний электрод (3).
На иглу (1) подавался отрицательный потенциал -6
кВ относительно земли. Потенциал сетки устанавливался на уровне -300 В.
Измерение электретной разности потенциалов
производилось методом компенсации с вибрирующим электродом на установке,
блоксхема которой представлена на рис. 2.16.
Образец (8) помещается на массивный нижний
электрод (9). Верхний вибрирующий электрод (1) диаметром 10 мм закреплен на
стержне, помещенном в катушку (2), которая запитывается от генератора звуковой
частоты Г3-102 (3). Частота переменного синусоидального сигнала на генераторе
устанавливается в пределах 250300 Гц, что обеспечивает достаточно высокую
чувствительность измерений и защиту от сетевых помех. Изменение во времени
индуцированного в поле электрета заряда на вибрирующем электроде приводит к
появлению во внешней цепи переменного сигнала синусоидальной формы с частотой
вибрации электрода. Сигнал поступает на усилитель (4) с высоким выходным
сопротивлением, а затем регистрируется на экране осциллографа С1-76 (5).
Рис. 2.16. Принципиальная схема установки для
измерения компенсирующей разности потенциалов
Для компенсации электрического поля,
создаваемого электретом в зазоре электрет-вибрирующий электрод, используется
источник плавно регулируемого напряжения постоянного тока ТВ1 (6). Значения
компенсирующего напряжения Uк на выходе источника измеряются цифровым
вольтметром В7-22А (7). Полярность напряжения компенсации может изменяться с
помощью переключателя «П». В момент компенсации сигнал на экране осциллографа
равен нулю. Цифровой вольтметр включен в схему так, что знак компенсирующего
напряжения на индикаторе цифрового вольтметра соответствует знаку
поверхностного заряда электрета.
Измерение токов термостимулированной
деполяризации осуществлялось на установке, функциональная схема которой
представлена на рис. 2.17. Установка состоит из экранированной измерительной
камеры (7), усилителя У511 (2), самопишущего потенциометра ПДП4002 (3),
источника напряжения постоянного тока Б550 (4), терморегулятора (5) и
вольтметра Щ 1516 (6).
Рис. 2.17. Принципиальная схема установки для
измерения токов ТСД
Нагрев образца (9) осуществляется за счет
теплового контакта подогревателя с нижним электродом (10). Между подогревателем
и электродом помещается тонкая электроизолирующая прокладка из слюды (11).
Температура образца измерялась с помощью термопары хромель - копель (12), спай
которой помещен в корпус подогревателя, а свободные концы термопары
подсоединены ко входу «X» потенциометра.
Изменение температуры по линейному закону с
заданной скоростью β = dT/dt в
диапазоне 0,5-5°С/мин обеспечивается терморегулятором (5). Датчиком температуры
служит термопара хромель-копель (13), термоэ.д.с. которой почти линейно зависит
от температуры спая в интервале 20 - 250 °С. Спай термопары помещен в корпус
нагревателя и с помощью высокотемпературного клея электрически изолирован от
него.
.6 Изучение механических и адгезионных свойств
пленок полиимида
Прочность адгезионного соединения определяет основные
механические свойства полимерных композиционных материалов. При оценке
адгезионной прочности необходимо учитывать физические аспекты процессов
развития и роста трещин, распределения напряжений и их релаксации и разрушения,
наличие внутренних напряжений и пр. Вопрос о соотношении между адгезией
полимера к поверхности и адгезионной прочностью ─ один из основных в
теории адгезии полимеров к твердым поверхностям [103].
Методы измерения адгезии основаны на определении
приложенного внешнего усилия, под действием которого в адгезионном соединении
возникают нормальные и тангенциальные напряжения, приводящие к разрушению
соединения. Эти методы испытаний можно классифицировать по способу нарушения
адгезионной связи: неравномерный отрыв, равномерный отрыв и сдвиг. Разрушающие
методы могут быть статическими и динамическими. Однако следует иметь в виду,
что не существует методов, при использовании которых напряжения распределялись
бы действительно равномерно и представляли бы собой сдвиг или отрыв в чистом
виде. Поэтому такая классификация весьма условна.
Наиболее распространены методы неравномерного
отрыва (отслаивания, расслаивания). Они позволяют выявить колебания в величине
адгезии на отдельных участках испытуемого образца. Кроме того, эти методы дают
достаточно хорошую воспроизводимость результатов и отличаются простотой.
Предположение об одновременном нарушении связи между адгезивом и субстратом по
всей площади контакта (методы равномерного отрыва и сдвига) не всегда
правильно. По этой причине усилие отрыва или сдвига, отнесенное к площади
отрыва, можно рассматривать только как весьма приближенную характеристику
адгезии [104].
Методы неравномерного отрыва весьма
разнообразны. Общим признаком для них является нарушение связи между адгезивом
и субстратом, причем усилие прикладывается не к центру соединения, а к одному
его краю, поэтому связь нарушается постепенно. Разделение двух гибких
материалов называют расслаиванием, а отделение гибкого материала от жесткого -
отслаиванием [104].
Рис. 2.18. Схема испытаний клеевых соединений на
сдвиг растягивающей нагрузкой: а - шов односторонний внахлестку; б -
двусторонний внахлестку; в - односторонний внахлестку с накладкой; г -
двусторонний внахлестку с накладкой; д - скошенный шов [104]
Методом равномерного отрыва измеряют величину
усилия, необходимого для отделения адгезива от субстрата одновременно по всей
площади контакта. Усилие при этом прикладывается перпендикулярно плоскости
клеевого шва, а величина адгезии характеризуется силой, отнесенной к единице
площади контакта. Чаще всего для измерения адгезии таким методом пользуются
образцами грибкового типа, между торцовыми поверхностями которых находится
адгезив.
Касательные напряжения создают в клеевых
конструкциях различными путями, например растяжением соединенных внахлест
материалов. Этим методом измеряют адгезию металлов, древесины, пластмасс, а
также резины к резине и металлам. Различные схемы испытаний на сдвиг при
растяжении образцов показаны на рис. 2.18.
В работе разрушение адгезионного взаимодействия
изучали в режиме активного растяжения (по схеме на рис. 2.18, а), определяя
усилие Ра, при котором наблюдался отрыв двух склеенных частей друг от друга.
Используя полученные значения Ра и составив план распределения усилий при одноосном
нагружении образца, представляется возможность оценить сдвиговые (касательные)
напряжения, возникающие в месте склейки. На рис 2.19 показано распределение
усилий при исследовании адгезионного взаимодействия, где Ра - прилагаемое
нормальное усилие; Q - касательное усилие, в нашем случае, характеризующее
прочность адгезионного соединения; S - площадь склейки; τа
- касательное напряжение, возникающее в месте склейки.
Рис 2.19. Распределение усилий при исследовании адгезионной
прочности
Равновесие нормальных и касательных усилий
означает:
= Ра = τа·S.
(2.3)
Используя уравнение (2.3), проводились расчёты
значений τа, возникающих в
месте склейки исходных и обработанных образцов.
Изучение деформационнопрочностных и адгезионных
свойств полиимидной пленки (получение диаграмм растяжения) проводилось на
универсальной установке "Instron1122".
Блок-схема прибора представлена на рис. 2.20,
где А - собственно установка; Б - пульт управления, В - компьютер, Г - принтер.
Установка (А) состоит из станины (1), на которой смонтирован узел нагружения,
представляющий собой нижний (2) и верхний (3) захват с зажимами (4), в которые
устанавливается образец (5). Захват (2) неподвижный, захват (3) соединен с
датчиком нагрузки (6) и может перемещаться в продольном направлении. Зажатие и
разъем зажимов (4) производится пневматически, путем подачи воздуха по трубам
(7, 8). Для этого необходимо нажать ногой на педаль (9). На пульте (Б) задаются
параметры режима испытаний. Экспериментальные зависимости записываются пером на
миллиметровой бумаге (10). Пульт (б) соединен с компьютером (В). На экране
компьютера (11) в процессе испытаний можно наблюдать графическое изображение
процесса. Принтер (Г) печатает чистовые значения результатов испытания. Данный
прибор позволяет варьировать скорость нагружение от 0,05 до 1000 мм/мин,
диапазон нагрузок составляет от 0,05 до 5000Н.
Рис. 2.20. Схема универсальной установки
"Instron1122"
Нами был выбран следующий режим проведения
испытаний: максимальная нагрузка Р=100 Н; скорость нагружения Vт =50 мм/мин;
скорость движения бумаги Vб=100 мм/мин. Испытания проводились при Т=20°С и
относительной влажности воздуха φ≈50%.
Диаграммы растяжения фиксировались самописцем
прибора как зависимости Р=f(l) (Р - нагрузка, Н; l - удлинение образца, мм).
Для сравнения полученных данных кривые Р=f(l) перестраивались в зависимости σ=f(ε)
(σ -напряжение, МПа; ε - относительное
удлинение) по формуле:
(2.4)
где S - площадь поперечного сечения образца. Для
удобства анализа на графиках, иллюстрирующих результаты измерений, представлены
диаграммы растяжения не отдельных образцов (по N=10 в серии), а кривые,
построенные по средним арифметическим значениям σ и
ε
:
,(2.5)
.(2.6)
Изучение деформационных свойств полиимидной
пленки осуществлялось на автоматическом релаксометре деформаций (рис. 2.21).
Схема прибора представлена на рис. 2.22.
Установка смонтирована на стальном основании (1), образующем вместе с тремя
колоннами (2) и верхней плитой (3) жесткую станину прибора. Образец (4)
закрепляется в зажимах (5) и (6). Нижний зажим является неподвижным. Он жестко
связан с опорой (7), запрессованной в нижнюю часть рамки (8) трубчатого сечения.
Верхняя часть рамки крепится к диску (9), выполняющую функцию теплоизолирующего
экрана. Подвижный верхний зажим (6) соединен через тягу (10) и коромысло (11) с
укрепленной на шарикоподшипниках опорах стойки (12), которая закреплена на
верхней плите (3). Нагружение образца (4) осуществляется грузом (13), который
опускают при включении механизма нагружения на площадку (14), закрепленную на
тяге (15). Соотношение плеч коромысла составляет 1:5.
Рис. 2.21. Автоматический релаксометр деформаций
Жесткость тяги (10) на четыре порядка
превосходит жесткость исследуемых образцов. Для равновесия коромысла служит
груз (24), который может перемещаться по направляющим (25).Для регистрации
деформации образца служит сельсиндатчик (16), закрепленный в стойке (17) и
жестко соединенный с двуплечим рычагом (18).Один конец рычага связан с тягой
(10), на другом конце установлен контакт (19). При нагружении образца подвижный
зажим перемещается вверх, что вызывает поворот ротора сельсин датчика
посредством двуплечевого рычага. При этом на выходе роторной обмотки появляется
ЭДС, величина, которая пропорциональна углу поворота рычага и, следовательно,
деформации образца. Полученный сигнал преобразуется с помощью специальной
схемы, измеряется и записывается на ленте самописца. График, получаемый на
ленте самописца за период нагружения образца, имеет вид прямой линии, угол
наклона которой определяет скорость деформации образца.
Электронный микрометр (20) предназначен для
ручного измерения деформации и для расшифровки кривой, получаемой на самописце.
При деформации образца правое плечо двуплечевого рычага с контактом опускается,
и образовавшийся при этом зазор между микрометрическим винтом (21) и контактом
выбирается вращением лимба (22) до момента зажигания сигнальной электролампы
(23), т.е. до момента соприкосновения контакта с микрометрическим винтом. Для
проведения испытаний в диапазоне повышенных температур прибор снабжен
термокамерой 26, работающей от сети.
Рис. 2.22. Схема релаксометра деформаций
Продолжительность испытаний: в режиме ползучести
600 с, в режиме восстановления не менее 600 с.
При дискретном измерении деформации замеры
проводились при t = 15с, 30 с, 60 с, 120 с, 240 с, 480 с, 600с с момента приложения
или снятия нагрузки.
Величины задаваемых нагрузок составляли: 0,2 кг,
0,6 кг, 1 кг, 1,4 кг.
Деформация в момент измерения равна
(2.7)
где n - количество делений лимба
микрометрического винта или количество делений на диаграммной бумаге
самопишущего прибора; k - цена деления лимба или диаграммной бумаги, мм.
Относительная деформация в момент времени t
рассчитывается по формуле
(2.8)
где l0 - исходная длина образца.
Механическое напряжение, возникающее при
заданной нагрузке, определяется по формуле:
(2.9)
где Р - приложенная нагрузка, Н; b - ширина
образца, м; h - толщина образца, м.
.7 Изучение кратковременной электрической
прочности полиимидных
пленок
Определение кратковременной электрической
прочности Eпр исходных и обработанных в барьерном разряде полиимидных пленок
проводилось с использованием пробивной установки УПУ10.
Величина Eпр определялась при плавном подъеме
напряжения со скоростью ~0,3 кВ/с до момента пробоя образца. Для устранения
поверхностных разрядов, возникающих при испытании образцов на воздухе, а также
для выравнивания электрического поля на краю электрода электрическая прочность
пленок измерялась в трансформаторном масле. Пробой производился на выборке из
31 образца. Результаты измерений обрабатывались с помощью компьютерной
программы «Weibull 5++».
2.8 Методы теоретического анализа
экспериментальных данных
Для удобства сравнения зависимости Uэ=f(t)
представлялись в относительных единицах.
При описании процесса релаксации заряда
экспериментальные кривые Uэ=f(t) раскладывались на сумму экспонент с
соответствующими им временами релаксации τ по
формуле:
.
(2.10)
Для этого сначала исходные кривые
перестраивались в полулогарифмическом масштабе. При относительно больших
значениях t зависимость lnUэ = f(t) представляет собой почти прямую линию.
Проводя касательную по этому участку, соответствующую экспоненте
,
рассчитываем разность Uэ -Uэ1. Затем строим зависимость ln(Uэ - Uэ1)=f(t) и по
прямолинейному участку при больших значениях t выделяем следующую экспоненту
.
Эта операция повторяется до тех пор, пока зависимость
не
примет вид прямой линии, по которой определяются параметры последней из
экспонент. Пример такого разложения одной из экспериментальных зависимостей дан
на рис. 2.23.
Рис.2.23. Разложение экспериментальной
зависимости электретной разности потенциалов на сумму экспонент
Релаксация заряда у электретов, хранящихся в
свободном состоянии, может осуществляться только за счет движения носителей
через среднюю часть пленки толщиной h2=h-h1, т.е. через объем пленки. В этом
случае величину проводимости γ можно
рассчитать из зависимости Uэ(t) с помощью соотношения:
.(2.11)
Анализ токов ТСД электретов с гомозарядом,
изготовленных из полиимидных плёнок, может быть проведён на основе модели
трёхслойного двухкомпонентного диэлектрика с повышенной проводимостью
приповерхностных слоёв или модели Дебая.
Рис. 2.24. Схематическое изображение модели
трёхслойного диэлектрика при деполяризации с плотным контактом (а) и при
наличии прокладки (б)
Анализ кривых на основе модели трехслойного
диэлектрика (рис. 2.24) сводится к решению системы уравнений:
(2.12)
Выражение для тока ТСД, полученное на основе
решения этой системы уравнений, имеет вид:
,(2.13)
где σ(0) - начальная
плотность заряда на границе раздела слоёв.
Времена релаксации τ1
и
τ2
определяются
выражениями:
.(2.14)
При неплотном контакте электродов с
диэлектриком, то есть при наличии изолирующих прокладок,
τ1= τпр>τ2, и
тогда из (2.12) следует:
,(2.15)
где εпр,
hпр, γпр,
- толщина, диэлектрическая проницаемость и проводимость изолирующей прокладки, γпр<<γ2.
В этом случае исключаем из рассмотрения тонкий
приповерхностный слой плёнки толщиной h1.
С помощью выражения (2.15) по экспериментальным
кривым тока ТСД можно рассчитать температурные зависимости времён релаксации:
,(2.16)
где
,
а затем и температурную зависимость проводимости толщи полиимидной плёнки γ
(T):
.(2.17)
Анализ сложных спектров токов ТСД полиимидных
пленок проводился на основе модели Дебая. Тогда изменение электретной разности
потенциалов в изотермических условиях описывается уравнением:
(2.18)
Время релаксации в процессе деполяризации
экспоненциально зависит от температуры:
(2.19)
где W - энергия активации, k = 1,38×10-23
Дж/К - постоянная Больцмана.
С учетом экспоненциальной зависимости t
= f(T) уравнение (2.18) принимает вид:
(2.20)
С учетом (2.20) получим выражение для тока ТСД
при плотном контакте электрета с электродами:
(2.21)
где h и e - толщина и
диэлектрическая проницаемость образца, S - площадь электродов.
С учетом линейно изменяющейся температуры при
измерениях тока ТСД, переходим от интегрирования по времени к интегрированию по
температуре:
(2.22)
где b - скорость нагрева
образца.
Предэкспоненциальный множитель t0
в выражении (2.19) не является известной величиной, поэтому зависимость t=f(T)
можно заменить, используя tm - время релаксации при
температуре максимума, которое при необходимости легко рассчитывается из кривой
ТСД:
(2.23)
Подставляя (2.23) в (2.22) получаем выражение
для плотности тока ТСД:
(2.24)
Если определить tm из
экспериментальной кривой, то варьируя значения W по формуле (2.24) можно рассчитать
теоретическую зависимость тока ТСД.
Время релаксации в максимуме tm
можно определить из (2.24), воспользовавшись условием экстремума функции:
Для выполнения условия экстремума последняя
скобка в полученном выражении должна быть равна нулю. Отсюда, при Т=Тm:
(2.25)
После подстановки (2.25) в (2.24) получим
формулу для расчета плотности тока ТСД при плотном контакте электрета с
электродами:
(2.26)
В случае неплотного контакта с наличием
изолирующей прокладки между образцом и электродами необходимо учитывать
параметры прокладки, влияющие на величину индуцированного на электродах заряда.
Тогда:

. (2.27)
Подгонка осуществляется путем варьирования
одного параметра - энергии активации W. Очевидно, что совпадение расчетного и
экспериментально измеренного тока ТСД возможно только при условии, что известны
точные значения e, eпр, h, hпр, b,
Тm и Uэ0. Значения e и eпр обычно
берутся из справочников по электротехническим материалам и могут различаться
для одинаковых диэлектриков разных производителей. Кроме того, величина e
зависит от температуры. Трудно избежать погрешности и при определении h и hпр.
Полимерные пленки практически всегда неоднородны по толщине. Кроме того, в
процессе нагрева при измерении токов ТСД может изменяться эффективная толщина
образца.
Для того чтобы обойти указанные выше трудности
при расчете кривой тока ТСД, формулы (1.19) и (1.20) необходимо модифицировать.
Из эксперимента нам заведомо известна одна «реперная» точка - плотность тока в
максимуме Im. Подставив в (1.19) Т=Тm запишем выражение для максимального тока
при плотном контакте:
. (2.28)
По аналогии максимальный ток при неплотном
контакте:
. (2.29)
В результате получим в обоих случаях одинаковую
формулу для расчета тока ТСД:
, (2.30)
Варьируя в (2.30) значения Im, Tm и W, можно
добиться совпадения измеренной и расчетной зависимостей тока ТСД при условии,
что мы имеем дело с кинетикой релаксации заряда Iго порядка. Пример разложения
спектра токов ТСД на один элементарный пик представлен на рис. 2.25.
При анализе сложного спектра токов ТСД кривая
представляется в виде суммы отдельных токов, каждый из которых соответствует
элементарному релаксационному процессу с кинетикой первого порядка:
, (1.31)
где Iiтсд записывается в соответствии с (2.30).
Рис. 2.25. Спектры токов ТСД полиимидной пленки,
полученные экспериментально и в результате расчета методом подгонки на основе
модели Дебая
ГЛАВА 3. ЭКСПЕРИМЕНТАЛЬНЫЕ РЕЗУЛЬТАТЫ
.1 Химические и структурные изменения в
полиимидных пленках в
результате их обработки в барьерном разряде
Изменения поверхности и структурного состава
полиимидных пленок марки ПМА российского производства (ОАО НЗСП) при их
обработке в барьерном разряде изучалось на образцах толщиной 40 мкм квадратной
формы размером 40х40 мм. С этой целью они помещались в ионизационную ячейку, в
которой подвергались действию разрядов. Обработка пленок производилась при нормальном
атмосферном давлении в воздухе. Время обработки варьировалось от 1 до 8 часов.
В результате обработки в разряде поверхность
полиимидной пленки изменяется, на ней образуется рыхлый непрозрачный слой,
свидетельствующий о структурных изменениях поверхности. В процессе
взаимодействия газового разряда с полимером происходит деструкция (эрозия)
поверхности полимера и образование новых функциональных групп в
приповерхностном слое, что приводит к изменению рельефа образца. Информация об
изменении рельефа в процессе такого взаимодействия может оказаться полезной для
понимания механизма протекающих процессов.
Изменения поверхности полиимидных пленок после
их модификации в барьерном разряде наблюдались с помощью оптического микроскопа
Microcolor, обеспечивающего усиление в 80 раз. На поверхности исходной пленки
было обнаружено большое количество выступов, бугров, царапин различного размера
(рис. 3.1). Такая структура, возможно, связана с несовершенством технологии ее
получения. После обработки поверхность пленки становится рыхлой (рис. 3.2) и на
ней возникают отдельные более крупные дефекты - «кратеры». Эти данные хорошо
согласуются с результатами, полученными в работе [76]. Аналогичные результаты
были получены методом электронной микроскопии при увеличении в 2000 раз (рис.
3.3 - 3.4).
Рис. 3.1. Изображение поверхности исходной
полиимидной пленки
Рис. 3.2. Изображение поверхности обработанной в
барьерном разряде полиимидной пленки. Размеры выделенного дефекта: длина - 70
мкм, ширина - 24 мкм
Широко применяемым методом определения продуктов
взаимодействия полимеров с газовыми разрядами является инфракрасная
спектроскопия. Метод нарушенного полного внутреннего отражения (МНПВО), как
один из вариантов ИКспектроскопии, наиболее эффективен при исследовании
образцов, подвергнутых действию разряда, поскольку продукты реакции образуются
в тонком поверхностном слое толщиной порядка мкм и долей мкм.
Рис. 3.3. Фотография
поверхности исходного образца полиимидной пленки
Рис. 3.4. Фотография поверхности образца
полиимидной пленки после обработки в барьерном разряде в течение 30 мин
Для исследования и идентификации продуктов, образующихся
в полиимидных пленках при действии барьерного разряда, были изучены
инфракрасные спектры МНПВО исходных и обработанных в разряде образцов.
Известно, что состав и пространственное распределение продуктов, образующихся
на поверхности и в приповерхностном слое полимера при взаимодействии с газовым
разрядом, могут изменяться во времени после прекращения облучения. Этот эффект
называется процессом регенерации и зависит от структуры полимера, времени его
хранения, состава окружающей среды и температуры. Регенерация структурных
свойств выдержанных после модификации в барьерном разряде в течение 2 месяцев
при нормальных условиях полиимидных пленок изучалась методом МНПВО. Спектры
МНПВО для исходных, обработанных в барьерном разряде, а также для выдержанных после
обработки образцов полиимидной пленки приведены на рис. 3.5.
Величины оптической плотности D каждой из
рассматривавшихся полос пропускания рассчитывались по формуле:
,(3.1)
где I0, I, - интенсивность света, падающего на
образец и прошедшего через него, соответственно.
Расчет D всех полос проводился относительно
величины оптической плотности D0 фундаментальной полосы 1020 см1, относящейся к
колебаниям ароматического кольца и не изменяющейся в условиях экспериментов.
При идентификации полос поглощения использовалась справочная и периодическая
литература [148-155]. Относительные оптические плотности D' = D/D0 изученных
полос исходных, обработанных и регенерировавших в течение 2 месяцев после
обработки пленок приведены в табл. 3.1.
Установлено, что при обработке полиимидных
пленок в барьерном разряде происходит уменьшение величины D' полос 1720-1780 и
720-740 см1 (валентные и деформационные колебания С=О), а так же
полосы 1380 см1 (валентные колебания CN) и полос 1228 и 916 см1
(валентные и деформационные колебания СOC).
Рис. 3.5. Инфракрасные спектры МНПВО исходной
(1), обработанной в барьерном разряде (2) и выдержанной после обработки в
течение 2 месяцев (3) полиимидных пленок
Таблица 3.1. Относительные оптические плотности
D' полос поглощения исходных, обработанных и регенерировавших полиимидных
пленок
|
Полосы
поглощения
|
Значения
D' исследовавшихся пленок
|
|
Исходные
|
Обработанные
|
Регенерировавшие
|
|
720
см1
|
4,63
|
3,72
|
3,82
|
|
740
см1
|
0,36
|
0,
22
|
0,35
|
|
916
см1
|
0,71
|
0,39
|
0,69
|
|
1228
см1
|
3,69
|
0,70
|
2,81
|
|
1380
см1
|
3,57
|
2,69
|
2,94
|
|
1550
см1
|
0,33
|
0,37
|
0,32
|
|
1720
см1
|
4,37
|
3,45
|
3,83
|
|
1780
см1
|
0,86
|
0,74
|
0,82
|
|
3300
см1
|
0,04
|
0,15
|
0,07
|
|
3560
см1
|
0,06
|
0,09
|
0,15
|
|
3640
см1
|
0,07
|
0,10
|
0,17
|
|
3670
см1
|
0,06
|
0,09
|
0,16
|
При этом наблюдается усиление полос 3480 см1
(колебания ОН в СООН), широкой полосы 3300 см1 (наложение полос,
соответствующих валентным колебаниям NH2 в концевых группах и NH в амидных
CONH), полосы 1550 см1 (деформационные колебания NH в CONH). Существенно
возрастает и интенсивность группы полос 3670, 3640 и 3560 см1. Эти полосы
обусловлены содержанием свободной и связанной воды, а так же групп -ОН в
полимере. Эти изменения ИКспектров позволяют предполагать, что бомбардировка
поверхности заряженными частицами приводит, прежде всего, к разрыву связей CN в
имидных циклах и ароматических эфирных связей СОС. Взаимодействие
образовавшихся радикалов с диффундирующими из области газового разряда
молекулами воды обуславливает дальнейшее разрушение имидных циклов по
гидролитическому механизму:
Следствием этого процесса обычно являются
реакции декарбоксилирования, сопровождающиеся выделением СО2 и воды:
.
Амидные связи также претерпевают гидролитический
распад:
.
При этом могут протекать реакции дезаминирования
продуктов гидролиза с образованием аммиака:
Выдержка модифицированных в барьерном разряде
полиимидных пленок в нормальных условиях в течение 2 месяцев приводит к
изменению их ИКспектров МНПВО. При этом наблюдается усиление полос поглощения
1780-1720 и 740-720 см1, 1380см1, 1228 и 916 см1, сопровождающееся снижением
интенсивности полос 1550 и 3300 см1. Это свидетельствует о протекании в
исследовавшихся пленках процессов, приводящих к регенерации их структуры.
Однако повышенная способность пленок поглощать влагу из окружающей среды
сохраняется, о чем свидетельствует дальнейшее возрастание концентрации воды и
ОНгрупп в приповерхностном слое образцов (рост интенсивности полос 3670, 3640 и
3560 см1).
Для проверки этого результата была изучена
степень увлажнения Δm образцов
полиимидной пленки до и после обработки в барьерном разряде, которая
определялась по формуле:
(3.6)
где m0 - масса сухого образца, m - масса
увлажненного образца. Измерения массы образцов производились на лабораторных
весах ВЛР200гМ 2го класса точности, цена деления которых составляла 1 мг.
Установлено, что образцы обработанной в разряде
пленки содержат больше влаги, чем исходные. В связи с этим возник вопрос, не
изменилась ли после модификации в разряде способность пленки абсорбировать
влагу. Для проверки этого предположения предварительно прогретые образцы
исходной и обработанной в разряде пленки увлажнялись в эксикаторе при 98%ной
влажности, после чего измерялась величина Δm. Полученные
результаты сведены в таблицу 3.2.
Таблица 3.2. Степень увлажнения образцов до и
после их обработки в барьерном разряде
|
Партия
образцов
|
Δm,
%
|
|
Исходная
пленка (нормальные условия)
|
0,9±0,1
|
|
Обработанная
пленка (нормальные условия)
|
1,8±0,1
|
|
Исходная
пленка (98%ная влажность)
|
2,3±0,1
|
|
Обработанная
пленка (98%ная влажность)
|
2,8±0,1
|
Из табл. 3.2. видно, что величина Δm
обработанных
в разряде образцов на 20-25% выше, чем исходных. Установлено, что
модифицированная в барьерном разряде полиимидная пленка приобретает повышенную
способность накапливать влагу. Применение таких пленок в емкостных датчиках
влажности может повысить их чувствительность [156,157].
Исследованы изменения ИКспектров полиимидных
пленок при их увлажнении в эксикаторе при 98%ной влажности. Расчет D проводился
относительно величины оптической плотности D0 фундаментальной полосы 3100 см1,
относящейся к колебаниям ароматического кольца. Полученные величины D' исходных
и увлажненных в течение 5 суток образцов сведены в табл. 3.3. Из табл. 3.3
видно, что выдержка исходной пленки ПМ при 98%ной влажности приводит к усилению
всех рассматривавшихся полос поглощения (3670 см1, 3640 см1 и 3560 см1), что
подтверждает их соотнесение с присутствием влаги в полиимиде.
Таблица 3.3. Относительные оптические плотности
полос поглощения исходных, увлажненных и выдержанных полиимидных пленок
|
Партия
образцов
|
Значения
D' рассматривавшихся полос
|
|
3670
см1
|
3640
см1
|
3560
см1
|
|
Исходная
пленка
|
0,471
|
0,534
|
0,357
|
|
Увлажненная
пленка
|
0,795
|
0,904
|
0,491
|
Предварительно увлажненные пленки прогревались
до определенных температур, после чего измерялись их ИК-спектры. Значения D',
рассчитанные для образцов, выдерживавшихся при различных температурах,
приведены в табл. 3.4. Установлено, что величина D' полосы 3670 см1 снижается
при подъеме температуры от комнатной Т = 25ºС
до Т = 90ºС. При более
высоких температурах (Т > 90ºС)
данная полоса на спектрах не наблюдается. Интенсивность полосы 3640 см1
изменяется в диапазоне температур от Т = 25ºС
до Т = 110ºС. Полоса 3560 см1
постепенно ослабевает при изменении Т от 23 до 150ºС.
Наконец, при Т = 160ºС все
рассматривавшиеся полосы отсутствуют.
Исходя из того, что скорость изменения
интенсивности этих полос различна, можно полагать, что они связаны с отдельными
фракциями воды, по-разному взаимодействующими с матрицей полимера. Как
известно, если молекула воды связана водородной связью, то частота
соответствующей ей полосы поглощения на инфракрасном спектре снижается [148].
При этом, чем выше энергия связи, тем сильнее снижение частоты. Исходя из
этого, можно соотнести полосу 3670 см1 со слабо связанной (свободной) водой в
объеме полимера, полосу 3640см1 - со средне связанной водой, а полосу 3560 см1
- с сильно связанной водой.
Таблица 3.4. Относительные оптические плотности
D' полос поглощения предварительно увлажненных и выдержанных при различных
температурах пленок
|
Температура
|
Значения
D' рассматривавшихся полос
|
|
3670
см1
|
3640
см1
|
3560
см1
|
|
Т
= 23ºС
|
0,471
|
0,534
|
0,357
|
|
Т
= 30ºС
|
0,388
|
0,480
|
0,332
|
|
Т
= 40ºС
|
0,223
|
0,367
|
0,304
|
|
Т
= 50ºС
|
0,084
|
0,252
|
0,265
|
|
Т
= 60ºС
|
0,040
|
0,136
|
0,213
|
|
Т
= 70ºС
|
0,016
|
0,064
|
0,168
|
|
Т
= 80ºС
|
0,011
|
0,027
|
0,097
|
|
Т
= 90ºС
|
0,006
|
0,017
|
0,052
|
|
Т
= 100ºС
|
-
|
0,008
|
0,022
|
|
Т
= 110ºС
|
-
|
0,004
|
0,017
|
|
Т
= 120ºС
|
-
|
-
|
0,013
|
|
Т
= 130ºС
|
-
|
-
|
0,008
|
|
Т
= 140ºС
|
-
|
-
|
0,005
|
|
Т
= 150ºС
|
-
|
-
|
0,003
|
|
Т
= 160ºС
|
-
|
-
|
-
|
Выводы:
. Установлено, что после обработки в барьерном
разряде поверхность полиимидной пленки изменяется и на ней образуется рыхлый
непрозрачный слой. При этом рельеф образцов становится более однородным, однако
на нем наблюдается возникновение локальных дефектов - «кратеров».
. Изменения структуры пленок изучались методом
ИКспектроскопии. Показано, что под действием разряда уменьшается интенсивность
полос поглощения на ИКспектрах МНПВО пленок ПМ, связанных с имидными циклами и
ароматическими эфирными связями в молекулах полиимида. При этом усиливаются
полосы, обусловленные ростом концентрации групп COOH, NH и NH2, а также воды,
что позволяет предполагать разрушение имидных циклов по гидролитическому
механизму. Установлено, что выдержка при нормальных условиях в течение 2
месяцев приводит к частичной регенерации структуры модифицированных в барьерном
разряде полиимидных пленок.
. Изучены процессы сорбции влаги в исходных и
прогретых после обработки в барьерном разряде полиимидных пленках. Установлено,
что в результате модификации поверхности полиимидной пленки в барьерном разряде
происходит не только проникновение влаги в полимер, но и изменение способности
пленки накапливать воду. При этом гигроскопичность пленок повышается на 20 -
25%.
. Проведено систематическое изучение изменений
полос поглощения 3670 см1, 3640 см1 и 3560 см1, обусловленных накоплением воды
в полиимидных пленках. Впервые изучена кинетика изменения интенсивности этих
полос в процессе нагрева пленки. Установлено, что полоса поглощения 3670 см1 на
инфракрасных спектрах полиимидных пленок обусловлена наличием слабо связанной,
полоса 3640 см1 - средне связанной, а полоса 3560 см1 - сильно связанной воды в
объеме полимера.
.2 Процессы накопления и релаксации заряда в
обработанных в
барьерном разряде полиимидных пленках
Электретный эффект в обработанных в барьерном
разряде полиимидных пленках практически не изучен. Образцы пленки марки ПМА
российского производства (ОАО НЗСП) толщиной 40 мкм квадратной формы размером
40х40 мм помещались в ионизационную ячейку, где подвергались действию
барьерного разряда в течение различного времени tобр = 2.5, 5, 7.5, 10, 30, 60
и 120 минут. Обработка пленок производилась при нормальном атмосферном давлении
без принудительной вентиляции воздуха.
Релаксация заряда в модифицированных в разряде
образцах, закреплявшихся в металлических кольцах диаметром 40 мм, изучалась как
в изотермическом, так и в термостимулированном режиме. Для создания
электретного состояния перед измерениями образцы заряжались под действием
коронного разряда на воздухе до значений Uэ0=300±50В, при этом на коронирующий
электрод подавался отрицательный потенциал 6 кВ относительно земли, а потенциал
сетки устанавливался на уровне 300В.
Релаксация заряда в пленках в изотермическом
режиме изучалась посредством измерения зависимостей Uэ=f(t) при хранении
образцов при нормальных условиях и в эксикаторе при 98ной влажности. Величина
Uэ определялась методом компенсации с вибрирующим электродом. Точность
измерения составляла ±5В.
Зависимости Uэ = f(t) исходных и обработанных в
барьерном разряде в течение различного времени пленок представлены на рис. 3.6.
Установлено, что действие разряда на пленку приводит к существенному увеличению
скорости спадания Uэ. Так по истечении 5000 минут Uэ пленок, модифицированных в
разряде, уменьшается до 0,2Uэ0 - 0,3Uэ0, в то время как у исходной пленки оно
составляет 0,6 Uэ0.
По мере возрастания tобр скорость релаксации
заряда так же увеличивается. Максимальная скорость релаксации наблюдается при
tобр= 10 мин.
Рис. 3.6. Зависимости Uэ=f(t) обработанных в
барьерном разряде в течение различного времени полиимидных пленок. 1 - исходная
пленка; 2 - tобр = 2.5 мин; 3 - tобр = 5 мин; 4 - tобр = 7.5 мин; 5 - tобр = 10
- 120 мин
Зависимости Uэ = f(t) описываются спадающими от
времени кривыми, которые могут быть представлены суммой экспонент:
.
(3.2)
Для количественной оценки стабильности
электретного состояния при хранении образцов в нормальных условиях зависимости
Uэ=f(t) раскладывались на сумму экспонент с соответствующими им временами
релаксации τi. Разложение
экспериментальных кривых на сумму экспонент проводилось по методике, описанной
в § 2.5. Результат разложения приведен на рис. 3.7 на примере исходной пленки
ПМ.
Кривые Uэ = f(t) каждой партии образцов в
пределах точности измерений описываются суммой трех экспонент с
соответствующими им временами релаксации τ1, τ2 и
τ3.
Найденные
значения τi приведены в табл.
3.5.
Таблица 3.5. Влияние времени обработки в разряде
на время релаксации заряда полиимидных пленок
|
Полиимидная
пленка
|
τ1,
мин
|
τ2,
мин
|
τ3,
мин
|
|
Исходная
|
19
|
287
|
18600
|
|
Обработанная
(tобр = 2.5 мин)
|
24
|
274
|
5850
|
|
Обработанная
(tобр = 5 мин)
|
15
|
261
|
5500
|
|
Обработанная
(tобр = 7.5 мин)
|
23
|
254
|
5250
|
|
Обработанная
(tобр=10-100 мин)
|
17
|
247
|
4300
|
Из таблицы 3.5 видно, что времена релаксации τ1
и
τ2
исходных
и обработанных в барьерном разряде образцов соизмеримы, в то время как значения
τ3,
соответствующие
длительным временам хранения, различаются в 3 раза. Ранее было установлено, что
обработка в барьерном разряде вызывает деструкцию полиимидной пленки с
разрушением имидных циклов и образованием воды и других низкомолекулярных
продуктов в приповерхностном слое полимера. Можно предполагать, что
проникновение этих продуктов в объем пленки приводит к увеличению ее
проводимости и снижению времен релаксации τ3 за
счет внедрения в нее новых носителей заряда [158-161].
Согласно данным работ [118-119], релаксация
заряда в пленочных полимерных электретах с гомозарядом может быть обусловлена
собственной проводимостью диэлектрика. В этом случае изменение заряда во
времени может быть описано выражением
(3.3)
где σ - поверхностная
плотность заряда, γ - удельная
проводимость диэлектрика, E - поле свободного электрета.
,
,
(3.4)
где εε0 - абсолютная
диэлектрическая проницаемость, а h - толщина пленки.
С учетом (3.3) и (3.4) можно рассчитать
зависимость удельной проводимости от времени с помощью выражения:
.
(3.5)
Зависимости lgγ = f(t), рассчитанные
по формуле (3.5) для всех партий образцов, представлены на рис. 3.8.
Из данных, приведенных на рис. 3.8, видно, что с
течением времени γ пленок
уменьшается.
При длительном хранении γ
исходных
образцов на 0,5 порядка ниже, чем образцов, обработанных в разряде.
По мере увеличения tобр величина γ
модифицированных
пленок незначительно возрастает, достигая своего максимального значения при tобр
= 10 мин.
Для изучения влияния влаги на релаксацию
объемного заряда в полиимидных пленках в изотермическом режиме были изучены
зависимости Uэ = f(t) исходных и обработанных в барьерном разряде в течение 60
минут пленок ПМ при хранении их в условиях 98%ной влажности, которые сопос
тавлены с неувлажненными образцами на рис. 3.9.
Рис. 3.7. Разложение зависимости Uэ=f(t)
исходной полиимидной пленки на сумму экспонент
Установлено, что хранение при 98%ной влажности
исходных и обработанных в разряде пленок приводит к существенному увеличению
скорости спадания Uэ. Так по истечении 1500 минут Uэ исходных пленок
уменьшается до 0,02 Uэ0, в то время как у исходной пленки оно составляет 0,71
Uэ0. Релаксация объемного заряда в модифицированных в разряде полиимидных
пленках при 98%ной влажности происходит еще быстрее: уже через 35 минут Uэ
увлажненной после обработки пленки составляет 0,017 Uэ0.
Для количественной оценки стабильности
электретного состояния при хранении образцов в условиях 98%ной влажности
зависимости Uэ = f(t) раскладывались на сумму экспонент с соответствующими им
временами релаксации τi.
Для всех партий образцов кривые Uэ = f(t) в
пределах точности измерений описываются суммой трех экспонент с
соответствующими им временами релаксации τ1, τ2 и
τ3.
Найденные
таким образов значения τi приведены в
табл. 3.6.
Таблица 3.6. Влияние влажности окружающей среды
на время релаксации заряда полиимидных пленок
|
Полиимидная
пленка
|
τ1,
мин
|
τ2,
мин
|
τ3,
мин
|
|
Исходная
(нормальные условия)
|
19
|
290
|
18600
|
|
Обработанная
(нормальные условия)
|
17
|
245
|
4300
|
|
Исходная
(98%ная влажность)
|
15
|
150
|
600
|
|
Обработанная
(98%ная влажность)
|
2
|
33
|
160
|
Из таблицы 3.6 видно, что хранение в условиях
98%ной влажности приводит к снижению τ1, τ2 и
τ3
как
исходных, так и обработанных в барьерном разряде образцов. При этом если
величины τ1 и τ2
исходной
пленки снижаются в 1,3 - 1,7 раза, а τ3 в
31 раз, то у обработанной пленки τ1 уменьшается
в 10 раз, τ2 в 5 раз и τ3
- 27 раз.
Рис. 3.8. Зависимости lgγ
= f(t) образцов
исходных и обработанных в разряде пленок. 1 - исходная пленка; 2 - tобр = 2.5
мин; 3 - tобр = 5 мин; 4 - tобр = 7.5 мин; 5 - tобр = 10 - 120 мин
пленка полиимидный разряд барьерный
прочность
Рис. 3.9. Зависимости Uэ=f(t) образцов исходных
(1,3) и обработанных в разряде (2,4) пленок при хранении их в нормальных
условиях (1,2) и при 98%ной влажности 3,4)
Рис. 3.10. Зависимости lgγ=f(t)
исходных
(1,3) и обработанных в разряде (2,4) пленок при хранении их в нормальных
условиях (1,2) и при 98%-ной влажности (3,4)
Зависимости lgγ=f(t), рассчитанные
по формуле (3.5) для всех партий образцов, представлены на рис. 3.10. Из
данных, приведенных на рис. 3.10, видно, что с течением времени проводимость
пленок уменьшается. При длительном хранении величина γ
образцов,
хранившихся при 98%-ной влажности, на 1,5 порядка ниже, чем образцов,
хранившихся на воздухе.
Таким образом, хранение полиимидных пленок в условиях
98%-ной влажности приводит к существенному увеличению скорости релаксации
заряда, обусловленному ростом проводимости пленок за счет проникновения в них
влаги. Этот эффект сильнее проявляется в обработанных пленках, что очевидно
связано с повышением их способности накапливать воду в результате действия
барьерного разряда.
Релаксация заряда в термостимулированном режиме
изучалась токов термостимулированной деполяризации. Кривые ТСД измерялись в
режиме разомкнутой цепи с использованием прокладок из пленок ПТФЭ толщиной 20
мкм при нагреве образцов с постоянной скоростью β = 1,5 К/мин.
Были изучены спектры токов ТСД исходных образцов
пленок, предварительно прогретых при температуре T = 160ºC
в
течение 1 часа, и образцов, подвергнутых обработке в барьерном разряде в
течение различного времени tобр = 5, 30, 60 и 120 минут. При многократных
измерениях имела место хорошая воспроизводимость кривых ТСД.
Спектры токов ТСД для исходной и
обрабатывавшейся в барьерном разряде в течение 2 часов пленок, приведены на рис.
3.11. Кривая тока ТСД исходной пленки имеет один максимум при температуре Т=160ºС.
Обработка полиимида в барьерном разряде приводит к значительному изменению
спектров токов ТСД. Область релаксации заряда смещается в сторону более низких
температур, на спектре появляется дополнительное низкотемпературное «плечо» и
острый пик при Т=115ºС, что
свидетельствует об изменении механизма накопления и релаксации заряда
[162-163].
Величина tобр варьировалось от 5 до 120 минут.
Влияние времени обработки в разряде на спектры токов ТСД пленок показано на
рис. 3.12. При увеличении tобр от 5 до 30 минут область релаксации заряда
смещается к более низким температурам, при этом явно проявляется
низкотемпературное «плечо» и становится более острым высокотемпературный пик. Последующее
изменение tобр (от 30 до 60 минут) не вызывает дальнейшего смещения спектров
ТСД, но приводит к расширению «плеча». Кривые токов ТСД пленок, обработанных в
разряде в течение 60 и 120 минут, практически идентичны как по положению
максимумов, так и по их ширине.
Рис. 3.11. Спектры токов ТСД исходной (1) и
обработанной в барьерном разряде (2) пленок
Усложнение спектров токов ТСД обработанных в
барьерном разряде пленок свидетельствует о появлении в полимере новых
механизмов релаксации заряда. Они могут быть обусловлены изменением
проводимости полимерной пленки при внедрении в нее различных низкомолекулярных
веществ и в первую очередь - воды [164-166].
С целью идентификации релаксационных процессов,
связанных с проникновением влаги в полиимидную пленку в ходе ее модификации в
барьерном разряде были изучены спектры токов ТСД образцов, увлажненных в
эксикаторе при 98%ной влажности. Кривые ТСД увлажненных и обработанных в
разряде в течение 60 минут пленок приведены на рис. 3.13.
На спектрах токов ТСД увлажненных пленок так же
присутствует низкотемпературное плечо, а высокотемпературный пик достаточно
широкий и наблюдается при температуре Т=156ºС,
близкой к температуре максимума токов ТСД исходной пленки.
Можно предположить, что появление на спектрах
увлажненных пленок низкотемпературного плеча и расширение высокотемпературного
пика по сравнению с пиком исходной пленки связано с проникновением воды в
структуру полимера. Для проверки этого предположения был проведен следующий
контрольный эксперимент: в образце перед его увлажнением были созданы
несквозные дефекты путем накалывания пленки тонкой иглой. Наличие этих
искусственных пор должно было обусловить проникновение большего количества
влаги в материал. Спектры токов ТСД такого перфорированного увлажненного
образца и обычной увлажненной пленки приведены на рис. 3.14.
Рис. 3.12. Влияние времени обработки частичными
разрядами на спектры токов ТСД полиимидных пленок. 1 - tобр = 5 мин; 2 - tобр =
30 мин; 4 - tобр = 60 мин; 5 - tобр = 120 мин
Рис. 3.13. Спектры токов ТСД обработанной в
разряде (1) и увлажненной (2) полиимидных пленок
Рис. 3.14. Спектры токов ТСД исходной (1) и
перфорированной (2) пленок после их увлажнения в среде с 98%ной влажностью
Установлено, что при перфорировании образца и,
следовательно, повышении содержания воды в его объеме низкотемпературное плечо
усиливается, перерождаясь в дополнительный низкотемпературный максимум, который
можно однозначно связать с наличием влаги в структуре материала.
Для обработки спектров ТСД использовался метод
подгонки, т.е. экспериментально измеренные зависимости термостимулированных
токов сравнивались с теоретически рассчитанными. Сложные спектры представлялись
суммой элементарных пиков, соответствующих отдельным релаксационным процессам.
Используя известные параметры и варьируя неизвестные, добивались максимального
совпадения расчетных зависимостей с экспериментальными.
При анализе каждого элементарного пика токов
использовалось следующее выражение для тока ТСД:
. (3.7)
Расчёт спектров ТСД проводился в программе
MathCad. При подгноке расчетных кривых по формуле (3.7) варьировались энергии
активации W, значения токов в максимумах Iм и температур Тм с целью
последовательного приближения к экспериментальным зависимостям. Объективность
разложения обеспечивалась использованием при подгонке метода наименьших
квадратов. Примеры спектров токов ТСД, рассчитанных путем такого подбора
параметров, сопоставлены с экспериментально измеренными на рис. 3.15 - 3.18. Из
рисунков видно, что экспериментальные кривые отличаются от расчетных только в
областях малых значений токов, т.е. при температурах начала и завершения
релаксации заряда.
Кривая токов термостимулированной деполяризации
исходной пленки полиимида содержит один элементарный пик, т.е. релаксация
заряда в исходной пленке представляет собой монорелаксационный процесс.
Значения W, рассчитанные методом подгонки и на основе модели трехслойного
диэлектрика, совпадают. При анализе токов ТСД увлажненных и обработанных в
барьерном разряде пленок расчет существенно затрудняется. Достаточно хорошее
совпадение рассчитанных и экспериментальных кривых было получено для случая,
когда каждый спектр ТСД представлялся четырьмя элементарными пиками.
Рис. 3.15. Спектры токов ТСД исходной пленки,
полученные экспериментально и в результате расчета методом подгонки
Рис. 3.16. Спектры токов ТСД обработанной в
барьерном разряде в течение 60 минут пленки, полученные экспериментально и в
результате расчета методом подгонки
Рис. 3.17. Спектры токов ТСД обработанной в
барьерном разряде в течение 120 минут пленки, полученные экспериментально и в
результате расчета методом подгонки
Рис. 3.18. Спектры токов ТСД увлажненной после
перфорирования пленки, полученные экспериментально и в результате расчета
методом подгонки
Рис. 3.19. Зависимость lgγ=f(1/T)
образцов
исходной полиимидной пленки
Рис. 3.20. Спектры токов ТСД исходной (1),
обработанной в разряде (2) и выдержанной в течение 2 месяцев после ее обработки
в разряде (3) полиимидных пленок
Полученные в результате расчета значения W в
порядке увеличения Tм приведены в табл. 3.7. Погрешность определения величины W
составила ±0,1 эВ.
Таблица 3.7. Значения энергий активации для
разных партий образцов
|
Полиимидная
пленка
|
1
пик
|
2
пик
|
3
пик
|
4
пик
|
|
Tм1,
ºС
|
W1,
эВ
|
Tм2,
ºС
|
W2,
эВ
|
Tм3,
ºС
|
W3,
эВ
|
Tм4,
ºС
|
W4,
эВ
|
|
Исходная
|
-
|
-
|
-
|
-
|
-
|
-
|
161
|
1,2
|
|
Увлажненная
|
70
|
0,6
|
92
|
0,7
|
123
|
0,8
|
150
|
0,9
|
|
Перфорированная
|
60
|
0,6
|
82
|
0,7
|
118
|
0,8
|
153
|
0,9
|
|
Обработанная
tобр = 5 мин
|
80
|
0,9
|
91
|
1,0
|
118
|
2,6
|
122
|
1,2
|
|
Обработанная
tобр=30 мин
|
77
|
0,8
|
92
|
0,9
|
113
|
2,6
|
119
|
1,1
|
|
Обработанная
tобр=60 мин
|
77
|
0,8
|
91
|
0,9.
|
115
|
2,8
|
117
|
1,0
|
|
Обработанная
tобр=120 мин
|
82
|
0,8
|
90
|
0,9
|
113
|
2,6
|
115
|
1,0
|
Значения энергии активации, полученные для
одиночного максимума на основе модели трехслойного диэлектрика и методом
подгонки, совпадают. Экспериментально полученные зависимости lgγ=f(1/Т)
исходной пленки в области температур Т ≥ 115ºС
имеют прямолинейный характер (рис. 3.19). Значение W, определенное по наклону
прямой, составляет 1,4 эВ, что близко к энергии активации W=1,2 эВ,
рассчитанной из кривой ТСД исходной пленки. Это позволяет связать релаксацию
заряда в исходных образцах с собственной проводимостью пленок. Из спектров
токов ТСД увлажненной при 98%ной влажности полиимидной пленки выделяются 4
максимума с соответствующими им значениями энергий активации W1 = 0,6 эВ, W2 =
0,7 эВ, W3 = 0,8 эВ и W4 = 0,9 эВ. Очевидно, что высокотемпературный пик при
Т=150ºС
с соответствующей ему энергией активации 0,9 эВ обусловлен релаксацией заряда
за счет собственной проводимости увлажненной пленки, а остальные - наличием в
образце свободной, слабо и средне связанной влаги.
Представляется вероятным следующий механизм
образования свободных носителей заряда в пленках ПМ: молекулы воды, находящиеся
в объеме полиимида, взаимодействуют с бензольными кольцами и примесными
группами СООН, в результате чего образуются отрицательно заряженные водородные
вакансии (в кольцах и группах СОО) и положительно заряженные дефекты NH+ в цепи
полимера. Эти вакансии и дефекты могут перемещаться вдоль цепей по эстафетному
механизму, т.е. выполнять роль свободных носителей заряда. Молекулы воды в
данном случае играют роль передаточного звена для протонов между соседними
цепочками полиимида. Можно предполагать, что появление дополнительных
максимумов на спектрах ТСД увлажненных пленок связано с участием молекул воды в
релаксации заряда за счет проводимости.
В работах [167,168] показано, что при обработке
поверхности полимерных пленок в полярных жидкостях и в тлеющем разряде может
приводить к появлению дополнительных ловушек в приповерхностном слое материала.
С этой точки зрения новые пики на кривых ТСД увлажненных образцов можно
интерпретировать и следующим образом: влага, взаимодействующая с молекулами
полимера, создает дополнительные ловушки для заряда, которые опустошаются по
мере ухода воды из пленки при нагреве. Для уточнения идентификации максимумов
был проведен следующий контрольный опыт: перед измерениями токов ТСД образцы
заряжались в коронном разряде при противоположной (положительной) полярности
напряжения на игле. Спектры ТСД заряженных в положительной и отрицательной
короне образцов практически симметричны. Этот факт свидетельствует в пользу
гипотезы о связи дополнительных максимумов с релаксацией заряда за счет
проводимости пленки, так как наличие в полиимиде Одинаковых ловушек для
положительных и отрицательных носителей заряда маловероятно.
Ранее было показано, что на ИК-спектрах
полиимидных пленок присутствуют 3 полосы поглощения (3670 см1, 3640см1 и 3560
см1), связанные с наличием воды в полимере. При этом полоса 3670 см1 была
соотнесена со слабо связанной (свободной) водой в объеме полимера, полоса
3640см1 - со средне связанной водой, а полоса 3560 см1 - с сильно связанной
водой. Известно, что энергия водородных связей составляет порядка 0,1-0,5 эВ.
Исходя из того, что молекулы воды в полиимидных материалах обычно связаны двумя
водородными связями с соседними цепочками макромолекулы полиимида [44],
величину энергии, необходимой для отрыва молекулы воды от молекулы полиимида
можно оценить в пределах 0,2-1,0 эВ. Чем сильнее связь, тем большую энергию
необходимо приложить для ее разрыва. Таким образом, пик с W = 0,6 эВ,
усиливающийся при перфорации образца перед увлажнением, можно идентифицировать
со слабо связанной водой, находящейся в порах пленки. Оставшиеся пики с W = 0,7
эВ и W = 0,8 эВ могут быть обусловлены присутствием в пленке средне и сильно
связанной влаги соответственно.
Спектры обработанных в разряде пленок так же
могут быть представлены суперпозицией 4 релаксационных процессов, энергии
активации которых составляют W1 = 0,7 эВ, W2 = 0,8 эВ, W3 = 2,6 - 2,8 эВ и W4 =
1,0 эВ. Пик с W=1,0 эВ можно соотнести с релаксацией заряда за счет собственной
проводимости полимера. Пики с энергиями активации 0,8 эВ и 0,9 эВ вероятно
обусловлены наличием в образце слабо и средне связанной влаги. Интерпретация
острого пика на спектрах модифицированных в разряде пленок затруднена в связи с
аномально высокой величиной его энергии активации. Был проведен ряд контрольных
испытаний с целью выяснения природы этого максимума.
В первую очередь была проведена тщательная
очистка поверхности обработанных в разряде образцов путем протирки ее спиртом.
Это действие никак не изменило характер спектров токов ТСД. Затем обработанный
в разряде образец был закорочен на несколько суток для устранения сложного
распределения зарядов, предположительно возникающего в пленке при ее обработке
в разряде на переменном напряжении. В результате этой процедуры исключить
острый пик на кривых токов ТСД также не удалось.
Последним контрольным опытом было механическое
удаление мутного приповерхностного слоя с образца. На измеренных после этой
процедуры кривых ТСД острый пик отсутствует, а сами спектры аналогичны
полученным для увлажненных перфорированных пленок, что еще раз подтвердило факт
повышения сорбционной способности полиимидных пленок при их обработке в
барьерном разряде.
Таким образом, наличие острого максимума на
спектрах токов ТСД модифицированных в разряде пленок связано с измененным в
результате облучения в разряде приповерхностным слоем пленки. Его свойства
могут определяться атомами азота, переходящими в возбужденное состояние при
облучении. Известно, что существуют метастабильные состояния азота, которые
характеризуются временем жизни порядка 105 с и энергией возбуждения 2,38 эВ
[169]. Дальнейшее уточнение природы этого пика требует отдельных
систематических исследований.
Установлено, что изменения спектров ТСД при
модификации образцов в разряде носят обратимый характер: прогрев пленок при T =
160ºС
в течение 1 часа приводит к полному восстановлению спектра, характерного для
исходной пленки. Электронная структура образца, обуславливающая накопление в
нем гомозаряда, регенерирует при прогреве.
Кривые токов ТСД образцов, которые после
обработки в барьерном разряде хранились при нормальных условиях в течение 2
месяцев, сопоставлены с кривыми токов ТСД исходных и обработанных в разряде в
течение 120 минут пленок на рис. 3.20. Установлено, что с течением времени
хранения область релаксации заряда существенно смещается в сторону более низких
температур и изменяется характер спектра ТСД. В процессе длительной выдержки
острый пик с W = 2,6 - 2,8 эВ уменьшается до полного исчезновения, что говорит
о нестаильности продуктов, обуславливающих его наличие.
Выводы: 1. Изучена релаксация объемного заряда
исходных и обработанных в барьерном разряде полиимидных пленок в изотермическом
режиме. Установлено, что при увеличении tобр значения τ
уменьшаются,
что очевидно связано с ростом γ пленок
вследствие накопления в них воды и газообразных продуктов. Показано, что
модификация образцов в барьерном разряде приводит к росту γ
пленок
на 0,5 порядка. Установлено, что τ исходных
и обработанных в разряде пленок при хранении их в среде с 98%ной влажностью
снижаются в 30 раз по сравнению с нормальными условиями, при этом γ
образцов
возрастает на 1,5 порядка.
. Впервые изучены спектры токов
термостимулированной деполяризации обработанных в барьерном разряде полиимидных
пленок. Показано, что модификация в разряде приводит к существенному усложнению
токов ТСД. С целью идентификации релаксационных процессов, связанных с
проникновением влаги в полиимидную пленку в ходе ее обработки в разряде, были
изучены кривые токов ТСД увлажненных образцов. Спектры токов ТСД обработанных в
барьерном разряде полиимидных пленок представлены суммой четырех элементарных
максимумов, энергии активации которых составляют W1 = 0,8 эВ, W2 = 0,9 эВ, W3 =
2,6 - 2,8 эВ и W4 = 1,0 эВ. Пик с W = 1,0 эВ соответствует максимуму исходной
пленки. Пики с W = 0,8 эВ и W =0,9 эВ обусловлены присутствием в образце слабо
и средне связанной воды. Контрольные испытания показали, что острый пик с W =
2,6-2,8 эВ связан с присутствием на поверхности пленки непрозрачного слоя, т.к.
при его удалении этот максимум исчезает. Его свойства могут определяться атомами
азота, переходящими в возбужденное состояние при облучении.
. Установлено, что изменение спектров ТСД при
обработке полиимидных пленок в барьерном разряде и при увлажнении в среде с
98%ной влажностью носят обратимый характер. Прогрев образцов при 160 ºС
в течение 1 часа приводит к полному восстановлению спектра, характерного для
исходной пленки. Показано, что с течением времени хранения при нормальных
условиях область релаксации заряда смещается в сторону более низких температур
и изменяется характер спектра токов ТСД. Исчезает острый максимум, вероятно
обусловленный нестабильными продуктами, накапливающимися в приповерхностном
слое пленки при ее модификации.
.3 Механические свойства и кратковременная
электрическая
прочность полиимидных пленок, обработанных в
барьерном разряде
Известно, что при эксплуатации
электротехнические материалы подвергаются не только электрическим, но и
механическим нагрузкам. Поэтому представляется важным определить, как действие
барьерного разряда и обусловленные им структурные изменения сказываются на
механических характеристиках полиимидных пленок.
Для изучения влияния длительной обработки в
барьерном разряде на механические свойства полиимидных пленок марки ПМА
российского производства (ОАО НЗСП) исследовались образцы толщиной 40 мкм. С
этой целью они помещались в ионизационную ячейку, в которой подвергались
старению под действием разряда в течение различного времени. Обработка пленок
производилась при нормальном атмосферном давлении и отсутствии принудительной
вентиляции воздуха.
Для изучения анизотропии исследуемой пленки на
приборе «Instron1122» были получены диаграммы растяжения образцов, вырезанных
вдоль и поперек направления машинной вытяжки (рис. 3.21).
Форма кривых говорит о том, что полиимидная
пленка в процессе растяжения проходит через стадию ориентационной вытяжки. Весь
диапазон деформирования пленки может быть условно разделен на три участка:
0% ≤ ε ≤ 8% - область
квазиупругих деформаций, характеризующаяся высокой жесткостью;
% ≤ ε ≤
60% - область
ориентационной вытяжки, приводящей к изменению надмолекулярной структуры и,
следовательно, свойств пленки (наблюдается резкое снижение модуля жесткости);
ε ≥ 60 % - область
деформирования сформировавшейся ориентированной структуры полимера.
Сравнивая две кривых можно отметить, что пленка
имеет незначительную предварительную ориентацию в продольном направлении. Это
может быть связа но с технологией получения пленки методом полива расплава на
металлическую подложку.
Рис. 3.21. Диаграмма растяжения исходных
образцов полиимидной пленки вдоль (1) и поперек (2) направления машинной
вытяжки
Участок квазиупругих деформаций одинаков для
обоих видов образцов. Дальнейшие измерения проводились на плёнке, вырезанной в
продольном направлении.
Изменение деформационнопрочностных свойств
исследовавшейся пленки после ее старения в барьерном разряде изучалось по
диаграммам растяжения образцов исходной и обработанной в течение 8 часов
пленки. Испытания проводились на выборках, состоящих из 10 образцов. Средние
значения σр и εр
исходных и состаренных в барьерном разряде образцов приведены в таблице 3.8.
Как показали испытания, обработка приводит к увеличению стабильности
механических свойств полиимидной плёнки. Разброс значений σр
и εр
обработанных в разряде образцов существенно ниже, чем исходных. Кроме того,
наблюдается и увеличение прочности и эластичности обработанной полиимидной
плёнки на 10 - 15%.
Таблица 3.8. Разрывные характеристики исходных и
обработанных в барьерном разряде полиимидных пленок
|
Полимидная
пленка
|
σр,
МПа
|
εр,
%
|
|
Исходная
|
190±15
|
75±7
|
|
Обработанная
(tобр =8 часов)
|
220±9
|
83±4
|
Увеличение σр
и εр
обработанной в разряде полиимидной пленки может объясняться пластифицирующим
действием влаги, закрепившейся в модифицированном приповерхностном слое в
процессе обработки образцов [159]. Для проверки этого предположения был
проведен ряд контрольных опытов. Получены зависимости σ
= f(ε) увлажненных в эксикаторе при 98%ной влажности
полиимидных пленок, а также измерены диаграммы растяжения исходных и обработанных
в барьерном разряде образцов после их прогрева при Т = 160оС в течение 1 часа.
Значения σр и εр
исходных, увлажненных и обработанных в барьерном разряде полиимидных пленок до
и после термообработки приведены в табл. 3.9.
В области квазиупругих деформаций (0% ≤ ε
≤ 8%) никаких отличий между поведением исходной и
увлажненной полиимидных пленок не наблюдается. Незначительные изменения имеют
место на втором и третьем участках. Исходя из полученных результатов, можно
утверждать, что увлажнение пленки в эксикаторе при 98%ной влажности приводит к
повышению ее σр на 5-10% и εр
на 10-15%.
Этот факт подтверждает предположение о
пластифицирующем действии влаги на полиимид. Прогрев пленок при температуре Т =
160оС в течение 1 часа приводит к удалению влаги из образцов и снижению их
прочностных характеристик на 15-20% (σр)
и 5-7% (εр)
для исходной и на 35-40% (σр)
и 20-25% (εр) для обработанной
полиимидной пленки. Вероятно, модификация полиимида в барьерном разряде
приводит к образованию на его поверхности рыхлого, плохо структурированного
слоя, который после удаления из него абсорбированной воды плохо способен
держать механическую нагрузку.
Семейства кривых ползучести исходной и
обработанной плёнок в полулогарифмическом масштабе представлены на рис. 3.22.
Установлено, что в выбранном диапазоне нагрузок полиимидная пленка не обладает
существенно выраженным релаксационным поведением, о чём свидетельствует низкая
интенсивность процесса ползучести. Следует отметить, что для сохранения
стабильности размеров при эксплуатации и переработке подобных плёнок в изделия
диапазон нагрузок и деформаций не должен превышать значений, соответствующих
первому участку нагружения (0% ≤ ε ≤ 8%). В
этом диапазоне зависимость ε = f(lgt) как
исходных, так и обработанных в разряде плёнок можно аппроксимировать линейной
функцией. Сравнение двух представленных на рис. 3.22 семейств кривых ползучести
позволяет отметить, что при одинаковых значениях σ все
кривые ε=f(lgt)
исходных
плёнок (1-4) лежат несколько ниже кривых обработанных в разряде образцов
(1`-4`).
Таблица 3.9. Разрывные характеристики исходных,
увлажненных и обработанных в барьерном разряде полиимидных пленок до и после
термообработки
|
Полиимидная
пленка
|
σр,
МПа
|
εр,
%
|
|
Исходная
|
190±10
|
76±5
|
|
Исходная
прогретая
|
147±7
|
71±6
|
|
Увлажненная
|
211±12
|
81±5
|
|
Обработанная
(tобр =8 часов)
|
217±11
|
83±4
|
|
Обработанная
и прогретая (tобр =8 часов)
|
136±7
|
62±4
|
Далее были проведены оценки значений начального
модуля жёсткости Ен=σ/εн
исследуемых плёнок (рис. 3.23). Установлено, что в результате старения
полиимидной пленки в барьерном разряде в течение 8 часов наблюдается падение
жёсткости плёнки на 20-30%. Следует отметить стабильность значений Ен исходной
плёнки в диапазоне нагрузок до 50МПа, так как этот диапазон относится к
квазиупругому деформированию. Наблюдаемое при σ = 70МПа
резкое снижение модуля жесткости можно связать с попаданием в «переходную»
область, находящуюся между первым и вторым участками деформирования. В этой
«переходной» области значение Ен обработанной в барьерном разряде полиимидной
плёнки на 35% ниже, чем исходной. Существенное уменьшение жёсткости плёнки в
результате старения в разряде позволяет говорить об изменении строения
достаточно глубокого приповерхностного слоя [170].
Рис. 3.22. Зависимости ε
= f(lgt) полиимидной пленки при различных значениях σ.
1, 2, 3, 4 - исходные образцы; 1`, 2`, 3`, 4` - образцы,
обработанные в газовом разряде
Рис. 3.23. Зависимости Ен=f(σ)
исходных
(1) и обработанных в разряде (2) полиимидных плёнок
.
Рис. 3.24. Кривые εв=f(lgt)
исходной (1-4) и обработанной в газовом разряде (1`-4`) полиимидной пленки,
полученные в результате снятия нагрузки после ползучести
Рис. 3.25.
Зависимости εост=f(σ)
исходных
(1) и обработанных в разряде (2) полиимидных плёнок
Кривые эластического восстановления исходной и
обработанной в барьерном разряде полиимидной пленки, полученные в результате
снятия нагрузки после процесса ползучести, представлены на рис. 3.24. Из
семейств кривых эластического восстановления были определены значения
остаточных деформаций εост плёнок,
прошедших режим ползучести - эластического восстановления (рис. 3.25).
Существенно более высокие значения остаточных деформаций обработанных в разряде
образцов можно связать с изменением их структуры в результате проведённых
воздействий.
Для изучения влияния длительной обработки в
барьерном разряде на кратковременную электрическую прочность полиимидных пленок
марки ПМА российского производства (ОАО НЗСП) исследовались образцы толщиной 40
мкм размером 50х60 мм. С этой целью они помещались в ионизационную ячейку, в
которой подвергались старению под действием разряда в течение 8 часов.
Обработка пленок производилась при нормальном атмосферном давлении и отсутствии
принудительной вентиляции воздуха. Значения Епр образцов исходной и
обработанной в разряде пленок измерялись на пробивной установке УПУ-10 с
использованием медных прижимных электродов диаметром 10 мм. Пленки пробивались
в трансформаторном масле. Испытания на электрическую прочность исходных и
обработанных пленок проводились на выборках, состоящих из 31 образца.
Статистическая обработка результатов измерения осуществлялась с помощью
компьютерной программы «Weibull 5++».
Зависимость вероятности пробоя F=f(Епр) исходных
и обработанных в разряде образцов построена в вейбулловских координатах на рис.
3.26. Значения Eпр, соответствующие 63%ной вероятности пробоя, составляют 261 и
191 кВ/мм для исходных и обработанных в разряде полиимидных пленок
соответственно, т.е. обработка привела к снижению Eпр на 25-30%. Понижение
электрической прочности после обработки в разряде связано с изменением рельефа
поверхности пленки и появлением под действием разрядов локальных дефектов с
пониженным значением электрической прочности (см. рис. 3.1 - 3.4). Известно,
что кинетика электрического разрушения полимеров может контролироваться
транспортом носителей заряда [171]. В таком случае снижение Eпр пленок в
результате обработки в барьерном разряде может быть обусловлено изменением их
проводимости и появлением в полимере новых ловушек.
Рис. 3.26. Функция интегрального распределения
Епр исходных и обработанных частичными разрядами образцов полиимидной пленки
Рис. 3.27. Функция интегрального распределения
Епр исходных и увлажненных образцов полиимидной пленки
Для уточнения влияния влаги, абсорбированной
пленкой в результате обработки в барьерном разряде, была измерены значения Eпр
увлажненных в эксикаторе при 98%ной влажности полиимидных пленок. Функция
интегрального распределения Eпр исходных и увлажненных образцов построена в
вейбулловских координатах на рис. 3. 27. Из прямых интегрального распределения
видно, что в области малых вероятностей отказов значения Eпр для увлажненных
образцов оказались несколько выше, чем для неувлажненных. Значения Eпр в
области больших вероятностей практически совпадают. Значения пробивного
напряжения, соответствующие 63%ной вероятности пробоя, близки и составляют 247
и 250 кВ/мм для исходных и увлажненных образцов соответственно, т.е. увлажнение
образцов не привело к существенному изменению кратковременной электрической
прочности.
Наблюдается корреляция между изменениями
электрической и механической прочности полиимидных пленок в результате
обработки в барьерном разряде. Так при tобр=8 часов значения Ен и Eпр снижаются
на 25-30%. Авторы работы [172] считают, что контролирующие элементарные акты
при электрическом и механическом разрушении полимеров идентичны и первичным
актом для обоих видов разрушения выступает ионизация макромолекул за счет
переходов электронов в ловушки. Можно полагать, что снижение Ен и Eпр при
старении полиимида в разряде связано не только с разрыхлением приповерхностного
слоя и образованием в нем новых локальных дефектов, но и с изменением
электронной структуры пленок.
Влияние обработки в барьерном разряде на адгезионные
свойства полиимидных пленок марки ПМА российского производства (ОАО НЗСП)
изучалось на образцах толщиной 40 мкм размером 5х90мм. С этой целью они
помещались в ионизационную ячейку, в которой подвергались действию разряда в
течение различного времени (от 2,5 до 60 минут). Обработка пленок производилась
при нормальном атмосферном давлении и отсутствии принудительной вентиляции
воздуха. Образцы для испытаний адгезионных свойств разрезались на две равные
части и склеивались с помощью промышленного эпоксикаучукового клея ЭК-2,
используемого в качестве связующего в композиционной электрической изоляции на
основе полиимидных пленок, а затем вклеивались в рамки из миллиметровой бумаги,
чтобы не допустить выскальзывания концов образца из зажимов испытательной
установки. Изза склейки база образца уменьшалась до 40мм, соответственно размер
пленки становился 5х80мм (склейка происходила на площади S=5х5мм). После
закрепления полученного образца в зажимах рамка разрезалась посередине. Для
получения диаграмм растяжения использовался прибор «Instron-1122».
Влияние tобр на прочность адгезионного
соединения пленки ПМ с эпоксикаучуковым клеем ЭК-2 изучалось по разрушению
адгезионного взаимодействия в режиме активного растяжения. Установлено, что в
результате обработки поверхности пленок в барьерном разряде возрастает
прочность адгезионного соединения при склейке их клеем ЭК-2. После 30ти
минутного действия разряда средняя величина усилия Ра, при котором наблюдался
отрыв двух склеенных частей друг от друга, возрастает с 18,3 до 26,7 Н, при
этом относительное удлинение увеличивается от 11,8 до 39%. (рис. 3.28).
Используя полученные из кривых P=f(ε) исходных
и обработанных в течение tобр = 2,5, 10, 20, 30, 40, 50 и 60 минут образцов
полиимидных пленок значения Ра, были определены сдвиговые (касательные)
напряжения τа= Ра/S,
возникающие в месте склейки.
Таблица 3.10. Влияние обработки в барьерном
разряде на величину Ен и Eпр полиимидных пленок
|
Полиимидная
пленка
|
Ен,
МПа
|
Eпр,
кВ/мм
|
|
Исходная
|
1,73±0,07
|
252±28
|
|
Обработанная
(tобр =30 мин)
|
1,69±0,08
|
245±20
|
Рис. 3.28. Диаграммы растяжения исходной (1) и
обработанной в барьерном разряде в течение 30 минут (2) полиимидных пленок,
склеенных эпоксикаучуковым связующим ЭК2
Рис. 3.29. Зависимость касательного напряжения τа
при склейке полиимидных плёнок связующим ЭК2 от времени обработки пленок в
барьерном разряде
Зависимость касательных напряжений, возникающих
в месте склейки, от времени обработки пленки в барьерном разряде представлена
на рис. 3. 29. Из рис 3.29 видно, что величина τа
возрастает по мере увеличения tобр до 30 мин. Более длительная обработка не
приводит к существенному изменению адгезионных свойств полиимидных пленок.
Таким образом, оптимальное время воздействия при повышении адгезии полиимидных
пленок к эпоксикаучуковому клею ЭК-2 посредством модификации их поверхности в
барьерном разряде составляет 30 минут. Ранее было установлено, что длительное
действие барьерного разряда приводит к существенному снижению кратковременной
электрической прочности и механической жесткости полиимидных пленок.
Промышленное применение модификации поверхности пленок в разряде с целью
повышения их адгезионных свойств имеет смысл только при условии сохранения
приемлемых значений вышеупомянутых характеристик. В связи с этим необходимо
было проверить, насколько велики будут изменения Eпр и Ен пленок ПМ при
оптимальном для улучшения адгезионных свойств значении tобр. Результаты
измерения кратковременной электрической прочности и механической жесткости
исходных и обработанных в течение 30 минут образцов сведены в табл. 3.10
(величина Ен, определенная по кривым ползучести пленок, приведена для нагрузки
в 30 МПа). Из табл. 3.10 видно, что модификация поверхности пленки в разряде
при оптимальном времени обработки приводит к снижению Eпр и Ен пленок не более
чем на 2-3%.Улучшение адгезионных свойств полиимидной плёнки после обработки в
барьерном разряде также свидетельствует о существенном изменении структуры
поверхностного слоя, что согласуется с проведёнными исследованиями механических
свойств модифицированных пленок.
Выводы:
. Выявлено, что обработка в барьерном разряде
приводит к увеличению стабильности механических свойств полиимидной плёнки.
Разброс значений σр и εр
обработанных в разряде образцов существенно ниже, чем исходных. Кроме того,
наблюдалось и некоторое увеличение прочности и эластичности модифицированного
полиимида (на 7-10%). Увеличение σр
и εр
полиимидных пленок в результате обработки в барьерном разряде объясняется
пластифицирующим действием влаги, накапливающейся в образцах при их обработке.
. Зафиксировано снижение Ен и Епр полиимидных
плёнок на 25-30% в результате обработки в барьерном разряде. Эти изменения
механической и электрической прочности могут быть обусловлены как повышением
локальной дефектности приповерхностного слоя образцов, так и изменением их
электронной структуры в результате модификации под действием разряда. Показано,
что изменение Епр обработанных в барьерном разряде полиимидных пленок не
связано с абсорбированной в процессе обработки влагой.
. Показано усиление адгезионного взаимодействия
при склеивании полиимидных плёнок эпоксикаучуковым клеем ЭК-2 после их
обработки в барьерном разряде. При оптимальном времени обработки tобр = 30 мин
величина τа возрастает на
25-30%. Улучшение адгезионных свойств полиимидных плёнок после обработки в
разряде свидетельствует о существенном изменении структуры поверхностного слоя.
ЗАКЛЮЧЕНИЕ
Изучены закономерности изменения структуры полиимидных
пленок при их модификации в барьерном разряде. Показано, что под действием
разряда уменьшается интенсивность полос поглощения на ИКспектрах МНПВО пленок
ПМ, связанных с имидными циклами и ароматическими эфирными связями в молекулах
полиимида. При этом усиливаются полосы, обусловленные ростом концентрации групп
COOH, NH и NH2, а также воды, что позволяет предполагать разрушение имидных
циклов по гидролитическому механизму. Изучена кинетика изменения полос
поглощения, соответствующих наличию влаги в полиимиде, в процессе нагрева
увлажненных образцов, что позволило установить корреляцию между содержанием
воды в пленке и спектрами токов ТСД.
Исследовано влияние обработки в барьерном
разряде на процессы накопления и релаксации гомозаряда в пленках ПМ в
изотермическом и термостимулированном режимах. Установлено, что обработка
пленки в разряде приводит к увеличению скорости релаксации заряда, что очевидно
связано c ростом γ пленки за
счет диффузии влаги и газообразных продуктов из модифицированного приповерхностного
слоя. Впервые изучены спектры токов ТСД исходных, обработанных в разряде в
течение различного времени и увлажненных полиимидных пленок. Из анализа кривых
ТСД, проведенного на основе представлений о суперпозиции элементарных пиков,
описыващихся кинетикой первого порядка, были определены параметры отдельных
релаксационных максимумов, часть из которых была соотнесена с взаимодействием
влаги с полиимидом.
Показано, что гигроскопичность полиимидных
пленок после их обработки в барьерном разряде возрастает на 20-25%. Прогрев
обработанных образцов не приводит к возврату их сорбционных свойств к
первоначальным. Увеличение сорбции влаги в обработанных в разряде пленках может
быть использовано для повышения чувствительности емкостных датчиков влажности.
Изучено влияние барьерного разряда на
механическую и электрическую прочность полиимидных пленок. Установлено, что Ен
и Eпр полиимидных пленок после их длительного старения в барьерном разряде
снижается на 25-30 %. Это снижение является необратимым и обусловлено
изменением структуры приповерхностного слоя пленок.
Показано, что адгезионные свойства пленок ПМ к
эпоксикаучуковому клею ЭК2 после их модификации в барьерном разряде на воздухе
увеличиваются на 30% при оптимальном времени обработки, при этом Ен и Eпр снижаются
не более чем на 2-3 %.
СПИСОК ЛИТЕРАТУРЫ
1. Михайлин,
Ю.А. Термоустойчивые полимеры и полимерные материалы / Ю.А. Михайлин. - СПб.:
Профессия, 2006. - 624 с.
2. Polyamic
acids and polyimides. Synthesis, transformations and structure / Ed. by M.I.
Bessonov, V.A. Zubkov. - London-Tokyo: CRC Press, 1993. - 373p.
3. Пак,
В.М. Успехи в создании и применении композиционных материалов на основе
полимерной пленки для изоляции вращающихся электрических машин / В.М. Пак //
Электротехника. - 2001. - № 6. - С. 15-21.
. Черник,
В.Н. Исследования полиимидных пленок с защитными покрытиями для космических
аппаратов / В.Н. Черник, С.Ф. Наумов, и др.// Перспективные материалы. - 2000.
- №6. - С. 14-21.
. Светличный,
В.М. Полиимиды и проблема создания современных конструкционных композиционных
материалов / В.М. Светличный, В.В. Кудрявцев // Высокомол. соединения. - 2003.
- Т.45. -№6. - С. 47 - 51.
. Носова,
Г.И. Синтез и фотопроводящие свойства растворимых полиимидов, содержащих
гетероциклические заместители в основной и боковой цепях полимера / Г.И. Носова
и др. // Высокомол. соединения. - 2005. - Т. 47(А). - № 9. - С. 1584-1594.
7. Fridman,
A. Nonthermal atmospheric pressure discharges / A. Fridman, A. Chirokov, A.
Gutsol // J. Phys. D: Appl. Phys. - 2005. - № 38. - P.
1-24.
. Койков,
С.Н. Электрическое старение твердых диэлектриков / С.Н. Койков, А.Н. Цикин. -
Л.: Энергия, 1968. - 186 с.
. Багиров,
М.А. Электрическое старение полимерных диэлектриков / М.А. Багиров, В.П. Малин.
- Баку: Азернешр, 1987. - 208 с.
. Джуварлы,
Ч.М. Электрический разряд в газовых включениях высоковольтной изоляции / Ч.М.
Джуварлы, Г.В. Вечхайзер, П.В. Леонов. - Баку: Элм, 1983. - 193 с.
. Пономарев,
А.Н. Плазмохимическое модифицирование полимеров / А.Н. Пономарев, В.Н. Василец,
Р.В. Тальрозе // Химическая физика. - 2002. - Т. 21. - № 4. - С. 96-102.
. Электроизоляционные
лаки, пленки и волокна / В.В. Астахин и др. М.: Химия, 1986. - 160 с.
. Бюллер,
К.У. Тепло и термостойкие полимеры / Пер. с нем.; под ред. Я.С. Выгодского. -
М.: Химия, 1984. - 1056 с.
. Бессонов,
М.И. Полиимиды - класс термостойких полимеров / М.И. Бессонов, М.М. Котон, В.В.
Кудрявцев, Л.А. Лайус. - Л.: Наука, 1983. - 328с.
. Адрова,
Н.А. Полиимиды - новый класс термостойких полимеров / Н.А. Адрова, М.И.
Бессонов, Л.А. Лайус, А.П. Рудаков. - Л.: Наука, 1968. - 211 с.
. Технология
пластических масс / под ред. В.В. Коршака. - М.: Химия, 1985. - 560 с.
17. Ohya,
H. Polyimide membranes. Applications, Fabrications, and Properties / H. Ohya, V
V. Kudryavtzev, S. I. Semenova. - Tokyo: Kodansha LTD., Gordon and Breach Sci. Publishers,
1996. - 314 p.
. Коршак,
В.В. Термостойкие полимеры / В.В. Коршак. - М., 1969. - 528с.
. Светличный,
В.М. Ароматические полиэфиримиды - перспективные плавкие пленочные связующие /
В. М. Светличный, Т.И. Жукова, В.В. Кудрявцева // Теплостойкие полимерные
материалы и особенности производства изделий на их основе / М.: МДНТП им.
Дзержинского, 1991. С. 143 - 151.
. Гойхан,
М.Я. Свойства термостойких полиимидных связующих и углепластиков на их основе /
М.Я. Гойхан, М.М. Котон и др. //Журнал прикладной химии. - 1990. - Т.63. - №1.
- С. 82 - 87.
. Юдин,
В.Е. Частично кристаллические полиимиды в качестве связующих для углепластиков
/ В.Е. Юдин, В. М. Светличный, В.В. Кудрявцев и др. // Высокомол. соединения. -
2002. - Т. 44. - № 6. - С. 112 - 116.
. Котон,
М.М. Развитие исследований в области высокотермостойких полимеров -
ароматических полиимидов / М.М. Котон, В.В. Кудрявцев // Синтез, структура и
свойства полимеров / ИВС АН СССР. - Л.: Наука, 1989. -С. 7 - 15
. О
развитии исследований по ароматическим полиимидам и их применению в технике в
Институте высокомолекулярных соединений АН СССР // Вести. АН
СССР.
- 1985. - №1. - С.
3-8.
. Sasaki,
S. Optical properties of perfluorinated polyimides at the wave lengths of
optical communications / S. Sasaki, Т.
Matsmura, S. Ando // Proceedings of 5th International conference «Polyimides,
new trends in polyimide science and technology». 02.11 - 04.11.1994. -
Ellenville, N.Y., USA. - 1994. - P. 11.
. Майофис,
И.М. Химия диэлектриков. Учебное пособие для энергетических специальностей
вузов / И.М. Майофис. - М.: Высшая школа, 1970. - 332 с.
. Виноградов,
Б.А. Действие лазерного излучения на полимерные материалы. Научные основы и
прикладные задачи: в 2х т. / Б.А. Виноградов, К.Е. Перепелкин, Г.П. Мещерякова.
- СПб.: Наука, 2006. - Т. 2. - 442 с.
. Баклагина,
Ю.Г. Роль стабильной мезаморфной структуры в формировании свойств ароматических
полиимидов / Ю.Г. Баклагина, А.В. Сидорович, М.М. Котон // Синтез, структура и
свойства полимеров / ИВС АН СССР. - Л.: Наука, 1989. - С. 36-48.
. Силинская,
И.Г. Структура растворов форполимеров аморфных и плавких частично
кристаллических полиимидов / И.Г. Силинская, В.М. Светличный, Н.А. Калинина,
А.Л. Диденко, В.В. Кудрявцев // Высокомол. соединения. - 2002. -Т. 44. - №6. -
С. 96 - 105.
. Голоудина,
С.И. Особенности строения ультратонких пленок полиимида, полученных методом
ЛенгмюраБлоджетт / С.И. Голоудина и др. // Журнал прикладной химии. - 2005. -
Т. 78. - № 9. - С. 14991503.
. Лайус,
Л.А. Кинетика и механизм твердофазных химических реакций при образовании
полиимидов / Л.А. Лайус, М.И. Цаповецкий, М.И. Бессонов // Синтез, структура и
свойства полимеров / ИВС АН СССР. - Л.: Наука, 1989. - С. 26 - 36
. Сазанов,
Ю.Н. Термические превращения полиимидов и их композиций / Ю.Н. Сазанов, Л.А.
Шибаев // Синтез, структура и свойства полимеров / ИВС АН СССР. - Л.: Наука. -
1989. - С. 16 - 26.
. Гольдаде,
В.А. Электретные пластмассы: Физика и материаловедение / В.А. Гольдаде, А.С.
Пинчук; под. ред. В.А. Белого. - М.: Наука и техника, 1987. -231с.
. Справочник
по пластическим массам. В 2х т. / под ред. В.М. Катаева, В.А. Попова, Б.И.
Сажина. - М.: Химия. - 1975. -Т.2. - С. 312-330.
. Сажин,
Б.И. Электрические свойства полимеров / Б.И. Сажин, А.М. Лобанов, О.С.
Романовская и др.; под ред. Б.И.Сажина. - 3е изд., перераб. - Л.: Химия. -
1986. -224с.
. Борисова,
М.Э. Нелинейные эффекты нестационарного электропереноса в пленочных полимерных
диэлектриках / М.Э. Борисова, О.В. Галюков, С.Н. Койков // Электротехника. -
№.7. - 1991. - С. 6971.
36. Voishev,
V.S. Electrical properties of polyimides / V. S. Voishev // Proceedings of 5th
International conference «Polyimides, new trends in polyimide science and
technology». 02.11 - 04.11.1994. - Ellenville, N.Y., USA. - 1994. - P. 62.
37. Кабин,
С.П. Диэлектрические свойства и перспективы использования полиимидной пленки
для нагревостойких конденсаторов / С.П. Кабин, Н.В. Северюхина // Электронная
техника. Сер. радиодетали и радиокомпоненты. - 1991. - Вып. 4(85). - С. 19-22.
. Шуваев,
В.П. О механизме неомической электропроводности и релаксации тока в полимерных
диэлектриках/ В.П. Шуваев, Б.И. Сажин, B.C. Скурихина // Высокомол. соединения.
- 1975. - Т. 17(А). - № 5. - С. 1058-1064.
39. Sessler,
G.M. Electrical conduction in polyimide films / G.M. Sessler, В.
Hahn, D.S. Yoon // J. Appl. Thermochim. Act. - 1979. - V.28. - P. 333-347.
. Ohta,
Yoshinori The compensation law in electric conduction for dielectric high
polymer materials / Yoshinori Ohta, Keiichi Miairi, Teruyoshi Mizutani //
Proceedings of 9th International Symposium on Electrets (ISE 9).
25.09-30.09.1996, Shanghai. - N.Y.: Piscataway, 1996. - P. 34-39.
. Krause,
L.J. Electronic conduction in polyimides / L.J. Krause, P.S. Lugg, T.A.
Speckhard // Journal Electrochemical Society. - 1989. - Vol. 136. - P. 1379 -
1384.
. Kliem,
H. Dielectric small signal response by protons in amorphous insulators/ H.
Kliem // IEEE Trans. Electr. Ins.. - 1989. - Vol. 24. - P. 185-197.
. Sacher,
E. Dielectric properties of polyimide film II, dc properties / E. Sacher //
IEEE Trans. Electr. Ins. - 1979. - Vol. 14. - P. 85-93.
. Melcher,
J. Dielectric effects of moisture in polyimide / J. Melcher, Y. Daben, G. Arlt
// IEEE Trans. Electr. Ins.. - 1989. - Vol. 24. - P. 31-38.
. Hanscomb,
J.R. Thermally assisted tunneling in polyimide film under lystate and transient
conditions / J. R. Hanscomb, J. H. Calderwood // J. Phys. D: Appl. Phys.. -
1973. - Vol. 6. - P. 1093-1104.
. Sessler,
G.M. Electrical conduction in polyimide films / G.M. Sessler, B. Hahn, D. Yoon
// J. Appl. Phys.. - 1986. - Vol. 60. - P. 318-326.
. Motyl,
E. On electrical conduction in polyimide / E. Motyl, R. Kacprzyk // Proceedings
of 9th International Symposium on Electrets (ISE 9). 25.09-30.09.1996,
Shanghai. - N.Y.: Piscataway, 1996. - P. 608-613.
. Борисова,
М.Э. Нестационарные процессы проводимости в конденсаторных пленках полиимида /
М.Э. Борисова, С.Н. Койков, М.С. Марченко // Электротехника. - №.8. - 1991. -
С. 1417.
. Лущейкин,
Г.А. Релаксационные явления в полипиромеллитной пленке / Г.А. Лущейкин, Б.С.
Грингут // Высокомол. соединения. - 1972. -Т.14(Б). - №1. - С. 53-56.
50. Quingquan,
Lei Thermally stimulated current study on polyimide film / Lei Quingquan, Wang
Fulei.// Proceedings of 6th Int. Symp. on Electrets (ISE 6). - Oxford,
01.09-03.09.1988. - N.Y.: Piscataway,1988. - P.472-476.
. Kafafi,
Sheri A. The ionization potential, electron affinity and energy gap of
polyimide / Sheri A. Kafafi //Chem. Phys. Lett.. -
1990. - V.169. - №6. - P.561-563.
. Мозафор,
Х.М. Электрофизические явления в полиимидных и полиимиднофторопластовых
полимерах: автореф. дис. канд. техн. наук /ЛПИ - Л., 1986. - 16 с.
. Алфрей,
Т. Механические свойства высокополимеров / Пер. с англ.; под. ред. М.В.
Волькенштейна. - М.: Иностранная литература, 1952. - 619 с.
. Пучкин,
Ю.Н. Исследования накопления радикалов под действием плазмы тлеющего разряда
низкого давления / Ю.Н. Пучкин, Ю.П. Байдаровцев, В.Н. Василец, А.Н. Пономарев
// Химия высоких энергий. - 1984. - Т. 17. - № 7. - С. 368-371.
. Василец,
В.Н. Исследование накопления стабильных продуктов при воздействии плазмы
низкого давления на полиэтилен / В.Н. Василец, Л.А. Тихомиров, А. Н. Пономарев
// Химия высоких энергий. - 1980. - Т. 13. - №2. - С. 171-174.
. Пономарев,
А.Н. Химические реакции в поле СВЧ-излучений / А.Н. Пономарев // Сборник к
70летию академика В.Н.Кондратьева «Проблемы кинетики элементарных химических
реакций». - М.: Наука, 1973. - C. 13-30.
. Власов,
А.В. Радиационная прививочная полимеризация из газовой фазы как метод
модифицирования синтетических волокон / А В. Власов, В.Н. Голубев, Б.Л. Цетлин,
В.Ч. Бокун, А.Н. Пономарев // Сборник научных трудов "Перспективные
высокоэффективные технологии и материалы текстильной промышленности" под
ред. В.О. Симоняна. - М.: ФГУП, ЦНИХБИ, 2002, - С.44-62.
58. Liston,
E.M. Plasma surface modification of polymers for improved adhesion: a critical
review / E.M. Liston // J. Adhesion Sci & Technol. - 1993. - Vol. 7. -
P.1091-1098.
59. Буйдо,
Е.А. Исследование методом Ожеэлектронной спектроскопии ионного и плазменного
травления тонких пленок, полученных плазменной активацией микрокапельных
продуктов термической деструкции твердого полипропилена / Е.А. Буйдо, Ю П.
Байдаровцев, Р.Д. Усманов, А.Н. Пономарев // Химия высоких энергий. - 2001. -
Т. 35. - № 3. - С. 213-218.
. Абдрашитов,
Э.Ф. Фрикционные свойства силоксановых резин после плазмохимического
модифицирования / Э.Ф. Абдрашитов, А.Н. Пономарев // Трение и износ. - 2001. -
Т. 22. - № 4. - С. 452-460.
. Абдрашитов,
Э.Ф. Исследование трения и адгезии плазмомодифицированных силоксановых
эластомеров / Э.Ф. Абдрашитов, А.Н. Пономарев // Трение и износ. - 2001. - Т.
22. - № 3. - С. 311-316.
. Абдрашитов,
Э.Ф. Трение и износ плазмохимически модифицированных эластомеров / Э.Ф.
Абдрашитов, В.А. Тарасенко, Л.А. Тихомиров, А.Н. Пономарев // Трение и износ. -
2001. - Т. 22. - № 2. - С. 190-196.
. Нестеров,
М.А. Физикомеханические характеристики плазмополимеризованных покрытий на
полиамидах / М.А. Нестеров, Ю.П. Байдаровцев, Г.Н. Савенков, А.Н. Пономарев //
Химия высоких энергий. - 1998. - Т. 32. - № 2. - С. 144-147.
. Нестеров,
М.А. Термические свойства покрытий на основе активированных в плазме продуктов
деструкции полипропилена / М.А. Нестеров, Ю.П. Байдаровцев, Г.Н. Савенков, А.Н.
Пономарев // Химия высоких энергий. - 1998. - Т. 32. - № 1. - С. 46-49.
. Савенков,
Г.Н. Характер и структура пленок при осаждении на металлическую поверхность
активированных в плазме продуктов термодеструкции полипропилена / Г.Н.
Савенков, М.А. Нестеров, К.Н. Янчивенко, Ю.П. Байдаровцев, А.Н. Пономарев.//
Химия высоких энергий. - 1996. - Т. 30. - №3. - С. 214-218.
. Савенков,
Г.Н. Плазмохимическое формирование полимерных пленок на твердых поверхностях с
использованием продуктов термической деструкции полимеров / Г.Н. Савенков, Ю.П.
Байдаровцев, К.Н. Янчивенко // Химия высоких энергий. - 1996. - Т. 30. - № 1. -
С. 65-67.
67. Ponomarev,
A.N. Surface Structure of LowDensity Polyethylene Films Exposed to Air Plasma /
A.N. Ponomarev, T. Ogita, S.I. Nishimoto, T. Kagiya // J. Macromol. Sci. Chem.
Phys. Rev. In Macromol. Chem. And Phys. - 1985. - Vol. 22(A). - № 8. - P.
1135-1150.
68. Василец,
В.Н. Исследование действия плазмы стационарного разряда низкого давления на
поверхность полиэтилена / В.Н. Василец, Л.А. Тихомиров, А.Н. Пономарев // Химия
высоких энергий. - 1981. - Т. 15. - №1. - С. 77-81.
69. Kritskaya,
D.A. Functionalization of Polymer Supports for Polymerization Catalists by
Graft Polymerization Methods / D. A. Kritskaya, A.N. Ponomarev, A.D. Pomogailo,
F.S. Dyachkovskii // J. Appl. Polym. Sci. - 1980. - № 25. - P. 349-357.
. Garbassi,
F. Polymer Surfaces. From Physics to Technology / F. Garbassi, M. Morra, E.
Occhiello. - N.Y.:Wiley & Sons, 1994.
71. Драчев,
А.И. Образование зарядовых состояний в полиимидных пленках под действием разряда
и их роль в гидрофилизации поверхности / А.И. Драчев, А.Б. Гильман, А.А.
Кузнецов, В.К. Потапов // Пластические массы. - 2003. - № 5. - С. 35-42.
. Драчев,
А.И. Образование зарядовых состояний в пленках из полиэтилентерефталата,
модифицированных в плазме тлеющего низкочастотного разряда / А.И. Драчев, В.М.
Пак, А.Б. Гильман, А.А. Кузнецов // Электротехника. -2001. - №6. -С.46 - 51.
. Кардаш,
И.Е. Модификация полимерной пленки из полиэтилентерефталата с использованием
тлеющего низкочастотного разряда / И.Е. Кардаш, В.М. Пак, А.Б. Гильман, А.И.
Драчев, А.В. Пебалк // Электротехника. - 2000. - №12. - С.53 - 58.
. Гильман,
А.Б. Влияние зарядовых состояний, возникающих при плазмохимической модификации
полиимидных пленок, на изменение свойств полимера при хранении / А.Б. Гильман,
А.И. Драчев, А.А. Кузнецов, В.К. Потапов // Химия высоких энергий. - 1998. - Т.
32. - № 5. - С. 386-390.
. Гильман,
А.Б. Воздействие плазмы тлеющего НЧ-разряда на полиимидные пленки различной
структуры / А.Б. Гильман, А.И. Драчев, А.А. Кузнецов, Г.В. Лопухова, В.К.
Потапов // Химия высоких энергий. - 1997. - Т. 31. - № 1. - С.54 - 57.
. Егоров,
А.И. Структура и свойства поверхности полимерных пленок, модифицированных в
плазме барьерного разряда / А. И. Егоров, А.А. Железняков, О.А. Саркисов //
Труды 4 международного симпозиума по теоретической и прикладной плазмохимии.
13.05 - 18.05.2005, Иваново. - Иваново: Ивановский гос. химикотехнолог. унт,
2005. - С. 343-345.
. Кучинский,
Г.С. Частичные разряды в высоковольтных конструкциях / Г.С. Кучинский Л.:
Энергия, 1979. - 224. с.
. Сильченко,
Н.С. Полимерные диэлектрики / Н.С. Сильченко, В.М. Кириленко. - Киев, Технiка,
1977. - 160 с.
. Яманов,
С.А. Старение, стойкость и надежность электрической изоляции / С.А. Яманов,
Л.В. Яманова. М.: Энергоатомиздат, 1990. - 176 с.
. Барабанов,
Н.Н. Ионизационное старение полимерных пленок в широком интервале температур,
напряжения и частоты / Н.Н. Барабанов, С.Н. Койков, В.А. Фомин, А.Н. Цикин //
Электротехника. - 1963. - № 12. - С.38-43.
. Носков,
М.Д. Моделирование роста дендритов и частичных разрядов в эпоксидной смоле /
М.Д. Носков, А.С. Малиновский, М. Закк, А.И. Швабб // Журнал технической
физики. - 2002. - Т. 72. - С. 121-128.
82. Devins
J.C. The physics of partial discharges in solid dielectrics / J.C. Devins //
IEEE Trans. Electr. Ins. - 1984.- Vol. 19. - № 5. - P.475-495.
. Robinson
K. Charge Relaxation Due to Surface Conduction on an Insulating Sheet Near a
Grounded Conducting Plane/ K. Robinson //IEEE Trans. Ind. App. - 2004. - Vol.
40. - № 5.- P. 1231-1238.
84. Nikonov,
V. The Influence of Dielectric Surface Charge Distribution Upon the Partial
Discharge Behavior in Short Air Gaps / V. Nikonov, R. Bartnikas, M.R.
Wertheimer // IEEE Trans. on Plasma Science. - 2001. - Vol. 29. - №. 6. - P.
866-874.
85. Куперштох,
А.Л. Моделирование частичных разрядов в твердых диэлектриках на переменном
напряжении / А.Л. Куперштох, С.П. Стамателатос, Д.П. Агорис // Журнал
Технической Физики. - 2006. -Т. 32. - № 15. - С. 74-81.
86. Reed,
C.W. The fundamentals of aging in HV polymerfilm capacitors / C. W. Reed, S. W.
Cichanowski // IEEE Trans. on El. Ins. -1994. - Vol. 1. - № 5. -P. 904-922.
. Wu,
K. Effects of discharge area and surface conductivity on partial discharge
behavior in voids under square voltages / K. Wu, T. Okamoto, Y. Suzuoki // IEEE
Trans. on El. Ins. -2007. - Vol. 14. - № 2. -P. 461-470.
. Novak,
J.P. Effect of dielectric surfaces on the nature of partial discharges / J.P.
Novak, R. Bartnikas // IEEE Trans. on El. Ins. -2000. - Vol. 7. - № 1. -P.
146-151.
89. Соколов,
В.И. Диэлектрические характеристики стеклопластиков при эксплуатации в
атмосфере повышенной влажности / В.И. Соколов и др. // Пластические массы. -
2005. - № 1. - С. 24-27.
. Юхневич,
Г.В. Инфракрасная спектроскопия воды / Г.В. Юхневич. - М.: Наука, 1973. - 208
с.
. Михайлов,
М.М. Влагопроницаемость органических диэлектриков / М.М. Михайлов. - Л:
Госэнергоиздат, 1960. - 164 с.
. Чалых,
А.Е. Диффузия в полимерных системах / А.Е. Чалых. - М: Химия, 1987. - 312 с.
. Маслов,
В.В. Влагостойкость электрической изоляции / В.В. Маслов. - М: Энергия, 1973. -
208 с.
. Филатов,
И.С. Диэлектрические свойства полимерных материалов в различных климатических
условиях / И.С. Филатов. - Новосибирск: Наука, 1978. - 162 с.
. Дедюхин,
В.Г. Влияние воды на физикомеханические и диэлектрические свойства
стеклопластиков / В.Г. Дедюхин, В.И. Козырев, Е.А. Козырина // Пластические
массы. - 1968. - № 6. - С. 34-36.
. Белоусов,
Ф.А. Метод определения коэффициента диффузии воды в полимерную изоляцию / Ф.А. Белоусов,
А.Н. Гричук, В.А. Канискин, Б.И. Сажин // Электричество. - 2003. - № 4. - С.
49-52.
. Николаев,
Н.И. Диффузия в мембранах / Н.И. Николаев. - М. Химия, 1980. - 120 с.
. Вакула,
В.Л. Физическая химия адгезии полимеров / В.Л. Вакула, Л.М. Притыкин - М.:
Химия, 1984. - 224 с.
. Берлин,
А.А. Основы адгезии полимеров / А.А. Берлин, В.Е. Басин. - М.: Химия, 1974. -
392 с.
. Дерягин,
Б.В. Адгезия твердых тел / Б.В. Дерягин, Н.А. Кротова, В.П. Смилга. - М.:
Наука, 1973. - 278 с.
. Зимон,
А.Д. Адгезия жидкостей и смачивание / А. Д. Зимон. - М.: Химия, 1974. - 441 с.
102. Wake,
W.C. Adhesion and the Formulation of Adhesives / W. C. Wake. -LondonN.Y.:
Applied Science Publ., 1982. -332 p.
103. Липатов,
Ю.С. Физикохимические основы наполнения полимеров / Ю. С. Липатов. - М.: Химия,
1991. - 260 с.
. Басин,
В.Е. Адгезионная прочность / В.Е. Басин - М.: «Химия» 1981. - 208с.
. Физикохимия
многокомпонентных полимерных систем: в 2х т. / под ред. Ю.С. Липатова. - Киев:
Наукова думка, 1986. - Т. 1: Наполненные полимеры. - 376с.
. Физикохимия
многокомпонентных полимерных систем: в 2х т. / под ред. Ю.С. Липатова. - Киев:
Наукова думка, 1986. - Т. 2: Полимерные смеси и сплавы. - 384с.
. Повстугар,
В.И. Строение и свойства поверхности полимерных материалов / В.И. Повстугар, В.И.
Кодолов, С.С. Михайлова. - М.: Химия, 1988. - 192с.
. Радиационные
эффекты в полимерах. Электрические свойства / А.В. Ванников, В.К. Матвеев, В.П.
Сичкарь, А.П. Тютнев. - М.: Наука, 1982. -272с.
. Электрические
явления при облучении полимеров / А.П. Тютнев, А.В. Ванников, С.Г. Мингалеев,
В.С. Саленко. - М.: Энергоатомиздат, 1985. - 176с.
. Бартенев,
Г.М. Действие облучения на диэлектрические свойства и структуру полиимида /
Г.М. Бартенев, С.Н. Каримов и др // Высокомол. соединения. - 1977. - Т. 19(А). -
№10. - С. 2217-2223.
. Акрачкова,
Л.Л. Старение полиимидных пленок под действием βизлучения
/ Л.Л. Акрачкова, Ю.Н. Титко, Э.Э. Финкель // Пласт. массы. - 1977. - №4. - С.
34-35.
. Коршак,
В.В. Поведение полиимидов на основе анилинфталения и пиромеллитового
диангидрида под действием γизлучений
/ В.В. Коршак, В.В. Ляшевич, В.В. Родэ // Высокомол. соединения.. - 1980. -
Т.22(А)- №11. - C. 2559-2566.
. Явич,
Е.Н. Тепловое старение ароматических полиимидов / Е.Н. Явич, Л.А. Лайус, М.И.
Бессонов // Пласт. массы. - 1972. - №11. - С. 64-65.
114. Jonquieres,
A. Modified BET models for modeling water vapor sorption in polymers / A.
Jonquieres, A. G. Fane // J. Appl. Pol. Sci.. - 1998. -Vol. 67. - P. 1415-1430.
. Jian,
Jing Influence of environmental humidity on properties of FEP,PTFE, PCTFE and
PI film electrets / Jing Jian, Xia Zhongfu // Proceedings of 8th International
symposium on electrets (ISE 8). 07.09-0.9.09.1994,
Paris. - Paris., 1994. - P. 95-100.
. Сесслер,
Г.М. Электреты / Г.М. Сесслер. - М.: Мир, 1983 - 682 с.
. Губкин,
Н.А. Электреты. Электретный эффект в твердых диэлектриках / А.Н. Губкин. - М.:
Наука, 1978. - 192 с.
. Борисова,
М.Э. Физика диэлектриков. Учеб. Пособие / М. Э. Борисова, С.Н. Койков. - Л.:
Издво Ленингр. унта, 1979. - 240 с.
. Борисова,
М.Э. Физика диэлектрических материалов. Электроперенос и накопление заряда в
диэлектриках / М.Э. Борисова, О.В. Галюков, П.В. Цацынкин. - СПб.: СПбГПУ,
2004. - 106 с.
. Борисова,
М.Э. Электретный эффект в диэлектриках / М.Э. Борисова, С.Н. Койков // Изв.
вузов. Физика. - 1979. - № 1. - С. 79-83.
121. Sessler,
G.M. Charge storage in dielectrics / G. M. Sessler // IEEE Trans on Elec Insul.
- 1989. - Vol. 24. - № 3. - P. 395-402.
. Giacometti,
J. A. A summary of corona charging methods / J.A. Giacometti, G.F.L. Ferreira, В.
Gross // Proceedings of 6th Int. Symp. on Electrets (ISE 6), 01.09-03.09.1988,
Oxford. N.Y.: Piscataway, 1988. - P. 88-91.
. Hai,
Ding Investigation of coronacharging of polypropylene at elevated temperatures
/ Ding Hai, Xia Zhongfu // Proceedings of 6th Int. Symp. on Electrets (ISE 6),
01.09-03.09.1988, Oxford. N.Y.: Piscataway, 1988. - P. 539-542.
124. Von
Seggern, H. New developments in charging and discharging of polymers / H. Von
Seggern // IEEE Trans. Electr. Insul. - 1989. - Vol. 21. -
№ 3. - P. 281-288.
. Гороховатский,
Ю.А. Основы термодеполяризационного анализа / Ю.А. Гороховатский. - М.: Наука,
1981. - 173 с.
. Гороховатский,
Ю.А. Термоактивационная токовая спектроскопия высокоомных полупроводников и
диэлектриков / Ю.А. Гороховатский, Г.А. Бордовский. - М.: Наука, 1991. - 248 с.
127. Garlick,
G.F.J. The electron trap mechanism of. luminescence in sulphite and silicate
phosphers / G.F.J. Garlick, A.F. Gibson // Proc. Phys. Soc. - 1948. - № 60. -
P. 574-590.
. Booth,
A.H. Calculation of electron trap depths from thermoluminescence maxima / A.H.
Booth // Can. J. Chem. - 1954. - Vol. 32. - № 2. - P. 214-215.
. Grossweiner,
L.I. A note on the analysis of firstorder glow curves / L.I. Grossweiner // J.
Appl. Phys. - 1953. - Vol. 24. - № 3. - P. 1306-1307.
. Land,
P.L. Equations for thermoluminescence and thermally stimulated current as
derived from simple models / P.L. Land // J. Phys. Chem. Solids. - 1969. - Vol.
30. - № 7. - P. 1681-1692.
. Neagu,
R.M. Analysis of a complex TSDC peak using singlе
time relaxation peaks / R.M. Neagu, C. Botez, E.R. Neagu // Proceedings of 10th
Int. Symp. on Electrets (ISE 10), 22.09-24.09.1995, Delphi. N.Y.: Piscataway,
1995. - P. 375-378.
. Neagu,
E.R. Nonisothermal and isothermal discharging currents in polyethylene
terephtalate at elevated temperatures / E.R. Neagu, J.N. MaratMendes, R.M.
Neagu, D.K. DasGupta // J. Appl. Phys. - 1999. - Vol. 85. - № 4. - P. 2330-2336
. Neagu,
E.R. Analysis of the thermally stimulated discharge current around glassrubber
transition temperature in polyethylene terephtalate / E.R. Neagu et al. // J.
Appl. Phys. - 1997. - Vol. 82. - № 5. - P. 2488-2496.
134. Темнов,
Д.Э. Сопоставление результатов исследования параметров ЭАД в пленках
полипропилена методами ТСРП и ИРПП / Ю.А. Гороховатский, Д.Э. Темнов, И.Ю.
Гороховатский, А.А. Петрова / Труды четвертой Международной научнотехнической
конференции «Электрическая изоляция - 2006». 16.05-19.05.2006, СанктПетербург.
- СПб.: СПбГПУ, 2006. - С.118-121.
. Темнов,
Д.Э. Влияние дисперсных наполнителей на электретные свойства полипропилена /
Д.Э. Темнов, Е.Е. Фомичева // Материалы XI Международной конференции «Физика
диэлектриков» (Диэлектрики - 2008). 3.06 - 7.06.2008, Санкт-Петербург. - СПб.:
РГПУ им. А.И. Герцена, 2008. - Т. 2.- С. 408-410.
. Райзер,
Ю.П. Физика газового разряда: Учебное пособие / Ю. П. Райзер. - М.: Наука,
1983г. -320 с.
. Самойлович,
В.Г. Физическая химия барьерного разряда / В.Г. Самойлович, В.И. Гибалов, К.В.
Козлов. - М., издво МГУ, 1989. - 167 с.
138. Muller,
I. Selforganized filaments in dielectric barrier glow discharges / I. Muller et
al. // IEEE Trans. on Plasma Science. . - 1999. - Vol. 27. - № 1. - P. 20-21.
. Fang,
Z. Factors influencing the existence of the homogeneous dielectric barrier
discharge in air at atmospheric pressure / Z. Fang, Y. Qiu, C. zhang, E. Kuffel
// J. Phys. D: Appl. Phys. - 2007. - № 40. - P. 1401-1407.
. Пикулев,
А.А. Моделирование процесса разряда в ячейке барьерного разряда на основе трехпараметрической
модели / А.А. Пикулев, В.М. Цветков // Журнал технической физики. - 2007. - Т.
77. - № 9. - С.22-27.
. Ломаев,
М.И. О формировании барьерного разряда в эксилампах / М.И. Ломаев, В.Ф.
Тарасенко, Д.В. Шитц // Журнал технической физики. - 2007. - Т. 77. - № 8. -
С.86-92.
. Ткаченко,
И.С. Пробой газового промежутка в поверхностном барьерном разряде / И.С.
Ткаченко, В.И. Гибалов, В.В. Лунин // Вестник москвского университета. Серия 2.
Химия. - 2007. - Т. 48. - № 3. - С.147-151.
. Малик,
Д.А. Аналог эффекта нормальной плотности тока в барьерном разряде / Д.А. Малик,
К.Е. Орлов, А.С. Смирнов // Письма в ЖТФ. - 2004. - Т. 30. - № 21. - С.44-48.
. Солошенко,
И.А. Компонентный состав активных частиц в объемном барьерном разряде на сухом
(относительная влажность RH ≈ 20%) и влажном (относительная влажность RH ≈
80%) воздухе / И.А. Солошенко и др. // вопросы атомной науки и техники. - 2006.
- № 5. - С.105-109.
. ГОСТ
6433.171. Материалы электроизоляционные твердые. Условия окружающей среды при
подготовке образцов и испытании. - Введ. 1972 - 01 - 07. М.: Госстандарт
России: Издво стандартов, 1994. - 9с.
. ГОСТ
1242366. Пластмассы. Условия кондиционирования и испытания образцов (проб). -
Введ. 1967 - 01 - 07. М.: Госстандарт России: Издво стандартов, 2006. - 7с.
. ГОСТ
1031575. Материалы электроизоляционные твердые. Методы определения
влагостойкости и водостойкости. - Введ. 1977 - 01 - 01. М.: Госстандарт России:
Издво стандартов, 1987. - 7с.
. Браун,
Д. Спектроскопия органических веществ / Д. Браун, А. Флойд, М. Сейнзбери; пер.
с англ. А.А. Кирюшкина. - М.: Мир, 1992. - 300 с.
. Купцов,
А.Х. Фурье К.Р. и Фурье И.К. спектры полимеров / А.Х. Купцов, Г.Н. Жижин. - М.:
Физматлит, 2001. - 656 с.
. Преч,
Э. Определение строения органических соединений. Таблицы спектральных линий /
Э. Преч, Ф. Бюльман, К. Аффольтер; пер. с англ. - М.: Бином, Лаборатория
знаний, 2006. - 438 с.
. Оптическая
биомедицинская диагностика: в 2х т. / пер. с англ. под ред. В.В. Тучина. - М.:
Физматлит, 2007. - Т. 2. - 368 с.
. Смит,
А. Прикладная ИКспектроскопия. Основы, техника, аналитическое применение / А.
Смит; пер. с англ. - М.: Мир, 1982. - 328 с.
. Банкер,
Ф. Симметрия молекул и спектроскопия / Ф. Банкер, Ф. Йенсен; пер. с англ. под
ред. Н. Ф. Степанова. - 2е изд.,перераб. - М.: Научный мир, 2004. - 763 с.
. Бакстон,
Ш. Введение в стереохимию органических соединений. От метана до макромолекул /
Ш. Бакстон, С. Робертс; пер. с. англ. - М.: Мир, 2005. - 311 с.
. Темнов,
Д.Э. Определение интенсивности колебательных полос поглощения в полимерных
электретах / Л.Б. Анискина, А.С. Викторович, Б.А. Тазенков, Д.Э. Темнов, О.В.
Чистякова / Материалы XI Международной конференции «Физика диэлектриков»
(Диэлектрики - 2008). 3.06 - 7.06.2008, СанктПетербург. - СПб.: РГПУ им. А.И.
Герцена, 2008. - Т. 2.- С. 79-81.
. Аш,
Ж. Датчики измерительных систем: в 2х книгах. Книга 2 / Ж. Аш и др.; пер. с фр.
под ред. А. С. Обухова. - М.: Мир, 1992. - 424 с.
. Галичин,
Н.А. Влияние барьерного разряда на накопление влаги в полиимидных пленках /
М.Э. Борисова, Н.А. Галичин // Материалы XII Всероссийской конференции по
проблемам науки и высшей школы «Фундаментальные исследования и инновации в
технических университетах». 14.05.2008, СанктПетербург. - СПб.: СПбГПУ, 2008. -
С. 237-238.
. Галичин,
Н.А. Влияние увлажнения на процесс релаксации заряда в пленках полиимида / Н.А.
Галичин, К.В. Легарьков, М.Э. Борисова // Материалы межвузовской научной
конференции «ХХХIV неделя науки СПбГПУ». 28.113.12.2005, Санкт-Петербург.
СПб.: СПбГПУ, 2006. - Ч. II. - С.19-21.
. Галичин,
Н.А. Влияние влаги на релаксацию заряда и механических напряжений в пленках
полиимида / Е.С. Цобкалло, М.Э. Борисова, Н.А. Галичин // Труды четвертой
Международной научнотехнической конференции «Электрическая изоляция - 2006».
16.05-19.05.2006, СанктПетербург. - СПб.: СПбГПУ, 2006. - С.56-58.
. Галичин,
Н.А. Влияние повышенной влажности на стабильность электретного состояния в
полиимидных плёнках/ Н.А. Галичин, М.Э. Борисова // Электротехника. - 2007.- №
3. - С. 24-28.
. Галичин,
Н.А. Влияние увлажнения на процесс релаксации заряда в пленках полиимида / Н.А.
Галичин, Е.В. Иванова, М.Э. Борисова // Материалы межвузовской научной
конференции «ХХХV неделя науки СПбГПУ». 20.1124.11.2006, СанктПетербург. СПб.:
СПбГПУ, 2007. - Ч. II. - С.23-25.
. Галичин,
Н.А. Релаксация заряда в обработанных частичными разрядами полиимидных пленках
/ Н.А. Галичин, М.Э. Борисова // Материалы межвузовской научной конференции
«ХХХVI неделя науки СПбГПУ». 26.111.12.2007, СанктПетербург. - СПб.: СПбГПУ,
2008. - Ч. II. - С. 47.
. Галичин,
Н.А. Влияние обработки в барьерном разряде на релаксацию заряда в полиимидных
пленках / Н.А. Галичин, М.Э. Борисова // Труды VIIIой Международной конференции
«Пленки и покрытия - 2007». 22.05-25.05.2007, СанктПетербург. - СПб.: СПбГПУ,
2007. - С. 180-182.
. Галичин,
Н.А. Действие частичных разрядов на релаксацию заряда в полиимидных пленках /
М.Э. Борисова, Н.А. Галичин, Е.С. Цобкалло // Материалы XI Международной
конференции «Физика диэлектриков» (Диэлектрики - 2008). 3.06 - 7.06.2008,
СанктПетербург. - СПб.: РГПУ им. А.И. Герцена, 2008. - Т. 2.- С. 93-95.
. Галичин,
Н.А. Особенности релаксации заряда в полиимидных пленках, модифицированных в
барьерном разряде / Н.А. Галичин // Вакуумная техника и технология. - 2008.- Т.
18. - № 3. - С. 217-223.
. Галичин,
Н.А. Влияние ЧР на релаксацию заряда в пленках полиимида и композициях на их
основе / М.Э. Борисова, Н.А. Галичин // Труды XII Международной конференции
«Электромеханика, электротехнология, электротехнические материалы и компоненты»
МКЭЭЭ - 2008 (ICEEE - 2008). 29.09. - 04.10.2008, Крым, Алушта. М.: МЭИ (ТУ),
2008. - С. 23.
. Рычков,
А.А. Электретный эффект в структурах полимерметалл / А.А. Рычков, В.Г. Бойцов -
СПб.: Издво РГПУ им. А.И. Герцена, 2000. - 250с.
. Рычков,
А.А. Влияние химического модифицирования поверхности полиэтилена высокого
давления на ег электретные свойства / А.А. Рычков и др. // Журнал прикладной
химии. - 2007. - Т. 80. - № 3. - С. 463-467.
. Смирнов,
Б.М. Возбужденные атомы / Б.М. Смирнов. - М.: Энергоиздат, 1982. - 232 с.
. Галичин,
Н.А. Действие частичных разрядов на механические и электрические свойства
полиимидных пленок / М.Э. Борисова, Е.С. Цобкалло, Н.А. Галичин // Материалы XI
Международной конференции «Физика диэлектриков» (Диэлектрики - 2008). 3.06 -
7.06.2008, СанктПетербург. - СПб.: РГПУ им. А.И. Герцена, 2008. - Т. 1. - С.
289-292.
. Слуцкер,
А.И. Об элементарных актах в кинетике электрического разрушения полимеров /
А.И. Слуцкер, Ю.И. Поликарпов, В.Л. Гиляров // Журнал технической физики. -
2006. - Т. 76. - № 12. - С.52-56.
. Слуцкер,
А.И. Структурнодинамическая гетерогенность - основа физики разрушения твердых
тел / В.Р. Регель, А.И. Слуцкер // Соросовский образовательный журнал. - 2004.
- Т. 8. - № 1. - С.86-92.