Производственная деятельность ОАО 'Уральская Сталь'

  • Вид работы:
    Отчет по практике
  • Предмет:
    Другое
  • Язык:
    Русский
    ,
    Формат файла:
    MS Word
    665,47 kb
  • Опубликовано:
    2012-01-15
Вы можете узнать стоимость помощи в написании студенческой работы.
Помощь в написании работы, которую точно примут!

Производственная деятельность ОАО 'Уральская Сталь'

Федеральное агентство по образованию

Федеральное государственное образовательное учреждение

Высшего профессионального образования

Государственный технологический университет

Московский институт стали и сплавов

Новотроицкий филиал

Кафедра металлургических технологий


Отчет по учебно - ознакомительной практике в ОАО «Уральская Сталь»


Выполнила: студентка

группы ММИО №23з

Прокина Е.А.

Проверил: Гавриш П.В.






Новотроицк 2009

Содержание

Введение

. Агломерационный цех

. Электросталеплавильный цех

. Мартеновский цех

Список литературы

Введение

На сегодняшний день «Уральская Сталь» - нишевый игрок на рынке металлопродукции в России, занимающий лидирующие позиции по производству штрипса, трубных заготовок, мостостали, стальной продукции для машиностроительной отрасли и заготовки на экспорт. Предприятие выпускает более ста марок углеродистой легированной и низколегированной стали; толстолистового, универсального широкополосного и сортового проката; огнеупоров, кокса и коксохимической продукции. На базе технологии природного легирования специалистами комбината были созданы 25 марок сталей нового поколения.

Применение передовых методов управления, в сочетании с богатым опытом и традициями, лучшими технологиями и уникальными кадрами является залогом для устойчивого долгосрочного развития «Уральской Стали». На комбинате предпринимаются энергичные шаги по масштабной перестройке бизнес-процессов и укреплению научно-технической и производственной базы, с целью наиболее эффективного использования потенциала одного из ведущих металлургических предприятий страны.

Комбинат производит следующие виды продукции:  <#"535981.files/image001.gif">

,3,6,8,10,12,13,21 - бункера; 2,4,7,11,20 - транспортные конвеера; 5 - первичный барабан - смеситель; 9 - вторичный барабан - окомкователь; 14 - горн; 15 - подготовленная шихта; 16 - постель; 17 - агломашина; 18 - дробилка; 19 - грохот; 22 - вакуумкамера; 23 - коллектор; 24 - циклоны; 25 - эксгаустер; 26 - питатели; 27 - труба

Рисунок 1 - Агломаш

. Электросталеплавильный цех

В состав ЭСПЦ входят:

две 120-тонные электропечи с мощностью трансформатора 95 МВА

две установки «ковш-печь»

одноручьевая машина непрерывной разливки слябов сечением (190-270) * 1200мм

четырехручьевая комбинированная МНЛЗ для разливки прямоугольной заготовки сечением 330 х 470 мм и круглой заготовки диаметром 430, 540 и 600мм

тупик для составов с изложницами

шихтовый двор

обжиговый участок

Применяемая в ЭСПЦ технология позволяет стабильно обеспечивать в стали массовую долю серы до 0,005% и фосфора до 0,015% и менее каждого, а также высокую чистоту стали по содержанию неметаллических включений. Эта технология гарантирует получение проката с механическими свойствами, превышающими требования отечественных и зарубежных стандартов.

Весь металл выплавляемый в цехе, подвергают внепечной обработке, включающей в себя: ввод в ковш твёрдой шлакообразующей смеси, продувку металла в ковше инертным газом через фурму в скоростном режиме. Разливку стали на МНЛЗ производят с зашитой струи металла от вторичного окисления. Технология гарантирует получение проката с механическими свойствами, превышающими требования отечественных (ГОСТ) и зарубежных (ОГМ) стандартов.

Электросталеплавильный цех отличается высоким уровнем автоматизации и механизации производственных процессов.

В ЭСПЦ используются ДСП с отворачивающимся сводом, который подвешивают к Г-образной конструкции (полупорталу). Приподнятый свод вместе со стойками и полупорталом поворачивают в горизонтальной плоскости вокруг вертикальной оси на 75- 90°, открывая рабочее пространство.

Все механизмы, за исключением механизма вращения корпуса, выполнены с гидравлическими приводами. Основная несущая конструкция печи (люлька) опирается на фундамент двумя сегментами. Свод жестко закреплен на полупортале, соединенном с корпусом печи. При работе печи нагрузка от свода, полупортала и электродержателей передается на кожух печи.

Механизм подъема и отворота свода расположен на отдельном фундаменте и не связан с люлькой.

Дуговая электропечь состоит из рабочего пространства с электродами и токоподводами и механизмов, обеспечивающих наклон печи, удержание и перемещение электродов и загрузку шихты.

Плавку ведут в рабочем пространстве, ограниченным сверху куполообразным сводом, снизу сферическим подом и с боков стенками. Огнеупорная кладка пода и стен заключена в металлический кожух. Объёмный свод набран из огнеупорных кирпичей, опирающихся на опорное кольцо. Через три симметрично расположенных в своде отверстия в рабочее пространство введены три токоподводящие электроды, которые с помощью спецмеханизмов могут перемещаться вверх и вниз. Печь питается трёхфазным током. Шихтовые материалы загружают на под печи после их расплавления в печи образуется слой металла и шлака. Плавление и нагрев осуществляется за счёт тепла электрических дуг, возникших между электродами и жидким металлом или металлической шихтой. Выпуск готовой стали осуществляется через эркерное отверстие ,расположенное в нижней части печи, а слив шлака через рабочее окно. Рабочее окно, закрываемое заслонкой, предназначено также для контроля за ходом плавки ремонта пода и загрузки материалов.

В качестве железосодержащих шихтовых материалов для получения металла в электропечах используются металлический лом и чугун. В качестве шлакообразующих применяют известь, известняк, боксит, шамотный бой, плавиковый шпат. Для легирования применяю практически все известные ферросплавы и легирующие.

Плавка металла в электропечи состоит из следующих периодов:

Заправка печи; загрузка шихты; плавление; окислительный период; восстановительный период; выпуск стали.

Заправка печи - исправление изношенных и повреждённых участков пода, удаление с подины остатков металла и шлака после очередной плавки. На повреждённые места подины и откосов забрасывают магнезитовый порошок. Длительность заправки 5 - 10 минут. При загрузке печи в центральную её часть (ближе к электродам) загружают крупные куски лома (40%), ближе к откосам - средний лом (45%), на подину и на верх - мелкий лом (15%). После окончания загрузки шихты электроды опускают почти до касания с шихтой и пускают ток. Под действием высокой температуры дуг (с выше 3000°С) шихта под электродами плавится, жидкий металл стекает вниз, накапливаясь в центральной части подины. Электроды постепенно опускаются, проплавляя в шихте «колодцы», и достигая крайнего нижнего положения. В дальнейшем по мере увеличения количества жидкого металла электроды поднимаются. Во время плавления происходит окисление и восстановление составляющих шихты. Плавка металла сопровождается многократным откачиванием шлака. После завершения плавки металл выдаётся из печи и разливается на МНЛЗ или в изложницы.

1 - механизм поворота ванны; 2 - корпус; 3 -свод; 4 - полупортал; 5 -газоотвод; 6 - электрод; 7 - электрододержатель; 8 -гибкий кабель; 9- механизм отворота свода; 10 - плунжер подъема свода; 11 - гидроцилиндры механизма наклона печи

Рисунок 2 - Печь ДСП-12

. Мартеновский цех

В состав мартеновского цеха входят:

главное здание, в котором находятся печной и разливочные пролеты

миксерные отделения № 1, 2

шихтовое отделение

В печном пролете имеется четыре однотипных мартеновских печи с номинальной садкой 450т и два двухванных сталеплавильных агрегата с садкой 2 * 250т. Все печи стационарные, основные, работают скрап-рудным процессом на жидком чугуне. В разливочном пролете имеется четыре разливочные площадки, разливка стали производится в листовые изложницы сверху (масса слитка 11,7, 13 и 14,5т) и в сортовые изложницы сифоном (масса слитка 8,3т). В миксерных отделениях № 1, 2 установлены два миксера емкостью по 1300т каждый для хранения передельного коксового чугуна.

В состав шихтового отделения входят склады магнитных и сыпучих материалов с бункерами ямного типа.

Особенностью сортамента комбината является то, что выплавляется только спокойная сталь, в том числе углеродистая качественная, низколегированная и легированная. Более половины всего сортамента - это сталь с массовой долей серы менее 0,025%.

В целях повышения качества стали в мартеновском цехе применяют отсечку печного шлака при выпуске плавки из печи в ковши с основной футеровкой, продувку стали в ковше инертным газом (аргоном или азотом), легирование алюминием с использованием трайб-аппаратов, а также разливку с защитой струи металла от окисления инертными газами. Внедрение этого комплекса внепечной обработки металла позволило обеспечить однородность стали по химическому составу, улучшить качество выплавляемой стали, и, в конечном итоге, обеспечить получение высококачественного проката.

Печи обслуживаются 5 заливочными кранами грузоподъёмностью 125/30 тонн и 7 завалочными машинами.

Подача шихтовых материалов к печам осуществляется в мульдах объёмом 1,6 - 2,2 м3, установленных на мульдовых тележках грузоподъёмностью 45 тонн. Для правки печей используются три заправочные машины ленточного типа. Печи отапливаются природным газом с карбюрацией мазутом до 25 - 70 % по теплу. Для интенсификации плавки применяется кислород, который подаётся в ванну через сводовые фурмы.

Имеются четыре разливочных балкона, у каждого из которых устанавливаются составы с изложницами. Вдоль разливочных балконов уложен железнодорожный путь для подачи составов с изложницами и в середине пролета - путь для подачи шлаковых чаш, полувагонов и думпкаров.

Назначение миксеров заключается в усреднении чугунно- разливочных плавок по химическому составу, поддерживании постоянства температуры чугуна и бесперебойное снабжение сталеплавильных печей чугуном.

В миксерные отделения №1 и №2 имеются по 1 миксерному крану грузоподъёмностью 125/30 тонн. Чугун из миксеров заливается в чугуновозные ковши и по эстакадам, соединяющим миксерные отделения с печным пролётом, электровозом транспортируются к мартеновским печам. В состав шихтового отделения входят склады металлолома и сыпучих материалов с бункерами ямного типа. Склад металлолома обслуживается шестью магнитными кранами, а склад сыпучих материалов двумя грейферными кранами, каждый грузоподъёмностью 15 тонн.

Принцип работы мартеновской печи заключается в следующем :

Проходя через предварительно нагретые насадки регенераторов, воздух и газ нагреваются до 1000-1200 °С и в нагретом состоянии через головку попадают в печь. При сгорании топлива (газ) образуется факел с температурой 1800-1900 °С. Пройдя головку, расположенную в противоположной стороне печи, раскалённые продукты сгорания попадают в другую пару насадок регенераторов и по системе боров уходят к котлу-утилизатору. При такой работе насадки регенераторов правой стороны не в состоянии нагревать газ и воздух, а регенераторы правой стороны перегреваются, происходит изменение направления газов с помощью перекидных клапанов. Холодный воздух и газ направляются через хорошо нагретые левые регенераторы, а продукты сгорания уходят в правую сторону печи, постепенно разогревая остывшие правые регенераторы, затем цикл повторяется. Через некоторое время наступает момент, когда направление газов опять меняется и т.д.

Выплавка стали производится в рабочем пространстве печи, которое ограничено сверху сводом, снизу подом. На задней стенке рабочего пространства находится отверстие для выпуска стали (сталевыпускное отверстие). В передней стенке видны проёмы - завалочные окна, через которые в рабочее пространство заливают жидкий чугун (по специальному приставному желобу) и загружают твёрдую шихту (металлолом, скрап). Завалочные окна закрываются заслонками с отверстиями - гляделками, через которые сталевар наблюдает за ходом плавки и состоянием печи.

Сущность мартеновского способа производства представляет собой передел чугуна и металлолома на подине пламенной отражательной печи в сталь заданного химического состава. Нагрев и расплавление металла в печи осуществляется за счёт тепла, выделяющегося при сгорании топлива.

Сталь получается путём окислительной плавки в результате сложных химических процессов при взаимодействии газовой, жидкой и твёрдой фаз. Газовая фаза образуется в результате сгорания топлива в рабочем пространстве (над поверхностью шихты, находящейся в ванне печи). Для обеспечения полного сгорания топлива, в печь подают воздух в количестве несколько большем теоретически необходимого количества. Избыток О2, СО2 и Н2О в продуктах сгорания обуславливают окислительный характер.

Готовая сталь выпускается из печи через сталевыпускное отверстие и разливается в изложницы. Затем составы с изложницами направляются на стрипперный участок, где стальные слитки выбиваются из изложниц. Выбитые из изложниц слитки отгружаются в обжимной цех.

агломерат металл мартеновский производство

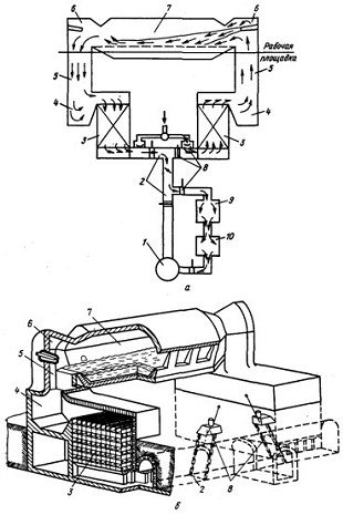
- дымовая труба; 2 - боров; 3 - регенератор; 4 - шлаковик; 5 - вертикальный канал; 6 - головка; 7 - рабочее пространство; 8 - реверсивные и регулирующие клапаны; 9 - котел-утилизатор; 10 - газоочистка

Рисунок 3 - Мартеновская печь

Список литературы

1.Воскобойников В.Г., Кудрин В.А., Якушев Ф.М. Общая металлургия. М., ИКЦ «Академкнига»,2002

.Линчевский Б.В., Соболевский А.Л., Кальменев Ф.Ф. Металлургия черных металлов. М., «Металлургия», 1980

. http://www.metallinvest.ru

Похожие работы на - Производственная деятельность ОАО 'Уральская Сталь'

 

Не нашли материал для своей работы?
Поможем написать уникальную работу
Без плагиата!
Без нейросетей!