Геолого-промысловый контроль и основы регулирования разработки месторождений нефти

  • Вид работы:
    Дипломная (ВКР)
  • Предмет:
    Геология
  • Язык:
    Русский
    ,
    Формат файла:
    MS Word
    802,36 kb
  • Опубликовано:
    2011-06-24
Вы можете узнать стоимость помощи в написании студенческой работы.
Помощь в написании работы, которую точно примут!

Геолого-промысловый контроль и основы регулирования разработки месторождений нефти

ВВЕДЕНИЕ


Данная курсовая работа представляет собой краткое обобщение и анализ современных знаний по теме "Геолого-промысловый контроль и основы регулирования разработки месторождений нефти".

Основные задачи работы - описать геолого-промысловый контроль и регулирование процесса разработки нефтегазовых месторождений.

При написании работы использован материал из следующих изданий: Жданов М.А. "Нефтегазопромысловая геология и подсчет запасов нефти и газа" (1981), Иванова М.М., Дементьев Л.Ф. "Нефтегазопромысловая геология и геологические основы разработки месторождений нефти и газа" (1992) и др.

Основная часть работы состоит из разделов: основные показатели состояния разработки, геолого-промысловый контроль процесса разработки, регулирование разработки. В основной части использовано 5 рисунков.

Объём курсовой работы 31 страница. В конце работы приведено графическое приложение в формате А3 "График (схема) эксплуатации пласта".

1. ОСНОВНЫЕ ПОКАЗАТЕЛИ СОСТОЯНИЯ РАЗРАБОТКИ

Для проведения эффективного контроля и регулирования процесса разработки необходимо вначале детально рассмотреть состояние разработки залежи нефти. Для этого нужно проанализировать состояние скважин на дату изучения, динамику изменения основных геолого-технических показателей, состояние обводнения залежи и характер распределения пластовых давлений на карте изобар. Изучение основных показателей состояния разработки позволит оценить полноту выработки запасов по отдельным участкам пласта, эффективность применяемой системы разработки и наметить мероприятия по регулированию разработки в целях интенсификации добычи и увеличения коэффициента нефтеотдачи.

Для наглядного изображения состояния разработки пласта составляется план-диаграмма.

План-диаграмма представляет собой структурную карту по кровле данного пласта, на которой при помощи условных обозначений показаны на определенную дату скважины следующих категорий:

) находящиеся в эксплуатации и дающие (раздельно) чистую нефть и нефть с водой;

) выбывшие из эксплуатации вследствие обводнения;

) выбывшие из эксплуатации вследствие перехода на газ;

) выбывшие из эксплуатации вследствие истощения;

) давшие при испытании воду;

) давшие при испытании газ;

) оказавшиеся при испытании непродуктивными вследствие ухудшения коллекторских свойств пласта;

) нагнетательные;

) пьезометрические, наблюдательные и т. п.

Совершенно очевидно, что рассмотрение такой диаграммы позволяет получить полное представление о состоянии разработки пласта на данную дату. Для установления динамики изменения состояния разработки такие диаграммы составляются на различные даты.

Другим наглядным показателем динамики эксплуатации залежи и состояния разработки является график эксплуатации пласта. На графике, приведённом в приложении, схематично приведены кривые лишь для некоторых показателей, характеризующих динамику разработки. Графическое изображение поведения пласта в процессе эксплуатации позволяет исследовать отдельные функции пласта и изучить их взаимосвязь.

Путем снятия ординат отдельных функций для данной абсциссы (например, для времени Т1) строят ряд производных графиков, характеризующих зависимость между давлением и текущей добычей нефти (точки 1 и 3), давлением и суммарной добычей нефти (точки 1 и 2), текущей добычей нефти и газовым фактором (точки 3 и 4) и т. п. Снимая указанные соотношения для ряда других точек оси асбцисс (для Т2, Е3 и т. п.), строят дополнительные кривые, характеризующие поведение пласта в процессе разработки. Далее, для рассмотрения характера распределения пластовых давлений строят карты изобар, используя замеры пластовых давлений глубинным манометром, замеры уровней, учитывая также данные пьезометрических и наблюдательных скважин.

Для характеристики изменения производительности и состояния обводненности скважин строят карты начальных, текущих (на дату изучения) и суммарных дебитов скважин путем вычерчивания круга с центром в точке расположения скважины. Радиус круга (в масштабе) определяется по формуле πr2 = Q, и площадь круга будет изображать (в масштабе) дебит скважины Q. Для характеристики обводненности площадь всего круга принимается за 100 %-ную обводненность. Тогда обводненности, например, 25 % будет отвечать площадь сектора, которому соответствует дуга 90°.

На этих же картах показывают начальный и текущий контуры нефтеносности.

2. ГЕОЛОГО-ПРОМЫСЛОВЫЙ КОНТРОЛЬ ПРОЦЕССА РАЗРАБОТКИ

скважина пластовый изобар нефтеотдача

Геолого-промысловый контроль разработки заключается в изучении и анализе процесса извлечения нефти из недр, выявлении факторов, влияющих на динамику добычи и обводнение залежи нефти, полноту выработки запасов и другие показатели, характеризующие процесс разработки в целом.

Эффективность контроля разработки в значительной мере зависит от объема и регулярности проведения опытно-промышленных и промысловых исследований по выявлению влияния различных факторов на полноту извлечения из недр нефти. Сюда относятся изучение влияния плотности сетки скважин на темп отбора и нефтеотдачу, проведение глубинных исследований гидродинамическими методами, осуществление различных промысловых исследований (замеры дебита, приемистости, обводненности и т. д.), химические анализы нефти и воды, радиометрические исследования, определение особенностей выработки пластов с помощью расходомеров и дебитомеров и др. Большое значение имеет проведение промыслово-геофизических исследований, с помощью которых решаются различные технические (при нарушении обсадных колонн, для определения высоты подъема цемента, при наличии заколонного движения жидкости и т. п.) и геолого-промысловые задачи (особенно в отношении контроля за заводнением неоднородных и расчлененных пластов).

Основой комплекса исследований заводнения пластов являются импульсные нейтронные методы, создание и внедрение которых резко улучшило контроль за процессом выработки продуктивных пластов. Широкое применение этих методов позволило установить важнейшие особенности заводнения пластов, способствовало созданию контроля за разработкой и обеспечило эффективность проведения работ по изоляции обводненных пластов.

В обязательный комплекс промыслово-геофизических исследований Татарии введено опробование пластов на кабеле в скважинах, бурящихся для уплотнения ранее спроектированной сетки скважин, и на заводненных участках.

При внедрении интенсивных систем разработки с применением очагового и различных видов площадного заводнения большое значение имеют методы контроля за разработкой с использованием меченых жидкостей (изотопов). Результаты проведенных работ свидетельствуют о широких возможностях этих методов при решении ряда задач нефтепромысловой геологии и контроле за разработкой.

Эти методы позволяют оцепить степень гидродинамической связи между пластами эксплуатационного объекта, между нагнетательными и эксплуатационными скважинами, определить участки аномально высоких скоростей движения закачиваемой воды, установить эффективную мощность пласта, обнаружить застойные зоны и целики нефти в заводненных зонах, уточнить корреляцию пластов, оценить охват залежи заводнением.

Таким образом, радиометрические и другие методы промыслово-геофизических исследований в комплексе с геолого-промысловыми данными дают возможность систематически следить за положением водонефтяного контакта и контуров нефтеносности, устанавливать направление и скорость движения жидкости в пласте, выявлять невырабатываемые пласты и участки залежи, обнаруживать оттоки нефти в законтурную часть залежи, определять ряд параметров, позволяющих оценивать заводненный объем залежи и коэффициент нефтеотдачи на разных стадиях разработки, а также решать различные задачи по техническому состоянию скважин и их обводнению. Всестороннее использование указанных методов дает возможность для обоснования необходимых мероприятий по улучшению системы разработки в целях эффективного и полноценного извлечения из недр нефти.

2.1 Стадии разработки и их характеристика

При анализе следует иметь в виду в общем случае основные четыре стадии разработки.

Первая стадия - стадия промышленного освоения эксплуатационного объекта, которая характеризуется ростом добычи нефти при малой ее обводненности. На этой стадии производится разбуривание скважин основного фонда и освоение системы заводнения. Стадия заканчивается выходом на максимальный проектный уровень добычи нефти.

Вторая стадия - стадия поддержания высокого более или менее стабильного уровня добычи нефти, нарастания обводненности скважин и перехода их с фонтанной добычи на механизированную. К концу стадии добывается 40-70 % извлекаемых запасов нефти.

Третья стадия - стадия значительного снижения добычи нефти. Наблюдается прогрессирующее обводнение продукции и выход части скважин из числа действующих. К концу третьей стадии добывается 80-90 % извлекаемых запасов нефти. Подавляющая часть скважин переводится на механизированный способ эксплуатации.

Четвертая стадия - завершающая - характеризуется низкими дебитами нефти, высокой обводненностью всех скважин и добываемой продукции. На этой стадии производится форсирование отбора жидкости для достижения высокого коэффициента нефтеотдачи. Третья и четвертая стадии разработки, характеризующиеся падением добычи нефти, относятся к позднему периоду разработки залежи.

 

.2 Анализ динамики обводнения залежи


В условиях вытеснения нефти водой геологические условия залегания нефти и свойства ее оказывают значительное влияние на характер обводнения пласта. Обычно в залежах нефти наиболее проницаемые зоны и линзы пласта обводняются в первую очередь, а на слабопроницаемых участках наблюдается очень медленное продвижение воды.

В залежах массивного типа, которые подстилаются подошвенной водой, создаются более благоприятные условия для постепенного подъема водонефтяного контакта, однако нередко с образованием конусов воды.

Значительная неравномерность обводнения характерна для залежей с вязкой нефтью, а также для залежей неоднородных пластов.

Динамика обводнения залежей с различным соотношением вязкостей нефти и воды в пластовых условиях весьма разнообразна. В залежах нефти с отношением вязкостей нефти и воды (μо) не более 3-4 безводный период продолжительный и интенсивное обводнение обычно развивается со второй половины третьей стадии разработки. При μо>4, как правило, наблюдаются краткий безводный период, быстрый рост обводнения уже на первой-второй стадиях разработки, продолжительный срок добычи нефти с обводненностью более 70-90 % .

При неоднородности пласта характер указанного обводнения усложняется. В этом случае к некоторому снижению обводненности продукции приводит применение более плотных сеток скважин.

Особо неблагоприятные условия отмечаются для залежей с μо>10: залежь быстро обводняется, содержание воды в продукции достигает 80-90%, скважины характеризуются длительным водным периодом эксплуатации.

Следовательно, эксплуатация скважин до их полного обводнения (не менее 97-99% обводненности), особенно скважин, расположенных в зонах выклинивания и в зонах стягивания контура нефтеносности, является вполне рентабельной.

О целесообразности длительной эксплуатации высокообводненных скважин свидетельствуют результаты анализа на ряде месторождений Волго-Уральской нефтегазоносной области по скважинам с обводненностью более 80 %. Установлено, что отбор нефти на одну скважину после обводнения более чем на 80 % достигает 5-10 % от суммарного отбора нефти за весь период работы скважины (а в отдельных случаях, например, на месторождении Вэлли в США, значительно больше). За период эксплуатации с обводненностью более 95 % добывается 1,5 % от суммарного отбора. Продолжительность эксплуатации скважин действующего фонда с обводненностью более 80 % в среднем составляет 3,6-5,3 года.

Весьма полезно проведение форсированной эксплуатации в обводненных скважинах. Практика проведения таких работ в Чечено-Ингушетии и Азербайджане показала увеличение нефтеотдачи в обводненных пластах с малой вязкостью нефти на 2-3 и даже 10-12 %.

 

.3 Анализ темпа разработки


Темпом разработки называют величину отбора жидкости из залежи за год, выраженную в процентах от начальных извлекаемых (или начальных балансовых) запасов нефти. В дальнейшем при анализе будут рассматриваться темпы разработки по отношению к начальным извлекаемым запасам.

В 1968 г. было принято целесообразным устанавливать темп разработки до 10-12 % в год. Однако такой темп может быть достигнут лишь на залежах сравнительно небольшого размера с благоприятной геологической характеристикой при применении заводнения или при наличии эффективного естественного водонапорного режима.

На большинстве залежей со средней геологической характеристикой обычно применяется отбор не более 6-8 % от начальных извлекаемых запасов нефти. На залежах с низкой проницаемостью коллекторов и большой вязкостью нефти (более 4-5 мПа∙с) даже при интенсивных системах воздействия на пласт удается достигнуть отбор жидкости не более 4-5 °/о в год. Такой же отбор имеет место и на весьма крупных залежах даже при хороших коллекторских свойствах и невысокой вязкости нефти, что связано с длительным периодом их освоения.

В связи с прогрессирующим обводнением залежи и уменьшением добычи нефти возникает важная задача выбора соответствующих темпов отбора жидкости в целях более полного извлечения запасов нефти в процессе эксплуатации. Этот вопрос детально рассмотрен М. М. Ивановой.

Согласно исследованиям М. М. Ивановой, третья стадия разработки завершается при снижении темпа добычи нефти примерно до 2 % в год от начальных извлекаемых запасов. В связи с этим отбор жидкости из пласта, минимально необходимый для обеспечения в конце третьей стадии такого темпа годовой добычи нефти, зависит от того, при каком обводнении продукции заканчивается основной период. Ниже приводятся величины этих показателей, рекомендуемые М. М. Ивановой:

Обводненность продукции к концу третьей стадии, % ...

30

40

50

60

70

80

85

90

95

97

Минимально необходимый темп отбора жидкости в конце третьей стадии, % от начальных извлекаемых запасов ....

2,9

3,3

4

5

7

10

20

40

67


Из приведенных данных следует, что для обеспечения оптимальной динамики добычи нефти, например, по залежам, завершающим основной период разработки с обводненностью 70%, необходимый в конце третьей стадии темп отбора жидкости должен быть не менее 7 %. Если темп отбора жидкости во второй стадии был значительно выше 7 %, то в третьей стадии он может снижаться. При этом среднегодовое снижение должно быть таким, чтобы обеспечить к концу основного периода разработки достаточное извлечение запасов. При максимальном темпе отбора жидкости, близком к 7%, в третьей стадии он может сохраняться постоянным. На залежах с темпом отбора жидкости во второй стадии ниже 7 % в третьей стадии, а иногда уже в конце второй стадии необходимо обеспечить его увеличение.

Аналогичное замечание может быть сделано и для других значений обводненности продукции в конце основного периода. Таким образом, динамика отбора жидкости во многом определяется геолого-физическими условиями залежей.

В третьей стадии уменьшение или сохранение темпа отбора жидкости более характерно для высокопродуктивных залежей с маловязкими нефтями и сравнительно монолитным строением пластов и, наоборот, значительное увеличение отбора жидкости отмечено на залежах, характеризующихся маловязкими нефтями с неоднородным строением продуктивных пластов, с большими водонефтяными зонами. Резкое увеличение отбора жидкости отмечается на залежах с повышенной вязкостью нефти. Следует иметь в виду, что в ряде случаев недостаточный темп отбора явился основной причиной преждевременного снижения добычи нефти и раннего вступления залежи в завершающую стадию разработки.

Максимальные темпы отбора жидкости на объектах Волго-Урала составляют 12,3-12,6 % в год от извлекаемых запасов и минимальные 3,2-4,0 %.

Как правило, темпы разработки в основной период эксплуатации (I, II и НГ стадии) тем выше, чем больше гидропроводность пласта. Для крупных объектов темпы разработки обычно ниже, чем для средних и малых объектов. Наконец, для маловязких нефтей темпы отбора выше, чем для более вязких.

В общем виде, учитывая геолого-физическую характеристику коллектора при прочих равных условиях и необходимость обеспечения максимальной нефтеотдачи, ориентировочно можно указать следующие оптимальные темпы отбора нефти по блокам крупных залежей и для сравнительно небольших залежей:

) при благоприятной геолого-физической характеристике - не более 6-12 % в год от извлекаемых запасов нефти;

) при неблагоприятной характеристике - около 4 %.

К концу второй стадии (началу снижения уровня добычи) должно отбираться не менее 40-70 %, а за основной период разработки 70-90 % извлекаемых запасов нефти.

2.4 Анализ полноты выработки запасов


Важным вопросом оценки эффективности осуществляемой системы разработки является полнота выработки запасов нефти. В связи с этим при анализах разработки первостепенное внимание должно уделяться выяснению степени охвата разработкой отдельных частей залежи, продуктивных пластов и прослоев. Эта задача может быть успешно решена при организации достаточно эффективного контроля за процессом разработки, обеспечивающего получение данных для качественной и количественной оценки состояния выработки запасов залежи. Величина коэффициента охвата характеризует степень вытеснения из пласта нефти и эффективность осуществляемой системы заводнения. Контроль выработки запасов и анализ охвата пластов заводнением для однопластовых залежей проводится более успешно, так как в этом случае можно не учитывать характер охвата пласта заводнением по мощности, поскольку пластовое давление по всей мощности примерно одинаковое, что практически обеспечивает выработку пласта по всей мощности. Поэтому достаточно изучения степени охвата пласта заводнением по площади пласта. Сопоставляя между собой отдельные участки залежи по темпу отбора запасов и текущей добыче нефти, можно судить о том, какие из участков вырабатываются недостаточно и что следует сделать для интенсификации их выработки. Для определения влияния закачки на пласт И. П. Чоловским и М. М. Ивановой было предложено строить карты этого влияния. Такие карты были составлены для центральных площадей Ромашкинского месторождения. Построение карт охвата закачкой пластов осуществляется следующим образом. На карту, отражающую особенности распределения типов коллекторов пласта, наносятся все работающие на данный пласт нагнетательные скважины с указанием объемов закачиваемой в них воды. По всем эксплуатационным скважинам приводится объем добычи из данного пласта и характер их работы. Для учета степени воздействия закачки воды (степени охвата) по условиям эксплуатации скважин выделяют три типа участков:

) участки, испытывающие влияние закачки, достаточное для фонтанной добычи;

) участки испытывающие влияние закачки, достаточное для механизированной добычи при относительной стабилизации пластового давления;

) участки, в которых влияние закачки не наблюдается. При отнесении участков к тому или другому типу основным показателем служит работа пластов в каждой скважине.

Первостепенной задачей является определение пластов, принимающих воду из нагнетательных скважин. Для этого используются такие виды исследований, как закачки в пласты радиоактивных изотопов и особенно определение приемистости пластов непосредственно в скважинах глубинными расходомерами, получение сведений о разобщении пластов пакерами, гидроразрывах и пр. В результате анализа данных исследований должно быть определено, сколько и в какие пласты закачано воды за какой-либо отрезок времени. Только после этого можно приступить к анализу работы пластов в эксплуатационных скважинах. Здесь важно знать, сколько нефти добывается из каждого пласта и каким способом. Основным источником сведений о работе пластов также являются промысловые исследования: на первом месте - исследования глубинными дебитомерами, фотоколориметрия добываемой нефти, гидродинамические методы исследования, данные о времени перфорации пластов и пр. На рис. 1 приведена карта влияния закачиваемой воды. На основе аналогичных исследований скважин и пластов М. М. Иванова и И. П. Чоловский показали, например, что из всех обследованных объектов на одном из участков Ромашкинского месторождения только шесть были охвачены активным влиянием закачки более чем на 75%, 29 объектов менее чем на 50 %, 23 объекта менее чем на 25 % каждый.

Рис. 1. Схема влияния закачиваемой воды (по И. П. Чоловскому)

Области высокой проводимости: 1 - получающая влияние, достаточное для фонтан ной добычи, 2 - получающая влияние, до статочное для механизированной добычи, 3 - не получающая влияния от закачки; 4 - площадь, занятая закачанной водой; 5 - коллекторы низкой проводимости; б - породы-неколлекторы; эксплуатационные скважины, в которых пласт: 7 - не перфорирован, 8 - перфорирован, но нефть не отдает, 9 - эксплуатируется насосом, 10 - дает фонтан нефти; нагнетательные скважины, в которых пласт: 11 - не перфорирован, 12 - перфорирован, но воду не принимает, 13 -принимает воду

При расчлененности объекта разработки на ряд отдельных изолированных друг от друга пластов степень воздействия на каждый из них нередко бывает различной, что приводит к неравномерной выработке отдельных пластов. В связи с разной проницаемостью пластов вода будет быстро вытеснять нефть из пластов с хорошими коллекторскими свойствами и почти совсем не будет вытеснять ее из пластов с ухудшенными коллекторскими свойствами. В результате интенсивность выработки пластов будет весьма различной. В таком случае о степени выработки отдельных пластов лучше всего судить по характеру приемистости воды в перфорированных интервалах пластов нагнетательных скважин. Для этого в закачиваемую воду добавляют радиоактивные изотопы, часть которых адсорбируется в призабойной зоне скважин против пластов, принимающих воду. Снятие кривой гамма-методом до и после закачки изотопов позволяет проследить пути движения нагнетаемой в скважину воды и определить пласты, принимающие воду. Из рис. 2 видно, что в скважине перфорированы четыре пласта, имеющие сходные коллекторские свойства. Между тем, судя по диаграмме, воду принимают только два - верхний и нижний. В то же время вследствие некачественного цементирования в этой скважине воду принимают также два нижних, неперфорированных пласта. Недостатком метода радиоактивных изотопов при определении поглощающих пластов является то, что он дает лишь качественную характеристику и не позволяет получить количественную оценку приемистости пластов.

Рис. 2. Результаты исследования нагнетательной скважины радиоактивными изотопами. Пласты: 1 - работающие, 2 - не работающие

Для количественной оценки приемистости пластов используют глубинные дебитомеры и расходомеры. С помощью глубинных дебитомеров и расходомеров определяют количество воды, поступающей в каждый перфорированный пласт в нагнетательной скважине, и количество жидкости, которое отдает каждый перфорированный пласт в эксплуатационной скважине.

На рис. 3 показан профиль приемистости нагнетательной скважины, по которому можно сделать вывод о том, что нижние пласты не принимают воду.

Рис. 3. Профиль приемистости нагнетательной скважины по данным исследования дистанционным дебитомером РГД-1-М

Недостатком расходомеров и дебитомеров является то, что они показывают не столько работу пластов, сколько работу перфорированной части колонны, т. е. фильтра скважины. Следовательно, полученные данные отражают техническое состояние скважины против исследуемого участка пласта.

Таким образом, данные глубинных дебитомеров-расходомеров для контроля за выработкой продуктивных пластов могут быть надежно использованы лишь в комплексе с другими исследованиями-радиометрией, термометрией и фотоколориметрией нефти. В связи с этим при контроле за работой пластов в эксплуатационных и особенно в нагнетательных скважинах с успехом применяется метод термометрии. Он основан на различной степени охлаждения или прогрева контактирующих со стенками скважин проницаемых пород в результате закачки в пласты поверхностной холодной воды или притока по пласту к забоям скважин горячей пластовой жидкости.

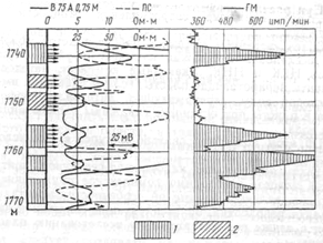
На термограмме рис. 4 видно, что из трех перфорированных пластов воду принимает только один средний.

Рис. 4. Термограмма нагнетательной скважины

Для характеристики работающих и неработающих пластов иногда используют метод фотоколориметрии. И. Ф. Глумов предложил использовать для целей контроля разработки коэффициент светопоглощения нефти (Ксп). Этот коэффициент характеризует наличие в нефти окрашенных веществ (смол и асфальтенов). Его определение производится весьма быстро и точно путем исследования небольшой по объему пробы нефти (несколько кубических сантиметров), отобранной на устье скважины, в лабораторных условиях при помощи фотоэлектро-колориметра типа ФЭК-М.

Величина Ксп нефти в определенной точке пласта в первую очередь зависит от ее расстояния до ВНК. Чем гипсометрически более высокое положение занимает пласт на структуре, тем светлее содержащаяся в нем нефть. Поэтому каждый пласт в разрезе скважины имеет свою величину Ксп, которая уменьшается в направлении снизу вверх от пласта к пласту. Так, в пределах внутреннего контура нефтеносности горизонта Д1 Ромашкинского месторождения Ксп нефти верхних пластов примерно 200-350 единиц, средних пластов - 350-450, а нижних- более 450 единиц.

В то же время величина Ксп нефти одного и того же пласта широко изменяется по площади. При этом вблизи контура нефтеносности находится более темная нефть. Так, в приконтурной области любого пласта горизонта Д1 Ксп нефти превышает 400-450 единиц. По мере удаления от контура нефтеносности к центру залежи Ксп нефти пласта постепенно уменьшается. Например, в сводовой части структуры Ромашкинского месторождения даже в самом нижнем пласте разреза Ксп нефти иногда достигает 250-300 единиц. Следовательно, при разработке залежи фактически добывается "меченая" нефть, обладающая, строго говоря, определенными свойствами в каждой точке пласта. Это позволяет использовать Ксп нефти для решения некоторых вопросов контроля разработки залежей нефти.

По данным об изменении характера Ксп нефти, поступающей в скважины, можно судить о направлении тока жидкости в пласте и скорости ее движения. Совершенно очевидно, что это возможно лишь для однопластовых месторождений, в которых величина изменения Ксп нефти по площади значительно превосходит величину его изменения по разрезу.

По скважинам, в которых работают один или два пласта, использование Ксп позволяет осуществлять приближенные количественные определения дебитов отдельных пластов.

Таким образом, метод фотоколориметрии нефти может дать некоторые сведения о работе пластов в эксплуатационных скважинах. При этом эффективность метода в основном зависит от степени изученности характера изменения Ксп нефти как по разрезу, так и по площади месторождения.

Информацию о характере работы пластов можно получить и с помощью методов промысловой геофизики. Для этой цели используются замеры резистивиметром и исследования нейтронными методами НГМ и НИМ.

Применение указанных методов основано на том, что в нижней части ствола большинства скважин имеется столб минерализованной воды. При достаточной скорости входящего потока водонефтяной раздел в стволе работающей скважины оказывается приуроченным к нижним перфорированным отверстиям пласта, отдающего нефть (рис. 5). В связи с тем, что выше этого раздела происходит восходящее движение жидкости, а ниже движения нет, то здесь скапливается пластовая минерализованная вода. Следовательно, если ниже водонефтяного раздела в стволе скважины имеются перфорированные пласты, можно считать, что они в работе скважины либо вообще не участвуют и не отдают нефть, либо участвуют, но слабо.

Водонефтяной раздел в стволе скважины достаточно четко определяется резистивиметром, фиксирующим резкое (скачкообразное) снижение сопротивления жидкости по стволу скважины.

Рис. 5. Определение неработающих пластов в эксплуатационной скважине по данным комплекса методов НГМ-ННМТ

Более уверенные данные о работе пластов можно получить при исследовании скважин комплексом радиометрических методов НГК и ННК. Указанный комплекс методов позволяет выявить неработающие пласты, если в скважине имеется столб пластовой воды, перекрывающий интервалы перфорации, или если в пласты при остановке скважины попала минерализованная вода.

Таким образом, для наиболее эффективного контроля за работой пластов необходимо комплексное применение различных методов, включая данные об особенностях и деталях строения объекта разработки, об эксплуатации скважин и залежи в целом, а также все материалы по исследованию пластов в скважинах.

Следует иметь в виду, что большую помощь при выделении неработающих пластов могут оказать карты распространения коллекторов пласта. Для этого на картах показываются различные фациальные разности пород, а также зоны, которые по каким-либо причинам не имеют связи с нагнетательными скважинами. В этом случае можно достаточно уверенно считать, что в скважинах, оказавшихся по данному пласту в зонах, не имеющих гидродинамической связи с нагнетательными скважинами, этот пласт работать не может.

Необходимо иметь в виду, что главной задачей контроля разработки является выяснение полноты и темпов выработки каждого из пластов и прослоев, объединенных в один объект разработки, и определение на основании этих данных мероприятий по интенсификации разработки и повышению нефтеотдачи пластов.

3. РЕГУЛИРОВАНИЕ РАЗРАБОТКИ

Основной задачей регулирования разработки является достижение высокого коэффициента нефтеотдачи при оптимальных технико-экономических показателях.

Регулирование процесса разработки предусматривает осуществление следующих мероприятий:

) анализ правильности, размещения эксплуатационных и нагнетательных скважин, обеспечивающих полноту отбора нефти;

) анализ отборов жидкости и закачки воды в скважинах, в целях достижения максимального коэффициента вытеснения нефти;

) регулирование разработки в целом путем оценки текущего и возможного конечного коэффициентов нефтеотдачи.

 

3.1 Анализ размещения скважин


В условиях неоднородного пласта в результате опыта разработки следует уточнить местоположение целиков нефти, зоны прерывистого залегания пласта, а также изолированных линз.

В зонах, не имеющих гидродинамической связи с линиями нагнетания, вскрытых лишь эксплуатационными скважинами, а также в зонах, имеющих слабую гидродинамическую связь, необходимо развивать систему заводнения. Для этого либо продлевают существующие линии разрезания, либо проектируют дополнительно новые линии разрезания, либо создают очаговое заводнение, что в ряде случаев наиболее эффективно. Очаги заводнения следует создавать на каждом изолированном, а также удаленном от линии нагнетания участке, на котором пробурены эксплуатационные скважины.

Для нагнетания выбираются скважины из числа имеющихся эксплуатационных или, если необходимо, бурятся новые скважины с таким расчетом, чтобы под воздействием закачки оказался весь изолированный участок и влияние от нее испытывало бы наибольшее число эксплуатационных скважин.

В последующем каждый очаг заводнения при необходимости может быть превращен в дополнительную линию разрезания. Эти дополнительные линии разрезания в ряде случаев являются высокоэффективным средством регулирования разработки, особенно когда необходимо приблизить область питания к зоне отбора в целях интенсификации выработки пластов с ухудшенными коллекторскими свойствами или с повышенной вязкостью нефти.

Дополнительные линии разрезания проводят либо по специально выбранным направлениям, например вкрест протяженности полос песчаных коллекторов, или параллельно существующим линиям нагнетания.

Нередко в уже существующих линиях разрезания требуется проведение дополнительных нагнетательных скважин. Эти новые нагнетательные скважины размещаются в разрезающих рядах между бывшими ранее продуктивными и действующими скважинами. В таких скважинах перфорацией вскрываются прослои, имеющие гидродинамическую связь с зоной отбора, но не принимающие воду в уже работающих нагнетательных скважинах, либо принимающие ее в недостаточном объеме.

В зонах, вскрытых лишь нагнетательными скважинами, не имеющих эксплуатационных скважин, проводятся дополнительные эксплуатационные скважины, число и размещение которых должно соответствовать размерам и конфигурации выявленных зон распространения коллекторов.

 

.2 Вытеснение нефти водой


Для установления степени вытеснения нефти водой следует выявить залежи, а также отдельные пласты и прослои, на которых влияние закачки сказывается недостаточно или вообще не сказывается. Это нередко наблюдается и на участках с хорошей гидродинамической связью зоны нагнетания с зоной отбора, на которых недостаточность влияния закачки обусловлена главным образом тем, что из нескольких пластов (или прослоев), объединенных в один объект разработки в нагнетательных скважинах при совместной закачке, воду принимают только один-два пласта с лучшими фильтрационными свойствами. Для повышения приемистости таких пластов осуществляют селективный гидроразрыв в них (с применением пакеров), повышение давления нагнетания, обработку призабойной зоны химическими реагентами, раздельную закачку в объект нагнетания с использованием соответствующего оборудования путем разукрупнения объекта и т. п. Полезно также изменение направления фильтрационных потоков жидкости в пласте путем периодической остановки отдельных групп нагнетательных скважин с последующим пуском их через 2-4 месяца.

При регулировании разработки большое внимание должно быть уделено контролю отбора жидкости в эксплуатационных скважинах и закачки воды в нагнетательных скважинах в целях более или менее равномерной промывки водой всех участков пласта. При этом следует иметь в виду, что эффективность процесса разработки зависит также и от экономического расходования рабочего агента - воды.

Необходимо вести наблюдение за характером продвижения контура нефтеносности, так как выработка запасов нефти осуществляется только в тех зонах, в которых происходит продвижение фронта воды. В связи с этим возникает вопрос о регулировании фронта движения воды, т. е. контура водоносности. Оно оказывается возможным лишь в более или менее однородных пластах. В неоднородных пластах обеспечить равномерное стягивание контура нефтеносности путем соблюдения соответствующих отбора жидкости и закачки воды крайне трудно.

В таких случаях регулирование движения контура водоносности должно осуществляться в пределах имеющихся возможностей с учетом разнообразия проводимых для этого мероприятий, а именно: ограничения отбора в высокопроницаемых пластах (если это целесообразно), форсирования отбора в плохо проницаемых пластах (с помощью повышения давления нагнетания, путем раздельной закачки, дополнительно очагового заводнения) и др.

Иногда может оказаться рациональной организация опережающего вытеснения нефти из нижних пластов объекта разработки по сравнению с верхними благодаря технической возможности изоляции нижних пластов по мере их обводнения.

Весьма полезно при заводнении неоднородных пластов и для полного вытеснения нефти применение циклического метода заводнения, часто в комплексе с переменной направления фильтрационных потоков жидкости в пласте. Циклический метод заключается в периодическом изменении расхода или давления нагнетаемой в пласт воды. Преимущество этого метода перед методом стационарного заводнения заключается в том, что при нестационарном режиме заводнения возникают дополнительные перепады давления между участками разной проницаемости, в результате чего увеличивается охват заводнением плохо проницаемых нефтенасыщенных участков коллектора. Метод циклического заводнения с переменой направлений потоков жидкости в пласте успешно применяется на значительных участках Ромашкинского месторождения.

В процессе регулирования разработки и для ее интенсификации приходится решать задачу выбора оптимального забойного давления в эксплуатационных скважинах. Практика работ в Башкирии, Татарии и в других районах показала, что снижение забойного давления ниже давления насыщения эффективно в безводных эксплуатационных скважинах, а в обводненных скважинах целесообразность такого снижения забойного давления требует дальнейшего изучения.

Важным моментом регулирования разработки является также своевременная изоляция обводнившихся пластов в эксплуатационных скважинах, что в значительной мере повышает технико-экономические показатели разработки залежи, поскольку в этом случае резко сокращается объем отбираемой попутно с нефтью воды.

Наконец, следует отметить, что большую помощь при исследовании характера вытеснения нефти из объекта оказывают карты изобар. Изучение карт изобар и участков повышенного и пониженного пластового давления дает возможность судить о равномерности осуществления системы разработки и необходимости проведения более интенсивного отбора жидкости на участках повышенного давления, что обеспечит более полноценное вытеснение нефти из объекта.

Анализ карт изобар позволяет также установить участки с аномальным пластовым давлением, образующимся вследствие межпластовых перетоков (в раздельно эксплуатируемых пластах) жидкости при наличии хорошей гидродинамической связи между пластами, что усложняет условия выработки этих пластов.

 

.3 Нефтеотдача


Повышение коэффициента нефтеотдачи относится к важным народнохозяйственным задачам по эффективному использованию природных ресурсов. Для ее решения необходимо вести в процессе разработки определение текущего коэффициента нефтеотдачи как по уже заводненному участку площади, так и по площади, охваченной заводнением. Для заводненного участка расчет этого коэффициента ведется по данным о добыче нефти на этом участке (Qдоб) и начальных балансовых запасах, подсчитанных объемным методом (Qзап).

Коэффициент нефтеотдачи по заводненному участку будет равен отношению


Следует иметь в виду, что точность такого подсчета зависит главным образом от точности определения параметров, по которым определялись начальные балансовые запасы нефти по участку.

Для определения текущего коэффициента нефтеотдачи для площади, охваченной заводнением, пользуются соотношением


где Кв - коэффициент вытеснения; К′охв-коэффициент охвата заводнением площади объекта; К′′охв-коэффициент охвата заводнением мощности объекта.

Большую роль при определении остаточной нефти и коэффициентов нефтеотдачи в заводненных, и промытых участках пласта играют оценочные скважины, а также промыслово-геофизические исследования в обводненных скважинах. Опыт разработки нефтяных месторождений свидетельствует о том, что η даже при воздействии на пласт с помощью заводнения в большинстве случаев не превышает 0,5-0,6. Анализ состояния разработки большинства месторождений СНГ показывает, что объем нефти, оставляемой в пластах на месторождениях, заканчиваемых разработкой или находящихся в поздней стадии разработки, весьма значителен. Только по 200 таким месторождениям, залегающим на глубинах до 1200 м, он составляет свыше 3 млрд. т. Например, в Куйбышевской области по 20 нефтяным месторождениям такого типа оставлено около 30 % начальных запасов нефти; по 42 месторождениям Краснодарского края и по 10 месторождениям Сахалина- около 22 %;по 27 месторождениям Эмбенского района Казахстана - 12%, а по 25 месторождениям Азербайджана до глубины только 1000 м коэффициент нефтеотдачи составляет не более 0,15.

Огромное количество нефти остается и в пластах месторождений, которые разрабатываются в настоящее время; из них извлекается около 50 % первоначальных балансовых запасов нефти. Совершенно очевидно значение повышения нефтеотдачи пластов. Увеличение нефтеотдачи хотя бы на 1 % даст в масштабе страны десятки миллионов тонн в год дополнительно нефти, что равносильно открытию большого количества крупных нефтяных месторождений. Для совершенствования существующих методов разработки и повышения коэффициента нефтеотдачи необходимо уделить особое внимание вопросам более рационального выбора плотности сеток и размещения эксплуатационных скважин, увеличения закачки воды в пласт, повышения перепада давления между зонами нагнетания и отбора жидкости, применения форсированного отбора жидкости из сильнообводненных пластов и др. Большое значение для повышения нефтеотдачи пластов имеет проведение мероприятий по интенсификации добычи нефти (МИН). Следует, однако, иметь в виду, что успешное применение различных физико-химических и тепловых МИН требует достаточно плотной сетки скважин (нередко до 0,02 км2/скв.), что вызывает необходимость доуплотнения существующих сеток. Значительно улучшают нефтевымывающие свойства закачиваемой воды добавки поверхностно-активных веществ (особенно так называемых неионогеиных ПАВ, например, полиэтилена и др.). Хороший эффект наблюдается при добавке в закачиваемую воду загустителей - жидкого стекла, полимеров. Наибольшее применение получили полиакриламиды (ПАА). Применение загустителей нередко повышает η на 12-20 %. Нагнетание в пласт водовоздушных (водогазовых) смесей и пен (пенообразующих агентов) также способствует вытеснению нефти и снижению количества попутно добываемой воды. Весьма эффективной является закачка воды с растворенным в ней СО2 (карбонизированной воды). Нагнетание сухого газа под высоким давлением (выше 26 МПа) повышает нефтеотдачу почти на 10-15 %. Использование при закачке воды оторочки из сжиженных газов (обычно пропана) также способствует более полному вытеснению нефти. Наконец, более полного вытеснения нефти можно добиться путем применения различных термических методов: закачки в пласт перегретого пара, горячей воды, прогрева призабойной зоны с помощью электронагревателей. Весьма перспективным направлением является осуществление подземных термоядерных взрывов с целью увеличения проницаемости за счет создания искусственной трещиноватости.

В заключение следует отметить, что величина коэффициента нефтеотдачи на месторождениях России колеблется в широких пределах - от 0,33 до 0,78. Среднее значение этого коэффициента по месторождениям США равно 0,325 (с учетом мероприятий по интенсификации добычи). Ниже приведена величина η по другим зарубежным странам (в числителе - без учета применения вторичных методов, в знаменателе - с учетом их применения):


ЗАКЛЮЧЕНИЕ

Для наглядного изображения состояния разработки пласта составляется план-диаграмма.

Геолого-промысловый контроль разработки заключается в изучении и анализе процесса извлечения нефти из недр, выявлении факторов, влияющих на динамику добычи и обводнение залежи нефти, полноту выработки запасов и другие показатели, характеризующие процесс разработки в целом. Эффективность контроля разработки в значительной мере зависит от объема и регулярности проведения опытно-промышленных и промысловых исследований по выявлению влияния различных факторов на полноту извлечения из недр нефти.

В условиях вытеснения нефти водой геологические условия залегания нефти и свойства ее оказывают значительное влияние на характер обводнения пласта.

Темпом разработки называют величину отбора жидкости из залежи за год, выраженную в процентах от начальных извлекаемых (или начальных балансовых) запасов нефти.

Основной задачей регулирования разработки является достижение высокого коэффициента нефтеотдачи при оптимальных технико-экономических показателях.

СПИСОК ИСПОЛЬЗОВАННОЙ ЛИТЕРАТУРЫ

1.       Вадецкий Ю.В. Нефтегазопромысловая энциклопедия (3-хтомник). М., Недра, 2004г.

.        Жданов М.А. Нефтегазопромысловая геология и подсчет запасов нефти и газа. М., Недра, 1981г.

.        Иванова М.М., Дементьев Л.Ф. Нефтегазопромысловая геология и геологические основы разработки месторождений нефти и газа. М., Недра, 1992г.

.        Максимов М. И. Геологические основы разработки нефтяных месторождений. М., Недра, 1975.

Похожие работы на - Геолого-промысловый контроль и основы регулирования разработки месторождений нефти

 

Не нашли материал для своей работы?
Поможем написать уникальную работу
Без плагиата!
Без нейросетей!