Автоматизация инструментального производства
Министерство
образования Республики Беларусь
Белорусский
национальный технический университет
Кафедра
"Металлорежущие станки"
КУРСОВАЯ
РАБОТА
по
дисциплине "Автоматизация инструментального производства"
Минск
2011
СОДЕРЖАНИЕ
. Исходные данные
. Разработка управляющей программы
.1 Назначение длины заготовки
.2 Выбор режущего инструмента
.3 Разработка технологического
процесса обработки детали
.4 Выбор режимов резания
.5 Описание проходов
.6 Составление управляющей программы
Литература
Приложение
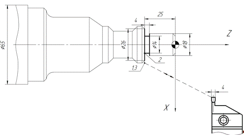
1. Исходные данные
Обрабатываемый материал - сталь 20Х3МВФ ГОСТ
20072-74
Твердость - 157 НВ
Заготовка - круг Ø65 мм
Шероховатость обработанной поверхности - Ra 2,5
мкм
Рисунок 1 - Эскиз обрабатываемой детали
2. Разработка управляющей программы
.1 Назначение длины заготовки
Длина заготовки - с учетом параметра крепления
(установки) заготовки и припуска на подрезку торца назначаем длину заготовки:
35+120=155 мм.
сталь заготовка деталь резание
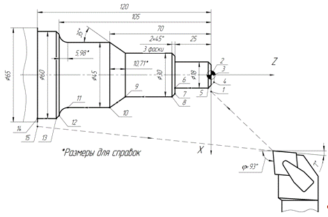
2.2 Выбор режущего инструмента
Для обеспечения формообразования поверхности
детали назначаем четыре резца (см. рис. 2):
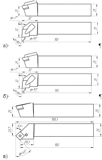
а - проходной подрезной резец DCLNR
2525M12 (позиция Т1) с
ромбической пластиной CNMG
120412-PM из твердого
сплава GC4225
(φ=93°) для черновой обработки детали.
б - проходной подрезной резец DCLNR
2525M12 (позиция Т3) с
ромбической пластиной CNMG
120404-WF из твердого
сплава GC4215
(φ=93°) для чистовой обработки детали.
в - проходной резец PSSNR
2525M12 (позиция Т4) с
ромбической пластиной SNMG
120408-PF из твердого
сплава GC4215
(φ=45°, φ1=45°)
для Обработки канавки Ø22 мм
г - канавочный резец (позиция Т6) для обработки
наружной прямой канавки, шириной пластины 4 мм из твердого сплава GC2135:
N123H-0400-002-CM
- пластина; RF123H25-2525
25BM - державка
Весь инструмент производства фирмы "Sandvik
Coromant".
Рисунок 2 - Режущий инструмент
.3 Разработка технологического процесса
изготовления детали
Выделяем две черные зону, в которой
предполагается, несколько прямолинейных проходов вдоль оси заготовки. Предлагаю
следующую схему обработки (рисунок 3,4,5,6):
подрезка торца, черновой обработка поверхностей
(Т1);
чистовая контурная обработка поверхностей детали
(Т3).
обработка канавки Ø22 (Т4);
обработка канавки Ø14 (Т6).
Рисунок 3 - Схема черновой обработки
Рисунок 4 - Схема чистовой обработки
Рисунок 5 - Схема обработки канавки Ø22
Рисунок 6 - Схема чистовой обработки канавки Ø14
.4 Выбор режимов резания
Режимы резания назначаем по рекомендациям фирмы
"Sandvik
Coromant" (см.
приложение) с учетом возможностей станка.
Технические возможности токарного станка с ЧПУ
16А20Ф3:
предел частот вращения 20…2500 об/мин
максимальная скорость рабочей подачи: поперечной
- 1000 мм/мин; продольной - 2000 мм/мин
Переход 1 - черновая обработка основных
поверхностей:
глубина резания t=3
мм;
подача на оборот S0=0,35
мм/об;
скорость резания V=200
м/мин;
частота вращения:
Частоту вращения рассчитываем по среднему
диаметру обработки:
n=1000V/(πDср)=1000·200/(3.14·37)=1721,5,
принимаем 1720 об/мин
минутная подача SМ=
S0·n=0,35·1720=602
мм/мин
Переход 2 - чистовая обработка основных
поверхностей:
глубина резания t=0,5
мм;
подача на оборот S0=0,15
мм/об;
скорость резания V=380
м/мин;
частота вращения:
Частоту вращения рассчитываем по среднему
диаметру обработки:
n=1000V/(πDср)=1000·380/(3.14·36)=3361.6,
принимаем 2500 об/мин
минутная подача SМ=
S0·n=0,15·2500=375
мм/мин
Переход 3 -обработка канавки Ø22
мм:
глубина резания t=1
мм;
подача на оборот S0=0,2
мм/об;
скорость резания V=360
м/мин;
частота вращения:
Частоту вращения рассчитываем по среднему
диаметру обработки:
n=1000V/(πDср)=1000·360/(3.14·26)=4409.6,
принимаем 2500 об/мин
минутная подача SМ=
S0·n=0,2·2500=500
мм/мин
Переход 4 - обработка канавки Ø14
мм:
глубина резания t=4
мм;
подача на оборот S0=0,12
мм/об;
скорость резания V=140
м/мин;
частота вращения:
Частоту вращения рассчитываем по среднему диаметру
обработки:
n=1000V/(πDср)=1000·140/(3.14·14)=3184,7,
принимаем 2500 об/мин
минутная подача SМ=
S0·n=0,12·2500=300
мм/мин
Полученные значения режимов резания заносим в
таблицу 1:
Таблица 1 - Параметры режимов резания
|
Номер
перехода
|
Глубина
резания
|
Подача
на оборот
|
Скорость
резания
|
Средняя
частота
|
Минутная
подача
|
Номер
инструмента
|
|
t, мм
|
S0, мм/об
|
V, м/мин
|
n,
об/мин
|
Sм, мм/мин
|
Т
|
|
Переход
1
|
3
|
0,35
|
200
|
1720
|
602
|
01
|
|
Переход
2
|
0,5
|
0,15
|
380
|
2500
|
375
|
03
|
|
Переход
3
|
1
|
0,2
|
360
|
2500
|
500
|
04
|
|
Переход
4
|
4
|
0,12
|
140
|
2500
|
300
|
06
|
.5 Описание проходов
Каждой опорной точке траектории присваивается
порядковый номер, как показано на рисунках 3,4,5,6
Переходы начерчены с помощью графического
редактора КОМПАС фирмы АСКОН. Данный графический редактор мне позволил определить
оптимальную траекторию движения инструмента для каждого перехода, определить
координаты опорных точек. Для простоты расчета опорных точек я проставил все
недостающие размеры, и обозначил их "*".
.6 Составление управляющей программы
Программирование производится в соответствии с
рекомендациями и правилами [1]. Управляющую программу с комментариями сведем в
таблицу 2.
Таблица 2 - Управляющая программа
|
№
кадра
|
Кадр
|
Доп.
символы
|
Комментарий
|
Опорная
точка
|
|
0
|
M42
|
|
2 диапазон скорости
|
|
|
1
|
M3
|
|
Правое
вращение шпинделя
|
|
|
2
|
T1
|
|
Выбор
инструмента №1
|
|
|
3
|
G96
|
*
|
Постоянная
скорость резания
|
|
|
4
|
P2500
|
*
|
Ограничение
чисел оборотов шпинделя 100 - 2500 об/мин
|
|
|
5
|
Р100
|
|
|
|
|
6
|
S
200
|
|
Скорость
резания 200 м/мин
|
|
|
7
|
M8
|
|
Включение
подачи СОЖ
|
|
|
8
|
G95
|
|
Режим
оборотной подачи
|
|
|
9
|
F 35
|
|
Подача
0,35 мм/об
|
|
|
10
|
0
|
|
Пропуск
для коррекции УП
|
|
|
11
|
X7000
|
~ *
|
Подвод
инструмента к заготовке
|
|
|
12
|
Z50
|
|
Припуск
по торцу 0,5 мм
|
1
|
|
13
|
X-50
|
|
Черновой
проход по торцу
|
2
|
|
14
|
Z300
|
~
|
Отход
от торца
|
3
|
|
15
|
X6100
|
~
|
Выход
для черновой обработки
|
4
|
|
16
|
Z-11950
|
|
Продольное
точение
|
5
|
|
17
|
Х7000
|
|
Поперечное
точение с выходом ин-та
|
6
|
|
18
|
Z300
|
~
|
Ускоренное
перемещение по оси Z
|
7
|
|
19
|
Х6100
|
~
|
Выход
для черновой обработки зон
|
8
|
|
20
|
G77
|
~ *
|
Многопроходный
черновой продольный цикл; - по окончании цикла резец вернется в точку Х6100,
глубина резания за один проход 2,5 мм; скос по оси Z - 1.1 мм.
|
8
|
|
21
|
Х5200
|
|
|
|
|
22
|
Z-10500
|
|
|
|
|
23
|
Р250
|
|
|
|
|
24
|
Р110
|
|
|
|
|
25
|
Х4600
|
~
|
Выход
для чернового прохода
|
9
|
|
26
|
Z-9900
|
|
Продольное
точение
|
10
|
|
27
|
Х5200
|
*
|
Точение
конуса
|
11
|
|
28
|
Z-10390
|
|
|
|
|
29
|
Z300
|
~
|
Ускоренное
перемещение по Z
|
12
|
|
30
|
Х4600
|
~
|
Выход
для обработки черновых зон
|
13
|
|
31
|
0
|
|
Пропуск
для коррекции УП
|
|
|
32
|
G77
|
~ *
|
Многопроходный
черновой продольный цикл; - по окончании цикла резец вернется в точку Х3100,
глубина резания за один проход 2,5 мм; скос по оси Z=10.7 мм
|
14
|
|
33
|
Х3100
|
*
|
|
|
|
34
|
Z-7000
|
*
|
|
|
|
35
|
Р300
|
*
|
|
|
|
36
|
Р1070
|
|
|
|
|
37
|
G77
|
~ *
|
Многопроходный
черновой продольный цикл; - по окончании цикла резец вернется в точку Х3100,
глубина резания за один проход 3 мм; скос по оси отсутствует
|
14
|
|
38
|
Х1900
|
*
|
|
|
|
39
|
Z-2450
|
*
|
|
|
|
40
|
Р300
|
*
|
|
|
|
41
|
Р0
|
|
|
|
|
42
|
0
|
|
Пропуск
для коррекции УП
|
|
|
43
|
X15000
|
~ *
|
Выход
в позицию смены инструмента
|
0
|
|
44
|
Z3000
|
|
|
|
|
45
|
T3
|
|
Выбор
инструмента №3
|
|
|
46
|
S380
|
|
Скорость
резания 380 м/мин
|
|
|
47
|
F15
|
|
Подача
0,15 мм/об
|
|
|
48
|
X2300
|
~ *
|
Выход
для чистового чистовой подрезки торца
|
1
|
|
49
|
Z0
|
|
|
|
|
50
|
Х-50
|
|
Подрезка
торца
|
2
|
|
51
|
Z200
|
~
|
Отход
инструмента от торца
|
3
|
|
52
|
Х1400
|
~
|
Выход
для точения фаски
|
4
|
|
53
|
Х1800
|
-45°
|
Точение
фаски
|
5
|
|
54
|
Z-2500
|
|
Продольное
точение
|
6
|
|
55
|
Х2600
|
|
Поперечное
точение
|
7
|
|
56
|
Х3000
|
-45°
|
Обработка
фаски
|
8
|
|
57
|
|
Продольное
точение
|
9
|
|
58
|
Х4500
|
*
|
Точение
конуса
|
10
|
|
59
|
Z-7000
|
|
|
|
|
60
|
Z-9902
|
|
Продольное
точение
|
11
|
|
61
|
G03
|
*
|
Обработка
дуги окружности против часовой стрелки; Х,Z -
координаты конечной точки; Р - координаты центра дуги относительно начальной
точки дуги по осям
|
12
|
|
62
|
X5600
|
*
|
|
|
|
63
|
Z-10500
|
*
|
|
|
|
64
|
P600
|
*
|
|
|
|
65
|
P0
|
|
|
|
|
66
|
Х6000
|
-45°
|
Обработка
фаски
|
13
|
|
67
|
Z-12000
|
|
Продольное
точение
|
14
|
|
68
|
Х7000
|
|
Поперечное
точение
|
15
|
|
69
|
Х15000
|
*
|
Выход
для смены инструмента
|
16
|
|
70
|
Z3000
|
|
|
|
|
71
|
T4
|
|
Выбор
инструмента №4
|
|
|
72
|
S360
|
|
Скорость
резания 360 м/мин
|
|
|
73
|
F20
|
|
Подача
0,20 мм/об
|
|
|
74
|
X3500
|
~ *
|
Подход
для обработки канавки Ø22
|
1
|
|
75
|
Z-3550
|
|
|
|
|
76
|
Х2800
|
|
Врезание
в деталь
|
2
|
|
77
|
Z-5000
|
|
Продольное
точение
|
3
|
|
78
|
Х2600
|
|
Врезание
в деталь
|
4
|
|
79
|
Z-3550
|
|
Продольное
точение
|
5
|
|
80
|
Х2400
|
|
Врезание
в деталь
|
6
|
|
81
|
Z-5000
|
|
Продольное
точение
|
7
|
|
82
|
Х3500
|
~
|
Ускоренный
отвод
|
8
|
|
83
|
Z-3500
|
~
|
Ускоренный
подвод для точения
|
9
|
|
84
|
Х2200
|
|
Врезание
в деталь
|
10
|
|
85
|
G04
|
*
|
Выдержка
времени 3 секунды
|
11
|
|
86
|
P300
|
|
|
|
|
87
|
Z-5050
|
|
Продольное
точение
|
12
|
|
88
|
G04
|
*
|
Выдержка
времени 3 секунды
|
13
|
|
89
|
P300
|
|
|
|
|
90
|
Х3500
|
|
Ускоренный
отвод инструмента
|
14
|
|
91
|
Х15000
|
~ *
|
Выход
инструмента для смены
|
0
|
|
92
|
Z3000
|
|
|
|
|
93
|
T6
|
|
Выбор
инструмента №6
|
|
|
94
|
S140
|
|
Скорость
резания 140 м/мин
|
|
|
95
|
F12
|
|
Подача
0,12 мм/об
|
|
|
96
|
Х3000
|
~ *
|
Выход
для точения канавки
|
1
|
|
97
|
Z-2500
|
|
|
|
|
98
|
X1400
|
|
Прорезание
канавки
|
2
|
|
99
|
G04
|
*
|
Выдержка
времени 3 секунды
|
|
|
100
|
P300
|
|
|
|
|
101
|
Х3000
|
|
Вывод
инструмента из канавки
|
3
|
|
102
|
0
|
|
Пропуск
для коррекции УП
|
|
|
103
|
X20000
|
~ *
|
Выход
в позицию смены инструмента
|
|
|
104
|
Z10000
|
|
|
|
|
105
|
M9
|
|
Отключение
подачи СОЖ
|
|
|
106
|
M5
|
|
Стоп
шпинделя
|
|
|
107
|
M2
|
|
Конец
программы
|
|
ЛИТЕРАТУРА
Довнар С.С. Программирование для
УЧПУ токарных станков "Электроника НЦ-31-02". Методическое пособие. -
Мн.: БГПА, 1992.-31 с.
Общий каталог режущего и
вспомогательного инструмента фирмы "Sandvik
Coromant"
ПРИЛОЖЕНИЕ
Державка, пластина и режимы резания для перехода
4
Державка, пластина и режимы резания для перехода
2