Оптимизация систем автоматического регулирования с дифференцированием сигнала
Содержание
Введение
.Постановка задачи
.Вывод формул адекватности качества
переходных процессов КСАР и САР с Д
.Расчет базовых значений τу
и Тк
.Базовая настройка
. Оптимизация типовой САР с
использованием ЗС №1 как в КР №1
. Оптимизация типовой САР с использованием
ЗС№2 как в КР №1
.Оптимизация САР с Д на основе
экспериментальной переходной характеристики гл объекта регулирования как
произведение опережающего участка на инерционный
.САР со СУ, где Д и Ф по МПК в ОВ-4
на основе МПК в ЧВ
.Сравнение методов оптимизации САР с
объектом в виде ин. Звена 2-го порядка
10.Оптимизация по типу САР с Д + СУ
10.1Д и Ф по МПК в ОВ-2
.2Д и Ф по МПК в ОВ-3.1
.Сравнение Базовой САР с САР со СУ,
настроенной по методу МПК в ОВ-2,3.1, если объект задан в виде инерционного звена
первого порядка
.Метод оптимизации типовой САР по
методу Власова-Власюка
.Сравнение Базовой САР с САР,
настроенной по методу Власова-Власюка, если объект задан в виде последовательно
соединённых n инерционных
звеньев первого порядка
.Сравнение КСАР и САР с Д
Выводы
Литература
Введение
В области науки и техники одной из важнейших
является проблема разработки и внедрения систем автоматического регулирования,
решение которой позволит перейти на качественно новый этап автоматизации
технологических процессов. Данная задача нуждается в разработке инженерных
методов расчета автоматических систем, при которых мы бы получали наиболее
качественные и совершенные параметры регулирования.
Характерная особенность многих промышленных
объектов регулирования состоит в том, что их параметры и характеристики
изменяются в процессе работы. Это обусловлено внешними возмущениями,
действующими на объект, изменением режима работы технологического оборудования
и времени его эксплуатации. В новых условиях выбранная структура системы
регулирования и ее параметры могут оказываться неудовлетворительными. Данные
обстоятельства предъявляют существенно новые требования к качеству работы
промышленных систем регулирования. В связи с этим актуальной становиться задача
построения систем регулирования, изменяющих свойства в процессе работы так, что
независимо от внешних возмущений или вариаций параметров объекта, последний
будет работать в оптимальном режиме. В таких случаях строят системы с
дифференцированием сигнала в промежуточной точке системы регулирования. Решению
этой задачи способствуют возросшие функциональные возможности новых
унифицированных аналоговых средств автоматизации и вычислительной техники.
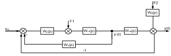
1.Постановка
задачи
.1Структурная
схема САР с Д
y(t)
- основная регулируемая величина (выход системы регулирования или выходная
переменная);
Хзд -
заданное значение регулируемого параметра;
Wр(р)
- передаточная функция регулятора;
Wд(р)
- передаточная функция дифференциатора;
Wоп(р)
- передаточная функция опережающего участка;
Wин(р)
- передаточная функция инерционного участка;
f1
- внутреннее возмущение;
f2
- крайнее внешнее возмущение.
1.2
Исходные данные
Коп
= 4,8 ºС/т/ч;
Кин=1ºС/т/ч;
Т0 =
90с;
Топ =
18с;
σоп=1,8с;
n
= 5.
, где
Коп - коэффициент
передачи опережающего участка;
Топ и σоп - постоянные
времени;
, где
Кин - коэффициент
передачи инерционного участка;
Тин и σин -
постоянные времени;
, где
Кр - коэффициент передачи
стабилизирующего регулятора
, где
Кд - коэффициент передачи
дифференциатора
автоматический
регулирование дифференцирование сигнал инерционный
2.Вывод
формул адекватности качества переходных процессов КСАР и САР с Д
Исходные данные:
Схема КСАР:
Известно, что оптимальные настройки
стабилизирующего регулятора 
, а корректирующего регулятора
, которые определяют прямые
показатели качества (ППК) при отработке 
F1, F2.
Необходимо для САР+Д для данного объекта 
найти оптимальные настройки 
.
Схема САР+Д:
ДОКАЗАТЕЛЬСТВО
Рассмотрим адекватность качества регулирования
переходных процессов КСАР и САР+Д при оптимизации F2:
Рассмотрим адекватность качества регулирования
переходных процессов КСАР и САР+Д при оптимизации F1:
3.Расчет
базовых значений τу
и Тк
По табл. II.1
на основании найденных отношений Та/Т0 и τ/Т0
для n=5 находим:

- данные из таблицы
Тк=308,92с.
=141,08с.
4.Базовая
настройка
Корректирующий регулятор,
настроенный по МПК в ЧВ:
Kр2=1,09
;
Ти2=308,92с.
В соответствии с «адэкватнасцю» КСАР
и САР с Д имеем значения параметров диференцирующкго звена:
Тд=Ти2=308,92с.
Кд=1/Кр2=1/1,09=0,92
Стабилизирующий регулятор,
настроенный по МЧК:
Kр1=1,66
;
Ти1=6,822с.
В соответствии с «адэкватнасцю» КСАР
и САР с Д имеем значения параметров регулятора:
Ти=Ти1=6,822с.
Кр*=Кр1/Кд=1,66/0,92=1,804
Отработка
задающего воздействия Хзд:
ППК
при отработке Хзд:
|
|
A1+
|
tn
|
A2+
|
ψ
|
|
База
|
0,16
|
1404
|
-
|
1
|
Отработка
внешнего возмущения f2:
ППК
при отработке f2:
|
A1+
|
tn
|
A2+
|
ψ
|
|
База
|
4.95
|
2255
|
0.27
|
0.95
|
Отработка
регулирующего воздействия Хр:
ППК
при отработке Хр:
5.
Оптимизация типовой САР с использованием ЗС№1 как в КР №1
КР по МПК в ЧВ с
«золотым сечением№1 как и в КР№1»:
В соответствии с
«адэкватнасцю» КСАР и САР с Д имеем значения параметров диференцирующкго звена:
1)при
Тд=Ти2=278,1с.
Кд=1/Кр2=1/0,81=1,23
)при
Тд=Ти2=171,9с.
Кд=1/Кр2=1/0,31=3,23
Стабилизирующий
регулятор, настроеный по МЧК с ЗС:
=2,31
=6,36с.
В соответствии с «адэкватнасцю» КСАР
и САР с Д имеем значения параметров регулятора:
1)Ти=
=6,36с.
Кр*=
/Кд=2,31/1,23=1,87
) Ти=
=6,36с.
Кр*=
/Кд=2,31/3,23=0,72
Отработка
задающего воздействия Хзд:
ППК
при отработке Хзд
|
|
A1+
|
tn
|
A2+
|
ψ
|
|
Тк=0,618*(Тк+tу)
|
0,068
|
1113
|
-
|
1
|
|
Тк=0,382*(Тк+tу)
|
0,036
|
2327
|
-
|
1
|
Отработка
внешнего возмущения f2:
ППК
при отработке f2:
|
A1+
|
tn
|
A2+
|
ψ
|
|
Тк=0,618*(Тк+tу)
|
4.97
|
1775
|
0.05
|
0.99
|
|
Тк=0,382*(Тк+tу)
|
4.97
|
2701
|
-
|
1
|
Отработка
регулирующего воздействия Хр:
ППК
при отработке Хр:
|
Тк=0,618*(Тк+tу)
|
Тк=0,382*(Тк+tу)
|
|
A1-
|
-1,4
|
-1,1
|
Вывод: На
основании ППК можно сказать, что при объекте в виде инерционного звена 2-го
порядка при настройке ПИ рег по МЧК с ЗС, а Д по МПК в ЧВ с ЗС при Тк=0,618*tу
система отрабатывается лучше, чем при настройке Д по МЧК с ЗС, а ПИ рег по МПК
в ЧВ с ЗС при Тк=0,382*(Тк+tу).
6.
Оптимизация типовой САР с использованием ЗС№2 как в КР №1
Стабилизирующий
регулятор, настроеный по МЧК с ЗС:
=2,31
=6,36с.
В соответствии с «адэкватнасцю» КСАР и САР с Д
имеем значения параметров регулятора:
1)Ти=
=6,36с.
Кр*=
/Кд=2,31/0,63=3,67
) Ти=
=6,36с.
Кр*=
/Кд=2,31/0,74=3,12
)Ти=
=6,36с.
Кр*=
/Кд=2,31/1,08=2,14
)Ти=
=6,36с.
Кр*=
/Кд=2,31/1,19=1,94
)Ти=
=6,36с.
Кр*=
/Кд=2,31/1,54=1,5
)Ти=
=6,36с.
Кр*=
/Кд=2,31/1,64=1,41
ПИ-2 по МПК в ЧВ с «золотым
сечением№2 как и в КР№1»:
В соответствии с «адэкватнасцю» КСАР
и САР с Д имеем значения параметров диференцирующкго звена:
Тд=Ти2=308,92с.
Кд=1/Кр2=1/1,58=0,63
В соответствии с «адэкватнасцю» КСАР и САР с Д
имеем значения параметров диференцирующкго звена:
Тд=Ти2=308,92с.
Кд=1/Кр2=1/1,35=0,74
В соответствии с «адэкватнасцю» КСАР
и САР с Д имеем значения параметров диференцирующкго звена:
Тд=Ти2=308,92с.
Кд=1/Кр2=1/0,92=1,08
В соответствии с «адэкватнасцю» КСАР
и САР с Д имеем значения параметров диференцирующкго звена:
Тд=Ти2=308,92с.
Кд=1/Кр2=1/0,84=1,19
В соответствии с «адэкватнасцю» КСАР
и САР с Д имеем значения параметров диференцирующкго звена:
Тд=Ти2=308,92с.
Кд=1/Кр2=1/0,65=1,54
В соответствии с «адэкватнасцю» КСАР
и САР с Д имеем значения параметров диференцирующкго звена:
Тд=Ти2=308,92с.
Кд=1/Кр2=1/0,61=1,64
Отработка
задающего воздействия Хзд:
ППК
при отработке Хзд:
|
A1+
|
tn
|
A2+
|
ψ
|
|
Тзд=0,382*tу
|
0,46
|
2752
|
0,12
|
0,74
|
|
Тзд=0,618*tу
|
0,32
|
2065
|
0,04
|
0,86
|
|
Тзд=1,382*tу
|
0,072
|
1487
|
-
|
1
|
|
Тзд=1,618*tу
|
0,032
|
1515
|
-
|
1
|
|
Тзд=2,382*tу
|
-
|
1784
|
-
|
-
|
|
Тзд=2,618*tу
|
-
|
1903
|
-
|
-
|
Отработка
внешнего возмущения f2:
ППК
при отработке f2:
|
A1+
|
tn
|
A2+
|
ψ
|
|
Тзд=0,382*tу
|
4,97
|
3652
|
1,17
|
0,76
|
|
Тзд=0,618*tу
|
4,97
|
2922
|
0,63
|
0,87
|
|
Тзд=1,382*tу
|
4,97
|
1691,6
|
0,12
|
0,98
|
|
Тзд=1,618*tу
|
4,97
|
1877
|
0,095
|
0,98
|
|
Тзд=2,382*tу
|
4,97
|
2461
|
-
|
1
|
|
Тзд=2,618*tу
|
4,97
|
2632
|
-
|
1
|
Отработка
регулирующего воздействия Хр:
ППК
при отработке Хр:
|
Тзд=0,382*tу
|
Тзд=0,618*tу
|
Тзд=1,382*tу
|
Тзд=1,618*tу
|
Тзд=2,382*tу
|
Тзд=2,618*tу
|
|
A1-
|
-2,5
|
-2,1
|
-1,5
|
-1,4
|
-1,11
|
-1,06
|
Вывод: На
основании ППК можно сказать, что если объект задан в виде инерционного звена
2-го порядка с запаздыванием, то лучше всего система отрабатывается при
настройках ПИ-рег по МЧК с ЗС, а Д по МПК в ЧВ с ЗС при Тзд=1,618*tу
.
7.Оптимизация
САР с Д на основе экспериментальной переходной характеристики гл объекта
регулирования как произведение опережающего участка на инерционный
В соответствии в графиком переходной
функции
Настройка дифференциатора:
Расчёт ПИ-регулятора:
).МПК в ЧВ при
;
).МПК в ЧВ при
;
).МЧК:
Ти=144,556 с.
). МЧК с ЗС
Отработка
задающего воздействия Хзд:
ППК
при отработке Хзд:
|
|
A1+
|
tn
|
A2+
|
ψ
|
|
Базовый метод
|
0,16
|
1404
|
-
|
1
|
|
МПК в ЧВ при ξ=1
|
0,21
|
1990
|
-
|
1
|
0,37
|
2892
|
0,04
|
0,89
|
|
МЧК
|
0,57
|
4438,3
|
0,15
|
0,74
|
|
МЧК с ЗС
|
0,61
|
4450
|
0,18
|
0,70
|
Отработка
внешнего возмущения f2:
ППК
при отработке f2:
|
|
A1+
|
tn
|
A2+
|
Ψ
|
|
Базовый метод
|
4.95
|
2255
|
0.27
|
0.95
|
|
МПК в ЧВ при ξ=1
|
4.97
|
2776
|
0.19
|
0.96
|
|
МПК в ЧВ при ξ=0,707
|
4.97
|
3674
|
0.61
|
0.88
|
|
МЧК
|
4.97
|
>5000
|
1.45
|
0.71
|
|
МЧК с ЗС
|
4.97
|
>5000
|
1.65
|
0.67
|
Отработка
внутреннего возмущения f1:
ППК
при отработкеf1:
|
|
A1+
|
tn
|
A2+
|
ψ
|
|
МПК в ЧВ при ξ=1
|
1.39
|
2538
|
0.04
|
0.97
|
|
МПК в ЧВ при ξ=0,707
|
0.92
|
2850
|
0.07
|
0.92
|
|
МЧК
|
0.45
|
3744
|
0.11
|
0.76
|
|
МЧК с ЗС
|
0.31
|
3637
|
0.09
|
0.71
|
Отработка
регулирующего воздействия Хр:
ППК
при отработке Хр:
|
Базовый метод
|
МПК в ЧВ при ξ=1
|
МПК в ЧВ при ξ=0,707
|
МЧК
|
МЧК с ЗС
|
|
A1-
|
-1,73
|
-1,54
|
-1,85
|
-2,2
|
-2,3
|
Вывод: На
основании ППК можно сказать, что при настройке системы с гл объектом
регулирования как произведение опережающего участка на инерционный, лучшим
методом настройки является настройка ПИ регулятора по МПК в ЧВ при коэффициенте
демпфирования равном 1.
8.САР
со СУ, где Д и Ф по МПК в ОВ-4 на основе МПК в ЧВ
Исходные данные:
Рассчитаем
необходимые настройки:
Настройка
основного регулятора по МЧК с участием Кд при Тд→∞
При коэффициенте демпфирования =1:
Кр=2,24 (т/ч)/0С;
Ти=6,85 с.
Тд=261,01 с.
Тф=141,08 с. Кд=0,740С/(т/ч);
При коэффициенте демпфирования
=0,707:
Кр=4,48 (т/ч)/0С;
Ти=6,85 с.
Тд=261,01 с.
Тф=141,08 с. Кд=0,370С/(т/ч);
9.Сравнение
методов оптимизации САР с объектом в виде ин. Звена 2-го порядка
Отработка
задающего воздействия Хзд:
ППК
при отработке хзд:
|
A1+
|
tn
|
A2+
|
ψ
|
|
База
|
0,16
|
1404
|
-
|
1
|
|
Тк=0,618*(Тк+tу)
|
0,068
|
1113
|
-
|
1
|
|
Тзд=1,618*tу
|
0,032
|
1515
|
-
|
1
|
|
МПК в ЧВ при ξ=1
|
0,21
|
1990
|
-
|
1
|
|
МПК в ОВ-4
|
0,84
|
>5000
|
0.6
|
0.28
|
Отработка
внешнего возмущения f2:
ППК
при отработке f2:
|
A1+
|
tn
|
A2+
|
ψ
|
|
База
|
4.95
|
2255
|
0.27
|
0.95
|
|
Тк=0,618*(Тк+tу)
|
4.97
|
1775
|
0.05
|
0.99
|
|
Тзд=1,618*tу
|
4,97
|
1877
|
0,095
|
0,98
|
|
МПК в ЧВ при ξ=1
|
4.97
|
2776
|
0.19
|
0.96
|
|
МПК в ОВ-4
|
4.98
|
>5000
|
3.52
|
0.29
|
Отработка
внутреннего возмущения f1:
ППК
при отработке f1:
|
A1+
|
tn
|
A2+
|
ψ
|
|
База
|
Находится
в пределах зоны нечувствительности
|
|
Тк=0,618*(Тк+tу)
|
|
|
Тзд=1,618*tу
|
|
|
МПК в ЧВ при ξ=1
|
МПК в ЧВ при ξ=1
|
1.39
|
2538
|
0.04
|
|
МПК в ОВ-4
|
Находится
в пределах зоны нечувствительности
|
Отработка
регулирующего воздействия Хр:
ППК
при отработке Хр:
|
База
|
Тк=0,618*(Тк+tу)
|
Тзд=1,618*tу
|
МПК в ЧВ при ξ=1
|
МПК в ОВ-4
|
|
А1-
|
-1,73
|
-1,4
|
-1,4
|
-1,54
|
-2.36
|
Вывод:
На основании ППК можно сказать, что если объект задан в виде инерционного звена
2-го порядка с запаздыванием, то система лучше всего отрабатывается при
следующих настройках: ПИ рег. по МЧК с ЗС, а Д по МПК в ЧВ с ЗС при
Тк=0,618*(Тк+tу)
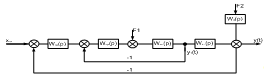
10.Оптимизация
по типу САР с Д + СУ
Структурная схема:
Рассчитаем
необходимые настройки:
.1Д
и Ф по МПК в ОВ-2
Исходные данные:
Настройка
основного регулятора по МЧК с участием Кд при Тд→∞
Кр=1,82 (т/ч)/0С;
Ти=6,83 с.
Тд=308,92 с.
Тф=141,08 с.
Кд=0,91 0С/(т/ч);
10.2
Д и Ф по МПК в ОВ-3.1
Исходные данные:
Рассчитаем необходимые настройки:
Настройка
основного регулятора по МЧК с участием Кд при Тд→∞
Кр=3,6 (т/ч)/0С;
Ти=6,83 с.
Тд=308,92 с.
Тф=141,08 с.
Кд=0,46 0С/(т/ч);
11.Сравнение Базовой САР с САР со
СУ, настроенной по методу МПК в ОВ-2,3.1, если объект задан в виде инерционного
звена первого порядка
Отработка
задающего воздействия Хзд:
ППК
при отработке Хзд:
|
A1+
|
tn
|
A2+
|
ψ
|
|
База 2-го порядка
|
0,16
|
1406,5
|
0,008
|
0,95
|
|
База 1-го порядка
|
0,04
|
944,2
|
-
|
1
|
|
СУ (МПК в ОВ-2)
|
0,1
|
1271,9
|
-
|
1
|
|
СУ (МПК в ОВ-3.1)
|
0,91
|
>5000
|
0.75
|
0.18
|
Отработка
внешнего возмущения f2:
ППК
при отработке f2:
|
A1+
|
tn
|
A2+
|
ψ
|
|
База 2-го порядка
|
4.95
|
2255
|
0.27
|
0.95
|
|
База 1-го порядка
|
4.96
|
1092
|
-
|
1
|
|
СУ (МПК в ОВ-2)
|
4.97
|
1556
|
0.044
|
0.99
|
|
СУ (МПК в ОВ-3.1
|
4.96
|
>5000
|
4.1
|
0.17
|
Отработка
внутреннего возмущения f1:
Отработка
регулирующего воздействия Хр:
ППК
при отработке Хр:
|
База 2-го порядка
|
База 1-го порядка
|
СУ (МПК в ОВ-2)
|
СУ (МПК в ОВ-3.1
|
|
A1-
|
-1,74
|
-1,6
|
-1,7
|
-2.8
|
Вывод:
На основании ППК можно сказать, что если объект задан в виде инерционного звена
первого порядка с запаздыванием, то система лучше всего отрабатывается при
следующих настройках: ПИ рег. по МЧК, а Д по МПК в ЧВ . Т.е. САР со СУ отрабатывает
систему хуже, чем типовая САР.
12.Метод
оптимизации типовой САР по методу Власова-Власюка
Метод Власова-Власюка представляет собой метод
перехода от передаточной ф-ции n
ин. Звеньев первого порядка к передаточной ф-ции в виде инерционного звена первого
порядка с запаздыванием.
1)Корректирующий
регулятор, настроенный по методу Власова-Власюка:
При
:
Kр2=0,202
;
Ти2=201,2с.
В соответствии с «адэкватнасцю» КСАР и САР с Д
имеем значения параметров диференцирующкго звена:
Тд=Ти2=201,2с.
Кд=1/Кр2=1/0,202=4,95
Стабилизирующий регулятор,
настроеный по МЧК:
Kр1=1,66
;
Ти1=6,822с.
В соответствии с «адэкватнасцю» КСАР
и САР с Д имеем значения параметров регулятора:
Ти=Ти1=6,822с.
Кр*=Кр1/Кд=1,66/4,95=0,34
2)Корректирующий
регулятор, настроенный по методу Власова-Власюка:
При
Kр2=0,404
;
Ти2=201,2с.
В соответствии с «адэкватнасцю» КСАР и САР с Д
имеем значения параметров диференцирующкго звена:
Тд=Ти2=201,2с.
Кд=1/Кр2=1/0,404=2,47
Стабилизирующий регулятор,
настроеный по МЧК:
Kр1=1,66
;
Ти1=6,822с.
В соответствии с «адэкватнасцю» КСАР и САР с Д
имеем значения параметров регулятора:
Ти=Ти1=6,822с.
Кр*=Кр1/Кд=1,66/2,47=0,67
13.Сравнение
Базовой САР с САР, настроенной по методу Власова-Власюка, если объект задан в
виде последовательно соединённых n
инерционных звеньев первого порядка
Отработка
задающего воздействия Хзд:
ППК
при отработке Хзд:
|
A1+
|
tn
|
A2+
|
ψ
|
|
База+е
|
0,16
|
1406,5
|
0,008
|
0,95
|
|
База+n
|
0,34
|
3649
|
0,09
|
0,74
|
-
|
3538,9
|
-
|
-
|
|
В-В при Е=0,707+n
|
0,06
|
1683,7
|
-
|
1
|
Отработка
внешнего возмущения f2:
ППК
при отработке f2:
|
A1+
|
tn
|
A2+
|
ψ
|
|
База+е
|
4,95
|
2255
|
0,27
|
0,95
|
|
База+n
|
4,9
|
4840
|
1,01
|
0,79
|
|
В-В при Е=1+n
|
4,9
|
4675
|
0,03
|
0,99
|
|
В-В при Е=0,707+n
|
4,9
|
2562
|
-
|
1
|
Отработка
внутреннего возмущения f1:
Отработка
регулирующего воздействия Хр:
ППК
при отработкеХр:
|
|
База+е
|
База+n
|
В-В при Е=1+n
|
В-В при Е=0,707+n
|
|
A1-
|
-1,74
|
-1,8
|
-
|
-1,15
|
Вывод:
На основании ППК можно сказать, что если объект задан в виде последовательно
соединённых инерционных звеньев 1-го порядка, то наилучшая отработка системы-
это метод Власова-Власюка при коэффициенте демпфирования равном 0,707.
14.Сравнение
КСАР и САР с Д
Объект в
виде инерционного звена 2-го порядка:
Отработка
задающего воздействия Хзд:
ППК
при отработке хзд:
|
A1+
|
tn
|
A2+
|
ψ
|
|
База(САР с Д)
|
0,16
|
1404
|
-
|
1
|
|
Тк=0,618*(Тк+tу)(САР с
Д)
|
0,068
|
1113
|
-
|
1
|
|
База(КСАР)
|
0,16
|
1404
|
0,008
|
0,95
|
|
Тк=0,618*tу+е(КСАР)
|
0.064
|
1102.1
|
-
|
1
|
Отработка
внешнего возмущения f2:
ППК
при отработке f2:
|
A1+
|
tn
|
A2+
|
ψ
|
|
База(САР с Д)
|
0,16
|
1404
|
-
|
1
|
|
Тк=0,618*(Тк+tу)(САР с
Д)
|
4.97
|
1775
|
0.05
|
0.99
|
|
База(КСАР)
|
4.97
|
2280
|
0.25
|
0.95
|
|
Тк=0,618*tу+е(КСАР)
|
4.97
|
1774.9
|
0.044
|
0.99
|
Отработка
внутреннего возмущения f1:
Отработка
регулирующего воздействия Хр:
ППК
при отработке Хр:
|
База(САР с Д)
|
Тк=0,618*(Тк+tу)(САР с
Д)
|
База(КСАР)
|
Тк=0,618*tу+е(КСАР)
|
|
A1-
|
-1,73
|
-1,4
|
-1.74
|
-1.4
|
Вывод: На
основании ППК и графиков можно сказать, что если объект в виде инерционного
звена 2-го порядка, то КСАР и САР с Д отрабатывают систему практически
одинаково, за исключением внутреннего возмущения f1.
Лучше всего система отрабатывается при следующих настройках: Для САР с Д- Д по
МПК в ЧВ с ЗС при Тк=0,618(Тк+tу)
и ПИ-рег по МЧК; Для КСАР-КР по МПК в ЧВ с ЗС при Тк=0,618(Тк+tу)
и СР по МЧК.
Объект в виде последовательно
соединённых инерционных звеньев 1-го порядка
Отработка
задающего воздействия Хзд:
ППК
при отработке хзд:
|
A1+
|
tn
|
A2+
|
ψ
|
|
База(САР с Д)
|
0,34
|
3649
|
0,09
|
0,74
|
|
В-В при Е=0,707(САР с Д)
|
0,06
|
1683,7
|
-
|
1
|
|
База(КСАР)
|
0.35
|
3643.5
|
0.1
|
0.71
|
|
В-В при Е=0,707(КСАР)
|
0.064
|
1678.3
|
-
|
1
|
Отработка
внешнего возмущения f2:
ППК
при отработке f2:
|
A1+
|
tn
|
A2+
|
ψ
|
|
База(САР с Д)
|
4,9
|
4840
|
1,01
|
0,79
|
|
В-В при Е=0,707(САР с Д)
|
4,9
|
2562
|
-
|
1
|
|
База(КСАР)
|
4.89
|
4839
|
1.03
|
0.79
|
|
В-В при Е=0,707(КСАР)
|
4.93
|
2566
|
0.03
|
0.99
|
Отработка
внутреннего возмущения f1:
Отработка
регулирующего воздействия Хр:
ППК
при отработке Хр:
|
База(САР с Д)
|
В-В при Е=0,707(САР с Д
|
База(КСАР)
|
В-В при Е=0,707(КСАР)
|
|
A1-
|
-1,8
|
-1,15
|
-1.79
|
1.16
|
Вывод: На
основании ППК и графиков можно сказать, что если объект в виде последовательно
соединённых инерционных звеньев 1-го порядка, то КСАР и САР с Д отрабатывают
систему практически одинаково, за исключением внутреннего возмущения f1.
Лучше всего система отрабатывается при следующих настройках: САР с Д и КСАР по
методу Власова-Власюка.
Выводы
В данном курсовом проекте была проведена работа
по оптимизации САР с Д. В итоге были получены следующие результаты:
Для начала был выполнен базовый метод настройки
дифференциатора и основного ПИ-регулятора. Далее, использовав уже известный
метод оптимизации по правилу «золотого сечения», мы добились улучшения в
настройках регулятора и дифференциатора, которые, при моделировании переходных
процессов, улучшили динамику работы системы. В результате проведенных расчетов
и анализа значений ППК, снятых с графиков, был выбран наиболее оптимальный на
мой взгляд метод настройки данной системы -метод золотого сечения(Д по МПК в ЧВ
с ЗС при Тк=0,618(Тк+tу),
ПИ-рег. по МЧК с ЗС). На втором этапе выполнения курсового проекта мы,
используя в своих сравнениях замену передаточной функции инерционного звена на
другие виды передаточной функции. Затем, используя различные методы оптимизации
и настройки системы, а также модификацию ее структурной схемы, были
смоделированы различные переходные процессы (представлены на рисунках в
курсовом проекте) и составлены таблицы ППК. Следует отметить, что сведение
значений прямых показателей качества существенно упрощает выбор и поиск
оптимально настроенной системы.
В результате множества методов улучшения работы
системы, можно прийти к выводу, что данная САР с Д наиболее лучше настроена при
использовании параметров динамической настройки, полученных при оптимизации с
использованием передаточной функции первого порядка с запаздыванием.
В результате сравнения наиболее оптимальных
методов оптимизации КСАР и САР с Д, было произведено сравнение ППК при
отработке различных возмущений. Сравнивая графики переходных процессов и
таблицы ППК, можно сделать вывод, что САР с Д практически не отличается от КСАР
.
Литература
1.
Кулаков Г.Т. «Инженерные экспресс-методы расчета промышленных систем
регулирования », Мн. - Вышэйшая школа 1984 г. -192 стр.
.
Кулаков Г.Т. «Анализ и синтез систем автоматического регулирования», Мн.- Технопринт
2003 г. -134 стр.
.
Кузьмицкий И.Ф., Кулаков Г.Т. «Теория автоматического управления», Мн. - БГТУ
2010 г.