|
Технические
параметры
|
Ед. изм.
|
Rарidrill 450
|
|
Рабочий стол
|
|
|
|
Размер стола
|
500х320
|
|
Максимальная
нагрузка стола
|
Кг
|
200
|
|
Т-пызы (число х
Ш х расстояние)
|
Мм
|
3х14х100
|
|
Главный
шпиндель
|
|
|
|
Мощность
двигатель главного шпинделя
|
кВт
|
3.7
|
|
Частота
вращения
|
мин-1
|
8000
|
|
Инструменты
|
|
|
|
Число позиций
|
мест
|
12
|
|
Время смены
инструмента
|
|
|
|
инструмент/инструмент
|
Сек
|
1.4
|
|
зажим
|
Сек
|
2.4
|
|
Вес инструмента
(максимально)
|
кг
|
2,5
|
|
Длина
инструмента (максимально)
|
мм
|
200
|
|
Диаметр
инструмента (максимально)
|
мм
|
80
|
|
Точность
|
|
|
|
Точность
позиционирования
|
мм
|
0,01
|
|
Точность
повтора
|
мм
|
0,008
|
|
Габариты
(ДхШхВ)
|
мм
|
1200 х 2280 х
2330
|
|
Вес
|
кг
|
2100
|
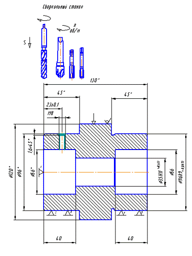
1.6. Расчет
сил резания для операции
Силы резания будут рассчитываться только для сверления, так
как при обработке используется комбинированный инструмент сверло-зенковка и
наибольшая осевая сила будет при сверлении отверстия.
Общемашиностроительные нормативы времени и режимов резания
для нормирования работ, выполняемых на универсальных и многоцелевых станках с
числовым программным управлением. [4]
Табличные значения режимов резания при сверлении.
Sот=0,19 мм/об
Vт =25.5 м/мин
Рт=1885 Н
Nт=0.64 кВтот -
подача табличная мм/об;
Р т - осевая сила резания табличная, Н [стр.126,
карта 46, лист 1];
Vт - скорость табличная м/мин;
Nт - мощность табличная, кВт [стр.126, карта 46,
лист 1];
Подача S, мм/об:
S = Sот · KSM, мм/об
от - подача табличная мм/об
KSM - 1,3 поправочный коэффициент на
подачу, в зависимости от материала заготовки [стр.143, карта 53, лист 1];
S = 0, 19· 1,3 = 0,247 мм/об;
Скорость при сверлении V, м/мин:
V = Vт ·Kvм· Kvз· Kvж· Kvт· Kvп· Kvи· KvL ·Kvw, м/мин
Vт - скорость табличная м/мин
K vм - 1,3 поправочный коэффициент на скорость, в
зависимости от материала заготовки [стр.143, карта 53, лист 1];
K vж - 0,8 поправочные коэффициенты на скорость для
измененных условий работы в зависимости от применения охлаждения [стр.145,
карта 53, лист 3];
K vw - 0,8 - поправочные коэффициенты на
скорость для измененных условий работы в зависимости от состояния поверхности
заготовки [стр.145, карта 53, лист 3];
K vз - 1,0 поправочные коэффициенты на скорость формы
и заточки инструмента [стр.146, карта 53, лист 4];
K vт - 1,0 поправочные коэффициенты на скорость для
измененных условий работы в зависимости от отношения фактического периода
стойкости к нормативному [стр.148, карта 53, лист 6];
K vн - 1.43 поправочные коэффициенты на скорость
инструментального материала [стр.146, карта 53, лист 4];
K vL - 1,0 поправочные коэффициенты на
скорость длины рабочей части сверла [стр.146, карта 53, лист 4];
V = 25.5 ·1,3· 0.8· 0,8· 1,0· 1,0· 1.43· 1,0 ·1.0 = 30,33
м/мин
Скорость при резьбонарезании V, м/мин:
V = Vт ·Kvм· Kvk, м/мин
Vт - скорость табличная, м/мин; KVм - 1,3 поправочный
коэффициент на скорость [стр.143, карта 53, лист 1]; K vk - 1,0 поправочные
коэффициенты на скорость для измененных условий работы в зависимости от степени
точности резьбы [стр.149, карта 53, лист 7];
V = 25.5 ·1,3· 1,0 = 33.15 м/мин
Мощность резания при сверлении N, кВт:
N = Nт/KNм, кВт
Nт - мощность табличная, кВт [стр.126, карта 46,
лист 1], KNм - 1,3 поправочный коэффициент на мощность [стр.143, карта 53,
лист 1];
N = 0.64/1,3 = 0,49 кВт
Осевая сила при сверлении Р, Н:
Р = Рт/КРм, Н
Р т - осевая сила резания табличная, Н [стр.126,
карта 46, лист 1]
К Рм - поправочный коэффициент на осевую силу
[стр.143, карта 53, лист 1]; К Рм = 1,3
Р = 1885/1,3 = 1450 Н
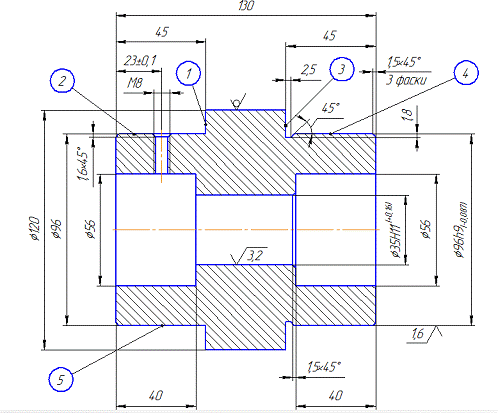
2. Расчетная
часть
2.1
Определение погрешности базирования
Погрешностью базирования
называют разность предельных расстояний измерительной базы
относительно установленного на заданный размер заготовки режущего инструмента.
Погрешностью базирования возникает (Рис.8), когда опорная установочная база
обрабатываемой детали не совмещена с измерительной базой.
(Рис.8) Схема базирования
Вследствие того, что установочная и измерительная базы совмещены
по торцу 130мм, то погрешность для размера 23±0,1 будет равна 0.
2.2 Расчет
необходимой силы зажима обрабатываемой детали
(Рис.9)
Так как сила резания и сила зажима направлены в одно направление
они совпадают. В данном случае сила резания - это осевая сила при сверлении
равна
=1450 (Н), см. стр. 19
Расчет силы зажима.
η - кпд, учитывающий потери от трения между
прижимной планкой 3 и ее опорой (η = 0,95)
За исходное усилие Ро принимаем:
исходное усилие Ро перемножить на длину рукоятки (L) и диаметр винта (d)
Ро - исходное усилие 140…200 Н;
L - Длина
рукоятки 14, мм
d - Диаметр винта 5мм
(Рис.10)
1)
2)
3)
([4] стр.45)
Расчет номинального наружного диаметра винта.
[σр] - допускаемое
напряжение на растяжение ([σр] = 58…98 МПа.)
Винты и гайки изготовляют из Стали 35; 45 ГОСТ 1050-88;
твердостью HRC30…35
1)
; мм
2)
; мм
)
; мм
([3] стр.76)
3.
Конструкторская часть
3.1 Выбор установочных
элементов приспособления
Установочные элементы (опоры) приспособлений служат для
установки на них базовыми поверхностями обрабатываемой заготовки.
Число и расположение установочных элементов должно
обеспечивать необходимую ориентацию заготовки согласно принятой в
технологическом процессе схеме базирования.
Схема базирования.
(Рис.11)
Заготовка будет базироваться в приспособлении на два наружных
диаметра и упором в торец. Следовательно, установочными элементами в данном
приспособлении будут являться призмы.
Призмы применяются для установки деталей по наружной
цилиндрической поверхности и предназначены для базирования деталей с Æ 5 - 150 мм. Материал -
сталь 20Х ГОСТ 4543-71; твердость рабочих поверхностей HRC 55 - 60; цементация на
глубину 0,8 - 1,2 мм.

(Рис.12) (Рис.13)
Для точной установки призм на корпусе приспособления
применяют контрольные штифты, призмы крепятся к корпусу винтами.
(Рис.14)
3.2 Выбор
зажимных устройств
Обоснованием для выбора типа зажимного механизма служит:
Приспособление проектируется для обработки заготовок в
серийном, среднесерийном производстве.
Сила резания на данной сверлильной операции будет составлять
=1450Н (см. стр.21)
Для обеспечения контакта заготовки с установочными элементами
приспособления при закреплении точку приложения зажимного усилия выбираю так,
чтобы направление его действия было перпендикулярно поверхности опорного
элемента.
При выборе зажимного устройства приспособления буду
руководствоваться следующим требованиям:
При зажиме не изменять первоначально заданное положение заготовки.
Сила зажима должна обеспечивать надежное закрепление детали и не
допускать сдвига, поворота и вибрации заготовки при обработке на станке.
Зажим и открепление заготовки производится с минимальной затратой
сил и времени рабочего. При использовании ручных зажимов усилие не должно
превышать
Н. (см. стр.21)
Зажимной механизм должен быть простым по конструкции, компактным,
максимально удобным и безопасным в работе (min габаритные размеры и число съемных деталей; устройство управления
зажимным механизмом должно располагаться со стороны рабочего).
Исходя из вышесказанного, в данном станочном приспособлении бедет
использоваться призма.

- Корпус приспособления
- Пружина
- Гайка
- Регулируемая опора
- Призматическая губка
3.3 Выбор и
обоснование силового привода
Выбрав конструкцию зажимных устройств, выберу конструкцию
силового привода для их перемещения при зажиме и разжиме заготовки в
приспособлении.
Выбирать конструкцию привода буду исходя из конкретных
условий выполнения операций:
типа производства - серийное, среднесерийное;
величина силы резания Р=1450 [Н] (см. стр.21), действующая на
заготовку при выполнении операции,
конструктивных особенностей заготовки, а именно материал
обрабатываемой заготовки - это алюминиевый сплав, который легко поддается
деформации.
типа станка - радиально-сверлильный станок 2М112
Зажимное устройство в приспособлении будет приводиться в
движение непосредственно рабочим, прилагающим исходное усилие Р на плече L (при
помощи гаечного ключа)
Эти устройства иногда называют зажимным устройством с ручным
приводом.
4.
Конструкторская часть
4.1 Установка
приспособления на станке
Для закрепления приспособления на рабочей поверхности стола в
основании его корпуса предусматриваются проушины в которые заводятся крепежные
болты. Головки болтов удерживаются в Т-образных пазах стола.
Количество болтов, а следовательно и проушин, выбирается в
зависимости от действующих усилий резания. В большинстве случаев удается
обходиться двумя проушинами и лишь при больших усилиях резания приходится
предусматривать четыре - по две с каждой стороны. При четырех проушинах шаг t
между ними согласуется с шагом Т-образных пазов стола станка.
Часто требуется придать приспособлению вполне определенное
положение на столе станка по отношению к направлению продольной подачи стола. В
этом случае ориентацию приспособления производят с помощью шпонок по Т-образным
пазам стола, направление которых точно совпадает с направлением его продольной
подачи. Наиболее широко используются стандартные (ГОСТ l4737-69) призматические
привертные шпонки (рис. а) Основным размером шпонки является ширина В, которая
должна быть равна ширине Т-образного паза стола. Размер В выполняется по h8 по СТ СЭВ (С3 по ГОСТ).
В шпонках с канавкой размер В1 (у основания) принимается на 0,5.1,0
мм больше ширины В, что необходимо для пригонки шпонки по Т-образному пазу
стола.
а)
Установка приспособлений с помощью шпонок на фрезерных
станках
б)
На каждое приспособление ставят по две шпонки. Шпонка 2
устанавливается на корпусе 1 приспособления снизу в специально предусмотренном
пазу Б и закрепляется винтом 3 (рис. б).
Шпонки располагают таким образом, чтобы обе они входили в
один и тот же Т-образный паз стола - обычно средний, как более точный (рис. в)
в)
Проушины для крепежных болтов размещают: при двух проушинах -
на оси шпонок, при четырех - слева и справа от оси так, чтобы для крепления
можно было использовать боковые пазы стола.
Вследствие износа и последующих ремонтов ширина пазов на
столах станков часто выходит за пределы допусков, что приводит к увеличению
зазоров между шпонкой приспособления и пазом стола. В этих случаях для
предотвращения возможного поворота приспособления на столе при установке его
прижимают шпонками к одной стороне паза стола и тем самым уменьшают погрешность
расположения на станке.
Заключение
Применение станочного приспособления позволит:
· уменьшить основное и вспомогательное время
благодаря исключению операции разметки заготовок перед обработкой.
· повысить точность обработки.
· облегчить труд станочника, использовать
рабочих с более низкой квалификацией.
· повысить производительность труда.
· расширить технологические возможности
станков.
· создать условия для автоматизации и
механизации станков.
· снизить себестоимость изготовления
продукции.
Список
литературы
1. Горошкин
А.К. Приспособления для металлорежущих станков. - М. - Машиностроение 1990г.
2. Касилова
А.Г. и Мещеряков Р.К. Справочник технолога - машиностроителя. В 2-х т. Т2. - М.
- Машиностроение 1985г.
. Шатилов
А.А. Станочные приспособления справочник. Т1 М. - Машиностроение 1984 г.