|
tз,мс
|
b1
|
b2
|
d1,мс
|
d2,мс
|
|
8
|
3
|
0.3
|
2
|
4
|
при
Гц. Количество переприёмных участков Nп.уч.=1+[2+28]mod8=7
Задача
4.
Разработать
систему кодирования/декодирования циклического кода для
-элементного первичного кода, который исправляет
ошибок. Оценить вероятность получения
необнаруживаемой ошибки на выходе системы, если
в канале
связи меняется от
до
.
модуляция синхронизация частотный
кодирование
к=6
tи=6
Расчетная часть
Задача 1
Выбор вида модуляции
По заданным скоростям выбираем вид модуляции КАМ-32.
Протокол V.34 использует
протокол КАМ-32 со скоростью модуляции 1200 Бод и скоростью передачи 28800
бит/с.
Схема модулятора КАМ-32:
Применение многопозиционной КАМ в чистом виде сопряжено с проблемой
недостаточной помехоустойчивости. Поэтому во всех современных высокоскоростных
протоколах КАМ используется совместно с решетчатым кодированием - специальным
видом сверточного кодирования. В результате появился новый способ модуляции -
трейлисмодуляция. Выбирается определенным образом комбинация конкретной КАМ и
помехоустойчивого кода - сигнально кодовая конструкция (СКК). СКК позволяют
повысить помехоустойчивость передачи информации наряду со снижением требований
к отношению сигнал - шум в канале на 3-6 Дб. При этом число сигнальных точек
увеличивается вдвое за счет добавления к информационным битам одного
избыточного, образованного путем сверточного кодирования. Расширенный блок битов
подвергается все той же КАМ.
Схема модулятора КАМ 32 представлена на рисунке 1.
При скорости передачи 28800 бит/c на вход кодера подаются 8 битов Q1n-Q12n в параллельном коде. Два первых бита поступают на дифференциальный
кодер, где они перекодируются в биты Y1n Y2n, которые
используются в качестве входных для систематического сверточного кодера,
генерирующего избыточный бит Y0n. Устройство сигнального отображения
формирует элементы сигнального созвездия.
В процессе демодуляции производится декодирование принятого сигнала по
алгоритму Витерби. Декодер углубляется в решетку, принимая решения путем
исключения менее вероятных путей. Предварительный отказ от маловероятных путей
упрощает процесс декодирования. Задачу отбора оптимальных путей можно выразить
как выбор кодового слова с максимальной метрикой правдоподобия или минимальной
метрикой расстояния.
Схема демодулятора приведена на рисунке 2.
Рассчитаем вероятность ошибки на один символ:
-
аппроксимация функции Q(x)
-
вероятность битовой ошибки при модуляции М-КАМ.
-
вероятность ошибки на один символ.
-
количество уровней амплитуды в одном измерении.

Задача 2
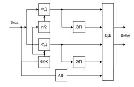
Выберем замкнутую систему синхронизации по элементам без
непосредственного воздействия на задающий генератор. Схема синхронизатора
представлена на рис. 2.
В устройство входной дискретизации (ВД) поступают посылки КАМ сигнала. На
выходе ВД формируется последовательность импульсов, совпадающая по времени с фронтами
посылок. Эти импульсы поступают на один вход цифрового детектора (ЦФД) на
другой вход поступают импульсы основного делителя (ОД). В зависимости от знака
рассогласования по фазе колебаний, действующих на входах ЦФД подаются сигналы,
открывающие либо на одну, либо другую схему И. В зависимости от того с какой
схемы И приходят импульсы к числу, хранящемуся в реверсивном счетчике (РС) либо
прибавляется либо отнимается единица. При достижении определенного порога РС
вырабатывает сигнал добавления или исключения, поступающий на схему добавления
и исключения (ДИ). В результате в последовательности задающего генератора(ЗГ)
изменяется число импульсов, а следовательно и изменяется и фаза импульсов с
выхода ОД.
Рассчитаем основные параметры схемы синхронизации:
Погрешность синхронизации характеризует наибольшее отклонение фазы
синхроимпульсов от их оптимального положения; это величина, выраженная в долях
единичного интервала и равная наибольшему отклонению синхроимпульсов от их
оптимального положения, которое с заданной вероятностью может произойти при
работе устройства синхронизации.
Погрешность синхронизации содержит две составляющие: статистическую
погрешность синхронизации, определяемую нестабильностью задающего генератора и
шагом коррекции, и динамическую погрешность, вызываемую краевыми искажениями
единичных элементов.
Время
поддержания синхронизма (
) определяется значением допустимого фазового
рассогласования (
) из-за нестабильности частот генераторов передачи и
приема при условии отсутствия значащих моментов (ЗМ) во входном сигнале:
При
заданном времени поддержания синхронизма
с найдем
Шаг
коррекции
Найдем
коэффициент основного делителя из [1] из примера на странице 138:
Для
обеспечения исправляющей способности приемника
ип = 35 %= 0,35 ,
тогда
общая погрешность синхронизации
= 0,15
(Кип
= 0,5 -
→
= 0,5 -
Кип= 0,5-0,35=0,15).
Пусть
= 0,03 (
20 % от
) и
= 0,12
(80 % от
).
Из
, выразим
Удобно
выбрать m=30, M = 2.
M-емкость
рекурсивного счетчика.
Для
коэффициента деления основного делителя m=30 получаем:
Статическая
погрешность коррекции
При
вероятности ошибки определения значащего момента
=0.4
получаем статическую погрешность равной
Динамическая погрешность
Общая
погрешность системы синхронизации
Кип
= 0.5 -
=0.5-0.1511=0.3489
Задача 3
ФЧХ
канала вычисляется как
, график представлен на рис. 4. На первом этапе
искажения устраняются с помощью стандартного корректора, а затем с помощью
гармонических звеньев. Стандартный корректор вместе с гармоническим позволяет
уменьшить неравномерность ГВЗ в 50-100 раз.
ГВЗ
канал определяется как
представлен на рис. 5.
- скомпенсированное ГВЗ тракта
корректор
тракт ГВЗ
Рисунок 5 ГВЗ канала связи.
Схемы корректоров
Стандартные корректоры предназначены для выравнивания усредненных
частотных характеристик ФЧХ и ГВЗ, т.е. усредненных по большому числу каналов,
переприемных участков. В качестве элементов, корректирующих ГВЗ используются
фазовые звенья 2-го порядка. Частотная характеристика ГВЗ этих звеньев должна
быть обратная частотной характеристике канала связи.
Рисунок 6 ГВЗ.
Число стандартных корректоров, включенных в канал, друг за другом
соответствует числу переприемных участков. Т.к. частотные характеристики
реальных каналов отличается от усредненной характеристики, то возможности
коррекции ограничены. Остаточная неравномерность ГВЗ имеет обычно колебательный
характер.
Схемы стандартных корректоров могут быть следующие:
Рисунок 7 Схема неперестраиваемого корректора.
На первом этапе искажения устраняют при помощи стандартного корректора, а
затем с помощью гармонических звеньев. Стандартный корректор позволяет
уменьшить неравномерность ГВЗ в 5-10 раз, а стандартный вместе с переменным в
50-100 раз . Оба типа этих корректоров относятся к классу предварительно
настроенных ,т.е. для их настройки передается специальный сигнал - это кодовая
комбинация. При этом возможны неточности коррекции из-за того, что настроечный
и рабочий сигналы отличаются.
Перестраиваемые корректоры (рис.8) изготавливаются на основе
перестраиваемых звеньев, характеристики которых можно изменять.
Рисунок 8 Перестраиваемый корректор.
Корректор на основе трансверсального фильтра (рис.9):
Рисунок 9 Корректор на основе трансверсального фильтра.
Задача 4
Решая систему уравнений

Из [2] по
таблице 8.1 на странице 373 определим n, k, t наиболее близкие к исходным данным:
n=31
k=6
t=7
В соответствии с нашими данными g(р)=313365047 , переведем в двоичный код:
(x): 11001011011110101000100111(x)=x25+x24+x21+x19+x18+x16+x15+x14+x13+x11+x9+x5+x2+x+1
Найдем h(x):
h(x)= (x31+1)/g(x)
x31+1 x25+x24+x21+x19+x18+x16+x15+x14+x13+x11+x9+x5+x2+x+1
x6+x5+x4+x3+x+1
x31+x30+x27+x25+x24+x22+x21+x20+x19+x17+x15+x11+x8+ x7+x6
x30+x27+x25+x24+x22+x21+x20+x19+x17+x15+x11+x8+ x7+x6 +1
x30+ x29+ x26 +x24+x23+x21+x20+x19+x18+x16+x14+x10+ x7+x6 +x5
x29+x27+x26+x25+x23+x22+x18+x17+x16+x15+x14+x11+x10+x8+x5+1
x29+x28+x25+x23+x22+x20+x19+x18+x17+x15+x13+x9+x6+x5+x4
x26+x24+x22+x21+x20+x18+x17+x13+x12+x11+x10+x9+x6
+x5+x3+1
x26+x25+x22+x20+x19+x17+x16+x15+x14+x12+x10+x6 +x3+x2+x
x25+x24+x21+x19+x18+x16+x15+x14+x13+x11+x9+x5+x2+x+1
x25+x24+x21+x19+x18+x16+x15+x14+x13+x11+x9+x5+x2+x+1
h(x)= x6+x5+x4+x3+x+1
Схема
кодера:
Проверка
Схема декодера
Оценим
вероятность получения необнаруживаемой ошибки на выходе системы
График появления необнаруживаемой ошибки при заданном изменении
вероятности ошибки в канале связи:

Рисунок 10
График появления необнаруживаемой ошибки при заданном изменении вероятности
ошибки в канале связи.
С увеличением
вероятности ошибок в канале, растет вероятность ошибочно принять неправильный
символ.
Список
литературы
. Основы передачи дискретных сообщений: Учебник для вузов/
Ю.П. Куликов, В.М. Пушкин, Г.И. Скворцов и др.: Под ред. В.М. Пушкина. - М.:
Радио и связь, 1992.- 288 с., ил.
2.Прокис Дж. Цифровая связь. - М.: Радио и связь, 2000.
.Скляр Б. Цифровая связь. - М., Санк-П, Киев: Изд. дом "Вильямс", 2003.