Приборы и процессы стандартизации продукции

  • Вид работы:
    Контрольная работа
  • Предмет:
    Другое
  • Язык:
    Русский
    ,
    Формат файла:
    MS Word
    247,66 kb
  • Опубликовано:
    2012-03-26
Вы можете узнать стоимость помощи в написании студенческой работы.
Помощь в написании работы, которую точно примут!

Приборы и процессы стандартизации продукции














Приборы и процессы стандартизации продукции

Практическая часть

Задача 1.

Направляющая выдвижной трубы соединяется с трубой цилиндра гидроподъёмника автомобиля МАЗ-500А. Данное соединение имеет размер


Определить:

1.       Принятую систему данного соединения

.        Посадку, основные отклонения и квалитеты

.        Верхние и нижние отклонения отверстия и вала

.        Предельные размеры отверстия и вала

.        Допуски на изготовления

.        Предельные зазоры

.        Допуск посадки

Посадка может относиться, как к системе отверстия, так и к системе вала. Выбираем систему отверстия.

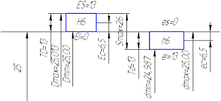
Для отверстия

Верхнее и нижнее предельные отклонения 25Н6(+0,013)

ES=13 мкм EI = 0 мкм

Наибольший размер отверстия

Dmax = D+ES = 25+0,013 = 25,013 мм

Наименьший размер отверстия

Dmin = D+EI = 25+0 = 25 мм

Допуск отверстия

TD= ES-EI = 13-0 = 13 мкм

Координата середины поля допуска

 мкм

Для вала

Верхнее и нижнее предельные отклонения

es = 0 мкм ei = - 13 мкм

Наибольший диаметр вала

dmax = 25 + es = 25+0,0= 25,0 мм

Наименьший диаметр вала

dmin = 25 +ei = 25+ (-0,013)= 24,987 мм

Допуск вала

Td= es-ei = 0- (-13)= 13 мм

Координата середины поля допуска

 мкм

Рассчитываем зазоры

Smax = ES-ei = 13- (-13) = 26 мкм= EI-es = 0 - 0 = 20 мкм

Допуск посадки

= Smax - Smin= 26- 0 = 26 мкм

Рисунок 1 - Схема допусков посадки с зазором

Задача 2.

Шариковый подшипник класса точности 0 соединяется с вторичным валом коробки передач автомобиля МАЗ-500А. Соединение внутреннего кольца подшипника с вторичным валом Æ 17js6.

Принятую систему данного соединения

1.       Посадку, основные отклонения и квалитеты

.        Верхние и нижние отклонения отверстия и вала

.        Допуски на изготовления

.        Предельные зазоры или натяги

.        Допуск посадки

Согласно ГОСТ 3325-55 существует три вида нагружения подшипников. Посадку с зазором назначают для кольца, которое испытывает местное нагружение. Посадку с натягом назначают преимущественно для кольца, которое испытывает циркуляционное нагружение. При таком подходе к выбору посадок в подшипнике обеспечивается необходимый рабочий зазор между телами качения и дорожками качения при установившемся рабочем режиме и температуре.

Интенсивность нагрузки подсчитывается по формуле

 кН/м

Где R- радиальная нагрузка на опору, Н;

К1 - динамический коэффициент, зависящий от характера нагрузки, 1 - при умеренных толчках и вибрации;

К2 - коэффициент, учитывающий степень ослабления посадочного натяга при полом вале или тонкостенном корпусе, 1 - при сплошном вале;

К3 - коэффициент, учитывающий неравномерность распределения нагрузки между тел качения в двухрядных подшипниках, 1 - для подшипника с одним рядом колец;

b - рабочая ширина посадочного места, мм;

В - ширина подшипника, мм;

r- координата монтажной фаски внутреннего или наружного кольца подшипника, мм

Подшипники 0 класса точности применяют при повышенных требованиях к точности вращения и требованиях к точности вращения.

Таблица - Поля допусков посадочных поверхностей валов и отверстий для сопряжения с кольцами подшипников

Класс точности

Поле допуска вала

Поле допуска отверстия

0

 js6

G6, G7


При нагружении до 300 Нм выбирают посадку вала - js6;

Расчёт соединения Æ17js6

Выполним расчеты предельных размеров, допусков и посадку для соединения вторичного вала с внутренним кольцом подшипника Æ17js6. Для этого определим предельные отклонения мм:

ES = 0; EI = -8; es=+5,5; ei= - 5,5.

Предельные размеры: Dmax, Dmin, dmax, dmin, мм, допуски TD, Td, мм, зазор Smax,

Dmax = D+ES = 17 + 0 = 17 мм         min = D+EI =17 + (-0,008) = 16,992 мм.D = ES-EI = 0 - (-0,008) = 0,008 мм.max = d+es = 17 + 0,0055 = 17,0055 мм.min =d+ei = 17 - 0,0055 = 16,9945 мм.d = es-ei = 0,0055 - (-0,0055) = 0,011 мм.= es - EI = 5,5 - (-8)= 13,5 мкм.

Натяг соединения

N= ES-ei= 0 - 5,5= 5,5 мкм.

Допуск посадки

TSN= S-N = 13,5- 5,5 = 8 мкм

Строим схему полей допусков

Рисунок 2 - Поля допусков колец подшипника

Задача 3.

Регулировочный винт фары автомобиля ЗИЛ-130 установлен в самотормозящую гайку. Соединение имеет размер М6х0,5 7H/6g.

Определить:

.        Шаг резьбы, номинальные диаметры

.        Определить по ГОСТу 16093-81 предельное отклонение диаметров резьбы болта и гайки.

.        Дать полный расчёт предельных диаметров

.        Дать графическое изображение полей допусков.

Назначаем поля допусков резьбы: для болта - 6g и для отверстия гайки - 6H. Определяем значения размеров среднего d2 (D2), мм, и внутреннего d1 (D1), мм, диаметров, по формулам

d2 (D2) = d - 0,6495∙Р = 6 - 0,6495∙0,5 = 5,67525 мм;

d1 (D1) = d - 1,0825∙Р = 6 - 1,0825∙0,5 = 5,45875 мм.

По данным справочников, находим предельные отклонения для диаметров d2 (D2), d и d1 (D1), которые представим в виде таблицы.

Таблица 1 - Предельные отклонения для диаметров d2 (D2),d,d1(D1), мкм

Обозначение

D2

D1

Обозначение

d2

d

d1

ESD2 (ESD1)

+125

+180

esd2 (esd), (esd1)

-20

-20

-20

EID2 (EID1)

0

0

eid2 (eid), (eid1)

-105

-126

-


Определение предельных размеров отверстия

Определяем предельные размеры для отверстия картера: D2max, D2min, Dmax, Dmin, D1max, D1min, мм, по формулам

D2max = D2 + ESD2= 5,67525 + 0,125 = 5,80025 мм;2min = D2 + EID2 = 5,67525 + 0 = 5,67525 мм;max - не нормируется;

Dmin = D = 6 мм;

D1max = D1 + ESD1 = 5,45875 + 0,180 = 5,63875 мм;1min = D1 + ESD1 = 5,4875 + 0 = 5,4875 мм.

Определение предельных размеров болта

Предельные размеры для болта: d2max, d2min, dmax, dmin, d1max, d1min, мм, определяются по формулам

d2max = d2 + esd2 = 5,6752 - 0,020 = 5,6552 мм;2min = d2+ eid2 = 5,6752 - 0,150 = 5,5252 мм;max = d + esd = 6 - 0,020 = 5,98 мм;min = d + eid = 6 - 0,126 = 5,874 мм;1max = d1 + esd1 = 5,4875 - 0,020 = 5,4675 мм;

d1min - не нормируется.

Определение предельных зазоров

Расчет предельных зазоров S2max, S2min, S1min, Smin, мм, выполним по формулам

S2max = D2max - d2min =5,80025 - 5,5252 = 0,275 мм;2min= D2min - d2max = 5,67525 - 5,6552 = 0,020 мм;1min = D1min - d1max = 5,4875 - 5,4675 = 0,02 мм;min = Dmin - dmax =6 - 5,98 = 0,006 мм.

где S2max, S2min - соответственно наибольший и наименьший предельные зазоры по среднему диаметру, мм;

S1min - наименьший предельный зазор по внутреннему диаметру, мм; Smin - наименьший предельный зазор по наружному диаметру, мм.

По результатам расчетов строим схему полей допусков, представленную на рисунке.

а                                   б                 в

Рисунок 3 - Схема полей допусков резьбы М6х0,5-7Н/6g:

а - по среднему диаметру; б - по внутреннему диаметру;

в - по наружному диаметру

Задача 4.

Определить размеры по микрометру.

Требуется:

.        Указать, в каких пределах можно измерять размеры данными микрометрами

.        Объяснить, как получается величина отсчёта l=0,01 мм у микрометрического инструмента.

.        Указать пределы измерений всех выпускаемых микрометров

Измеренные размеры

,17 9,24

Микрометр МРИ 25-0,01 ГОСТ 4381-87

Микрометр гладкий для измерений размеров от 0 до 25 мм, предел измерений 0,01 мм

Основанием микрометра является скоба, а преобразующим устройством служит винтовая пара, состоящая из микрометрического винта и микрометрической гайки, укреплённой внутри стебля; их часто называют микропарой. В скобу запрессованы пятка и стебель. Измеряемую деталь охватывают торцевыми измерительными поверхностями микровинта и пятки. Барабан присоединён к микровинту с помощью колпачка в котором находится корпус трещотки. Чтобы приблизить микровинт к пятке, вращают барабан трещотку по часовой стрелке (от себя), а для обратного движения микровинта (от пятки) барабан вращают против часовой стрелки (на себя). Закрепляют микровинт в требуемом положении стопором.

Для ограничения измерительного усилия микрометр снабжён трещоткой. При плотном соприкосновении измерительных поверхностей микрометра с поверхностью измеряемой детали трещотка начинает проворачиваться с лёгким треском, при этом вращение микровинта следует прекратить после трёх щелчков. Результат измерения микрометром отсчитывается как сумма отсчётов по шкале стебля и шкале барабана. Следует помнить, что цена деления шкалы стебля равна 0,5 мм, а шкалы барабана-0,01 мм. Шаг резьбы микропары (микровинт и микрогайка) Р равен 0,5 мм.

На барабане нанесено 50 делений. Если повернуть барабан на одно деление его шкалы, то торец микровинта переместится относительно пятки на 0,01 мм (P / n = 0,5 / 50 = 0,01мм), где n число делений круговой шкалы.

Показания по шкалам гладкого микрометра отсчитывают в следующем порядке:

по шкале стебля читают отметку около штриха, ближайшего к торцу скоса барабана;

по шкале барабана читают отметку около штриха, ближайшего к продольному штриху стебля;

складывают оба значения и получают показание микрометра.

Для удобства и ускорения отсчёта показаний имеются гладкий микрометр с цифровой индикацией.

Для установки «на ноль» все микрометры, кроме микрометра с диапазоном 0…25 мм, снабжены установочными концевыми мерами, размер которых равен нижнему пределу измерения данного микрометра.

Рисунок 4 - Отсчётное устройство микрометра:

- шкала для отсчёта целых миллиметров; 2 - дополнительная шкала для отсчёта целых оборотов микрометрического винта; 3 - шкала для отсчёта долей оборотов микрометрического винта

Теоретическая часть

Вопрос 1.Параметрические ряды. Применение

посадка параметрический ряд механический прибор

Параметр - это количественная характеристика свойств продукции. Различают размерные параметры; весовые параметры; параметры, характеризующие производительность машин и приборов; энергетические параметры.

Продукция определенного назначения характеризуется рядом параметров. Набор установленных значений параметров называется параметрическим рядом.

Процесс стандартизации параметрического ряда - параметрическая стандартизация - заключается в выборе и обосновании целесообразной номенклатуры и численных значений параметров. Решается эта задача с помощью математических методов.

Предпочтительные числа получают на основе геометрической прогрессии:


а1 - первый член прогрессии;- знаменатель прогрессии, - принимает целые значения в интервале от 0 до R, где R = 5, 10, 20, 40, 80, 160

Если придерживаться строго обоснованного ряда предпочтительных чисел, то параметры и размеры отдельного изделия или группы изделий наилучшим образом будут согласованы со всеми соответствующими видами продукции: электродвигателей - с технологическим оборудованием, грузоподъемными устройствами; предохранительных клапанов - с паровыми котлами, комплектующих изделий - с присоединительными и посадочными местами в машине. Несоблюдение этого условия вызывает излишние затраты материалов, электрической и других видов энергии, неполное использование оборудования, снижение производительности труда, рост себестоимости продукции. Например, несоответствие сортамента круглого проката, выпускавшегося ранее металлургическими заводами, и нормального ряда диаметров в машиностроении приводило к излишнему стружкообразованию, снижению коэффициента использования металла, дополнительной непроизводительной загрузке металлорежущих станков, в результате требовалось больше станков.

Предпочтительные числа и их ряды служат основой упорядочения выбора величин и градаций параметров производственных процессов, оборудования, приспособлений, режущего измерительного инструмента, штампов, материалов, полуфабрикатов, транспортных средств и т.п. Создают предпосылки для сокращения номенклатуры изделий, сокращения длительности цикла технологической подготовки производства, организации массового изготовления продукции.

Ряды предпочтительных чисел должны удовлетворять следующим требованиям:

·              представлять рациональную систему градаций, отвечающую потребностям производства и эксплуатации;

·              быть бесконечными в направлении уменьшения и увеличения чисел;

·              включать все последовательные десятикратные или дробные значения каждого числа ряда;

·              быть простыми, легко запоминаемыми.

Многие промышленно развитые страны приняли национальные стандарты на нормальные линейные размеры. ГОСТ 8032-84 «Предпочтительные числа и ряды предпочтительных чисел», составленный с учетом рекомендаций Международной организации по стандартизации (ИСО), устанавливает четыре основных ряда предпочтительных чисел (R 5, R 10, R 20, R 40) и два дополнительных ряда ( R 80, R 160). Цифра указывает количество чисел в десятичном интервале. При выборе нужно отдавать нормальным размерам из рядов с более крупной градацией. На базе ГОСТ 8032 утвержден ГОСТ 6636 Нормальные линейные размеры.

Введение единого порядка при переходе от одних численных значений параметров к другим во всех отраслях промышленности уменьшает количество типоразмеров, приводит к более экономному раскрою исходных материалов, позволяет согласовать увязать между собой различные виды изделий, материалов и полуфабрикатов, транспортных средств, производственного оборудования (по мощности, габаритам т.п.).

Если, например, на каком-то заводе предполагается выпускать семь типоразмеров двигателей (минимальная мощность первого типоразмера 10 кВт), то по нормальному ряду чисел со знаменателем прогрессии  параметрический ряд будет включать в себя двигатели следующих мощностей: 10, 16, 25, 40, 63, 100, 160 квт.

В машиностроении и приборостроении предпочтительные числа, принятые за основу при назначении классов точности, размеров, углов, радиусов, канавок, уступов, линейных размеров, сокращают номенклатуру режущего и измерительного инструмента, штампов, пресс-форм, приспособлений. Это способствует росту уровня взаимозаменяемости, повышению серийности, технического уровня и качества выпускаемой продукции, расширению объемов ее производства, улучшению организации инструментального хозяйства на предприятиях. В результате значительно снижается себестоимость изделий увеличивается экономическая эффективность производства.

Вопрос 2. Рычажно-механические приборы. Устройство. Применение

Рычажно-механические приборы обладают высокой точностью, универсальностью и предназначены в основном для относительных, точностью от 0,01 до 0,0005 мм в зависимости от типа измерительной головки. Некоторые из них могут быть использованы также и для абсолютных измерений малых величин (размеров). Высокая точность показаний этих приборов получена в результате использования различных рычажно-механических систем, позволяющих в значительной степени увеличить передаточное число механизма.

В ремонтном производстве наиболее часто применяются Индикаторы часового типа и индикаторные нутромеры, а для высокоточных измерений - рычажные скобы, миниметры, пружинные микрометры (микрокаторы).

Рычажно-механические инструменты (индикаторы, рычажные скобы, индикаторные нутромеры, индикаторные скобы, миниметры, рычажные микрометры, измерительные головки) обладают высокой точностью благодаря применению в них различных рычажно-механических систем, позволяющих значительно увеличить передаточное число механизма. Указанные инструменты в основном предназначены для относительных измерений, хотя некоторые из них используют и для абсолютных. Основной рабочей частью их являются индикаторные измерительные головки, называемые преобразователями, которые можно разделить на два типа: индикаторы часового типа (с зубчатой передачей) и рычажно-зубчатые. Линейные перемещения измерительного стержня индикатора преобразуются в угловые перемещения стрелки посредством зубчатой передачи.

Механизм передачи индикатора часового типа (рис. 5) состоит только из зубчатых пар. Зубчатая рейка (стержень) 1 находится в зацеплении с зубчатым колесом 2. Возвратно-поступательное перемещение измерительного стержня 1 преобразуется в круговое движение стрелки 3 с помощью зубчатых колес 2, 4.. .6. Устранение зазора в передаче обеспечивается спиральной пружиной 7, один конец которой закреплен на зубчатом колесе 6, а другой - в корпусе индикатора. Индикатор имеет две шкалы: большую -для отсчета долей миллиметра и малую - для отсчета целых миллиметров. Таким образом, один оборот стрелки 3 соответствует перемещению измерительного стержня 1 на 1 мм. При этом если большая шкала имеет 100 делений, то цена деления индикатора равна 0,01 мм.

Рисунок 5 - Малогабаритный индикатор (а) и схема зубчатой передачи (б): 1 - измерительный стержень, 2, 4…6 - зубчатые колеса, 3 - стрелка, 7 -спиральная пружина

Погрешности индикаторов часового типа довольно значительны: ±4,5… ±26 мкм, однако их применяют для точных измерений благодаря большим пределам измерения.

Рычажно-зубчатые измерительные головки (рис. 58) отличаются от индикаторов часового типа тем, что у них наряду с зубчатой передачей имеется рычажная система, что позволяет увеличить передаточное число механизма и тем самым повысить точность измерений. При перемещении измерительного стержня 1 в двух направляющих втулках 8 поворачивается рычаг 3, который воздействует на рычаг 5. Рычаг 5 имеет на большом плече зубчатый сектор, который входит в зацепление с зубчатым колесом (трибом) 4. На оси зубчатого колеса сидят стрелка и втулка, связанная со спиральной пружиной 6, выбирающей зазор. Измерительное усилие создается пружиной 7.

Для арретирования измерительного стержня служит рычаг 2. Шкала снабжена двумя переставляемыми указателями допуска 9. Головка крепится в стойке или в приспособлении за втулку 10 диаметром 8 мм. Выпускают несколько моделей рычажно-зубчатых измерительных головок. Цена деления шкалы в зависимости от моделей головок 0,01 (модель 2-ГРЗ) до 0,001 мм (модель 1-МКМ), пределы измерения по шкале соответственно ±0,25 … ±0,05 мм.

Рисунок 6 - Рычажно-зубчатая измерительная головка (а) и его схема (б): 1 - измерительный стержень, 2 - рычаг арретира, 3 - рычаг, 4 - зубчатое колесо, 5 - рычаг с зубчатым сектором, 6 - спиральная пружина, 7 - винтовая пружина, 8 - направляющие втулки, 9 -указатели, 19 - втулка

Литература


1.    Серый И.С. Взаимозаменяемость, стандартизация и технические измерения. - М.: Колос, 1981.

2.       Радкевич Я.М. Метрология, стандартизация и сертификация: Учеб. для ВУЗов / Я.М. Радкевич, А.Г. Схиргладзе, Б.И. Лактионов.-М.: Высш.шк.., 2004.-767с.

.        Димов Ю.В. Метрология, стандартизация и сертификация. Учеб. для ВУЗов. 2-е изд.- СПб.: Питер, 2006.- 432с.

.        Шишкин И.Ф. Метрология, стандартизация и управление качеством: Учеб. для вузов /Под ред. акад. Н.С. Соломенко.-М.: Изд-во стандартов, 1990.-342с.

Похожие работы на - Приборы и процессы стандартизации продукции

 

Не нашли материал для своей работы?
Поможем написать уникальную работу
Без плагиата!
Без нейросетей!