|
Длина камер, м:
первой второй
|
7,26 7,76
|
|
Производительность,
т/ч
|
54±15%
|
|
Частота
вращения барабана, с-1
|
0,25
|
|
Главный привод
СД М3 2-22-4160УХЛ4: мощность, кВт число оборотов в мин придаточное
число редуктора Напряжение, Вольт
|
2000 100 6,25
6000
|
|
Вспомогательный
привод: мощность, кВт число оборотов в мин напряжение, Вольт
|
30 750 380
|
|
Масса мельницы
без электродвигателя и шаров, т
|
358
|
|
Загрузка
мелющих тел: 1-я камера 2-я камера
|
шары Ø 50-80 цильпебс Ø 18-25
|
|
Масса мелющих
тел, т
|
140
|
Техническая характеристика мельницы СМ Ø 3,2×15 м ГОСТ 12367-85.
Установлено, что характер движения мелющих тел в шаровых
барабанных мельницах при одинаковой футеровке зависит от частоты вращения
барабана. При низкой частоте вращения центр тяжести загрузки смещается на
некоторый угол в сторону вращения и остается в таком положении. Шары,
поднимаясь по концентрическим круговым траекториям до точки отрыва, скатываются
параллельными слоями вниз. Такой режим работы мелющих тел называется каскадным.
Измельчение при этом происходит главным образом истиранием и раздавливанием.
С увеличением частоты вращения барабана положение центра масс
загрузки смещается в направлении вращения барабана, шары по круговым
траекториям поднимаются все выше, частично переходя на траектории свободного
падения. Такой режим называется смешанным (рис.2.2).
При дальнейшем увеличении частоты вращения барабана мелющие
тела поднимаются на большую высоту, а затем, отрываясь от внутренней
поверхности, перемещаются водопадом по параболическим траекториям свободного
падения, возвращаясь опять на круговые траектории. Такой режим движения мелющих
тел называют водопадным. Измельчение материала происходит главным образом
ударом падающих мелющих тел и частично истиранием.
а) б)
в)
Рис.2.2 Режимы работы мельницы.
а) каскадный; б) смешанный; в) водопадный.
В корпусе разгрузочной камеры предусмотрен смотровой люк,
через который берутся пробы готового материала для исследования его структуры,
для определения всех факторов необходимых готовому продукту для дальнейшей
технологической операции. Это осуществляется в лаборатории предприятия и служит
для того, чтобы не допустить выход материала из мельницы, не удовлетворяющего
технологическим требованиям данного производства.
Основными достоинствами этой мельницы является: простота
конструкции; надежность эксплуатации; высокая степень измельчения; значительная
производительность. Однако наряду со всеми достоинствами у нее есть ряд
существенных недостатков, а именно: высокая удельная и металлоемкость, низкий
КПД (электроэнергия, расходуемая непосредственно на измельчение, составляет
всего лишь около 1% всей потребляемой электроэнергии); около 50% мелющих тел не
участвуют в процессе измельчения; рабочий объем мельницы используется на 35%;
большой удельный расход мелющих тел и материала футеровки (около 2кг на тонну
измельчаемого материала). Существует большое количество методов решения всех
перечисленных недостатков: совершенствуют броневые плиты и мелющие тела,
повышая их износостойкость; устанавливают различные энергообменные устройства,
предотвращающие образование застойных зон в мельнице; проектируют различные
внутримельничные устройства и перегородки которые способствуют повышению КПД
(здесь необходимо отметить, что существенно повысить КПД не представляется
возможным ввиду высокой массы мельницы, ведь даже 0,5% увеличение КПД
отмечается государственной премией). В данном курсовом проекте мое внимание
привлекла проблема устранения застойных зон, которую я попытался решить путем
подбора следующих конструктивных решений.
3. Патентный
поиск
В патенте № 1573606 описана трубная мельница состоящая из
барабана 1 с футеровкой 2, внутри которой в загрузочной и разгрузочной частях
расположены лопастные эллипсные сегменты 3 и 4, которые наклонены к
соответствующим торцевым днищам 5 и 6.
Рис.3.1 Модернизация шаровой трубной мельницы по патенту
№1573606.
Между сегментами установлена межкамерная перегородка 7,
выполненная в виде лопасти двухстороннего действия со срезанными образующими,
под углом 2-30° в направлении вращения барабана мельницы. Площадь срезанных
частей не должна быть меньше площади ее живого сечения. Срезанные части лопасти
обеспечивают беспрепятственный проход измельчаемого материала во вторую камеру,
кроме того выравнивают уровни мелющих тел в камерах. Приведенный угол среза
предотвращает перемещение мелющих тел и материала обратно из второй в камеру
первую.
Рис.3.2 Модернизация шаровой трубной мельницы по
патенту№1573606.
Перегородка наклонена в сторону разгрузочной части и повернута
относительно большой оси первого со стороны загрузки сегмента на угол
. Второй эллипсный сегмент, наклонен в ту
же сторону, что и лопасть и повернут относительно ее большей оси на угол
.
Особенность работы мельницы заключается в следующем: материал
поступает в загрузочную часть мельницы, где захватывается остроугольным краем
эллипсного сегмента и направляется в камеру. Камера ограничена первым эллипсным
сегментом и лопастью двухстороннего действия, которые образуют трапецеидальный
профиль, что обеспечивает подъем мелющих тел на значительную высоту и
интенсивное ударно-истирающее воздействие, необходимое для грубого помола
материала, находящегося в первой камере. Угол поворота лопасти обеспечивает
предотвращение выбивания высокоподвижного шлама через уплотнение загрузочной
цапфы. Затем материал поступает во вторую камеру, ограниченную лопастью и
эллипсным сегментом, имеющих одинаковый наклон и образующих камеру с
параллельными плоскостями. Установленные таким образом устройства обеспечивают
интенсивное раздавливающее воздействие мелющих тел на измельчаемый материал.
Параллельное расположение рабочих плоскостей лопасти и сегмента исключает
подъем мелющих тел на большую высоту. Поворот выходного эллипсного сегмента
исключает выбивание шлама через разгрузочную решетку.
Таким образом данная схема обеспечивает интенсивный внутренний
цикл измельчения материала, что повышает производительность помольного
агрегата.
Недостатком данной конструкции является повышенная металлоемкость,
повышенная потребляемая мощность привода. Еще одним недостатком существенно
ограничивающим область применения данной машины является возможность применения
только при мокром измельчении сырьевых материалов. [7]
В патенте №1522528 описана шаровая трубная мельница, состоящая из
барабана 1 с футеровкой 2, внутри которого имеются лопастные эллипсные сегменты
3 и 4 и межкамерная перегородка 5. На выходе стоит выгрузочная решетка 6.
Рис.3.3 Модернизация шаровой трубной мельницы по патенту №1522528.
Лопасные эллипсные сегменты установлены на диаметрально
противоположных сторонах барабана, между ними находится наклонная перегородка.
Эллипсный сегмент, установленный в загрузочной части наклонен по отношению к
продольной оси барабана на угол
, при этом угол наклона образующих сегмента к малой оси эллипсного
контура
. Второй эллипсный сегмент имеет наклон к
продольной оси барабана
и к малой оси эллипсного контура
. Перегородка наклонена под углом
по отношению к оси барабана, образующие
перегородки повернуты на
в направлении противоположном вращению.
На рисунке пунктами 7 и 8 обозначены прутки из которых набраны сегменты.
Рис.3.4 Модернизация шаровой трубной мельницы к патенту № 1522528.
Углы наклона обеспечивают интенсивное ударное воздействие мелющих
тел на материал в первой камере. Эллипсный сегмент выполняет не только
энергообменную функцию, но и транспортирующую, обеспечивая импульс только по
ходу движения. При этом необходимо принимать углы в строго определенном
диапазоне, в противном случае происходит только ухудшение качества процессов.
Проходя через перегородку и классифицируясь материал поступает во вторую
камеру. Здесь происходит измельчение с постепенным изменением режима от ударно
- истирающего со стороны перегородки до раздавливающее - истирающего со стороны
сегмента.
Таким образом, предполагаемое сочетание внутримельничных устройств
с их заданными геометрическими параметрами и взаимным расположением в мельнице
обеспечивает наиболее рациональный интенсивный режим измельчения материала по
длине барабана мельницы, позволяет варьировать режим измельчения в зависимости
от размолоспособности материала и эффективно использовать полезный объем
мельницы по всей ее длине.
Использование предлагаемой мельницы обеспечит в промышленных
условиях повышение производительности мельницы на 10-15%. За счет
интенсификации процесса измельчения материала по всей длине мельницы и
повышение качества (тонкости помола) измельчаемого продукта за счет усиления раздавливающее
- истирающего воздействия в поперечно - продольном направлении во второй
камере. [6]
Недостатком данной конструкции является повышенная металлоемкость
и повышенная потребляемая мощность привода.
В патенте №1771119 описана
трубная шаровая мельница 1 (рис.3.5) с бронефутеровкой 2, внутри
которой установлены двухзаходные винтовые лопасти 5 и 6,
состоящие из набора прутков 7. Начальные образующие 8 и 9
двухзаходных винтовых лопастей повернуты относительно друг друга на угол
. Одноименные профили 10 и 11,
12 и 13 заходов винта каждой лопасти повернуты относительно друг
друга на угол
. Направление винта, установленного со стороны
загрузки винтовой лопасти совпадает с направлением вращения барабана, а
направление винта, установленного со стороны выгрузки - противоположно. Такое
расположение обеспечивает двукратный внутренний рецикл при вращении барабана.
Двухзаходные винтовые лопасти, воздействуя на шаро-материальную
загрузку, обеспечивают постоянный угол отрыва мелющих тел и контакт с ними по
всей своей поверхности, что обусловлено постоянством углов наклона винтовых
линий лопастей, радиальным расположением прутков, образующих их поверхности.
Рис.3.5 Модернизация трубной шаровой мельницы по патенту №1771119.
Постоянство угла отрыва мелющих тел стабилизирует процесс
измельчения материала, обеспечивает направленное движение шароматериальной
загрузки, что интенсифицирует измельчение материала и способствует
равномерному износу винтовых лопастей.
Использование данного патента обеспечивает достижение следующих
технико-экономических показателей: повышение производительности мельницы,
снижение удельного расхода электроэнергии, снижение стоимости подготовительных
работ, увеличение срока эксплуатации внутримельничных энергообменных устройств.
Недостатком данной конструкции является повышенная металлоемкость
и повышенная потребляемая мощность привода. К недостаткам можно отнести также
застой материала в середине камеры, что в сочетании с необходимой для данной
модернизации футеровки дает негативный результат.
4. Сущность
модернизации
В ходе проведенного патентного исследования был выбран
патент.
Во втором патенте описана шаровая трубная мельница, состоящая
из барабана 1 с футеровкой 2, внутри которого имеются лопастные эллипсные
сегменты 3 и 4 и межкамерная перегородка 5. На выходе установлена выгрузочная
решетка 6.
Рис.4.1 Модернизация шаровой трубной мельницы.
Было принято решение установить лопастные энергообменные
устройства в первой камере мельницы 3,2х15. Длинна камеры составляет 8 метров.
Лопастные эллипсные сегменты установлены на противоположных сторонах камеры, с
минимальным отступом от торцевой крышки и элеваторной перегородки. Расстояние
отступа продиктовано необходимостью закрепления футеровки хотя бы на один болт.
В центре камеры будет установлена межкамерная перегородка. Ввиду сложности
геометрии подреза футеровки, а также в связи с стремлением к ее унификации
принято решение: наклонить эллипсный сегмент разгрузочной части и перегородку
по отношению к продольной оси барабана на максимально возможный для сектора и
минимально возможный для перегородки угол
, при этом угол наклона образующих к малой оси эллипсного контура
составит минимально возможный для сектора и среднее значение для перегородки
угол
. Данное решение позволит получить большее
количество футеровок с одинаковым углом подреза, что значительно упростит
процесс ее изготовления и установки.
Загрузочный эллипсный сегмент имеет наклон к продольной оси
барабана
и к малой оси эллипсного контура
.
Рис.4.2 Модернизация шаровой трубной мельницы.
Внутримельничные устройства составлены из прутков 7 и 8 диаметр
которых из соображений прочности и жесткости приняты 100 мм. Расстояние между
прутками для эллипсных сегментов принято
, а для наклонной перегородки увеличивается вдоль большей оси к
центру в диапазоне (0,05-0,15) dПР. Большее расстояние между прутками в
центре помогает классификации материала и аспирации воздуха через объем
мельницы.
Углы наклона обеспечивают интенсивное ударное воздействие мелющих
тел на материал в первой камере. Эллипсный сегмент выполняет не только
энергообменную функцию, но и транспортирующую, обеспечивая импульс только по
ходу движения. При этом необходимо принимать углы в строго определенном
диапазоне, в противном случае происходит только ухудшение качества процессов.
Проходя через перегородку и классифицируясь материал поступает во вторую
камеру. Здесь происходит измельчение с постепенным изменением режима от
ударно-истирающего со стороны перегородки до раздавливающее-истирающего со
стороны сегмента.
Таким образом, предполагаемое сочетание внутримельничных устройств
с их заданными геометрическими параметрами и взаимным расположением в мельнице
обеспечивает наиболее рациональный интенсивный режим измельчения материала по
длине барабана мельницы, позволяет варьировать режим измельчения в зависимости
от размолоспособности материала и эффективно использовать полезный объем
мельницы по всей ее длине.
Использование предлагаемой мельницы обеспечит в промышленных
условиях повышение производительности мельницы на 10-15%. За счет
интенсификации процесса измельчения материала по всей длине мельницы и
повышение качества (тонкости помола) измельчаемого продукта за счет усиления
раздавливающее - истирающего воздействия в поперечно - продольном направлении
во второй камере. [6]
Недостатком данной конструкции является повышенная металлоемкость
и повышенная потребляемая мощность привода.
5. Расчет
основных параметров модернизируемой машины
5.1 Расчёт
производительности мельницы
Производительность трубной шаровой мельницы определяется по
формуле:
где
диаметр мельницы в свету, м:
- поправочный коэффициент, учитывающий тонкость помола,
- удельная производительность, т/кВт-ч,
масса мелющих тел, т;
полезный объём мельницы, м3.
где
- длина барабана за вычетом толщины
межкамерных перегородок,
Исходя из того, что производительность мельницы увеличивается по
патенту на 10-15%, то принимаем производительность мельницы равную
5.2 Расчет
мощности потребляемой приводом мельницы
Определим работу, необходимую для подъёма мелющих тел:
где G - вес мелющих тел, Н; G = 1413000 Н;В - высота
подъёма шаров от точки падения до точки отрыва, м:
где
- радиус редуцированного слоя, м;
- угол отрыва,
Знак минус указывает на направление ординаты и поэтому его можно
отбросить, тогда:
Определим работу, необходимую для сообщения мелющим телам
кинетической энергии:
где
скорость движения редуцированного слоя по
круговой траектории, м/с; g - ускорение свободного падения, м/с2.
Общая величина работы за один цикл будет равна:
Определим общую величину работы за один полный оборот мельницы:
,
Определяем расход мощности по формуле:
где
КПД привода,
Учитывая, что сила тяжести размалываемого материала составляет 14%
то силы тяжести мелющих тел, окончательно получим:
По справочнику принимаем двигатель мощностью
Применение лопастных энергообменных устройств в мельнице сопряжено
с дополнительными затратами энергии, которые связанны с необходимостью
перемещения дополнительных масс и обеспечения движения элементов через загрузку
с шарами, что связанно с необходимостью преодоления сил трения.
При оснащении мельницы лопастью двойного действия и лопастными
эллипсными сегментами, наклоненными к днищу, мельнице дополнительно потребуется
мощность.
где
угол наклона ЛЭУ
относительная частота вращения барабана.
угол наклона образующей сегмента к малой оси эллипсного контура.
коэффициент загрузки барабана.
,
где
наибольший радиус загрузки;
наименьший радиус загрузки.
Рис.5.1 Линии и зоны контакта ЛЭУ с загрузкой.
плотность мелющей загрузки, кг/м3;
угловая скорость барабана, рад/с;
коэффициент лобового сопротивления зависящий от формы тела и
среды;
проекция площади контакта ЛЭУ с загрузкой
на плоскость перпендикулярную направлению вращения (миделево сечение)
коэффициент трения мелющих тел о футеровку.
Суммарная мощность необходимая для мельницы с модернизацией:
Так как превышение составляет менее одного процента, то оставляем
электродвигатель прежним
.
5.3
Кинематический расчет привода
Угловая скорость вращения барабана определяет характер
траектории движения мелющих тел, от которой, зависит эффективность помола в
мельницах. При небольшой угловой скорости вращения барабана загрузка будет циркулировать
в левом нижнем квадрате (Рис.5.2). Мелющие тела будут подниматься, вращаясь
вместе с барабаном, на некоторую высоту и затем скатываться по подстилающим
слоям, не производя удара. При слишком большой угловой скорости, которая
называется критической, центробежная сила инерции Fи превысит силу тяжести G и мелющие тела не будут
отрываться от стенок даже в самой верхней точке С.
Критическая угловая скорость вращения барабана
где g - ускорение свободного падения, м/с2;
R - радиус вращения мелющего тела, м.
Оптимальная угловая скорость вращения барабана находится из
условия обеспечения максимальной высоты падения шара от стенок (точка А) и
точек соприкосновения его с барабаном после падения (точка D).
В точке А на шар действует сила тяжести G, центробежная сила инерции Fи и сила трения F. Учитывая, что будет иметь место подпор
верхних частиц нижними, то скольжением тел по стенкам барабана можно
пренебречь, тогда отрыв от стенок барабана будет обеспечен при условии:
или
Угловая скорость:
После отрыва первого шара от стенок барабана он движется по
параболе, которая описывается системой уравнений (при наличии координат в точке
А):
x = V t cosα
y = V t sinα - gt2/2
где t - время с момента отрыва шара, с.
Подставив в эти уравнения значения окружной скорости вращения
барабана
Рис.5.2 Схема к расчету угловой скорости вращения барабана.
Получим значение текущей ординаты:
y = х tgα - [x2/ (2Rcos3α)]
Траектория окружностей стенок барабана (с началом координат в ее
центре) описывается уравнением:
Как видно из схемы на Рис.5.2:
,
Подставив значения х0 и у0 в
формулу и решив совместно уравнения, найдем ординату точки:
Для определения максимальной высоты падения необходимо иметь
первую производную от функции и приравнять ее к нулю:
Очевидно, что L и R не равны нулю, тогда:
или
Из уравнения можно найти наивыгоднейший угол отрыва шаров, который
будет равен α = 54о40’.
, где R - радиус
барабана в свету, м
Частота вращения барабана оптимальная тогда будет равна:
5.4
Прочностной расчет барабана мельницы на прочность
Исходные данные:
. Частота вращения мельницы n = 0,32 с-1.
. Длина средней части барабана Lср=15,02 м.
. Расстояние между осями подшипников L=17,4 м.
. Внутренний диаметр барабана D=3,2 м.
. Вес барабана Gб = 898Ì103 Н;
. Вес загрузочной части Gз. ч. = 216Ì103 Н.
. Вес питателя Gп=33Ì103 Н.
. Вес футеровки с болтами:
на длине первой камеры Gф1=530 Ì103 Н.
на длине второй камеры Gф2=413Ì103 Н.
. Вес межкамерной перегородки Gпер=38Ì103 Н.
. Вес разгрузочной части Gр. ч=250Ì103 Н.
. Вес сита и разгрузочного патрубка Gс. р. п=52Ì103 Н.
. Вес муфты Gм=40Ì103 Н.
. Вес половины промежуточного вала Gпв=25Ì103 Н.
. Вес мелющих тел Gш =1373 103 Н.
15. Вес сектора 1
. Вес сектора 2
Вес решетки
Сила тяжести вращающихся частей мельницы.
где
сила тяжести шаров, Н;
сила тяжести измельчаемого материала, Н (принимается
);
Центробежная сила, возникшая при вращении барабана мельницы от
мелющих тел и материала, находящийся на круговой траектории, Будет равна.
Направление центробежной силы
составляет с вертикальной осью угол 60°.
Равнодействующая
центробежной силы
и силы тяжести мелющих тел и материала
, находящийся на круговой траектории,
будет равна.
Где
Определяем значение равнодействующей в плоскости Z:
Определяем величину распределенной нагрузки от действия
равнодействующей силы в плоскости Z:
где Lср - длина барабана мельницы, м.
Определяем значение равнодействующей в плоскости Y:
Определяем величину распределенной нагрузки от действия
равнодействующей силы в плоскости Y:
- вес сита, разгрузочного патрубка, муфты и половины
промежуточного вала, Н;
- вес футерованного барабана с
межкамерной перегородкой, Н. Величина распределенной нагрузки от футеровки
определяется по формуле
Определяем реакцию опоры RB в плоскости Z:
Определяем реакцию опоры RB в плоскости Y:
Определим результирующее значение реакции опоры
:
Определяем реакцию опоры
в плоскости Z:
Определяем реакцию опоры
в плоскости Y:
Определим результирующее значение реакции опоры
:
Производим проверку реакций в плоскости Z:

Построение эпюры распределения нагрузок в плоскости Z:
Участок 1 (0<x1<1,27):
при
при
Участок 2 (0<x2<0,5)
при
при
Участок 3 (0<x3<0,77):
при
;
при
;
Участок 4 (0<x4<0,85):
при
при
Участок 5 (0<x5<2,95):
при
при
при
при
Участок 6 (0<x6<2,2):
при
при
при
при
Участок 7 (0<x7<1,5):

при
при
при
Участок 8 (0<x8<2,44):
при
при
Участок 9 (0<x9<0,5)
при
при
Участок 10 (0<x10<0,77)
при
при
Участок 11 (0<x11<7,5)
при
при
при
при
Рис.5.3 Схема к расчету трубной мельницы Ø 3.2х15.
Определение максимального изгибающего момента в плоскости Y:
Участок 1 (0<x1<1,27)
Участок 2 (0<x2<7,5)
при
при
Проверка прочности барабана в опасном сечении. В данном случае
проверке подвергнем сечения с резким скачком приложенных сил или максимальными
значениями моментов.
Определим максимальный изгибающий момент на участке 7
Получим длину участка 7 равную 1,4м
Значение момента и точка его приложения, находятся на небольшом
удалении от точки приложения максимального момента, поэтому расчет будем
производить именно по максимальному изгибающему моменту.
Определение максимального результирующего изгибающего момента:
Определим крутящий момент, действующий на участке от муфты до
первого (со стороны муфты) подшипника:
где
мощность двигателя, кВт;
угловая скорость мельницы, рад/с:
Приведенный момент определяется по формуле:
где
максимальный изгибающий момент, кНÌм.
Определяем напряжение, возникающее в барабане, по формуле:
где
коэффициент, учитывающий ослабление
сечения вырезами и отверстиями для болтов;
момент сопротивления сечения корпуса,
:
где S - толщина стенки барабана, м;
наружный радиус корпуса, м
W=3,14Ì0,04ÌÌ1,642=0,34 м3
Барабан мельницы обычно сваривают из стали М16С с временным
сопротивлением
относительным удлинением 22% и ударной
вязкостью 0,4 мПа. Предел выносливости этой стали при характерной для данного
случая нагрузке
. [5]
Допускаемое напряжение в сечениях барабана, изготовленного из этой
стали, не должно превышать
5.6 Расчет
кинематических параметров машины
Рис.5.4 Схема привода мельницы.
- электродвигатель, 2 - муфта, 3 - редуктор, 4 - барабан.
,
,
где
, принимаем
;
, принимаем
;
;
;
Тогда:
.
кВт,
Рдв. - потребляемая мощность двигателя.
Определяем ориентировочное значение частоты вращения вала
электродвигателя:
,
где
об/мин;
;
;
;
об/мин.
Выбираем по каталогу электродвигатель со следующей технологической
характеристикой: тип двигателя СМДЗ 2-22-41-60УЧ, установочная мощность - 2000 кВт,
частота вращения ротора - 100 об/мин, передаточное число редуктора -
5,90. Уточняем передаточное отношение привода:
По каталогу выбираем редуктор с таким же передаточным отношением:
.
Определяем мощность на каждом валу привода:
кВт,
кВт,
кВт,
кВт.
Определяем частоту вращения на каждом валу привода:
мин-1,
мин-1,
мин-1,
мин-1,
Определяем крутящие моменты на каждом валу привода:
Н·м,
Н м,
Н м,
Н м.
Расчет муфты:
Определяем расчетный крутящий момент:
;
гдеk - коэффициент запаса, k = 1,5;
Т -
передаваемый крутящий момент.
Н·м,
Н·м,
Н·м.
Выбираем соответственно муфты:
Зубчатая муфта общего назначения типа МЗ - ГОСТ 5006-55;
Компенсирующая зубчатая муфта по ГОСТ 21424-75;
Обгонная муфта ГОСТ 21424-75
5.7 Расчёт
болтовых креплений торцевых крышек с фланцами корпуса
Торцевые крышки к фланцам корпуса прикрепляют призонными
болтами, т.е. отверстия под болт готовят из-под развертки и работают они на
срез и растяжение. Срез болтов происходит под действием равнодействующей Бр
и окружного усилия Ро, приложенного по окружности, проходящей
через центры болтов.
Окружное усилие находим по формуле:
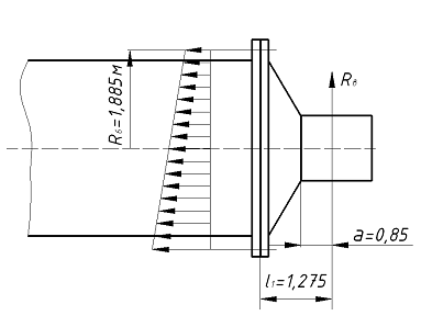
;
где Rб - радиус окружности по центрам болтов, равный 1,885 м,
тогда:
кН
Рис.5.4 Схема к расчету болтов, соединяющих крышки с фланцами
корпуса.
Суммарная сила среза будет равна:
кН.
Величина напряжения в болтах под действием суммарной силы среза
составит:
,
где tср -
напряжение среза, Па;
z1 -
количество призонных болтов, z1 = 20 шт.;
Fс - площадь поперечного сечения болта, м2;
,
где d - диаметр болта, равен 60×10-3 м;
тогда:
Па.
Допускаемое напряжение среза принимаем в зависимости от предела
текучести.
для стали 20 -
Па;
Па;
для стали 25 -
Па;
Па;
Сравнивая приведенные марки сталей, находим, что нашему требованию
удовлетворяет сталь 20, т.е.:
Па <
Па.
Условие прочности выполняется.
Усилие, растягивающее болты, определяют по формуле:
,
где Ри - усилие изгибающего момента, Н;
Рз
- усилие от действия затяжки болтов, Н;
Кб
- коэффициент упругости болтового соединения, равный 0,2…0,3.
Растягивающее усилие, вызываемое изгибающим моментом
, равно:
,
где e -
коэффициент неравномерности затяжки болтов, равный 0,75, т.е.
считают, что только 75% болтов затянуты равномерно;
l1 -
расстояние от подшипника до плоскости разъема, l1 =
1,275 м;
RВ - реакция в опоре со стороны привода, тогда:
Н;
z2 -
общее количество болтов, равное 80,таким образом:
Н.
Усилие затяжки болта:
,
где Sн - площадь сечения нарезанной части болта, м2.
кН.
Крутящий момент, необходимый для затягивания болта равен:
,
где dc - диаметр стержня болта, равный 0,058×103 м;
k - коэффициент запаса, равный 1,2.
кН м.
Касательные напряжения в нарезанной части болта определяют по
уравнению:
;
мПа;
в стержнях болта:
;
мПа;
;
;
,
тогда:
мПа;
мПа.
Находим приведенные нормальные напряжения:
;
;
мПа;
мПа.
Сравнивая допустимые напряжения, принимаем по пределу текучести:
;
Па.
Условие прочности выполняется и по пределу прочности:
;
МПа.
Сравнивая эти значения с расчетными получаем, что работа болтового
соединения удовлетворяет пределу прочности и пределу текучести материала.
5.8 Расчет
цапф мельницы
Как показала практика эксплуатации шаровых мельниц, опасным
сечением днищ является место перехода цилиндрической части (цапфы) в коническую
(собственно днище), где могут быть скрытые литейные пороки.
Изгибающий момент равен:
Приведенный момент определяется из уравнения:
Напряжение от изгиба цапфы будет равно:
где W - момент сопротивления изгибу:
где Rн - внешний диаметр цапфы, Rн = 1,42 м,
Rвн - внутренний диаметр цапфы, Rвн = 1,1 м.
При расчете цапфы допускаемое напряжение принимается не выше 10 МПа,
следовательно, полученное напряжение удовлетворяет требуемому.
Заключение
В данном курсовом проекте была затронута тема по увеличению
производительности шаровой трубной мельницы Ø 3,2х15 с возможным
последующим применением ее на базе ОАО "Белцемент". Был произведен
патентный поиск и анализ путей усовершенствования существующей мельницы. Из
выбранных патентов наиболее эффективным и простым в установке для
среднестатистического рабочего мной был признан патент по установке лопастных
энергообменных устройств во внутрь мельницы. Были подобраны основные параметры
частей модернизации которые бы обеспечили максимальную унификацию и простоту
монтажа. В проекте так же произведен расчет основных параметров мельницы с
учетом применяемой модернизации, таких как производительность, мощность
двигателя, и расчет барабана на прочность. В результате расчетов я выявил, что
производительность подросла, но пропорционально производительности подросла и
мощность двигателя. Это никоем образом не говорит о неправильности выбора
модернизации, так как данные устройства с успехом применяются в других странах
мира - лидерах по производству цемента и признаны весьма эффективными. Это лишь
следствие повышения массы мельницы и увеличения сил трения. Расчет показал, что
нагрузка на барабан находится в допустимых для стали барабана приделах. В
общем, данная модернизация способствует интенсификации процесса измельчения
материала по всей длине мельницы, повышению качества (тонкости помола)
измельчаемого продукта за счет усиления раздавливающее - истирающего
воздействия в поперечно - продольном направлении во второй камере.
Литература
1.
Сапожников М.Я., Дроздов Н.Е. "Справочник по оборудованию заводов
строительных материалов", М. "Машиностроение" - 1970 г. - 487 с.
.
Бауман В.А., Клушанцев Б.В., Мартынов В.Д. "Механическое оборудование
предприятий строительных материалов, изделий и конструкций", М.
"Машиностроение" - 1981 г. - 319 с.
.
Зозуля П.В., Никифоров Ю.В. "Проектирование цементных заводов". Санкт
- Петербург: "Синтез" - 1995 г. - 439 с.
.
Анурьев В.И. Справочник конструктора - машиностроителя, т.1,2,3.М.
"Машиностроение" - 1979 г.
.
Банит Ф.Г. Несвинжский О.А. "Механическое оборудование цементных
заводов", М. "Машиностроение" - 1975г. - 317с.
.А.
С.1522528 (СССР) Лопастные энергообменные устройства для трубных мельниц.В.С.
Севостьянов, В.С. Богданов, Н.С. Богданов, С.Ф. Зеленков, С.И. Ханин - 1987.
.А.
С.1573606 (СССР) Лопастные энергообменные устройства для трубных мельниц. В.С.
Севостьянов, В.С. Богданов, С.И. Ханин - 1988.