Определение основных параметров ковшового ленточного элеватора
ТГТУ
Кафедра
строительно-дорожных машин и оборудования
Расчетно-пояснительная
записка
Тема:
Определение основных параметров ковшового ленточного элеватора
Тверь 2007
1. Исходные данные для расчета
Тип конвейера - ковшовый ленточный элеватор.
Производительность - Q=50 т/ч.
Высота транспортирования - H=40 м.
Класс использования механизма по времени - В3.
Класс использования механизма по
производительности - П3.
Класс использования механизма по
грузоподъемности - Н3.
Класс использования механизма по нагружению
рабочего органа - Ц3.
Место установки - закрытое помещение.
Тип загрузочного устройства - патрубок.
Транспортируемый материал - известь молотая.
Насыпная плотность материала - ρ=1370
кг/м3.
Угол естественного откоса в покое - φ=40°.
Степень абразивности материала - С (средняя).
Крупность частиц - а=0,001…0,05 мм.
Подвижность частиц материала - легкая.
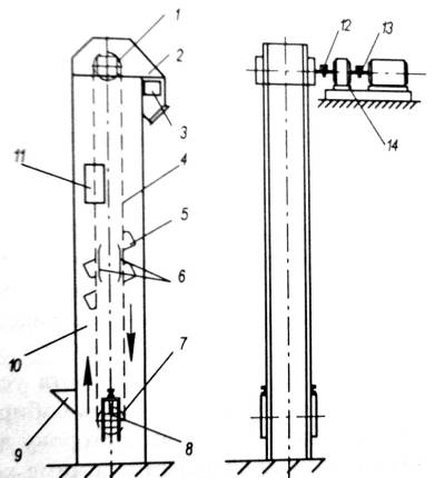
2. Схема ленточного элеватора
Рис. 1 - Схема ленточного элеватора: 1 - Верхний
приводной барабан; 2 - Верхняя часть кожуха; 3 - Люки; 4 - Лента; 5 - Ковши; 6
- Направляющие; 7 - Нижний натяжной барабан; 8 - Натяжное устройство; 9 -
Нижняя часть кожуха; 10 - Средняя часть кожуха; 11 - Направляющие устройства;
12 - Останов; 13 - Тормоз; 14 - Редуктор
3. Выбор скорости, типа ковша и
тягового органа
элеватор привод натяжной устройство
Выбор скорости движения тяговых органов. По
рекомендации в [9 ] для молотой извести, как легкосыпучему пылевидному
материалу, соответствуют скорости транспортирования υ=1…4
м/с, принимаем υ=2 м/с
Выбор типа ковшей. Согласно [6 ] объем ковша
определяется по формуле:
где tК - шаг установки ковшей;
принимаем tК=0,5 м,
ρ - насыпная плотность материала;
ρ=1370 кг/м3,
ψ - средний коэффициент
наполнения ковшей; согласно [3 ] ψ=0,75,
По рекомендации в [3 ]для
транспортирования пылевидных материалов применяют ковши типа Г (глубокие).
Согласно приложению 13 в [6 ] выбираем глубокий ковш с параметрами: iК=4 л,
b=320 мм, l=175 мм, h=190 мм, r=55 мм, δ=3 мм (рис.1).
Рис. 2 - Норийный ковш
Предварительный выбор размеров
тягового органа. Согласно [1 ]при транспортирования среднеабразивного материала
следует применять ленту с двусторонней резиновой обкладкой типа 2. Согласно [6
]принимаем ленту, у которой ширина ВЛ=400 мм, толщина прокладки δ0=1,1, толщина
рабочей обкладки δ1=4мм,
толщина нерабочей обкладки δ2=2мм, с повышенной прочностью ткани
с применением капрона ТК-100, класс резины С:
Лента 2-400-ТК-100-4-2-С ГОСТ 20-85
Определение суммарной толщины ленты.
Ориентировочно принимаем по рекомендации в [6]число прокладок iП=6:
4. Тяговый расчет элементов нории
.1 Определение распределенных
нагрузок
Нагрузка от массы груза на 1 м
ленты:
Распределенная нагрузка ходовой
части элеватора:
где qТ - распределенная масса
тягового элемента, для ленты:
mК - масса ковша; по данным в [6
]для подобранного ковша mК=5 кг,
Тяговой расчет элеватора. Расчет
выполняется путем последовательного суммирования сопротивлений на отдельных
участках трассы. Границы участков устанавливаются с учетом изменения характера
или вида сопротивления (рис.2).
Натяжение в точке 2. В этой точке
тяговый орган (лента) имеет наименьшую силу натяжения FН:
Сила натяжения ленты в точке 2:
Рис. 3 - Расчетная схема элеватора
Натяжение в точке 3. Сила натяжения
ленты в этой точке складывается из силы натяжения F2, сопротивления на
поворотном барабане и сопротивления зачерпыванию груза W2-3:
где k - коэффициент, учитывающий
увеличение натяжения на поворотном барабане; согласно [3 ]для средних условий
работы элеватора в закрытом помещении и угле поворота ленты в 180° k=1,025,
СЗАЧ - коэффициент сопротивления при зачерпывании; при скорости ковшей 1-1,25
м/с для порошкообразных и мелкозернистых грузов СЗАЧ =12,5-25 Нм/кг и СЗАЧ
=20-40 Нм/кг для кусковых грузов; т.к. скорость движения ковшей 2 м/с,
принимаем для молотой извести СЗАЧ =30 Нм/кг
Натяжение в точке 4. Сила натяжения
ленты в этой точке складывается из силы натяжения F3 и сопротивления движущихся
масс, на разгон и поднятие материла W3-4:
где g=9,81 Н/кг - ускорение
свободного падения,
Н=40 м - высота элеватора (рис.2),
Натяжение в точке 1. Сила натяжения
ленты в этой точке складывается из силы натяжения F2 и нагрузки от движущихся
масс порожней ветви элеватора W2-1:
Проверка надежности сцепления ленты
с приводным барабаном. Проверку надежности проводим по формуле Эйлера:

α - угол обхвата лентой барабана;
α=180°,
Проверка числа прокладок ленты.
Проверку согласно [6] проводим используя зависимость:
где FMAX - максимальное значение
силы натяжения; FMAX =F НБ =F4=11054,7 Н,Л - запас прочности ленты; nЛ=10-12,
принимаем nЛ=12,
К0 - коэффициент, учитывающий
ослабление ленты отверстиями под болты для крепления ковшей; К0 =0,7-0,9,
принимаем К0 =0,9,
[К] Р - предел прочности одного слоя
ленты; у ленты с ТК-100 [К ]Р =100 Н/мм
5. Проектирование привода элеватора
.1 Определение размеров барабанов.
Диаметр приводного барабана вычислим
по зависимости из [6 ]:
Из ряда размеров барабанов по ГОСТ
22644-77 принимаем ближайший диаметр DПБ =800 мм.
Ширину приводного барабана принимаем
больше ширины ленты BПБ =500 мм
Диаметр натяжного барабана согласно
[7 ] принимаем таким же как и приводного: DПБ = DНБ =800 мм.
Ширину натяжного барабана принимаем
BНБ = BПБ =500 мм.
5.2 Определение потребной мощности
электродвигателя
Потребную мощность определим из
соотношения:
где kЗ - коэффициент запаса; kЗ
=1,1-1,2, принимаем kЗ =1,2,=FНБ-FСБ - окружная сила на приводном валу; W0
=11054,7-8087,3=2967,5 Н,
η - КПД передаточного
механизма; для двухступенчатого редуктора согласно [7 ] η=0,94,
5.3 Кинематический расчет
Частота вращения приводного
барабана. Частоту вращения определим по формуле из [6]:
Определение крутящего момента на
валу приводного барабана:
где FОКР =W0 =2967,5 Н - окружная
сила на валу приводного барабана,
Определение требуемого передаточного
числа ui привода для каждой частоты вращения подходящего по мощности
электродвигателя. Воспользуемся зависимостью:
Подбор двигателя и передачи
мощности. По полученной потребной мощности выберем стандартный
электродвигатель. В конвейерах и элеваторах при продолжительном режиме работы
от сети переменного тока применяют трехфазные асинхронные короткозамкнутые
двигатели общего назначения серии 4А. Желательно использовать двигатели с
повышенным пусковым моментом из-за возможности пуска системы под нагрузкой.
В качестве передачи мощности
используем редуктор типа Ц2У. Далее в таблице представлены сравнительные
характеристики нескольких оптимизированных вариантов привода элеватора:
|
№
|
Марка
двигателя
|
PДВ,
кВт
|
nДВ,
об/мин
|
 uiТипоразмер
редуктораuРНоминальный крутящий момент на тихоходном валу ТНТ, Нм
|
|
|
|
|
|
|
1.
|
АИР112М2
|
7,5
|
2895
|
2,0
|
2,2
|
60,6
|
Ц2У-250
|
40
|
4000
|
|
2.
|
АИР132S4
|
7,5
|
1440
|
2,0
|
2,2
|
30,2
|
Ц2У-200
|
31,5
|
2000
|
|
3.
|
АИР132М6
|
7,5
|
960
|
2,0
|
2,2
|
20,1
|
Ц2У-200
|
20
|
2000
|
|
4.
|
АИР160S8
|
727
|
1,4
|
2,2
|
15,2
|
Ц2У-160
|
18
|
1000
|
Перегрузка по мощности на всех двигателях
составляет:
Из анализа данных таблицы следует,
что наиболее рациональным вариантом привода является 3-ой, т.к. двигатель имеет
повышенный пусковой момент, передача мощности не требует установки
дополнительной открытой передачи как в 1-ом варианте и отклонение передаточного
числа редуктора от требуемого меньше, чем в других вариантах. Сделаем проверку
двигателя и редуктора.
Проверка двигателя по пусковому
моменту. Поскольку элеваторы в ряде случаев пускаются в ход под нагрузкой,
следует проверить электродвигатель по пусковому моменту с учетом допускаемой
потери напряжения в питающей сети. Проверку выполняем по условию из [6 ]:
где ТН - номинальный момент
электродвигателя:
- угловая скорость вала
электродвигателя,
- коэффициент перегрузки двигателя,
ТТР - момент трогания нагруженного
элеватора, приведенный к валу электродвигателя:
Проверка редуктора по максимальному
крутящему моменту на тихоходном валу. Проверка выполняется согласно условию:
т - кратность пускового момента; из
[8 ]для редуктора Ц2У при среднем режиме работы т=1,6,
Окончательно принимаем:
Двигатель АИР132М6 ТУ 16-525.564-84,
Редуктор Ц2У-200-20-21КУ2,
5.4 Эскизы принятых элементов
привода
Эскиз двигателя.
Рис. 4
Эскиз редуктора.
Рис. 5
5.5 Эскиз конца быстроходного вала
редуктора
Рис. 6
5.6 Эскиз конца тихоходного вала
редуктора
Рис. 7
6. Подбор муфт и расчет останова
Выбор муфты для быстроходного вала.
Для соединения быстроходного вала редуктора и вала двигателя рекомендуется по
[5 ] применять муфту, обладающую упругими свойствами, с малым моментом инерции.
Используем упругую втулочно-пальцевую муфту (МУВП). Подбор муфты осуществляем
по крутящему моменту на быстроходном валу, согласно [4 ]:
Возьмем заготовку муфты с МКР=250 Нм
(эскиз и размеры в п.6.1.1) и одной ступицей под вал двигателя d=38 мм, а
отверстие второй ступицы расточим под конический конец быстроходного вала с
d=30 мм. Принятая муфта:
Муфта упругая втулочно-пальцевая
250-38-1.1-30-2.1-Т2 ГОСТ 21424-75
Эскиз МУВП.
Рис. 8
Выбор муфты для тихоходного вала. В
нашей конструкции применим упруго-предохранительную муфту с торообразной
оболочкой. Подбор муфты осуществляем по крутящему моменту на тихоходном валу:
По [1] выбираем муфту с МКР =2000 Нм
и d=70 мм (для обоих отверстий), у которой одна полумуфта с коническим
отверстием, вторая с цилиндрическим. Принятая муфта:
Муфта упругая с торообразной
оболочкой 1250-50.1-60.2-1.1 ГОСТ 20884-75
Эскиз муфты упругой с торообразной
оболочкой.
Рис. 9
Проектирование останова элеватора.
Для удержания тягового органа с ковшами от падения при отрыве и от обратного
хода при случайном выключении двигателя применяют автоматические тормозные
устройства. Чаще всего для этой цели используют храповые или роликовые
остановы. В конструкции нашего элеватора применим храповой останов.
Подбор тормозного устройства
осуществляют по тормозному моменту, т.е. крутящему моменту на валу, на котором
расположен тормоз. Предпочтительным местом установки является быстроходный вал
редуктора. По причине отсутствия места на быстроходном валу храповое колесо
устанавливаем на вал приводного барабана, на котором ТКР =МКРТ =1492,2 Нм.
Назначаем внешний диаметр храпового
колеса, исходя из габаритных размеров останова, по [6] имеем:
где DМУФТ - наружный диаметр рядом
установленной муфты, DМУФТ=250 мм,
Рассчитаем модуль храпового колеса
из условия прочности кромок зубьев на сжатие:
где ψ -
коэффициент ширины зуба храпового колеса; по рекомендации в [6 ] для выбранного
материала колеса сталь 45 ψ=1..2, принимаем ψ=1,5,
[р ] - допускаемое линейное давление
с учетом динамического характера нагружения; по данным в [6 ] принимаем [р
]=400 МПа,
Полученное значение модуля округляем
до стандартного из ряда в [1 ]и окончательно принимаем т=20 мм.
Определим число зубьев храпового
колеса:
Округления полученного значения до
целого не требуется, принимаем Z=15. Вследствие этого уточнение внешнего
диаметра храпового колеса не проводим и оставляем без изменений DХ =300 мм.
Храповое колесо и его собачку
изготавливаем закаленными и цементованными с закалкой. Материал собачки - сталь
40Х.
Рис. 10
7. Проектирование кожуха нории
.1 Определение вида разгрузки
материала
По рекомендации в [3] для хорошо
сыпучих материалов, в нашем случае молотой извести, и скорости
транспортирования υ=2 м/с должен
применяться центробежный способ разгрузки ковшей. Для осуществления
центробежной разгрузки требуется выполнение условия:
где lП - полюсное расстояние;
ω - угловая скорость вала
приводного барабана,
Условие выполняется, следовательно,
разгрузка ковшей - центробежная.
7.2 Построение очертания контура
головки кожуха нории
При центробежной разгрузке очертание
головки элеватора определяется траекториями полета частиц, которые отрываются
от ковша в различных его положениях, начиная с момента набегания ленты на
барабан. Частицы груза вылетают из ковша при разгрузке по траекториям, описываемым
параболами.
Согласно [6 ]теоретическое очертание
кожуха определяется огибающей параболой А (см. эскиз п.7.2.1), которую
приближенно можно построить по характерным точкам 1, 2, 3 и 4:
для т. 1:
,
для т. 2:
для т. 3:
для т. 4:
Эскиз контура головки кожуха нории.
Рис. 11
8. Прочностные расчеты
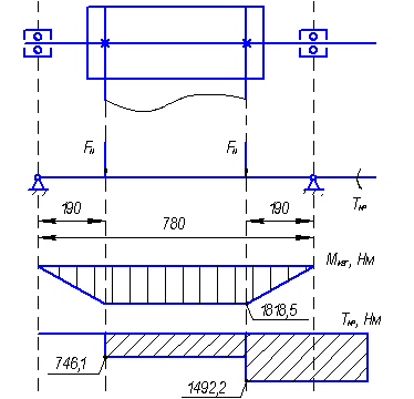
.1 Проектный расчет вала приводного
барабана
Расчетная схема нагружения вала,
включающая эпюры изгибающего и крутящего моментов.
Рис. 12
Минимальный диаметр вала. Расчет
выполняем по формуле из [6 ]:
где МЭКВ - эквивалентный или
суммарный момент на валу,
[σ]=65..75 МПа -
допускаемые напряжения для углеродистых сталей марок 35-50; принимаем [σ]=75 МПа,
Полученный диаметр вала является
наименьшим, все остальные диаметры вала должны быть больше минимального.
Диаметр конца вала под муфту принимаем 70 мм.
8.2 Проектный расчет вала натяжного
барабана
Расчетная схема нагружения вала.
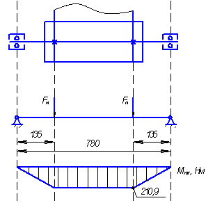
Рис. 13
Минимальный диаметр вала.
9. Расчет и проектирование натяжного
устройства
.1 Выбор типа натяжного устройства
По рекомендации в [6] для элеваторов
высотой более 30 м устанавливают грузовые натяжные устройства.
Расчет грузового натяжного
устройства. Расчет сводится к определению веса груза, подвешенного к натяжному
барабану элеватора:
где КН - коэффициент запаса силы
натяжения, учитывающий сопротивление передвижению ползунов натяжного
устройства; КН =1,2..1,5, принимаем КН =1,25,НБ, FСБ - натяжение соответственно
набегающей и сбегающей с натяжного барабана ветвей ленты, FНБ =F2 =1440 Н, FСБ
=F3 =1684,2 Н,
По полученной величине GНГ
устанавливаем число, вес и габаритные размеры грузовых блоков, составляющих
подвешенный груз. По данным в табл.2.9 [6 ]принимаем противовес из
железобетона, составленный из 8 блоков размерами 1215•150•120 и весом каждого
0,5 кН.
Расчет хода натяжного барабана. Ход
натяжного барабана для резино-тканевых лент находим по зависимости из [6 ]:
где В - ширина ленты, В=0,5 м,-
длина конвейера, в нашем случае вместо длины конвейера в формулу подставляем
высоту элеватора Н=40 м,
Библиографический список
1.
Анурьев В.И. Справочник конструктора-машиностроителя: В 3-х т. Т. 1, 2 и 3. -
5-е изд., перераб. и доп. - М.: Машиностроение, 1980.
.
Дунаев П.Ф., Леликов О.П. Детали машин. Курсовое проектирование: Учеб. Пособие
для машиностроит. спец. учреждений среднего профессионального образования. -
4-е издание, исправл. - М.: Машиностроение, 2003.
.
Дьячков В.К. Машины непрерывного транспорта. - М.: Машгиз, 1961.
.
Зеленский О.В., Петров А.С. Справочник по проектированию ленточных конвейеров.
- М.: Недра, 1986.
.
Иванов М.Н., Иванов В.Н. Детали машин. Курсовое проектирование. Учеб. пособие
для машиностроит. вузов. М., «Высшая школа», 1975.
.
Проектирование подъемно-транспортных установок. Степыгин В.И., Чертов Е.Д.,
Елфимов С.А. Машиностроение, 2005.
.
Расчеты грузоподъемных и транспортирующих машин. Иванченко Ф.К. и др. «Вища
школа», 1984.
.
Редукторы и мотор-редукторы. Каталог-справочник. Часть 1. - М.: НИИ информации
по машиностроению, 1973.
.
Спиваковский А.О., Дьячков В.К. Транспортирующие машины: Учеб. Пособие для
машиностроит. вузов. - 3-е изд., перераб. - М.: Машиностроение, 1983.