|
(14)
|
Дата
публикации: 2003.08.10
|
(71)
|
Имя
заявителя: Открытое акционерное общество "Чебоксарское научно- производственное
приборостроительное предприятие "ЭЛАРА"
|
|
(21)
|
Регистрационный
номер заявки: 2001128529/28
|
(72)
|
Имя
изобретателя: Лебедев С.О.; Ветошкина Н.К.; Потапов А.А.; Архипов В.А.;
Ильенко Г.А.; Кушаев Р.М.; Иванов В.М.; Олаев В.А.; Евдокимов М.А.
|
|
(22)
|
Дата
подачи заявки: 2001.10.22
|
(73)
|
Имя
патентообладателя: Открытое акционерное общество "Чебоксарское научно-
производственное приборостроительное предприятие "ЭЛАРА"
|
|
(24)
|
Дата
начала отсчета срока действия патента: 2001.10.22
|
(98)
|
Адрес
для переписки: 428034, г.Чебоксары, Московский пр., 40, кв.25, ОАО
"ЧНППП "ЭЛАРА"
|
|
(45)
|
Опубликовано:
2003.08.10
|
|
|
(56)
|
|
Изобретение относится к магнитному курсоуказанию
и навигации, и предназначено для использования на транспортных средствах,
оснащенных системами размагничивания. Способ заключается в измерении
электромагнитной девиации путем сравнения магнитной девиации при выключенной
системе размагничивания и после ее включения. На этапе измерения
электромагнитной девиации на неподвижном судне измеряются зависимости
приращения векторов индукции магнитного поля от токов, протекающих в каждой из
обмоток размагничивающего устройства. Измерения проводятся с использованием
трехкомпонентного векторного датчика магнитного поля компаса в штатном его
положении. В процессе компенсации электромагнитной девиации производится
векторное суммирование элементарных полей от каждой из включенных обмоток
согласно измеренным зависимостям. Векторное суммирование является приращением
вектора полной индукции от размагничивающего устройства и учитывается в
алгоритме вычисления магнитного курса. Устройство для осуществления данного
способа содержит размагничивающее устройство, трехкомпонентный векторный датчик
магнитного поля, вычислитель электромагнитной девиации, вычислитель магнитного
курса, датчики тока обмоток размагничивания, блок согласования с размагничивающим
устройством и блок управления калибровкой. Перечисленные элементы устройства
соединены друг с другом соответствующим образом. Технический результат состоит
в упрощении процедуры измерения и повышении точности компенсации
электромагнитной девиации. 2 с.п. ф-лы, 1 ил.
магнитное поле индукционный компас
ОПИСАНИЕ ИЗОБРЕТЕНИЯ
Изобретение относится к магнитному курсоуказанию
и навигации и предназначено для использования на транспортных средствах,
оснащенных системами размагничивания.
Существующие в настоящее время компенсаторы
электромагнитной девиации, вызываемой системами размагничивания, выполняются в
виде системы контуров с токами, обеспечивающих в объеме чувствительного
элемента магнитного компаса магнитное поле, равное по модулю и противоположное
по направлению по отношению к составляющим полей, создаваемых обмотками системы
размагничивания [Л. Кардашинский-Брауде. Современные судовые магнитные компасы.
СПб.: ЦНИИ "Электроприбор", 1999 г.].
Недостатком таких компенсаторов является высокая
трудоемкость наладочных работ и сложность ее автоматизации.
Наиболее близким к изобретению по технической
сущности и принятый за прототип, является "Способ определения девиации
курсоуказателя подвижного объекта" [а. с. СССР 1822248, МПК G 01 C 17/38,
1990 г.], заключающийся в том, что после проведенных измерений включают
размагничивающее устройство, в одном из курсовых положений вторично измеряют и
определяют составляющие магнитного поля размагничивающего устройства, с учетом
которых находят результирующие составляющие магнитного поля объекта.
К недостатку способа можно отнести то, что
измерение коэффициентов электромагнитной девиации производится без учета
изменения распределения токов в обмотках размагничивающего устройства, которые
зависят от координат местоположения (широты) и магнитного курса подвижного
объекта.
Техническим результатом изобретения является
упрощение процедуры измерения электромагнитной девиации и повышение точности
компенсации последней, вызываемой системой размагничивания.
Технический результат достигается тем, что по
способу цифровой компенсации электромагнитной девиации для магнитного
электронного компаса, заключающегося в измерении электромагнитной девиации
путем сравнения магнитной девиации при выключенной системе размагничивания и после
ее включения, на этапе измерения электромагнитной девиации на неподвижном судне
измеряются зависимости приращения векторов индукции магнитного поля от токов,
протекающих в каждой из обмоток размагничивающего устройства, причем измерения
производятся с использованием трехкомпонентного векторного датчика магнитного
поля компаса в штатном его положении, а в процессе компенсации электромагнитной
девиации производится векторное суммирование элементарных полей от каждой из
включенных обмоток согласно измеренным зависимостям, которое является
приращением вектора полной магнитной индукции от размагничивающего устройства и
которое учитывается в алгоритме вычисления магнитного курса.
Такой способ может быть осуществлен устройством,
содержащим размагничивающее устройство, трехкомпонентный векторный датчик
магнитного поля, вычислитель электромагнитной девиации и вычислитель магнитного
курса, которое дополнительно снабжено датчиками тока обмоток размагничивающего
устройства, блоком согласования с размагничивающим устройством и блоком
управления калибровкой, причем к входам блока согласования с размагничивающим
устройством подключены датчики тока обмоток размагничивающего устройства, выход
блока согласования с размагничивающим устройством соединен с входом вычислителя
электромагнитной девиации, оснащенного двумя портами, первый порт которого
соединен с входом блока управления калибровкой, выходом соединенного с
размагничивающим устройством, а второй порт вычислителя электромагнитной
девиации через двунаправленную линию передачи данных соединен с первым портом
вычислителя магнитного курса, второй порт которого соединен с трехкомпонентным
векторным датчиком магнитного поля.
Сущность изобретения основывается на способе
однозначного измерения составляющих уравнения Пуассона, описывающих
напряженность магнитного поля однородно намагниченного ферромагнитного объекта
в точке размещения чувствительного элемента индукционного компаса в зависимости
от распределения токов в обмотках размагничивающего устройства (РУ).
Уравнения Пуассона имеют вид [1]:
где X', Y', Z' - составляющие
результирующего магнитного поля объекта и Земли в связанных с объектом осях х,
у, z; X, Y, Z - составляющие магнитного поля Земли по осям х, у, z; а, Ь, с, d,
e, f, g, h, k, - коэффициенты индуктивной намагниченности объекта (параметры
Пуассона); Р, Q, R - составляющие постоянной намагниченности объекта по осям z,
y, z; Хэ, Yэ, Zэ - переменные составляющие напряженности магнитного поля от РУ;
Рэ, Qэ, Rэ - постоянные составляющие напряженности магнитного поля от РУ.
Магнитный курс, измеряемый
электронным компасом с трехкомпонентным жесткозакрепленным датчиком магнитного
поля, определяется функцией:
= f(X,Y,Z,
,
)
(2)
где
- угол крена объекта;
- угол
тангажа (дифферента).
Таким образом, для определения
магнитного курса с целью фильтрации компонент X, Y, Z магнитного поля Земли
(МПЗ) из результирующего вектора магнитного поля объекта (МПО) в соответствии с
системой уравнений (1) необходимо решить две задачи:
. Измерение параметров постоянной и
индуктивной составляющих намагниченности объекта.
Первую задачу обычно решают,
используя в качестве модели МПО при отсутствии РУ пространственный эллипсоид.
Для решения второй задачи в
предлагаемом способе компенсации электромагнитной девиации исходной посылкой
является тот факт, что приращения вектора индукции магнитного поля,
создаваемого токами в обмотках РУ, геометрически жестко связаны с системой
координат объекта. Исходя из принципа суперпозиции полей производится векторное
суммирование
Вiэ
элементарных полей от каждой из включенных обмоток согласно измеренным
зависимостям, которое является приращением вектора магнитной индукции
Вэ
от размагничивающего устройства и которое учитывается в алгоритме вычисления
магнитного курса:
Bэ = 
Biэ (3)
Учитывая, что магнитная индукция
есть функция от тока, протекающего в обмотке РУ, для каждой из обмоток можно
представить в связанной системе координат скалярное выражение:
где Ii - ток в i-ой
обмотке РУ, и тогда выражение приращения
В в скалярной форме:
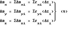
Выражения (5) представляют собой
постоянную и переменную составляющие электромагнитной девиации (Zэ,
Yэ, Zэ, Рэ, Qэ, Rэ) в
уравнениях Пуассона (1), поддающиеся однозначным измерению и компенсации.
Процедура компенсации ЭМД в
соответствии с предлагаемым способом состоит из двух этапов: 1. На этапе
калибровки ЭМД на неподвижном объекте и при отсутствии возмущений магнитного
поля в окрестности ЧЭ индукционного компаса последовательно изменяют ток в
каждой из обмоток РУ в отдельности во всем его диапазоне. По показаниям
трехкомпонентного векторного датчика магнитного поля компаса и измерителя тока
обмотки РУ для каждой обмотки РУ строятся зависимости (4) и вычисляются их
передаточные коэффициенты.
. На этапе компенсации ЭМД (рабочий
режим) путем последовательного измерения токов в обмотках РУ и вычисления в
соответствии с их коэффициентами передачи векторов элементарных магнитных полей
вычисляются результирующие компоненты вектора электромагнитной девиации в
соответствии с уравнениями (5), использующиеся затем в алгоритме вычисления
магнитного курса.
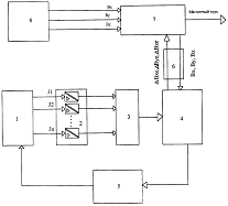
Устройство, позволяющее реализовать
заявляемый способ, представлено на функциональной схеме.
Устройство, реализующее данный
способ, содержит размагничивающее устройство 1 (РУ), к обмоткам J1, J2,...Jn
которого подключены последовательно датчики 2 тока обмоток РУ, блок 3
согласования с размагничивающим устройством и вычислитель 4 электромагнитной
девиации, первый порт которого соединен с блоком 5 управления калибровкой,
выход которого соединен с размагничивающим устройством 1, а второй порт
вычислителя 4 электромагнитной девиации соединен через двунаправленную линию 6
передачи данных с первым портом вычислителя 7 магнитного курса, второй порт
которого соединен с трехкомпонентным векторным датчиком 8 магнитного поля.
Устройство работает следующим
образом. Вычислитель 4 электромагнитной девиации является в цифровом
компенсаторе ЭМД активным устройством, осуществляющим управление компенсатором
на всех этапах его работы. Информацию о токах в обмотках РУ вычислитель 4
электромагнитной девиации получает с датчиков 2 тока обмоток размагничивающего
устройства, выполненных, например, в виде гальванически-развязанных нормирующих
усилителей, сигналы с которых преобразуются в цифровой вид в блоке 3
согласования с размагничивающим устройством. Информацию о параметрах магнитного
поля вычислитель 4 электромагнитной девиации получает от вычислителя 7
магнитного курса, который может входить в состав электронного компаса.
При отсутствии в вычислителе 4
электромагнитной девиации признака проведенной калибровки ЭМД или по команде
оператора вычислитель 4 электромагнитной девиации переходит в режим калибровки.
В этом режиме после переключения вычислителя 7 магнитного курса в режим
трансляции компонент магнитного поля вычислитель 4 электромагнитной девиации
управляет через блок 5 управления калибровкой последовательно в каждой обмотке
РУ током так, чтобы охватить весь диапазон изменения тока. По завершении
манипуляций со всеми обмотками РУ вычислитель 4 электромагнитной девиации
определяет и запоминает коэффициенты (функциональные зависимости) уравнений
(4).
В рабочем режиме вычислитель 4
электромагнитной девиации циклически производит опрос датчиков 2 тока обмоток
размагничивающего устройства, определяет результирующие компоненты приращений
индукции в соответствии с системой уравнений (5) и передает их вычислителю 7
магнитного курса, где и производится компенсация электромагнитной девиацией в
соответствии с уравнениями (1).
ФОРМУЛА ИЗОБРЕТЕНИЯ