Технологические процессы изготовления микросхем

  • Вид работы:
    Реферат
  • Предмет:
    Информатика, ВТ, телекоммуникации
  • Язык:
    Русский
    ,
    Формат файла:
    MS Word
    216,05 kb
  • Опубликовано:
    2011-07-23
Вы можете узнать стоимость помощи в написании студенческой работы.
Помощь в написании работы, которую точно примут!

Технологические процессы изготовления микросхем

            Введение


Использование специальной технологии изготовления тонких слоев различной проводимости на изоляционной подложке или целенаправленное изменение проводимости в определенных зонах полупроводникового материала позволило реализовать и объединить различные электрические функции в едином технологическом процессе. При установке такого элемента в корпус с необходимыми выводами получают микросхему (МС). Одна МС заменяет несколько элементарных схем, выполненных на основе дискретных элементов.

В настоящее время используют две разновидности технологических процессов изготовления МС: 1) тонкопленочные процессы, 2) полупроводниковые процессы.

Так как тонкопленочная технология позволяет изготовлять только пассивные элементы, а полупроводниковая - активные элементы, то целесообразно использовать их комбинацию. Это приводит к созданию гибридных интегральных МС. Понятия плёночная технология включает в себя процессы термовакуумного испарения и катодного распыления, также трафаретная печать.

микросхема гибридный логический сигнал

         1. Анализ схемы логического элемента


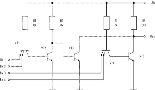
На рисунке 1 представлена принципиальная схема логического элемента.

Рис. 1

Проведём расчет для комбинации входных сигналов «1101», то есть согласно принятым значениям Uвх1=Uвх2=Uвх4=U1 > 3 В, а Uвх3=U0 = 0,1 В.

Определим величину тока через резистор R1. Рассмотрим все возможные пути, по которым сможет протекать этот ток. В схеме только один источник напряжения - источник питания +5В. По этому все постоянные токи в схеме могут протекать только в одном направлении от шины +5В к общей шине.

Разделим условно схему на две части.


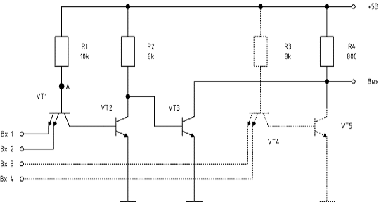
Рис. 2

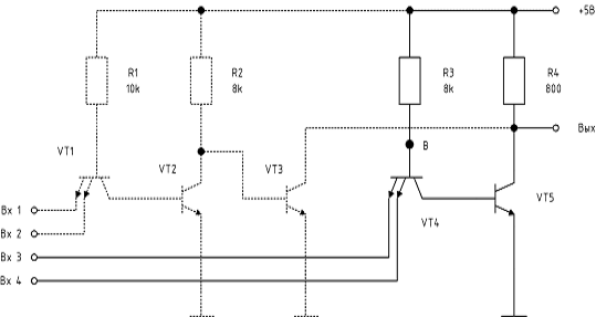
Рис. 3

Проведем расчет для комбинации «1101» в первой части схемы (рис. 2)., то есть для случая, когда на оба эмиттера VT1 подано высокое напряжение соответствующее логической единице.

UВХ1 = UВХ2 > 3 В

Потенциал в точке А на базе VT1 будет равен

UA = UБК1+UБЭ2 = 0,6+0,7 = 1,3 В

Так как между данной точкой и общей шиной включено последовательно два p-n перехода: база-коллектор VT1 и база-эмиттер VT2. Так как все два эмиттера транзистора VT1 находятся под более высоким потенциалом, чем база, то оба эмиттерных перехода закрыты и ток точки А протекает по правой ветви. Тогда то I1 равен

1 = (E-UA)/R1 = (5-1,3)/10·103 = 0,00037 = 0,37 мА

Через входные эмиттерные переходы протекают обратные токи. Вычислим эти токи, умножая ток базы VT1 (I1) на инверсный коэффициент передачи тока В1:

Э1 = IЭ2 = I1·В1 = 0,00037·0,05 = 1,85·10-5 А = 0,0185 мА

В транзистор VT1 втекают три тока IЭ1, IЭ2 и I1, а вытекает через коллекторный переход и попадает в базу транзистора VT2 только один ток IБ2. Исходя из этих соображений вычисляем ток базы VT2:

Б2 = IЭ1+IЭ2+I1 = 0,000407А = 0,407 мА

Так как транзистор VT2 открыт, то его напряжение коллектор-эмиттер будет 0,1 В Найдем ток через резистор R2.

2 = (E-UK2)/R2 = (5-0,1)/8·103 = 0,000612 = 0,612 мА

Предполагаем, что транзистор VT2 находится в режиме насыщения, тогда напряжение UКЭ2 = UБЭ3 = 0,1В. Следовательно, VT3 закрыт и ток его коллектора равен нулю.

Проведем расчет для комбинации «1101» во второй части схемы (рис. 3)., то есть для случая, когда на первый эмиттер VT4 подано низкое соответствующее логическому нулю, а на второй высокое напряжение соответствующее логической единице.

UВХ3 = 0,1 В

UВХ24 > 3 В

Покажем на схеме как будут при этом распределяться токи и потенциалы. Ток протекает через переход Б-Э2 транзистора VT4. Напряжение, согласно предложенной модели, равно 0,7В. Следовательно потенциал базы транзистора VT4 (точка B) равен

B = U0+UБЭ2 = 0,1+0,7 = 0,8 В

Переход база-эмиттер Б-Э1 находится под обратным напряжением, так как потенциал базы ниже, чем потенциал эмиттеров на величину 0,8-3 = -2,2В. Поэтому через этот переход протекает только обратный ток. Ток в правой ветви будет отсутствовать, так как для того чтобы он протекал в точке B требуется потенциал равный

БК4+UБЭ5 = 0,6+0,7 = 1,3 В

Следовательно транзистор VT5 будет закрыт. Находим ток I3

3 = (E-UB)/R3 = (5-0,8)/8·103 = 0,000525 = 0,525 мА

При этом через резистор R4 протекает только входной ток логического элемента нагрузки, равный по условию I3 = 0,04 мА. Тогда напряжение ны выходе будет равно

вых = E-I3·R3 = 5-0,04·10-3·800 = 4,96 В

Полученное напряжение Uвых близко к напряжению питания и соответствует уровню логической единицы.

Проведём расчет для комбинации входных сигналов «0110», то есть согласно принятым значениям Uвх2=Uвх3=U1>3В, а Uвх1=Uвх4=U0=0,1В.

Ток протекает через переход Б-Э1 транзистора VT1. Напряжение, согласно предложенной модели, равно 0,7В. Следовательно потенциал базы транзистора VT1 (точка A) равен

A = U0+UБЭ2 = 0,1+0,7 = 0,8 В

Переход база-эмиттер Б-Э2 находится под обратным напряжением, так как потенциал базы ниже, чем потенциал эмиттеров на величину 0,8-3 = -2,2В. По этому через этот переход протекает только обратный ток. Ток в правой ветви будет отсутствовать, так как для того чтобы он протекал в точке А требуется потенциал равный

БК1+UБЭ2 = 0,6+0,7 = 1,3 В

Следовательно, транзистор VT2 будет закрыт. Находим ток I1

1 = (E-UA)/R1 = (5-0,8)/10·103 = 0,00042 = 0,42 мА

Рассчитаем величины токов I2 и I4, протекающих через резисторы R2 и R4. Так как транзистор VT2 закрыт, то через R2 протекает ток базы транзистора VT3, транзистор открыт, и напряжение на его базе будет равно UБ3 = 0,7В. Находим ток I2 = IБ3.

2 = (E-UБ3)/R2 = (5-0,7)/8000 = 0,000537 = 0,537 мА

Заметим, что транзистор VT5 при этом закрыт, так как исходя из расчетов приведенных выше, при различных входных уровнях (1 и 0, или 0 и 1) на эмиттерах транзистора VT4, транзистор VT5 закрыт.

Предположим, что транзистор VT3 находится в режиме насыщения. По условию напряжение открытого транзистора UКЭ3 = UВых = 0,1 В, тогда

4 = (E-UКЭ3)/R4 = (5-0,1)/8000 = 0,00612 = 6,12 мА

Низкое напряжение на коллекторе транзистора VT3 (и VT5) соответствует логическому нулю на выходе схемы. Через коллектор транзистора VT3 протекает ток

К3 = I3+Iвых = 0,00612+0,001 = 0,00712 = 7,12 мА

Сравним токи IБ3·B и IК3.

Б3·B = 0,537·10-3·50 = 26,85·10-3 = 26,85 мА

Так как IБ3·B > IК3, то действительно транзистор находится в режиме насыщения.

При входной комбинации «1110» схема будет работать аналогично варианту «1101», так как эмиттеры транзистора VT4 одинаковы и равнозначны.

Рассчитаем мощности, потребляемые микросхемой для каждой комбинации. Расчет произведем по формуле

P = E·(I1+I2+I3+I4).

Для первой комбинации P = 5·(0,37+0,612+0,525+0,04)·10-3·5 = 7,735·10-3 Вт = 7,735 мВт

Для второй комбинации P = 5·(0,42+0,537+0,525+6,12)·10-3·5 = 38,01·10-3 Вт = 38,01 мВт

Для третьей комбинации P = 5·(0,37+0,612+0,525+0,04)·10-3·5 = 7,735·10-3Вт = 7,735 мВт

Таблица 1 - Значения токов и мощностей, полученных в результате расчетов

Входная комбинация

Токи, мА

Потребляемая мощность, мВт

Вх 1

Вх 2

Вх 3

Вх 4

I2

I3

I4


1

1

0

1

0.370

0.612

0.525

0.040

7.735

0

1

1

0

0.420

0.537

0.525

6.120

38.010

1

1

1

0

0.370

0.612

0.525

0.040

7.74


Для расчетов размеров резисторов, которые будем определять ниже, выделим каждый из токов, имеющих максимальное значение, и запишем в таблицу 2. Затем вычислим мощности, рассеиваемые на резисторах, по формуле

PRi = I2i·Ri

Таблица 2 - Максимальные мощности резисторов

Максимальный ток, мА

Мощность резистора, мВт

I1

I2

I3

I4

PR1

PR2

PR3

PR4

0.420

0.612

0.525

6.120

1.764

2.996

2.205

29.963


Составим таблицу истинности. В схеме 4 входа, поэтому возможны всего 24 = 16 комбинаций входных сигналов.

Помня о том, что логической единице на входе соответствует уровень не менее 3 В, а логическому нулю 0,1 В, проанализируем работу схемы. Сразу же поставим «1» с троке для комбинаций «1101», «1110» и «0» для комбинации «0110», так как анализ для этих случаев уже проведен. Заметим, что выходное напряжение будет иметь низкий уровень (логический «0») во всех случаях, когда транзистор VT5 открыт. Это имеет место, если транзистор VT2 закрыт, а это, в свою очередь, произойдет только тогда, когда ток I1 будет протекать влево через один или два эмиттера транзистора VT1. Таким образом, всем входным комбинациям, имеющим хотя бы один нуль на входах 1 и 2, выходной сигнал соответствует логическому нулю.

Вторым условием открытия транзистора VT5 протекание тока I3 влево по одному или двум эмиттерам транзистора VT4. Следовательно, всем комбинациям, имеющим хотя бы один нуль на входах 3 и 4, выходной сигнал соответствует логическому нулю.

Таблица 3 - Таблица истинности для рис. 1

Комбинация

Выход


Входы



1

2

3

4


0

0

0

0

0

0

1

0

0

1

0

2

0

0

1

0

0

3

0

0

1

1

0

4

0

1

0

0

0

5

0

1

0

1

0

6

0

1

1

0

0

7

0

1

1

1

0

8

1

0

0

0

0

9

1

0

0

1

0

10

1

0

1

0

0

11

1

0

1

1

0

12

1

1

0

0

1

1

1

0

1

1

14

1

1

1

0

1

15

1

1

1

1

0


Таким образом, логическая единица на выходе соответствует только трём входным комбинациям: «1100», «1101» и «1110»

         2. Топология ГИМС


Для определения размеров резисторов находим их коэффициент формы

фi = Ri/Rs

В нашем случае материалом является нитрид тантала с удельным поверхностным сопротивлением Rs = 400 Ом/квадрат. Результаты заносим в таблицу 4.

Расчет длины резистора проводим по формуле


Ширина резистора определяется как

bi = li/Kфi

Результаты заносим в таблицу 4. Так как ширина резисторов R1, R2 и R3 получилась менее 0,2 мм, то принимаем их ширину равной 0,2 мм и пересчитаем их длину. Длину резистора R4 округляем до 1,45 мм и пересчитаем его ширину. Новые результаты занесём во вторую строку таблицы 4.

Таблица 4 - Размеры пленочных резисторов


R1

R2

R3

R4


Kф1

l1, мм

b1, мм

Kф1

l1, мм

b1, мм

Kф1

l1, мм

b1, мм

Kф1

l1, мм

b1, мм

Расчетн.

25

1.212

0.048

20

1.413

0.071

20

1.212

0.061

2

1.413

0.707

Окончательное значение

25

5.00

0.200

20

4.000

0.200

20

4.000

0.200

2

1.450

0.725


Определим площадь, занимаемую резисторами.

SR = SR1+ SR2+ SR3+ SR4 = 1+0,8+0,8+1,05 = 3,65 мм2

Навесные элементы с указанием их размеров приведены на рисунке 4.

Площадь, занимаемая навесными элементами, равна

 

S = SVT1+ SVT2+ SVT3+ SVT4 = 2,25+2,25+1+1 = 6,5 мм2.

Общая площадь, занимаемая плёночными резисторами и навесными элементами, равна 10,15 мм2. Учитывая площадь соединений, промежутки между элементами ИМС и расстояние от края подложки, следует увеличить суммарную площадь подложки в 4-5 раз, то есть площадь должна составить не менее 50 мм2. Из таблицы 5 выбираем подложку с размерами 12х10 мм.

Таблица 5 - Рекомендуемые размеры подложек для гибридных ИМС

Длина, мм

30

30

30

24

20

16

12

10

Ширина, мм

24

16

12

20

16

10

10

10


Составляем топологический чертёж ИМС, размещая рассчитанные элементы на поле подложки (рисунок 5).




         Заключение


Итак, ни тонко-, ни толстоплёночная технология не обеспечивают выполнение всех требований схемотехники, так как они обеспечивают изготовление только пассивных элементов и проводников без активных элементов. В полупроводниковых ИМ пассивные элементы возникают как побочный продукт, их характеристики хуже, чем у дискретных элементов. Ограниченные линейность, температурная стабильность и большой допуск на значение номиналов резисторов и конденсаторов ограничивают применение полупроводниковых ИМ, однако, отдельные свойство тонко- и толстоплёночных микросхем хорошо дополняют друг друга; комбинация их обеспечивает создание высококачественных микросхем, при описании гибридно-пленочных интегральных микросхем, которые реализуются при монтаже дискретных бескорпусных элементов или полупроводниковых ИМ в интегральные тонко- или толстоплёночные схемы

Достоинства гибридных микросхем:

-       возможность предварительного выбора дискретных элементов,

-       низкую стоимость подложек и возможность применения значительно больших номиналов тонкоплёночных конденсаторов и мощных резисторов

Недостатком является дополнительные контактные площадки для монтажа дискретных элементов или полупроводниковых ИМ, которые можно выполнить по тонкоплёночной технологии.

         Список литературы


1.  Бобровский Ю.Л. под редакцией Фёдорова Н.Д. Электронные квантовые приборы и мукроэлектроника. Радио и связь, 1998. 560 стр.

2.      Алексеенко А.Г., Шагурнин И.И. Микросхемотехника. Радио и связь, 1990. 496 стр.

.        Ефимов И.Е., Горбунов Ю.И., Козырь И.Я. Микроэлектроника. Проектирование, виды микросхем, функциональная электроника. Высшая школа, 1987. 416 с.

.        Степанеко И.П. Основы микроэлектроники. Сов. Радио, 1980, 424 с.

Похожие работы на - Технологические процессы изготовления микросхем

 

Не нашли материал для своей работы?
Поможем написать уникальную работу
Без плагиата!
Без нейросетей!