Физические принципы, заложенные в основу измерения концентрации вещества кондуктометрическим методом

  • Вид работы:
    Дипломная (ВКР)
  • Предмет:
    Физика
  • Язык:
    Русский
    ,
    Формат файла:
    MS Word
    906,34 kb
  • Опубликовано:
    2012-01-22
Вы можете узнать стоимость помощи в написании студенческой работы.
Помощь в написании работы, которую точно примут!

Физические принципы, заложенные в основу измерения концентрации вещества кондуктометрическим методом

ФЕДЕРАЛЬНОЕ АГЕНТСТВО ПО ОБРАЗОВАНИЮ

РОССИЙСКОЙ ФЕДЕРАЦИИ

ЮЖНО - УРАЛЬСКИЙ ГОСУДАРСТВЕННЫЙ УНИВЕРСИТЕТ

МИАССКИЙ МАШИНОСТРОИТЕЛЬНЫЙ ФАКУЛЬТЕТ

Кафедра "ТМ"






КУРСОВАЯ РАБОТА

по дисциплине Физические основы измерений на тему:

"Физические принципы, заложенные в основу измерения концентрации вещества кондуктометрическим методом"


Выполнил: Балакин В.Е.

МсЗ-179-УК

Проверил: Новиков А.И.





Миасс 2009 г.

Содержание

Введение

1.      Концентрация

1.1 Необходимость измерения концентрации

.2 Концентрация и ее виды

2.      Методы измерения концентрации

2.1 Методы анализа, основанные на определении положения равновесия

.2 Спектроскопия

.3 Хроматографические методы

.4 Селективные методы определения

.5 Электрохимические методы

3.      Кондуктометрия

3.1 Контактные методы

3.2 Бесконтактные методы

3.3 Приборы для измерения концентрации растворов кондуктометрическим методом

Заключение

Список используемой литературы

Введение

Целью этой работы является показать, что такое концентрация и как она измеряется кондуктометрическим методом.

Данная курсовая работа состоит из трех глав.

В первой мы рассмотрим основные понятия концентрации, физических величин, сопряженных с ней и виды концентрации.

Чтобы вещества прореагировали, необходимо, чтобы их молекулы столкнулись. Вероятность столкновения двух людей на оживленной улице гораздо выше, чем на пустынной. Так и с молекулами. Очевидно, что вероятность столкновения молекул на рисунке слева выше, чем справа. Она прямо пропорциональна количеству молекул реагентов в единице объема, т.е. молярным концентрациям реагентов.


Во второй, основные способы измерения концентрации.

В третьей, раскроем подробно один из способов измерения концентрации, как кондуктометрия.

1. Концентрация

.1 Необходимость измерения концентрации

Химический анализ буквально пронизывает всю нашу жизнь. Его методами проводят скрупулезную проверку лекарственных препаратов. В сельском хозяйстве с его помощью определяют кислотность почв и содержание в них питательных веществ, что позволяет подобрать оптимальные условия обработки почвы, также оценивают содержание белка и влаги в разных сортах зерна. Химическому анализу подвергаются и товары широкого потребления: в зубной пасте контролируют содержание фтора, в маслах - содержание ненасыщенных соединений. Измерение концентрации этилового спирта в спиртосодержащих растворах необходимо в равной степени для сопровождения технологических процессов в вино-водочной промышленности и для осуществления контроля качества и сертификации произведенной продукции.

В природоохранной деятельности методы аналитической химии применяют для контроля качества питьевой воды, для определения содержания вредных веществ в отходах и окружающей среде.

Например: радон - это ядовитый газ, который накапливается обычно в непроветриваемых подвалах многоэтажных жилых домов и имеет обыкновение распространяться по щелям между панелями в жилые квартиры всего дома. Он также накапливается и в самих квартирах, если их долго не проветривать. Ядовитый газ очень сильно сказывается на здоровье жильцов.

Наверное, многие слышали о службе экологического контроля, в задачу которой входит проверка уровня содержания радона в жилых домах и квартирах. Но и многие также, наверное, слышали о том, что такая служба существует чуть ли не одна на многомиллионный город, да и то с одним единственным прибором по контролю радона. Это не далеко от истины. А причина в том, что сам прибор стоит дорого и процесс измерения концентрации радона достаточно сложен сам по себе. В последнее время разрабатываются более простые и дешевые способы выявления этого газа.

Также изменение концентрации радона в воздухе без инерционным способом, что особенно важно при разведке ископаемых, при аварийных ситуациях и, что актуально в настоящее время, применим для прогнозирования землетрясений.

Установлено, что из известных свойств пыли, масса и число частиц характеризуют вредность пыли для организма человека. Поэтому разработаны нормы концентрации пыли для различных мест и условий работы людей.

В судебной практике с их помощью обнаруживают следы пороха на руках подозреваемого, анализируют состав красок, которыми написана картина, чтобы отличить подлинник от подделки.

Знания основ гидрохимии нашли применение в таком увлечение, казалось бы далеком от химии, аквариумистике. Но около 90% рыбьих невзгод связано именно с неблагоприятными условиями жизни в аквариумах, где этим бедолагам угораздило оказаться.

Методы анализа различаются по степени сложности. Так, в медицине используются экспресс-тесты на беременность и сложные методы анализа крови на содержание сахара или холестерина, контроля уровня нейромедиаторов при исследовании мозга in vivo и пр.

Из приведенных примеров видно, что все вопросы, которые решает аналитическая химия, можно свести к следующим: что представляет собой данное вещество, из каких компонентов оно состоит, каковы их количество и распределение? Чтобы ответить на эти вопросы, проводят самые разнообразные химические реакции, применяют широкий спектр химических, физических, физико-химических, биологических методов, разрабатывают новые методы анализа и совершенствуют уже существующие. Число методов аналитической химии чрезвычайно велико и постоянно растет.

Аналитическая химия тесно связана с другими дисциплинами: химический анализ внедряется в различные области науки, химик-аналитик пользуется достижениями других разделов химии, а также математики, физики, биологии и многих областей техники.

В технологии выполнения химических анализов необходимым элементом является приготовление растворов химических веществ. В химическом анализе используются различные растворенные вещества (реагенты, буферные смеси, фиксирующие агенты, консерванты и т.п.) и растворители (вода, этанол и водно-спиртовые смеси, органические экстрагенты).

1.2 Концентрация и ее виды

В учебных пособиях, руководствах для химиков-аналитиков, нормативных документах (ГОСТах, РД, МУ) и справочной литературе можно встретить различные способы выражения концентраций. Ниже мы остановимся на некоторых из них, наиболее часто встречающихся, но сначала приведем краткую информацию по основополагающим единицам измерений, применяющихся при описании различных способов выражения концентраций химических веществ в растворах.

Масса вещества обозначается как m(X) (где X - химический символ вещества) и обычно измеряется в граммах или миллиграммах.

За единицу количества вещества n(X) принят моль.

Моль - это количество вещества, содержащее столько молекул, либо атомов, либо ионов, либо других структурных единиц из которых это вещество состоит, сколько содержится атомов в 12 г изотопа углерода 12С. В 12 г этого изотопа содержится 6.0221367×1023 атомов. Один моль вещества, состоящего из молекул, включает в себя 6.0221367×1023 молекул, если вещество имеет атомарное строение (например какой-либо металл), то один моль такого вещества будет включать в себя 6.0221367×1023 атомов. При растворении соли в воде молекулы диссоциируют на ионы и все будет выглядеть уже чуть сложнее: один моль растворенной соли, скажем, хлорида кальция (CaCl2) даст один моль ионов кальция (Ca2+) и два моля ионов хлора (Cl-), то есть 12.0442734×1023 ионов, ведь одна молекула хлорида кальция растворившись даст два иона хлора.

6.0221367×1023 − это особое число структурных единиц вещества (атомов, молекул, ионов) используемое для измерения количества вещества в молях. Оно называется числом Авогадро, в честь итальянского физика Амедео Авогадро.

Атомной единицей массы (а.е.м.) является 1/12 массы атома углерода. В а.е.м. указана масса элементов в таблице Менделеева. Относительной молекулярной массой (сокращенно молекулярной массой) простого или сложного вещества называют отношение массы его молекулы к 1/12 части атома 12С. На практике, поскольку масса любой молекулы равна сумме масс составляющих ее атомов, молекулярная масса, рассчитывается как сумма атомных масс этих атомов.

Известно, что а.е.м. равна 1.66×10-24 г. Отсюда можно подсчитать какова же масса моля кого-либо вещества в граммах. Для этого надо число Авогадро умножить на численное значение а.е.м. в граммах и на молекулярную массу этого вещества, либо на массу той элементарной единицы, из которых данное вещество состоит (обозначим эту величину N а.е.м.):

1.66×10-24 × 6.0221367×1023 × N а.е.м. = 0.999674576 × N а.е.м.

По сути дела получается, причем не только из этих расчетов, но и исходя из всех приведенных выше определений, что мольная масса =1×N а.е.м., то есть мольная масса вещества выраженная в граммах, имеет то же численное значение, что и его относительная молекулярная (атомная) масса. Проще говоря, масса моля - это количество граммов вещества, численно равное его молекулярной (атомной) массе.

Последняя обозначается буквой "М" и обычно измеряется в г/моль. Например, М(Cu) = 63,54 г/моль, М(Н2SO4) = 98,08 г/моль.

Наряду с единицей количества вещества используется также единица количества вещества эквивалентов n[(1/z)Х], определяемая как произведение числа эквивалентности z(X) на количество вещества n(X). При этом под эквивалентом подразумевают реальную или условную частицу вещества, которая в конкретной кислотно-основной реакции эквивалентна одному иону водорода, в окислительно-восстановительной реакции - одному электрону. Соответственно, число эквивалентности z(Х) определяется исходя из химической формулы вещества и типа химической реакции:

-        для кислот z(Х) равно числу катионов водорода, способных замещаться катионами металлов. Например, z(НCl) = 1; z(Н2SO4) = 2;

-        для гидроксидов z(Х) равно числу гидроксигрупп OH-. Например, z(NaOH) = 1; z(Al(OH)3) = 3;

         для солей z равно числу катионов водорода кислоты, замещенных катионами металла или аммония. Например, z(NaCl) = 1; z[Fe2(SO4)3] = 6.

Молярная масса эквивалента M[(1/z)X] есть отношение молярной массы M(X) вещества к числу эквивалентности. Например,

M(1/1HCl) = 36,46/1=36,46 г/моль;[1/6Fe2(SO4)3] = 399,88/6 = 66,65 г/моль.

Понятие "молярная масса эквивалента" равноценно прежнему "грамм-эквивалент", в современной литературе не используемому.

Концентрация (новолат. concentratio - сосредоточение)− это отношение числа частиц компонента системы (смеси, раствора, сплава), его количества (молярная К.) или массы (массовая К.) к объему системы.



Молярная концентрация численно равна количеству молей вещества, содержащихся в 1 литре (1000 мл, 1 дм3) раствора.Молярную концентрацию записывают следующим образом: с(НCl) = 3 моль/л; с(Н2SO4) = 2 моль/л.

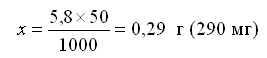
Пример: Приготовление 50 мл раствора поваренной соли с молярной концентрацией 0,1 моль/л (т.е. с(NaCl) = 0,1 моль/л).

Молярная масса NaCl составляет М(NaCl) = 58 г/моль. В 1000 мл раствора с концентрацией с(NaCl)=0,1 моль/л должно содержаться n(NaCl) = 0,1 моль NaCl, или m(NaCl) = 5,8 г. В 50 мл раствора должно содержаться х г NaCl, определяемое по формуле:


Навеску в 0,29 г следует поместить в мерную колбу на 50 мл и долить дистиллированную воду до метки. Содержимое колбы перемешивать до полного растворения соли.

Массовая доля (массовый процент, процентная концентрация) (w) - это отношение массы растворенного вещества (mв) к общей массе раствора, т.е. сумме масс растворенного вещества и растворителя (mр):

Для относительно некрепких растворов, имеющих значение плотности, близкое 1 г/см3, часто пользуются такой разновидностью массовой доли, как массовая концентрация, измеряемая в мг/л (г/л, г/дм3 т.п.).

Пример: Приготовление 50 г раствора соли с массовой долей 5% (5%-ного раствора).

В 100 г раствора содержится 5 г соли, в 50 г раствора содержится - х г соли.


Отвесить 2,5 г соли, поместить ее в колбу (стакан) и добавить 47,5 мл воды. Перемешивать до полного растворения соли.

Мольная доля (N) - это отношение числа молей данного компонента (n1) к сумме молей данного компонента и всех других компонентов раствора (растворителя и других растворенных веществ (n2):


Аналогично определяется объемная доля.

Моляльная концентрация (В) в моль/кг - это отношение количества растворенного вещества в молях (n) к массе растворителя (m):


Часто встречаются также производные от единиц измерения концентраций: например, мг/л, мг/дм3, мг/см3, мг/мл, ммоль/л, г/мл (титр) и др. Наиболее употребимыми единицами в справочной литературе применительно к оценке содержания примесей в воде (например, значения ПДК) являются мг/л и ммоль/л экв.

Поверхностная концентрация− это отношение числа частиц компонента, его количества или массы на поверхности системы к площади этой поверхности; единицы измерения - соответственно м-2, моль/м2 или кг/м2.

Наиболее распространенными способами выражения концентрации вещества являются массовая доля (ω), мольная и объемная доли (φ) и молярная концентрация (Сm).

2. Методы измерения концентрации

В аналитической химии есть несколько методов, основанных на определении положения химического равновесия. К ним относятся, в частности, классические: гравиметрия и титриметрия, а также сравнительно новый − иммунологический анализ.

2.1 Методы анализа, основанные на определении положения равновесия

Гравиметрия (весовой метод)

В гравиметрии определяемое вещество переводят в химически чистое состояние или превращают в весовую форму - соединение с точно известным постоянным составом, которое можно легко выделить и взвесить. Количество анализируемого вещества рассчитывают исходя из массы весовой формы и уравнения реакции, связывающей это вещество с весовой формой. Химические стандарты не требуются. Весовые методы анализа очень точны, их часто используют в сомнительных случаях в качестве контроля. Точность анализа ограничивается точностью определения массы и полнотой образования и выделения чистого вещества.

Одно из основных преимуществ весовых определений заключается в том, что не нужно калибровать приборы или готовить стандартные растворы. Результат получают, взвесив осадок и зная состав участвующих в реакции соединений. Пусть, например, мы хотим определить содержание марганца в образце. Для этого нужно перевести марганец в Mn3O4, отделить последний и взвесить. Предположим, что из 1,52 г образца образуется 0,126 г Mn3O4 (т.е. 0,00055 моль, так как 1 моль Mn3O4 содержит 228,8 г). В 1 моль Mn3O4 содержится 3 моль Mn, а в 0,00055 моль - соответственно 0,00165 моль Mn, или 0,0907 г (1 моль Mn содержит 54,94 г). Следовательно, содержание Mn в образце (0,0907/1,52)100% = 5,97%.

Как мы уже говорили, гравиметрия довольно медленная процедура; образование осадка, его отделение фильтрованием, высушивание - все это требует времени. Кроме того, весовые определения обычно не отличаются высокой селективностью, поэтому дополнительное время уходит на подбор условий (например, pH), переосаждение и т.п. Чем сложнее по составу образец, тем более вероятны ошибки: завышение весового содержания анализируемого вещества, связанное с соосаждением примесей, или занижение, обусловленное потерей вещества на стадии его выделения.

Вследствие ограниченных селективности и чувствительности гравиметрию нет смысла применять, когда в наличии имеются лишь микро- или следовые количества определяемого вещества.

Титриметрия (объемный метод)

В титриметрии концентрацию определяют, измеряя объем стандартного или титрованного реагента (титранта), израсходованного в химической реакции с определяемым веществом в растворе (или газовой фазе).

Измерение проводят с помощью процедуры титрования. Это простой, относительно быстрый, универсальный и точный метод.

При титровании титрант добавляют порциями или непрерывно с небольшой постоянной скоростью и измеряют его объем до тех пор, пока не будет достигнута точка эквивалентности, отвечающая объему титранта, при котором в реакцию вступает все определяемое вещество. Точку эквивалентности находят, непрерывно следя за изменением тех или иных свойств титруемого раствора (цвета, оптической плотности, электрохимических свойств и т.д.) при помощи специальных приборов или визуально.

Чтобы данную химическую реакцию можно было использовать в титровании, участвующие в ней вещества должны находиться в строго определенных количественных (стехиометрических) соотношениях. Реакция должна протекать быстро и практически до конца, а точка эквивалентности точно фиксироваться. Чаще всего используют реакции нейтрализации (кислотно-основные), комплексообразования и окислительно-восстановительные. Реакции нейтрализации распространены наиболее широко;

2.2 Спектроскопия

Спектроскопические методы основаны на взаимодействии электромагнитного излучения с веществом, т.е. на определении характеристик поглощаемого, испускаемого или рассеянного излучения. Часто параллельно со спектроскопическими методами используют масс-спектрометрию; хотя с ее помощью и не изучают взаимодействие излучения с веществом, результаты измерений обычно представляют в виде спектра.

Спектр - это зависимость интенсивности поглощения или испускания электромагнитного излучения от длины волны или энергии. Он состоит из пиков или полос разной высоты. Положение пика относительно оси абсцисс ( или E) указывает разность в энергии двух уровней. Характер спектра дает информацию о природе поглощающего или испускающего вещества, а высота пиков - о числе молекул, участвующих в переходе (т.е. о концентрации вещества).

Электромагнитное излучение характеризуется энергией E, частотой  и длиной волны , которые связаны между собой соотношением:

E = h = hc/,

где h - постоянная Планка (6,6310-34 Джс),- скорость света (3108 м/с).

Методам, чаще всего используемым в аналитической химии, соответствуют ультрафиолетовая (УФ), видимая, инфракрасная (ИК) области и радиоволны.

Выбор конкретного оборудования - источника излучения, монохроматора, детектора - зависит от длин волн используемого излучения и характера измерений. В УФ- и видимой областях в качестве источников света обычно используют лампы накаливания или лазеры, монохроматором служит щель или призма, а детектором - фотоэлектронный умножитель и блок фотодиодов.

− поглощение в УФ- и видимой областях;

− люминесценция;

− инфракрасная (ИК) спектроскопия;

− ядерный магнитный резонанс (ЯМР;

− масс-спектрометрия (МС).

2.3 Хроматографические методы

Обычно анализируемый образец состоит не из одного вещества, а из смеси веществ. Одни из них представляют интерес для исследователя, другие являются примесями, осложняющими анализ. И хотя существуют аналитические методики, позволяющие проводить анализ сложных смесей, всегда легче работать с чистым веществом.

Хроматографические методы широко применяютя как для разделения веществ, так и для их идентификации и количественного определения.

Хроматографическое разделение основывается на различии таких свойств веществ, как летучесть, полярность, размер молекул, заряд и т.д. От них зависит распределение веществ между подвижной и неподвижной фазами, которые присутствуют в каждой хроматографической методике.

Если подвижная фаза - газ, то метод называется газовой хроматографией (ГХ), если жидкость - жидкостной (ЖХ); если неподвижная фаза заполняет тонкую трубку или колонку, то это колоночная хроматография, а если она нанесена на пластину, то тонкослойная (ТСХ).

Основные виды хроматографических методов:

− адсорбционная хроматография;

− распределительная хроматография;

− вытеснительная хроматография;

− ионообменная хроматография;

− разделение оптически активных веществ;

− тонкослойная хроматография (ТСХ).

2.4 Селективные методы определения

Одна из основных задач аналитической химии заключается в достижении высокой селективности определений. В некоторых случаях селективность обеспечивается предварительным разделением исследуемых веществ, в других - совместным применением различных методов. Во многих современных системах применяются биологические объекты (ферменты, антитела и рецепторы) и специальные датчики. Датчики состоят из слоя химически активного вещества и физического преобразователя; их обычно используют для селективного измерения концентраций химических веществ. Кроме того, они позволяют проводить дистанционные и непрерывные измерения.

− ферментативные методы;

− иммунологические методы;

− электрохимические датчики;

− оптические датчики;

− датчики массы.

2.5 Электрохимические методы

В основе электрохимических методов анализа лежит исследование процессов, протекающих в электролитах или на поверхности погруженных в них электродов. Эти процессы могут быть равновесными или неравновесными в зависимости от условий эксперимента и давать информацию о скорости химических реакций, природе участвующих в них соединений, термодинамике. Наиболее широко в аналитической химии используются следующие электрохимические методы:

-        потенциометрия;

         вольтамперометрия;

         кондуктометрия.

3. Кондуктометрия

концентрация хроматографический спектроскопия кондуктометрия

Кондуктометрия (от англ, conductivity - электропроводность и греч. metreo - измеряю), совокупность электрохим. методов анализа, основанных на измерении электропроводности х жидких электролитов, к-рая пропорциональна их концентрации.

В этой области электрохимии принято оперировать 2-мя характерными величинами: удельной электропроводностью (κ - каппа) и эквивалентной электропроводностью ( λ ). Поясним физический смысл этих величин.

Удельной электропроводностью называется электропроводность электрического проводника площадью сечения 1 м2 и длиной 1 м. Единицей измерения является Сименс на метр (См/м), хотя чаще используются и другие единицы измерения. Например, приборы, измеряющие удельную электропроводность, имеют обыкновение показывать результат в мкСм/см, а в различных справочниках встречается другая единица измерения - Ом-1м-1. (Этот факт не должен смущать, поскольку См/м = Ом-1м-1.)

Эквивалентной электропроводностью называется удельная электропроводность 1н раствора электролита:

λ = κ / C ,

где С - концентрация электролита в г-экв/м3.

Достоинства кондуктометрия:

− высокая чувствительность (нижняя граница определяемых концентраций ~10-4-10-5 М),

− достаточно высокая точность (относит, погрешность определения 0,1-2%),

− простота методик, доступность аппаратуры, возможность исследования окрашенных и мутных р-ров, а также автоматизации анализа.

Методы кондуктометрия бывают постояннотоковые и переменнотоковые последние могут быть низкочастотными (частота тока <105 Гц) или высокочастотными (>105 Гц). Различают контактную и бесконтактную кондуктометрия в зависимости от наличия или отсутствия контакта между электролитом и входными цепями измерит. прибора. наиб. распространены контактный низкочастотный и бесконтактный высокочастотный методы.

.1 Контактные методы

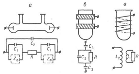
Измерения проводят с помощью контактных ячеек (рис.1, а). При этом используют электроды из Pt, Ti, нержавеющей стали и др. Для измерения х растворов с высокой концентрацией электролита (10-2-10-3 М) применяют платинированные электроды с развитой поверхностью.

Рис. 1. Кондуктометрич. ячейки и их эквивалентные электрич. схемы: a-контактная ячейка; б-емкостная ячейка; в-индуктивная ячейка; R-сопротивление электролита; С1-емкость двойного электрич. слоя на межфазной границе электрод - электролит; С2-емкость р-ра; С3-емкость конденсатора, образованного р-ром, стенкой ячейки и внеш. электродом; Zф-фарадеевский импеданс, связанный с протекающей на границе электрод-электролит электрохим. р-цией; L1 и L2-индуктивности соотв. электролита и катушки.

Прямые кондуктометрические измерения.

Аналитическое использование кондуктометрии обладает характерными чертами, связанными с низкой селективностью кондуктометрического детектирования. В самом деле, близкие значения эквивалентных электропроводностей ионов не позволяют говорить о том, что какой-либо ион может целиком определять электропроводность всего раствора. Таким образом, измерения электропроводности может приносить реальную аналитическую пользу только в том случае, если соотношение ионов в анализируемой смеси неизменно от пробы к пробе. Это, так называемая, задача определения разбавления исходного раствора. Примерами могут служить анализ промывных вод в ваннах отмывки гальванического производства, контроль за приготовлением технологических растворов в производственных условиях и т.п.

Кондуктометрическое титрование

Несомненно, большими аналитическими возможностями обладает кондуктометрическое титрование. Титрование позволяет восполнить недостаток селективности определения применением селективного к анализируемому иону титранта. Известны примеры кислотно-основного, осадительного, комплексонометрического титрований. Точность кондуктометрического титрования составляет 1%, но если принять меры по термостатированию анализируемого раствора, то точность определения можно в несколько раз увеличить. Типичный вид кривой кондуктометрического титрования представлен на рис.2.

Точка эквивалентности на графике находится пересечением двух прямых. Одна прямая (до точки эквивалентности) отражает изменение концентрации анализируемого иона и ионов титранта, а другая (после точки эквивалентности) является следствием увеличения концентрации ионов титранта.

Однако не всегда кривая титрования имеет такой вид. На рис.3 приведены в качестве примера кривые титрования, полученные в результате различных аналитических определений.


Вид кривых очевидно различен. В связи с этим возникает закономерный вопрос о причинах различий и возможности прогнозирования вида кривой на основании данных о свойствах анализируемого иона и вещества титранта. В большинстве случаев прогноз возможен, поскольку вид кривой титрования определяется разностью эквивалентных электропроводностей анализируемого иона и ионов, составляющих вещество титранта.

3.2 Бесконтактные методы

Применяются для относительных измерений электропроводности, гл. обр. для высокочастотного титрования.

Измерения проводят с применением емкостных (С-) или индуктивных (L-) ячеек, представляющих собой сосуды из диэлектрика, которые соответственно имеют с внешней стороны не менее двух металлических электродов (рис. 1,б) или помещены в магнитное поле катушки индуктивности (рис. 1,в). Электроды С-ячейки или катушка индуктивности соединяются с высокочастотным генератором.

Электропроводность электролита при токе высокой частоты обусловлена не только реальным перемещением зарядов, но в большей мере потерями электрической энергии в емкостной и индуктивных ячейках. Это отражается на реактивной составляющей X полного сопротивления (импеданса) цепи:

Z2 = R2 + X2,

где R-активное сопротивление,=XLC, XL и ХC - соответственно индуктивное и емкостное сопротивление цепи.

Индуктивные ячейки используют обычно для измерения сравнительно высокой электропроводности, а емкостные - для измерения низкой электропроводности. Чувствительность измерения повышается в С-ячейках при использовании диэлектриков с высокой диэлектрической проницаемостью, уменьшении толщины стенок сосуда и увеличении площади электродов, а в L-ячейках - с увеличением объема пробы.

Применяются также комбинированные LC-ячейки, RC- и RL-ячейки с повышенной чувствительностью, а также многозвенные ячейки с различным числом электродов, включенных в фазовращающие контуры автоколебательных генераторов. При высокочастотном титровании необходимо предварительно выбирать условия с учетом характеристической кривой ячейки, т.е. зависимости 1/XL или 1/ХC от х (рис. 4).

Чем больше интервал между значениями, в котором эта зависимость линейна, тем удобнее ячейка для измерений. Кроме того, чувствительность измерений различна на различных участках характеристической кривой;

Например, в случае кривой 1 чувствительность наименьшая в максимуме и наибольшая в точках перегиба. Рис. 4. Характеристич. кривые бесконтактных высокочастотных ячеек: 1,2,3 - зависимости обратных величин соотв. активной, емкостной и индуктивной составляющих Z от lg(.


Кривые высокочастотного титрования имеют минимум (как кривая 1 на рис. 2) или максимум, а также могут представлять собой М-образные кривые.

Бесконтактные методы уступают контактным по точности, но превосходят их по чувствительности. Кроме того, из-за отсутствия взаимодействия материала электрода с исследуемой средой эти методы позволяют проводить измерения при высоких и низких титрах, в агрессивных средах, в замкнутых объемах. Они применяются для кислотно-основных титрований на фоне дифференцирующих растворителей (СН3СООН, ацетон, диоксан и др.), детектирования веществ в хроматографии, экспресс-анализа органических соединений, воздуха и промышленных газов, анализа химических реактивов, контроля качества лекондуктометрия средств в запаянных ампулах, для изучения комплексообразования, гидролиза, сольватации, фазовых переходов.

3.3 Приборы для измерения концентрации растворов кондуктометрическим методом

Устройства, предназначенные для измерения концентрации растворов, называются концентратомерами, к числу которых относятся и кондуктометрические концентратомеры.

Принцип действия этих приборов основан на измерении электропроводимости анализируемых растворов, т. е. на кондук-тометрическом методе. В контактных кондуктометрических кон-центратомерах, как правило, применяются измерительные ячейки, состоящие из двух электродов, помещенных в анализируемый раствор на определенном расстоянии друг от друга. Сопротивление ячейки определяется только электропроводимостью раствора. Измерение электропроводимости производится главным образом на постоянном токе.

Рис. 5. Принципиальная схема кондуктометрического концентратомера моющих растворов

На рис.5 приведена принципиальная схема контактного концентратомера моющих растворов (типа КНР-1). Прибор состоит из двух основных узлов − преобразователя (1) и измерительного устройства (2).

Преобразователь включает электродную ячейку ЭЯ, температурно-компенсирующее сопротивление Rt. с и шунтирующее сопротивление RT, служащее для настройки схемы.

Измерительное устройство- уравновешенный мост переменного тока - включает мостовую схему М, электронный усилитель ЭУ и реверсивный двигатель РД, воздействующий на движок реохорда Rv.

Сопротивления RH.ш и Rn. ш служат для настройки в процессе работы. Действует прибор следующим образом. Изменение концентрации раствора вызывает изменение сопротивления между электродами измерительной ячейки ЭЯ, что приводит к разбалансу моста, и на входе усилителя появляется сигнал, пропорциональный изменению концентрации раствора. Усиленный сигнал воздействует на реверсивный двигатель РД, перемещающий движок реохорда в направлении ликвидации разбаланса. Контакты К1 и К2 сигнализируют о максимальном и минимальном значении концентрации моющего раствора. Портативный кондуктометр-солемер МАРК- 603. Функции:

-       измерение удельной электропроводимости (УЭП аз );

-       солесодержания (С);

-       температуры водных сред (в том числе сверхчистых);

-       передача результатов измерений по порту RS -232 C

Область применения: контроль параметров водно-химических режимов на объектах тепловой, атомной энергетики и других отраслей промышленности.

Технические характеристики:

Измеряемая величина Диапазон Погрешность

УЭП ( мкСм / см ) 0 - 2000 ± (0,003 мкСм / см +0,015*æ) - *1

- 20000 - *2

Солесодержание ( мг / л ) 0 - 1000 ± (0,002 мг / дм 3 +0,025* С ) - *1

- 10000 - *2

Температура , °С 0-75 ± 0,3

*1. - с датчиком ДП -015

*2. - с датчиком ДП -15

Параметры среды

-       температура , °С 0-75

-       скорость потока воды через кювету проточную , дм 3 / мин от 0,1 до 0,5

Кондуктометр "КРАБ"


Кондуктомер производится предприятием ООО "СЕНСОР" (г. Гатчина, Ленинградской обл.), зарегистрирован в Государственном реестре средств измерений под № 23856-02 и допущен к применению в РФ.

Благодаря использованию оригинального автогенераторного измерительного преобразователя обеспечивается высокая точность измерения удельной электрической проводимости (УЭП) растворов с помощью простого и надежного бесконтактного радиочастотного индуктивного чувствительного элемента.

Бесконтактный кондуктометр в сравнении с широко применяемыми контактными (электродными) кондуктометрами обеспечивает существенно большую стабильность работы в агрессивных, загрязненных и склонных к образованию осадков жидкостях.

Температура анализируемой среды контролируется с помощью термопреобразователя фирмы "Analog Devices", размещенного в датчике кондуктометра.

Расположенный на корпусе измерительного блока кондуктометра жидкокристаллический дисплей позволяет непосредственно считывать результаты измерений и вычислений, а также буквенные сообщения об отказах.

Выходные токовые сигналы кондуктометра гальванически развязаны от измерительных цепей.

Функциональное преобразование для определения концентрации по величине УЭП и температуре раствора выполняется микропроцессором фирмы "Amtel".

Краткие технические данные кондуктометра "КРАБ":

-       верхние пределы диапазонов измерения УЭП - 100 мкСм/м и 150 См/м;

-       основная приведенная погрешность измерения УЭП ±2%;

-       диапазон измерения температуры среды 0 - 125°С;

-       основная приведенная погрешность измерения температуры ±1,5%;

-       выходные электрические сигналы концентрации и температуры (гальванически развязанные) 0-5 мА или 0-20 мА или 4-20 мА.

Кроме собственно измерений в кондуктометре реализуются следующие функции:

-       вычисление концентрации по измеренным значениям УЭП и температуры;

-       непрерывная диагностика работоспособности датчика;

-       вывод на жидкокристаллический дисплей измеренных значений и аварийных сообщений;

-       аварийная сигнализация через "сухой" контакт;

-       ввод значений градуировочных коэффициентов и функциональных таблиц через последовательный порт персонального компьютера.

Кондуктометр может быть перепрограммирован пользователем на любую известную табличную зависимость, например, для серной кислоты на диапазоны (15-25)%, (70-80)%, (92-96)% и (95-99)%, а также олеума (17-28)%. На протяжении более 10 лет кондуктометры "КРАБ" успешно эксплуатируются на ряде крупных химических, нефтехимических и химико-металлургических предприятий ("Аммофос", "Фосфорит", "Воскресенские минеральные удобрения", "Волховский алюминий", "Новокуйбышевский НПЗ" и др.). Это позволило отработать проточный и погружной варианты датчиков кондуктометра, отличительными чертами которых являются:

-       длительная надежная работа в условиях агрессивных и загрязненных сред;

-       компактность;

-       возможность модификации конструкции и использования различных конструкционных материалов в соответствии с конкретными условиями эксплуатации у Заказчика.

Для эксплуатации в особо агрессивных средах разработан погружной фторопластовый датчик, конструктивные узлы которого соединяются путем сварки фторопласта, что позволяет не применять потенциально ненадежные разборные уплотнения.

Создана модификация чувствительного элемента, позволяющая измерять среды с малым УЭП (до 100 мкСм/м), что дало возможность успешно использовать кондуктометр на предприятиях ГУП "Водоканал Санкт-Петербурга" для контроля качества приготовления растворов коагулянтов и флокулянтов.

Проточный вариант кондуктометра "КРАБ" успешно используется в составе моечных установок в пищевой промышленности для контроля концентрации моющих растворов.

Кондуктометр "КРАБ-КОМПАКТ"


Выпущена новая модель кондуктометра - "КРАБ-компакт". Прибор отличается меньшими габаритами и массой (датчик и измерительный блок конструктивно объединены), а также существенно меньшей стоимостью.

"КРАБ-компакт" является функциональным аналогом кондуктометра "КРАБ" и предназначен для использования в условиях отсутствия агрессивной окружающей среды, например, для контроля солесодержания в сетевой воде, подаваемой в котлы, или в конденсате пара.

Разработана и проходит сертификацию искробезопасная модель кондуктометра (класс взрывозащиты Ex ia IIC).

На основе этой модели изготовлен и прошел испытания в полевых условиях РЕЗИСТИВИМЕТР, предназначенный для контроля электропроводности и температуры бурового раствора в элементах циркуляционной системы буровых установок.

Кондуктометр КП-202


Кондуктометр КП-202 (кондуктомер) предназначен для непрерывного измерения следующих характеристик водных и неводных растворов диссоциирующих химических веществ: температура; удельная электрическая проводимость (УЭП) с возможностью термокомпенсации; удельное электрическое сопротивление (УЭС) с возможностью термокомпенсации.

Кондуктомер КП-202 исполнен как контактный, низкочастотный, многопредельный, инерционный, одноточечный прибор с предварительным электронным усилителем, встроенным в преобразователь.

Кондуктомер КП-202 имеет встроенный интерфейс RS-232 для связи с ЭВМ.

Технические характеристики кондуктометра КП-202

Измеряемая среда - водные и неводные растворы кислот, щелочей, солей и т.п., не образующие устойчивые трудно смываемые пленки и не обладающие абразивными свойствами.

Чувствительный элемент кондуктометра КП-202 - трехэлектродный, проточнопогружного типа, с двумя геометрическими постоянными: С1=0,01 см-1 ± 20%, С2=0,5 см-1 ± 20%.

Выбор геометрической постоянной датчика осуществляется автоматически в зависимости от выбора поддиапазона измерения УЭП (УЭС):

-       С1 для поддиапазона 0, 1, 2 (низкая УЭП, высокое УЭС);

-       С2 для поддиапазона 3 (высокая УЭП, низкое УЭС).

Диапазоны измерений:

-       от 2х10-6 до 1х10-1 См/м в режиме измерения удельной электрической проводимости (далее УЭП);

-       от 10 до 5х105 Ом м в режиме измерения удельного электрического сопротивления (далее УЭС);

-       от 0 до 99 °С в режиме измерения температуры анализируемой среды (в режиме t).

Поддиапазоны измерения приведены в таблице:

Номер поддиапазона

Постоянная чувствительного элемента, см-1

Диапазон измерения УЭП, См/см

Диапазон измерения УЭП, Ом-см

Эквивалентное сопротивление имитатора раствора, Ом

0

0,01

10-7...10-8

107...108

105...106

1

0,01

10-6...10-7

106...107

104...105

2

0,01

10-5...10-6

105...106

103...104

3

0,5

10-3...10-5

500...50 000


Диапазон измерения температуры 0..99,9 °С.

Диапазон задания коэффициентов термокомпенсации 0..0,05.

Выбор измеряемой физической величины (температуры, УЭС, УЭП), способа индикации этой величины, поддиапазона измерения и единиц измерения осуществляется пользователем.

Основная приведенная погрешность измерений температуры и УЭП (УЭС) на поддиапазонах ± 2,5%.

Индикация результатов измерения - цифровая, период одного цикла измерения составляет 2..4 сек.

Представление информации в кондуктометре КП-202 осуществляется при помощи восьми семисегментных индикаторов.

Управление осуществляется при помощи 4-х кнопочной встроенной клавиатуры.

В кондуктометре КП-202 предусмотрено:

-       аналоговый выходной сигнал 0...5 мА класса 1,0 на нагрузке

не более 2 кОм;

-       аналоговый выходной сигнал 4...20 мА класса 1,0 на нагрузке

не более 500 Ом;

-       установки по измеряемому параметру для включения технологической сигнализации U коммутируемое<30 В, I коммутации<30 мА, U изоляции>1,5 кВ, количество выходов технологической сигнализации - четыре.

Кондуктометр имеет микропроцессорную структуру и построен на базе однокристальной микро-ЭВМ серии МК-52.

В состав кондуктомера КП-202 входит энергонезависимое постоянное запоминающее устройство (EPROM) типа 93LC46, предназначенное для хранения текущих настроек прибора при отсутствии напряжения питающей сети.

Условия эксплуатации:

-       температура окружающего воздуха 5..50 °С;

-       относительная влажность 30..80 %;

-       барометрическое давление 84..106 кПа.

Заключение

В заключение ответим на вопрос.Зачем нужен кондуктометр?

Если провести опрос среди химиков-аналитиков, то 90% опрашиваемых скажут, что им никогда в жизни не приходилось пользоваться кондуктометром! Безусловно, этот факт вызывает сожаление, поскольку кондуктометрия обладает несомненными преимуществами при решении некоторых аналитических задач. Рассмотрим некоторые области применения кондуктометрии.

. Оценка качества дистиллированной воды

Оценка качества дистиллированной воды по удельной электропроводности является хрестоматийной операцией. Считается, что дистиллированная вода хорошего качества обладает электропроводностью меньше 2 мкСм/см. Несложные расчеты показывают, что такую электропроводность могут создать сильные электролиты концентрацией в 10-5н. По моему мнению, не много найдется химиков, которые согласились бы работать с дистиллированной водой, в которой бы находились соли таких концентраций. Но не все так плохо, как может показаться! Анализ состава воды показывает, что главной ионной примесью в составе дистиллированной воды почти всегда оказывается угольная кислота. (Ее источником является углекислый газ атмосферы.) При той кислотности среды, что существует в воде (рН=5,5-6,5), диссоциация кислоты протекает по первую ступень. Таким образом, в дистиллированной воде преимущественно существуют два иона - Н+ и HCO3-.

Поскольку анион гидрокарбоната для большинства аналитических методик не является мешающим, то исследователю всегда интересно иметь сведения о других примесях. Можно применить очень простой прием. Надо просто вскипятить исследуемый образец дистиллированной воды, так как во время кипячения ион HCO3 превращается в CO2 и улетучивается из пробы. После кипячения вода остужается, причем горлышко колбы, в которой производилось кипячение, затыкается трубкой с негашеной известью, для предотвращения попадания в пробу CO2. Кондуктометрические измерения, проведенные после кипячения, позволяют оставшуюся электропроводность приписать нелетучим ионным примесям. (В расчетах не нужно забывать о том, что вода сама по себе обладает определенной проводимостью.)

У этого приема с кипячением есть недостаток, заключающийся в том, что таким способом нельзя учесть вклад летучих примесей, таких как HCl, NH4OH и т.д.

. Кондуктометрическое титрование

Кондуктометрическое титрование имеет ряд преимуществ, о которых стоит поговорить.

Перед титрованием с индикатором, кондуктометрическое титрование выгодно отличается, прежде всего, большей объективностью получаемых результатов. Не составляет секрета то, что при титровании с индикатором переход окраски не всегда бывает резким. В этом случае точность определения зависит от опыта и квалификации химика-аналитика. Примером может служить комплексонометрическое титрование, когда в процессе разбавления пробы переход окраски индикатора становится очень размытым. В этом случае традиционное фотометрическое титрование можно с успехом заменить кондуктометрическим.

При титровании с индикатором часто бывает так, что единственная, слишком большая добавка, титранта сводит на нет все определение. В кондуктометрическом же титровании сама процедура определения точки эквивалентности предполагает математическую обработку нескольких экспериментальных точек, поэтому единственная порция титранта не играет решающей роли.

Кондуктометрическое титрование имеет определенные преимущества и перед потенциометрическим кислотно-основным титрованием. Дело в том, что титрование со стеклянным Н-селективным электродом занимает немало времени, так как приходится дожидаться установления стабильного значения потенциала после каждой порции титранта. Кондуктометрическое же титрование избавлено от этого недостатка, поскольку показания кондуктометра устанавливаются очень быстро.

С точки зрения автоматизации процесса титрования, интересен метод хронокондуктометрического титрования. Метод заключается в непрерывной подаче титранта в анализируемую пробу. Из-за того, что кондуктометрический датчик очень быстро реагирует на изменение электропроводности раствора, больших систематических ошибок не возникает. Аппарат (бюретка?) для хронокондуктометрического титрования может выглядеть очень просто: бутыль, из которой равномерно капает титрант.

. Оценка засоления почв

У почвоведов принято оценивать засоленность почв по удельной электропроводности водных вытяжек, приготовленных из почвенных паст. К засоленным относят почвы с электропроводностью вытяжек более 2 мСм/см. В таблице представлена классификация почв в зависимости от электропроводности водных вытяжек.

κ, мСм/см

Характеристика почв

2 - 8

слабозасоленные

8 - 15

среднезасоленные

> 15

сильнозасоленные


На основании сведений об удельной электропроводности можно получить сведения о весовом содержании солей:, мг/л = 0,64 103 κ (мСм/см).

Однако следует учесть, что эти расчеты лишь приближенно оценивают минерализацию почв, поскольку соотношение различных солей в почвах бывают самыми разнообразными.

. Определение критической концентрации мицеллообразования (ККМ)

ККМ является важной характеристикой поверностно-активных веществ, так как позволяет находить концентрацию, при которой истинно растворенный реагент переходит в коллоидное состояние. Существует 2 метода определения ККМ.

Первый метод состоит в измерении поверхностного натяжения растворов с разной концентрацией исследуемого вещества. Концентрация, при которой поверхностное натяжение раствора перестает уменьшаться, является искомой.

Второй метод состоит в измерении электропроводности тех же растворов. Критическая концентрация мицеллообразования находится в изломе кривой, описывающей результаты измерения удельной электропроводности.

Сравнение этих 2-х способов определения ККМ выявляет преимущество кондуктометрического метода, так как он менее трудоемок.

Кондуктометрия объединяет методы, в которых измеряют электропроводность <http://ru.wikipedia.org/wiki/%D0%AD%D0%BB%D0%B5%D0%BA%D1%82%D1%80%D0%BE%D0%BF%D1%80%D0%BE%D0%B2%D0%BE%D0%B4%D0%BD%D0%BE%D1%81%D1%82%D1%8C> электролитов <http://ru.wikipedia.org/wiki/%D0%AD%D0%BB%D0%B5%D0%BA%D1%82%D1%80%D0%BE%D0%BB%D0%B8%D1%82>. Кондуктометрический анализ <http://ru.wikipedia.org/wiki/%D0%90%D0%BD%D0%B0%D0%BB%D0%B8%D0%B7> основан на изменении концентрации вещества или химического состава <http://ru.wikipedia.org/wiki/%D0%A1%D0%BE%D1%81%D1%82%D0%B0%D0%B2> среды в межэлектродном пространстве; он не связан с потенциалом электрода, который обычно близок к равновесному значению. Кондуктометрия включает прямые методы анализа (используемые, например, в солемерах) и косвенные (например, в газовом анализе) с применением постоянного или переменного тока (низкой и высокой частоты), а также хронокондуктометрию, низкочастотное и высокочастотное титрование.

Список используемой литературы

1.      Худякова Т. А., Крешков А. П., Теория и практика кондуктометрического и хронокондуктометрического анализа, М., 1976;

2.      Лопатин Б. А., Высокочастотное титрование с многозвенными ячейками, М., 1980;

.        Грилихес М.С., Филановский Б. кондуктометрия, Контактная кондуктометрия, Л., 1980.

.        http://ru.wikipedia.org/wiki/%d0%9a%d0%be%d0%bd%d0%b4%d1%83%d0%ba%d1%82%d0%be%d0%bc%d0%b5%d1%82%d1%80

.        http://ru.wikipedia.org/wiki/%d0%9a%d0%be%d0%bd%d0%b4%d1%83%d0%ba%d1%82%d0%be%d0%bc%d0%b5%d1%82%d1%80%d0%b8%d1%8f

.        http://www.bigpi.biysk.ru/encicl/articles/23/1002315/1002315f.htm

.        http://gazanaliz.td-pribor.ru/index.php?id=3&num=102&table=3&str=0

.        http://www.gatchina.biz/sensor

.        http://www.zip-gomel.com/izm/kp202.shtml

Похожие работы на - Физические принципы, заложенные в основу измерения концентрации вещества кондуктометрическим методом

 

Не нашли материал для своей работы?
Поможем написать уникальную работу
Без плагиата!
Без нейросетей!