Лазерный измеритель параметров дождевых капель, работающий в проходящем свете
Дипломная работа
Лазерный измеритель параметров
дождевых капель, работающий в проходящем свете
Аннотация
В
данном дипломе описывается метод измерения параметров дождевых капель в
проходящем свете. Диапазон измерений прибора 1-6 мм. Источником оптического
излучения является полупроводниковый лазер, излучающий с длиной волны λ
= 0,650 мкм.
Выбранный лазер имеет высокую энергетическую яркость, тем самым увеличивается
чувствительность прибора.
Простая
схема настройки и простой алгоритм обработки данных обеспечивают высокую
надежность и точность прибора. Преимущества состоят в автоматизации
измерительного процесса и использовании персонального компьютера в качестве
устройства обработки информации, в результате чего обеспечивается высокая скорость
получения конечных результатов, а также существенно уменьшаются габаритные
размеры.
Приборы,
созданные на основе оптических методов, привлекают своей невысокой стоимостью,
портативностью, широким диапазоном регистрируемых размеров частиц, высокой
точностью получаемых результатов.
Содержание
Введение
.
Конструкторский раздел
.1
Описание принципа действия прибора
.2
Габаритный расчет
.3
Энергетический расчет
.4
Точностной расчет
.
Технологический раздел
.1
Юстировка прибора
.
Исследовательский раздели
.1
Порядок обработки данных. Исходный текст программы
.2
Результаты измерений
.1
Безопасность жизнедеятельности
.2
Анализ опасных и вредных факторов при эксплуатации измерителя
.2
Разработка мер безопасности при эксплуатации лазерного измерителя
.3
Эксплуатация прибора в системе экологического мониторинга
.
Организационно - экономический раздел
.1
Актуальность темы и постановка задачи
.2
Расчет экономических затрат
.3
Определение технико-экономических показателей проекта
Заключение
Список
использованных источников
ВВЕДЕНИЕ
Определение
типа осадков, их интенсивности и структуры, является важной задачей
метеорологии. Современная метеорологическая станция не обходится без приборов,
обеспечивающих получение точной и оперативной информации об осадках. В международной
практике такие устройства принято называть дисдрометрами. Актуальность
данной дипломной работы обусловлена прежде всего тем, что несмотря на широкий
ассортимент приборов, пока не существует дешевых и одновременно эффективных
методов решения поставленных задач. Поэтому исследования в данной области так
востребованы на сегодняшний день. Ниже рассмотрены методы работы существующих
приборов, их плюсы и минусы. Существует три метода работы
дисдрометров: контактные, радиолокационные и оптические[1].
Контактные
методы определения размеров частиц.
Цифровой
дисдрометр, электромагнитный дисдрометр ударного типа.
Задача
определения размеров падающих капель решалась многими зарубежными и
отечественными исследователями, особенно ярко этот процесс проявился с появлением
возможности создания электронных измерительных устройств, т.е. с 50-х годов
прошлого века. Одними из первых стали появляться ударные измерители
микроструктуры осадков. В основе работы устройств данного типа лежит принцип
измерения размера частицы при непосредственном контакте с твердой
чувствительной поверхностью - например, зонд Стаббса (U.S.Pat.No.2,825,875
Stabbs)
В
данном устройстве для измерений использовался зонд, с выставленным сферическим
наконечником. Наконечник находится в электрическом контакте с чувствительным
элементом, соединенным с источником постоянного напряжения. Когда разряженная
материальная частица входит в контакт с наконечником, то с чувствительного
элемента снимается электрический заряд, пропорциональный размеру данной частицы,
что сопровождается мгновенным уменьшением потенциала, таким образом,
отрицательный импульс или сигнал, обнаруживается специальной схемой, которая
усиливает его и соотносит размер материальной частицы с амплитудой импульса.
Такой
прибор может быть использован в лаборатории и в ряде других применений, где
необходимо производить одиночные измерения, поскольку осуществление
многократных длительных выборок затруднительно в связи с тем, что погрешность
растет пропорционально длине выборки.
Это
связано с накоплением паразитного заряда на наконечнике чувствительного
элемента. Также устройства, предложенные Стаббсом, относительно сложны и
требуют использования и высокого напряжения.
Применимость
таких устройств ограничена тем, что точно измерены и обнаружены, могут быть
только полностью разряженные частицы, что далеко не выполняется на практике,
ведь при падении через атмосферу дождевые капли приобретают статистический
заряд.
Известным
примером устройства контактного типа является цифровой дисдрометр со
струнным датчиком, представленным Денисом П. Доннели, в США в 1984 г.(U.S.Pat.No
4,477,917, Donnelly).
В основе работы прибора лежит оригинальный чувствительный элемент, состоящий из
множества проводов, расположенных в виде массива проводников на точно
измеренном расстоянии друг от друга - струнный датчик.
На
четных проводниках поддерживается нулевой потенциал (земля), в то время как на
нечетных пронумерованных проводах поддерживается небольшое положительное
напряжение (+5 В).
Всякий
раз, когда смежные провода замыкаются электрически проводящей жидкой каплей,
потенциал заземленного провода повышается, в то время как на проводнике с
положительной напряжением потенциал падает. Каждый провод соединен со схемой,
которая реагирует на изменение потенциалов проводников - схема усиления.
Рисунок
1. Структурная схема цифрового дисдрометра со струнным датчиком.
Схема
усиления реагирует на изменение потенциала проводника с положительным
импульсом. После поступления на схему аналого - цифрового преобразователя этот
импульс превращается в уровень логической единицы тем самым выделяются те
провода, потенциал которых изменился. Схема сравнения срабатывает при появлении
хотя бы одной логической единицы на выходе аналого - цифрового преобразователя,
обеспечивая запись цифрового кода в регистр хранения. Устройство вывода данных
предназначено для передачи данного цифрового кода в микропроцессорное
устройство, например, в процессор Intel
8085. размер капли, попавшей на струнный датчик, определяется путем подсчета
числа смежных проводов, чьи потенциалы изменились, точность определения размера
капли данным устройством зависит только от конструктивных ограничений -
интервалом между проводами и их диаметром. В отличие от зонда Стаббса, данный
прибор обладает преимуществом прямого измерения, прост по конструкции и
относительно недорог для производства. Также возможно проведение длительных
измерений с большими выборками данных. Кроме того, цифровой дисдрометр не
подвержен влиянию собственного заряда частиц.
Уже
в последнее время в метеорологических лабораториях всего мира очень широкое
распространение получили дисдрометры ударного типа с электромагнитным
датчиком. Определение размера капель в таких измерителях производится в
момент удара падающей капли воды о горизонтальную контактную поверхность.
Типичным примером измерителя ударного типа служит прибор RD
- 80, швейцарской фирмы Distromet
Ltd.
Дисдрометр
RD - 80 - это прибор
для непрерывного и автоматического измерения распределения капель дождя по
размерам, относится к классу измерителей микроструктуры осадков ударного типа с
электромагнитным преобразователем.
Рисунок
2. Измерительный комплекс микроструктуры осадков RD
- 80
Стандартный
анализ пиковой амплитуды импульса дает распределение зарегистрированных капель
дождя по размерам.
Основной
принцип работы прибора основан на трансформации вертикального импульса,
сталкивающего с поверхностью капли дождя в электрический импульс, амплитуда
которого является функцией диаметра капли.
Дисдрометр
RD - 80 состоит из
2-х основных модулей, внешнего датчика и микропроцессорного блока.
Микропроцессорный блок подключен к персональному компьютеру, посредствам
интерфейса (RS 232 С). На
рисунке 2 представлена блок схема дисдрометра ударного типа. Она более подробно
описывает состав и принцип взаимодействия функциональных модулей датчика и
процессора. Процессорный модуль предназначен для выполнения следующих функций:
§ Обеспечить
подачу электрического питания для модуля датчика, с заданными параметрами;
§ Произвести
первичную обработку сигналов, поступающих с модуля датчика
§ Реализовать
алгоритм тестирования работоспособности прибора
Встроенный
источник питания, расположенный в модуле процессора, генерирует регулируемое
напряжение постоянного тока ±15В, для питания модулей датчика и процессора.
Схема обработки сигналов состоит из шумоограничивающего фильтра, динамического
регулятора диапазона и схемы распознавания сигнала. Фильтр понижения шума
представляет собой активный полосовой фильтр, частотная характеристика которого
выбрана для обеспечения максимального отношения между сигналом от капель дождя
и сигналом акустического шума, воздействующего на чувствительную площадку
электромагнитного датчика. Динамический регулятор диапазона состоит из
усилителя с регулируемым коэффициентом усиления. Основное его назначение -
корректировка амплитудной характеристики системы желаемому виду. Фактически
осуществляется выбор требуемого диапазона измерений.
Схема
распознавания сигнала предназначена для выделения сигнального импульса,
вызванного каплей, падающей на датчик из большого количества однородных
колебаний, вызванных акустическим шумом. Чтобы произвести измерения,
необходимые, чтобы импульс, вызванный каплей дождя, превысил колебания,
вызванные акустическим шумом.
Рисунок
3 Функциональная схема дисдрометра RD
- 80.
Рисунок
4. Принципиальная схема электромагнитного датчика.
Принципиальная
схема электромагнитного датчика представлена на рисунок 4. В его состав входят
электромеханический модуль и усилитель с обратной связью, расположенные в
едином корпусе. Конический пенопластовый каркас используется для передачи
механического импульса, сталкивающихся частиц в системе двух подвижных катушек,
расположенных в поле постоянных магнитов. Пенопластовый корпус и две подвижные
катушки жестко связаны между собой.
В
исходном состоянии система находится в режиме ожидания, при этом пенопластовый
каркас неподвижен. При ударе капли пенопластовый корпус, вместе с двумя
подвижными катушками, смещается вниз и в спирали чувствительной катушки
индуцируется напряжение. Это напряжение усиливается усилителем и прикладывается
к управляющей катушке, таким образом происходит силовое противодействие
смещению упавшей капли, т.е. система возвращается в исходное состояние
ожидания. Безусловно, смещение вызванное падением одной капли очень мало и
короткодейственно и требуется очень высокое быстродействие, чтобы возвратиться
в исходное положение. Амплитуда импульса на выходе усилителя является мерой,
характеризующей размер капли, вызвавшей этот импульс.
Диапазон
измеряемых диаметров капель - 0,3-0,5 мм. При этом производители обещают
абсолютную погрешность измерений не более 5%. Данный прибор привлекает своей
компактностью, особенно это замечание касается внешнего блока (датчика), а
также возможностью измерений при относительно большом удалении датчика от блока
процессора и компьютера (порядка нескольких сот метров).
Однако,
применение данного класса приборов сильно ограничивается невозможностью
измерения твердых осадков, снега и града. Даже при больших диаметрах капель
погрешность измерения сильно возрастает. Это в первую очередь связано с
механическими осцилляциями, возникающими в электромагнитном датчике,
приводящими к появлению времени нечувствительности системы, отсчитывающемуся с
момента ударения частицы о контактную поверхность. Также к ложным регистрациям
капель может приводить турбулентность в ветровых потоках, при измерениях в
натуральных условиях. Остается и проблема влияния акустических шумов большой
мощности. Все эти факторы, безусловно, сужают спектр возможных применений
дисдрометра ударного типа RD
- 80.
Радиолокационные
методы дистанционного измерения интенсивности осадков. Доплеровские
метеорологические станции.
Задача
восстановления микроструктуры осадков существует в области радиолокационной
метеорологии уже достаточно давно. Для ее решения используются непрерывные доплеровские
метеорологические станции. наиболее широко известным и применяемым на
сегодняшний день можно считать микрорадар марки MRR
- 2 фирмы METEK.
Таблица
1. Основные характеристики микрорадара MRR
- 2.
|
Рабочая
частота
|
24,1
ГГц (λ
= 12 мм)
|
|
Мощность
передатчика
|
50
мВт
|
|
Параметры
антенны
|
Параболическая
моностатическая антенна, апертурный диаметр 0,5 м
|
|
Ширина
луча
|
2º
|
|
Модуляция
|
Непрерывный
ЧМ - сигнал
|
|
Разрешение
по высоте
|
35
- 200 м
|
Принцип
измерения основан на соотношении между размером частиц осадков и скоростью их
падения, последняя зависимость была получена Атласом в 1973 г. Все вычисления
основаны на анализе доплеровских спектров, в соответствии с методикой Строча,
описываемой в 1976 г. При измерениях микроструктуры осадков радиолокационными
установками определяются следующие параметры: среднее распределение плотности
осадков, концентрация жидкой воды и функция распределения осадков.
Т.к.
приборы данного типа усредняют результаты, за счет монотонности дождя, то это
невыгодно для оперативного получения результатов и свидетельствует об
ограничении данного типа установок по характеристике разрешающей способности
определения микроструктуры осадков во времени.
Оптические
методы дистанционного определения микроструктуры осадков.
Оптические
дисдрометры
Оптические
методы относятся к бесконтактным дистанционным методам определения
микроструктуры осадков. На основе данных методов создан наиболее широкий спектр
метеорологического оборудования по контролю над осадками. Все они представляют
собой 3 класса приборов, основанных на различных принципах измерения:
· оптические
системы видеонаблюдения;
· оптические
дисдрометры затенения;
· оптические
измерители комбинированного типа.
Первый
тип устройств основан на применении системы видеодатчиков для регистрации
падающих капель 2D
- VIDEO
- дисдрометр. Данный прибор был разработан в
исследовательском центре JOANNEUM
RESEARCH.
Рисунок
5. Принцип действия 2D
- Video дисдрометра.
Принцип
действия 2D - Video
дисдрометра заключается в съемке капли в момент ее пролета через измерительную
площадку. Как показывает рис.5 две перпендикулярные полосы света, проецируются
на линейно сканирующие камеры. Геометрическая виртуальная измерительная
площадка расположена в области перекрывания этих двух полос света. Гидрометеоры
падающие через площадку, оставляют тень, которая записывается на камеру. От
каждого одиночного гидрометеора достигающего измеряющей области, измеряется и
записывается передняя сторона, вид сбоку и вертикальная скорость падения.
Основное
преимущество 2D - Video
дисдрометров заключается в возможности получать фотоснимки падающих частиц
осадков, т.е. рассматриваются все детали их мгновенной формы, такие, какие они
есть в реальных условиях. Однако использование видеокамер влечет за собой ряд
существенных недостатков. Во-первых, очень высокая стоимость оборудования.
Во-вторых, поскольку принцип действия рассмотрен в обработке видеоизображений,
в этом случае точность измерений микроструктуры осадков напрямую зависит от
разрешающей способности видеокамеры, для 2D
- Video дисдрометра эта
величина разрешения по горизонтали и вертикали порядка 0,3 мм, что нельзя
отнести к высокому показателю в системах максимального измерения
микроструктуры.
Заметим
также и то, что для регистрации капель, скорость падения которых может быть до Vmax
= 10 м/с, частота следования кадров при съемке должна быть достаточно высока,
что приводит к существенному повышению требований к передающей аппаратуре,
отвечающей за передачу и хранение данных. Данный тип дисдрометров находит свое
применение при решении отдельных исследовательских метеорологических задач и не
входит в класс доступных устройств широкого применения.
К
следующему типу оптических измерителей микроструктуры осадков относятся
приборы, работающие по принципу затенения. В большинстве своем
это устройства, работающие на основе применения лазерного источника света
(например, лазерного диода λ=780 нм).
Принцип измерения таких устройств заключается в следующем. Лазерный диод
формирует луч, представляющий собой параллельный пучок света рис 6, поступающий
напрямую на фотодиод.
Рисунок
6. Принцип измерения частиц лазерного дисдрометра
Частица,
падающая через такой луч, вызывает его частичное затенение, при этом изменяется
величина потока света, приходящего на приемник. Это изменение регистрируется
фотодиодом и преобразуется в электрический импульс, амплитуда которого
фиксируется, и переводится в цифровой код в схеме обработки сигнала.
Особенностью лазерных дисдрометров является то, что толщина луча (в данном
случае h = 0,75 мм) намного
меньше диаметров частиц, поэтому значение выходного измеряемого сигнала будет
пропорционально горизонтальному диаметру частицы в момент ее пролета через луч.
Это свойство довольно невыгодно сказывается на общей погрешности измерений,
поскольку при регистрации осциллирующих капель в момент их пролета через луч
величина горизонтального сечения капель может изменяться на величину до 20%,
при фиксированном эффективном диаметре, что является прямым вкладом в
погрешность измерений. С технической точки зрения, применение тонкого лазерного
луча влечет за собой повышение частоты модуляции сигнала (до 175 МГц), и
использовать диод в режиме работы близком к пиковому. Это довольно невыгодно,
увеличивается влияние температуры, и приводит к применению более дорогостоящих
компонентов.
Лазерные
дисдрометры позволяют определять и другие параметры осадков. Например, скорость
падения частицы определяется исходя из длительности формируемого импульса.
Определение типа осадков производится по известным пропорциям размера частицы к
ее скорости падения. Данные пропорции получены и представлены в разработках
исследователей Ганна и Кинзера.
Следующий
оптический измеритель микроструктуры, основанный на принципе затенения - это оптический
спектроплювеометр, разработанный во Франции (Optikal
Spektro Pluviometr,
CEPT, France).
Схема измерения данного устройства показана на рис 7.
Рисунок
7. Схема измерения оптического спектроплювеометра.
Как
и в лазерном дисдрометре, в спектроплювеометре производится измерение
флуктуаций светового потока, вызываемых падением падающих частиц в луч света.
Датчик
фиксирует импульс затенения, по максимальному значению которого определяет
диаметр капли. В отличие от лазерного дисдрометра, скорость падения капли
определяется по величине интервала времени между импульсами от двух лучей (Δt1,Δt2).
Это позволяет более точно производить измерение скорости падения, при этом
требуется хорошая синхронизация измерительной схемы приемника. Также данный
метод более эффективен и не зависим от искажения формы сигнала от частицы. На
рисунке 8 представлены типовые сигналы от капель.
Рисунок
8. График сигналов от одной капли
На
рисунке 8 показана форма импульсов затенения от крупной капли, полученные с
двух приемников.
Данный
прибор позволяет определять размер частицы, скорость падения и получать спектр
дождя. В качестве примера выходных данных такого прибора рассмотрим график
распределения капель по размерам в зависимости от времени (рисунок 9).
По
вертикальной оси графика, показанного на рисунок 9, отложено время (общее время
сбора 100 сек), по оси абсцисс отложен диаметр капель. Количество капель
определенного диаметра определяется степенью светлости изображения. Сглаженный
график микроструктуры показан в виде ломаной линии.
Рисунок
9. График изменения структуры дождя.
По
вертикальной оси графика, показанного на рисунок 9, отложено время (общее время
сбора 100 сек), по оси абсцисс отложен диаметр капель. Количество капель
определенного диаметра определяется степенью светлости изображения. Сглаженный
график микроструктуры показан в виде ломаной линии.
Комбинированные
измерители осадков, представляют собой класс
устройств, сочетающих в себе несколько принципов измерения. В качестве примера,
рассмотрим оптическую погодную станцию, разработанную в США. Данная система
предназначена для достоверного измерения видимости и функционирует на принципе
прямого рассеяния в комбинации с оптической системой, основанной на принципе
затенения, с целью нейтрализации неоднозначностей, возникающие при измерении
световой передачи несвязанные с видимостью (дождь, снег). Функциональная схема,
данной установки представлена на рисунок 10.
Рисунок
10. Функциональная схема погодной станции (США).
В
данной системе использован частично когерентный источник света - инфракрасный
светоизлучающий диод. Вместо лазерного источника, который обычно используют
стандартные оптические системы идентификации погоды, работающие по затенению.
Геометрическая схема расположения двух приемников излучения такова, что первый
приемник, установлен непосредственно в пучке света. Он регистрирует сигнал
сцинтилляций, встречающихся в луче света, данный сигнал предназначен для
реализации первой функции прибора - обработку сигналов от дождя и снега.
Положение второго приемника выбрано под острым углом относительно направления
пучка света (35º), с целью
регистрации сигнала прямого рассеяния света от сцинтилляций в луче света. Этот
сигнал предназначен для дальнейшей обработки и получения характеристики
видимости в окружающем воздухе. Интенсивность излучения, зарегистрированная
вторым (внелучевым) приемником нормализуется значением интенсивности,
обнаруженной первым приемником (внутрилучевым), чтобы получить прямой
коэффициент рассеяния, независящий от интенсивности источника света.
Следовательно,
такая система независима от флуктуаций мощности источника излучения и от пыли
на оптической системе.
Таким
образом, измерение производится по двум независимым каналам. Предварительные
усилители первого и второго канала, предназначены для усиления сигналов с
фотодиодных датчиков, и приведения их к диапазону, требуемому для схемы
преобразования сигнала. После преобразования сигналов, они поступают на
сигнальный процессор, для разделения сигналов от первого приемника, имеющего
частотные характеристики дождя и снега и от второго приемника передающую
мощностную характеристику видимости.
Также
при обработке сигнал делиться на две частотные полосы спектра сцинтилляций. А
именно, высокочастотный фильтр использован, чтобы выделить сигналы от 1 - 4
КГц, а низкочастотный фильтр использован, чтобы выделить сигналы 25 - 250 Гц.
Сигнал
с выхода ВЧ полосового фильтра пропорционален интенсивности дождя, и сигнал с
выхода НЧ полосового фильтра пропорционален интенсивности снега. Отношение
сигнала с высокого полосового фильтра к сигналу низкого полосового фильтра
используется, чтобы отличить дождь от снега.
Вывод
Измерители
параметров осадков - это устройства, которые на основе различных, активных и
пассивных методов измерения, должны оперативно, качественно и в автоматическом
режиме выдавать полную информацию о типе, структуре и интенсивности осадков в
пределах определенной зоны наблюдения. Данные устройства должны быть
функционально гибкими, иметь возможность модернизации и опционально
поддерживать возможность измерения дополнительных метеорологических параметров
(температура, влажность, давление). При разработке устройств данного типа
следует особо уделить внимание портативности, эргономичности, а также их
надежности при работе в полевых условиях.
Приборы
контактного типа - это устройства, измеряющие размеры дождевых капель на основе
физического взаимодействия с чувствительным элементом. Две базовые модификации
чувствительного элемента - струнный и электромагнитный, отличаются простотой
конструкции и неприхотливостью в эксплуатации, при сравнительно низкой
стоимости. Однако, данный класс приборов является наиболее ограниченным по
своим функциональным возможностям. Струнным измерителям характерна невысокая
точность результатов измерения, обусловленная конструктивными факторами. В
случае электромагнитного чувствительного элемента высоко влияние акустических
шумов и осцилляций механической части при регистрации крупных капель.
Контактные методы не предусматривают измерения параметров снега и града что
делает их применение очень ограниченным.
Радиолокационные
измерители представляют собой всепогодные доплеровские РЛС вертикального
направления сканирования с узкой диаграммой направленности, с длиной волны λ
= 0,5 - 6 см. Измерение параметров осадков осуществляется
посредством анализа доплеровских спектров накопленного сигнала. Режим сбора и
обработки данных позволяет получать интегральные оценки по интенсивности и
микроструктуре осадков с неплохой точностью при монотонных и стабильных
осадках. Появление неоднородности осадков и увеличении влияния внешних
факторов, таких как ветровые потоки, турбулентность приводят к существенному
увеличению ошибки измерения. Диапазон определяемых размеров частиц ограничивается
длинной волны установки, от выбора которой зависит эффективность регистрации
капель. Доплеровские РЛС изготавливаются для определенной длины волны, как
правило, стоимость таких установок очень высока, в связи с чем они не получают
широкого распространения.
Оптические
измерители микроструктуры осадков являются самыми распространенными и
доступными, начиная от дорогостоящих систем 2D
- Video, заканчивая
недорогими оптическими дисдрометрами. Наибольшую часть среди них занимают
устройства, работающие по принципу затенения, то есть регистрируют тень от
капли, попавшей в луч света. Преимуществом оптических методов дистанционного
определения микроструктуры осадков является автоматизация измерительного
процесса и использование персонального компьютера (ПК) в качестве устройства
обработки информации достигается высокая скорость получения конечных
результатов, а также существенно уменьшаются габаритные размеры установки.
1. КОНСТРУКТОРСКИЙ
РАЗДЕЛ
1.1 Описание
принципа действия прибора
В
данном дипломе описывается метод измерения параметров частиц снега и града на
установке описанной ниже.
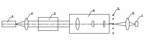
Рисунок
1.1 Принцип действия лазерного измерителя параметров дождевых капель.
1-
полупроводниковый лазер
-коллиматор
-акусто-оптический
модулятор (АОМ)
-телескопическая
система
-исследуемый
образец (песчинки)
-поглощающий
экран
-объектив
-фотоприемный
модуль
-генератор
частот
-устройство
обработки
Источником
оптического излучения является полупроводниковый лазер (лазерный диод IDL 10),
излучающий с длиной волны λ = 0, 645 мкм
(видимый диапазон). Выбор полупроводникового лазера в качестве источника
излучения обусловлен высокой энергетической яркостью лазерного излучения, за
счет чего увеличивается чувствительность прибора. Лазерное излучение проходит
через коллиматор, на выходе из которого превращается в пучок с волновым
фронтом, который можно считать плоским. Наличие плоского волнового фронта
необходимо для нормальной работы, стоящего следующим акустооптического
модулятора (АОМ). АОМ представляет собой акустооптический кристалл, с
напыленным пьезопреобразователем, на который подается амплитудномодулированный
сигнал частотой
. Вследствие чего в
АОМ образуется дифракционная решетка. При прохождении сквозь кристалл свет
дифрагирует и на выходе мы получаем интерференционную картину. Период
интерференционной картины определяется соотношением [1]:
;(1.1)
Основная
часть от падающей в АОМ энергии дифрагирует в +1 порядок при соблюдении условия
Брэгга - Вульфа (излучение других длин волн рассеивается более или менее
равномерно по всем направлениям, давая лишь общий фон). АОМ Брэгга показан на
рисунке 1.2.
Рисунок
1.2 Схема акустооптического модулятора Брэгга
Для
модулятора Брэгга угол падения лазерного луча должен равняться углу Брэгга ΘБ,
который
определяется соотношением [1]:
,(1.2)
где
λ
- длина
волны луча внутри материала модулятора; Λ - период
дифракционной решетки АОМ.
После
модулятора лазерный луч сужается телескопической цилиндрической системой и
попадает на поглощающий экран. Пролетая через луч, капля отклоняет, что
приводит к изменению величины потока света на фотоприемнике. Это изменение
регистрируется фотодиодом и преобразуется в электрический сигнал.
1.2 Габаритный
расчет
В
качестве источника излучения используется лазерный диод IDL
10 - с мощностью излучения 20 мВт, длиной волны излучения λ
= 0,645 мкм.
Рисунок
1.3 Оптическая схема
1-
полупроводниковый лазер
-
коллиматор
-акустооптический
модулятор
-
оптическая система
-
исследуемый образец (дождевая капля)
-объектив
-
фотоприемник
На
входе имеем прямоугольный пучок 2х5мм. С помощью цилиндрических линз необходимо
получить пучок 0.5х15мм. Первая телескопическая система состоит из сферической
и цилиндрической линзы. Диаметр входного зрачка возьмем равным 5мм, а выходного
20 мм. Заднее фокусное расстояние первой линзы примем равным 40мм.
Размер
пучка на входе первой телескопической системы равен 5мм, а на выходе 8 мм.
Отсюда
найдем видимое увеличение системы.
; (
1.3)
мм
Зная
увеличение системы и фокусное расстояние первой линзы можно найти фокусное
расстояние второй линзы:
; (1.4)
мм
Вторая
телескопическая система состоит из сферической и цилиндрической линзы. Диаметр
входного зрачка возьмем равным 2мм, а выходного 0.5 мм. заднее фокусное
расстояние первой линзы примем равным 20мм.
Размер
пучка на входе первой телескопической системы равен 2мм, а на выходе 0,5мм.
Отсюда по формуле ( 3.1) найдем видимое увеличение системы.
Зная
увеличение системы и фокусное расстояние первой линзы можно найти фокусное
расстояние второй линзы:
;(1.5)
мм
Реальная
система
Для
сферической линзы имеем:
мм
=40мм
Радиусы
линзы находим из выражения (1.4) по [2]:
;(1.6)
Для
линзы принимаем
, и формула (1.6)
принимает вид (1.7):
;
(1.7)
;
(1.8)
где,
t - толщина линзы по краю
После
преобразований получим систему из двух уравнений, решая которую найдем радиусы
кривизны поверхностей линзы:
;
(1.9)
Отсюда
=
40,86мм,
=-40,86мм,
=1,5мм
Определим
переднее вершинное фокусное расстояние сферической линзы SF
;(1.10)
;
(1.11)
Рассчитаем
первую цилиндрическую линзу.
=160мм
=10мм
Для
упрощения расчетов возьмем плоско-выпуклую линзу и рассчитаем для нее радиусы
кривизны Rл1.ц.
и Rл2.ц.
;
<
0.
;(1.12)
;(1.13)
где
-
показатель преломления (для простоты расчетов возьмем
).
Найдем
конструктивные параметры 1-ой цилиндрической линзы (толщины линзы по оси и
толщины линзы по краю).
;
(1.14)
слишком
мало и им можно пренебречь, тогда получим:
;(1.15)
где
-
стрелка по оси,
- световой диаметр
линзы,
-
радиус кривизны линзы.
;
(1.16)
где
-
толщина линзы по оси,
- толщина линзы по
краю.
мм
мм
Определим
переднее вершинное фокусное расстояние 1-линзы SF
по
формуле (1.10)
;
;
Рассчитаем
2-ую цилиндрическую линзу:
=10мм
=7мм
Для
упрощения расчетов возьмем плоско-выпуклую линзу и рассчитаем для нее радиусы
кривизны Rл1.ц.
и Rл2.ц.
;
< 0.
; (1.17)
;
(1.18)
где
-
показатель преломления (для простоты расчетов возьмем
).
мм
Найдем
конструктивные параметры 2-ой цилиндрической линзы (толщины линзы по оси и
толщины линзы по краю).
; (1.19)
где
-
стрелка по оси,
- световой диаметр
линзы,
-
радиус кривизны линзы.
,
где
-
толщина линзы по оси,
- толщина линзы по
краю.
мм
Определим
переднее вершинное фокусное расстояние 2-линзы SF
по
формуле (1.10)
;
Приемная
часть.
Рассчитаем
двухкомпонентную систему, первой линзой которой служит исследуемый объект, а
второй сферическая линза с фокусным расстоянием 60мм. Для упрощения расчетов
будем считать, что капля представляет собой линзу шар.
f'=(n·r)/2·(n-1);
(1.20)
Отсюда
для капель диаметром от 1 до 6 мм получим следующие фокусные расстояния
f1=1.008мм
f2=2.015мм
f3=3.023мм
f4=4.03мм
f5=5.038мм
f6=6.045мм
Отсюда
можно найти угол
, под которым капля
будет рассеивать излучение:
, (1.21)
где
-
диаметр капли.
Из
конструктивных соображений положим, что расстояние между исследуемым объектом и
объективом будет равно 40мм ± 5мм. Т.е капля будет падать в некотором объеме.
Рисунок
1.4. Определение диаметра объектива.
Найдем
диаметр объектива. Из рисунка видно, что диаметр объектива можно найти по
формуле:
;(1.20)
где
-
расстояние от объектива до места падения капли.
Из
формулы видно, что диаметр объектива будет зависеть от диаметра капли и места
ее падения.
Таблица
1.1. Определение диаметра объектива
|
dk,мм
aпад, мм
|
1
|
2
|
3
|
4
|
5
|
6
|
|
35
|
33.737
|
32.737
|
31.737
|
30.737
|
29.737
|
28.737
|
|
40
|
38.699
|
37.699
|
36.699
|
35.699
|
34.699
|
33.699
|
|
45
|
43.662
|
42.662
|
41.662
|
40.662
|
39.662
|
38.662
|
Диаметр
объектива примем таким, чтобы вся энергия от капли попала в объектив.
=50мм
Рассчитаем
параметры объектива.
=50мм
Возьмем
линзу с равными радиусами. Тогда формула линзы примет вид:
;
(1.23)
;(1.24)
Решив
уравнение, найдем, что
= 59,
=-59мм,
=12,6мм
Найдем
переднее вершинное фокусное расстояние SF
из
выражения (1.10)
;
;
Найдем
положение фотоприемника относительно объектива.
Рисунок
1.5. Определение кружка рассеяния
.
Рассчитаем
кружок рассеяния от капель диаметром от 1 до 6 мм, падающих на расстоянии 35 и
45 мм от объектива. (1.25)
;
(1.25)
где
-
расстояние до фотоприемника; Из конструктивных соображений примем
равным
28мм.
Найдем
угол
для
капли 1мм по формуле (1.26)
;(1.26)
Таблица
1.2 Определение угла
|
dk,мм
aпад, мм
|
1
|
2
|
3
|
4
|
5
|
6
|
|
35
|
37.877
|
37.578
|
37.277
|
36.973
|
36.667
|
36.667
|
|
45
|
40.713
|
40.438
|
40.16
|
39.88
|
39.598
|
39.313
|
Таблица
1.3 Определение кружка рассеяния
|
dk,мм
aпад, мм
|
1
|
2
|
3
|
4
|
5
|
6
|
|
35
|
4.911
|
5.177
|
5.444
|
5.711
|
5.977
|
6.244
|
|
45
|
2.264
|
2.531
|
2.797
|
3.331
|
3.597
|
-Расчет
акустооптического модулятора.
Частота
модуляции должна быть больше, изменения частоты падения капель. Определим
частоту падения капель.
,(1.27)
где
-
максимальная и минимальная скорости падения капель;
-толщина
лазерного пучка.
Гц
Примем
частоту модуляции равной
Гц Выбираем в
качестве материала акустооптического модулятора парателлурит со скоростью звука
в среде vак
= 617 м/с.
Период
интерференционной картины в АОМ:
,
(1.28)
где
f - частота
модуляции, f
=
2 МГц.
Угол
дифракции света на АОМ:
,
(1.29)
где
λ
- длина волны излучения, λ
= 0,650·10-6 м,
Высоту
кристалла АОМ h
выбираем равной диаметру пучка = 5 мм. Т.к. кристалл представляет собой куб, то
длина и ширина соответственно l
= a = 5 мм.
Край кристалла скошен под углом 10º. Развернем
АОМ на угол δ относительно
оптической оси для того, чтобы пучок света, выходящий под углом Брэгга шел
параллельно оптической оси.
;(1.30)
δ
= 1°47´
1.3 Энергетический расчет
Рассмотрим
энергетические соотношения в приборе. Отношение сигнал/шум на входе электронной
схемы обработки измерительных импульсов:
,(1.31)
где
Рполезн - уровень полезного сигнала на фотоприемной площадке;min
- минимальный уровень сигнала, воспринимаемый фотоприемником.
Коэффициент
пропускания линз из стекла К8 найдем из выражения (1.32)
,(1.32)
где
K - число
преломляющих поверхностей, К=12; d
- суммарная толщина по оси.
=1,5+1,65+2,425+0,4+12,6=1,858см
=0,53
Найдем
количество энергии, преломленное каплей. Для этого сначала определим мощность в
рабочем пучке. Распределение энергии в пучке можно найти, зная распределение
освещенности в пучке, которая представлена следующими графиками.
Рисунок
1.6 Распределение освещенности в лазерном пучке по горизонтальной оси.
Рисунок
1.7 Распределение освещенности в лазерном пучке по вертикальной оси.
Работа
будет осуществляться на уровне 0,85 от максимальной энергии по горизонтальной
оси.
Рисунок
1.8 Освещенность на уровне 0,85 от максимальной.
Взяв
интеграл на этом уровне, найдем мощность в рабочем пучке.
,(1.33)
где
-
суммарная освещенность в пучке на уровне 0,85;
-
суммарная освещенность во всем пучке;
-
мощность в лазерном пучке.
=9,285мВт
Зная
мощность в рабочем пучке, найдем мощность, преломляемую каплей.
;(1.34)
Таблица
1.4 Расчет мощности рассеиваемой каплей.
|
, мм
|
1
|
2
|
3
|
4
|
5
|
6
|
|
, мВт
|
0,928
|
1,857
|
2,785
|
3,714
|
4,642
|
5,571
|
Теперь
определим мощность на фотоприемнике.
;
(1.35)
Таблица
1.5. Расчет мощности на фотоприемнике в зависимости от диаметра капли и места
ее падения.
|
dk,мм
aпад, мм
|
1
|
2
|
3
|
4
|
5
|
6
|
|
35
|
0,026
|
0,046
|
0,062
|
0,076
|
0,086
|
0,095
|
|
45
|
0,12
|
0,192
|
0,236
|
0,263
|
0,278
|
0,286
|
Для
определения отношения сигнал/шум находим значение Рmin
;(1.36)
Определим
соотношение сигнал шум для предельного случая: для капель падающих на
расстоянии 35 мм от объектива.
Таблица1.6.
Определение соотношения сигнал-шум.
|
dk,
мм aпад, мм
|
1
|
2
|
3
|
4
|
5
|
6
|
|
35
|
255
|
460
|
625
|
755
|
863
|
950
|
Полученное
отношение сигнал/шум удовлетворяет требованиям на приборы этого класса.
1.4 Точностной
расчет
Оценим
основные параметры устройства: диапазон работы и точность измерения. Определим
сначала диапазон изменения размеров капель, скорость которых может измерять
устройство. Для этого найдем мощность сигнала от капли, пролетающей через
интерференционную картину, которая попадает в приемный объектив. Учитывая
апертуру объектива и коэффициент модуляции можно получить следующее выражение
для мощности сигнала на фотоприемнике:
,(1.37)
где
Io= Рлаз /Sпучка
-
интенсивность излучения в месте пролета капли,
Sк-площадь
капли,
Sпучка-площадь
пучка после коллиматора,
F(x)-функция
распределения интесивности по сечению пучка,
u-апертура
приемного объектива,
-потери
в АОМ и оптике.
Примем
эти потери равными 0,5 для худшего случая.
Минимально
регистрируемая фотоприемником мощность равна [4]:
,(1.38)
где
Фп- обнаружительная способность фотоприемников [ Вт/Гц1/2],
f-полоса
частот сигнала.
Тогда
с учетом приведенных выше выражений и определенного соотношения сигнал-шум
получим:
(1.39)
Рассчитаем
точность измерения размера капли. Применив к выражению (1.37) метод
дифференцирования, найдем относительную ошибку измерения, считая, что входящие
в (1.37) параметры изменяются случайным образом:
,
где
-
изменение интенсивности в пучке;
-
изменение мощности в пучке;
- изменение глубины
модуляции;
- диапазон частот.
Будем
считать, что для времени измерения t,
интенсивность в пучке не меняется, т.е
=
0. Из энергетического расчета видно, что отношение
=
0,15. Полоса частот
зависит от
изменения скорости падения капель. В данной работе
составило
Гц,
а частота модуляции 2Мгц.
=25
2. Технологический
раздел
2.1 Юстировка
системы
Рассмотрим
приемы и виды юстировки приборов.
При
юстировке пользуются двумя приемами устранения ошибок:
прием
последовательной юстировки.
каждую
схемную деталь и узел устанавливают последовательно с заданной точностью
указанной на сборочном чертеже.
Виды
юстировки:
При
методики комплексной юстировки встречаются случаи, когда в процессе устранения
одной ошибки появляются новые. Этот случай зависимой юстировки.
Независимая
юстировка. Каждую ошибку выявляют и устраняют отдельно и независимо от других
ошибок.
Рассмотрим
погрешности, которые при юстировке прибора можно свести к минимуму[6]:
Погрешность
из-за параллельных сдвигов элементов оптической системы:
Рисунок
2.1 Погрешность из-за параллельных сдвигов элементов оптической системы.
Из
треугольника CMN следует
что:
;
(2.1)
;(2.2)
;(2.3)
;
;
(2.4)
Из
формулы (2.4) следует, что линейное увеличение не меняется.
В
результате параллельных сдвигов оптических элементов изображение смещается
поперек оптической оси. Для исправления этой ошибки необходимы подвижки оптических
элементов.
Погрешности
из-за сдвига элементов вдоль оптической оси:
Рисунок
2.2 Погрешности из-за сдвига элементов вдоль оптической оси.
;(2.5)
Для
исправления ошибки из-за сдвига элементов вдоль оптической системы, необходимо
подвинуть оптический элемент. Погрешность из-за разворотов элементов оптической
системы:
Рисунок
2.3 Погрешность из-за разворотов элементов оптической системы.
Увеличение
для точки А:
;(2.6)
Для
точки М:
;(2.7)
При
малых углах cos(y)=1,
sin(y)=0
При
повороте линзы происходит поворот изображения разно масштабно по полю зрения
т.к. увеличение зависит от размеров предмета.
Для
того чтобы исправить ошибку из-за разворотов оптического элемента, нужно
повернуть оптический элемент.
В
лазерном измерителе параметров дождевых капель используется акустооптический
модулятор, использующийся для повышения точности прибора.
Для
получения максимальной интенсивности дифрагированного пучка, модулятор должен
быть развернут относительно разрабатывающего пучка под углом, определяемый
выражением (2.8) по [2]:
,(2.8)
где
λ
-
длина волны излучения, λ = 0,645
мкм;
f
-
частота возбуждения АОМ, f=
30 МГц;
vак
- скорость звука в среде, vак
= 617 м/с.
отсюда
θ-1
=
1º78΄. Поскольку угол очень маленький
юстировку необходимо проводить с достаточно высокой точностью.
Для
этого модулятор устанавливается на столике, который поворачивается с помощью
винтов на заданный угол.
Угол
поворота столика можно определить:
,
(2.9)
где
R - расстояние от
оси вращения столика до оси винта;
l
- перемещение винта. С другой стороны перемещение винта равно:
,(2.10)
где
К - число заходов резьбы; t
- шаг резьбы;
Из
этих выражений найдем шаг резьбы, необходимый для обеспечения точности угла
поворота модулятора:
;
(2.11)
Подставляя
эти данные в выражение (2.11), получим:
Таким
образом, шаг резьбы составляет ≈ 1,14 мм.
Юстировка
производится следующим образом:
Модулятор
освещается лазерным пучком и на него от генератора подается
амплитудно-модулированный сигнал с частотой 2 МГц, за модулятором
устанавливается фотоприемник с индикатором. С помощью винта модулятор
разворачивается и на индикаторе измеряется интенсивность дифрагированного
пучка.
x
Рисунок
2.1. Зависимость дифракционной эффективности модулятора от угла падения света
Максимум
интенсивности соответствует углу Брэгга, интенсивность дифрагированного пучка
меняется по закону [2]:
; (2.12)
График
выражения (2.5) приведен на рисунке (2.1). Из графика видно, что при изменении х
интенсивность дифрагированного пучка падает.
3.
Исследовательский раздел
Исследование
проводилось по схеме приведенной на рисунке 1.1
3.1.1
Порядок обработки данных программой
-Читается
бинарный файл по частям, размером SizeOfPart, заданном в файле настроек,
по умолчанию- 100000 выборок. Размер одной выборки-16 байт
Вычисляется
среднее арифметическое всей выборки, устраняется постоянная составляющая.
Выделяются
импульсы, значения амплитуд которых превышает величину порога, заданного
параметром Threshold
-
Рассчитывается диаметр капель по квадрату величины импульса, умноженному на
некоторый коэффициент, установленный при юстировке счетчика. Определение
реального диаметра капель проводилось следующим образом. В шприц с иглами,
разных диаметров набиралась вода и проводились измерения количества, упавших
капель за 10 минут, с помощью разработанного счетчика. Вода собиралась в
нормировочный стакан, с помощью, которого мерялся объем воды, исходя из чего,
определялся средний диаметр капли.
-
Частицы сортируются по размерам и подсчитывается их количество в определенных
интервалах.
Формируется
гистограмма.
3.1.2
Исходный текст программы
Ниже
приведен исходный текст программы, показывающие принцип ее действия:
Обработка
данных:
Обнуление
переменных:
procedure
tform1.Reseting;
begin
SetLength(ArrayOfData,SizeOfPart);
SetLength(AverageArray,AveCount);
PositionInFile:=
0;
CountOfParts:=
FileSize(FileOfData) div SizeOfPart;
ScrollBar1.Position:=
0;;
Открытие
файла:
procedure
TForm1.OpenTheFile;: smallint;: integer;:= 0;.Enabled:=
true;(FileOfData,OpenDialog1.FileName);:= true;(FileOfData);;:=
SizeOfPart;(ArrayOfData,SizeOfPart);(AverageArray,SizeOfPart-5);:=
FileSize(FileOfData) div SizeOfPart;.Max:=
CountOfParts-1;(ArrayOfHists,CountOfParts);:= 0;i:= 0 to CountOfParts-1 do:=
i;;;
end;.Title.Text.Text:=
ExtractFileName(OpenDialog1.FileName);;TForm1.OpenTheHist;i: integer;: file of
histogram;(FileOfHist,OpenDialog1.FileName);(FileOfHist);:=
FileSize(FileOfHist);(ArrayOfHists,CountOfParts);i:= 0 to CountOfParts-1
do(FileOfHist,ArrayOfHists[i]);;
Чтение
файла частями размером SizeOfPart:
procedure
tform1.ReadingTheFile;i: integer;: smallint;i:= 0 to SizeOfPart-1
do(FileOfData,t);[i]:= t;i mod grf = 0 then;
end;
Averaging;
end;
Устранение
постоянной составляющей сигнала:
procedure
tform1.Averaging;
var
i,j,t: integer;:= 0;i:= 0 to SizeOfPart-1 do t:= t+ ArrayOfData[i];:= t div SizeOfPart;i:=
0 to SizeOfPart-1 do if (ArrayOfData[i]- t) >= 0 then ArrayOfData[i]:=
ArrayOfData[i]- t else ArrayOfData[i]:= 0;;
end;
Выделение
импульсов, превышающих порог Threshold,
подсчет их амплитуды:
procedure
tform1.ImpCounter;i,t,im,IBegin,IEnd,maximum: integer;: boolean;:= 0;:= 0;i<
SizeOfPart do(ArrayOfData[i]= 0) and (i< SizeOfPart) do inc(i);:= false;:=
i-1;:= 0;(ArrayOfData[i]> 0) and (i< SizeOfPart) doArrayOfData[i]>=
threshold then:= true;;maximum< ArrayOfData[i] then:= ArrayOfData[i];(i);;:=
i;imp
then(CountOfImpulses);(ArrayOfImpulses[0],CountOfImpulses);(ArrayOfImpulses[1],CountOfImpulses);[0,CountOfImpulses-1]:=
maximum;[1,CountOfImpulses-1]:= IEnd-IBegin;;:= 0;:= false;;;
Сортировка
импульсов по амплитудам, создание массива гистограммы:
procedure
tform1.CreatingOfHist;i,j,t1,t2,t1i,t2i,t: integer;
{t1:=
ArrayOfImpulses[0,0];:= ArrayOfImpulses[1,0];i:= 0;i:= 0;}i:= 0 to
CountOfImpulses-1 doi:= i;:= ArrayOfImpulses[0,i];j:= i+1 to CountOfImpulses-1
do if t1>ArrayOfImpulses[0,j] theni:= j;:= ArrayOfImpulses[0,j];;[0,t1i]:=
ArrayOfImpulses[0,i];[0,i]:= t1;;
//edit2.text:=
inttostr(CountOfImpulses);
//series6.Clear;
//Series6.AddXY(0,0);:=
0;:= 0;i< CountOfImpulses do(j);:= 0;( ArrayOfImpulses[0,i]<
(HistInt*j)*(HistInt*j)+Threshold) and(i<CountOfImpulses)
do(t);(i);;[PositionInFile].Hist[j+round(sqrt(Threshold))-1]:= t;
//Series6.AddXY((HistInt*j+sqrt(Threshold)){*10/8192},t);;
ConvertHist;
end;
Преобразование
гистограммы, создание более широких интервалов:
procedure
tform1.ConvertHist;i,j,k,m: integer;:=
(round(100-sqrt(Threshold))-(round(100-sqrt(Threshold)) mod HistCount)) div
HistCount ;.Clear;(TempHist,CountOfParts);k:= 0 to CountOfParts-1
do(TempHist[k],HistCount);k:= 0 to CountOfParts-1 doi:= 0 to HistCount-1
do[k,i]:= 0;j:= 0 to TempCount-1 do[k,i]:=
TempHist[k,i]+ArrayOfHists[k].hist[round(sqrt(Threshold))+i*TempCount+j];;
//for
i:= 0 to HistCount-1 do
.AddXY(sqrt(Threshold)+i*TempCount*2,TempHist[ScrollBar1.Position,i]);;
Сохранение
в формат Microsoft Excel- .xls:
procedure
TForm1.ChartToXLS;i: integer;.Sheets[0].ClearCells;.Filename:=
SaveDialog1.FileName+'
graph.xls';.Sheets[0].AsString[0,0]:='hist_x';.Sheets[0].AsString[1,0]:='hist_y';.Sheets[0].AsString[2,0]:='<50_x';.Sheets[0].AsString[3,0]:='<50_y';.Sheets[0].AsString[4,0]:='<100_x';.Sheets[0].AsString[5,0]:='<100_y';.Sheets[0].AsString[6,0]:='<150_x';.Sheets[0].AsString[7,0]:='<150_y';.Sheets[0].AsString[8,0]:='<200_x';.Sheets[0].AsString[9,0]:='<200_y';i:=
1 to series1.Count -1 do.Sheets[0].AsFloat[0,i]:= Series1.XValue[i];.Sheets[0].AsFloat[1,i]:=
Series1.YValue[i];;i:= 1 to series6.Count -1 do.Sheets[0].AsFloat[2,i]:=
Series6.XValue[i];.Sheets[0].AsFloat[3,i]:=
Series6.YValue[i];.Sheets[0].AsFloat[4,i]:=
Series7.XValue[i];.Sheets[0].AsFloat[5,i]:= Series7.YValue[i];.Sheets[0].AsFloat[6,i]:=
Series8.XValue[i];.Sheets[0].AsFloat[7,i]:=
Series8.YValue[i];.Sheets[0].AsFloat[8,i]:=
Series9.XValue[i];.Sheets[0].AsFloat[9,i]:=
Series9.YValue[i];;.Write;;TForm1.XLSCreate;i,j,t:
integer;;.Sheets[0].ClearCells;.Filename:= SaveDialog1.FileName+'.xls';.Sheets[0].AsString[0,0]:=
'd1';.Sheets[0].AsString[1,0]:= 'd1';.Sheets[0].AsString[2,0]:=
'dñð';
XLSTable.Sheets[0].AsString[3,0]:=
'N';
XLSTable.Sheets[0].AsString[4,0]:=
'N*dñð/(d1-d2)';
for
i:= 0 to HistCount -1 do.Sheets[0].AsFloat[0,i+1]:=
(sqrt(Threshold)+i*TempCount)*2;.Sheets[0].AsFloat[1,i+1]:=
(sqrt(Threshold)+(i+1)*TempCount)*2;.Sheets[0].AsFloat[2,i+1]:=
(sqrt(Threshold)+(i+0.5)*TempCount)*2 ;:= 0;j:= 0 to CountOfParts -1 do:=
t+TempHist[j,i];.Sheets[0].AsFloat[3,i+1]:= t;.Sheets[0].AsFloat[4,i+1]:=
t*0.5*(sqrt(Threshold)+(i+0.5)*TempCount)*2/TempCount;;
XLSTable.Write;
end;
Чтение
настроек из ini- файла:
procedure
TForm1.ReadIni;: TIniFile;: string[200];
GetDir(0,
sPath); { òåêóùèé
êàòàëîã }
sIniFile
:= TIniFile.Create(sPath + '\Config.INI');
//Ïàðàìåòðû
îêíà
form1.top
:= sIniFile.ReadInteger('Form1', 'form1.Top', form1.top);.left :=
sIniFile.ReadInteger('Form1', 'form1.left', form1.left);.Width:=
sIniFile.ReadInteger('Form1','Form1.Width',Form1.Width);.Height:=
sIniFile.ReadInteger('Form1','Form1.Height',Form1.Height);
//Ïàðàìåòðû
ôàéëà
Frequency:=
SIniFile.ReadInteger('Data','frequency',100000);:=
SIniFile.ReadInteger('Data','AveCount',10);:=
SIniFile.ReadInteger('Data','Part',10000);:=
SIniFile.ReadInteger('Data','SizeOfPart',100000);:=
SIniFile.ReadInteger('Data','grf',5);:=
SIniFile.ReadInteger('Data','Threshold',10);:=
SIniFile.ReadInteger('Data','HistInt',1);:=
SIniFile.ReadInteger('Data','HistCount',20);.Free;
end;
Запись
настроек в ini-файл при закрытии:
procedure
TForm1.WriteIni;: TIniFile;: string[200];(0, sPath); { текущий
каталог
}:= TIniFile.Create(sPath + '\Config.INI');
//параметры
окна.WriteInteger('Form1',
'form1.Top', form1.top);.WriteInteger('Form1', 'form1.left', form1.left);.WriteInteger('Form1','Form1.Width',Form1.Width);.WriteInteger('Form1','Form1.Height',Form1.Height);
//ïàðàìåòðû
äàííûõ
SIniFile.WriteInteger('Data','Frequency',Frequency);.WriteInteger('Data','AveCount',AveCount);.WriteInteger('Data','Part',Part);.WriteInteger('Data','SizeOfPart',SizeOfPart);.WriteInteger('Data','grf',grf);.WriteInteger('Data','Threshold',Threshold);.WriteInteger('Data','HistInt',HistInt);.WriteInteger('Data','HistCount',HistCount);
//êîíåö
çàïèñè
sIniFile.Free;;
Вывод
временного распределения количества частиц- подсчитывается количество частиц за
каждую реализацию:
procedure
TForm1.Button4Click(Sender: TObject);i,j,k,t:
integer;.Clear;.Clear;.Clear;.Clear;
//series1.LegendToValueIndex(1);i:=
0 to countofparts-1 do:= 0;j:= 0 to 24 do:= t+
ArrayOfHists[i].hist[j];.AddXY(i*SizeOfPart/strtoint(edit2.Text),t*strtoint(edit3.Text),'<50'+'
*'+edit3.Text);:= 0;j:= 0 to 24 do:= t+
ArrayOfHists[i].hist[j+25];.AddXY(i*SizeOfPart/strtoint(edit2.Text),t*strtoint(edit4.Text),'50-100'+'
*'+edit4.Text);:= 0;j:= 0 to 24 do:= t+
ArrayOfHists[i].hist[j+50];.AddXY(i*SizeOfPart/strtoint(edit2.Text),t*strtoint(edit5.Text),'100-150'+'
*'+edit5.Text);:= 0;j:= 0 to 24 do:= t+
ArrayOfHists[i].hist[j+75];.AddXY(i*SizeOfPart/strtoint(edit2.Text),t*strtoint(edit6.Text),'150-200'+'
*'+edit6.Text);;
end;
Сохранение
результатов обработки:
procedure
TForm1.Button5Click(Sender: TObject);i,j: integer;: textfile;: file of
Histogram;: string;.FileName:=
copy(OpenDialog1.FileName,0,length(OpenDialog1.FileName)-4);SaveDialog1.Execute
then.Text:= inttostr(SaveDialog1.FilterIndex);SaveDialog1.FilterIndex = 1
then(f,SaveDialog1.FileName+SaveDialog1.Filter);(f);
//WriteLn(f,'Äàííûå
èç ôàéëà
'+copy(ExtractFileName(f),1,Length(ExtractFileName(f)-ExtractFileExt(f));
//WriteLn(f,DateTimeToStr(FileDateToDateTime(FileGetDate(FileOfData))););eLn(f,'äëèíà
îäíîé
ðåàëèçàöèè:'
+floattostr(SizeOfPart/strtoint(edit2.text))+
'ñåê.');
WriteLn(f,'');
WriteLn(f,'êîëè÷åñòâî
ðåàëèçàöèé'+
inttostr(CountOfParts));
for
i:= 0 to CountOfParts-1 doj:= 0 to 99
do(f,FloattoStr(ArrayOfHists[i].hist[j]));(f);;SaveDialog1.FilterIndex = 2
then(Hist,SaveDialog1.FileName+ '.hst');(Hist);i:= 0 to CountOfParts-1 do(Hist,
ArrayOfHists[i]);(Hist);;SaveDialog1.FilterIndex = 3
then;SaveDialog1.FilterIndex = 4 then;;;TForm1.Button6Click(Sender: TObject);
//chart1.PrintProportional:=
true;PrintDialog1.Execute then chart1.PrintLandscape;;
Обработка
событий интерфейса программы:
procedure
TForm1.FormCreate(Sender: TObject);: file of smallint;: smallint;: integer;:=
false;:= 0;:= 0;:= 0;(ArrayOfData,0);(AverageArray,0);;(ArrayOfHists,100 {div
HistInt});(TempHist,HistCount);
//Panel1.Top:=
1;
//Panel1.Left:=
Form1.Width-panel1.Width-1;;TForm1.Button1Click(Sender: TObject);i:
integer;FileStatus then(FileOfData);.Clear;.Clear;.Clear;.Clear;.Clear;OpenDialog1.Execute
thenopendialog1.FilterIndex = 1 then;FileStatus then.Text:=
inttostr(FileSize(FileOfData) div SizeOfPart) ;;;
//For
i:= 0 to CountOfData-1 do series2.Add(AverageArray[i]);;opendialog1.FilterIndex
= 2 then OpenTheHist;;.Click;;;TForm1.FormCloseQuery(Sender: TObject; var
CanClose: Boolean);;FileStatus then
CloseFile(FileOfData);;TForm1.Button2Click(Sender: TObject);i,j,t1,t2,t1i,t2i:
integer;
{t1:=
ArrayOfImpulses[0,0];:= ArrayOfImpulses[1,0];i:= 0;i:= 0;}i:= 0 to
CountOfImpulses-1 doi:= i;:= ArrayOfImpulses[0,i];j:= i+1 to CountOfImpulses-1
do if t1>ArrayOfImpulses[0,j] theni:= j;:= ArrayOfImpulses[0,j];;[0,t1i]:=
ArrayOfImpulses[0,i];[0,i]:= t1;;;TForm1.ScrollBar1Change(Sender: TObject);i:
integer;.Clear;CheckBox3.Checked then;i:= 0 to HistCount-1
do.AddXY(sqrt(Threshold)*2+i*TempCount*2,TempHist[ScrollBar1.P,i]*exp(strtofloat(edit7.text)*ln(sqrt(Threshold)*2+i*TempCount*2)));elsei:=
1 to 99 do.AddXY(i*2,ArrayOfHists[ScrollBar1.Position].hist[i]*exp(strtofloat(edit7.text)*ln(i)));;
{procedure
TForm1.CheckBox3Click(Sender: TObject);.Active:=
checkbox3.Checked;;TForm1.CheckBox4Click(Sender: TObject);.Active:=
Checkbox4.Checked;;}TForm1.Button3Click(Sender: TObject);i, j, t:
integer;.Clear;CheckBox3.Checked then;i:= 0 to HistCount-1 do:= 0;j:= 0 to
CountOfParts -1 do:=
t+TempHist[j,i];.AddXY((sqrt(Threshold)+i*TempCount),t*exp(strtofloat(edit7.text)*ln(sqrt(Threshold)*2+i*TempCount*2)));;elsei:=
1 to 99 do:= 0;j:= 0 to CountOfParts -1 do:= t+ArrayOfHists[j].hist[i];.AddXY(i*2,t*exp(strtofloat(edit7.text)*ln(i)));;
end;TForm1.FormMouseWheelDown(Sender: TObject; Shift: TShiftState;
MousePos:
TPoint; var Handled:
Boolean);.ZoomPercent(chart1.View3DOptions.Zoom+5);;TForm1.FormMouseWheelUp(Sender:
TObject; Shift: TShiftState;
MousePos:
TPoint; var Handled:
Boolean);.ZoomPercent(chart1.View3DOptions.Zoom-5);;TForm1.CheckBox1Click(Sender:
TObject);.UndoZoom;.Axes.Bottom.Logarithmic:=
CheckBox1.Checked;.Refresh;;TForm1.CheckBox2Click(Sender:
TObject);.UndoZoom;.Axes.Left.Logarithmic:=
CheckBox2.Checked;.Refresh;;TForm1.Button7Click(Sender: TObject);;;.
4.2 Результаты
измерений
Определение
реального диаметра капель проводилось следующим образом. В шприц с иглами,
разных диаметров набиралась вода и проводились измерения количества, упавших
капель за 10 минут, с помощью разработанного счетчика. Вода собиралась в
нормировочный стакан, с помощью, которого мерялся объем воды, исходя из чего,
определялся средний диаметр капли.
Рисунок
3.2.1. Распределение по размерам капель. Длительность 1 минута.
Рисунок
3.2.2. Распределение по размерам капель. Длительность 1 минута.
Рисунок
3.2.2. Распределение по размерам капель. Длительность 1 минута.
Рисунок 3.2.3. Распределение по размерам капель. Длительность 1
минута.
4. Безопасность
жизнедеятельности
4.1 Анализ опасных
и вредных факторов, возникающих при эксплуатации лазерного измерителя
параметров дождевых капель
При
эксплуатации прибора возникают следующие опасные и вредные факторы по ГОСТ
12.0.003.-74* [10]:
-Опасность
поражения электрическим током.
Питание
прибора осуществляется от сети переменного тока напряжением 220 В и f=50 Гц.
Из-за чего возникает опасный уровень напряжения в электрической цепи, замыкание
которой может произойти через тело человека. Опасность поражения электрическим
током возникает при: контакте человека с поврежденным участком кабеля питания,
при пробое высокого напряжения на корпус прибора или компьютера. Поражение
электрическим током возможно при прикосновении разработчика к двум точкам цепи
находящимися под напряжением. Опасность такого прикосновения, оцениваемая
значением тока, проходящего через тело разработчика, или напряжением прикосновения,
зависит от схемы включения человека в цепь, напряжения сети, схемы сети. По
степени опасности поражения электрическим током помещение является малоопасным
по ПУЭ-98 [11].
-Недостаточная
освещенность рабочей зоны
Недостаточная
освещенность рабочей зоны обусловлена: недостаточной мощностью осветительных
приборов; недостаточным количеством осветительных приборов. Недостаточная
освещенность приводит к повышенной утомляемости человека, проводящего измерения
на установке, что снижает работоспособность.
-Несоответствие
параметров рабочего места требованиям эргономики.
При
работе с прибором, эргономика пользователя имеет важное значения, т.к. при
несоответствии рабочего места требованиям эргономики, возникают проблемы с
правильной эксплуатацией прибора, а так же появляется физический дискомфорт
пользователя.
-Повышенный
уровень лазерного излучения
Степень
воздействия лазерного излучения на оператора зависит от физических и
технических лазерных характеристик: длительности и периодичности импульсов,
энергии излучения, времени облучения, длины волны, площади облучаемой
поверхности. Биологический эффект лазерного облучения зависит как от вида
воздействия излучения на ткани организма, так и от биологических и
физико-технических особенностей самих тканей и органов. Лазерное излучение с
длиной волны видимой области спектра наиболее опасно для сетчатки глаза.
Повреждение кожи может быть вызвано лазерным излучением любого спектра. ПДУ
лазерного излучения устанавливаются для двух условий облучения: однократного и хронического.
Энергетическая экспозиция Н и облученность Е, усредненные по ограничивающей
апертуре являются нормируемыми параметрами лазерного излучения.
Для
определения предельно допустимых уровней Нпду и Епду при
воздействии лазерного излучения на кожу усреднение производится по
ограничивающей апертуре диаметром 1,1·103 м (площадь апертуры Sа=106
м2).
Определение
предельно допустимых уровней Нпду при воздействии на глаза лазерного
излучения в видимом диапазоне усреднение производится по апертуре диаметром
7·10-3 м.
Наряду
с энергетической экспозицией и облученностью нормируемыми параметрами являются
также энергия W и мощность Р
излучения, прошедшего через ограничивающие апертуры.
При
оценке воздействия на глаза лазерного излучения в диапазоне II
нормирование
энергии и мощности лазерного излучения, прошедшего через ограничивающую
апертуру диаметром 7·10-3 м, является первостепенным.
Указанные
выше энергетические параметры связаны соотношениями по СН 5804-91[12]:
,(4.1)
где
-
энергия излучения, прошедшего через ограничивающую апертуру
,
Дж
,(4.2)
где
-
мощность излучения, прошедшего через ограничивающую апертуру
,
Вт
Соотношения
для определения классов лазеров по степени опасности генерируемого излучения по
СН 5804-91 (Таблица 4.1)
Таблица
4.1 Класс лазера по степени опасности генерируемого излучения
|
Спектральный
Интервал, нм
|
Класс
опасности
|
Режим
генерации излучения
|
|
|
Непрерывное
излучение
|
|
1
|
2
|
3
|
|
600<λ≤750
|
I
|
P(t)≤PПДУ(t),
если dП≤7 мм
|
|
II
|
P(t)≤8·102·РПДУ(t)
|
|
III
|
P(t)≤ПИ·104
·PПДУ(t)
|
|
IV
|
P(t)>ПИ·104·РПДУ(t)
|
Продолжительность
воздействия непрерывного излучения в диапазоне 600<λ≤750
нм
принимается равной 0,25 с (время мигательного рефлекса);
Соотношения
для определения РПДУ при однократном воздействии на глаза
параллельного лазерного излучения в спектральном диапазоне 600<λ≤750
нм
при продолжительности облучения t>104
с и ограничивающей апертуре - 7·10-3 м:
РПДУ
= 2,0·10-6 Вт
Таким
образом, согласно таблице 3.2, лазер относится ко II
классу, т.к выполняется условие P(t)≤8·102·РПДУ(t):
20·10-6 ≤1600·10-6
Лазеры
II класса - это
лазеры, выходное излучение которых представляет опасность при облучении кожи
или глаз человека параллельным пучком, диффузно отраженное излучение безопасно
для кожи и для глаз.
Предельно
допустимый уровень облученности при однократном воздействии на глаза найдем по
формуле (3.4)
Для
нахождения предельно допустимого уровня энергии PПДУ
параллельного или рассеянного лазерного излучения при хроническом воздействии
на глаза необходимо уменьшить в 10 раз соответствующее предельное значение для
однократного воздействия. Предельно допустимый уровень энергии излучения в
данном случае PПДУ
= 2,0·10-7 Вт
Предельно
допустимый уровень облученности при хроническом воздействии на глаза:
Определим
WПДУ
при однократном воздействии на глаза параллельного лазерного излучения в
спектральном диапазоне 600<λ≤750 нм
при продолжительности воздействия менее 1 с и ограничивающей апертуре
7·10-3м,
используя следующую формулу:
(4.3)
Предельно
допустимый уровень энергетической экспозиции при однократном воздействии на
глаза найдем по формуле (4.3)
Для
нахождения предельно допустимого уровня энергии WПДУ
параллельного или рассеянного лазерного излучения при хроническом воздействии
на глаза необходимо уменьшить в 10 раз соответствующее предельное значение для
однократного воздействия. Предельно допустимый уровень энергии излучения в
данном случае WПДУ
= 4,8·10-6 Дж.

Таблица
4.2 Опасные и вредные производственные факторы для лазеров II
класса
|
Класс
лазера (лазерной установки)
|
|
II
|
|
Лазерное
излучение: прямое, зеркально отраженное Повышенное напряжение электропитания
|
+
+
|
При
юстировке прибора оператор имеет дело с диффузно отраженным излучением. Если
источником неколлимированного (рассеянного или диффузно отраженного) излучения
является протяженный объект, предельно допустимые значения энергии
и
мощности
зависят
от видимого углового размера a этого источника. Пучок
лазерного излучения сужается оптической системой до диаметра dп
= 2 · 10-2 м. Поток излучения направлен перпендикулярно плоской
диффузно отражающей поверхности. Точка наблюдения расположена на прямой,
проходящей через центр облучаемой площадки под углом q
= 30°. Расстояние от поверхности до точки наблюдения l
= 0,5 м. Значения
и
в
этом случае находятся умножением значений Wпду
и Рпду для коллимированного излучения на поправочный
коэффициент B:
;
(4.4)
;
(4.5)
Коэффициент
B
находится
по формуле:
;
(4.6)
где
a
- угловой размер протяженного источника; Угловой размер источника диффузионного
излучения a рассчитывается по формуле:
;(4.7)
где
-
диаметр пучка;
- угол между осью
визирования и нормалью к отражающей поверхности; l
- расстояние от поверхности до точки наблюдения.
Отсюда
для диффузно отраженного излучения при однократном воздействии на глаза:
Вт
При
хроническом воздействии на глаза:
Вт
Использование
ЛОЗ позволяет обезопасить обслуживающий персонал и лиц, не связанных с
эксплуатацией лазерной установки, а также избежать больших ограничений,
затрудняющих работу с установкой.
Расчет
длины лазеро-опасной зоны для диффузно отраженного излучения.
Длина
лазеро-опасной зоны при однократном воздействии на глаза определяется по
формуле:
,(4.8)
где
-
удельный коэффициент отражения,
=0,65
Длина
лазеро-опасной зоны при хроническом воздействии на глаза:
Чрезвычайные
ситуации.
-Возникновение
чрезвычайной ситуации пожароопасность[13].
При
эксплуатации прибора, могут возникнуть пожары из-за: перегрева элементов,
короткого замыкания в электрической схеме или воспламенения вследствие
перегрузки. Такая опасность возникает из-за радиодеталей в электрических схемах
прибора, а также из-за печатных плат, выполненных из фольгированной
стеклотекстолиты на основе эпоксидных смол, которые могут возгораться от сильно
перегретых радиодеталей. Категория помещения по степени пожароопасности
определяется по удельной пожарной нагрузке по формуле (4.9)[14]:
,
(4.9)
где
-
пожарная нагрузка, МДж;
- количество i-го
материала в пожарной нагрузке, кг;
-
низшая теплота сгорания i-го
материала в пожарной нагрузке, МДж/кг.
Таблица
4.3 Виды пожароопасных материалов, имеющихся в помещении
|
Материал
|
( )
|
( )
|
|
ДСП
|
40
|
16.6
|
|
Шторы
|
5
|
15.7
|
|
Линолеум
|
50
|
33.5
|
Исходя
из таблицы (3.3), пожарная нагрузка составляет по формуле (3.9)
Удельную
пожарную нагрузку определим по формуле (3.10)
,(3.10)
где
-
площадь размещения пожарной нагрузки,
По
степени пожароопасности помещение относится к категории В4, т.к по
НПБ 105-03 для В4 удельная пожарная нагрузка укладывается в диапазон от 1
до 180
.
4.2 Разработка мер
безопасности при эксплуатации лазерного измерителя
4.2.1 Обеспечение
электробезопасности разработчика
Для
того, чтобы обеспечить недоступность токопроводящих частей прибора для
случайного прикосновения, все основные части прибора не имеют открытых
токопроводящих деталей и выполнены в виде полностью закрытых узлов в корпусах с
надежной изоляцией.
4.2.2
Санитарно-гигиеническая характеристика лаборатории
Для
оператора площадь одного рабочего места составляет 4,5 м2, а объем
15 м3, внутренняя отделка интерьера состоит из диффузно-отражающих
материалов с коэффициентом отражения для потолка - 0,7; для пола - 0,5.
Поверхность пола ровная, без выбоин, нескользкая, удобная для чистки и для
влажной уборки, обладает антистатическими свойствами. Цветовое оформление
помещения направлено на улучшение санитарно-гигиенических условий труда,
повышение его производительности и безопасности. Окраска помещений влияет на
нервную систему человека, его настроение и в конечном счете на
производительность труда. Основные производственные помещения окрашиваются в
соответствии с цветом технических средств.
Естественное
освещение осуществляется через светопроемы, ориентированные преимущественно на
север и северо-восток и обеспечивает коэффициент естественного освещения (КЕО)
1,5%. Искусственное осуществляется системой общего равномерного освещения.
Нормы для искусственного освещения составляют: Освещенность - 500 лк.;
Показатель дискомфорта (М) - не более 40; Коэффициент пульсации освещенности (КП)
- не более 10% по СНиП 23-05-95.[15]
Прямая
блесткость от источников освещения ограничивается светильниками, при этом
яркость светящихся поверхностей (окна, светильники и др.), находящихся в поле
зрения, не превышают 200 кд/м2. Ограничивается неравномерность
распределения яркости, при этом соотношение яркости между рабочими
поверхностями находится в пределах 3:1 - 5:1, а между рабочими поверхностями и
поверхностями стен и оборудования 10:1.
Для
создания равномерной освещенности рабочих мест при рабочем освещении
светильники встраиваются непосредственно в потолок помещения и располагаются в
равномерно прямоугольном порядке. Работу с указанной системой по энергозатратам
можно отнести к категории легкая - 1а. Система кондиционирования обеспечивает
для этой категории работ нормы микроклимата по СанПин 2.2.4.548-96.
Оптимальными нормами для холодного периода года являются: температура воздуха
22-24ºС;
относительная влажность воздуха 40-60%; скорость движения воздуха не более 0,1
м/с.
Оптимальными
нормами для теплого периода года являются: температура воздуха 23-25ºС;
относительная влажность воздуха 40-60%; скорость движения воздуха не более 0,1
м/с.[16]
Для
I категории работ в
соответствии с СанПин 2.2.2/2.4 1340-2003[17] при 8-ми часовой рабочей смене
суммарное время регламентированных перерывов составляет 50 минут. При 8-ми
часовой рабочей смене регламентированные перерывы устанавливаются для I
категории работ через 2 часа от начала рабочей смены и через 2 часа после
обеденного перерыва продолжительностью 15 минут каждый.
При
работе, с интервалом в 25 минут выполняется комплекс упражнений для глаз,
который служит профилактикой зрительного утомления. Во время регламентированных
перерывов, с целью снижения нервной и эмоционального напряжения, устранение
влияния гиподинамии и гипокинезии, предотвращения развития познотонического
утомления следует выполнять комплексы упражнений. При эксплуатации прибора,
соблюдается следующий режим труда и отдыха: работа 20-25 минут, а потом
5-минутный перерыв с упражнениями для плеч, глаз и кистей рук.
4.2.3 Организация
рабочего места оператора
Оператор
выполняет работу в двух положениях: стоя и сидя в соответсвии с требованиями
ГОСТ 12.2.032-93[18] и ГОСТ 12.2.033-78[19]. Рабочее место организуется для
обеспечения оператору физически рациональной позы, а также при работе сидя
возможности свободно вставать и передвигаться около стола, на котором
расположен прибор (Рисунок 4.1). Комфортабельным рабочим местом должно быть
такое, которое можно приспособить не менее чем для двух позиций, при этом
положение кресла, прибора и периферийных устройств должны каждый раз
соответствовать выполняемой работе и привычкам (Рисунок 4.2)
Рисунок
4.1 Схема организации рабочего места оператора
Рисунок
4.2 Схема расположения технических средств на рабочем месте при постоянной
работе
Оптимальным
положением для работающего будет рабочее место, в котором рабочее пространство
рабочего места будет на высоте 750 мм. над полом. Расстояние между высотой
рабочей поверхности и креслом оператора составляют 280 мм, а высотой стула
составляет 470 мм. Рабочий стол имеет пространство для ног высотой 600 мм,
шириной -500 мм, глубиной на уровне колен - 450 мм и на уровне вытянутых ног
-650 мм.
Важной
частью рабочего места в положении сидя является стул, который обеспечивает
пользователю наиболее удобную рабочую позу, соответствующую характеру и
условиям труда. Стул используется подъемно-поворотный, регулируемый по высоте и
углам наклона сиденья и спинки, а также расстоянию спинки от переднего края
сиденья, при этом регулировка каждого параметра независимая, легко
осуществляется и имеет надежную фиксацию. Стул имеет полумягкую, с
нескользящим, слабо электризующимся и воздухопроницаемым покрытием,
обеспечивающим легкую чистку от загрязнений поверхность сиденья, спинки и
других элементов.
Рабочий
стул имеет ширину и глубину поверхности сиденья 400 мм; поверхность самого
сиденья с закругленным передним краем; регулировка высоты поверхности сиденья
осуществляется в пределах 400 - 550 мм и углам наклона вперед до 15 град. и
назад до 5 град.; высота опорной поверхности спинки регулируется в диапазоне
300 +/- 20 мм, ширина составляет 380 мм и радиус кривизны горизонтальной
плоскости - 400 мм; угол наклона спинки в вертикальной плоскости регулируется в
пределах +/- 30 градусов; регулировка расстояния спинки от переднего края
сиденья можно регулировать в пределах 260 - 400 мм; стационарные или съемные
подлокотники длиной 250 мм и шириной - 50 мм; регулировка подлокотников по
высоте над сиденьем можно изменять пределах 230 +/- 30 мм и внутреннего
расстояния между подлокотниками в пределах 350 - 500 мм.
4.2.4 Меры
безопасности при эксплуатации лазера
Конструкция
лазерных изделий обеспечивает защиту персонала от лазерного излучения и других
опасных и вредных производственных факторов. Лазер имеет защитный корпус
(кожух). Защитный корпус (кожух) или его части, снимаемые при техническом
обслуживании и открывающие доступ к лазерному излучению и высокому напряжению в
цепях электропитания, снабдим защитной блокировкой. Все оптические системы
наблюдения (окуляры, смотровые окна, экраны) обеспечивают снижение энергии
(мощности) проходящего через них излучения до предельно допустимых уровней.
Линзы
и делители пучков жестко закреплены для предотвращения случайных зеркальных
отражений излучения лазерных изделий II
класса в рабочую зону [20].
4.2.6 Меры по
обеспечению пожарной безопасности
В
данной установке используются игольчатые радиаторы и теплопроводящая паста КПТ
- 8, а также в корпусе прибора имеются отверстия и пазы для естественного
воздушного охлаждения.
Это
служит для предотвращения загорания электромонтажной платы и всего прибора в
целом от перегрева радиодеталей.
В
качестве защиты от короткого замыкания используются плавкий предохранитель.
Т.к.
потребляемый ток прибора не превосходит 5А, в приборе используем предохранители
на 15А, т.е. с запасом в 2,5 раза.
Согласно
требованиям НПБ 105-2003, помещение снабжается первичными средствами
пожаротушения и пожарной сигнализацией. Устанавливается в специальных
держателях самосрабатывающий огнетушитель типа ОСП - 1, предназначенный для
тушения пожаров в небольших помещениях без участия человека.
Огнетушитель
устанавливается над возможным очагом загорания на высоте от 0,1 до 2,6 м в
зависимости от особенностей защищаемого объекта.
4.3 Эксплуатация
прибора в системе экологического мониторинга
Разрабатываемый
прибор может использоваться в различных областях науки и техники, в частности в
области экологического мониторинга, схема которого приведена на рисунке 3.3.
Рисунок
4.3. Схема экологического мониторинга
Экологический
мониторинг, согласно Федеральному закону РФ об экологическом мониторинге,
представляет собой информационную систему для наблюдения и прогнозов измерений
в окружающей среде для выделения антропогенной составляющей на фоне природных
процессов. Основные цели экологического мониторинга состоят в обеспечении
системы управления природоохранной деятельности и экологической безопасности
своевременной и достоверной информацией, позволяющей:
оценить
показатели состояния и функциональной целостности экосистем и среды обитания
человека;
выявить
причины изменения этих показателей и оценить последствия таких изменений, а
также определить корректирующие меры в тех случаях, когда целевые показатели
экологических условий не достигаются;
создать
предпосылки для определения мер по исправлению возникающих негативных ситуаций
до того, как будет нанесен ущерб.
Исходя
из этих трех основных целей экологический мониторинг должен быть ориентирован
на ряд показателей: соблюдения диагностики и раннего предупреждения.[21]
Кроме
приведенных выше основных целей экологический мониторинг может быть
ориентирован на достижение специальных программных целей, связанных с
обеспечением необходимой информацией организационных и других мер по выполнению
конкретных природоохранных мероприятий, проектов, международных соглашений и
обязательств государств в соответствующих областях.
Основные
задачи экологического мониторинга:
1. наблюдение
за источниками антропогенного воздействия;
2. наблюдение
за факторами антропогенного воздействия;
3. наблюдение
за состоянием природной среды и происходящими в ней процессами под влиянием
факторов антропогенного воздействия;
. оценка
фактического состояния природной среды;
. прогноз
изменения состояния природной среды под влиянием факторов антропогенного
воздействия и оценка прогнозируемого состояния природной среды.
С
помощью прибора можно следить за важной оценкой экологического мониторинга -
оценкой фактического состояния природной среды.
Измеритель
параметров дождевых капель - устройство, предназначенное для определения типа и
распределения по размерам частиц осадков. Основное практическое применение
такой прибор находит в области метеорологии и погодных исследований. Таким
образом разрабатываемый прибор войдет в комплекс измерительных средств по
экологическому мониторингу, что позволит увеличить точность экологических
прогнозов.
5.
ОРГАНИЗАЦИОННО-ЭКОНОМИЧЕСКИЙ РАЗДЕЛ
5. 1 Актуальность темы и постановка исследования
-Актуальность темы.
Определение
типа осадков, их интенсивности и структуры, является важной задачей метеорологии.
Современная метеорологическая станция не обходится без приборов, обеспечивающих
получение точной и оперативной информации об осадках. В международной практике
такие устройства принято называть дисдрометрами. Актуальность
данной дипломной работы обусловлена прежде всего тем, что несмотря на широкий
ассортимент приборов, пока не существует дешевых и одновременно эффективных
методов решения поставленных задач. Поэтому исследования в данной области так
востребованы на сегодняшний день. Ниже рассмотрены методы работы существующих
приборов, их плюсы и минусы. Существует три метода работы
дисдрометров: контактные, радиолокационные и оптические.
Контактные
методы.
Задача
определения размеров падающих капель решалась многими зарубежными и
отечественными исследователями. Одними из первых стали появляться ударные
измерители микроструктуры осадков. В основе работы устройств данного типа лежит
принцип измерения размера частицы при непосредственном контакте с твердой
чувствительной поверхностью - например, зонд Стаббса. Такой
прибор может быть использован в лаборатории и в ряде других применений, где
необходимо производить одиночные измерения, поскольку осуществление
многократных длительных выборок затруднительно в связи с тем, что погрешность
растет пропорционально длине выборки. Это связано с накоплением паразитного
заряда на наконечнике чувствительного элемента. Также устройства, предложенные
Стаббсом, относительно сложны и требуют использования и высокого напряжения.
Применимость таких устройств ограничена тем, что точно измерены и обнаружены,
могут быть только полностью разряженные частицы, что далеко не выполняется на
практике, ведь при падении через атмосферу дождевые капли приобретают
статистический заряд.
Известным
примером устройства контактного типа является цифровой дисдрометр со
струнным датчиком, представленным Денисом П. Доннели, в США в 1984 г. В
отличие от зонда Стаббса, данный прибор обладает преимуществом прямого
измерения, прост по конструкции и относительно недорог для производства. Но
основным минусом является контактный тип измерения, что налагает ряд
ограничений при эксплуатации прибора.
Уже
в последнее время в метеорологических лабораториях всего мира очень широкое
распространение получили дисдрометры ударного типа с электромагнитным
датчиком Определение размера капель в таких измерителях производится в
момент удара падающей капли воды о горизонтальную контактную поверхность.
Диапазон
измеряемых диаметров капель - 0,3-0,5 мм. При этом производители обещают
абсолютную погрешность измерений не более 5%. Данный прибор привлекает своей
компактностью, особенно это замечание касается внешнего блока (датчика), а
также возможностью измерений при относительно большом удалении датчика от блока
процессора и компьютера (порядка нескольких сот метров).
Однако,
применение данного класса приборов сильно ограничивается невозможностью
измерения твердых осадков, снега и града, а также капель обычного дождя,
диаметр которых колеблется в диапазоне от 1мм до 6 мм.
Радиолокационные
методы дистанционного измерения интенсивности осадков. Доплеровские
метеорологические станции.
Задача
восстановления микроструктуры осадков существует в области радиолокационной
метеорологии уже достаточно давно. Для ее решения используются непрерывные доплеровские
метеорологические станции. наиболее широко известным и применяемым на
сегодняшний день можно считать микрорадар марки MRR
- 2 фирмы METEK. Принцип
измерения основан на соотношении между размером частиц осадков и скоростью их
падения. Т.к. приборы данного типа усредняют результаты, за счет монотонности
дождя, то это невыгодно для оперативного получения результатов и
свидетельствует об ограничении данного типа установок по характеристике
разрешающей способности определения микроструктуры осадков во времени.
Оптические
методы дистанционного определения микроструктуры осадков.
Оптические
дисдрометры.
Оптические
методы относятся к бесконтактным дистанционным методам определения
микроструктуры осадков. На основе данных методов создан наиболее широкий спектр
метеорологического оборудования по контролю над осадками. Все они представляют
собой 3 класса приборов, основанных на различных принципах измерения:
· оптические
системы видеонаблюдения;
· оптические
дисдрометры затенения;
· оптические
измерители комбинированного типа.
Первый
тип устройств основан на применении системы видеодатчиков для регистрации
падающих капель 2D
- VIDEO
- дисдрометр. Данный прибор был разработан в
исследовательском центре JOANNEUM
RESEARCH. Принцип действия
2D - Video
дисдрометра заключается в съемке капли в момент ее пролета через измерительную
площадку Основное преимущество 2D
- Video дисдрометров
заключается в возможности получать фотоснимки падающих частиц осадков, т.е.
рассматриваются все детали их мгновенной формы, такие, какие они есть в
реальных условиях. Однако использование видеокамер влечет за собой ряд
существенных недостатков. Во - первых, очень высокая стоимость оборудования. Во
- вторых, поскольку принцип действия рассмотрен в обработке видеоизображений, в
этом случае точность измерений микроструктуры осадков напрямую зависит от
разрешающей способности видеокамеры, для 2D
- Video дисдрометра эта
величина разрешения по горизонтали и вертикали порядка 0,3 мм, что нельзя
отнести к высокому показателю в системах максимального измерения
микроструктуры.
К
следующему типу оптических измерителей микроструктуры осадков относятся
приборы, работающие по принципу затенения. В большинстве своем
это устройства, работающие на основе применения лазерного источника света
(например, лазерного диода λ=780 нм).
Принцип измерения таких устройств заключается в следующем. Лазерный диод
формирует луч, представляющий собой параллельный пучок света рис 6, поступающий
напрямую на фотодиод. Частица, падающая через такой луч, вызывает его частичное
затенение, при этом изменяется величина потока света, приходящего на приемник.
Это изменение регистрируется фотодиодом и преобразуется в электрический
импульс, амплитуда которого фиксируется, и переводится в цифровой код в схеме
обработки сигнала. Особенностью лазерных дисдрометров является то, что толщина
луча (в данном случае h
= 0,75 мм) намного меньше диаметров частиц, поэтому значение выходного
измеряемого сигнала будет пропорционально горизонтальному диаметру частицы в
момент ее пролета через луч. Это свойство довольно невыгодно сказывается на
общей погрешности измерений, поскольку при регистрации осциллирующих капель в
момент их пролета через луч величина горизонтального сечения капель может
изменяться на величину до 20%, при фиксированном эффективном диаметре, что
является прямым вкладом в погрешность измерений. С технической точки зрения,
применение тонкого лазерного луча влечет за собой повышение частоты модуляции
сигнала (до 175 МГц), и использовать диод в режиме работы близком к пиковому.
Это довольно невыгодно, увеличивается влияние температуры, и приводит к
применению более дорогостоящих компонентов.
- Постановка исследования.
В
рамках дипломной работы предполагается создать лазерный измеритель параметров
капель. Разрабатываемый прибор позволит измерять диаметры капель от 1мм до 6
мм, что является стандартным диаметром капель для дождей в умеренной полосе.
Параметры лазерного дальномера:
· в
качестве излучателя применяется полупроводниковый лазер
· длина
волны излучения - 0,65 мкм;
· мощность
импульса - 20 мВт;
Применение
в качестве измерителя полупроводникового лазера позволяет снизить стоимость
прибора.
Приемная
часть в силу прямого измерения и благодаря обработке результатов на
персональном компьютере значительно упрощается и ее стоимость так же снижается.
5.2 Расчет экономических
затрат
-
Расчет затрат на покупные изделия
Затраты
на покупные изделия определяются по формуле:
ЗПИ=Q·Ц·К,(5.1)
где
З- затраты на покупные изделия, руб.;
Q-
количество покупных изделий, шт.;
Ц-
действующая в планируемом периоде цена на покупные изделия, руб.;
К-
коэффициент транспортно-изготовительных расходов, равный 10% от стоимости
покупных изделий, руб..
Расчет
затрат на покупные изделия представлены в таблице 5.1.
Таблица
5.1 Расчет затрат на покупные изделия
|
№
п/п
|
Наименование
|
Количество,шт.
|
Цена
руб./ед.
|
Сумма,
руб.
|
|
1
|
Канцелярские
принадлежности
|
общее
|
200
|
200,00
|
|
2
|
Бумага
(формата А4)
|
1
пачка
|
150,00
|
150,00
|
|
3
|
Бумага
формата А1)
|
9
листов
|
20
|
180
|
|
4
|
Картридж
для принтера
|
1
|
1500,00
|
1500,00
|
|
5
|
CD-RW
диск
|
1
|
20,00
|
20,00
|
|
6
|
Лазерный
диод
|
1
|
600
|
600
|
|
7
|
Фотодиод
|
1
|
270
|
270
|
|
Итого:
|
3125,00
|
|
Транспортные
расходы (10% от затрат на материалы)
|
312,5
|
|
Итого
с учетом транспортных расходов
|
|
3437,5
|
-Затраты
на заработную плату исполнителей
Заработная
плата основных исполнителей включает в себя основную и дополнительную
заработные платы всех работников, участвующих в разработке и реализации
технологического процесса сборки и юстировки.
-
Расчет основной заработной платы исполнителей
Основную
заработную плату можно рассчитать по формуле:
ЗП=F·t, (5.2)
где
ЗП- основная заработная плата исполнителей, руб,;
-Расчет
дополнительной заработной платы исполнителей
Дополнительная
заработная плата определяется в процентах от основной заработной платы. А так
же дополнительная заработная плата составляет 12% от основной заработной платы.
-Отчисления
на социальные нужды
Отчисления
на социальные нужды принемаются в процентном отношении от суммы основной и
дополнительной заработной платы и составляет 26%.
Расчет
затрат на заработную плату исполнителям приведен в таблице 5.2.
Таблица
5.2 Расчет затрат на заработную плату исполнителей с учетом начислений.
|
№
п/п
|
Наименование
должности исполнителей
|
Основная
заработная плата с начислениями, руб.
|
|
1
|
Руководитель
|
27500,00
|
|
2
|
студент
|
5000
|
|
Итого
основная заработная плата
|
32500
|
|
Дополнительная
заработная плата 12%
|
3900,00
|
|
Отчисления
на социальные нужды 26%
|
9464,00
|
-Затраты
на электроэнергию
Затраты
на электроэнергию рассчитывается по формуле:
Еэ=∑Ni·Tэi·Цэ,
(5.3)
где
Еэ- сумма затрат на электроэнергию, руб.;
Ni-
мощность оборудования, кВт;
Tэi-
время использования оборудования, ч.;
Цэ=
4 руб.- цена одного кВт-час/руб.
Расчет
затрат на электроэнергию приведен в таблице 5.3.
При
том количество израсходованной электроэнергии (кВт-ч) было определено только
для периода, в течение которого выполнялась дипломная работа.
-Затраты
связанные с работой оборудования (амортизация оборудования установки)
Затраты
на амортизацию оборудования определяется по формуле:
А=Ц·НА·Т/(100·12), (5.4)
где
Ц- цена оборудования, руб.;
НА-
годовая норма амортизации, составляет 13%;
Т-
время использования оборудования, мес.
Расчет
затрат на амортизацию оборудования приведен в таблице 5.4.
Таблица
5.3 Расчет затрат на электроэнергию
|
№
п/п
|
Наиме-нование
обору-дования
|
Мощность
электро- оборудования, кВт
|
Время
исполь-зования обору-дования, ч
|
Количество
электро-энергии, кВт-час
|
Цена
одного кВт-ч,руб
|
Сумма
затрат на электро-энергию, руб
|
|
1
|
Ноутбук
|
0,4
|
240,0
|
96
|
4
|
384,00
|
|
2
|
Принтер
|
0,1
|
10
|
1
|
4
|
4,00
|
|
3
|
Лазерный
измеритель
|
0,005
|
100
|
0,05
|
4
|
2,00
|
|
4
|
АЦП
|
0,02
|
100
|
0,2
|
4
|
8,00
|
|
Итого
|
|
|
|
|
|
398,00
|
Таблица
5.4 Расчет затрат на амортизацию оборудования
|
№
п/п
|
Наименование
электро-прибора и оборудования (полное)
|
Стоимость
единицы прибора или оборудования, руб.
|
Время
использования оборудования, мес(дн)
|
Норма
амортиза-ционного оборудования,%
|
Сумма
амортиза-ционных отчислений, руб.
|
|
1
|
Ноутбук
|
24000
|
10(1540)
|
13
|
2600
|
|
2
|
АЦП
|
7000
|
10(880)
|
13
|
759
|
|
3
|
Принтер
|
5000
|
10(660)
|
13
|
541,66
|
|
4
|
Лазерный
измеритель
|
10000
|
10(1026)
|
13
|
1083
|
|
Итого
|
|
|
|
|
4983,66
|
-Прочие
расходы
Прочие
расходы включают в себя следующие затраты: оплата работ и услуг других
предприятий и организаций по разработке, изготовлению и проведению испытаний
опытных образцов, расходы по оплате консультаций, экспертиз, вычислительных
работ и т.д. Прочие затраты составляют 10% от суммы затрат на всю работу.
-Смета
затрат на разработку программы (Зпр)
В
таблице 5.5. представлена смета затрат на разработку программы.
Таблица
5.5 Смета затрат на разработку программы
|
№
п/п
|
Элементы
затрат
|
Сумма,
руб
|
|
1
|
Затраты
на покупные изделия
|
3437,5
|
|
2
|
Затраты
на электроэнергию
|
398,00
|
|
3
|
Основная
заработная плата исполнителей
|
32500
|
|
4
|
Дополнительная
заработная плата 12%
|
3900,00
|
|
5
|
Отчисления
на социальные нужды 26%
|
9464,00
|
|
6
|
Амортизационные
отчисления
|
4983,66
|
|
7
|
Прочие
расходы 10%
|
5468,316
|
|
Итого
(Зпр):
|
|
60151,476
|
5.3 Определение
технико-экономических показателей работы
Годовой
экономический эффект - разность приведенных затрат по базовому и проектному
вариантам.
Годовой
экономический эффект определяется по формуле:
Эг=Збаз-Зпр,
(5.5)
где
Эг- годовой экономический эффект, руб.;
Збаз,
Зпр- приведенные затраты по базовому (на преддипломной практике) и
проектному вариантам соответственно, руб.;
Збаз-
это приведенные затраты, которые ранее составляли 62845,2руб.- взяты данные на
преддипломной практике.
Следовательно
Эг=62845,2-60151,476=2693,724руб.
В
итоге годовой экономический эффект, равен 2693,72руб. Он получен за счет
использования программного обеспечения, что позволило сократить время,
затрачиваемое на расчет.
Таблица
5.6 Основные технико-экономические показатели проекта
|
№
п/п
|
Наименование
Показателей
|
Базовый
вариант, руб.
|
Проектный
вариант, руб.
|
|
|
1
|
2
|
3
|
4
|
|
1
|
Затраты
на покупные изделия
|
4500,00
|
3437.5
|
76,38
|
|
2
|
Энергозатраты
|
568,00
|
398,00
|
70,072
|
|
3
|
Основная
заработная плата исполнителей
|
32500
|
32500
|
100
|
|
4
|
Дополнительная
заработная плата исполнителям 12%
|
3900,00
|
3900,00
|
100
|
|
5
|
Отчисления
на социальные нужды 26%
|
9464,00
|
9464,00
|
100
|
|
6
|
Амортизационные
отчисления
|
6200,00
|
4983,66
|
80,38
|
|
7
|
Прочие
расходы 10%
|
5713,2
|
5468,316
|
93,6
|
|
8
|
Годовой
экономический эффект
|
2693,724
|
Заключение
В
данной дипломной работе был разработал лазерный измеритель параметров дождевых
капель, работающий в проходящем свете. В конструкторском разделе выбрана
оптическая схема прибора, произведен габаритный, энергетический и точностной
расчет. В технологическом разделе рассмотрено влияние подвижек оптических
элементов на положение изображения, создаваемое приемной оптической системой. В
исследовательском разделе представлен исходный текст программы, отвечающие за
обработку записанных данных. В разделе БЖД были рассмотрены опасные и вредные
факторы, возникающие при работе с используемым лазерным модулем, а также
использование лазерного измерителя в системе экологического мониторинга. В
организационно-экономическом разделе произведен расчет себестоимости прибора и
рассмотрена актуальность темы и постановка исследования.
схема параметр
лазер измеритель дождь капля
Список
использованных источников
1.
Глущенко А.С. Исследование оптических свойств дождевых капель и разработка
измерительных средств дистанционного определения микроструктуры осадков .//
Автореферат диссертации на соискание ученой степени кандидата технических наук.
Москва,2007г,15с.
.
Якушенков Ю.Г. «Теория и расчет оптико-электронных приборов», М.; 2009 г.
.
Кругер М.Я. «Справочник конструктора оптико-механических приборов»
.
Ландсберг Г.С. «Оптика»,М.;1976 г.
.
Пахомов И.И., Рожков О.В., Рождествин В.Н. «Оптико-электронные квантовые
приборы», Радио и связь, 1982 г.
.
Фукс-Рабинович Л.И., Епифанов М.В. «Оптико-электронные приборы», Машиностроение
, 1979 г.
.
Мосягин Г.М., Немтинов В.Б., Лебедев Е.Н. «Теория оптико-электронных систем»,
М.; 2009 г.
.
Ишанин Г.Г., Панков Э.Д. «Источники и приемники излучения», Политехника, 2006
г.
.
Крылов К.И., Прокопенко В.Т., Тарлыков В.А. «Основы лазерной техники», Л.;
2007г.
.
ГОСТ 12.0.003-74*. ССБТ. Опасные и вредные производственные факторы.
Классификация.
.
ПУЭ-98 "Правила устройства электроустановок". М.: Энергоатомнадзор,
2008 г.
.
СН 5804-91. Санитарные нормы и правила устройства и эксплуатации лазеров
.
ГОСТ 12.1.004-91. ССБТ. Пожарная безопасность. Общие требования
.
НПБ 105-03. Определение категорий помещений, зданий и наружных установок по
взрывопожарной и пожарной опасности. - М.: ГУ ГПС МЧС РФ,200/г
.
СНиП 23-05-95. Естественное и искусственное освещение. Нормы проектирования.
.
СанПин 2.2.4.548-96. Гигиенические требования к микроклимату производственных
помещений М:. Минздрав России, 2006г.
.
СанПин 2.2.2.2/2.4 1340-2007. Гигиенические требования к персональным
электронно-вычислительным машинам и организации работ с ними. М:. Федеральный
центр госсанэпидемнадзора Минздрава России. 2007г.
.
ГОСТ 12.2.032-93. ССБТ. Рабочее место при выполнении работ сидя. Общие
эргономические требования.
.
ГОСТ 12.2.033-78. ССБТ. Рабочее место при выполнении работ стоя. Общие
эргономические требования.
.
Кирилов А.И., Морсков В.Ф. «Дозиметрия лазерного излучения»,М.: Радио и связь,
2007 г.
.
Израэль Ю.А. Экология и контроль состояния природной среды. - М.:
Гидрометеоиздат, 2008.