Исследование частотных и переходных характеристик линейной ARC-цепи

  • Вид работы:
    Дипломная (ВКР)
  • Предмет:
    Информатика, ВТ, телекоммуникации
  • Язык:
    Русский
    ,
    Формат файла:
    MS Word
    235,32 kb
  • Опубликовано:
    2011-12-18
Вы можете узнать стоимость помощи в написании студенческой работы.
Помощь в написании работы, которую точно примут!

Исследование частотных и переходных характеристик линейной ARC-цепи













Реферат

по курсу "Основы теории цепей"

"Исследование частотных и переходных характеристик линейной ARC- цепи"

Содержание

1. Вывод передаточных характеристик ARC - цепи

. Расчет особых точек

. Расчет частотных характеристик

4 Расчет переходных характеристик

5. Выводы

Список литературы

1. Вывод передаточных характеристик ARC-цепи

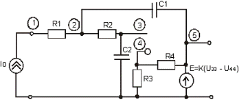
Необходимо получить операторные функции коэффициента передачи по напряжению и входного сопротивления ARC - цепи. Для этого зададим на входе схемы источник энергии в виде идеального источника тока - I0 и пронумеруем узлы схемы (рис. 1.1). После этого составляем систему уравнений в матричной форме на базе метода узловых потенциалов.

Рис. 1.1. Принципиальная схема ARC-цепи.

коэффициент напряжение амплитудный частотный

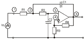
Заменяем операционный усилитель схемой замещения (рис. 1.2.).

Рис. 1.2. Схема замещения ARC-цепи.

При составлении системы уравнений следует учесть, что к пятому узлу подключен источник ЭДС, управляемый напряжением, поэтому для этого узла уравнение не составляем.

Составим систему уравнений в матричной форме:

 (1.1)

Рассмотрим основное уравнение операционного усилителя:

 (1.2)

Так как К=, то очевидно, что U33= U44, на основании этого в системе уравнений (1.1) можно избавиться от четвертого столбца. Для этого следует сложить третий и четвертый столбцы и вычеркнуть четвертый столбец.

 (1.3)

Вычисляем функцию коэффициента передачи по напряжению:

 (1.4)

Рассчитываем определители D55(р) и D11(р):

 (1.5)

(1.6)

Подставим (1.6) и (1.5) в (1.4):

(1.7)

Входное сопротивление определяется следующим образом:

 (1.8)

Находим определитель системы - D(р):

 (1.9)

Подставим (1.6) и (1.9) в (1.8):

 (1.10)

Произведем подстановку номиналов элементов в полученные формулы (1.7) и (1.10):

 (1.11)

 (1.12)

Полученные функции (1.11) и (1.12) описывают соответственно коэффициент передачи по напряжению и входное сопротивление ARC - цепи.

2. Расчет особых точек

Произведем расчет особых точек (нулей и полюсов) коэффициента передачи по напряжению:

 (2.1)

Нулей функция коэффициента передачи по напряжению не имеет.

Рассчитаем полюсы:

,

 (2.2)

Функция коэффициента передачи по напряжению не имеет нулей и имеет два комплексно-сопряженных полюса. Полюсно-нулевая карта приведена на рис. 2.1.

Рис. 2.1. Полюсно-нулевая карта Ku(p).

Произведем расчет особых точек (нулей и полюсов) функции входного сопротивления:

 (2.3)

Нули функции входного сопротивления:

 (2.4) Полюсы:

 (2.5)

Функция входного сопротивления имеет два комплексно-сопряженных нуля, один нулевой полюс и один простой отрицательный полюс. Полюсно-нулевая карта приведена на рис. 2.2.

Рис. 2.2. Полюсно-нулевая карта Z11(p).

3. Расчет частотных характеристик

Производим замену операторной переменной р = jw:

 (3.1)

 (3.2)

Определим модули функций (3.1) и (3.2):

 (3.3)

 (3.4)

Зависимость выражений (3.3) и (3.4) от частоты называется АЧХ.


 (3.5)

 (3.6)

При расчете аргумента комплексного числа необходимо рассмотреть особые точки. Такой точкой будет частота:

 (3.7)

Таким образом, полное выражение для аргумента функции коэффициента передачи (3.1) представляет собой систему уравнений:

 (3.8)

Аргумент функции входного сопротивления (3.2) также описывается системой уравнений:

 (3.9)

Зависимость функций (3.8) и (3.9) от частоты называется ФЧХ.

Для построения годографа функции коэффициента передачи по напряжению в декартовой системе координат необходимо составить уравнения перехода из полярной системы координат в декартову:

 (3.10)

Уравнения для построения годографа функции входного сопротивления выглядят следующим образом:

 (3.11)

Производим расчет значений выражений (3.3), (3.4), (3.8), (3.9), (3.10) и (3.11). Данные вычислений помещены в таблицу 3.1. и таблицу 3.2.

Таблица 3.1.

f, р/с

KU(f)

jKu(f)

ReKU(jf)

ImKU(jf)

0

11

0

11

0

103

10,96

-6,83

10,88

-1,305

104

8,218

-63,11

3,176

-7,33

5×104

1,029

-146,2

-0,854

-0,574

105

0,273

-162,3

-0,261

-0,081

5×105

0,011

-176,5

-0,011

-0,0076

106

0,003

-178,2

0,003

-0,00011

¥

0

-180

0

0


Рис. 3.1. АЧХ коэффициента передачи по напряжению.

Рис. 3.2. ФЧХ коэффициента передачи по напряжению.

Рис. 3.3. АФХ коэффициента передачи по напряжению.

Таблица 3.2.

f, р/с

Z11(f), Ом

jZ11(f)

ImZ11(jf)

0

¥

-90

876

103

17700

-87,1

877,1

-16780

104

1941

-61,8

916,9

-1710

5×104

1041

-17,9

990,1

-320,9

105

1010

-9,085

997,2

-159,5

5×105

1000

-1,824

998,9

-31,8

106

1000

-0,95

999,9

-2,17

¥

1000

0

1000

0


Рис. 3.4. АЧХ входного сопротивления.

Рис. 3.5. ФЧХ входного сопротивления.

Рис. 3.6. АФХ входного сопротивления.

. Расчет переходных характеристик

Определим переходную характеристику выходного напряжения. При этом предполагается, что на вход подан единичный скачок напряжения Uвх=1(t).

 (4.1)

Для нахождения оригинала функции (4.1) произведем разложение ее на простые дроби:

 (4.2)

Составляем систему для нахождения коэффициентов простых дробей:

 (4.3)

Решаем систему: A=1,1; B= -1,1; C= -2,09×105. Таким образом:

 (4.4)

Для нахождения оригинала (4.4) проведём некоторые алгебраические преобразования:

 (4.5)

По таблицам обратного преобразования Лапласа находим:

 (4.6)

Переходная характеристика входного напряжения при условии подачи на вход скачка тока величиной 1 мА: Iвх=10-3×1(t) равна:

 (4.7)

Находим оригинал функции (4.7). Для этого раскладываем выражение (4.7) на простые дроби:

 (4.8)

Составляем систему для нахождения коэффициентов простых дробей:

 (4.9)


 (4.10)

По таблицам обратного преобразования Лапласа находим:

 (4.11)

Производим расчет по формулам (4.6) и (4.11).

Данные помещены в таблицу 4.1.

Таблица 4.1.

t,мкС

Uвых(t),B

Uвых(t),B

0

0

0

10

0,656

1,622

20

0,938

2,935

30

1,047

4,121

40

1,085

5,256

50

1,097

6,371

¥

1.1

¥


Рис. 4.1. Переходная характеристика выходного напряжения.

Рис. 4.2. Переходная характеристика входного напряжения.

Выводы

Анализируя частотные характеристики коэффициента передачи Ku(p) фильтра видно, что данная схема представляет собой ФНЧ.

На низких частотах коэффициент передачи фильтра определяется резисторами R1,R2 и резистором R4, стоящим в цепи положительной обратной связи. Коэффициент передачи при w=0 равен Ku(0)=1,1.

На высокой частоте коэффициент передачи равен нулю, так как сопротивление конденсатора С2 стремится к нулю. В результате входной сигнал замыкается через С2 и не попадает на операционный усилитель.

На средних частотах коэффициент передачи определяется резистором R4 и суммарным сопротивлением цепи R1,R2,R3,C1,C2.

Список литературы

1. Попов В. П. Основы теории цепей. - М. "Высшая школа", 1985 г.

. Шебес М. Р. Задачник по теории линейных электрических цепей. - М. "Высшая школа", 1990 г.

. Лосев А. К. Теория линейных электрических цепей. - М. "Высшая школа", 1987 г.

Похожие работы на - Исследование частотных и переходных характеристик линейной ARC-цепи

 

Не нашли материал для своей работы?
Поможем написать уникальную работу
Без плагиата!
Без нейросетей!