Расчет деревянных конструкций
Содержание
Введение
. Расчёт щита
с двойным перекрёстным настилом
. Расчёт
неразрезного прогона
. Расчёт
клеефанерной панели покрытия
Заключение
Введение
Конструкции из дерева относятся к классу легких
строительных конструкций, применение которых в строительстве является одним из
важных направлений на пути повышения эффективности и ускорения строительного
производства. Древесина - это единственный легкодоступный самовозобновляющийся
строительный материал. Огромные площади нашей страны покрыты лесами особенно
ценных хвойных пород.
Древесина - относительно легкий и прочный материал,
особенно в направлении вдоль ее волокон, где действуют наибольшие усилия от
внешних нагрузок. Плотность сухой сосновой и еловой древесины равна всего 500
кг/м3. Это позволяет возводить деревянные конструкции пролетом до 100 м и
более. Древесина - микропористый материал с хорошими теплоизоляционными и
санитарно-гигиеническими свойствами. Это важно для стен и покрытий жилых
малоэтажных домов.
Древесина - мало твердый материал и легко
обрабатывается, что облегчает и упрощает изготовление деревянных конструкций.
Древесина стойко сопротивляется разрушительному воздействию слабых агрессивных
химических сред, и поэтому деревянные конструкции успешно эксплуатируются в
зданиях химической промышленности, где быстро разрушаются металлические
конструкции. Древесина стойко выдерживает ударные и циклические нагрузки, и
поэтому деревянные конструкции достаточно стойки в мостах и при землетрясениях.
Древесина надежно склеивается водостойкими синтетическими
клеями. Благодаря этому изготовляются клеедеревянные элементы крупных сечений,
больших длин, измеряемых десятками метров, и разных форм - гнутых, ломаных и
др. Из таких элементов изготовляются конструкции больших пролетов. Из древесины
склеивается водостойкая строительная фанера, из которой изготовляются легкие
клеефанерные конструкции.
Деревянные конструкции имеют также существенные
недостатки. При неправильном применении и эксплуатации, в результате
длительного увлажнения они разрушаются гниением. Однако современные
конструктивные и химические методы защиты от гниения обеспечивают их
сохранность при многолетней эксплуатации. Деревянные конструкции являются
сгораемыми. Однако современные деревянные конструкции из элементов крупных
сечений имеют предел огнестойкости выше некоторых других, например
металлических конструкций. Они могут быть дополнительно защищены от возгорания
специальными покрытиями.
Деревянные строительные конструкции являются
надежными, легкими и долговечными. На основе клееных деревянных конструкций
сооружаются здания с покрытиями как малых, так и больших пролетов. Из цельных
лесоматериалов строятся небольшие жилые дома, общественные и производственные
здания.
1. Расчёт щита с двойным перекрёстным настилом
Выбор конструктивной схемы:
Принимаем покрытие с неразрезными спаренными прогонами.
В качестве несущей конструкции покрытия принимается треугольная
трехшарнирная арка, с дощатоклееным верхним поясом и стальной затяжкой.
Арку проектируют пологой со стрелой подъема (высотой) равной
Угол
наклона верхнего пояса полуарки:
Величина
свеса bсв ≥
0,75 м. Принимаю bсв = 0,8
м.
Ширина
кровли по скату с учётом свеса:
Шаг
прогонов принимают в пределах 1,0÷1,5 м, равным
Длину
щита дощатого настила принимают lщ = 2Sпр,=2·1.35=2,7 м., ширину bщ = 1,5÷2,0
м (кратно шагу несущих конструкций В)., bщ
=1.5 м.
Таблица
1.1. Постоянные нагрузки на 1 м2 горизонтальной проекции покрытия
|
Элементы и подсчёт нагрузок
|
Нормативная нагрузка, кПа
|
γf
|
Расчётная нагрузка, кПа
|
|
Постоянная
|
|
1. Кровля рулонная (3-х
слойный рубероидный ковёр на битумной мастике)
|
1.30,169
|
|
|
|
2. Доски защитного настила δ3 = 22
мм; γ
= 6 кН/м
|
1.10,153
|
|
|
|
3. Доски рабочего слоя gp = bp*γ/Sp
|
1.10,111
|
|
|
|
итого
|
gn = 0,37
|
-
|
g = 0,433
|
Временная снеговая нагрузка для II снегового района Sq = 1.2;
Sn = 0.7·Sq = 0,84 - нормативное значение;
SnL = 0.5·Sn = 0.42 - нормативная длительно действующая составляющая;
S = Sq·μ = 1.2·1 = 1.2 - полное расчётное
значение снеговой нагрузки на 1 м2 горизонтального покрытия.
μ = 1, т.к. α
= 18,435˚<25˚;
bрасч = 1 м.
1-е
сочетание нагрузок.
Нормальные составляющие нагрузок на 1 м ширины настила:
от нагрузок первого сочетания
-е
сочетание нагрузок.
от
нагрузок второго сочетания
Расчетные
изгибающие моменты:
от
нагрузок первого сочетания
от
нагрузок второго сочетания
Требуемый
момент сопротивления и момент инерции на 1 м ширины настила:
при
первом сочетании нагрузок:
при
втором сочетании нагрузок
где
RИ -
расчетное сопротивление древесины изгибу;
mн=1,2 - коэффициент, учитывающий кратковременное
действие монтажной нагрузки;
Е
- модуль упругости древесины вдоль волокон.
Требуемая
общая ширина досок рабочего настила на 1 м ширины щита:
из
условия прочности
из
условия жесткости
где
t1 -
толщина досок рабочего настила.
Требуемое
количество досок рабочего настила:
на
1 м ширины настила
на
всю ширину щита
где
b1 - ширина
одной доски рабочего настила;
bщ - ширина щита, м.
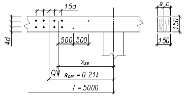
2. Расчёт неразрезного прогона
Спаренный неразрезной прогон рассчитывается по схеме многопролётной
неразрезной балки и на изгиб от действия только нормальной составляющей
нагрузки, т.к. скатная составляющая воспринимается настилом.
Высота прогона: h = l/30=4.5/30=0.15=150 мм.
Ширину сечения: b = 2c = 100 мм.
Принимаем прогон сечением: bxh =
100x150 мм.
Таблица 2.2.Постоянные нагрузки на 1 м2 горизонтальной
проекции покрытия
|
Элементы и подсчёт нагрузок
|
Нормативная нагрузка, кПа
|
γf
|
Расчётная нагрузка, кПа
|
|
Постоянная
|
|
1. От веса кровли и
дощатого настила
|
0,37
|
-
|
0,433
|
|
2 От веса прогонов сечением
bxh и шагом Sпр
|
0,07
|
1.1
|
0,077
|
|
итого
|
gn = 0.44
|
-
|
g = 0,51
|
Нормальные составляющие нагрузки на погонный метр прогона:
для расчетов по прочности:
для
расчетов по деформациям:
где
Sпр - шаг
прогонов.
Расчетный
изгибающий момент при равнопрогибном решении прогона
Требуемые
момент сопротивления и момент инерции сечения прогона
где
Ru - расчетное сопротивленеи древесины изгибу;
fu -
предельный прогиб
Требуемая
высота сечения прогона из условий прочности и жесткости.
Окончательные
размеры поперечного сечения прогона bxh принимаются с учетом
сортамента на пиломатериалы: 100х200
Расчёт
стыков досок прогона на гвоздях.
Расчётная
схема стыка досок прогона
Для
сплачивания досок прогона в стыках принимаются гвозди, диаметром d =
4,5, длинной lгв = 100
мм, установленные в два ряда с каждой стороны стыка. По длине доски скрепляются
гвоздями в шахматном порядке через 500 мм.
Гвоздевые
соединения стыков спаренного прогона рассчитываются на восприятие поперечной
силы
,
где
агв - расстояние от опоры до центра гвоздевого забоя;
агв-
расстояние стыков от опор в равнопогибных прогонах:
S1 - расстояние между осями гвоздей вдоль волокон
древесины, принимаемое не менее 15dгв;
Необходимое
количество гвоздей с каждой стороны стыка

где
c - фактическая толщина сплачиваемых досок, см с=5см;
a - расчетная
толщина крайней доски при выходе гвоздя из пакета, см;
dгв - диаметр гвоздя, см. dгв=0,45см.
kн - коэффициент, принимаемы по табл. 18 [1].
3. Расчёт клеефанерной панели покрытия
Клеефанерную плиту принимают ребристой, состоящей из дощатого каркаса и
верхней фанерной обшивки, соединенных водостойким клеем.
Обшивку выполняют из фанеры повышенной водостойкости марки ФСФ или из
бакелизированной фанеры марки ФБС толщиной не менее 8 мм. Волокна наружных
шпонов фанеры ориентируют вдоль плиты, что позволяет лучше использовать
прочностные характеристики фанеры и стыковать фанеру по длине «на ус», с длиной
стыка 10 толщин фанеры.
Каркас состоит из продольных и поперечных дощатых ребер толщиной не менее
40 мм. Продольные ребра располагают с шагом не более 0,5 м, поперечные - на
расстояниях до 1,5 м, как правило, в местах расположения стыков фанерной
обшивки.
Номинальную ширину плиты принимают 1,2÷1,5 м, равной ширине фанерных листов с
учетом обрезки кромок. Высоту плиты принимают 1/20÷1/30
пролета, равной
где
hp - высота дощатых ребер по сортаменту пиломатериалов с
учетом острожки кромок;
δф - толщина фанерной обшивки.
Плиту рассчитывают по прочности и прогибам по схеме однопролетной
шарнирно опертой балки на нормальные составляющие постоянной и снеговой
нагрузок. Расчетный пролет плиты принимают равным
где
lпл - длина
плиты, равная шагу несущих конструкций, В;
bп - ширина верхнего пояса несущей конструкции.
Верхнюю
обшивку рассчитывают дополнительно на местный изгиб от нормальной составляющей
сосредоточенной монтажной нагрузки Р = 1,2 кН, как заделанную в местах
крепления к продольным ребрам пластинку шириной 1 м. Подсчет постоянных
нагрузок на 1 м2 горизонтальной проекции покрытия приводится в табл.
3.3.
Таблица 3.3. Постоянные нагрузок на 1 м2 горизонтальной
проекции покрытия.
|
Элементы и подсчет нагрузок
|
Нормативная нагрузка, кПа
|
Коэффициент надёжности по
нагрузке γf
|
Расчётная нагрузка, кПа
|
|
1
|
2
|
3
|
4
|
|
Постоянные
|
|
1. . От веса рулонной
кровли (0,1÷0,12)/cosα
|
0,13
|
1.3
|
0,169
|
|
2. От веса фанерной обшивки
0,051.10,055
|
|
|
|
|
3. От веса ребер каркаса 0,141.10.154
|
|
|
|
|
Итого
|
gн = 0.32
|
-
|
g = 0,399
|
Нормальные составляющие от постоянной и снеговой нагрузок на погонный
метр плиты:
для расчетов по прочности
-
для расчета по деформациям
где
bпл -
номинальная ширина плиты.
Нормальная
составляющая от сосредоточенной монтажной нагрузки Р=1,2 кН:
Расчетные
усилия в плите от постоянной и снеговой нагрузок:
Местный
изгибающий момент в верхней обшивке от сосредоточенной монтажной нагрузки
где
a - расстояние между продольными ребрами по осям.
Поперечное
сечение ребристой плиты приводят к тавровому
Расчетную
ширину дощатой обшивки принимают:
bрасч = 0,9·bпл =0,9·1,5=1,35
при l ≥ 6a
(4,5≥6·0,48; 4,5≥2,88)
где
bпл -
полная ширина сечения плиты;
l - пролёт
плиты;
a - расстояние
между продольными рёбрами по осям.
Геометрические
характеристики приведенного таврового сечения:
площадь
поперечного сечения
-
коэффициент приведения для фанерной обшивки.
статический
момент приведенного сечения относительно нижней грани ребер
расстояние
от нижней грани ребер до центра тяжести приведенного сечения
момент
инерции приведенного сечения (без учета собственного момента инерции обшивки)
Проверка
продольных ребер плиты на изгиб
прочность
рёбер обеспечена.
где
Ru - расчетное сопротивление древесины изгибу.
Проверка
верхней сжатой обшивки на устойчивость
где
Rфс -
расчетное сопротивление фанеры сжатию вдоль волокон наружных слоев;
φф -
коэффициент продольного изгиба фанеры;
φф = 1 -
(с/δф)2/5000=1-(0,46/0,01)2
/5000=0,58 при с/δф < 50
(46 < 50)
с
- расстояние между рёбрами в свету.
Проверка
верхней обшивки на местный изгиб от сосредоточенной монтажной нагрузки

где
- момент сопротивления поперечного сечения фанерной
обшивки шириной bф = 1 м.
RФИ- расчетное сопротивление фанеры изгибу поперек
волокон наружных слоёв;
mН =1,2 - коэффициент условий работы при воздействии
кратковременной монтажной нагрузки.
Проверка
на скалывание в местах примыкания фанерной обшивки к ребрам
где
-
приведенный
статический момент фанерной обшивки относительно нейтральной оси;
Rф.ск - расчетное сопротивление фанеры скалыванию вдоль
волокон наружных слоев.
Проверка
прогиба плиты
где
m = 0,7 - коэффициент, учитывающий снижение жесткости
клееных элементов из фанеры с древесиной;
. Расчёт треугольной трехшарнирной арки
Подсчет постоянных нагрузок на 1 м2 горизонтальной проекции
покрытия.
|
Элементы и подсчет нагрузок
|
Нормативная нагрузка, кН/ м2
|
Коэффициент надежности по
нагрузке, γ f
|
Расчетная нагрузка, кН/ м2
|
|
1. От веса кровли и
ограждающих конструкций (по табл. 4 или 5)
|
0,13
|
-
|
0,169
|
|
2. От веса арки (по формуле
(1))
|
0,103
|
1,1
|
0,113
|
|
Итого постоянная
|
gn =0,233
|
-
|
g =0,282
|
Нормативную нагрузку от собственного веса арки приближенно определяют по
формуле
(1)
где gn и sn - нормативные постоянная и снеговая
нагрузки на 1 м2 горизонтальной проекции покрытия;
kсв = 4 - коэффициент собственного веса;
l -
пролет арки, м.
Расчетные
нагрузки на погонный метр арки:
для
расчетов по прочности
для
расчетов по деформациям
где
В - шаг несущих конструкций.
Усилие
в затяжке
Усилия
в середине пояса полуарки:

где
Qbm = ql/4 - балочная поперечная сила в середине полуарки.
Максимальная
поперечная сила в поясе полуарки
где
Qb = ql/2 - балочная поперечная сила на опоре арки.
Высоту
сечений пояса арки предварительно принимают
кратной
толщине досок после их острожки по пластям (δсл ≤
33 мм).
Ширину
сечения пояса -
равной
ширине сечения досок после их острожки по кромкам, но не менее 120 мм (из
условия опирания ограждающих элементов покрытия).
Геометрические
характеристики принятого сечения пояса арки:
Гибкость
пояса полуарки в плоскости изгиба
где
ln = 0,5l/cosα - длина пояса полуарки.
ln =
0,5l/cosα=0,5·24/0,949=12,64м
Опорный
и коньковый узлы арки конструируют так, чтобы продольная сжимающая сила N
действовала с эксцентриситетом
Возникающий
при этом разгружающий изгибающий момент принимают
Тогда
расчетный изгибающий момент в середине пояса полуарки будет равен
Проверка
прочности пояса полуарки на сжатие с изгибом
(2)
где
MД = М/ξ=96,78/0,89=108.74кН·м
ξ = 1 - N/(φRcA)=1-119,56/(0,75·15·1000·0,9·0,111)=0,89
φ = 3000/λ2=3000/63.112=0,75
Rc -
расчетное сопротивление клееной древесины сжатию вдоль волокон.
Проверка
клееного пояса на скалывание от действий максимальной поперечной силы
где
Rck -
расчетное сопротивление клееной древесины скалыванию вдоль волокон.
Проверка
прогиба пояса полуарки
где
- нормальная составляющая равномерно распределенной
нагрузки;
-
разгружающий изгибающий момент;
fu -
предельный прогиб по [2].
Требуемая
площадь сечения затяжки
Атр=Н/Ry=113.4/(240*1000)=0.00047м²
где
Rу=240МПа -
расчетное сопротивление стали.
Заключение
Деревянные конструкции целесообразно применять в
зданиях и сооружениях сельского и гражданского строительства в отдаленных
районах страны, где древесина является местным строительным материалом. В
сельском строительстве деревянные ограждавшие конструкции могу, применяться в
производственных и складских одноэтажных зданиях. В гражданском строительстве
использование деревянных конструкций покрытии возможно при строительстве
небольших общественных зданий и в малоэтажном домостроении.
Выбор конструктивной схемы и компоновка элементов
покрытий должны обеспечивать необходимую долговечность путем устройства
простого и надежного отвода воды с покрытия, создания необходимого вентилирования
и доступности для осмотра и производства ремонтно-профилактических работ. В
отапливаемых зданиях в покрытиях с деревянными конструкциями должки быть
предусмотрены мероприятия, исключающие образование мостиков холода, особенно в
карнизных и коньковых узлах, в местах сопряжения, несущих и ограждавших
конструкций и в местах стыка стеновых панелей и панелей покрытия.
Ограждающие конструкции в не отапливаемых зданиях
устраиваются в виде деревянных двойных и однослойных настилов, а в отапливаемых
- в виде различных панелей.
В качестве гидроизоляции в обоих случаях может
приниматься трехслойный рубероидный ковер на битумной мастике, отвечающий
требованиям СНиП II-26-76.
Для не отапливаемых зданий наиболее рациональным, в
особенности в северных районах страны, является сборно-щитовое решение
кровельного покрытия, предполагающее заблаговременную заготовку стандартных
щитов в заводских условиях, включая оклейку их первым слоем рубероида. В
отапливаемых зданиях в связи с переходом на индустриальное строительство
широкое распространение получает крупноразмерные панели.
Литература
деревянная конструкция строительство
1. Зубарев Г.Н. Конструкции из дерева и пластмасс - М.: Высшая школа,
1990
2. Игнатьев В.П. Буслаев Ю.Н. Конструирование и расчёт элементов
покрытий деревянных зданий (учебное пособие) - Хабаровск: ХГТУ, 1992
. СНиП 2-25-80 «Деревянные конструкции. Нормы проектирования» -
М.: Стройиздат, 1986
. СНиП 2.01.07-85 «Нагрузки и воздействия» - М.: ЦИТП Госстроя
СССР, 1986