Разработка системы голосового управления электромеханическими устройствами
Содержание
Введение
ГЛАВА 1. ГОЛОСОВОЕ УПРАВЛЕНИЕ
техническими устройствами
.1 Состояние проблемы
автоматического распознавания речи
.2 Обзор устройств чтения
аудио сигналов
.3 Подбор устройств для
разработки аудиосистемы
ГЛАВА 2. МОДЕЛЬ ГОЛОСОВОГО
УПРАВЛЕНИЯ ПЕРИФЕРИЙНЫМИ УСТРОЙСТВАМИ
.1 Предпосылки к созданию
«умной» системы
.2 Архитектура системы
управления периферийными устройствами
.3 Схема управления
электрическими устройствами
ГЛАВА 3. РАСЧЕТ ПАРАМЕТРОВ
СИСТЕМЫ
.1 Принципиальная схема
включения электрических устройств
.2 Принципиальная схема
внутреннего источника питания
.3 Область применения
ГЛАВА 4. ЭКОНОМИЧЕСКАЯ ЧАСТЬ
ГЛАВА 5. БЕЗОПАСНОСТЬ
ЖИЗНЕДЕЯТЕЛЬНОСТИ
Заключение
Список использованных
источников
Введение
В настоящее время вычислительная техника используется во многих областях
человеческой деятельности, являясь удобным и многофункциональным инструментом
для решения широкого круга задач. Однако, в настоящее время пользователи ЭВМ
вынуждены использовать способы взаимодействия, слабо адаптированные к
возможностям человеческого общения и ограничивающие способности человека к
обмену информацией. Основная цель усовершенствования и развития интерфейса
человек-компьютер заключается в организации обмена информацией с ЭВМ таким
образом, чтобы:
- Снизить время освоения программных и аппаратных средств;
- Снизить уровень ошибок при передаче информации;
Сделать работу с ЭВМ возможной для людей, не имеющих возможности
пользоваться традиционными средствами интерфейса;
Снизить утомляемость, увеличить субъективное удовлетворение
пользователя от работы;
Для достижения поставленных целей необходимо применение средств
взаимодействия, более полно использующих коммуникативные способности человека.
Человек наделен большим количеством возможностей воспринимать и передавать
информацию: зрение, слух (в том числе устная речь), жесты и движения, мимика,
осязание и другими. Во взаимодействии человека и компьютера существуют два
информационных потока:
управляющие команды и данные, передаваемые компьютеру для обработки;
результаты вычислений и другая информация, представляемая компьютером
пользователю.
Распространенный в настоящее время человеко-машинный интерфейс использует
зрение, как основной канал представления информации пользователю, отображая
данные в виде условных знаков на экране компьютера. Воспринимать информацию
естественными для человека способами (распознавать речь, жесты, мимику и т.д.)
современные средства интерфейса практически не в состоянии.
Лицо человека является важным источником информации при общении между
людьми. Выражение лица, мимика, артикуляция при разговоре, движения головой
являются удобным, естественным и, что важно, необременительным способом
передачи информации. Неспособность компьютера с одной стороны воспринять, а с
другой стороны воспроизвести столь естественные для человека способы общения
затрудняет передачу и восприятие информации при работе с ЭВМ.
Для обеспечения эффективного речевого диалога между пользователем и ЭВМ
необходимы устойчивые системы распознавания речи.
Основной целью дипломной работы является разработка системы голосового
управления электромеханическими устройствами. Разработанная в результате работы
система совместно с работой базы данных обеспечат основу для последующей
разработки модели многомодального распознавания больших словарей русской речи и
выполнения множества речевых команд.
ГЛАВА 1. ГОЛОсоВОе УПРАВЛЕНИЕ техническими
устройствами
1.1 Состояние
проблемы автоматического распознавания речи
Задача машинного распознавания речи привлекает внимание специалистов уже
очень давно. Тем не менее, продвинуться в этом направлении удалось относительно
недалеко. Процесс распознавания речи представляет собой преобразование
акустического сигнала, полученного от микрофона, в последовательность слов.
Полученный набор гипотез цепочек слов далее используется для понимания речи
[2].
При этом возникает ряд проблем. Во-первых, человек обычно не делает паузы
между словами, а при слитном произнесении к задаче распознавания прибавляется
еще и задача выделения слов из потока речи, что заведомо более сложно.
Возникает необходимость выделять односложные слова - именно с ними и связано
максимальное число ошибок реально существующих систем. Можно потребовать, чтобы
человек произносил слова по одному, делая достаточно продолжительные паузы или чтобы
каждое следующее слово произносилось после звукового сигнала. Но данный подход
не удобен и может быть применён только для подачи простых команд [3].
Следующая проблема - различие голосов, диалектов, дикций, возрастных
различий, эмоциональное и физическое состояния диктора. Значительное влияние
вносит акустический аспект, т.е. смена микрофона, расположение микрофона
относительно рта, акустическая обстановка в помещении [4,5,6,7,8].
Именно из-за этих и многих других проблем до полного решения задачи распознавания
речи по-прежнему весьма далеко. Существует два существенно различающихся режима
работы: с настройкой на голос определенного диктора и без такой настройки.
Размеры словаря при работе с настройкой на диктора (speaker-dependent) в
настоящее время могут достигать нескольких (и даже многих) тысяч слов при
слитном произнесении. Процедура настройки на диктора выглядит следующим
образом: диктор читает некий специальным образом составленный текст, компьютер
распознает слова и выдает вариант распознавания. Диктор помечает ошибки и
читает текст снова. После нескольких таких итераций процесс сходится, и
компьютер оказывается в состоянии распознавать речь [9,10,11,12,13].
Наконец, последний, наиболее сложный для реализации, но одновременно и
наиболее перспективный режим работы - распознавание без настройки на диктора.
При этом гарантируется, что система распознает любое включенное в словарь
слово, кем бы оно ни было произнесено. Здесь, как правило, словари насчитывают
небольшое количество слов (обычно не более двух десятков) и существуют для
относительно небольшого числа языков (примерно тридцати). Русский язык в это
число хотя и входит, однако количество распознаваемых русских слов невелико.
Создание словаря для распознавания речи без настройки на голос требует больших
затрат. Для решения этой задачи разработчикам приходится опрашивать большое
число (несколько сотен или тысяч) носителей языка, выделять некие общие
элементы речи, усреднять их - и все этого для того, чтобы обеспечить
распознавание десяти-двадцати слов. Чаще всего словарь без настройки на голос
пользователя требует раздельного произнесения слов. Для целого ряда приложений
этого, однако, оказывается вполне достаточно.
1.2 Обзор
устройств чтения аудио сигналов
Первые записи звуков происходили методом непосредственного нарезания
записи: через рогоподобные микрофоны вибрация воздуха передавалась на
граммофонную иглу, которая и производила нарезание этих колебаний на
поверхности вращающегося воскового цилиндра. Сегодняшние микрофоны преобразуют
колебания воздуха в электрический сигнал, и хотя эта теория лежит в основе
работы всех микрофонов, их различия заключаются в процессах производящих эти
преобразования. Все разнообразие существующих моделей сводится к трём основным
типам микрофонов [14].
Динамический микрофон.
Этот вид микрофонов пользуется особой популярностью среди вокалистов. По
сравнению с остальными типами, динамические микрофоны обладают целым рядом
достоинств: они сравнительно дёшевы и в то же время надежны, и могут успешно
работать в областях высокого звукового давления. Устойчивость к громким звукам
позволяет использовать эти микрофоны для снятия звуков ударов. Принцип его
работы напоминает работу громкоговорителя, но в обратном режиме. Как и в
громкоговорителе, для проведения преобразования здесь применяются колебания
катушки индуктивности. Как видно из рис.1.1,
рис. 1.1. Структура динамического микрофона.
катушка индуктивности, помещенная вокруг магнитного сердечника,
осуществляет колебательные движения под воздействием давления воздушных волн,
исходящих от источника звука. Генерация (появление) электрического тока
возникает всякий раз, когда происходит перемещение катушки (если вы изучали
физику, то должны помнить, что это явление называется законом Флеминга). Таким
образом, попадающая в микрофон акустическая энергия преобразуется в
электрическую, при этом, форма электрического тока соответствует характеру
звуковых колебаний. Если произвести усиление этого тока и послать его к
громкоговорителю, то можно будет услышать усиленный звук.
Особенности внутреннего устройства динамических микрофонов ограничивают
количество возможных типов диаграмм направленности: такие микрофоны могут быть
только однонаправленными или всенаправленными. Кроме того, инерционность перемещающейся
в магнитном поле катушки с проводом ограничивает воспринимаемый этими
микрофонами частотный диапазон. На сегодняшний день различными фирмами
разработано огромное количество различных динамических микрофонов стоимостью от
единиц до тысяч долларов, причем многие модели специально ориентированы на то
или иное конкретное применение.
Конденсаторный микрофон.
Конденсаторные микрофоны представляют собой более совершенный тип, чем
динамические. Принцип их действия основан на изменении электрической ёмкости
двух проводящих пластин при изменении расстояния между ними. Одна из этих
пластин жестко закреплена в корпусе микрофона, а вторая (тонкая) выступает в
роли мембраны. Колебания мембраны, вызванные колебаниями воздуха, приводят к
изменению емкости. Для работы такого микрофона на его пластины необходимо
подать электрическое напряжение. Для этого обычно используется напряжение в 48
Вольт (фантомное питание), подаваемое на микрофон непосредственно с
предварительного усилителя или микшерного пульта.
Эти микрофоны преимущественно используются профессионалами, потому что
обеспечивают значительно более высокое качество звучания, но являются довольно
дорогим типом микрофонов из-за сложности в производстве. Но с момента их
появления они приобрели в наши дни большую популярность и стали
распространенной моделью в музыкальном мире. Принцип построения конденсаторного
микрофона показан на рис.1.2.
рис. 1.2 Структура конденсаторного микрофона.
При поступлении электрического тока на диафрагму и пластину, последние
образуют конденсатор, когда звуковые колебания производят давление на
диафрагму, они вынуждают ее перемещаться, что приводит к изменению расстояния
между диафрагмой и пластиной, тем самым, меняя ёмкость между ними. Эти изменения
соответствуют форме сигнала. Затем этот сигнал усиливается. Особенностью
конденсаторного микрофона является то, что он использует электрический ток.
Другая его характеристика заключается в применении легкой диафрагмы вместо
тяжелых катушек динамических микрофонов, что означает большую чувствительность
к звуку. Причем диафрагма конденсаторного микрофона может быть сделана сколь
угодно тонкой (в разумных пределах), что позволяет добиться значительно более
высокой чувствительности и способности к воспроизведению высоких частот.
Поэтому частотный диапазон этих микрофонов значительно шире. Кроме того,
конденсаторные микрофоны могут иметь практически любую диаграмму
направленности. Звук, идущий из конденсаторного микрофона, отличается особым
изяществом даже при резких на него звуковых воздействиях. Благодаря этим
характеристикам конденсаторные микрофоны часто используются везде, где
предъявляются высокие требования к качеству и точности воспроизведения звука.
Низкая устойчивость к механическим нагрузкам делает их малопригодными для живых
выступлений, однако при стационарном использовании они оказываются
незаменимыми, особенно в тех случаях, когда требуется максимальная
достоверность воспроизведения гармонических составляющих звука.
В электроконденсаторном микрофоне диафрагма использует статическое
электричество. Помните, как вы ребёнком натирали кусочек пластика? Он потом
притягивал к себе волосы и пыль. Электроконденсаторный микрофон работает
аналогично. Конденсатор этого микрофона не использует никакого электрического
тока, и поэтому эти микрофоны характеризуются сравнительно невысокой
стоимостью. Электроконденсаторный микрофон обладает теми же характеристиками,
что и обычный конденсаторный: высокочастотная область работы и широкая
динамика. В персональной магнитной записи лучшим вариантом будет применение как
электроконденсаторного, так и динамического микрофонов.
Электретные микрофоны
Принцип действия электретных микрофонов аналогичен принципу действия
конденсаторных, с тем отличием, что для их работы не требуется внешний источник
питания. Мембрана таких микрофонов получает электрический заряд в процессе
производства, и для их питания достаточно небольшого напряжения (обычно около
1,5 Вольта), которое обеспечивается установленной в микрофоне батареей.
Также микрофоны подразделяются по направленности действия [15].
Все они имеют свою направленность. В повседневной речи мы не используем
этого понятия, но применительно к работе микрофонных систем это означает то
направление или направления, откуда на микрофон могут поступать звуки.
Существуют три типа микрофонов с точки зрения направленности: узконаправленные,
бинаправленные и всенаправленные. Узконаправленные микрофоны принимают звуковой
сигнал только из одного направления. Они характеризуются высокой чувствительностью
к звуку, поступающему из прямого направления и крайне низкой чувствительностью
к остальным звукам.
Бинаправленные микрофоны хорошо принимают сигналы, идущие как с прямого,
так и с обратного направлений. Всенаправленные микрофоны принимают звуковые сигналы
поступающие со всех направлений. На рис.1.3 показаны схемы направленности этих
трех типов микрофонов.
рис. 1.3. Направленность микрофонов.
Угол снятия звука
Под углом снятия звука (рис. 1.4) понимается зона возможного расположения
источника звукового сигнала, внутри которой не наблюдается значимой потери
эффективности микрофона.
Рис.
1.4. Схема снятия звука.
Для
однонаправленных микрофонов (кардиоидных, суперкардиоидных, и т. д.) угол между
центральной линией (см. рисунок) и точкой, где эффективность микрофона значимо
падает (разница достигает 3 дБ), считается половиной угла снятия звука.
Типичный показатель для кардиоидного микрофона составляет 131° (65.5° по обе
стороны центральной линии), значения для других видов микрофонов:
всенаправленный
микрофон - 360°;
кардиоидный
микрофон - 131°;
суперкардиоидный
микрофон - 115°.
Сбалансированные
и несбалансированные микрофоны.
Вы,
возможно, встречали такие термины как «сбалансированный» и «несбалансированный»
микрофон. Эти термины показывают как посылается сигнал. Основная цель
применения сбалансированного микрофона - в уничтожении электрических шумов. По
этой причине, именно сбалансированный микрофон обычно применяется при профессиональных
записях.
Кабель
для сбалансированного микрофона (рис. 1.5) состоит из трёх проводников, которые
принято называть «красный», «белый» и «экран».
рис.
1.5. Сечение кабеля для сбалансированного микрофона.
Экран
покрывает красный и белый провода, защищая их от нежелательных внешних
электрических токов. Это особенно важно при использовании длинного кабеля для
низкоомного микрофона. Для сбалансированного микрофона применяются разъемы,
имеющие трехштырьковую контактную группу. Разница в распаивании между этими
тремя контактами в том, что в европейском варианте контакт №3 - красный, а в
американском и японском вариантах красным является контакт №2.
Несбалансированные
микрофоны используют в своих соединениях только два проводника, один из которых
белый и экранный одновременно. Эти микрофоны вполне удовлетворяют различным
требованиям, но только при небольшой длине кабеля. В качестве разъема для них
применяют стандартный 1/4″ телефонный штекер.
Сбалансированный
микрофон может быть использован вместе с микшером, имеющим несбалансированные
входы (такие как в МТ1Х и МТ2Х) при условии осуществления соответствующего
распая разъемов. Для этого необходимо соединить контакты 1 и 3 микрофона с
экраном (оболочкой) 1/4″ штекера и контакт 2 с его центральной жилой.
Длина кабеля при подобном распае не должна превышать 6 метров.
1.3 Подбор
устройств для разработки аудиосистемы
При изучении руководства к использованию микрофона вы, наверное, не раз
сталкивались с таким понятием как «сопротивление» или «импеданс» [16]. Это
электротехнический термин, который показывает степень сопротивления переменному
току, измеряемую в Омах [Ом]. С точки зрения сопротивления различают
высокоомные (10-50 кОм) и низкоомные (50-600 Ом) микрофоны. Если выходное сопротивление
микрофона не соответствует входному сопротивлению усилителя, это может привести
к снижению отношения полезного сигнала к шуму. На это следует обращать
внимание. Хотя эти два сопротивления не должны быть практически совершенно
одинаковыми, микрофонное сопротивление должно находится в допустимых границах
величины сопротивления усилителя. Если усилитель обладает низкоомным входом, то
выходное сопротивление микрофона должно быть таким же. Если вы подсоединяете
высокоомный микрофон к низкоомному входу усилителя, то произойдет снижение
мощности сигнала. С другой стороны, при соединении низкоомного микрофона с
высокоомных входом усилителя, звук может приобрести окраску дисторшена, хотя, в
общем смысле, это и не является большой проблемой.
Преимущество практического использования низкоомного микрофона
заключается в его низкой чувствительности к шумам, даже при длинных кабельных
соединениях.
Выбор микрофона.
При выборе микрофона следует учитывать как всю совокупность его
технических характеристик, так и условия записи, поэтому конкретные
рекомендации дать довольно трудно. Однако общие правила выбора микрофона все же
существуют.
Ненаправленный микрофон можно применять при записи голоса и звуков в
сильно заглушенном помещении. Его же следует использовать для передачи общей
акустической обстановки при многомикрофонной записи.
Односторонне направленный микрофон с характеристикой типа «кардиоида»
желательно применять при записи в помещении с большим количеством звуковых
отражений. Применяют его и в том случае, когда в помещение, где проводят
запись, проникают посторонние шумы. Микрофон следует устанавливать тыльной
стороной к источнику звуковых помех. Такой микрофон рекомендуется использовать
при широком фронте размещения исполнителей. Этот микрофон применяют при маловероятной
в любительских условиях многомикрофонной записи для четкого разделения групп
звуков, а также при размещении источника звука близко к микрофону, чтобы
снизить низкочастотные искажения, присущие в этом случае ненаправленному и
двусторонне направленному микрофонам.
Двусторонне направленный микрофон с диаграммой типа «восьмерка» следует
применять при записи в заглушенном помещении, когда необходимо увеличить
относительный уровень переотраженных сигналов, а также при записи отдельных
звуков и голосов для выделения низких частот в условиях близкого размещения,
источников звуков у микрофона. Используют такой микрофон и в том случае, когда
необходимо отстроиться от направленных источников шума. Для этого микрофон
ориентируют зоной нулевой чувствительности к источнику шума. Двусторонне
направленный микрофон, сориентированный в горизонтальном направлении,
оказывается полезным для ослабления звуковых волн, отраженных от пола, потолка
и боковых стен помещения. Это позволяет применить акустическую обработку только
двух стен: за источником звуковых волн и напротив него.
Для окончательного выбора нужно определиться в каком звуковом поле будет
использоваться микрофон.
Прямое звуковое поле.
Понятие «прямое звуковое поле» описывает тот случай, когда звук достигает
микрофон, не отражаясь предварительно от стен, потолка пола или других
поверхностей (см. рис. 1.6).
Рис. 1.6. Прямое звуковое поле и отраженный звук.
Если микрофон находится в прямом звуковом поле, вы можете направить его
зоной нулевой чувствительности к источнику нежелательного шума. Этот приём
помогает существенно сократить эффект обратной связи и избежать утечки звука.
Отражённом звуковое поле.
Понятие «отражённое (реверберационное) звуковое поле» описывает ситуацию,
когда звук, перед тем, как достигнуть микрофон, отражается о стены, потолок,
пол или другие поверхности (см. рис. 1.7).
Рис. 1.7. Отраженное звуковое поле
В данном случае, для полного контроля над нежелательными шумами
недостаточно манипуляций с зоной нулевой чувствительности микрофона. Однако и в
отражённом звуковом поле однонаправленные микрофоны обеспечивают более надёжную
защиту от эффекта обратной связи и посторонних сигналов по сравнению с
всенаправленными. Чем уже угол снятия звука микрофона, тем лучше он справляется
с данной задачей. В этой связи, наиболее эффективны суперкардиоидные микрофоны,
затем идут микрофоны с кардиоидной направленностью. Численной мерой
эффективности микрофона в отражённом звуковом поле является коэффициент
направленности (directivity index), который находится в обратной зависимости от
угла снятия звука. Значения коэффициента для микрофонов с различными
диаграммами направленности представлены в таблице 1.1:
Табл. 1.1. Диаграммы направленности.
|
Направленность микрофона
|
Коэффициент направленности
|
Отсечение шумов (дБ)
|
|
Всенаправленный
|
1
|
0 дБ
|
|
Кардиоидный
|
1.7
|
4.8 дБ
|
|
Суперкардиоидный
|
1.9
|
5.7 дБ
|
Данные таблицы свидетельствуют о том, что коэффициент направленности
суперкардиоидного микрофона в 1.9 раза превышает соответствующий показатель для
всенаправленного микрофона. В реальных условиях это выражается в следующем: в
отражённом звуковом поле суперкардиоидный микрофон снимает на 5.7 дБ меньше
реверберационных шумов [17,18,19,20].
Исходя из изложенного выше стоит остановить выбор на микрофоне Crown
PZM-11LLWRS1 (рис. 1.8). Это поверхностный всенаправленный стереомикрофон
самого высокого качества, с небольшим внутренним сопротивлением, представляющий
собой панельный микрофон пограничного слоя, широко применяемый в системах
наблюдения и безопасности, монтирующийся в стену, стандартную коробку для
электрической розетки или выключателя. Внешне устройство совсем не похоже на
микрофон, что позволяет использовать его там, где привлечение внимания к нему
нежелательно. Оптимально размещённые друг относительно друга, элементы данного
микрофона обеспечивают запись стереозвука в самом высоком качестве, позволяя
достичь его беспрецедентного реализма. Модель обладает прочным и надёжным
корпусом, резиновой подкладкой, защищающей от вибраций, которые могут вызывать
помехи. Устройство имеет встроенный частотный фильтр, позволяющий снизить
уровень ненужных шумов. Кроме того, частотная характеристика модели
оптимизирована для озвучивания человеческой речи. Характеристики микрофона
Crown PZM-11LLWRS1 представлены в табл. 1.2.
рис.
1.8. Микрофон Crown PZM-11LLWRS1.
Таблица
1.2. Характеристики Crown PZM-11LLWRS1.
|
Диаграмма направленности
|
всенаправленный
|
|
Частотная характеристика
|
80-10000 Гц
|
|
Тип микрофона
|
конденсаторный
|
|
Чувствительность
|
1.4 мВ / Па
|
|
Сопротивление
|
75 Ом
|
|
Макс. звуковое давление
|
100, 1 КГц на 3 % КНИ
|
|
Соотношение сигнал/шум
|
68 дБ, 1 КГц на 1 Па
|
|
Масса
|
71 г
|
ГЛАВА 2.
МОДЕЛЬ ГОЛОСОВОГО УПРАВЛЕНИЯ ПЕРИФЕРИЙНЫМИ УСТРОЙСТВАМИ
2.1
Предпосылки к созданию «умной» системы
Если человек рассеянный. Вечно забывает выключить свет или обогреватель и
вспоминает об этом прискорбном факте в самом неожиданном месте и, как правило,
далеко от дома. И вообще если, например, ужасно не хочется вылезать из-под
теплого одеяла, если вдруг спохватываешься, что не выключен кондиционер или
вентилятор…
Утешает только одно. Мы не одиноки. Согласитесь, с каждым из нас такое
нет-нет да случаются. Оказывается, есть спасение от нашей забывчивости, да и
вообще найден способ решения многих наших бытовых неурядиц - «умная система».
Идея создать такое «чудо техники» витала в воздухе давно. Удивительно, что
устроена эта система не сложнее выключателя. Но при этом обеспечивает
максимальный комфорт в доме или офисе да еще и помогает экономить тепло и
электроэнергию.
Так кто они, наши спасители? Называем: «АББ» (ABB), «СИМЕНС» (SIEMENS),
«ЛЕГРАН» (LEGRAND), «БОШ» (BOSCH), «АКЕРМАН» (ACKERMANN), «ФИЛИПС» (PHILIPS) и
еще около сотни ведущих европейских производителей, выпускающих технику и
приборы для дома и офиса. Примерно десять лет назад они объединились и создали
Ассоциацию EIBA (European Installation Bus Association) с торговой маркой EIB
(European Installation Bus), что переводится как Европейская инсталляционная
шина. В результате этого объединения произошла замечательная вещь - стандарт
EIB обеспечивает полную совместимость всех устройств и, как объясняют
специалисты, обмен информацией между ними.
«Интеллектуальная система» состоит из сенсоров - устройств, дающих или
принимающих команду, и акторов - исполняющих ее. Акторы - светильники,
обогреватели, кондиционеры...
Сенсоры и акторы соединены информационной шиной через ПЭВМ и систему
управления периферийными устройствами (СУПУ). На вид эта шина представляет
собой всего лишь несколько медных проводков.
Чем больше помещение, которое обслуживает система, тем, казалось бы, нужно
больше дополнительной аппаратуры: блоки питания, устройства для связи с
компьютером (интерфейсы), электронные реле, которые используют для включения и
выключения приборов. Но это не так. Всю эту «начинку» можно установить в
распределительный щиток. Надо сказать, он может быть размером с коробку из-под
торта. Практически это не зависит от сложности системы, ее функций.
А теперь - о возможностях проектируемой системы.
Если, допустим, лень (или некогда) каждый раз вставать или - в особо
«тяжелых случаях» - даже нет возможности пользоваться пультом дистанционного
управления? Нет проблем - с помощью «умной системы» можно включать или
выключать свет голосом!
Например, уходя из дома, нужно, как известно, проверить, везде ли
выключен свет… Особенно раздражает, когда сильно опаздываешь, ходить по дому и
щелкать выключателями. А если комнат ну очень много? Бегать до утра? Или,
допустим, вы остались последним в офисе, а все уже ушли. Вам, уходя, сказали:
«Не забудь потом все проверить». А когда вышли в пустынный гулкий коридор, то
как-то совсем жалко терять своё время и ходить по коридорам и что-то выключать
и проверять, когда с помощью голосовой команды «выключить весь свет», свет
моментально гаснет во всем здании (на всем этаже, во всей квартире, во всем
доме) [21].
2.2
Архитектура системы управления периферийными устройствами
Архитектурная схема умной системы представлена на рис 2.1.
Источником сигналов является сам человек. Устройства, следящие за
человеком (микрофоны, видеокамеры, сенсоры и др.) располагаются по всей комнате
(зданию) и постоянно сканируют, исходящие от человека звуки и проделываемые им
жесты, обрабатывая их в блоке обработки аудио и видео сигналов (чем больше
количество этих устройств, тем лучше и точнее он распознаётся) [22]. После чего
сравнивает их с базой данных, определяя при этом какую команду ей нужно
выполнить. Далее эта информация поступает в систему управления периферийными
устройствами в виде двоичного кода. В конечном итоге эта система, в зависимости
от кода, включает или выключает то или иное электрическое устройство.
рис. 2.1. Архитектурная схема «умной системы».
2.3 Схема
управления электрическими устройствами
Схема голосового управления электрическими устройствами представлена на
рис. 2.2 (приложение 1). Она состоит из трёх основных частей: четырех
поверхностных всенаправленных микрофонов Crown PZM-11LLWRS1, блока обработки
аудио сигналов и системы управления периферийными устройствами. Принцип
действия её прост: звук от человека с помощью микрофона передается в блок
обработки аудио сигналов, который представляет собой ПЭВМ с ОС Windows’98 и
выше с соответствующим программным обеспечением, со встроенной картой
аудио-захвата.
рис. 2.2. Схема голосового управления электрическими устройствами.
Примером может послужить аудиокарта Audiomedia III от фирмы Digidesign,
имеющая 8 встроенных процессоров звуковой обработки, электронных регуляторов
громкости и баланса и эквалайзеров, встроенный стереорегулятор мастер канала и
панорамы и четыре электронных регулятора для входов. В этом блоке сканируются
все сигналы идущие от микрофона. При распознавании из потока слов голосовой
команды, например «включить свет», программа ищет в базе данных голосовых
команд какой код соответствует этой самой команде. Таким образом голосовая
команда преобразуется в простейший двухразрядный сигнал и по шине данных
поступает в СУПУ, где происходит уже непосредственное включение
электромеханических устройств.
ГЛАВА 3.
РАСЧЕТ ПАРАМЕТРОВ СИСТЕМЫ
.1
Принципиальная схема включения электрических устройств
Была поставлена задача следующего плана: необходимо было разработать
«умную систему», которая с помощью голоса могла включать и выключала в
помещении электромеханические устройства - это кондиционер, обогреватель,
вентилятор и три вида освещения: верхнее боковое и полное. А так же
обеспечивала их независимую друг от друга работу.
Задача
разработки системы была решена (рис. 3.1) с помощью программируемой микросхемы
КР1533ИР35 [23]. предназначенной для фиксации данных, приходящих с ПЭВМ. В
качестве ключей использованы оптроны (V1 - V5) ТСО-10 (
до 1000 В и
10 А),
замыкающие цепь при подаче на них напряжения [10]. Для управления ими
использованы сигналы D0 - D4. Так как тиристоры требуют питания не пять вольт,
как микросхема, а всего лишь три, то было поставлено добавочное сопротивление
.
Мощность
сопротивления
Окончательно
выбираем сопротивление МЛТ-0,25 на 25Ом.
Микросхема
запрограммирована таким образом, что при приходе сигнала «1» на вывод D0, цепь
замыкается по Q0. В таблице 3.1 приведены голосовые команды и соответствующие
им комбинации сигналов.
Табл.
3.1 Комбинации голосовых команд и кодов.
|
Вывод регистра
|
Голосовая команда
|
|
«включить свет»
|
«включить обогрев»
|
«включить вентилятор»
|
«включить кондиционер»
|
|
«включить боковой свет»
|
«включить верхний свет»
|
|
|
|
|
D0
|
1
|
0
|
0
|
0
|
0
|
|
D1
|
0
|
1
|
0
|
0
|
0
|
|
D2
|
0
|
0
|
1
|
0
|
0
|
|
D3
|
0
|
0
|
0
|
1
|
0
|
|
D4
|
0
|
0
|
0
|
0
|
1
|
При команде «выключить все» на все выводы D0 - D4 подаются «0», и все
цепи размыкаются.
рис. 3.1. Принципиальная схема включения электромеханических устройств
Рассмотрим принцип действия этой схемы на одном из примеров. Пусть на
блок обработки аудосигналов пришла команда «включить свет». По шине данных от
ПЭВМ к микросхеме с частотой в несколько килогерц поочередно начинают приходить
сигналы «1,0,0,0,0» и «0,1,0,0,0» по входам D0,D1,D2,D3 и D4 соответственно.
Регистр сравнивает эти сигналы с запрограммированными и замыкает цепь на выводы
Q0 и Q1, через которые начинает течь ток. В результате этого в работу
включаются оптроны V1 и V2, включая цепь бокового и верхнего освещения. В
результате у нас в комнате загорается весь свет!
Если за этим последует команда «выключить верхний свет», блок обработки
аудосигналов перестает подавать сигнал с кодом «0,1,0,0,0», но не прекращает
подачу импульсов бокового света. В конечном итоге цепь по выходу Q1
размыкается, на оптрон V1 перестает приходить ток и он размыкает цепь верхнего
освещения., в результате чего остаётся гореть только боковой свет.
Для работы оптронов и блока управления периферийными устройствами в целом
был разработан источник вторичного питания напряжением пять вольт, питающийся
от общей сети переменного тока.
3.2
Принципиальная схема внутреннего источника питания
Вторичные источники питания (ВИП) - это устройства, предназначенные для
преобразования входной электроэнергии переменного или постоянного напряжения
при заданном качестве электроэнергии на выходе. Их основное назначение - это
питание различных систем управления или питание электронных устройств
(телевизоры, компьютеры и пр.). В нашем случае будут питаться оптроны и
включающая их микросхема. Для этого необходимо спроектировать ВИП с заданными
ниже характеристиками и требованиями:
Тип преобразователя: однофазный ~/=.
. Параметры входной сети:
Напряжение
входной сети
: 220 В.
Отклонение
напряжения входной сети
: ±5%.
Частота
входного напряжения
: 50 Гц.
.
Параметры выходной сети:
Ток
нагрузки
: 0,7 А.
Напряжение
нагрузки
: 5,0 В.
Допустимое
отклонение напряжения нагрузки
: ±0,9%.
Допустимый
коэффициент пульсаций на выходе
:
.
Температура
окружающей среды
:
.
КПД
: 80%.
Выбор
и обоснование структурной схемы ВИП:
Существуют
различные структурные схемы реализации преобразования переменного напряжения в
постоянное; есть два принципиальных отличия - наличие или отсутствие сетевого
трансформатора [24].
Для
заданного технического задания целесообразно выбрать схему с сетевым
трансформатором исходя из следующих положений:
)
Понизить напряжение со 220 до 5 В легче будет с помощью трансформатора на
входе.
)
Частота питающей сети 50 Гц - это значит, что массогабаритные показатели
трансформатора, работающего на такой частоте, будут сравнительно выше.
Рассмотрим
основные варианты построения схемы с сетевым трансформатором:
рис.
3.2. Схема с сетевым трансформатором №1.
Реализация
ВИП по схеме рис 3.2 требует установки стабилизатора, который имеет недостаток.
Он искажает ток питающей сети, что негативно сказывается на работе схемы. В
данном случае стабилизатор целесообразно устанавливать в том случае, если
необходимо на входе сделать прямоугольную форму тока.
рис.
3.3. Схема с сетевым трансформатором №2.
Вторая
схема (рис. 3.3) отличается легкостью построения, но регулировка идет за счет
управляемого выпрямителя реализованного на тиристорах, что увеличивает
коэффициент пульсаций на входе фильтра, которому необходимо гасить их.
рис.
3.4. Схема с сетевым трансформатором №3.
ВИП,
выполненный по третьей схеме (рис 3.4) будет иметь несколько заниженный КПД,
из-за наличия в схеме широтно-импульсного преобразователя (ШИП). Это
транзистор, на который подается сигнал управления. Схему управления на него
выполняем с помощью микросхемы 1114ЕУ3. В этом случае можно остановить свой
выбор на схеме рис. 3.4, поскольку она меньше всего будет искажать работу ВИП в
целом.
В
итоге, реализуем схему 3, исходя из следующих соображений:
)
Микросхема требует стабильного напряжения, без нежелательных скачков, которые
могут вывести её из рабочего состояния.
)
Требования КПД в техническом задании не слишком жесткие, что позволяет
поставить ШИП.
)
На сетевые фильтры будут приходить значительно меньшие пульсации.
Расчет
силовой схемы выпрямителя:
Расчет
и выбор трансформатора:
)
Произведем расчет требуемого максимально среднего значения выпрямленного
напряжения
по следующей формуле:
-
максимальное напряжение нагрузки.
- падение
напряжения на вентилях схемы.
, где
- коэффициент тактности для однофазной мостовой схемы,
а
- выбирается приближенно около 1,5 В.

На
первом этапе расчета задаемся величинами:
-
падение напряжения на активном сопротивлении обмотки дросселя.
-
падение напряжения на активном сопротивлении обмотки трансформатора.


-
коммутационное падение напряжения.
На
данном этапе расчета
задается из отношения:

Определяем
максимальное среднее значение выпрямленного напряжения:

Расчет
напряжения вторичной обмотки трансформатора
:
, где
- коэффициент преобразования схемы (для однофазной
мостовой схемы
).
-
коэффициент преобразования сети.
Расчет
требуемого значения мощности трансформатора
:
, где
- относительное значение мощности трансформатора (для
однофазной мостовой схемы с индуктивной нагрузкой
),
-
мощность цепи постоянного тока с учетом потерь.
Вычисляем
с некоторым запасом:


Выбор
трансформатора и его массогабаритные значения:
Выбираем
трансформатор ТПА-0,25-220/50 [26]. Понадобится обмотка с
В, Остальные обмотки трансформатора остаются не
задействованы.
Ток
первичной обмотки трансформатора:
А.

Габаритный
чертеж приведен на рис. 3.5.
мм;
мм;
мм;
мм;
мм;
;
мм.
Масса:
1010 г.
рис.
3.5. Габаритный чертеж на трансформатор ТПА-0,25-220/50.
Выбор
вентилей и их тепловой расчет:
Расчет
и выбор вентилей неуправляемого выпрямителя:
Определяем
средний ток через вентиль
:
, где
- коэффициент перегрузки вентиля по току, который не
учитывается в данной формуле.
-
отношение среднего тока через вентиль к току нагрузки, для однофазной мостовой
схемы равно 0,5.
Выбор
вентилей производится по
:
, где
- коэффициент запаса по току.

Расчет
вентиля по классификационному значению напряжения:
, где
- коэффициент запаса по напряжению,
- обратное максимальное напряжение диода.

Выбор
вентиля по среднему току и классификационному напряжению:
Выбираем
диод Д112-25 на 2 А (VD1-VD4, VD7) [13].

Динамическое
сопротивление диода:

Для
данного типа диодов предусмотрена возможность установки радиаторов площадью 111
На рис. 3.6 представлена габаритная схема.
рис.
3.6. Габаритный чертеж диода Д112-10
Выбор
транзистора и его тепловой расчет:
Выбор
транзистора схемы управления:
Для
данной схемы будут верны следующие соотношения:



Исходя
из этих данных выбираем транзистор КТ825В со следующими параметрами:






Расчет
радиатора для транзистора:
;
;
;



Рпот.б
- в данном примере будет равно 3 Вт.



.
Поскольку
площадь радиатора должна быть больше исходного значения, примем 
.
Стороны, соответственно A=B=5,29 см.
Расчет
и выбор сглаживающих L-C-фильтров:
Определение
коэффициента сглаживания L-C-фильтра и соотношения
:
, где
- коэффициент пульсаций на входе. Для однофазной
мостовой схемы
Находим
соотношение
по следующей формуле:
, где
- циклическая частота пульсаций.
, где 

Выбор
элементов L-C-фильтра:
Условия
выбора активных сопротивлений индуктивности и конденсатора:
, где
- сопротивление нагрузки.



Выбираем
дроссель:


Отсюда
берем дроссель Д247 с индуктивностью 
, рабочим
током на 5 А и сопротивлением на 0,0137 Oм.
На
рис. 3.7 приведена габаритная схема катушки индуктивности.
рис.
3.7. Габаритный чертеж дросселя Д247.
Выбираем
конденсатор:

Конденсатор
К73-17 емкостью 
на
напряжение 63 В [27].
Проверка
фильтра на резонанс:
Частота
собственных колебаний
должна быть в два раза меньше частоты пульсаций
, чтобы избежать явления резонанса.

-
резонанс не возникает.
Выбор
схемы управления:
Так
как нужно управлять одним транзистором, то для этой цели отлично подходит
система управления на микросхеме 1114ЕУ3. Корпус микросхемы приведен на рис.
3.8.
Выберем
параметры элементов для настройки микросхемы на нужную частоту.
.
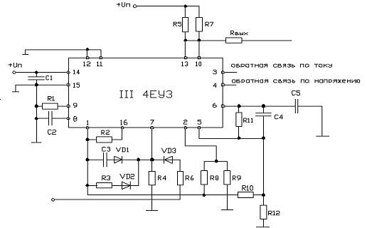
Схема
управления приведена на электрической схеме (рис 3.9). На ней обозначены
следующие элементы:
)
Резисторы ОМЛТ-0,125Вт номиналами по: R1=3 кОм (резистор задания частоты),
R2=0,5 кОм (ограничитель питания фазорасщепителя), R3=3 кОм (резистор задания
паузы), R4=1 кОм (сопротивление базы транзистора), R5=2 кОм (резистор смещения
компаратора паузы), R6=R7=R9=3 кОм (резисторы задания напряжения на входах
усилителя), R8=10 кОм (резистор местной обратной связи).
)
Диоды высокочастотные SF12 (VD5 и VD6).
)
Конденсаторы МБГО-1 номиналами по: C3=5 мкФ (фильтр питания микросхемы),
C4=1000 нФ (конденсатор задания частоты), C5=1 мкФ (конденсатор задания
длительности “мягкого” запуска), C6=0,1 мкФ (конденсатор коррекции частотной
характеристики), С7=1 мкФ (фильтр выходного напряжения усилителя).
)
Параметрический стабилитрон в цепи обратной связи по току выбирается исходя из
параметров операционного усилителя в микросхеме.
рис.
3.8 Корпус микросхемы 1114ЕУ3.
рис.
3.9 Схема управления.
Статический
расчет ВИП:
Цель
статического расчета - определение коэффициентов усиления.
Необходимо
рассчитать коэффициент предварительного усиления
,
коэффициент передачи
и коэффициент обратной связи по напряжению
. Из данных по сопротивлениям обмоток трансформатора: 





Расчетное
соотношение ΔUр=0,17 В, в то время, как ΔU не должно превышать 0,18 В. В этом случае требования
статического расчета будут выполнены.
Проверка
полученного результата:

, что
меньше допустимого.
Полученное
значение соответствует требованиям технического задания.
Элементы
защиты ВИП:
В
виду чувствительности полупроводниковых приборов к перегрузкам, применяют
различные системы защиты для обеспечения надежной работы преобразователей. Для
защиты от коротких замыканий на стороне постоянного тока обычно используют
короткозамыкатели. Однако в данной схеме целесообразно разместить всего лишь
несколько предохранителей. Один во входной цепи перед трансформатором и второй
после мостовой.
В
итоге у нас спроектирован вторичный источник питания переменного напряжения в
постоянное (ВИП) по заданным параметрам. Полная схема источника питания
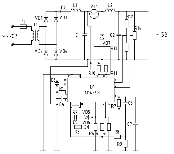
представлена на рис. 3.9 (приложение 2,3).
Рис.
3.9. Схема источника питания.
Выводы
«+» и «-» 5В подключаются к питающимся выводам микросхемы и оптронам, через
добавочное сопротивление.
3.3 Область
применения
Разработанную систему можно применять практически везде: как дома, так и
различных отраслях промышленности. Она делает работу с возможной для людей с
ограниченными возможностями или вовсе не имеющих возможности пользоваться
традиционными средствами интерфейса (инвалиды). А также позволяет уменьшить время
исполнения какого-либо действия, которое сопровождается хоть и незначительной,
но физической нагрузкой и как следствие потерей полезного времени.
В настоящее уже реализовано несколько проектов, в том числе и в
Санкт-Петербурге. Так например для частного лица в квартире по ул.
Красноармейской уже реализована интегрированная система управления освещением и
климатом с возможностью дальнейшего расширения и дополнения
мультимедиа-функциями. Кроме интеграции системы "умный дом", была
осуществлена поставка осветительного оборудования фирмы Faustig - люстры и
светильники, изготовленные из кристаллов фирмы Swarovski. Дизайнер проекта
Мордвинов Дмитрий. Квартира в доме класса "В", одноуровневая, 140
квадратных метров. Куда вошло 19 зон освещения и 5 зон климат-контроля, с
возможностью дальнейшего расширения опций [28,29,30,31,32].
ГЛАВА 4.
ЭКОНОМИЧЕСКАЯ ЧАСТЬ
.1 Расчет вложений на этапе разработки и отладки системы
Рыночная экономика предъявляет свои требования к новым проектам, и
выживают лишь те, которые просчитывают каждый свой шаг, и соответствуют
потребностям рынка, а не возможностям производителя. Главную роль при
реализации технических проектов играют финансово-экономические расчёты. Они
призваны решать широкий круг задач:
1. финансовый итог производственной деятельности или коммерческой сделки
для каждой из участвующих сторон;
2. выявление зависимости конечных результатов финансово-кредитной
операции от основных её параметров и условий, определение взаимосвязи этих
параметров и их предельных значений;
. нахождение параметров безубыточного изменения условий сделки.
В настоящий момент нет единой методики оценки эффективности инвестиций.
Каждая фирма, как правило, исходя из собственного опыта, финансовых ресурсов,
преследуемых целей и т.д. разрабатывает свою методику. Эти методики в качестве
критериев эффективности используют следующие показатели: "чистый"
приведённый доход; внутренняя норма доходности; срок окупаемости предполагаемых
инвестиций; рентабельность.
В данном расчёте в качестве критерия эффективности инвестиций
использована ожидаемая величина "чистого" приведённого дохода.
Использование данного критерия поможет при принятии решения о целесообразности
денежного вложения изучить картину возможных финансовых результатов этого
вложения. Под реализации любого технического проекта понимается ряд этапов,
включающих разработку данного проекта, его использование и последующую
эксплуатацию.
Осуществление каждого из этих этапов требует привлечения различных
средств (оборудования, оборотных средств, кадров, научных разработок),
называемых в общем виде инвестициями. Источниками инвестиций могут быть
собственные и заёмные средства. И в том и в другом случае весьма важным для
вкладчика является определение эффективности их вложения. В финансовом анализе
для измерения этой величины применяют различные показатели, взаимосвязанные
друг с другом. Все они отражают один и тот же процесс сопоставления
распределённых во времени доходов от инвестиций и самих инвестиций. Наиболее
информативным из этих показателей является общий итоговый результат проводимой
инвестиционной деятельности, называемый "чистой" приведённой
величиной дохода (ЧПВД). Этот показатель определяется как разность между
возможными доходами, получаемыми при осуществлении проекта, и обеспечивающими
эти доходы инвестициями.
Для определения указанного показателя предварительно необходимо обратить
внимание на основные особенности предлагаемой инвестиционной деятельности, к
которым в данном случае относятся: возможное получение реальной отдачи (дохода)
от вложения инвестиций по истечении ряда лет вложения.
Любой инвестор (вкладчик денежных средств), обладающий свободными
денежными активами вынужден сравнивать ряд альтернативных вариантов вложения
инвестиций (сберегательный счёт, акции, облигации и т.д.) каждый из которых
характеризуется своей прибыльностью и показателями риска (вероятность потери
какой-то части доходов и самих активов). Сравнение обычно осуществляется на
основе использованных возможностей, сопряжённых с альтернативными вариантами.
На практике различие альтернативной стоимости сводят к различию ставок
сравнения. При выборке ставки сравнения ориентируются на существующий или
усреднённый ожидаемый уровень ставки процента для каждого из альтернативных
вариантов.
В финансовых операциях сумму прибыли от предоставления денег в долг в
любой форме (единовременная ссуда, помещение денег на сберегательный счёт,
покупка акций и т.д.) называют процентными деньгами, а отношение процентных
денег, выплачиваемых за фиксированный отрезок времени, к величине первоначальной
суммы называют процентной ставкой (ставкой процента).
Процесс увеличения суммы денег в связи с присоединением процентов к сумме
долга называют наращением, или ростом первоначальной суммы.
Процентные ставки могут быть простыми и сложными в зависимости от
формирования исходной суммы, на которую начисляются ставки процента. Если она в
течение всего срока ссуды меняется, то речь идёт о простых процентных ставках.
Если же применение ставок процента идёт к сумме с уже начисленными на неё в
предыдущем периоде процентами, то это сложная процентная ставка.
В долгосрочных финансово-кредитных операциях, к разряду которых относится
осуществление инвестиционной деятельности по реализации любого технического
проекта, для наращения суммы ссуды (кредитора) или снижения фактической суммы
займа (у заёмщика) применяют сложные проценты.
Для расчёта ЧПВД весь процесс инвестиционной деятельности представляется
в виде последовательности множества распределённых во времени первоначальных
вложений и последующих доходов. Эту последовательность называют потоком
платежей. При определении ЧПВД для каждого члена потока платежей определяются
потери от неиспользованных возможностей. "Ценность" каждого члена
потока на момент начала вложения определяется как разность между начальной
величиной вложения и величиной возможных потерь.
Итоговая величина искомого показателя ЧПВД может быть определена по
следующей формуле:
n1
- продолжительность осуществления инвестиций,- продолжительность периода
инвестиций,
Зl
- ежегодные инвестиции в периоде l, l =1,2,…, n1,- ежегодная отдача (чистый
доход) в период j, j =1,2,…, n2.
Расчёт
показателя ЧПВД связан со значительными трудностями и, в первую очередь, с
определением ожидаемых доходов. Однако сравнение возможных альтернативных
технических проектов, дающих одно и тоже техническое задание, позволяют
значительно упростить задачу, так как предполагается равенство составляющей å pj Vi j+n1 в формуле для расчёта итоговой величины
ЧПВД по всем предполагаемым вариантам.
Поэтому
формула определения ЧПВД упрощается и принимает следующий вид:
З
- характеризует современную величину совокупных затрат за весь период
реализации (разработка, производство, эксплуатация).
Проект,
обеспечивающий минимальные затраты, является наиболее предпочтительным и
подлежит финансированию.
.2
Выбор варианта разрабатываемого продукта
Анализ
производственных инвестиций в основном заключается в оценке и сравнении
эффективности основного и альтернативного инвестиционных проектов.
Общий
период осуществления инвестиционной деятельности при реализации любого
технического проекта определяется наличием следующих основных этапов жизненного
цикла:
1. разработка;
2. производство;
. эксплуатация.
Нормальная деятельность на каждом из этих этапов требует вложений
определённых денежных средств. На этапе разработки - это стоимость проведения
научно-исследовательских и опытно-конструкторских работ (НИОКР). На этапе производства
- это затраты на выпуск новых объектов, т.е. фактически себестоимость единицы
продукции, и вложения в основные фонды и оборотные средства, обеспечивающие
этот выпуск. На этапе эксплуатации - это затраты, связанные с текущим
использованием нового объекта (годовые издержки эксплуатации) и сопутствующие
капитальные вложения. Сумма всех этих затрат, вычисленная по годам каждого из
трёх этапов, характеризует последовательность первоначальных вложений или
инвестиций.
В качестве основного варианта рассмотрим вариант проекта, когда все
программное обеспечения разрабатывается при помощи Visual C++
В качестве альтернативного варианта рассмотрим вариант проекта,
разработанного на компиляторе Access.
Исходные данные для расчётов приведены в табл. 4.1.
Таблица 4.1 Исходные данные
|
Назначение показателей
|
Условные обозначения
|
Значения по вариантам
|
|
|
Основной
|
Альтернативный
|
|
Годовой объём продаж, шт.
|
N
|
200
|
200
|
|
Общая продолжительность
этапа разработки и отладки, мес.
|
T
|
4
|
4
|
|
Общая численность
исполнителей в период разработки, чел.
|
U
|
1
|
1
|
|
Среднемесячная заработная
плата всех исполнителей, р./мес.
|
З
|
12000
|
12000
|
|
Общая продолжительность
этапа эксплуатации, лет
|
Тэ
|
2
|
2
|
4.3 Выбор ставки сложных процентов
Выбор ставки сложных процентов играет весьма важную роль в приводимых
расчётах. Он определяет современную величину предполагаемых инвестиций тем
точнее, чем точнее выбрана ставка и учтены такие реальные процессы, как
сокращение отдачи денежных средств по сравнению с ожидаемой и инфляционное
обесценивание денег.
Выбираем в качестве ставки сложных процентов усреднённую существующую
величину 10 процентов, хотя эта величина ниже усреднённого уровня.
Чтобы определить дисконтный множитель по каждому году отчётного периода,
воспользуемся данными из таблицы 4.1.
Поскольку этап разработки длится 4 месяца, то вложения денежных средств в
течении этого периода можно считать разовым и не дисконтировать, и
следовательно можно принять общий расчётный период 2 года.
Учитывая это и используя данные таблицы из приложения 1 методического пособия
[1], находим дисконтный множитель. Дисконтный множитель при i = 10% по годам
вложений представлен в табл. 4.2
Таблица 4.2 Дисконтные множители
|
Год вложения
|
1
|
2
|
|
Дисконтный множитель
|
0.9091
|
0.8264
|
.4 Расчет вложений на этапе разработки и отладки основного варианта
Общая продолжительность на этапе разработки и отладки равна 4 месяцам.
Сметная стоимость работ, выполняемых в течении этого времени, определяемые
методом расчёта по отдельным статьям сметной калькуляции на основе анализа
данных по технической подготовке производства. Исходная информация и расчёт
отдельных статей калькуляции сведены в таблицах.
Таблица 4.3 Календарный график проведения работ
|
Наименование этапа
|
Сроки начала
|
Сроки окончания
|
Всего, мес.
|
|
1. Постановка задачи
|
01.09.2005
|
03.09.2005
|
0,1
|
|
2. Изучение теоретической
разработки
|
03.09.2005
|
24.09.2005
|
0,8
|
|
3. Разработка алгоритма
|
24.09.2005
|
30.09.2005
|
0,2
|
|
4. Написание программы
|
30.09.2005
|
16.11.2005
|
1,5
|
|
5. Отладка
|
16.11.2005
|
18.12.2005
|
1
|
|
6. Подготовка документации
|
18.12.2005
|
27.12.2005
|
0,2
|
|
7. Тестирование
|
27.12.2005
|
01.01.2006
|
0,2
|
|
Итого:
|
4 месяца
|
Таблица 4.4 Единовременные затраты на материалы
|
Наименование и
характеристики
|
Кол-во
|
Цена шт (в руб.РФ)
|
|
1
|
Дистрибутив Visual C++
(свободно распространяемый компилятор)
|
1
|
60
|
|
2
|
Расходные материалы
|
1
|
1000
|
|
3
|
Канцелярские товары
|
1
|
1200
|
|
Общая стоимость: 2260
|
Таблица 4.5 Расчёт основной и дополнительной заработной платы на этапе
изыскательных работ
|
Категория персонала
|
Кол-во человек
|
Основная зарплата
|
Доп. Зарплата
|
Время занятий, мес.
|
Сумма, руб
|
|
Разработчик-программист
|
1
|
12000
|
1680
|
4
|
54720
|
Для учёта затрат на этапе написания аппаратно-программного комплекса и
его отладки определим себестоимость машино-часа работы ЭВМ. Необходимые формулы
приведены в табл. 4.6.
Таблица 4.6 Формулы для расчёта себестоимости машино-часа работы ЭВМ
|
Формулы для расчёта
|
Условные обозначения
|
|
С = Зо+ Зд + Зсс + Зм + Зээ
+ За + Зпр
|
Зо - основная з/п
персонала, руб./час Зд - доп. з/п персонала, руб./час Зсс - отчисления на
гос.страх., руб./час Зм - затраты на материалы, руб./час Зээ - затраты на
потр.энергию, руб./час За - амортизация выч.средств, руб./час Зпр - прочие
производ. расходы, руб./час
|
|
Зо = Зосн /(m * 8)
|
Зосн - основная з/п
программиста, руб./час m - ср. кол-во рабочих дней в месяце m=21
|
|
Зд =( Нд /100)* Зо
|
Нд - процент доп. з/п
персонала (14%)
|
|
Зсс =( Нсс /100)*( Зо + Зд)
|
Нсс - процент отчисления на
соц.обеспечение
|
|
Зээ =å qj * Nj * S
|
qj - число j-х технических
средств ЭВМ Nj - потр. мощность j-х технических средств, кВт S - стоимость
кВт/ч электроэнергии (0.75 руб.)
|
|
За=а* Sэвм /(100*8*m)
|
a - годовая норма
амортизации ЭВМ (20%) Sэвм - балансовая стоимость ЭВМ (16000 руб.)
|
|
Зпр =( Нпр /100)*( Зо + Зээ
+ За)
|
Нпр - процент прочих
произв. расходов (50%)
|
Основная заработная плата:
Зо = 6000 / (21* 8) = 71 руб./час;
Дополнительная заработная плата:
Зд = (14 / 100) * 71 = 10 руб./ час.;
Отчисления на соцобеспечение:
Зсс = (71 / 100) * (71 + 10) = 30 руб./ час;
Затраты на материалы рассматриваем как единовременные и здесь не
учитываем
Затраты на электроэнергию:
Зээ = 0.75 * 0.2 = 0.15 руб./час;
Амортизация:
За = 20 * 16000 / (100 * 8 * 21 * 12) = 1.6 руб./час;
Прочие производственные расходы:
Зпр = 50 / 100 * ( 35.71 + 0.15 + 1.6 ) = 18,73 руб./час.
Таким образом, себестоимость машино-часа работы ЭВМ составит:
С = 71 + 10 + 30 + 0.15 + 1.6 + 18,68 = 131,24 руб./час.
Однако, при расчёте себестоимости машино-часа учитывались затраты лишь на
ЭВМ, занятой для решения данного вопроса. А нам необходимо ещё учитывать
затраты на ремонт оборудования. Затраты на ремонт составляют 10% от стоимости
оборудования, т.е.
Зр = 10 * Sэвм / (8 * m * 12 * 100);
Зр = 10 * 16000 / (8 * 21 * 12 * 100) = 0.79 руб./час.
Таким образом, себестоимость машино-часа работы
С = 131,24 + 0.79 = 132 руб./час.
Зная себестоимость машино-часа работы ЭВМ, можно определить затраты на
написание программного комплекса и его отладку по формуле:
Знп-о = С * t ,
где t = 672 - время написания программного комплекса и его отладки,
час(84 рабочих дня).
Получим:
Знп-о = 77,5 * 672 = 52800 руб.
Итоговая калькуляция сметной стоимости работ приведена в табл. 7
Таблица 7 Итоговая калькуляция сметной стоимости затрат по теме
|
Наименование статей затрат
|
Всего по теме, руб.
|
|
Материалы
|
2260
|
|
Основная заработная плата
|
48000
|
|
Дополнительная заработная
плата
|
6720
|
|
Все виды социального
обеспечения
|
24470
|
|
Прочие производственные
расходы
|
31520
|
|
Итого:
|
112970
|
Стоимость НИОКР по данной теме составляет К1= 112970 руб.
Итоговая величина затрат на этапе разработки и отладки равна:
К = К1 + Знп-о = 112970 + 52800 = 165770 руб.
В целом показатели на этапе разработки характеризуются величиной
стоимости работы по теме К и дисконтным множителем. Величина дисконтного
множителя равна 1 (т.к. t = 4 мес. не дисконтируется).
Таким образом, величина затрат на разработку составляет 165770 руб.
.5 Расчет вложений на этапе разработки и отладки альтернативного варианта
Общая продолжительность на этапе разработки и отладки равна 4 месяцам.
Недостаток данного варианта - пользователю необходимо иметь установленную
программу Access.
Сметная стоимость работ, выполняемых в течении этого времени,
определяемые методом расчёта по отдельным статьям сметной калькуляции на основе
анализа данных по технической подготовке производства. Исходная информация и
расчёт отдельных статей калькуляции сведены в таблицах.
Таблица 4.8 Единовременные затраты на материалы
|
№
|
Наименование и
характеристики
|
Кол-во
|
Цена шт
(в руб.РФ)
|
|
1
|
Дистрибутив Access
|
1
|
12800
|
|
2
|
Расходные материалы
|
|
1000
|
|
3
|
Канцелярские товары
|
1
|
1200
|
|
Общая стоимость: 15000
|
Таблица
4.9 Расчёт основной и дополнительной заработной платы на этапе изыскательных
работ
|
Категория персонала
|
Кол-во человек
|
Основная зарплата
|
Доп. Зарплата
|
Время занятий, мес.
|
Сумма, руб
|
|
Разработчик-программист
|
1
|
12000
|
1680
|
4
|
54720
|
Итоговая калькуляция сметной стоимости работ приведена в табл. 4.10
Таблица 4.10 Итоговая калькуляция сметной стоимости затрат по теме
|
Наименование статей затрат
|
Всего по теме, руб.
|
|
Материалы
|
15000
|
|
Основная заработная плата
|
48000
|
|
Дополнительная заработная
плата
|
6720
|
|
Все виды социального
обеспечения
|
24470
|
|
Прочие производственные
расходы
|
31520
|
|
Итого:
|
125710
|
Стоимость НИОКР по данной теме составляет К1= 125710 руб.
Итоговая величина затрат на этапе разработки и отладки равна:
К = К1 + Знп-о = 125710+ 52800 = 178510 руб.
В целом показатели на этапе разработки характеризуются величиной
стоимости работы по теме К и дисконтным множителем. Величина дисконтного
множителя равна 1 (т.к. t = 4 мес. не дисконтируется) [15].
Таким образом, величина затрат на разработку составляет 178510 руб.
Расчёт вложений по годам этапа эксплуатации.
Общая продолжительность этапа эксплуатации равна 2 года. Затраты на этапе
эксплуатации будут складываться из заработной платы пользователя,
непосредственно работающего с данным программным продуктом, затрат на ремонт и
техническое обслуживание, затрат на электроэнергию.
Эксплуатационные издержки потребителя составят:
И = (Зп + Зр + Зээ) * t ,
где t -время эксплуатации (4032 часов);
Зп - заработная плата пользователя;
Зр - затраты на ремонт;
Зээ - затраты на электроэнергию.
Эти издержки одинаковы для обоих вариантов:
И = (71 + 0.79 + 0.15) * 4032 = 286030 руб.
Итоговые показатели технико-экономической эффективности.
Динамика показателей на этапе эксплуатации для основного и альтернативного
варианта приведены в табл. 4.11.
Таблица 4.11
Динамика показателей на этапе эксплуатации
|
Показатели
|
Год этапа эксплуатации
|
|
1-й
|
2-й
|
|
основной вариант
|
альтернативный вариант
|
основной вариант
|
Альтернативный вариант
|
|
Годовые издержки эксплуатации
|
286030
|
286030
|
286030
|
286030
|
|
Дисконтный множитель
|
0.9091
|
0.9091
|
0.8264
|
0.8264
|
В результате современная величина затрат на этапе эксплуатации для обоих
вариантов составит:
(0.9091 + 0.8264) *286030 = 486251 руб.
Показатель итоговой величины затрат:
для основного варианта:
+ 486251 = 652021 руб.
для альтернативного варианта:
+ 486251 = 664761 руб.
Показатели технико-экономической эффективности разрабатываемого продукта
сведены в табл. 4.12.
Таблица 4.12 Показатели технико-экономической эффективности.
|
Ожидаемая ставка процента,
%
|
10
|
10
|
|
Современная величина затрат
на разработку и отладку ПП, руб.
|
165770
|
178510
|
|
Современная величина затрат
на эксплуатацию ПП, руб.
|
486251
|
486251
|
|
Показатель итоговой
величины современных затрат, руб.
|
652021
|
664761
|
Вывод: Сравнение сумм современных затрат по двум возможным вариантам
вложения инвестиций показывает, что предпочтительным для финансирования
является основной вариант проекта, для осуществления которого при прочих равных
условиях требуется меньшая современная сумма затрат.
ГЛАВА 5. БЕЗОПАСНОСТЬ
ЖИЗНЕДЕЯТЕЛЬНОСТИ
голосовое электрическое
устройство распознавание речь
Безопасность и санитарно-гигиенические условия труда на рабочем месте
оператора ПЭВМ.
Данная дипломная работа посвящена разработке комплекса программ для
создания аудиовизуальных баз данных. Разрабатываемый комплекс входит в состав
многомодального интерфейса, обеспечивающего дикторонезависимый ввод речи, её
обработку, распознание и дальнейшее выполнение речевой команды. Работа,
связанная с созданием аудиосистемы производится при помощи персонального
компьютера.
.1 Характеристика санитарно-гигиенических условий труда
Микроклимат на рабочем месте определяется температурой (°С),
относительной влажностью (%), скоростью движения воздуха (м/с).
Микроклимат в рабочей зоне нормируется в соответствии с ГОСТ 12.1.005-88
«ССБТ. Общие санитарно-гигиенические требования к воздуху рабочей зоны» в
зависимости от периода года, категории работ по энергозатратам, избытка явного
тепла.
Работа пользователя ПЭВМ относится к категории легких физических работ
(это работа, производимая сидя, стоя или связанная с ходьбой, но не требующая
систематического напряжения или поднятия и переноса тяжестей).
Согласно ГОСТ 12.1.005-88 категория работы: 1 «а» с энергозатратами
организма до 120 ккал/ч. Согласно СанПиН 2.2.2.542-96 в табл. 5.1 приведены
оптимальные нормы на параметры микроклимата, характерные для данного помещения
в зависимости от периода года и категории работы, рабочее место считается
постоянным.
Таблица 5.1 Оптимальные триметры микроклимата с использованием ПЭВМ
|
Период года
|
Относительная влажность, %
|
Скорость воздуха, м/с
|
|
оптимальная
|
оптимальная, не более
|
оптимальная, не более
|
|
холодный
|
22-24
|
40-60
|
0,1
|
|
теплый
|
23-25
|
40-60
|
0,1
|
Для поддержания допустимых параметров микроклимата в помещении должен
быть обеспечен определенный режим воздухообмена.
Размеры помещения: 12 [м] - длина помещения; 8 [м] - ширина помещения;
h=3 [м] - высота помещения. В помещении работает 7 человек.
Объем помещения: V = 288 [м3].
Согласно санитарным нормам проектирования промышленных предприятий СН
245-71 в помещениях с объемом на каждого работающего более 40 м3 при наличии
окон и при отсутствии выделения вредных и неприятно пахнущих веществ
допускается предусматривать периодически действующую естественную вентиляцию.
Вредных веществ нет.
.2. Электробезопасность
При эксплуатации ПЭВМ напряжение питания сети с глухозаземленной
нейтралью Uпит переменного тока частотой 50 Гц равно 220 В.
Для электроустановок по ГОСТ 12.1.038-88 "ССБТ. Предельно допустимые
значения напряжений прикосновения и токов'1 установлены допустимые значения Uпр
и Iч нормального рабочего режима работы и аварийного режима работы. Нормы для
электроустановок при аварийном режиме работы на переменном токе с частотой 50
Гц представлены в таблице 5.2.
Таблица 5.2. Нормы производственных электроустановок при аварийном режиме
работы на переменном токе частотой 50 Гц.
|
Норм. величина
|
Продолжительность
воздействия t, c
|
|
0,01-0,08
|
0,1
|
0,2
|
0,4
|
0,5
|
0,8
|
1,0
|
Более 1,0
|
|
Uпр, В
|
550
|
340
|
160
|
120
|
105
|
75
|
60
|
20
|
|
Iч, мА
|
650
|
400
|
190
|
140
|
125
|
75
|
50
|
6
|
В аварийном режиме ГОСТ 12.1.038-88 допускает Uпр=160B, Iч= 190мА, а
время воздействия не должно превышать t < 0,2c.
Исходя из предельно допустимых значений напряжения прикосновения и тока,
а также продолжительности воздействия, следует выбрать защитные отключающие
устройства, время срабатывания которых не должно превышать допустимой
длительности прохождения тока через человека tcpa6 < 0,2с.
Помещение характеризуется следующим образом: - сухое,
нежаркое;
с токонепроводящим полом; отсутствует токопроводящая пыль;
отсутствует активная химическая среда.
отсутствует возможность одновременного прикосновения человека к имеющим
соединение с землей металлоконструкциям зданий, с одной стороны, и
металлическим корпусам, - с другой.
Следовательно, класс помещения по степени опасности поражения
электрическим током относится к помещениям без повышенной опасности.
По ГОСТ 12.1.030-81, защитному заземлению или занулению подлежат
металлические нетоковедущие части оборудования, которые из-за неисправности
изоляции могут оказаться под напряжением и к которым возможно прикосновение
людей. Но так как в помещении сеть с глухозаземленной нейтралью, то корпус ПЭВМ
занулению не подлежит.
5.3 Источники шума и вибрации
Согласно СанПиН 2.2.2.542-96 в помещениях всех типов учреждений, в
которых эксплуатируются ПЭВМ, уровни шума и вибрации не должны превышать
допустимых значений, установленных для жилых и общественных зданий (табл. 5.3).
Таблица 5.3. Допустимые значения уровней звукового давления в октавных
полосах частот и уровня звука, создаваемого ПЭВМ.
|
Уровни звукового давления,
дБ в октавных полосах со среднегеометрическими частотами, Гц
|
Уровни звука в дБА
|
|
31,5
|
63
|
125
|
250
|
500
|
1000
|
2000
|
4000
|
8000
|
|
|
86
|
71
|
61
|
54
|
49
|
45
|
42
|
40
|
38
|
50
|
В производственных помещениях, в которых работа с ПЭВМ является основной
вибрация на рабочих местах, не должна превышать допустимых норм вибрации (табл.
5.4).
Шумящее оборудование (печатающие устройства, серверы и т. д.), уровни
шума которого превышают нормативные, должно размещаться вне помещения с ПЭВМ.
Снизить уровень шума в помещениях с ВДТ и ПЭВМ можно использованием
звукопоглощающих материалов с максимальными коэффициентами звукопоглощения в
области частот 63 - 8000 Гц для отделки помещений (разрешенных органами и
учреждениями Госсанэпиднадзора России), подтвержденных специальными
акустическими расчетами.
Дополнительным звукопоглощением служат однотонные занавеси из плотной
ткани, гармонирующие с окраской стен и подвешенные в складку на расстоянии
15-20 см от ограждения. Ширина занавеси должна быть в 2 раза больше ширины
окна.
Таблица 5.4 Допустимые нормы вибрации на рабочих местах ПЭВМ
|
Среднегеометрические
частоты октавных полос, Гц
|
Допустимые значения
|
|
По виброускорению
|
По виброскорости
|
|
мс-2
|
дБ
|
мс-1
|
дБ
|
|
оси X, Y
|
|
2
|
5.3x10
|
25
|
4.5x10
|
79
|
|
4
|
5.3x10
|
25
|
2.2x10
|
73
|
|
8
|
5.3x10
|
25
|
1.1x10
|
67
|
|
16
|
1.0x10
|
31
|
1.1x10
|
67
|
|
31.5
|
2.1x10
|
37
|
1.1x10
|
67
|
|
63
|
4.2x10
|
43
|
1.1x10
|
67
|
|
Корректированные значения и
их уровни в дБ w
|
9.3x10
|
30
|
2.0x10
|
72
|
.4 Пожарная безопасность
Одним из условий обеспечения пожарной безопасности является применение
автоматических средств обнаружения пожаров, так как это позволяет своевременно
известить о пожаре и принять меры к быстрой его ликвидации. В данном помещении
устанавливаются дымовые пожарные извещатели.