Проектирование привода барабана лебёдки
МИНОБРНАУКИ
России
Ухтинский
государственный
технический
университет
Кафедра
СМ и ДМ
Пояснительная
записка к курсовому проекту по деталям машин
Привод
барабана лебёдки
2011
1. Задание
Спроектировать привод барабана
лебёдки по схеме рисунка 1. Привод содержит асинхронный электродвигатель,
компенсирующую муфту, конический одноступенчатый редуктор с прямозубыми
колёсами и цепную передачу. Срок службы редуктора 10 лет при двухсменной
работе. Привод реверсивный. Кратковременные нагрузки не превышают двукратную
номинальную нагрузку. Крутящий момент ,передаваемый на вал барабана 
, и угловая скорость вращения этого
вала 
.
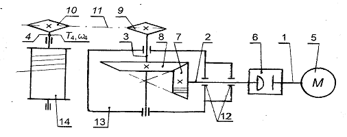
Рисунок 1 - Схема привода
1 - вал электродвигателя; 2 -
вал ведущий редуктора; 3 - вал ведомый редуктора; 4 - вал барабана лебёдки; 5 -
электродвигатель асинхронный; 6 - муфта компенсирующая; 7, 8 - ведущее и
ведомое соответственно колёса редуктора; 9, 10 - ведущая и ведомая
соответственно звёздочки цепной передачи; 11 - цепь; 12- подшипники; 13 -
корпус редуктора; 14 - барабан лебёдки.
2. Кинематический и силовой расчёт
привода
.1 Выбор электродвигателя
По /1, табл. 1.1/ примем:з = 0,97 -
к. п. д. пары зубчатых колёс;п = 0,99 - коэффициент, учитывающий
потери пары подшипников качения;цп = 0,95 - к. п. д. открытой цепной
передачи.м = 0,99 - коэффициент, учитывающий потери на муфте;
Общий к. п. д. привода
;
Требуемая мощность электродвигателя
(кВт).
С учетом требуемой мощности
=2,33 кВт
рассмотрим возможность выбора асинхронных двигателей серии 4А с номинальными
мощностями Рн=2,2кВт и Рн=3 кВт /4,стр.406/.Для первого перегрузка составляет
;(2,33-2,2)·100/2,2=5% при допускаемой перегрузке 5%. Для второго недогрузка
составляет;(3-2,33)·100/3= 22% при допускаемой 20%. Поэтому остановим выбор на
двигателе мощностью 2,2кВт. Для двигателей с мощностью 2,2 кВТ рассчитаны
следующие номинальные частоты вращения nн: 705; 949;
1423; 2871 об/мин.
Номинальные частоты вращения:
nн =
3000·(1-4,3/100) = 2871 (об/мин);
nн =
1500·(1-5,1/100) =1423 (об/мин);
nн =
1000·(1-5,1/100) = 949 (об/мин);
nн = 750·(1-6/100) =
705 (об/мин).
Для ориентировки в выборе двигателя по частоте
вращения оценим передаточное отношение привода iср
, вычисленное по, примерно, средним значениям рекомендуемых передаточных
отношений отдельных передач. Возьмем/1,стр.7/ эти значения для цепной и
зубчатой конической передач соответственно iср.ц=
4,5 iср.з=4. После
перемножения получим в результате iср=4,5·4=18.
Частота вращения ведомой звездочки n4=30·
/p=30·5,23/3,14=49,99
(об/мин).
При таком передаточном отношении
привода iср=18 и
частоте вращения ведомой звездочки n4=49,99
об/мин потребуется двигатель с частотой вращения:
n= iср· n4=18·49,99=900
(об/мин).
Окончательно выбираем /1,стр.390/
ближайший по частоте вращения асинхронный электродвигатель марки 4А100L6У3 со
следующими параметрами : - номинальная мощьность Рн=2,2 кВт;
номинальная частота вращения nн = 949
об/мин;
отношение пускового момента к
нормальному Тп/Тн=2,0. 2.2 Передаточные отношения привода и отдельных его
передач Общее передаточное отношение привода при частоте вращения входного вала
привода n1 = nн =
900об/мин iобщ = n1/ n4 = nн / n4 =949/49,99
=18,99.
Примем /1,стр.7/ передаточное
отношение для зубчатой передачи iз = 5.
Тогда на долю цепной передачи
остается передаточное отношение Iц = iобщ/ iз = 18,99/5
= 3,8.
Проверка : iобщ = 3,8·5
= 19 убеждает в правильности вычислений.
2.2 Частоты вращения, угловые
скорости, мощности и моменты на валах привода
Частоты вращения валов
n1 = nн = 949
(об/мин);
n2 = n1 = 949
(об/мин);
n3 = nдв/iз = 949/5 =
189,8 (об/мин);4 = n3/iцп = 189,8/3,8 = 49,95
(об/мин).
Угловые скорости валов:
w1 =
w2 = p×n1/30
= 3,14·949/30 = 99,33 (рад/с);
w2 =
w1 = 99,33 (рад/с);
w3 =
w2/iз
= 99,33/5 = 19,87 (рад/с);
w4 =
w3 /iцп
=
19,87/3,8 = 5,23 (рад/с).
Мощности на валах привода:
P1 =
Pн =
2,2 (кВт);
P2 =
P1×hп×hм
= 2,2∙0,99∙0,99 = 2,156 (кВт);
P3 =
P2×hз×hп
= 2,16∙0,97∙0,99 = 2,07 (кВт);
P4 =
P3×hц
= 2,07 ∙0,95 = 1,967 (кВт).
Моменты на валах привода:
Т1 = Р1/w1
= 2,2 ·103/99,33 = 22,15 (Н×м);
Т2 = Р2/w2
= 2,156 ·103/99,33 = 21,71 (Н×м);
Т3 = Р3/w3
= 2,07 ·103/19,87 = 104,18 (Н∙м);
Т4 = Р4/w4
= 1,967 ·103/5,23 = 376,1 (Н∙м).
Максимальный момент при перегрузке на первом
валу (на валу двигателя)
Номинальной мощности двигателя Рн =
2,2 кВт соответствует номинальный момент
Тн = Рн/w1
=
2,2·103/99,33 = 22,15 (Н·м).
Отсюда
Т1max
=2·Тн = 2·22,15= = 44,3 (Н·м).
Очевидно, при кратковременных перегрузках максимальные
моменты на всех остальных валах будут превышать моменты, рассчитанные при
передаче требуемой мощности/см.пункт 2.3.4/, в Т1max/Tн
=
44,3/22,15 = 2 раза.
Исходя из этого соображения, получаем:
Т1max
=
2×T1
= 2·22,15 = 44,3 (Н×м);
Т2max
=
2×T2
= 2·21,71 = 43,42 (Н×м);
Т3max
=
2T3
= 2·104,18 = 208,36 (Н×м);
Т4max
=
2×T4
= 2·376,1 = 752,2 (Н×м).
Результаты расчетов, выполненных в подразделе
2.3, сведены в таблицу 2.1, основные параметры.
Таблица 2.1 ̶
Частоты вращения, угловые скорости, мощности и моменты на валах привода
|
№
вала по рис. 1
|
n,об/мин
|
Р,
кВт
|
Т,
Н×м
|
Tmax, Н×м
|
|
1
|
949
|
99,32
|
2,2
|
22,15
|
44,3
|
|
2
|
949
|
99,32
|
2,156
|
21,71
|
43,42
|
|
3
|
189,8
|
19,87
|
2,07
|
104,18
|
208,36
|
|
4
|
49,95
|
5,23
|
1,967
|
376,1
|
752,2
|
3. Расчёт зубчатых колёс редуктора
Примем для шестерней колеса одну и туже марку
стали с различной термообработкой (полагая , что диаметр заготовки шестерни не
превысит 120 мм).
По табл. 3.3 принимаем для шестерни сталь 40Х
улучшенную, твердости HB
270; для колеса сталь 40Х улучшенную, твердости HB
245.
Допускаемое контактное напряжение:
[δH]=
.
δHlim b -предел
контактной выносливости при базовом числе циклов.
По табл. 3.2 для углеродистых сталей
с твёрдостью поверхности зубьев менее HB 350 и
термообработкой улучшением для колеса δHlim b =2HB+70=560. КHL -
коэффициент долговечности, при длительной эксплуатации КHL=1. [n]H -
коэффициент безопасности, при улучшении [n]H=(1,1ч1,2),
принимаем [n]H=1,15
Находим допускаемое напряжение по
колесу:
[δH]=
МПа
Коэффициент нагрузки при консольном
расположении шестерни по табл. 3.1 принимаем КHB=1,3.
Коэффициент ширины венца по
отношению к внешнему конусному расстоянию ΨВRe=0,285.
Внешний делительный диаметр колеса
принимаем по стандарту СТ СЭВ 229-75
ближайшее значение dе2=250 мм.
Примем число зубьев шестерни Z1=20, число
зубьев колеса Z2=Z1·u=20·5=100.
Примем z2=100, тогда u = z2 /z1 =
100/20=5.
Отклонение от заданного состовляет
0%, что меньше установленных ГОСТ 12289-76 3%.
Внешний окружной модуль
Уточняем значение
Отклонение от стандартного значения
составляет 0%
Углы делительных конусов :
Внешнее конусное расстояние
и длины
зуба
принимаем
=36 мм.
Внешний делительный диаметр шестерни:
средний делительный диаметр шестерн:
Внешние диаметры шестерни и колеса
(по вершинам зубьев):
Средняя окружная скорость колес
Для конической передачи назначаю 7-ю
степень точности.
Для проверки контактных напряжений
определяем коэффициент нагрузки:
при
=0,7 , консольном расположении колес
и твердости HB<350
коэффициент, учитывающий распределение нагрузки по длине зуба,
1,27/1,
стр.39/.
Коэффициент, учитывающий
распределение нагрузки между прямыми зубьями,
/1, стр.39/.
Коэффициент, учитывающий
динамическую нагрузку в зацеплении, для прямозубых колес при
5 м/с
1,05 /1,
с.40/.
Таким образом,
1,27∙1,0∙1,05=1,334.
Проверяем контактное напряжение по
формуле
.
Коэффициент нагрузки
при
консольном расположении колес,
валах на роликовых подшипниках и твердости НВ<350 значениях
/1,
стр.43/.
при твердости НВ<350, скорости v=2,08 м/с и
7-й степени точности
/1, с.43/.
Итак,
YF-коэффициент
формы зуба выбираем в зависимости от эквивалентных чисел зубьев: для шестерни
для колеса

При этом YF1 = 4,07 и YF2 = 3,60 /1,
стр.42/.
Допускаемое напряжение при проверке
зубьев на выносливость по напряжениям изгиба для стали 40Х улучшенной при
твердости НВ<350
НВ/1,
стр.44/.
Для шестерни
для колеса
коэффициент запаса прочности
. По /1,
стр.44/
для поковок
и штамповок
таким
образом,
Допускаемое напряжение при расчете
зубьев на выносливость:
для шестерни
для колеса
для шестерни отношение
для колеса
Дальнейший расчет ведём для зубьев шестерни, так
как полученное отношение для него меньше.
4. Предварительный расчёт валов
редуктора
Расчёт выполняем на кручение по пониженным
допускаемым напряжениям.
Крутящие моменты в поперечных сечениях валов :
ведущего вала Т2=21,71·103
Н·м
ведомого вала Т3=104,18·103
Н·м
Диаметр выходного конца вала
определяем при допускаемом напряжении [τ]=25
dв2=
мм
Первый вал принадлежит
электродвигателю, его диаметр dв1=28мм.
Для ведмого вла назначим сталь 45 по
ГОСТ 1050-88 нормализованную.
Принимаем :
для вала dв2=0,75·dдв=0,75·28=22
мм
для подшипников dП2=30 мм
Диаметр выходного конца вала dв3 определяем
при меньшем допускаемом напряжении [τ]=20
, чем
учитываем влияние изгиба от натяжения цепи.
dв3=
мм
принимаем :
для вала dв3=30 мм
для подшипников dП3=35 мм
для колеса dК3=40 мм
5. Конструктивные размеры шестерни и
колеса Шестерня выполнена за одно целое с ведущим валом редуктора
Колесо:
Коническое зубчатое колесо кованое.
Его размеры : dае3=250,95
мм; b3=36
мм;
диаметр ступицы : dст=1,6·
dК3=1,6·40=64
мм; - длина ступицы : lст=(1,2ч1,5)
· dК3=(1,2ч1,5)
·40=42ч53 мм; принимаем lст=54
мм. Толщина обода : δ0=(3ч4)
·me=2,5· (3ч4)=7,5ч10
мм; принимаем
δ0=8
мм;
толщина диска : С=(0,1ч0,17) ·Re=(0,1ч0,17)
·127,48=12,748ч21,67 мм;
принимаем С=14 мм.
6. Конструктивные размеры корпуса
редуктора
Толщина стенок корпуса и крышки:
δ= 0,05·Re+1=0,05·127,48+1=7,374
мм, принимаем δ=8мм;
δ1=0,04·Re+1=0,04·117,4+1=5,696
мм, принимаем δ1=8мм.
Толщина фланцев (поясов) корпуса и крышки.
верхний пояс корпуса и пояс крышки:
b=1,5·δ=1,5·8=12
мм
b1=1,5·δ1=1,5·8=12
мм
нижний пояс корпуса:
p=2,35·δ=2,35·8=18,8
мм ; принимаем p=20 мм.
Диаметры болтов :
фундаментных :
d1=0.055·Re+12=0,055·127,48+12=19
мм
выбираем болт с резьбой М20 - крепящих крышку к
корпусу у подшипника;
d2=(0,7ч0,75)
·d1=14ч16
мм
выбираем болт с резьбой М16
- соединяющих крышку с корпусом ;
d3=(0,5ч0,6)
·d1=10ч12
мм
выбираем болт с резьбой М12. 7 Расчёт параметров
цепной передачи
Вращающий момент на ведущей звёздочке
Передаточное число цепной передачи : iц=
3,8.
Число зубьев ведущей звёздочке
Z3=31-2·
iц=31-2·3,8=23,8,
принимаем число зубьев ведущей звёздочки Z3=24.
Число зубьев ведомой звёздочки Z4=Z3·
iц=24·3,8=91,2, принимаем Z4=92.
Проверяем передаточное число цепной передачи
iц=
отклонение
что допустимо.
Шаг однорядной цепи в миллиметрах ориентировочно
вычисляется по формуле
Т4 - вращающий момент на
валу колеса, Н×м;
Кэ - расчётный
коэффициент нагрузки;
Z3 - число
зубьев ведущей звёздочки;
[P] -
допускаемое давление в шарнире цепи, МПа;
m - число
рядов цепи.
Расчётный коэффициент нагрузки :
Кэ = Кд × Ка
× Кн × Кр
× Кс
× Кп,
Кд - динамический
коэффициент , при спокойной нагрузке Кд=1.
Ка - коэффициент,
учитывающий влияние межосевого расстояния , при
а=(30ч50)t ; Ка=1
Кн - коэффициент,
учитывающий влияние угла наклона линии центров передачи ,
Кн=1 при угле наклона до
600.
Кр - коэффициент,
учитывающий способ регулирования натяжения цепи , при периодическом
регулировании Кр=1,25.
Кс - коэффициент,
учитывающий способ смазывания передачи , при капельной смазке Кс=1.
Кп - коэффициент, учитывающий
периодичность работы передачи , при двухсменной работе Кп=1,25.
Кэ=1·1·1·1,25·1·1,25=1,56
При n3=189.9 
принимаем по табл. 7.18 допускаемое
давление в шарнире цепи [Р]=25
и m-число рядов
цепи m=1.
17,66 мм
принимаем по табл. 7.15 цепь с шагом
t=19,05 мм.
Данная цепь имеет нижеследующие
характеристики :
разрушающая нагрузка Q=31,80 кН;
масса 1 метра цепи q=1,9
;
проекция опорной поверхности шарнира
Aоп=105,8 мм2,
принимаем цепь ПР- 19,05-3180 (ГОСТ
13568-75).
Скорость цепи
V=
Окружное усилие цепи :
Ftц=
(Н).
Проверяем давление в шарнире :
Р=
(МПа),
условие Р≤[Р] выдержано.
Межосевое расстояние цепи ац=50·t=50·19,05=952,5
(мм).
Силы действующие на цепь:
окружная Ftц=1427,59
Н;
от центробежных сил Fv=q·V2=1,9·1,45=3,99
(Н);
от провисания цепи при kf=6,
q=1,9кг/м; Рf=9,81·Кf·q·a.
Pf=9,81·6·1,9·0,953=106,6
(Н)
Сила давления на вал :
Rц=Рц+2·Рf=1707,7+2·84=1875,9
(Н)
Диаметр делительной окружности ведущей
звездочки:
ddз=
145,95 (мм).
Диаметр наружной окружности :
Deз=
154,46(мм).
Проверяем коэффициент запаса цепи на
растяжение:
Это больше, чем требуемая величина [s]=7,95, т.е.
условие s>[s] выполнено.
Размер ведущей звездочки:
Ступица звёздочки dст. з=1,6·dв3=1,6·30
48 мм;.
Толщина диска звёздочки :
tз=0,93·ВВН=0,93·12,7
12 мм.
7.
Первый этап компоновки редуктора
Выбираем способ смазки :
Зацепление зубчатой пары смазывается путём
окунания зубчатого колеса в масло; подшипники ведомого вала смазываются
пластичной смазкой, ведущего - разбрызгиваением.
Камеры подшипников ведомого вала отделяем от
внутренней полости корпуса мазеудерживающими кольцами.
Наносим габариты подшипников ведущего вала ,
наметив предварительно внутреннюю стенку корпуса на расстоянии X=10мм
от торца шестерни и отложив зазор между стенкой корпуса и торцом подшипника Y1=15
мм.
Определим размер а1 ,определяющий
положение радиальной реакции конического подшипника:
а1 =
мм
Принимаем между реакциями
подшипников ведущего вала размер С1 .
С1= (1,4ч2,3) ·f1
104