Проект цифровой радиорелейной линии г. Уфа - г. Челябинск
ФГОБУ ВПО «СибГУТИ»
Кафедра СРС
Курсовой проект
«Проект цифровой радиорелейной линии
г. Уфа - г. Челябинск»
Выполнил:
Игнатенко Д.В
студент группы М83
Проверил:
Маглицкий Б.Н.
Новосибирск 2011г
Содержание
1. Введение
. Краткая характеристика
региона проектирования
. Выбор трассы ЦРРЛ
. Разработка схемы
организации связи
.1 Выбор радиотехнического
оборудования
.2 Выбор мультиплексора
.3 Схема организации связи
. Расчет качественных
показателей проектируемой ЦРРЛ
.1 Расчет устойчивости связи
для малых процентов времени
.1.1 Определение нормы на
устойчивость связи
.1.2 Построение профиля
пролета
.1.3 Расчёт
минимально-допустимого множителя ослабления
.1.4 Расчет устойчивости
связи на пролетах ЦРРЛ
.1.5 Расчет замираний для всей
ЦРРЛ Tож(Vмин)
.1.6 Оптимизация высот
подвеса антенн
.2 Расчет диаграммы уровней
на пролетах ЦРРЛ
Заключение
Список используемой
литературы
1. Введение
Радиорелейные и другие беспроводные (оптические) системы связи
применяются как альтернатива проводным (медным или оптоволоконным) системам
там, где прокладка кабеля невозможна или экономически невыгодна и там, где
требуется развернуть связь в короткие сроки.
Радиорелейные сети связи строятся на основе двух технологий: PDH и SDH.
Потоки, предлагаемые радиорелейными линиями с технологией PDH, считаются
средне- и низкоскоростными. Для организации высокоскоростных потоков используют
технологию SDH. Скорость передачи таких систем колеблется от 2 мбит/с до уровня
STM-16.
За шесть десятилетий своего развития радиорелейные линии (РРЛ)
превратились в эффективное средство передачи огромных массивов на расстояния в
тысячи километров, конкурируя с другими средствами связи, в том числе
кабельными и спутниковыми, удачно дополняя их.
Современные радиорелейные линии связи позволяют передавать телевизионные
программы и одновременно сотни и тысячи телефонных сообщений. Для таких потоков
информации требуются полосы частот до нескольких десятков, а иногда и сотен
мегагерц и соответственно несущие не менее нескольких гигагерц. Известно, что
радиосигналы на этих частотах эффективно передаются лишь в пределах прямой
видимости. Поэтому для связи на большие расстояния в земных условиях приходится
использовать ретрансляцию радиосигналов. На радиорелейных линиях прямой
видимости в основном применяют активную ретрансляцию, в процессе которой
сигналы усиливаются.
Аппаратура РРЛ строится обычно по модульному принципу. Функционально
выделяют модуль стандартных интерфейсов, обычно включающих в себя один или
несколько интерфейсов PDH (E1, E3), SDH (STM-1), Fast Ethernet или Gigabit
Ethernet или сочетание перечисленных интерфейсов, а также интерфейсы управления
и мониторинга РРЛ (RS-232 и др.) и интерфейсы синхронизации. Задача модуля
стандартных интерфейсов заключается в коммутации интерфейсов между собой и
другими модулями РРЛ. Конструктивно модуль стандартных интерфейсов может
представлять собой один блок или состоять из нескольких блоков, устанавливаемых
вединое шасси.
Сегодня РРЛ стали важной составной частью сетей электросвязи - ведомственных,
корпоративных, региональных, национальных и даже международных, поскольку имеют
ряд важных достоинств, в том числе:
возможность быстрой установки оборудования при небольших капитальных
затратах;
экономически выгодная, а иногда и единственная, возможность организации
многоканальной связи на участках местности со сложным рельефом;
возможность применения для аварийного восстановления связи в случае
бедствий, при спасательных операциях и в других случаях;
эффективность развертывания разветвленных цифровых сетей в больших
городах и индустриальных зонах, где прокладка новых кабелей слишком дорога или
невозможна;
высокое качество передачи информации по РРЛ, практически не уступающие
ВОЛС и другим кабельным линиям.
Таким образом, гибкость, надежность и легкость монтажа радиорелейных
систем, зачастую являются определяющими факторами в выборе технологии
построения линий современных систем связи.
Целью данной курсовой работы является проектирование ЦРРЛ г.Уфа -
г.Челябинск. Т.е. создание магистральной высокоскоростной цифровой связи в
индустриально развитой области России.
2. Краткая характеристика региона проектирования
Уфа - столица Башкортостана. Расположена реке Белая (приток Камы), при
впадении в нее рр. Уфа и Дема. Климат континентальный. Средняя температура
января -17°С, июля - +16°С. Уфа - важный транспортный узел:
ж.-д. (линии на Москву, Челябинск, Тюльган), речной, трубопроводный,
автомобильный и воздушный. Уфа - крупный индустриальный центр, на ее
предприятиях производится более 40% валовой продукции промышленности
республики. Главные отрасли промышленности: нефтеперерабатывающая, химическая,
машиностроение. Среди предприятий химической промышленности выделяются заводы:
синтетического спирта, резинотехнических изделий, химический. Машиностроительные
заводы выпускают оборудование для горнодобывающей и нефтяной промышленности,
автомобильные двигатели, геофизические приборы Население города Уфа составляет
800 тысяч человек.
Челябинск, город, центр Челябинской области, важный экономический,
культурный и научный центр России, крупный транспортный узел. Расположен на
восточном склоне Южного Урала, по берегам р. Миасс (бассейн р. Оби). Площадь
486 км2. Население 1007 тысяч человек.
Челябинск. - один из важных индустриальных центров страны; главной
отрасли промышленности: чёрная металлургия, машиностроение, пищевая. Крупнейшие
заводы: Челябинский металлургический завод (полного цикла), трубопрокатный,
электролитный цинковый, дорожных машин, станкостроительный, кузнечно-прессовый,
механический, автотракторных прицепов, электромашин, "Теплоприбор",
"Челябживмаш", инструментальный, абразивный, часовой.
Тракторостроительное объединение включает заводы тракторный и тракторных
агрегатов, которые выпускают тракторы для промышленности и строительства.
Химическая промышленность представлена лакокрасочным и химико-фармацевтическими
заводами; лёгкая промышленность - прядильно-ткацкой, обувной и трикотажной
фабриками, кожевенным заводом; пищевая промышленность - мясокомбинатом,
мельзаводом, молочным комбинатом, макаронной и кондитерской фабриками. В
Челябинске развита промышленность стройматериалов (заводы: металлоконструкций,
крупнопанельного домостроения, гипсовых изделий, кирпичные и др.), имеются
деревообрабатывающий комбинаты; ряд ТЭЦ.
В Челябенске сходятся широтные и меридиональные ж.-д. магистрали: Москва
- Куйбышев - Уфа - Челябинск - Курган - Омск - Новосибирск и Полуночное - Серов
- Н. Тагил - Свердловск - Челябинск - Орск - Кандагач. Имеется также ж.-д.
выход на Северный Урал через Каменск-Уральский. Узел автодорог республиканского
и областного значения. Аэропорт. Газопроводы: Средняя Азия - Урал и Север
Тюменской области - Урал снабжают город природным газом.
На основании выше изложенного можно сделать вывод, что проектирование
данной ЦРРЛ является целесообразной и экономически оправдано.
3. Выбор трассы ЦРРЛ
Оптимальный выбор трассы ЦРРЛ и основных параметров линии -
основополагающая задача не только проектирования, но и получения разрешений на
дальнейшую эксплуатацию радиоизлучающих средств.
На проектирование трасс ЦРРЛ выдается техническое задание, в котором
указывается её направление. Расположение на местности промежуточных станций
ЦРРЛ должно выбираться, исходя из технико-экономических соображений, удобства
эксплуатации будущей ЦРРЛ и возможности обеспечения необходимой устойчивости
связи на всех интервалах линии, пролегающих в разных климатических районах. Для
выполнения этих требований необходимо, чтобы станции ЦРРЛ располагались в
пунктах, удобных для их эксплуатации: были бы хорошие подъездные дороги; близко
расположенные линии электропередачи для питания электроэнергией аппаратуры
станций.
Наконец, радиорелейные станции должны располагаться зигзагообразно (т.е.
трасса должна иметь вид ломаной кривой) с тем, чтобы исключить возможность
приема сигналов приемниками станций, расположенными через три интервала.
Максимальные расстояния между ЦРРС определяются задачами организации
связи, а так же расчетом в зависимости от типа аппаратуры, рельефа местности и
допустимой высоты подвеса антенн.
При выборе трассы ЦРРЛ должна быть обеспечена электромагнитная
совместимость проектируемой ЦРРЛ с существующими и проектируемыми спутниковыми
и наземными радиосредствами.
Площадки ЦРРС следует размещать на доминирующих высотах при максимальном
приближении к населенным пунктам, трассам автомобильных и железных дорог.
Необходимо располагать станции в местах с хорошими подъездными путями и
близко расположенных к линиям электропередач. Это достигается при размещении
ПРС недалеко от населенных пунктов. Следующим этапом является выбор мета
расположения ЦПРС. В паспортных данных аппаратуры обычно задается средняя длина
пролета, которая зависит от рабочего диапазона аппаратуры, не более 50 км
(30-35км оптимальный вариант).
При выборе трассы ЦРРЛ должны быть предусмотрены мероприятия гражданской
обороны по требованиям соответствующих нормативных документов.
С учетом выше перечисленных рекомендаций выбрали трассу ЦРРЛ между
пунктами г.Уфа -г.Челябинск вдоль автомобильной дороги, ПРС расположены вблизи
населенных пунктов.
Рисунок 3.1 - Структурная схема ЦРРЛ
ОРС-1- г.Уфа, ПРС-1- п.Иглино, ПРС-2 - п.Урман, ПРС-3 -г.Аша, ПРС-4
-п.Сим, ПРС-5- п.Усть катав, ПРС-6 -п.Бакал, ПРС-7 -п.бердяуш, ПРС-8
-г.Златауст, ПРС-9 -г.Миасс, ПРС-10 -п.Кулуево, ОРС-2 г.Челябинск
Рисунок 3.2 - Трасса ЦРРЛ
4. Разработка схемы организации связи
.1 Выбор радиотехнического
оборудования
Аппаратура радиорелейная: МИК-РЛ8
Предназначена для организации зоновых, местных и технологических систем связи
и передачи данных в диапазоне 7,9-8,4 ГГц. Аппаратура обладает высокой
гибкостью и обеспечивает построение как однопролетных, так и многопролетных РРЛ
с произвольной топологией сети, со скоростью передачи цифрового потока 34,368
Мбит/с. Разработанная аппаратура входит в унифицированную ЦРРС нового поколения
диапазона 8…40 ГГц.
МИК-РЛ8 подходит по следующим условиям:
Скорость передачи Е3,удовлетворяет условиям.
Максимальная протяженность пролета между ПРС 37 км, у данной
аппаратуры - 50км.
Технические характеристики:
|
Рабочий диапазон частот
|
7,9-8,4 ГГц
|
266 МГц
|
|
Разнос частот между стволами
|
3,5 МГц
|
|
Скорость передачи
|
34,368 Мбит/с
|
|
Максимальная протяженность интервала связи/запас на
замирания
|
50км/40дБ
|
|
Конфигурация системы
|
1+0, 1+1, 2+0
|
|
Вид модуляции
|
QPSK
|
|
Излучаемая мощность
|
0 дБВт
|
|
Уровень входного сигнала: BER=10-3 BER=10-6
|
-118дБВт -115дБВт
|
|
Служебная связь
|
Дуплексный цифровой канал
|
|
Диаметр антенны, м
|
0,4; 0,6; 1,0
|
|
Технологический канал связи
|
Цифровой канал с перерывом связи
|
|
Мощность СВЧ сигнала на выходе приемопередатчика
|
0,5; 1,0 Вт
|
|
Стабильность частоты в диапазоне температур ±500С
|
±50*10-6
|
|
Коэффициент шума приемника не более
|
2,5 дБ
|
|
Динамический диапазон приемника
|
>60дБ
|
|
Электропитание оборудования
|
39…72 В
|
|
Мощность потребления ППУ (1+0)
|
20 Вт
|
|
Температура ОС: выносное оборудование
|
-50 +50 0С +5 +40 0С
|
Рисунок 4.1.1 - Упрощенная структурная схема ОС ЦРРЛ для конфигурации
(2+0) Р1, Р2 - регенератор, ПК1, … ПК4 - преобразователь кода, СКР - скремблер,
МД - модулятор, ДМ - демодулятор, ДСКР - дескремблер, ФЛС - фильтр сложения
сигналов, РФ - разделительный фильтр, АФТ - антенно-фидерный тракт, УС -
устройство совмещения, MX -
мультиплексор
Рисунок 4.1.2 - Упрощенная структурная схема промежуточной станции ЦРРЛ с
выделением (вводом) цифровых потоков
4.2 Выбор мультиплексора
Мультиплексор FlexGain FOM4 входит в состав универсальной платформы
FlexGain , которая объединяет в едином конструктиве лучшие технологии передачи
по медным и волоконно-оптическим линиям. FlexGain FOM4 обеспечивает
высококачественную передачу 4-х каналов Е1 по волоконно-оптической линии связи
(ВОЛС) на большие расстояния.
Низкая стоимость и высокая надежность мультиплексора FlexGain FOM4 делает
его привлекательным как при построении новых сетей, так и при расширении уже
существующих.
Мультиплексор FlexGain FOM4 выпускается в автономном конструктиве
minirack (19", 1U) или в виде платы для установки в кассету универсальной
платформы FlexGain .
Для обеспечения жестких требований к надежности ведомственных и
технологических телекоммуникационных сетей в мультиплексоре FlexGain FOM4
предусмотрена возможность установки дополнительного оптического интерфейса,
который обеспечивает "горячее" резервирование (1+1).
Технические характеристики:
Мультиплексор выбирался исходя из условий, что объем передаваемой
информации равен 4Е1 и необходимо выделить в г.Аша 70 каналов. Тогда для
решения этой задачи выбираем мультиплексор на 4 канала Е1 Flex Gain FOM4.
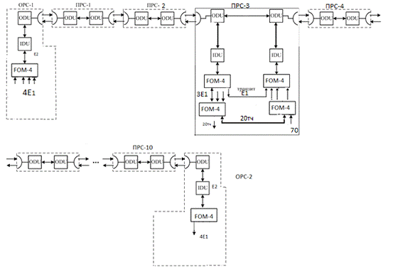
4.3 Схема организации связи
Схема организации связи на проектируемой ЦРРЛ на участке ОРС-1 - ОРС-2
приведена на рисунке 4.3.1. 120 каналов подаются на мультиплексор на выходе
которого формируются 4 потока Е1,которые потом преобразуются в цифровой поток
Е2 поступающие на внутреннее оборудование IDU, где они подвергаются операции преобразования кода,
скремблирования и далее по соединительному кабелю цифровой сигнал поступает на
оборудование наружного размещения ODU, где восстанавливается, преобразуется в линейный код HDB3 и поступает на фазовый модулятор
ОФМ. В направлении приема производятся обратные операции. Для выделения 70
каналов на промежуточной станции ПРС-3 установлен мультиплексор FOM-4 Для E1 организуется цифровой транзит а оставшиеся 3Е1 выделяются
на станции. Ввод на данной ПРС не предусмотрен в соответствии с заданием на
проектирование.
Рисунок 4.3.1. Схема организации связи на участке ОРС-1-ОРС-2
5. Расчет качественных показателей проектируемой ЦРРЛ
.1 Расчет устойчивости связи для
малых процентов времени
цифровой радиорелейный связь мультиплексор
5.1.1 Определение нормы на
устойчивость связи
Нормируемое значение Тдоп(Vмин) выбирается исходя от длины эталлоной ЦРРЛ. Длина участка
ЦРРЛ г.Уфа - г.Челябинск 384км (эталон 600км), значит Тдоп(Vмин)=0,012% распределение независимо от
длины для реальных линий.
.1.2 Построение профиля пролета
Расчет произведем для самого длинного пролета на ЦРРЛ, т.е. наихудшего
случая.
Рассчитаем условный нулевой уровень (УНУ) по формуле:
где
RЗ = 6370
км - радиус земли
R0=37 км - максимальная длина пролета
Кi
- относительная координата точки пролёта
Рассчитываем
профиль интервала по формуле:
=Y1+Y2,
где
Y1 - значения выпуклости поверхности Земли,
Y2 - значения
высот по заданию.
Таблица 5.1.2.1- Расчет УНУ и профиля пролёта
|
Ki
|
0
|
0,1
|
0,2
|
0,3
|
0,5
|
0,6
|
0,7
|
0,8
|
0,9
|
1,0
|
|
Ri км
|
0
|
3,7
|
7,4
|
11,1
|
14,8
|
18,5
|
22,2
|
25,9
|
29,6
|
33,3
|
37
|
|
Y1 (Ki), м
|
0
|
9,7
|
17,2
|
22,6
|
25,7
|
26,8
|
25,7
|
22,6
|
17,2
|
9,7
|
0
|
|
Y2 (Ki), м
|
70
|
92
|
74
|
55
|
79
|
83
|
81
|
79
|
68
|
54
|
58
|
|
Y=Y1+Y2,м
|
70
|
101,7
|
91,2
|
77,6
|
104,7
|
109,8
|
106,7
|
101,6
|
85,2
|
63,7
|
58
|
Расчёт величины просвета Н(0):
Находим величину просвета без учёта рефракции по формуле:
Н(0)=Н0-ΔН(g),
где Н0 - критический просвет, (просвет на пролете - расстояние
между линией, соединяющей центры антенн и критической точкой профиля).
где
R0 - длина
пролета;
λ - длина волны (0,0375 м);
Ki -
относительная координата точки пролета.
Обычно
Н0 определяется в критической точке трассы (в точке наименьшего
просвета) и относительная координата обозначается Ктр.
Рассчитаем
приращение за счет рефракции:
где
- градиент диэлектрической проницаемости тропосферы
Тогда
получим геометрический просвет без учета рефракции H(0):
Произведём
необходимые построения и графическим методом находим высоты подвеса антенн h1 = 55; h2 = 55 м.
Методика
вычисления высот следующая: от наивысшей точки профиля вертикально вверх
откладываем величину просвета без учёта рефракции радиоволн Н(0). Через
полученную точку проводим линию прямой видимости так, чтобы высоты подвеса на
обоих пунктах были примерно одинаковы. Вертикально вниз от наивысшей точки
профиля откладываем отрезок, равный критическому просвету Н0. Через
полученную точку проводим линию, параллельную линии прямой видимости. По точкам
пересечения этой линии с профилем пролёта определяем величину параметра s,
характеризующего протяжённость препятствия на пролёте. Находим высоты подвеса
антенн.

5.1.3 Расчёт минимально-допустимого
множителя ослабления
Vмин = Рпор-Рпд+Асв-Gпд -Gпр+aпрд+aпрм, дБ
где: Рпор - пороговая мощность сигнала на входе приёмника,
дБВт;
Рпд - мощность сигнала на выходе передатчика, дБВт;
Асв - затухание сигнала в свободном пространстве, дБ:
Gпд,Gпр
-коэффициенты усиления передающей и приемной антенн, дБ.
Величина
G рассчитывается по формуле:
где
s - площадь раскрыва антенны:
К1
- коэффициент использования поверхности раскрыва антенны.
В
расчетах принимаем К1 = 0,6.
Суммарную
величину потерь в антенно-фидерном тракте принимаем 2 дБ. Получим:
Vмин = -118-0+141,8-36,2-36,2+2 = -46,6 дБ=100,05*(-46,6)=0,0046раз.
.1.4 Расчет устойчивости связи на
пролетах ЦРРЛ
Причины замираний сигналов на пролетах РРЛ:
Замирания сигналов на пролетах РРЛ обусловлены изменением во времени
величины g (градиента диэлектрической
проницаемости воздуха). Для получения устойчивой связи необходимо, чтобы при
всех возможных для данной местности изменениях g, множитель ослабления не падал ниже за исключением малого
процента времени.
Суммарная устойчивость связи на пролете РРЛ характеризуется суммарным
процентом времени, в течении которого множитель ослабления меньше минимально - допустимого
и определяется по формуле:
где
- процент времени, в течении которого множитель
ослабления меньше минимально-допустимого за счет экранирующего действия
препятствий на пролете РРЛ,
-
процент времени, в течении которого множитель ослабления меньше
минимально-допустимого за счет интерференции прямой волны и волн, отраженных от
земной поверхности,
-
процент времени, в течении которого множитель ослабления меньше
минимально-допустимого за счет интерференции прямой волны и волн, отраженных от
неоднородностей тропосферы,
-
процент времени, в течении которого множитель ослабления меньше
минимально-допустимого за счет деполяризационных явлений в осадках.
Расчет замираний из-за экранирующего
действия препятствий
Величина Т0(Vмин) зависит от протяженности интервала,
длины волны, величины просвета, рельефа местности и рассчитывается после
построения профиля пролета и определения основных его характеристик. При этом Т0(Vмин) зависит от параметра Ψ.
Находим параметр Ψ:
Ψ=2,31А[P(g) - P(g0)] ,
где
σ=7*10-81/м - стандартное отклонение вертикального градиента
диэлектрической проницаемости для климатического района;
λср=0,0375м
- средняя длина волн;
R0=37 км = 37*103м - протяжность пролета;
К=0,5-
из профиля пролета.
P(g) -
относительный просвет. Вычисляется по формуле:
P(g0) - относительный просвет, при котором V=Vмин.
Определяем
P(g0) по
графику 3.1 методических указаний в зависимости от параметра μ:
,
где
l=s/R - нормированная величина s
s получаем путем
построения прямой, параллельной линии, которая соединяет центры раскрыва приемной
и передающей антенн, и отстоящую от вершины препятствия на величину H0=10,7 м.
Получаем:
Зная
m = 1,58 и Vмин= -45дБ определяем
по
графику зависимости множителя ослабления от относительного просвета:
;
Находим
:
Так
как
, то определяем его по графику 3.2 методических
указаний.
Т0(Vмин) = 0,000052%.
Расчет составляющей, обусловленной
интерференцией прямой волны и волн, отраженных от земной поверхности
Вероятность того, что множитель ослабления будет меньше Vмин за счет интерференции прямой и
отраженных от земной поверхности волн, определим:
,
где
=0,051 определяется по графику для определения
двумерной функции в методических указаниях.
Выясним
является ли пролёт пересеченным:
Пересеченным
считается пролет, на котором влиянием отраженных от поверхности Земли радиоволн
можно пренебречь. Пролет считается пересеченным, если выполняется условие:
∆hi ≥ 2H0
где ∆hi -наибольший перепад высот земной поверхности
Н0 - критический просвет.
Определяем параметры из профиля пролёта:
H0
=4,8*2=9,6м
∆hi =109,8м
,8≥9,6
Профиль пролёта пересеченный, значит составляющая
= 0 %
Расчет замираний, обусловленной
интерференцией прямой волны, и волн, отраженных от слоистых неоднородностей
тропосферы
Вероятность того, что множитель ослабления будет меньше Vмин за счет интерференции прямой и
отраженной от тропосферы волны, определяем по формуле:
где
- параметр, учитывающий вероятность возникновения
многолучевых замираний, обусловленных отражениями радиоволн от слоистых
неоднородностей тропосферы с перепадом диэлектрической проницаемости воздуха
.
Vмин - минимальный множитель ослабления для максимального
пролета:
Vмин = 0,0056раз ;
,
где
, климатический коэффициент;
В расчетах полагаем Q = 1.
Rпр - длина пролета в километрах;
f0 - рабочая частота, в ГГц.
%.
Расчет
замираний, обусловленных потерями энергии в осадках
Т.к.
частота передачи равна 8ГГц, замирания радиоволн в осадках не сказываются,
тогда
=0%
Таким
образом, суммарный процент времени замираний на пролете равен:
Расчет замираний для всей ЦРРЛ Tож(Vмин)
Расчет производим по формуле:
где
n - число пролетов на линии.
< 0,012%
Полученное
значение не превышает допустимую величину замираний антенны подвешены на
приемлемой высоте.
.1.6 Оптимизация высот подвеса антенн
В моем случае составляющая замираний, обусловленная интерференцией прямой
волны и волн, отраженных от поверхности Земли, отсутствует (пересеченные
пролеты), поступают следующим образом.
Просвет считается выбранным правильно, если для внутризоновых ЦРРЛ:
Результаты
оптимизации высот подвеса антенн приведены в таблице:
Таблица
5.1.4.1 - Результаты оптимизации высот подвеса антенн
|
Величина
|
Н(0), м
|
|
1,8
|
4,8
|
7,8
|
|
P(g), ед
|
0,71
|
1
|
1,28
|
|
525558
|
|
|
|
|
525558
|
|
|
|
|
-45-45-45
|
|
|
|
|
4,484,795,11
|
|
|
|
|
0,000150,0000550,000015
|
|
|
|
|
000
|
|
|
|
|
12,6912,6912,69
|
|
|
|
|
0,0003970,0003970,000397
|
|
|
|
|
000
|
|
|
|
|
0,0005470,0004520,000412
|
|
|
|
|
0,0060,004970,0045
|
|
|
|
|
Тнорм, %
|
0,012
|
0,012
|
0,012
|
Из таблицы видно, что оптимальный вариант при Н(0)=1,8м. Этого хватает
для выполнения норм, а так же при этом значении высоты подвеса антенн
минимальны (h1 =52м и h2 =52м), что хорошо.
.2 Расчет диаграммы уровней на
пролетах ЦРРЛ
При проектировании ЦРРЛ рассчитывают средние мощности сигнала на входах
приемников всех интервалов линии (точнее мощности при среднем значении
градиента g). Средние значения уровней сигналов
рассчитываются (и сравниваются с измеренными значениями):
v Для оценки качества настройки аппаратуры и антенно-волноводного тракта;
v Для проверки правильности построения профилей пролетов;
v Для оценки точности юстировки антенн;
v Для определения и поддержания в заданных пределах при эксплуатации ЦРРЛ
энергетического запаса аппаратуры на замирания сигнала, определяемого как:
где:
Рср - средний уровень сигнала, дБВт,
Рпор
-пороговый уровень сигнала, дБВт.
Средняя
мощность сигнала на входе приемника:
где:
Ро - мощность сигнала на входе приемника для случая свободного
пространства, определяемая как:
где
Асв - затухание радиоволн в свободном пространстве,
и
-потери энергии в антенно-волноводных трактах.
-уровень
мощности сигнала на выходе передатчика,
и
- коэффициенты усиления передающей и приемной антенн,
-
значение множителя ослабления при среднем значении градиента диэлектрической
проницаемости тропосферы
Величина
находится в зависимости от относительного просвета при
среднем значении градиента по графикам рисунка 3.1 методических указаний в
зависимости от параметра
:
р(g)=0,71
для оптимальной высоты подвеса антенн
Для
полученного значения р(g) по графику рисунка 3.1 методических указаний и для
= 1,5 находим:
Таблица
5.2.1 - Расчет диаграммы уровней
|
P(g)=1,0; (свободное пространство)
|
|
     
|
|
|
|
|
|
|
|
0
|
-1
|
35,2
|
-106,6
|
-71,4
|
-71,4
|
45
|
|
;
|
|
0
|
-1
|
35,2
|
-110,6
|
-75,4
|
-75,4
|
41
|
|
|
|
0
|
-1
|
35,2
|
-151,6
|
-118
|
-118
|
-118
|
Как следует из рисунка 5.2.1, требуемый запас на замирания равен 41 дБ,
что не превышает величину предельно реализуемого запаса на замирания Vз.пр. равного 45 дБ. Таким образом, можно
сделать вывод, что оптимальный просвет на пролете выбран, верно.
Рисунок 5.2.1 - Диаграмма уровней сигнала на пролете ПРС 5 - ПРС 6
Заключение
В данном курсовом проекте в соответствии с заданием спроектирована
ЦРРЛ протяженностью 354 км. Разработана структурная схема цифровой
радиорелейной линии, состоящая из десяти пролетов. Произведен выбор
радиотехнического оборудования, в качестве которого предложена аппаратура
«МИК-РЛ8». Разработана схема организации связи на проектируемой линии с
выделением 70 каналов на промежуточной станции ПРС-3 (г.Аша). Проведен расчет
качественных показателей ЦРРЛ: выбраны оптимальные высоты подвеса антенн,
рассчитана устойчивость связи для малых процентов времени. Расчеты показали,
что на проектируемой ЦРРЛ обеспечивается требуемое качество связи в
соответствии с рекомендациями ВСС РФ. Построена диаграмма уровней сигналов на
заданном пролете, из которой следует, что при выбранных высотах подвеса антенн
обеспечивается требуемый запас на замирания, что свидетельствует о правильности
проделанных расчетов.
При разработки цифровой радиорелейной линии были рассмотрены основные
вопросы реализации данного проекта на практике. Было предложено конкретное
решение и рассчитаны основные параметры, на основе которых решалось
правильность принятых решении.
Список используемой литературы
1 Маглицкий Б.Н. Проектирование цифровых радиорелейных линий:
Учебное пособие/СибГУТИ, г.Новосибирск. - 2006 г.
Конспект лекций по дисциплине "Спутниковые и радиорелейные
системы передачи".
Атлас автомобильных дорог.
4 Маглицкий
Б.Н. Низкочастотные цифровые радиорелейные станции/ СиБГУТИ. - Новосибирск, -
2006 г.