Параметры полевого транзистора

  • Вид работы:
    Реферат
  • Предмет:
    Информатика, ВТ, телекоммуникации
  • Язык:
    Русский
    ,
    Формат файла:
    MS Word
    667,02 kb
  • Опубликовано:
    2011-10-07
Вы можете узнать стоимость помощи в написании студенческой работы.
Помощь в написании работы, которую точно примут!

Параметры полевого транзистора

Содержание

 

Введение

Расчёт параметров полевого транзистора с управляющим р-n переходом

Вывод

Список литературы

Введение


Последнее время очень широкого распространения получили полевые транзисторы, иначе называемые канальными или униполярными. Основным достоинством полевого транзистора есть высокое входное сопротивление, которое может быть таким же, как и у электронных ламп, и даже больше. В настоящее время биполярные транзисторы всё чаще и чаще вытесняются полевыми.

В данной курсовой работе были рассчитаны основные электрические параметры полевого транзистора (сопротивление полностью открытого канала, напряжение отсечки, ёмкость затвора) и определена передаточная характеристика и связанные с нею параметры (начальный ток стока, напряжение насыщения).

Расчёт параметров полевого транзистора с управляющим р-n переходом


1)      Краткие теоретические сведения о полевых транзисторах с управляющим р-n переходом.

Полевым транзистором называется трехэлектродный полупроводниковый прибор, в котором ток создают основные носители заряда под действием продольного электрического поля, а управление величиной тока осуществляется поперечным электрическим полем, создаваемым напряжением, приложенным к управляющему электроду.

Удачная модель, названная плоскостным транзистором, была сделана в 1950 г. Она состояла из тонкого слоя p-типа, расположенного наподобие сандвича между двумя слоями n-типа с металлическими контактами в каждом слое. Этот прибор работал именно так, как и предсказывал Шокли. Плоскостные транзисторы стали широко использоваться вместо точечно-контактных типов, поскольку их было легче изготовлять, и они лучше работали. Раннюю идею Шокли, транзистор с полевым воздействием, долго не удавалось осуществить, поскольку среди доступных материалов не было подходящих. Работающий полевой транзистор был построен на основе кристаллов кремния, когда методы выращивания и очистки кристаллов достаточно далеко продвинулись вперед.

Подобно электронной лампе, транзисторы позволяют небольшому току, текущему в одном контуре, контролировать гораздо больший ток, текущий в другом контуре. Транзисторы быстро вытеснили радиолампы всюду, за исключением тех случаев, где требуется управлять очень большой мощностью, как, например, в радиовещании или в промышленных нагревательных радиочастотных установках. Биполярные транзисторы обычно используются там, где требуется высокая скорость, так же как и в высокочастотных установках, где нет настоятельной необходимости применять электронные лампы. Полевые транзисторы это основной тип транзисторов, используемых в электронных приборах. Его легче изготовлять, а энергии он потребляет даже меньше биполярного транзистора.

Хотя часть транзисторов еще делают из германия, большая часть их изготовляется из кремния, который более устойчив к воздействию высоких температур. С дальнейшим развитием технологии стало возможным располагать в одном кусочке кремния до миллиона транзисторов, и это число продолжает возрастать. Подобные кремниевые блоки служат основой для быстрого развития современных компьютеров, средств связи и управления.

Известно, что входное сопротивление биполярного транзистора зависит от сопротивления нагрузки каскада, сопротивления резистора в цепи эмиттера и коэффициента передачи тока базы. Порою оно бывает сравнительно небольшим, усложняя согласование каскада с источником входного сигнала. Эта проблема полностью отпадает, если использовать полевой транзистор, - его входное сопротивление достигает десятков и даже сотен мегаом.


По аналогии с биполярными полевые транзисторы бывают разной "структуры": с р-каналом и n-каналом. В отличие от биполярных они могут быть с затвором в виде p-n перехода (канальные, или униполярные, транзисторы); и с изолированным затвором (МДП-или МОП-транзисторы).

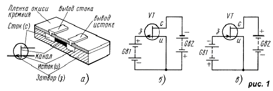
На рис.1 приведены схематическое изображение конструкции полевого транзистора и схема его включения.

полевой транзистор передаточный ток

Основой полевого транзистора служит пластина кремния (затвор), в которой имеется тонкая область, называемая каналом (рис.1, а). По одну сторону канала расположен сток, по другую - исток. При подключении к истоку транзистора плюсового, а к стоку минусового выводов батареи питания GB2 (рис.1, б) в канале возникает электрический ток. Канал в этом случае обладает максимальной проводимостью.

Стоит подключить еще один источник питания - GB1 - к выводам истока и затвора (плюсом к затвору), как канал "сужается", вызывая увеличение сопротивления в цепи сток-исток. Сразу же уменьшается ток в этой цепи. Изменением напряжения между затвором и истоком регулируют ток стока. Причем в цепи затвора тока нет, управление током стока осуществляется электрическим полем (вот почему транзистор называют полевым), создаваемым приложенным к истоку и затвору напряжением.

Сказанное относится к транзистору с р-каналом, если же транзистор с n-каналом, полярность питающего и управляющего напряжений изменяется на обратную (рис.1, в). Чаще всего можно встретить полевой транзистор в металлическом корпусе - тогда, кроме трех основных выводов, у него может быть и вывод корпуса, который при монтаже соединяют с общим проводом конструкции.

Рис 2.

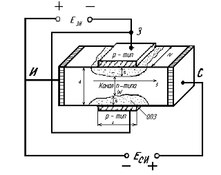
Тонкий слой полупроводника типа п (или р), ограниченный с двух сторон электронно-дырочными переходами, называется каналом. Включение канала в электрическую цепь обеспечивается с помощью двух омических электродов, один из которых (И) называется истоком, а второй (С) - стоком. Вывод, подсоединенный к областям р-типа, является управляющим электродом и называется - затвором (3). Выводы И, С и 3 соответствуют (в порядке перечисления) катоду, аноду и сетке электровакуумного триода или эмиттеру, коллектору и базе обычного биполярного транзистора.

Величина тока в канале зависит от напряжения Uс, приложенного между стоком и истоком, нагрузочного сопротивления и сопротивления полупроводниковой пластинки между стоком и истоком. При Uc и Rн = сonst ток в канале Iс (ток стока) зависит только от эффективной площади поперечного сечения канала. Источник ези создает отрицательное напряжение на затворе, что приводит к увеличению толщины р-п перехода и уменьшению токопроводящего сечения канала.

С уменьшением сечения канала увеличивается сопротивление между истоком и стоком и снижается величина тока Iс. Уменьшение напряжения на затворе вызывает уменьшение сопротивления канала и возрастание тока Iс. Подключив последовательно с еЗИ источник усиливаемого переменного напряжения Uвх, можно изменять ток через канал по закону изменения входного напряжения. Ток стока, проходя через сопротивление нагрузки Rн, создает на нем падение напряжения, изменяющееся по закону Uвх. При соответствующем подборе величины Rн можно добиться повышения уровня выходного напряжения по сравнению с напряжением на входе, т.е. усилить сигнал.

Полевые транзисторы с изолированным затвором имеют структуру металл-диэлектрик (окисел) - полупроводник. Поэтому их часто называют MДП - или МОП - транзисторами. Принцип работы этих приборов основан на эффекте поля в поверхностном слое полупроводника.

На рис.2 схематически показана конструкция такого транзистора. Основой прибора служит пластинка (подложка) монокристаллического кремния р-типа. Области истока и стока представляют собой участки кремния, сильно легированные примесью п-типа. Расстояние между истоком и стоком примерно 1 мкм. На этом участке расположена узкая слабо легированная полоска кремния л-типа (канал). Затвором служит металлическая пластинка, изолированная от канала слоем диэлектрика толщиной примерно 0,1 мкм. В качестве диэлектрика может использоваться выращенная при высокой температуре пленка двуокиси кремния.

В зависимости от полярности напряжения, приложенного к затвору (относительно истока), канал может обедняться или обогащаться носителями заряда (электронами). При отрицательном напряжении на затворе электроны проводимости выталкиваются из области канала в объем полупроводника подложки. При этом канал обедняется носителями заряда, что ведет к уменьшению тока в канале. Положительное напряжение на затворе способствует втягиванию электронов проводимости из подложки в канал. В этом режиме, получившем название режима обогащения, ток канала возрастает.

Таким образом, в отличие от полевого транзистора с р-п переходами транзистор с изолированным затвором может работать с нулевым, отрицательным или положительным напряжением на затворе.

Рис. 3

На рис.3, а показан примерный вид семейства выходных (стоковых) вольтамперных характеристик полевого транзистора с р-п переходами

 при .

Пусть напряжение между затвором и истоком Uзи = 0. При увеличении положительного напряжения Uс на стоке ток Iс будет нарастать. Вначале зависимость будет почти линейной (участок ОА на рис.3, а). Однако с возрастанием Iс увеличивается падение напряжения на канале, повышается обратное смещение для р-п переходов (особенно вблизи стока), что ведет к сужению сечения токопроводящего канала и замедляет рост тока Iс. В конечном итоге у стокового конца пластинки канал сужается настолько, что дальнейшее повышение напряжения уже не приводит к росту Iс (участок АВ на рис.7.24, а). Этот режим получил название режима насыщения, а напряжение Uс, при котором происходит насыщение, называется напряжением насыщения (Uc. нас.). Если снять зависимость тока Iс от напряжения Uс для ряда напряжений на затворе (Uзи < 0), то получим семейство выходных характеристик полевого транзистора.

Зависимость  при Uc=const получила название стокозатворной характеристики (рис.3, б).

Выходные характеристики полевого транзистора с изолированным затвором имеют такой же вид, как и характеристики транзистора с р-п переходами. Различие заключается лишь в том, что транзисторы с р-п переходами могут работать только в режиме обеднения (сужения) канала, а транзисторы типа МДП (или МОП) работают как в режиме обеднения (при отрицательных напряжениях на затворе), так и в режиме обогащения (при положительных напряжениях на затворе). По этой же причине стокозатворная характеристика транзистора с изолированным затвором может захватывать область положительных напряжений между затвором и истоком.


Основными параметрами полевых транзисторов являются:

Один из параметров полевого транзистора - начальный ток стока (Iс нач), т.е. ток в цепи стока при нулевом напряжении на затворе транзистора (на рис.4, а движок переменного резистора в нижнем по схеме положении) и при заданном напряжении питания.

Если плавно перемещать движок резистора вверх по схеме, то по мере роста напряжения на затворе транзистора ток стока уменьшается (рис.4, б) и при определенном для данного транзистора напряжении снизится практически до нуля. Напряжение, соответствующее этому моменту, называют напряжением отсечки (UЗИотс).

Зависимость тока стока от напряжения на затворе достаточно близка к прямой линии. Если на ней взять произвольное приращение тока стока и поделить его на соответствующее приращение напряжения между затвором и истоком, получим третий параметр - крутизну характеристики (S). Этот параметр нетрудно определить и без снятия характеристики или поиска его в справочнике. Достаточно измерить начальный ток стока, а затем подключить между затвором и истоком, скажем, гальванический элемент напряжением 1,5 В. Вычитаете получившийся ток стока из начального и делите остаток на напряжение элемента - получите значение крутизны характеристики в миллиамперах на вольт.

Знание особенностей полевого транзистора дополнит знакомство с его стоковыми выходными характеристиками (рис.4, в). Снимают их при изменении напряжения между стоком и истоком для нескольких фиксированных напряжений на затворе. Нетрудно заметить, что до определенного напряжения между стоком и истоком выходная характеристика нелинейна, а затем в значительных пределах напряжения практически горизонтальна.

Конечно, для подачи напряжения смещения на затвор отдельный источник питания в реальных конструкциях не применяют. Смещение образуется автоматически при включении в цепь истока постоянного резистора нужного сопротивления.

Входное сопротивление Rвх между затвором и истоком (определяется при максимально допустимом напряжении между этими электродами)


Выходное сопротивление (определяется в режиме насыщения)

 при Uзи = const.

Выходное сопротивление характеризуется тангенсом. угла наклона выходных характеристик. В рабочей области этот угол близок к нулю и, следовательно, выходное сопротивление оказывается достаточно большим (сотни килоом).

Рис.5

Толщина канала полевого транзистора W в рабочем состоянии зависит от ОПЗ р-п перехода  и в соответствии с рис.5 равна . В свою очередь  зависит от напряжения WЗИ на р-п переходе. Используя выражение  можно получить зависимость толщины канала от напряжения на затворе  где - контактная разность потенциалов;  - диэлектрическая проницаемость полупроводника;  - диэлектрическая постоянная, ;  - заряд электрона, ; N - концентрация примеси.

Для расчёта напряжения отсечки необходимо выражение  приравнять к нулю, и получим


Сопротивление сток-исток при UЗИ=0 определяется выражением , где L,d,Z-соответственно длина, толщина и ширина открытого канала;

 - удельное сопротивление полупроводника п-типа электропроводности, где подвижность электронов в канале.

, этому уравнению соответствует точка насыщения ”А” на рис.3, а.

Ёмкость затвора называемая барьерной педставляет собой приращения заряда к вызвавшему это изменение приращению напряжения.


где  - площадь р-п перехода.

Кроме указанных выше, полевые транзисторы характеризуются рядом других максимально допустимых параметров, определяющих предельные режимы работы прибора.

К важнейшим достоинствам полевых транзисторов следует отнести:

. Высокое входное сопротивление, достигающее в канальных транзисторах с р-п переходами величины 106 - 10а Ом, а в транзисторах с изолированным затвором 1013 - 1013 Ом. Такое высокое значение входного сопротивления объясняется тем, что в транзисторах с р-п переходами электронно-дырочный переход между затвором и истоком включен в обратном направлении, а в транзисторах с изолированным затвором входное сопротивление определяется очень большим сопротивлением утечки диэлектрического слоя.

. Малый уровень собственных шумов, так как в полевых транзисторах, в отличие от биполярных, в переносе тока участвуют заряды только одного знака, что исключает появление рекомбинационного шума.

. Высокая - устойчивость против температурных и радиоактивных воздействий.

4. Высокая плотность расположения элементов при использовании приборов в интегральных схемах.

Полевые транзисторы могут быть использованы в схемах усилителей, генераторов, переключателей. Особенно широко применяются они в малошумящих усилителях с высоким входным сопротивлением. Весьма перспективным является также использование их (с изолированным затвором) в цифровых и логических схемах.

2)      Задание на расчёт


ДАНО

2.      Геометрические размеры канала: толщина d = 1 мкм, ширина Z = 500 мкм, длина L = 25 мкм.

.        Электрические параметры: концентрация донорной примеси в канале NД = 6∙1015 см-3, концентрация акцепторной примеси в р - областях затворов Na = 1∙1018см-3

ОПРЕДЕЛИТЬ

1.      Основные электрические параметры: сопротивление полностью открытого канала RCИ отк, напряжение отсечки UЗИ отс, емкость затвора CЗИ, максимальную частоту роботы

.        Передаточную характеристику и связанные с нею параметры: начальный ток стока IC нач, напряжение насыщения UCИ нас, крутизну характеристики передачи .

3)      Порядок расчёта

.        Определяем основные электрические параметры.

2.      Сопротивление полностью открытого канала при UЗИ = 0 и UСИ = 0 Находим, используя выражение  удельное сопротивление исходного материала находим по заданной концентрации донорной примеси в канале с помощью графика Рис.6

Рис.6

Напряжение отсечки определяем по формуле

, где

 - собственная концентрация носителей заряда. В кремния собственная концентрация носителей заряда равна .  - постоянная Больцмана1,38 ∙ 10-23 Дж ∙К-1  = 300 К  - заряд електрона,  = 1,6∙10-19 Кл. Тогда  будет равно


Диэлектрическая проницаемость кремния  =12

Ёмкость затвора рассчитаем как барьерную ёмкость р-п перехода при напряжении на затворе Uзи = 0 для резкого перехода, что справедливо в случае неглубокой диффузии, когда градиент концентрации примеси в р-п переходе велик, или в случае сплавной технологии образования затвора, получаем


Максимальную (рабочую) частоту можно найти по формуле


3.      Расчёт передаточной характеристики начинают с определения начального тока стока с помощью соотношения


Передаточная характеристика на участке насыщения рассчитывается согласно выражению


Задавая значения UЗИ найдём значения IC

 

UЗИ, В

1,5

1,4

1,3

1,2

1,1

1

0,9

0,8

IC, мА

0,000000

0,000003

0,000012

0,000026

0,000046

0,000072

0,000104

0,000142

UЗИ, В

0,7

0,6

0,5

0,4

0,3

0,2

0,1


IC, мА

0,000185

0,000234

0,000289

0,000350

0,000416

0,000488

0,000566




Крутизну передаточной характеристики находим, подставив в выражение  формулу

 

На участке насыщения в зависимости от тока стока получаем

IC, мА

0

0,02

0,05

0,15

0,2

0,25

0,3

S, мА/В

0

0,152019

0,240362

0,339924

0,41632

0,480725

0,537467

0,588765

IC, мА

0,35

0,4

0,45

0,5

0,55

0,6

0,65

0,7

S, мА/В

0,635939

0,679848

0,721087

0,760093

0,797192

0,83264

0,866639

0,899354



Задаваясь напряжением на затворе, находим напряжение насыщения между стоком и стоком с помощью выражения


UЗИ, В

1,5

1,4

1,3

1,2

1,1

1

0,9

0,8

UСИ нас В

0

0,1

0,2

0,3

0,4

0,5

0,6

0,7

UЗИ, В

0,7

0,6

0,5

0,4

0,3

0,2

0,1

0,7

UСИ нас В

0,8

0,9

1

1,1

1,2

1,3

1,4

0,8


Вывод


В результате проведённых расчетов основных электрических параметров полевого транзистора были получены следующие результаты:

Сопротивление полностью открытого канала RСИ отк, Напряжение отсечки UЗИ отс, емкость затвора СЗИ, максимальную частоту работы полевого транзистора , определена передаточная характеристика и связанные с нею параметры: начальный ток стока IC нач, напряжение насыщения UCИ нас, крутизна характеристики передачи, нарисованы диаграммы.

Список литературы


1.      Денискин Ю.Д., Жигарев А.А., Смирнов Л.П. Электронные приборы. М.: Энергия, 1980.

2.      Ефимов И.Е., Козырь И.Я., Горбунов Ю.И. Микроэлектроника. М.: Высшая школа, 1987.

.        Морозова И. Г.

.        Физика электронных приборов. М.: Атомиздат, 1980.

.        Пасынков В.В., Чиркин Л. К.

.        Полупроводниковые приборы. М.: Высшая школа, 1987

.        Справочник по элементам радиоэлектронных устройств / Под общей редакцией А.А. Куликовского. М.: Энергия, 1977.

Похожие работы на - Параметры полевого транзистора

 

Не нашли материал для своей работы?
Поможем написать уникальную работу
Без плагиата!
Без нейросетей!