Разработка конструкции преобразователя частоты

  • Вид работы:
    Дипломная (ВКР)
  • Предмет:
    Информатика, ВТ, телекоммуникации
  • Язык:
    Русский
    ,
    Формат файла:
    MS Word
    1,54 Mb
  • Опубликовано:
    2012-02-15
Вы можете узнать стоимость помощи в написании студенческой работы.
Помощь в написании работы, которую точно примут!

Разработка конструкции преобразователя частоты

Содержание


Введение

.        Выбор оборудования

.1 Выбор двигателя

.2 Выбор автоматического выключателя

.3 Выбор токоограничивающего реактора

.4 Выбор тиристоров и охладителей

.5 Выбор диодов и охладителей

.6 Выбор конденсаторов

.7 Выбор сглаживающего реактора

.8 Выбор индуктивности в коммутирующем контуре

.9 Выбор соединителей, проводов, блоков зажимов

.10 Выбор измерительных приборов

.        Разработка конструкции НКУ

.1 Разработка требований к конструкции преобразователя

.2 Компоновка НКУ и его блоков

.3 Конструирование оболочки НКУ

.4 Тепловой расчёт НКУ

Заключение

Список использованных источников

Введение

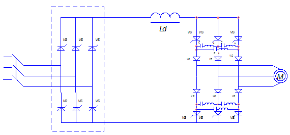
Автономные инверторы - устройства, преобразующие постоянный ток в переменный с неизменной или регулируемой частотой и работающие на автономную (не связанную с сетью переменного тока) нагрузку. В качестве нагрузки автономного инвертора может выступать как единичный потребитель, так и разветвлённая сеть потребителей.

Основой автономного инвертора является вентильное переключающее устройство, которое может выполняться по однофазным и трёхфазным схемам (с нулевым выводом или мостовым), где ключами служат транзисторы и одно- или двухоперационные тиристоры. При использовании однооперационных тиристоров схему дополняют элементами, предназначенными для коммутации тиристоров. Одним из главных является конденсатор. Конденсаторы могут применяться для формирования кривой выходного напряжения инвертора и определять характер процессов, протекающих в схеме. В связи с этим схемы автономных инверторов подразделяют на автономные инверторы напряжения (АИН), автономные инверторы тока (АИТ) и автономные резонансные инверторы (АИР).

Но, как правило, АИТ имеют более простую силовую схему в отличии от АИН, и позволяют обеспечить высокое качество характеристик в электроприводе при сравнительно простой системе регулирования. Особенно существенно преимущества ТПЧ с АИТ сказываются, когда по условиям работы механизма требуется обеспечить рекуперативное торможение двигателя или необходимы частые пуски, торможения и реверсы электропривода. В этих случаях электропривод переменного тока с АИТ приближается к реверсивному тиристорному приводу постоянного тока, а по техническим и эксплуатационным показателям превосходит его.

Задание на проектирование


Спроектировать преобразователь частоты с автономным инвертором тока и коммутирующим LC - контуром.

Степень защиты IP-44.

Мощность двигателя 75 кВт.

1. Выбор оборудования

1.1    Выбор двигателя

По заданным значениям выбираем двигатель серии 4А200М4У3 [1].

Технические данные:

 В

 - номинальная частота вращения;

 - коэффициент полезного действия;

 кВт - номинальная мощность;

cosφ=0.9 - коэффициент мощности;

Iн=8,5 А - номинальный ток статора;

m=3 - число фаз

1.2    Выбор автоматического выключателя

Условия выбора:

). Iав=12,0 А ≥Iн=8,5 А

). Uав=380 В ≥ Uн= 220 В.

Исходя из условий выбора по [2] выбираем автоматические выключатели АЕ2020.

 

Габаритные размеры (мм) автоматического выключателя АЕ

тип автоматического выключателя A         B      C      D

автоматические выключатели АЕ2020 105   140   90     88


предназначены для защиты электрических цепей от токов перегрузки и токов короткого замыкания, для защиты, пуска и остановки асинхронных электродвигателей с короткозамкнутым ротором и для коммутации электрических цепей в нормальном режиме напряжением до 380В переменного тока частоты 50, 60 Гц, а также для оперативных включений и отключений указанных электрических цепей. Выключатели имеют повышенную ПКС Icu=6кА.Выключатели выпускаются по ТУ 16-552.148-80 и соответствуют ГОСТ Р50030.2(МЭК 60947-2-98)

Установочные размеры (мм) автоматического выключателя АЕ

Тип автоматического выключателя  E      F

автоматические выключатели АЕ2020 80     120

Технические характеристики автоматических выключателей

автоматические выключатели АЕ2020

Категория          А

Число полюсов 3

Номинальный ток расцепителя (А)       0.3 -16

Номинальный ток выключателя (А)      16

Общее кол-во циклов вкл-выкл.   10 000

масса без контактов (кг)      2.3

масса с контактами     2.53

Номинальные токи максимальных расцепителей тока автоматических выключателей

Тип автоматического выключателя

Номинальные токи (А)

автоматические выключатели АЕ2020

0,3; 0,4; 0,5; 0,6; 0,8; 1; 1,25; 1,6; 2; 2,5; 3,15; 4; 5; 6,3; 8; 10; 12,5; 16


Зажимы автоматических выключателей допускают присоединение как медных, так и алюминиевых проводников сечением согласно таблице 1.1.3, зажимы вспомогательной цепи - сечением от 0,5 до 2,5 мм2.

 

Сечения проводников, подсоединяемых к автоматическим выключателям, (мм2)

Тип автоматического выключателя

минимальное

максимальное

жесткого (одно или многожильного)

автоматические выключатели АЕ 2020

1.5

4

4


Структура условного обозначения

АЕ 20 2 X X 0 Х ХХ XХ Х:


Размер автоматического выключателя в зависимости от номинального тока: 2- 16 А;

1.3    Выбор токоограничивающего реактора

Условия выбора:

). Iтр= 200 А≥Iн=137,8 А

). Uтр=380 В≥Uн=380 В.

Исходя из перечисленных ранее условий выбираем по[3] реактор токоограничивающий типа РТТ 0,38-200.

Реакторы токоограничивающие типа РТТ предназначены для ограничения токов короткого замыкания в электрических сетях частотой 50Гц, а также могут применяться в качестве индуктивного балластного сопротивления в схемах тиристорных преобразователей.


1.4    Выбор тиристоров

Среднее значение постоянного тока на выходе выпрямителя:

 А

Среднее значение тока тиристоров УВ и АИТ:

 А

Расчетное обратное напряжение приложенное к тиристору:

 В

Коэффициент кUобр=1.05 - коэффициент запаса по напряжению и коэффициент обратного напряжения выбирается соответственно .


Напряжение на выходе преобразователя при α=0

 В

коэффициент =0.427 выбирается в соответствии с таблицей .

Исходя из рассчитанных нами данных выбираем силовой тиристор.

Условия выбора:

1.      Ivsp=58.91 A<Ivs=100 A

2.      Uобр.расч=811 B=<Uп=1000 B

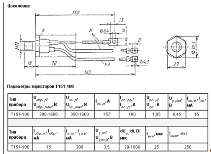
Исходя из полученных нами данных выбираем по [4] тиристор Т151-100.

Силовые тиристоры Т151-100:

·        Номинальное напряжение до 600 В.

·        Номинальный ток до 100 А.

·        Масса 0.6 кг



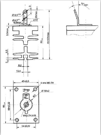
Таким образом мы выбираем по [4] 6 тиристоров Т151-100 для управляемого выпрямителя и 6 Т151-100 тиристоров для инвертора тока с охладителями:

О151-80 (охладитель О151-80, 45х80х80мм, М8, 30 Вт)

Охладитель воздушной системы охлаждения ……………...О151-80

Габаритные размеры . . . . …………….. …...45х80х80 мм (без токовода)

………………………………..45х80х131 мм (с тоководом)

Масса . . . . ……………………………….. 0,365 кг (без токовода)

..………………………..……………. …….0,420 кг (с тоководом)

Диаметр резьбового отверстия . . . ………………..………..М8

Мощность рассеивания при естественном охлаждении . . .….30 Вт

Тепловое сопротивление при естественном охлаждении . . 2,12 град/Вт

Применяемость охладителей О151-80:

Д151-125, Д151-160, ДЧ151-125, ДЧ151-125Х, ДЧ351-160, ДЧ351-160Х, ДЧ351-200, ДЧ351-200Х, Т151-100, ТС151-100, ТС251-100, ТС151-125, ТС251-125, ТС151-160, ТС251-160, ТБ351-80, ТБ351-100


Выходное напряжение управляемого выпрямителя:

 В

Где  падение напряжений на реакторе, на тиристорах и на диодах соответственно. Но так как эти падения напряжения намного меньше, чем  ,то ими можно пренебречь.

Действующее значение линейного напряжения на входе ТПЧ:

В

-минимальный угол включения тиристоров. Примем .

1.5    Выбор диодов. Д232- 63(по [5])

Ток через диод:

 А.

МАКСИМАЛЬНО ДОПУСТИМЫЕ ЗНАЧЕНИЯ ПАРАМЕТРОВ

Название параметра

Условное обозначение

Значение параметров

Единица измерения



Мин.

Тип.

Макс.


Повторяющееся импульсное обратное напряжение, Tj = - 60 °C …+ 190 °C

 100

-

 1600

  В

Неповторяющееся импульсное обратное напряжение, Tj = - 60 °C …+ 190 °C

 VRSM

 120

-

 1700


Повторяющийся импульсный обратный ток, Tj = 190 °C, VR =VRRM

IRRM

-

-

6

мА

Максимально допустимый средний прямой ток, f = 50 Гц, ТС = 150 °C

IF(AV)

-

-

63

А

Действующий прямой ток

IRMS

-

-

98


Ударный прямой ток, VR = 0, Tj = 190 °C, tp = 10 мс

IFSM

-

-

1,4

кА

Защитный показатель

I2t

-

-

I2t

кА2c

Температура перехода

Tj

- 60

-

+ 190

°C

Температура хранения

Tstg

- 60

-

+ 50



ЭЛЕКТРИЧЕСКИЕ ХАРАКТЕРИСТИКИ

Импульсное прямое напряжение, IF = 198 A, Tj = 25 °C

VFM

-

-

1.35

 В

Пороговое напряжение, Tj = 190 °C, IF = 100 - 300 A

V(TO)

-

-

0.819


Динамическое сопротивление, Tj = 190 °C, IF = 100 - 300 A

rT

-

-

2.85

мОМ

Заряд обратного восстановления, diF/dt = - 5 A/мкс, Tj = 190 °C, IF = 63 А, VR ≥ 100 В

Qrr

-

235

мкКл

ТЕПЛОВЫЕ ПАРАМЕТРЫ

Тепловое сопротивление переход - корпус

Rthjc

-

-

0.5

 °С/Вт

Тепловое сопротивление корпус - охладитель с токоотводящими шинами

Rthch

-

-

0.3


МЕХАНИЧЕСКИЕ ПАРАМЕТРЫ

Масса

w

-

0.027

-

кг

Крутящий момент

Md

5.0

-

6.2

Нм





1.6    Выбор конденсаторов

Время второго коммутационного интервала АИТ:

с

-максимальная рабочая частота АД.

1/c

Где fmax - максимальная частота, при которой может работать асинхронный двигатель.

 1/c

-частота сети.

Эквивалентная индуктивность АД:

Гн

Где  индуктивности намагничивания, рассеивания статора и ротора АД соответственно.

 Гн

 Гн

 Гн

Эквивалентная емкость цепи перезаряда конденсатора:

 Ф

Емкость каждого коммутирующего конденсатора:

 Ф

Линейная эквивалентная ЭДС двигателя:

В

Начальное напряжение на коммутирующем конденсаторе:

 В

По заданным данным и по [6] выбираем конденсаторы коммутирующие для тиристорных преобразователей ПСК-1,25-200 У2,Т2.

Условия эксплуатации

Высота над уровнем моря не более 1200 м. Температура окружающего воздуха от минус 45 до 45°С для исполнения У и от минус 10 до 45°С для исполнения Т. Относительная влажность воздуха до 90% при температуре 20°С. Окружающая среда невзрывоопасная, не содержащая агрессивных газов и паров в концентрациях, снижающих параметры конденсаторов. Требования техники безопасности по ГОСТ 12.2.007.0-75 и ГОСТ 12.2.007.5-75. Конденсаторы соответствуют требованиям ТУ 16-673.012-84. ТУ 16-673.012-84

Назначение: для работы в качестве коммутирующих элементов в цепях переменного тока с напряжением трапецеидальной формы.

Технические характеристики конденсаторов коммутирующих для тиристорных преобразователей:

Типономинал

Номинальное значение

Время перезаряда не менее, мкс

Размеры (L-B-H), мм

Высота с выводами, мм

Масса, кг, не более


Напряжение, кВ

Частота, Гц

Емкость, мкФ





ПСК-1,25-200 У2,Т2.

1.25

60

200

172х110х150

230

5


Конденсаторы пропитаны экологически безопасной диэлектрической жидкостью.

По требованию заказчика могут быть разработаны и изготовлены конденсаторы для силовой электроники с другими режимами работы, значениями напряжения и емкости.

1.7    Выбор сглаживаюшего реактора

Выбираем по [7] реактор СРОС-63/0,5УХ4

Структура условного обозначения

СРОС-Х/Х Х4(Э):

СР - сглаживающий реактор;

О - однофазный;

С - сухой (охлаждение естественное воздушное при открытом исполнении);

Х - типовая мощность, кВ·А;

Х - класс напряжения изоляции обмоток, кВ;

Х4 - климатическое исполнение (УХЛ, О) и категория размещения

по ГОСТ 15150-69;

Э - экспорт.

Технические характеристики реактора

СРОС-63/0,5УХ4:

·        Номинальный ток 200 А

·        Индуктивность 0.004 Гн



1.8    Выбор величины индуктивности в коммутирующем контуре

Найдем величину индуктивности дросселей в коммутирующем контуре:

 

Решая это уравнение найдем индуктивность дросселя в коммутирующем LC-контуре:

L=  = 1.663 мГн.

По полученным данным и по [8] выбираем RWK212-KL


Тип

Индуктивность, Гн

Номинальный выпрямленный ток, А

Одноминутное испытательное напряжение, кВ (частоты 50 Гц)

Масса, кг

Длина х ширина х высота, мм

RWK212-KL-250

0,0015

250

1,2

0.7

105 х 95 х 130


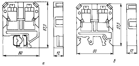
1.9    Выбор блоков зажимов

По [9] выбираем соединители и блоки зажимов.

ЗАЖИМЫ HАБОРHЫЕ серии ЗH27 И БЛОКИ ЗАЖИМОB серии БЗН27

Общие сведения

Зажимы наборные серии ЗН27 и блоки зажимов серии БЗН27 являются комплектующими изделиями и предназначены для присоединения, ответвления и заземления медных и алюминиевых проводников в электрических цепях переменного тока напряжением от 5 до 600 В частоты 50 и 60 Гц и постоянного тока напряжением от 5 до 440 В.

Структура условного обозначения

ЗН (БЗН) 27-ХХХХ-Х/Х ХХ Х:

ЗН (БЗН) - зажимы наборные (блоки зажимов наборных);

- номер серии;

Х - номинальное сечение зажима;

Х - функциональное назначение:

М - мостиковые;

Л - для установки на печатные платы;

Х - номинальный ток при 40°С (в соответствии с табл. 2);

Х - количество выводов с каждой стороны зажима;

Х/Х - способ соединения проводника с выводом с каждой стороны

зажима:

Д/Д - винт-винт;

Д/2П - винт-пайка;

ХХ - климатическое исполнение (У3, Т3, УХЛ4) и категория

размещения по ГОСТ 15150-69;

Х - способ установки зажима на рейку:

тип 1 - с пружиной в хвостовой части;

тип 2 - с пружинящей хвостовой частью.

Условия эксплуатации

Зажимы и блоки предназначены для встраивания в комплектные устройства и обеспечивают работу при температуре окружающего воздуха: для исполнения У до 55°С; для исполнения Т до 60°С.

Высота над уровнем моря до 2000 м.

Верхнее значение относительной влажности окружающего воздуха: для исполнения У3 - 80% при 20°С и при более низких температурах без конденсации влаги; для исполнения Т3 - 98% при 27°С и при более низких температурах без конденсации влаги.

Окружающая среда невзрывоопасная, не содержащая токопроводящей пыли, агрессивных газов и паров в концентрациях, снижающих параметры зажимов и блоков в недопустимых пределах.

Рабочее положение в пространстве любое.

Группа условий эксплуатации М7 и М9 по ГОСТ 17516.1-90.

Конструкция зажимов и блоков соответствует требованиям безопасности по ГОСТ 12.2.007.0-75 и ГОСТ 12.2.007.6-75.

Зажимы и блоки для внутренних поставок и поставок на экспорт соответствуют ТУ 16-89 ИГФР.687222.023 ТУ. ТУ 16-89 ИГФР.687222.023 ТУ

Технические характеристики

Основные технические данные зажимов и блоков приведены в табл. 1.


Допустимая длительная нагрузка соответствует в приведенной таблице.


Установленная безотказная наработка - 20000 ч.

Средний срок службы зажимов и блоков - 12 лет.

Гарантийный срок устанавливается: для внутренних поставок 2 года со дня установки зажима, но не позднее 2,5 лет со дня их отгрузки с предприятия-изготовителя; для поставок на экспорт - 1 год со дня ввода в эксплуатацию, но не более 2 лет с момента проследования зажимов и блоков через границу.

Габаритные, установочные размеры зажимов приведены на рис. 1-4. Зажимы мостиковые с выводами винт-винт состоят из изоляционного корпуса, контактного зажима, включающего в себя две скобы, контактную планку и два контактных винта.


Условное обозначение Масса, кг, не более

ЗН27-95М250-Д/Д У3 0.013

ЗН27-95М250-Д/Д Т3 0.013

Габаpитные, yстановочные pазмеpы и масса зажимов мостиковых с выводами "винт-винт" для yстановки на pейкy на ток 250 А

а - зажимы типа 1;

б - зажимы типа 2:


Габаpитные, yстановочные pазмеpы и масса зажимов мостиковых с выводами "винт-винт" для yстановки на pейкy на ток 80 А

а - зажимы типа 1;

б - зажимы типа 2:



Габаритные, установочные pазмеpы и масса зажимов с выводами

"винт-пайка" для установки на печатные платы

Размеpы максимальные:

В корпусе имеются пазы для установки двух маркировочных бирок. Жилы вводятся в скобу до упора и при завинчивании винтов прижимаются к планке. На планке предусмотрено резьбовое отверстие для установки мостиков поперечных соединений.

Зажимы типов 1, 2 должны устанавливаться на рейку Р31, зажимы типа 2 на рейку Р2. Зажимы для установки на печатные платы состоят из изоляционного корпуса и контактного зажима, включающего в себя скобу, планку, пружину и контактный винт. Зажимы в необходимом количестве устанавливаются на печатную плату и закрепляются на ней пайкой. Последний зажим закрывается крышкой.

Зажимы классифицируются:

по функциональному назначению - мостиковые, для печатного монтажа;

по способу установки - типов 1 и 2 на печатной плате;

по конструкции выводов - гнездовые, штыревые;

по способу скрепления между собой - разборные и неразборные;

по способу соединения с проводниками - номинальных сечений 1,5;

,0; 16,0; 95,0 мм2 - разборные; 1,5 мм2 - неразборные;

количество зажимов в блоке по согласованию с предприятием-изготовителем;

по применению - по классу 1 ГОСТ 10434.

Выбор соединителей.

Общие сведения

Соединители предназначены для быстрого сочленения и расчленения отрезков кабельной сети, различных элементов электроустановок между собой и источниками питания в наземных стационарных и передвижных электроустановках напряжением до 660 В переменного тока частотой до 400 Гц и напряжением до 400 В постоянного тока. Выпускаются в двух исполнениях: прямые и панельные на токи 16, 25, 40, 63, 160 А-4х контактные и 250, 400 А-одноконтактные.

Условия эксплуатации

Вид климатического исполнения В по ГОСТ В.20.39.404-81;

высота над уровнем моря до 2000 м;

температура окружающей среды от минус 60oС до плюс 70oС.

относительная влажность воздуха 100% при температуре 35oС;

степень защиты выключателей IP67 по ГОСТ 14255-69.

Конструкция

Разъемы кабельного исполнения состоят из корпуса, крышки, механизма фиксации, контактной системы и хвостовика.

Разъемы панельного исполнения - из фланца крышки, механизма фиксации, контактной системы с изоляторами.

Разъемы имеют фиксирующее устройство, предотвращающее самопроизвольное разъединение. При этом фиксация в крайних положениях («открыто» - «закрыто») четкая и ясно ощутимая операция.


Технические данные соединителей:

·          Ток до 250 А

·        Число контактов 4

·        Площадь сечения жил, мм2 : 50-70

·        Максимальный диаметр отверстия для вывода кабеля, мм: 56


1.10  Выбор измерительных приборов

Выбираем по [10] амперметр и вольтметр.

АМПЕРМЕТРЫ И ВОЛЬТМЕТРЫ Е349

Щитовые показывающие приборы электромагнитной системы Е349 предназначены для измерения тока и напряжения в сетях переменного тока частотой 50 Гц. Подвижная часть прибора выполнена на растяжках.

Е349

По заданным данным выбираем:

Вольтметр Е349 - на напряжение в 500 В      

Амперметр Е349         5- шкала на ток в 100 А       

Датчик измерения постоянного и переменного тока ДТХ-200

Датчики состоят из корпуса, печатной платы, на которой закреплен кольцевой магнитопровод с компенсационной обмоткой, и электронной схемы. Составным элементом является специальный датчик Холла, который находится в зазоре магнитопровода и работает как «0» - индикатор.

Основные технические характеристики:

Характеристика  ДТХ-200

Диапазон измеряемых токов, А    0...200

Допустимая перегрузка по измеряемому току, разы        1,5

Диапазон рабочих температур,°С -20...+80

Основная приведенная погрешность, не более, %    1

Нелинейность выходной характеристики, не более, %      0,1

Выходной сигнал при номинальном измеряемом токе, мА *     50

Коэффициент передачи         1:4000

Полоса пропускания, Гц      0-50000

Источник питания, В   ±15 (±5%)

Диаметр отверстия под токовую шину, мм     12

Габаритные размеры, мм     58х48х30

Масса, г     100

Выбор проводов

). Для проводов, идущих от блока зажимов к автоматическому выключателю и для проводов от блока зажимов к двигателю:

Выбор сечения проводов производится по токовым нагрузкам.

I1ПР = IA/k ;

где k=0,7 - коэффициент запаса.

I1ПР = 137,8/0.7 = 198,86 (A)

Выбираем по [13] провод марки ПВ - 3.

Провод повышенной гибкости с медной многопроволочной токопроводящей жилой с изоляцией из ПВХ-пластиката. Предназначен для прокладки в осветительных и силовых сетях, а также для электрических установок и монтажа электрооборудования. Допускаются частые изгибы провода. Номинальное переменное напряжение: до 450 В, частотой до 400 Гц. Изготовитель: ОАО «Электрокабель» Кольчугинский завод»

КОНСТРУКЦИЯ ПВ-3

 

- токопроводящая медная жила;

- изоляция - ПВХ-пластикат.

ТЕХНИЧЕСКИЕ ДАННЫЕ

Рабочее напряжение, В---------------------------------- 450

Маломерные отрезки, м, не менее----------------------20

Минимальный радиус изгиба, диам. Кабеля---------10

сечение, мм2-------------------------------------------------95

Номинальная толщина изоляции жил, мм------------1,6

Расчетная масса провода, кг/км-------------------------1024

ОБЛАСТЬ ПРИМЕНЕНИЯ

Провода ПВ-3 предназначены для электрических установок при стационарной прокладке в осветительных и силовых сетях, а также для монтажа электрооборудования, машин, механизмов и станков на номинальное напряжение до 450 В (для сетей до 450/750 В) частотой до 400 Гц или постоянное напряжение до 1000 В.

). Провода для УВ и АИТ:

Выбор сечения проводов производится по токовым нагрузкам.

I1ПР = IA/k ;

где k=0,7 - коэффициент запаса.

I1ПР = 58.91/0.7 = 84,16 (A)

Выбираем по [13] провод марки ПВ - 3.

ТЕХНИЧЕСКИЕ ДАННЫЕ

Рабочее напряжение, В---------------------------------- 450

Маломерные отрезки, м, не менее----------------------20

Минимальный радиус изгиба, диам. Кабеля---------10

сечение, мм2-------------------------------------------------16

Номинальная толщина изоляции жил, мм------------1,0

Расчетная масса провода, кг/км-------------------------113

). Провода на выходе УВ:

Выбор сечения проводов производится по токовым нагрузкам.

I1ПР = IA/k ;

где k=0,7 - коэффициент запаса.

I1ПР = 176.7/0.7 = 252,43 (A)

Выбираем по [13] провод марки ПВ - 1.

ТЕХНИЧЕСКИЕ ДАННЫЕ

Рабочее напряжение, В---------------------------------- 450

Маломерные отрезки, м, не менее----------------------20

Минимальный радиус изгиба, диам. Кабеля---------10

сечение, мм2------------------------------------------------70

Номинальная толщина изоляции жил, мм------------1,4

Расчетная масса провода, кг/км-------------------------707

2. РАЗРАБОТКА КОНСТРУКЦИИ НКУ

2.1    Разработка требований к конструкции преобразователя

Требования, установленные ГОСТ 10985-80 , определяют типоисполнения и основные размеры оболочек шкафов, щитов, ящиков и каркасов щитов.


Не нашли материал для своей работы?
Поможем написать уникальную работу
Без плагиата!
Без нейросетей!