Статические оперативные запоминающие устройства
СОДЕРЖАНИЕ
Введение
.
Статические ЗУ
.
Статическая память
.
Статические оперативные запоминающие устройства
Заключение
Введение
Запоминающее устройство - это блок
вычислительной машины или самостоятельное устройство, предназначенное для
записи, хранения и воспроизведения информации. Наибольшее распространение ЗУ
получили в цифровых вычислительных машинах (ЦВМ), а также в устройствах
автоматики, телемеханики, ядерной физики и т.д. для хранения главным образом
дискретной информации, для временного согласования работы нескольких объектов
или накопления данных, подлежащих передаче по каналам телемеханики.
Фиксация информации в ЗУ основана на различных
физических принципах: механическое перемещение или удаление части материала
носителя информации (перфорационные ленты, перфокарты), изменение магнитного
состояния материала (магнитные ленты, диски, барабаны, ферритовые сердечники),
накопление электростатического заряда в диэлектриках (конденсаторные ЗУ,
запоминающие электроннолучевые трубки), использование звуковых и ультразвуковых
колебаний (линии задержки), применение явления сверхпроводимости (Криогенные
элементы) и др.
Основными показателями ЗУ, определяющими их
эффективность, являются: ёмкость М (максимальное количество слов или знаков,
которые можно одновременно разместить в ЗУ), выражаемая в двоичных единицах
(битах) или в байтах (8 бит); быстродействие, характеризуемое временем полного
цикла обращения к ЗУ Тц (иногда временем выборки) или частотой обращения.
Иногда для характеристики ЗУ пользуются обобщающим
параметром - информационной мощностью
= М•F(в лучших современных ЗУ она достигает 1013
байт/сек).
В зависимости от назначения, способов размещения
информации и особенностей функционирования ЗУ, как правило, классифицируют в
соответствии со схемой, представленной на рис. 1. По способу поиска нужной
информации различают адресные ЗУ, в которых каждой ячейке памяти присваивается
определённый номер (адрес) и требуемая информация ищется по конкретному адресу,
и ассоциативные запоминающие устройства, в которых информация отыскивается по
совокупности признаков. В ЗУ возможно как последовательное, так и циклическое
обращение (доступ) к ячейкам либо произвольный доступ, когда обращение к любой
ячейке осуществляется независимо от её расположения среди других ячеек.
В зависимости от кратности записи ЗУ делятся на
нестирающиеся, допускающие однократную запись с последующим многократным
считыванием без регенерации (например, диодные матрицы, перфорационные карты,
перфорационные ленты), и стирающиеся (ЗУ на магнитных носителях, ферритовых
сердечниках, электронных триггерах и др.).
Статическими называются такие ЗУ, в которых
состояния носителя, соответствующие записанному коду, неподвижны относительно
носителя информации. К статическим относятся и все ЗУ с неразрушающим
считыванием. В динамических ЗУ последовательность сигналов, соответствующая
фиксируемому коду, циркулирует по замкнутому контуру, включающему линию
задержки. Статические ЗУ могут быть устойчивыми, в которых информация
сохраняется неограниченно долго (например, ЗУ на триггерах, ферритовых
сердечниках), и неустойчивыми, обладающими свойством самопроизвольного стирания
информации (конденсаторные ЗУ, запоминающие электроннолучевые трубки).
Для хранения больших массивов информации чаще
всего применяют т. н. внешние ЗУ с записью на магнитных носителях: магнитные
ленты, барабаны, диски. Путём параллельного подключения нескольких блоков ЗУ
можно хранить теоретически неограниченные объёмы информации. Ёмкость
современных внешних ЗУ на магнитных лентах достигает 108 байт (с подключением
до 256 блоков), на магнитных дисках - до 6-108 байт; скорость ввода (вывода)
3,2-105 байт/сек для ЗУ на магнитных лентах и 2-106 байт/сек для ЗУ на
магнитных дисках.
В ЦВМ для хранения данных, необходимых на
ближайших этапах решения задачи, служат оперативные ЗУ, которые, как правило,
строятся на тороидальных ферритовых сердечниках (до 95% всех оперативных ЗУ),
реже - на др. ферромагнитных элементах (например, многоотверстных ферритовых
пластинах, магнитных тонких плёнках. Весьма перспективными считаются
интегральные полупроводниковые ЗУ. Ёмкость оперативных ЗУ в современных крупных
ЦВМ достигает 16-106 байт; время записи и считывания (выборки) составляет от
сотых долей мксек до нескольких мксек.
В больших ЦВМ в отдельный блок часто выделяют
буферное ЗУ, выполняющее функции промежуточного звена при обмене информацией
между устройствами с различным быстродействием (например, между оперативным и
внешним ЗУ), а иногда и сверхоперативное ЗУ небольшой ёмкости (порядка
нескольких сотен байт). Сверхоперативные ЗУ выполняются на запоминающих
элементах повышенного быстродействия (например, тонких магнитных плёнках,
туннельных диодах, триггерах). Для хранения данных, состав которых в процессе
обработки определённого типа информации или решения одного класса задач не
меняется (например, табличные данные, стандартные подпрограммы, неизменные
программы управляющих вычислительных машин), применяют постоянные запоминающие
устройства.
ЗУ адресного типа включают собственно накопитель
1, числовую часть 2, адресную часть 3 и блок местного управления или
синхронизации 4. Накопитель состоит из запоминающих ячеек и выполняет функции
хранения информации. Числовая часть или схема записи - считывания представляет
собой промежуточное звено, в котором происходит обмен информацией между
накопителем и внешними по отношению к ЗУ устройствами. Она состоит из регистра
числа для временного хранения записываемых или считываемых слов (чисел);
формирователей записи, преобразующих код числа в серию сигналов, фиксируемых
ячейками накопителя; усилителей считывания для усиления, отделения от помехи и
формирования считанных сигналов. В адресной части ЗУ заданный код адреса
преобразуется в совокупность сигналов, однозначно определяющих требуемую ячейку
накопителя. Блок синхронизации формирует внутренние команды, обеспечивающие
управление последовательностью работы всех узлов ЗУ в соответствии с
поступающими извне командами. Совокупность всех блоков ЗУ, за исключением
накопителя, называется электронной схемой управления, периферийным оборудованием
или электронным обрамлением ЗУ.

1. Статические ЗУ
Статическими называются такие ЗУ, в которых
состояния носителя, соответствующие записанному коду, неподвижны относительно
носителя информации.
В статических ЗУ (Static Random Access Memory -
SRAM) в качестве элемента памяти используется триггер, что, конечно, сложнее,
чем конденсатор с транзисторным ключем динамического ЗУ. Поэтому статические ЗУ
обладают меньшей плотностью хранения информации: емкость типовых микросхем
статических ЗУ начала 2000-х годов не превосходила 16 Мбит.
Однако триггер со времен первых компьютеров был
и остается самым быстродействующим элементом памяти. Поэтому статическая память
позволяет достичь наибольшего быстродействия, обеспечивая время доступа в
единицы и даже десятые доли наносекунд, что и обусловливает ее использование в
ЭВМ, главным образом, в высших ступенях памяти - кэш-памяти всех уровней.
Главными недостатками статической памяти являются
ее относительно высокие стоимость и энергопотребление.
Конечно, в зависимости от используемой
технологии, память будет обладать различным сочетанием параметров
быстродействия и потребляемой мощности. Например, статическая память,
изготовленная по КМОП-технологии (CMOS память), имеет низкую скорость доступа,
со временем порядка 100 нс, но зато отличается очень малым энергопотреблением.
В ПЭВМ такую память применяют для хранения конфигурационной информации
компьютера при выключенном напряжении сети (в этой же микросхеме размещают и
часы, отсчитывающие реальное время). Питание такой памяти осуществляется от
небольшой батарейки, которая может служить несколько лет.
Основными разновидностями статической памяти
(SRAM) с точки зрения организации ее функционирования являются асинхронная
(Asynchronous), синхронная пакетная (Synchronous Burst) и синхронная
конвейерно-пакетная (Pipeline Burst) память.
Первой появилась асинхронная память, Интерфейс
этой памяти включает шины данных, адреса и управления. В состав сигналов
последней входят: CS# (Chip Select) - сигнал выбора микросхемы; WE# (Write
Enable) - сигнал разрешения записи; OE# (Output Enable) - сигнал включения
выходов для выдачи данных.
Все сигналы управления инверсные, т.е. их
активный (вызывающий соответствующее действие) уровень низкий. При единичном
значении сигнала OE# выход микросхемы переходит в состояние высокого выходного
сопротивления.
Временные диаграммы циклов чтения и записи
приведены на следующем рисунке и не требуют особых пояснений. Цикл записи может
быть организован и несколько иначе, чем показано на рисунке в случае удержания
во время цикла высокого уровня сигнала OE#.
Время доступа tAC у типовых микросхем составляет
порядка 10 нс. Поэтому реально такие микросхемы могут работать на частотах,
близких к частоте системной шины, только если эти частоты не превышают 66 МГц.
Несколько позже появилась синхронная пакетная
статическая память (SBSRAM), ориентированная на выполнение пакетного обмена
информацией, который характерен для кэш-памяти. Эта память включает в себя
внутренний счетчик адреса, предназначенный для перебора адресов пакета, и
использует сигналы синхронизации CLK, как и синхронная DRAM память.
Для организации пакетного обмена, помимо
имеющихся у асинхронной памяти управляющих сигналов CS#, OE# и WE#, в
синхронную память также введены сигналы ADSP# (Address Status of Processor) и
CADS# (Cache Address Strobe), сопровождающие передачу адреса нового пакета, а
также сигнал ADV# (Advance) продвижения на следующий адрес пакета. Пакетный
цикл всегда предусматривает передачу четырех элементов, так как внутренний
счетчик имеет всего 2 бита, причем перебор адресов в пределах пакета может быть
последовательным или с расслоением (чередованием) по банкам (при использовании
процессоров семейства x86).
Временные диаграммы пакетных циклов чтения и
записи приведены на следующем рисунке. Обращения к синхронной памяти могут быть
и одиночными. В этом случае низкому уровню сигнала ADSP#, указывающему на
передачу адреса, соответствует высокий уровень сигнала CADS#, а не низкий, как
при пакетном цикле. Параметр TQK характеризует время задержки данных
относительно синхронизирующего сигнала.
. Статическая память
Следующим шагом в развитии статической памяти
явилась конвейерно-пакетная память PBSRAM, обеспечивающая более высокое
быстродействие, чем SBSRAM. В нее были введены дополнительные внутренние
буферные регистры данных (здесь можно провести аналогию с EDO DRAM памятью)
адреса, а в ряде модификаций предусмотрена возможность передачи данных на
двойной скорости по переднему и заднему фронтам синхросигнала и используются
сдвоенные внутренние тракты записи и чтения. Это позволило получить время
обращения порядка 2-3 нс и обеспечить передачу данных пакета без задержек на
частотах шины более 400 Мгц.
Внутренняя логика позволяет переключаться с
циклов чтения на циклы записи и наоборот без дополнительных задержек, кроме
того, анализируется совпадение адресов записи и чтения для исключения избыточных
операций.
Структурная схема такой памяти приведена на
следующем рисунке, где ФАП - блок формирования адресов пакета, МП -
мультиплексоры, переключающие внутренние тракты чтения и записи в соответствии
со значением младшего разряда адреса A0.
Временная диаграмма, приведенная на следующем
рисунке, показывает запись и чтение как на одиночной (SDR - Single Data Rate),
так и на двойной скорости (DDR - Double Data Rate) передачи. Сигналы CQ и CQ# -
дифференциальные выходные сигналы синхронизации, близкие по времени к моменту
появления данных на шине при чтении и используемые для синхронизации
принимающих устройств. Сигналы SA и B - адресные и управляющие сигналы
соответственно, причем последние используются для задания типа цикла. В режиме
чтения с двойной скоростью передачи формируются два набора данных, начиная со
второго переднего и заднего фронтов синхросигнала, если по его первому
переднему фронту передается начальный адрес пакета. Первый набор данных (DOUT-A)
формируется для заданного адреса, а второй (DOUT-A') - для следующего адреса
пакета, в соответствии с определенным для пакета порядком.
Аналогичным образом запись с двойной скоростью
передачи требует установки данных для записи, начиная со второго переднего и
заднего фронтов сигнала синхронизации.
В режиме чтения с одиночной скоростью
формируется только один набор данных по переднему фронту синхросигнала, начиная
со второго сигнала, а при записи с такой же скоростью данные должны
выставляться на шину, начиная с переднего фронта второго синхросигнала после
передачи адреса.
Переключение из режима двойной скорости в режим
одиночной (и наоборот) производится при подаче соответствующего управляющего
сигнала.
. Статические оперативные запоминающие
устройства
В радиоаппаратуре часто требуется хранение
временной информации, значение которой не важно при включении устройства. Такую
память можно было бы построить на микросхемах EEPROM или FLASH -памяти, но, к
сожалению, эти микросхемы дороги, обладают малым количеством перезаписей и
чрезвычайно низким быстродействием при считывании и особенно записи информации.
Для хранения временной информации можно воспользоваться параллельными
регистрами. Так как запоминаемые слова не нужны одновременно, то можно
воспользоваться механизмом адресации, который применяется в ПЗУ.
Схемы, в которых в качестве запоминающей ячейки
используется параллельный регистр называются статическим оперативным
запоминающим устройством - статическим ОЗУ (RAM - random access memory - память
с произвольным доступом), т.к. информация в нем сохраняется все время, пока к
микросхеме ОЗУ подключено питание. В отличие от статической ОЗУ в микросхемах
динамического ОЗУ постоянно требуется регенерировать их содержимое, иначе
информация будет испорчена.
В микросхемах ОЗУ присутствуют две операции:
операция записи и операция чтения. Для записи и чтения информации можно
использовать различные шины данных (как это делается в сигнальных процессорах),
но чаще используется одна и та же шина данных. Это позволяет экономить внешние
выводы микросхем, подключаемых к этой шине и легко осуществлять коммутацию
сигналов между различными устройствами.
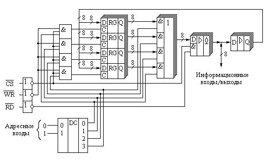
Структурная схема статического ОЗУ приведена на
рисунке 1. Вход и выход ОЗУ в этой схеме объединены при помощи шинного
формирователя. Естественно, что схемы реальных ОЗУ будут отличаться от
приведенной на этом рисунке. Тем не менее, приведенная схема позволяет понять
как работает реальное ОЗУ. Условно-графическое обозначение ОЗУ на принципиальных
схемах приведено на рисунке 2.
Рисунок 1. Структурная схема ОЗУ (RAM).
Рисунок 2. Условно-графическое обозначение ОЗУ
(RAM)
Сигнал записи WR позволяет записать логические
уровни, присутствующие на информационных входах во внутреннюю ячейку ОЗУ (RAM).
Сигнал чтения RD позволяет выдать содержимое внутренней ячейки памяти на
информационные выходы микросхемы. В приведенной на рисунке 1 схеме невозможно
одновременно производить операцию записи и чтения, но обычно это и не нужно.
Конкретная ячейка ОЗУ выбирается при помощи
двоичного кода - адреса ячейки. Объем памяти ОЗУ (RAM) зависит от количества
ячеек, содержащихся в ней или, что то же самое, от количества адресных
проводов. Количество ячеек в ОЗУ можно определить по количеству адресных
проводов, возводя 2 в степень, равную количеству адресных выводов в микросхеме:
Вывод выбора кристалла CS микросхем ОЗУ
позволяет объединять несколько микросхем для увеличения объема памяти ОЗУ.
Такая схема приведена на рисунке 3.
Рисунок 3. Схема ОЗУ, построенного на нескольких
микросхемах памяти.
Статические ОЗУ требуют для своего построения
большой площади кристалла, поэтому их ёмкость относительно невелика.
Статические ОЗУ применяются для построения микроконтроллерных схем из-за
простоты построения принципиальной схемы и возможности работать на сколь угодно
низких частотах, вплоть до постоянного тока. Кроме того статические ОЗУ
применяются для построения КЭШ-памяти в универсальных компьютерах из-за
высокого быстродействия статического ОЗУ.
Временные диаграммы чтения из статического ОЗУ
совпадают с временными диаграммами чтения из ПЗУ. Временные диаграммы записи в
статическое ОЗУ и чтения из него приведены на рисунке 4.
Рисунок 4. Временная диаграмма обращения к ОЗУ
принятая для схем, совместимых со стандартом фирмы INTEL.
На рисунке 4 стрелочками показана
последовательность, в которой должны формироваться управляющие сигналы ОЗУ. На
этом рисунке RD - это сигнал чтения; WR - сигнал записи; A - сигналы выбора
адреса ячейки (так как отдельные биты в шине адреса могут принимать разные
значения, то показаны пути перехода как в единичное, так и в нулевое
состояние); DI - входная информация, предназначенная для записи в ячейку ОЗУ,
расположенную по адресу A1; DO - выходная информация, считанная из ячейки ОЗУ,
расположенной по адресу A2.
Рисунок 5. Временная диаграмма обращения к ОЗУ
принятая для схем, совместимых со стандартом фирмы MOTOROLA.
На рисунке 5 стрелочками показана
последовательность, в которой должны формироваться управляющие сигналы. На этом
рисунке R/W - это сигнал выбора операции записи или чтения; DS - сигнал
стробирования данных; A - сигналы выбора адреса ячейки (так как отдельные биты в
шине адреса могут принимать разные значения, то показаны пути перехода как в
единичное, так и в нулевое состояние); DI - входная информация, предназначенная
для записи в ячейку ОЗУ, расположенную по адресу A1; DO - выходная информация,
считанная из ячейки ОЗУ, расположенной по адресу A2.
Заключение
Таким образом, запоминающее устройство -
носитель информации, предназначенный для записи и хранения данных. В основе
работы запоминающего устройства может лежать любой физический эффект,
обеспечивающий приведение системы к двум или более устойчивым состояниям.