|
Сечение
ремня
|
lp
|
b
|
h, не менее
|
e
|
f
|
r
|
φ=34°
|
d
|
x
|
|
|
|
|
|
|
|
dp
|
b1
|
|
|
|
В
|
19
|
5,7
|
14,3
|
25,5
|
17
|
1,5
|
200-315
|
22,9
|
20
|
13,1
|
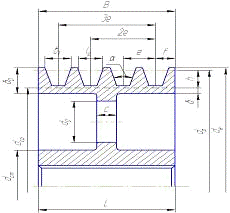
5.1.22.1 Ширина обода шкива В, мм
где Z - число
ремней.
.1.22.2 Толщина обода шкивов δ, мм
.1.22.3 Толщина диска с, мм
5.1.22.4 Определение диаметра
выходного конца вала dВ, мм
Для определения диаметра выходного
конца вала dВ выполняют
ориентировочные расчеты на чистое кручение по пониженному допускаемому
напряжению [τ],
без
учета влияния изгиба [1].
где Т - вращающий момент, Н·м.
для валов из конструкционных
углеродистых сталей [τ]<15
- 20 МПа.
Примем dВ=50мм.
.1.22.5 Диаметр ступицы шкивов dсм, мм
5.1.22.6 Длина ступицы L, мм
;
5.1.22.7 Число спиц
Примем
.1.22.8 Ширина спицы в расчетном
сечении, мм
Примем
.1.22.9 Толщина спицы в расчетном
сечении, мм
После определения по приведенным
соотношениям размеров δ,
dсм, L и с их
округляют в ближайшую сторону до значений из ряда предпочтительных чисел.
Окончательно длину L принимают с учетом результатов
расчета шпоночного или шлицевого соединения.
.1.22.5 По диаметру вала определяем
размеры шпоночного паза в ступице шкива сечение шпонки 14*9,Глубина паза вала t1=5,5,глубина
паза втулки t2=3,8
Рисунок 5.3 - Схема шкива с диском и
спицами
.2 Расчёт закрытой червячной
передачи
Привод к стенду обкатки КПП включает
закрытую червячную передачу, предназначенную для работы в течение
лет.
Электродвигатель 4А180М2У3, у которого
.
Исходные данные: вращающий момент на
валу колеса
кНм;
частота вращения колеса
мин-1;
частота вращения червяка
мин-1;
передаточное число червячной
передачи
Рисунок 1 - Схема передачи:1 -
червяк; 2 - червячное колесо
.2.1 Выбор материалов для
изготовления деталей червячных передач
Для изготовления червяка на
основании требований, предъявляемых к червякам, принимаем материал сталь 45.
Червяк цементованный.
Для изготовления венца червячного
колеса выбираем группу материала в зависимости от ориентировочной скорости
скольжения
, м/с и
произведения
Определяем значение ориентировочной
скорости скольжения по формуле [1]:
,
где
- частота вращения червяка, мин-1;
- максимальный вращающий момент, Н∙мм.
м/с.
Рисунок 2 - Циклограмма
Согласно циклограмме
Относительная продолжительность
включения по циклограмме
.
При
м/с и
принимаем
группу материала венца червячного колеса 2а. Принимаем материал венца
червячного колеса БрА10ЖЗМц1,5. Способ отливки -в землю,
МПа,
МПа.
5.2.2 Допускаемые напряжения
.2.2.1 Допускаемые контактные
напряжения
, МПа

МПа
.2.2.2 Допускаемые напряжения изгиба
, МПа
МПа.
.2.2.3 Максимальные допустимые
контактные напряжения
, МПа
МПа.
.2.2.4 Максимальные допускаемые
напряжения изгиба
, МПа
МПа.
.2.3 Расчетная нагрузка с учетом
режима работы червячных передач
.2.3.1 Расчетный вращающий момент на
контактную прочность
, Н∙мм
[1]:
,
где
,
- коэффициенты контактной
долговечности и нагрузки.
5.2.3.1.1 Коэффициент долговечности
определяем
по формуле [1]:
так как материал венца червячного
колеса - безоловянистая бронза.
.2.3.1.2 Коэффициенты нагрузки
,
определяем
по формуле [1]:
,
где
- ориентировочный коэффициент
концентрации нагрузки;
- ориентировочный коэффициент
динамичности. При проектном расчете
[1].
Коэффициент концентрации определяем
по формуле [1]:
,
где
- начальный коэффициент
концентрации. При
и
[1].
.2.3.2 Расчетный вращающий момент на
изгибную прочность
,
где
- коэффициент изгибной
долговечности;
- коэффициент нагрузки.
5.2.3.2.1 Коэффициент долговечности
определяем
по формуле [1]:
Коэффициент эквивалентности по
изгибу определяем по формуле [1]:
;
;
.2.4 Проектный расчет червячной
передачи
.2.4.1 Межосевое расстояние
определяем по формуле [1]:
мм
Из единого ряда главных параметров
принимаем
мм.
.2.4.2 Число зубьев червячного
колеса
Модуль
, мм
мм
Принимаем m = 16 мм.
Коэффициент диаметра червяка
Принимаем q = 10 мм.
Коэффициент смещения X
Геометрический расчет червячной
передачи
Угол подъема витка червяка на
начальном цилиндре
, град
Длина нарезанной части червяка
, мм при
определяется
по формуле [1]:
мм
Принимаем
мм
Ширина венца червячного колеса
, мм определяется
по формуле [1]:
Принимаем
мм
Начальный диаметр
, мм
определяется по формуле [1]:
мм;
мм.
Диаметр вершин витков червяка
, мм
определяется по формуле [1]:
мм
Диаметр впадин витков червяка
, мм
определяется по формуле [1]:
мм
Делительный диаметр колеса
, мм
определяется по формуле [1]:
мм
Диаметр вершин зубьев колеса
, мм
определяется по формуле [1]:
м
Наибольший диаметр колеса
, мм
определяется по формуле [1]:
мм
Диаметр впадин
, мм
определяется по формуле [1]:
мм
Высота головки витка червяка
, мм и зуба
колеса
, мм
определяется по формуле [1]:
мм
Высота витка червяка
, мм
определяется по формуле [1]:
мм
Начальный диаметр колеса
, мм
определяется по формуле [1]:
мм
Условный угол обхвата
, град
определяется по формуле [1]:
Силовой расчет червячной передачи
Окружная сила на червячном колесе
, Н
определяется по формуле [1]:
= 29 к
Осевая сила на червячном колесе
, Н
определяется по формуле [1]:
кН
КПД червяной передачи определяется
по формуле [1]:
Приведенный угол трения при
фактической скорости скольжения
[1].
м/с
Радиальная сила на червячном колесе
, Н
определяется по формуле [1]:
кН
Проверочный расчет червячной
передачи
Проверочный расчет на контактную
прочность произведем из условия [1]:
Уточненный расчетный момент
, Н∙мм
по коэффициенту нагрузки K определяется по формуле [1]:
кН∙м
Коэффициент концентрации
определяется
по формуле [1]:
Коэффициент деформации червяка
[1].
Коэффициент режима определяется по
формуле [1]:
Коэффициент динамичности
при
м/с,
и 8-ой
степени точности изготовления [1].
Допускаемое напряжение
, МПа с
учетом фактической скорости скольжения
м/с определяются по формуле [1]:
МПа ,
МПа
Проверочный расчет зубьев колеса на
изгиб
Коэффициент формы зуба
[1] при
МПа
МПа [1].
Условие прочности выполняется.
Проверка прочности зубьев колес при
перегрузках
Проверка на контактную прочность
Для принятого электродвигателя
МПа
МПа
Условие прочности выполняется.
Проверка на изгибную прочность
МПа
МПа
Условие прочности выполняется
6. Подбор подшипников качения
Основные критерии работоспособности
подшипника качения - его динамическая и статическая грузоподъемности.
.1 Подбор подшипников для валов
червячного редуктора [6].
Номинальная долговечность (ресурс) в
миллионах оборотов
где СТР - требуемая
динамическая грузоподъемности выбранного подшипника кН;
Fэкв -
эквивалентная нагрузка действующая на подшипник;
р - показатель степени, для
роликоподшипников р = 10/3.
Определим эквивалентную нагрузку на
наиболее нагруженную опору
где
;
;
при условии что
;
при условии что
;
где Lh -
долговечность подшипников в часах. Для ведущего вала: Lh = 5000 часов
при условии что в течении срока эксплуатации редуктора подшипники будут
заменены 2 раза; Для ведомого вала: Lh =
;
n - частота
вращения вала мин-1.
Для однорядных радиально-упорных
роликоподшипников приведенная нагрузка
где X,Y -
коэффициент при радиальной или осевой нагрузках;
V -
коэффициент вращения. При вращении внутреннего кольца V = 1;
Fr1,2 -
радиальная нагрузка действующая на подшипник;
Fa1,2 - осевая
нагрузка действующая на подшипник;
КТ - температурный
коэффициент. КТ = 1,05;
Кσ -
коэффициент. Кσ = 1,3 -
1,5.
В радиально-упорных подшипниках при
действии на них радиальных нагрузок возникают осевые составляющие S, определяют
по формулам:
где е - коэффициент осевого
нагружения. е = 0,369.
Осевые нагрузки, действующие на
радиально-упорные конические подшипники, определяют с учетом схемы действия
внешних усилий в зависимости от относительного расположения подшипников.
Радиально-упорные подшипники установлены по концам вала враспор то
результирующие осевые нагрузки каждого подшипника определяют с учетом действия
внешней осевой нагрузки, должны быть учтены осевые составляющие от радиальных
нагрузок, действующие на каждый подшипник.
Условие нагружения [6]:
Следовательно, осевые нагрузки
находятся по формулам:
Значения X и Y для
подшипников:
Для радиально-упорных конических
роликоподшипников при
, то
, то
.1.1 Подбор подшипников для ведущего
вала
Определим эквивалентную нагрузку на
наиболее нагруженную опору
где
;
;
при условии что
;
при условии что
;
Условие нагружения [6]:
Следовательно, осевые нагрузки
находятся по формулам:
Значения X и Y для
подшипников:
Для радиально-упорных конических
роликоподшипников при
, то
, то
Принимаем для ведущего вала
подшипник конический однорядный средней серии 7614 по ГОСТ 7260-81.
.1.1.1 Определение радиальных
нагрузок действующих на подшипники на ведущем валу
Определим величины реакций,
возникающих в подшипниках ведущего вала редуктора, для чего составим схему
нагружения вала. Для составления схемы определим величину а по формуле [6]:
Заменяем вал балкой и отмечаем
характерные точки. Балка в точке В закреплена шарнирно-подвижной опорой, а в
точке D -
шарнирно-неподвижной опорой. Обозначаем силы действующие на балку. В точке А со
стороны ремённой передачи на вал действует сила натяжения ремней Fв, раскладываем
её на вертикальную и горизонтальную составляющие.
В точке В балка закреплена
шарнирно-подвижной опорой, следовательно в данной точке действует реакция RВ, которую
также раскладываем на вертикальную
и горизонтальную
составляющие.
Точка С является полюсом зацепления.
В ней приложена сила взаимодействия червяка и червячного колеса Fn, которую
раскладываем по трём взаимно перпендикулярным направлениям на окружную
, осевую
и
радиальную
составляющие.
В точке D балка
закреплена шарнирно-неподвижной опорой, в данной точке действует реакция RD, которую
раскладываем на вертикальную
и горизонтальную
составляющие.
В плоскости YOZ составим
уравнение моментов относительно точки В, получим:
В плоскости YOZ составим
уравнение моментов относительно точки D, получим:
Проверка:
Условие выполняется.
Покажем направление обхода каждого
участка и установим приделы изменения их длины:
участок АВ
участок BC
участок DC
Составим уравнения внутренних
изгибающих моментов М - по отношению к произвольно выбранным центрам сечений z.
Участок АВ
при
Участок ВС
при
Участок DC
при
По полученным данным в произвольно
выбранном масштабе строим эпюры внутренних изгибающих моментов (М) для
плоскости YOZ.
В плоскости XOZ составим
уравнение моментов относительно точки В, получим:
В плоскости XOZ составим
уравнение моментов относительно точки D, получим:
Проверка:
Условие выполняется.
Покажем направление обхода каждого
участка и установим приделы изменения их длины:
участок АВ
участок BC
участок DC
Составим уравнения внутренних
изгибающих моментов М - по отношению к произвольно выбранным центрам сечений z.
Участок АВ
при
Участок ВС
при
Участок DC
при
По полученным данным в произвольно
выбранном масштабе строим эпюры внутренних изгибающих моментов (М) для
плоскости XOZ.
Определим величины реакций:
.1.2.1 Определение радиальных
нагрузок действующих на подшипники на ведомом валу
Определим величины реакций,
возникающих в подшипниках ведомого вала редуктора, для чего составим схему
нагружения вала. Для составления схемы определим величину а по формуле:
Заменяем вал балкой и отмечаем
характерные точки. Балка в точке А закреплена шарнирно-подвижной опорой, а в
точке С - шарнирно-неподвижной опорой. Обозначаем силы действующие на балку.
В точке А балка закреплена
шарнирно-подвижной опорой, следовательно в данной точке действует реакция RА, которую
также раскладываем на вертикальную
и горизонтальную
составляющие.
Точка В является полюсом зацепления.
В ней приложена сила взаимодействия червяка и червячного колеса Fn, которую
раскладываем по трём взаимно перпендикулярным направлениям на окружную
, осевую
и
радиальную
составляющие.
В точке С балка закреплена
шарнирно-неподвижной опорой, в данной точке действует реакция RС, которую
раскладываем на вертикальную
и горизонтальную
составляющие.
В плоскости YOZ составим
уравнение моментов относительно точки А, получим:
В плоскости YOZ составим
уравнение моментов относительно точки С, получим:
Проверка:
Условие выполняется.
Покажем направление обхода каждого
участка и установим приделы изменения их длины:
участок АВ
участок CB
Составим уравнения внутренних
изгибающих моментов М - по отношению к произвольно выбранным центрам сечений z.
Участок АВ
при
Участок СВ
при
По полученным данным в произвольно
выбранном масштабе строим эпюры внутренних изгибающих моментов (М) для
плоскости YOZ.
В плоскости XOZ составим
уравнение моментов относительно точки В, получим:
В плоскости XOZ составим
уравнение моментов относительно точки С, получим:
Проверка:
Условие выполняется.
Покажем направление обхода каждого
участка и установим приделы изменения их длины:
участок АВ
участок CB
Составим уравнения внутренних
изгибающих моментов М - по отношению к произвольно выбранным центрам сечений z.
Участок АВ
при
Участок СВ
при
По полученным данным в произвольно
выбранном масштабе строим эпюры внутренних изгибающих моментов (М) для
плоскости XOZ.
Определим величины реакций:
7. Выбор и проверочный расчет
шпоночных соединений
Рисунок 7 - Шпоночное соединение.
- ступица; 2- вал; 3-шпонка.
Для всех соединений назначаем шпонки
призматические по ГОСТ 23360-78. Эти шпонки проверяются на смятие боковой поверхности
по формуле [6].
где
- допускаемое напряжение:
= 80-120 МПа;
Т - передаваемый момент, Н·мм;
d - диаметр
вала, м;
lp - рабочая
длина шпонки, мм:
lp =( l - b)
b - ширина
шпонки, мм;
7.1 Проверка шпонки ведущего вала
[6].
Передаваемый момент Т = 0,67 кН·м;
Диаметр вала d = 50 мм;
Размеры поперечного сечения шпонки
; Глубина шпоночного паза вала t1 = 6 мм.
Определим минимальную длину шпонки
из условия прочности
Принимаем
Определим рабочую длину шпонки
Напряжение на смятие
Условие на смятие выполняется.
.2 Проверка шпонки ведомого вала под
червячное колесо
Передаваемый момент Т = 5,8 кН·м;
Диаметр вала d = 135 мм;
Размеры поперечного сечения шпонки
; Глубина шпоночного паза вала t1 = 11 мм.
Определим минимальную длину шпонки
из условия прочности
Принимаем
Определим рабочую длину шпонки
Напряжение на смятие
Условие на смятие выполняется.
.3 Проверка шпонки ведомого вала под
муфтой
Передаваемый момент Т = 5,8 кН·м;
Диаметр вала d = 125 мм;
Размеры поперечного сечения шпонки
; Глубина шпоночного паза вала t1 = 11 мм;
Определим минимальную длину шпонки
из условия прочности
Принимаем
Ступицу назначаем по длине ступицы
полумуфты.
Определим рабочую длину шпонки
Напряжение на смятие
Условие на смятие выполняется.
8. Выбор смазки
Смазывание червячного
зацепления производится с помощью разбрызгивателя установленного на валу
червяка.
При контактном напряжении в
пределе σН
= 161,5 МПа, окружной скорости зацепления v
= 2,13 м/с.
Рекомендуется применять масло
цилиндровое-38 ГОСТ 6480-78 [6].
Смазывание подшипников будет производиться
пластичными смазками типа «Солидол», «Литол» и т.д. [6].Поэтому гнезда всех
подшипников отделяются от камеры маслоудерживающими шайбами с жировыми
канавками. Уплотнение выходных концов валов производится резиновыми
уплотнительными манжетами.
9. Выбор посадок для сопряжения основных деталей
привода
Выбираем посадки для ведущего вала: для
шпоночного соединения принимаем посадку Н6. На валу также присутствуют места
запрессовки подшипников, для них принимаем посадку k6.
Выбираем посадки для ведомого вала: для двух шпоночных
соединений принимаем посадку Н6. На валу под места под подшипники принимаем
посадку k6. Также на валу
установлено червячное колесо. Для ступицы червячного колеса принимаем посадку
Н7, для вала р6.
10. Уточненный расчет валов привода
.1 Уточненный расчет ведущего вала [6].
Материал вала сталь 45, термообработка -
улучшение.
Механические характеристики: предел
прочности
; предел
текучести
.
Придел выносливости: при изгибе
; при
кручении
.
Коэффициент чувствительности при
кручении
.
Анализируя эпюру изгибающих и
вращающихся моментов, а также конструкции вала следует, что наиболее опасными
являются сечения А-А, Б-Б указанные на листе номер 3.
Сечение А-А работает на кручение.
Вращающий момент Т = 0,67 кН·м; Диаметр вала d = 50 мм.
Концентратор напряжения - шпоночный паз с размерами
.
Коэффициент запаса прочности по
касательным напряжениям определяется по формуле:
,
где [S] = 2,5…3 -
допускаемый коэффициент запаса прочности;
kτ -
эффективный коэффициент концентрации напряжений. kτ = 1,9;
β - коэффициент, учитывающий
влияние шероховатости поверхности. Для шлифованных поверхностей β =0,95;
ετ -
масштабный коэффициент, при диаметре вала d = 50 мм. ετ = 0,69;
τа, τт - амплитуда
и среднее касательное напряжение.
,
где WP - полярный
момент сопротивления при наличии шпоночного паза.
Сечение имеет достаточный
коэффициент запаса прочности.
Сечение Б-Б работает на кручение и
изгиб. Диаметр вала d = 60 мм. Изгибающий момент в
сечении Ми = 949,5 Н·м. Концентратор напряжения - место перехода
диаметров.
При одновременном действии
нормальных и касательных напряжений коэффициент запаса прочности определяют по
формуле:
,
где Sσ -
коэффициент запаса прочности по нормальным напряжениям;
Sτ -
коэффициент запаса прочности по касательным напряжениям;
Коэффициент запаса прочности по
нормальным напряжениям определяется по формуле:
,
где kσ -
эффективный коэффициент концентрации напряжений. kσ = 1,36;
εσ -
масштабный коэффициент, при диаметре вала d = 60 мм. εσ = 0,72;
ψσ -
коэффициент чувствительности. ψσ = 0,1;
σа, σт - амплитуда
нормальных и средне касательных напряжений.
,
где W - осевой
момент сопротивления.
,
где Fa - осевая
сила. Fa = 29000 Н.
А - площадь поперечного сечения вала
мм2.
Коэффициент запаса прочности по
касательным напряжениям определяется по формуле:
,
где kτ -
эффективный коэффициент концентрации напряжений. kτ = 1,14
ετ -
масштабный коэффициент, при диаметре вала d = 60мм. ετ = 0,60;
τа, τт - амплитуда
и среднее касательное напряжение.
Сечение имеет достаточный
коэффициент запаса прочности.
.2 Уточненный расчет ведомого вала
Материал вала сталь 45,
термообработка - улучшение.
Механические характеристики: предел
прочности
; предел
текучести
.
Придел выносливости: при изгибе
; при
кручении
.
Коэффициент чувствительности при
кручении
.
Анализируя эпюру изгибающих и
вращающихся моментов, а также конструкции вала следует, что наиболее опасными
являются сечения В-В указанные на листе номер 3.
Сечение В-В работает на кручение и
изгиб. Диаметр вала d = 135 мм. Изгибающий момент в
сечении Ми = 787,4 Н·м. Концентратор напряжения - шпоночный паз с
размерами
.
При одновременном действии нормальных
и касательных напряжений коэффициент запаса прочности определяют по формуле:
,
где Sσ -
коэффициент запаса прочности по нормальным напряжениям;
Sτ -
коэффициент запаса прочности по касательным напряжениям;
Коэффициент запаса прочности по
нормальным напряжениям определяется по формуле:
,
где kσ -
эффективный коэффициент концентрации напряжений. kσ = 2;
εσ -
масштабный коэффициент, при диаметре вала d = 125 мм. εσ = 0,70;
ψσ -
коэффициент чувствительности. ψσ = 0,1;
σа, σт - амплитуда
нормальных и средне касательных напряжений.
,
где W - осевой
момент сопротивления.
,
где Fa - осевая
сила. Fa = 8765,8 Н.
А - площадь поперечного сечения вала
мм2.
Коэффициент запаса прочности по
касательным напряжениям определяется по формуле:
,
где kτ -
эффективный коэффициент концентрации напряжений. kτ = 2,1
β - коэффициент, учитывающий
влияние шероховатости поверхности. Для шлифованных поверхностей β =0,95;
ετ -
масштабный коэффициент, при диаметре вала d = 125 мм. ετ = 0,58;
τа, τт - амплитуда
и среднее касательное напряжение.
Сечение имеет достаточный
коэффициент запаса прочности.
11. Подбор муфт
Для защиты приводных устройств от
перегрузок используют упругую втулочно-пальцевую муфту.
Эксплутационной характеристикой муфты
является передаваемый крутящий момент и диаметр вала, на который насажена
муфта.
Рисунок 11 - Муфта
втулочно-пальцевая
- полумуфта левая; 2 - полумуфта
правая; 3 - палец; 4 - втулка; 5 - гайка; 6 - винт установочный.
Втулочно-пальцевая муфта должна
передавать номинальный вращающий момент Т = 5,8 кН·м; диаметр вала d = 125 мм;
Таблица 11.1 - Размеры (мм) и
параметры муфты (рисунок 11)
|
Т
Н·м
|
d, d1
|
lцил
|
lкон
|
L
|
D
|
d0
|
c
|
|
5800
|
90
|
130
|
95
|
268
|
250
|
46
|
3…5
|
12. БЖД
Для работы с приводом
допускаются лица, с которыми были проведены мероприятия по технике
безопасности.
Мероприятия по технике
безопасности проводятся в соответствии с нормативно-технической документацией -
ГОСТами, нормами, правилами, инструкциями. К организационным мероприятиям по
технике безопасности относятся: необходимость проведения инструктажа и обучение
безопасному выполнению работ; соблюдение технологической трудовой дисциплины;
подготовка к работе и состояние рабочего места; ограждение всех вращающихся механизмов.
13.Экономическая оценка привода
С экономической точки зрения данный редуктор нас
устраивает. Недостатком редуктора является его большие габариты. При
проектировании редуктора нужно стараться принимать как можно больше стандартных
изделий по ГОСТ. Чем их будет больше, тем выше будет уровень взаимозаменяемости
деталей. В данном редукторе стандартными являются: крышки подшипников,
подшипники, шпонки, уплотнительные манжеты, граверные шайбы, крепёжные болты. К
нестандартным являются: ведомый и ведущий валы, червячное колесо, звездочка.
Определим степень унификации:
σ = 
14. Литература
1. Чугунов
В.А., Спицын И.А. Проектирование передач с гибкой связью: учебное пособие. - Пенза,
РИО ПГСХА, 2002. - 121с.
2. Анурьев
В.И. Справочник конструктора-машиностроителя: В 3 т. М.: Машиностроение, 8-е
издание, перераб. и доп. 1999. Т.2.: - 559
. Чугунов
В.А. Проектирование передач зацеплением: учебное пособие/ В.А. Чугунов, В.М.
Поветкин, С.И. Щербаков. - Пенза: РИО ПГСХА, 2006. - 190 с.
. Гузенков
П.Г. Детали машин. - М.: Высш. шк., 1982. - 351с.
. Шейнблит
А.Е. Курсовое проектирование деталей машин: Учеб. Пособие для техникумов.-М.:
Высш. шк., 1991.-432 с.: ил.
. Чернавский
С.А., Козинцов Б.С. Проектирование механических передач: Учеб. Пособие для
втузов. -М.: Машиностроение., 1984.- 560 с.: ил.