Технологический процесс монтажа конструкции
Оглавление
Введение
Раздел 1. Характеристика монтируемого здания и исходные данные для
проектирования
Раздел 2. Составные ведомости потребностей в конструкциях и
материалах
Раздел 3. Ведомость объема монтажных работ
Раздел 4. Монтажные приспособления и оснаска
Раздел 5. Выбор методов монтажа одноэтажных промышленных зданий
Раздел 6. Выбор и расчет монтажного крана
6.1 Определение требуемых параметров кранов
6.1.1 Колонный крайние (КК)
6.1.2 Колонный средние (КС)
6.1.3 Колонный фахверка (КФ)
6.1.4 Подкрановые балки (ПБ-6)
6.1.5 Вертикальные связи (СВ-6)
6.1.6. Стропильные фермы (ФС)
6.1.7 Плиты покрытия (ПП)
6.2 Подбор монтажного крана
6.3 Определение производительности монтажных кранов
6.3.1 I Поток
6.4 Определение технико-экономических показателей монтажных кранов
6.4.1 I поток
Раздел 7. Расчет усредненных и общих показателей на строительство
Раздел 8. Выбор и расчет машин для перевозки конструкций и
материалов
Раздел 9. Строительный генеральный план
Раздел 10. Материально-технические затраты
Раздел 11. Указания по производству монтажных работ
Раздел 12. Указания по технике безопасности
Раздел 13. Контроль качества ионтажных работ
Раздел 14. Охрана окружающей среды
Заключение
Список используемой литературы
Приложения
Введение
Технологический процесс монтажа конструкции состоит из:
§ транспортных,
§ подготовительных,
§ основных,
§ дополнительных
§ и вспомогательных
процессов.
К транспортным относятся: доставка на строительную площадку
железобетонных и металлических конструкций, полуфабрикатов (бетон, раствор), а
также монтажного оборудования и приспособления. К подготовительным устройствам:
устройство дорог, установка монтажного оборудования и машин, подготовка
инвентаря и приспособлений и прочее. Основные процессы состоят из строповки
монтируемых элементов, подъема и установки их на опоры, временного закрепления
их в стык; дополнительные - это замоноличивание конструкций и сварка стыковых
соединений.
Состав и трудоемкость процессов, входящих в процесс монтажа,
зависят не только от конструктивных особенностей монтируемого здания, но и от
принятого способа выполнения работ, применяемых механизмов и приспособлений.
Монтаж конструкций будет вестись непосредственно с
транспортных средств. При монтаже "с колес" отпадает необходимость в
излишней работе по разгрузке и складированию конструкций, пространство у места
монтажа свободно, чем улучшаются условия маневренности кранов, снижается
трудоемкость и себестоимость монтажа.
Монтаж конструкции предполагается выполнять комбинированным
способом, т.е. двумя потоками: 1-ый поток - монтаж колонн, подкрановых балок;
2-ой - монтаж ферм и плит покрытий (комплексный метод).
монтаж конструкция кран здание
Конструкция данного одноэтажного здания выполняется по
каркасной схеме. В качестве материала принят железобетон.
Несущими конструкциями одноэтажного каркасного промышленного
здания служат поперечные рамы и их продольные элементы. Статическая работа
каркаса - рамно-связная.
Поперечная рама каркаса состоит из колонн, жестко заделанных
в фундамент, и стропильных ферм, являющееся несущими конструкциями покрытия,
опертых на стойки каркаса. Соединение колонн со стропильными конструкциями
шарнирное. В продольном направлении жесткость обеспечивается постановкой
вертикальных крестовых связей, подкрановых балок и жестким диском покрытия.
Раздел
1. Характеристика монтируемого здания и исходные данные для проектирования
Производится монтаж одноэтажного промышленного здания длинной
216 м. Здание разбито на 3 температурных блока длиной по 84 м. Здание имеет 2
пролета по 18 м и 2 - по 24 м. Шаг средних колонн 6 м; шаг крайних колон = 6 м;
шаг стропильных ферм = 6 м.
Здание оборудовано мостовыми кранами. Район строительства -
город Ангарск. Расстояние перевозки конструкции 8 км, тип дороги - грунтовая.
Для построения календарного графика задана дата начала
монтажа одноэтажного промышленного здания - 2.07.2011.
Подробная характеристика всех монтируемых сборных элементов
каркаса с указанием их массы и объема приведено в табл.1.
Раздел
2. Составные ведомости потребностей в конструкциях и материалах
Таблица 2 - Сводная ведомость конструкций
|
Наименование
конструкции
|
Эскиз
|
Кол-во
|
Одного элемента
|
Всех элементов
|
|
|
|
m, т
|
V, м3
|
m, т
|
V, м3
|
|
Колонна: КК
|
785,32,1413,4147
|
|
|
|
|
|
|
- КС
|
1177,02,8819327,6
|
|
|
|
|
|
|
- КФ
|
305,82,3174,069,0
|
|
|
|
|
|
|
Подкрановая
балка: ПБ-6
|
2880,66-190,08-
|
|
|
|
|
|
|
Вертикальная
связь: СВ-6
|
150,34-5,1-
|
|
|
|
|
|
|
Ферма
стропильная: ФС-18
|
786,72,54522,6198,12
|
|
|
|
|
|
|
- ФС-24
|
789,63,65748,8284,7
|
|
|
|
|
|
|
Плиты покрытия:
ПП
|
10082,30,932318,4937,4
|
|
|
|
|
|
Итого:
Ø масса
элементов:
по I потоку = 1601,58 т;
по II потоку = 3589 т;
Ø количество
элементов:
по I потоку = 520 шт;
по II потоку =1152 шт;
Таблица 3 - Сводная ведомость материалов Ведомость материалов
|
наименование
|
Единица
измерения
|
Количество
|
|
Бетон В-15
|
м3
|
126,86
|
|
Электроды
|
кг
|
22,3
|
Длина сварного шва
ПБ6 Nшт∙1м=288 м
СВ6 Nсв6∙1,2=16∙1,2=18м
СФ18 Nсф18∙0,6=78∙0,6=46,8м
СФ24 Nсф24∙0,6=78∙0,6=46,8м
ПП Nпп∙1,2=1008∙1,2=1209,6м
Раздел 3. Ведомость объема монтажных работ
Таблица 4 - Ведомость объема монтажных
работ
|
Наименование
работ
|
Ед. изм.
|
Кол-во
|
Нормы расхода
|
Объем
|
|
Монтаж КК
(m=5,3т)
|
шт
|
78
|
2,1
|
78*2,1=147 м3
|
|
Монтаж КС
(m=7т)
|
шт
|
117
|
2,8
|
117*2,8=327,6 м3
|
|
Монтаж КФ
(m=5,8т)
|
шт
|
30
|
2,3
|
30*2,3=69,0 м3
|
|
Замоноличивание
стыков фундамента с колоннами
|
шт
|
225
|
Бетон Б15 0,08
|
225*0,08=18м3
|
|
Монтаж: СВ-6
|
шт
|
15
|
Сварной шов
Электроды 0,5кг/10п. м. (1,2п. м. шт)
|
1,2* (15) =18
п. м. 18*0,5/10 п. м. =0,9 кг
|
|
Сварка СВ-6
|
п. м.
|
18*2=36
|
----
|
-----
|
|
Монтаж: ПБ-6
|
шт
|
288
|
1 п. м. /шт
|
1 п. м. * (288)
=288 п. м.
|
|
Сварка ПБ-6
|
п. м.
|
288
|
Электроды
0,5кг/10п. м.
|
288*0,5/10 п.
м. =14 кг
|
|
Сварка стыка ПБ
с колонной
|
шт
|
288
|
0,8 п. м. /шт
Электроды
|
0,8*288=230,4
п. м. 0,5*230,4/10 п. м. =11,52кг
|
|
Монтаж: ФС-18
|
шт
|
78
|
0,6 п. м. /шт
|
0,6* (78+78)
=93,6 п. м.
|
|
ФС-24
|
шт
|
78
|
|
|
|
Устройства
стыка фермы с колонной
|
шт
|
156
|
Электроды
|
156*0,5/10 п.
м. =7,8 кг
|
|
Монтаж ПП
|
шт
|
1008
|
Сварной шов п.
м.
|
(0,6*4) *1008=
2419,2 п. м.
|
|
Замоноличивание
швов ПП
|
п. м.
|
9072
|
Бетон 0,012 м3/п.
м.
|
9072*0,012=108,86
м3
|
|
Обслуживание
монтажных кранов I потока
|
см
|
1
|
|
33,48
|
|
Обслуживание
монтажных кранов II потока
|
см
|
1
|
|
64,54
|
Раздел 4. Монтажные приспособления и оснаска
Таблица 5 - Монтажные оснастки монтажа
конструкций
|
№
|
Наименование
приспособления
|
Схема
приспособления
|
Груз-ть, т
|
Масса, т
|
Высота строп, м
|
Наименование
элементов
|
1 Строп 4-ветвевой
3,2
,0203,2
|
Выгрузка и
раскладка различных конструкций
|
|
|
|
|
2 Строп 2-ветвевой
2,5
,0163,0
|
Выгрузка и
раскладка СВ
|
|
|
|
|
|
|
3
|
Траверса
|
100,1801,0Установка колонн с отметкой
низа стропильных конструкций до 14,4м (траверса имеет сменные пальцы для
подъема колонн массаой 10 и 16т
|
|
|
|
|
4 Траверса
6
,386
,8
Установка
ПБ, L=6 м;
|
ПП, 3*6 м
|
|
|
|
|
|
|
5
|
Траверса
|
100,4551,8Установка ФС, L=18 м
|
|
|
|
|
|
6
|
Траверса
|
250,7503,6Установка ФС, L=24 м
|
|
|
|
|
Таблица 6 - приспособления для временного
закрепления и выверки конструкций и для обеспечения работы монтажников на
высоте.
|
№
|
Наименование
приспособления
|
Схема
приспособления
|
Груз-ть, т
|
Масса, кг
|
Высота строп, м
|
Наименование
элементов
|
|
1
|
Клиновый
вкладыш
|
-7,5-Выверка и временное закрепление
колонн
|
|
|
|
|
|
2
|
Распорка
|
-63-Временное закрепление ферм
|
|
|
|
|
|
3
|
Приставная
лестница
|
|
-
|
269
|
7,3
|
Монтаж ферм и
балок покрытий
|
|
4
|
Площадка с
навесной лестницей
|
|
-
|
11,8
|
-
|
Обеспечение
рабочего мест на высоте
|
|
5
|
Временное
ограждающее покрытие
|
-6,51,05Обеспечение безопасности работ
на высоте L=564 м
|
|
|
|
|
Калькуляция трудовых затрат I потока.
|
Наименов. работ
|
Ед. изм.
|
Кол-во
|
Ссылка ЕНиР
|
Состав звена
|
Норма времени
(чел-ч)
|
Стоимость
(руб.)
|
Продолжительность
|
№ зв.
|
|
|
|
|
|
Ед.
|
Всего
|
Ед.
|
Всего
|
Час
|
См.
|
|
|
1. Монтаж
колонн: КК КС КФ
|
шт шт шт
|
78 117 30
|
Е4-1-4
|
Монтажник
5р-1,4р-1,3р-2,2р-1 Машинист 6р-1
|
|
|
|
|
85,8 140,4 45
|
14,5 23,4 7,5
|
1
|
|
2. Заделка
стыка колонна-фундамент
|
1 стык
|
225
|
Е4-1-25
|
Монтажник
4р-1,3р-1
|
0,81
|
182,25
|
0,603
|
135,67
|
91,13
|
15, 19
|
2
|
|
3. Монтаж
вертикальных связей СВ-6
|
|
|
Е-5-1-8
|
Монтажник
5р-1,4р-1,3р-1 Машинист 6р-1
|
|
|
|
|
8,3
|
1,38
|
1’
|
|
|
|
|
|
|
|
|
|
|
|
|
|
4. Сварка
связей СВ-6
|
|
1,8
|
Е - 22-1-6
|
Электросварщик
5р-2
|
8,8
|
15,84
|
8,01
|
14,418
|
7,92
|
1,32
|
3
|
|
5. Монтаж ПБ-6
|
|
|
Е-5-1-8
|
Монтажник
6р-1,4р-2,3р-2 Машинист 6р-1
|
|
|
|
|
139,86
|
23,31
|
1’’
|
|
|
|
|
|
|
|
|
|
|
|
|
|
6. Сварка ПБ-6
|
10м шва
|
28,8
|
Е-22-1-6
|
Электросварщик
5р-2
|
15,5
|
446,4
|
14,11
|
406,37
|
148,8
|
24,8
|
3’
|
|
7. Обслуживание
монтажного крана
|
см
|
69,89
|
|
Обсл. персонал
2 чел.
|
9,21
|
26,58
|
1858,04
|
419,34
|
69,86
|
8
|
|
8. Итого
|
см
|
69,89
|
|
|
|
|
|
|
419,34
|
69,89
|
|
|
9. Итого с
обслуж. крана
|
см
|
69,89
|
|
|
|
|
|
|
419,34
|
69,89
|
|
|
10. Всего
|
см
|
69,89
|
|
|
|
3724,68
|
|
4398,84
|
419,34
|
69,89
|
|
Калькуляция трудовых затрат на выполнение
монтажных работ II потоком
|
Наименов. работ
|
Ед. изм.
|
Ссылка ЕНиР
|
Кол-во
|
Состав звена
|
Норма времени
(чел-ч)
|
Стоимость
(руб.)
|
Продолжительность
|
№ зв.
|
|
|
|
|
|
Ед.
|
Всего
|
Ед.
|
Всего
|
Час
|
См.
|
|
|
1. Монтаж
стропильных ферм ФС-18 ФС-24
|
шт шт
|
Е-4-1-6
|
78 78
|
Монтажник
6р-1,5р-1,4р-1,3р-1,2р-1 Машинист 6р-1
|
|
|
|
|
124,8 148,2
|
20,8 24,7
|
4
|
|
2. Сварка ферм
с колоннами
|
10м шва
|
Е 22-1-6
|
9,36
|
Электросварщик
5р-2
|
15,5
|
145,08
|
14,11
|
132,06
|
72,54
|
12,09
|
5
|
|
3. Монтаж плит
покрытия ПП
|
шт
|
Е-4-1-7
|
1008
|
Монтажник
4р-1,3р-2,2р-1 Машинист 6р-1
|
|
|
|
|
302,4
|
50,4
|
4’
|
|
4. Сварка ПП
|
10м шва
|
Е-4-1-26
|
120,9
|
Электросварщик
5р-2
|
3,8
|
459,8
|
3,46
|
418,6
|
230
|
38,8
|
5’
|
|
5. Заливка швов
плит покрытия ПП
|
100м шва
|
|
90,72
|
Монтажник
4р-1,3р-1
|
6,4
|
580,6
|
4,77
|
432,7
|
290,3
|
48,38
|
6
|
|
6. Обслуживание
монтажного крана
|
см
|
|
95,9
|
Обсл. персонал
2
|
10,79
|
1034,76
|
28,7
|
2752,48
|
575
|
95,9
|
7
|
|
7. Итого
|
см
|
|
95,9
|
|
|
|
|
|
575
|
95,9
|
|
|
8. Итого с
обслуж. крана
|
см
|
|
95,9
|
|
|
|
|
|
575
|
95,9
|
|
|
9. Всего
|
см
|
|
95,9
|
|
|
5370,26
|
|
6454,89
|
575
|
95,9
|
|
Раздел 5. Выбор методов монтажа одноэтажных промышленных зданий
Для выбора метода монтажа предусматривают разделение здания
на захватки. В качестве захватки принимают один температурный блок здания или
один температурный блок в одном проеме. Комплекс монтажных работ включает ряд
последовательно выполняемых процессов: монтаж колонн, монтаж подкрановых балок
и связей под пролетом, подстропильных ферм, ферм покрытия, плит покрытия и
стеновых панелей.
Монтаж будет вестись в два потока двумя кранами. В первый
поток будут монтироваться следующие элементы: колонны, подкрановые балки и
связи. Во второй поток стропильные фермы и плиты покрытия. Первый поток будет
выполняться раздельным методом, то есть каждый элемент будет монтироваться
последовательно после того как 100% смонтирует на всех захватках предыдущий
элемент. Второй поток будет выполняться комплексным методом, то есть в одной
ячейке, ограниченной шагом колонн и одним пролетом будут смонтированы
последовательно две подстропильные фермы, 3 фермы и диск покрытия на них. Или
будут смонтированы две фермы и диск покрытия на них, если шаг колонн в среднем
ряду 6м. Стеновые панели могут монтироваться третьим потоком, после того как
будут выполнены предыдущие работы двух потоков на одной захватке. Движение
крана при монтаже стеновой панели идет по периметру здания по ярусно всех
стеновых панелей. Третий поток в курсовом проекте не рассчитывается.
Монтаж всего здания монтируется комбинированным методом
монтажа - раздельным и комплексным способами. При заделке стыков колонн с
фундаментами бетоном комплексный метод практически трудно осуществить из-за
необходимости задержки и укладки балок, ферм и плит покрытия до напора бетоном
стыков колонн с фундаментом семидесяти процентной проектной прочности. Поэтому
в одноэтажных промышленных зданиях используется комбинированный метод. Отдельно
монтируются колонны по всей захватке, затем подкрановые балки со связями,
подкрановые фермы и фермы вместе с плитами покрытия, и отдельно стеновые
панели. Направление движения крана от одной стоянки к другой может быть вдоль
или поперек длины здания с внутренней или внешней стороны. При монтаже
одноэтажного промышленного здания, краны, которые монтируют колонны, балки,
фермы и плиты, располагаются внутри здания, а краны, монтирующие стеновые
панели, с внешней стороны. При монтаже колонн, балок, подстропильных ферм и
ферм будет использоваться продольная проходка, а при монтаже плит покрытия -
поперечно-продольная проходка крана.
Монтаж конструкций можно проводить с транспортных средств с
предварительной раскладкой в зоне монтажа и с при объектного склада. При четкой
организации работ с транспортных средств без промежуточного предварительного
монтажного складирования позволяет уменьшить стоимость монтажа здания и
трудозатраты за счет устранения операции разгрузки и складирования. Для
уменьшения простоя автотранспорта рекомендуется челночный монтаж с колес, при
использовании сменных прицепов, оставляемых на объекте без тягача на период
монтажа доставленных элементов. При монтаже с транспортных средств в проекте
предусматривают пути подачи автотранспорта в зону монтажа и разрабатывается
почасовой график монтажа конструкций. Второй метод с предварительной раскладкой
предусматривает заблаговременную доставку элементов в пролеты, подлежащие
монтажу, разгрузку и складирование в зоне монтажа и основным недостатком этого
метода по сравнению с первым является необходимость выполнения дополнительных
операций по разгрузке и складированию. Третий метод (монтаж с приобъектного
склада) требует наличие дополнительных площадей для складирования за пределами
здания. Склад бывает необходим, если занята площадь внутри здания. Такой склад
располагается вне здания, в зоне действия монтажного крана, который должен
иметь достаточный вылет стрелы и грузоподъемность. Весь монтаж в курсовом
проекте ведется "с колес".
Раздел
6. Выбор и расчет монтажного крана
Расчетные параметры: Q, Hкр
Требуемая монтажная масса: Q = mэл + mстр,
где mэл - масса элемента;
mстр - масса захватного приспособления.
Требуемая монтажная высота: Hкр = h0 + hзаз + hэл + hстр
где hзаз - запас для монтажа;
hэл - высота элемента в монтажном положение;
hстр - высота строповки;
h0 - высота монтажного горизонта.
6.1
Определение требуемых параметров кранов
6.1.1
Колонный крайние (КК)
6.1.2
Колонный средние (КС)
6.1.3
Колонный фахверка (КФ)
6.1.4
Подкрановые балки (ПБ-6)
6.1.5
Вертикальные связи (СВ-6)
6.1.6.
Стропильные фермы (ФС)
6.1.7
Плиты покрытия (ПП)
6.2 Подбор монтажного крана
Таблица 7 - Таблица монтажных конструкций для подбора крана
по I потоку
|
Наименование
|
Кол-во, шт
|
Q, т
|
Нкр,
м
|
Lкр,
м
|
Lстр,
м
|
|
КК
|
78
|
5,48
|
11,9
|
5,21
|
11,9
|
|
КС
|
117
|
7,18
|
11,9
|
5,21
|
11,9
|
|
КФ
|
30
|
5,98
|
11,7
|
5,21
|
11,7
|
|
ПБ-6
|
288
|
1,05
|
9,3
|
6
|
9,3
|
|
СВ-6
|
15
|
0,5
|
12,95
|
6
|
12,95
|
|
max
|
|
7,18
|
12,95
|
6
|
12,95
|
Таблица 8 - Таблица монтажных конструкций для подбора крана
по II потоку
|
Наименование
|
Кол-во, шт
|
Q, т
|
Нкр,
м
|
Lкр,
м
|
Lстр,
м
|
|
ФС-18
|
78
|
7,16
|
13,7
|
6
|
15,88
|
|
ФС-24
|
78
|
10,35
|
15,8
|
6
|
17,88
|
|
ПП
|
1008
|
2,32
|
15,7
|
8,1
|
25,5
|
|
max
|
|
10,35
|
15,8
|
8,1
|
25,5
|
Каркас здания собирается 2 кранами, I и II потоками. Пересечение
потоков не происходит. За захватку принимается 1 температурный блок здания:
§ I поток - выполняется
монтажным краном раздельным способом. Производится монтаж колонн, подкрановых
балок и вертикальных связей.
§ II поток - выполняется
монтажным краном комплексным методом. На одном шаге производится монтаж ферм и
плит покрытия.
Для монтажа конструкций колонн, подкрановых балок и
вертикальных связей (I поток) подходят 2 варианта монтажных кранов:
МКП-16;
МКГ 16 М.
Для монтажа ферм и плит покрытия (II поток) подходят 2 варианта
монтажных кранов:
МКП 25 с уд. стр.;
ДЭК 251 с уд. стр
Таблица 9 - Характеристика кранов
|
Наименование
|
I поток
|
II поток
|
|
МКП-16
|
МКГ 16м
|
МКП 25
|
ДЭК 251
|
|
Vп. к.,
м/мин
|
11,0
|
11
|
6,0
|
10,0
|
|
Vо. к.,
м/мин
|
11,0
|
11
|
6,2
|
10,0
|
|
n, об/мин
|
1,7
|
1,7
|
0,6
|
1,0
|
|
Vд. к.,
м\мин
|
83
|
49,8
|
33,2
|
16,6
|
|
L*B*H, м
|
14,5*3,2*4,0
|
15,3*3,23*3,0
|
19,5*3, 2*4,2
|
6,39*4,35*4,3
|
|
М, т
|
24,0
|
13,83
|
44,7
|
36,81
|
|
Q, т
|
1,0-11,5
|
1-11,5
|
3-19,5
|
1,2-14,7
|
|
Lстр,
м
|
15,0-23,0
|
15-23
|
17,5-27,5
|
19,0-38,75
|
|
L, м
|
5,0-20,0
|
5-20
|
4-14,0
|
5,4-20,0
|
|
Hкр,
м
|
10,0-25,0
|
10-25
|
13,8-27
|
9,6-31,8
|
6.3 Определение производительности монтажных кранов
6.3.1
I Поток
1. Средняя грузоподъемность,
(т):
|
Наименование
|
Q
|
N
|
|
КК
|
5,3
|
78
|
|
КС
|
7
|
117
|
|
КФ
|
5,8
|
30
|
|
ПБ-6
|
0,66
|
288
|
|
СВ-6
|
0,34
|
15
|
2. Продолжительность цикла:
МКП 16
МКГ 16М
3. Производительность крана:
,
Продолжительность работы крана
4. Нормотивная
продолжительность монтажа I потока
5. Нормативная продолжительность монтажа кранов по
вариантам.:

Количество кранов:
,
II ПОТОК
1. Средняя грузоподъемность, (т):
|
Наименование
|
Q
|
N
|
|
ФС-18
|
6,7
|
78
|
|
ФС-24
|
9,6
|
78
|
|
ПП
|
2,3
|
1008
|
2. Продолжительность цикла:
,
МКП 25
ДЭК 251
3. Производительность крана (т\см):
4. Трудоемкость монтажа, чел/ч
5. Нормативная продолжительность
монтажа, см:
6. Продолжительность работы
крана:
Количество кранов:
6.4
Определение технико-экономических показателей монтажных кранов
6.4.1
I поток
1. Стоимость маш. смены (руб):
,
L=8 км
МКП 16
ЕА=2,1 (руб);
ЕБ=11,3 (руб);
ЕВ=0.
МКГ 16М
ЕА=7 (руб);
ЕБ=18 (руб);
ЕВ=25 (руб).
Синвентар=38140 (руб);
Аг=12,5%
Синвентар=20500 (руб);
Аг=16,5%, 

2. Себестоимость монтажа (руб/т):
3. Приведенные затраты:
Ен=0,12; Синвентар=38140 (руб);
,
Синвентар=20500 (руб);
. Трудоемкость монтажа конструкций (чел-ч/т):
5. Экономический эффект:
6. Вывод сравнения результатов:
|
Показатель
|
Вариант
|
|
МКП 16
|
МКГ 16М
|
|
1. Продолжительность
монтажа (см)
|
70,7
|
72,55
|
|
2. Количество
кранов (шт)
|
1,04
|
1,07
|
|
3.
Производительность крана (т/см)
|
32,05
|
31,23
|
|
4.
Себестоимость монтажа 1т конструкций (руб/т)
|
4,22
|
3,82
|
|
5. Приведенные
затраты (руб)
|
6466
|
7359,77
|
|
6. Удельная
трудоемкость монтажа (чел-ч/т)
|
1,62
|
1,33
|
|
7. Суммарный
экономический эффект (руб)
|
2976,7
|
ВЫВОД: Так как Э>0 - эффективней 2 вариант
(выбираем кран МКГ 16М)
.4.2 II поток
. Стоимость маш. смены (руб):
, L=8 км
МКП 25
ЕА=2,8 (руб);
ЕБ=13,2 (руб);
ЕВ=0.
ДЭК 251
ЕА=13 (руб);
ЕБ=28 (руб);
ЕВ=98 (руб).
,Синвентар=37025 (руб); Аг=12,5%
Синвентар=30520 (руб); Аг=11,4%
,




2. Себестоимость монтажа (руб/т):
3. Приведенные затраты:
Ен=0,12; Синвентар=37025 (руб);
Синвентар=30520 (руб);
4. Трудоемкость монтажа конструкций (чел-ч/т):
5. Экономический эффект:
6. Вывод сравнения результатов:
|
Показатель
|
Вариант
|
|
МКП 25
|
ДЭК 251
|
|
1.
Продолжительность монтажа (см)
|
106,6,
|
92,05
|
|
2. Количество
кранов (шт)
|
1,15
|
0,86
|
|
3.
Производительность крана (т/см)
|
32,2
|
37,32
|
|
4.
Себестоимость монтажа 1т конструкций (руб/т)
|
2,6
|
2,15
|
|
5. Приведенные
затраты (руб)
|
9087,45
|
8318,28
|
|
6. Удельная
трудоемкость монтажа (чел-ч/т)
|
1,17
|
1
|
|
7. Суммарный
экономический эффект (руб)
|
755,91
|
ВЫВОД: Исходя из технико-экономических показателей,
целесообразней принять кран ДЭК 251
Раздел
7. Расчет усредненных и общих показателей на строительство
1. Нормативная продолжительность
монтажа, см:
2. Расчетная продолжительность монтажа
конструкций, см:
3. Нормативная приведенная трудоемкость
монтажа конструкций, с учетом вспомогательных работ:
,
4. Расчетная приведенная трудоемкость
монтажа конструкций для выбранных вариантов кранов, чел-ч/т:
5. Нормативная себестоимость монтажа 1т
конструкции с учетом вспомогательных работ, руб/т:

=1.98
6. Себестоимость 1 тонны монтажа
конструкций, руб/т:
7. Стоимость работ (без учета стоимости
конструкций) с учетом районного коэффициента и инфляции:
8. Стоимость 1 м2 площади
здания:
9. Трудоемкость монтажа здания:
Раздел
8. Выбор и расчет машин для перевозки конструкций и материалов
Таблица 10 - Технические характеристики машин для перевозки
конструкций
|
Вид конструкций
|
Кол-во, шт
|
Габариты
|
Масса, т
|
Марка
автотранс-та
|
Скорость, км/ч
|
Размер
платформы, м
|
Грузопод-ть, т
|
Число констр.
за рейс
|
Число машин
|
Число рейсов в
смену
|
Число рейсов
|
|
КК
|
78
|
0,6*0,4*9,4
|
5,3
|
Полупр-п ТП-24
КРАЗ-258
|
60
|
13,7*2,6*3,95
|
24
|
4
|
2
|
1
|
20
|
|
КС
|
117
|
0,5*0,6*9,4
|
7,0
|
Полупр-п ТП-24
КРАЗ-258
|
60
|
13,7*2,6*3,95
|
24
|
3
|
2
|
1
|
39
|
|
КФ
|
30
|
0,5*0,6*9,3
|
5,8
|
Полупр-п ТП-24
КРАЗ-258
|
60
|
13,7*2,6*3,95
|
24
|
4
|
1
|
1
|
8
|
|
ПБ-6
|
288
|
0,4*0,8*6
|
0,66
|
Полупр-п ПР12
МАЗ-504
|
75
|
9*2,64*2,48
|
12
|
18
|
2
|
3
|
12
|
|
СВ-6
|
15
|
4,75*5,6
|
0,34
|
Полупр-п ПР12
МАЗ-504
|
75
|
9*2,64*2,48
|
12
|
35
|
1
|
1
|
1
|
|
ФС-18
|
78
|
0,24*3*17,94
|
6,7
|
Фермовоз ПФ18
МАЗ-504
|
75
|
17,5*2,28*3,1
|
15
|
10,5
|
2
|
1
|
39
|
|
ФС-24
|
78
|
0,24*3,3*23,94
|
9,6
|
Фермовоз пФ24
КРАЗ-258
|
60
|
30,38*2,63*3,43
|
24
|
24,4
|
3
|
1
|
39
|
|
ПП
|
1008
|
0,3*2,98*5,96
|
2,3
|
Полупр-п ПП12
МАЗ-504
|
75
|
12*2,5*1,86
|
12
|
4,9
|
4
|
2
|
202
|
|
Электроды
|
|
|
0,223
|
|
|
|
|
|
1
|
|
1
|
|
Бетон для пп
|
|
|
18 м3
|
Автобетоносмеситель
СБ-227 ЗИЛ-433362
|
60
|
7*2,5*3,6
|
2,5 м3
|
|
1
|
|
8
|
|
Бетон Ф-та
|
Автобетоносмеситель
СБ-227 ЗИЛ-433362
|
60
|
7*2,5*3,6
|
2,5 м3
|
|
1
|
|
44
|
1. Продолжительность 1 рейса:

;

; 

2. Продолжительность перевозки:
3. Число машин


час

п = tр = 0,33 ÷0,66 (ч)

м =
0,15 ÷0,2 (ч)
Nрейс
= 
Nрейс для стыка = 
;
Nрейс для швов = 
Раздел
9. Строительный генеральный план
Стройгенплан - это план, на котором показывают план
здания с расстановкой машин для монтажа здания, подъездных путей для
автотранспорта, складов для временного складирования (хранения) конструкций,
площадок для установки вспомогательного оборудования, расположение и подводка
временного водоснабжения, канализации и электроснабжения стройплощадки на
период строительства, ограждение строительной площадки, установка прожекторов,
расположение въездов и КПП (контрольно-пропускного пункта).
Условные обозначения:
Раздел 10. Материально-технические затраты
Таблица 12 - Потребность в основных конструкциях, материалах
и полуфабрикатах
|
Наименование
|
Марка
|
Ед. изм.
|
Кол-во
|
|
Колонны крайние
|
КК
|
шт
|
78
|
|
Колонны средние
|
КС
|
шт
|
117
|
|
Колонны
фахверка
|
КФ
|
шт
|
30
|
|
Подкрановые
балки, L=6м
|
ПБ-6
|
шт/т
|
48/190,08
|
|
Вертикальные
связи, L=6м
|
СВ-6
|
шт/т
|
15/5,1
|
|
Стропильные
фермы, пролетом 18м
|
ФС-18
|
шт
|
78
|
|
Стропильные
фермы, пролетом 24м
|
ФС-24
|
шт
|
78
|
|
Плиты покрытия,
L=6м
|
ПП
|
шт
|
1008
|
|
Бетон для
замоноличивания стыков колонн с фундаментом
|
Б-15
|
м3
|
18
|
|
Бетон для
устройства шва плит покрытий
|
Б-15
|
м3
|
126,86
|
|
Электроды
|
Э-42
|
т
|
0,223
|
Таблица 13 - Потребность в машинах, оборудовании,
инструментах и приспособлениях
|
Наименование
|
Марка
|
Кол-во
|
Назначение
|
|
Пневмоколесный
стреловой кран
|
МКГ 16М
|
1
|
для монтажа КК,
КС, КФ, ПБ-6,СВ-6,
|
|
Пневмоколесный
стреловой кран
|
ДЭК 251
|
1
|
для монтажа
ФС-18, ФС-24, ПП
|
|
Полуприцеп
|
ТП 24
|
5
|
для перевозки
КК
|
|
Полуприцеп
|
ТП 24
|
6
|
для перевозки
КС
|
|
Полуприцеп
|
ТП 24
|
5
|
для перевозки
КФ
|
|
Полуприцеп
|
ПР12
|
2
|
для перевозки
ПБ-6
|
|
Полуприцеп
|
ПР12
|
1
|
для перевозки
СВ-6
|
|
Фермовоз
|
ПФ18
|
2
|
для перевозки
ФС-18
|
|
Фермовоз
|
пФ24
|
3
|
для перевозки
ФС-24
|
|
Полуприцеп
|
ПП12
|
4
|
для перевозки
ПП
|
|
Траверса
унифицированная
|
ПК треста
стальмонтаж №1095Р-211
|
1
|
для установки
колонн
|
|
Траверса
|
ПК треста
стальмонтаж №15946Р-11
|
1
|
для установки
ФС-18
|
|
Траверса
|
ПИ
промстальконструкция №15946Р-Н
|
1
|
для установки
ФС-24
|
|
Траверса
|
ПИ
промстальконструкция
|
1
|
для установки
ПБ
|
|
Траверса
|
ПИ
промстальконструкция
|
1
|
для установки
ПП
|
|
Клиновый
вкладыш
|
ЦНИИОМТП
|
1
|
для временного
закрепления колонн
|
|
Распорка
|
ПИ
промстальконструкция
|
2
|
для временного
закрепления ферм
|
|
Крышевой
кондуктор-распорка
|
ЦЭКБ
строймехавтоматика
|
2
|
|
|
Площадка с
навесной лестницей
|
ПК
главстальконструкция №220
|
2
|
|
|
Ограждающие
покрытия
|
ПИ
промстальконструкция
|
|
для временного
ограждения
|
|
Строп
4-ветвевой
|
ПИ
промстальконструкция №21059М
|
1
|
|
|
Ломик монтажный
|
1405-83
|
6
|
|
|
Рулетка
измерительная
|
РС-5
|
6
|
|
|
Лопатка
штыковая
|
3620-76
|
4
|
|
|
Отвес
|
7948-80
|
4
|
|
|
Уровень
строительный
|
9416-83
|
4
|
|
|
Нивелир
|
НВ-2
|
2
|
|
|
Теодолит
|
Т-10
|
2
|
|
|
Метр стальной
|
складной
|
|
|
|
Приставная
лестница
|
ПИ
промстальконструкция
|
2
|
|
|
Сварочный
трансформатор
|
ТС-500
|
1
|
|
Таблица 14 - Потребность в дизельном топливе и
электроэнергии
|
Наименование
|
Ед. изм.
|
Норма времени
на час работы
|
Объем работ, ч
|
Потребное
количество на принятый объем работы
|
Назначение
|
|
Дизельное
топливо для крана МКГ 16М
|
т
|
0,0056
|
217,59
|
217,59*0,0056=1,22
|
для работы
монтажного крана
|
|
Дизельное
топливо для крана ДЭК 251
|
|
0,0055
|
419,6
|
419,6*0,0055=2,31
|
|
|
Электросварка
|
кВт*ч
|
20
|
81,15*6,5=527,48
|
(527,48*20)
/100= 105,5
|
временное
освещение и потребление энергии машинами и людьми на период строительства
|
Раздел
11. Указания по производству монтажных работ
Монтаж конструкций здания выполняют двумя потоками:
поток - установка колонн, балок подкрановых и вертикальных
связей;
поток - установка стропильных ферм и плит покрытия.
Монтаж строительных конструкций ведем с транспортных средств.
Данный метод монтажа требует четкости организации и согласованности монтажного
и транспортного процессов. Ведем поэлементный, продольный монтаж
комбинированным методом (установка однотипных конструкций в пределах здания и
только после этого установка других типов конструкций).
Монтаж колонн и подкрановых балок ведем стреловым гусеничным
краном (МКГ 16М).
Каждую колонну перед строповкой следует проверить на качество
и прочность геометрических размеров. Строповку колонн проводим унифицированной
траверсой (см. табл.5).
Расстроповку установленных колонн производят только после их
закрепления в стаканах клиновыми вкладышами.
Клиновые вкладыши снимают только после того, как бетон в
стыке колонн наберет 70% проектной прочности (4 суток).
Перед монтажом балок осматривают состояние конструкций и
подготавливают стыки. Подкрановые балки поднимают с помощью специальной
траверсы (см. табл.5). Расстроповку балок производят после сварки закладных
деталей.
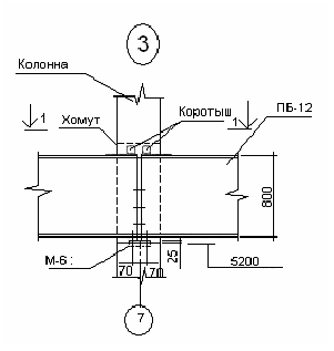
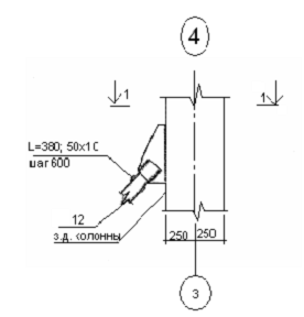
Для обеспечения жесткости здания в продольном направлении в
середине температурного блока по крайним и средним рядам колонн устанавливают
вертикальные связи. Соединение вертикальных связей с колоннами выполняются на
сварке. Для крепления связей с колоннами предусмотрены закладные элементы.
Рабочее место на высоте обеспечивают приставные лестницы.
Монтаж элементов покрытия ведем стреловым гусеничным краном
(ДЭК 251).
Строповку стропильных и подстропильных ферм производим
специальными траверсами (см. табл.5).
Для временного закрепления первой фермы в проектном положении
используем расчалки, а для последующих ферм - специальные распорки (на 1 ферму
- 2шт., через 1/3 пролета). Для закрепления ферм в проектном положении
закладные детали приваривают к опорным плитам, приваренным к закладным деталям
оголовков колонн. После этого производят Расстроповку. Распорки снимают только
после окончательного закрепления ферм и укладки плит покрытия.
Плиты покрытия монтируют краном ДЭК 251 Для строповки плит
покрытия применяем специальную траверсу (см. табл.5). Место установки первой
плиты отмечаем на ферме. Для обеспечения постоянного зазора, образующего шов,
пользуются ломиком - шаблон.
Раздел
12. Указания по технике безопасности
При производстве строительно-монтажных работ необходимо
соблюдать правила техники безопасности согласно СНиП III-А. II-70
"Техника безопасности в строительстве".
1. Ответственность за соблюдение требований СНиП III-А. II-70 и выполнение
мероприятий по технике безопасности при производстве строительно-монтажных
работ возлагаются на инженерно-технических работников строительно-монтажных
организаций.
2. На строительной площадке должны быть санитарно-бытовые
помещения и устройства: гардеробные, умывальные, душевые, уборные, помещения
личной гигиены женщин, помещения для обогрева и регламентированного отдыха,
пункты питания, здравпункт и др., выполненные и оборудованные в соответствии с
нормами по проектированию бытовых помещений.
. Организация рабочих мест должна обеспечивать
безопасность выполнения работ. Рабочие места должны иметь предусмотренные
ограждения, защитные и предохранительные устройства и приспособления.
. Строительно-монтажная организация обязана обеспечить
рабочих одеждой, спец. обувью и средствами индивидуальной защиты.
. Все работающие на строительной площадке должны быть
обеспечены защитными касками.
. Стройплощадка в населенных пунктах или на территории
промышленного предприятия, во избежание доступа посторонних лиц, должна быть
огорожена.
. Движущиеся части строительных машин и механизмов в
местах возможного доступа людей должны быть ограждены. Запрещается оставлять
работающими машины и механизмов местах возможного доступа людей без надзора.
. Поступающие работники могут быть допущены к работе
только после прохождения инструктажа по технике безопасности непосредственно на
месте. Повторный инструктаж должен проводиться не менее чем 1 раз в 3 месяца.
. К выполнения строительно-монтажных работ, к которым
предъявляются дополнительные требования по технике безопасности согласно СНиП III-А. II-70, могут быть допущены
лица, прошедшие курсовое обучение по типовым программам, сдавшие экзамены и
имеющие удостоверение на право производства работ.
. Материалы, оборудование следует размещать на
выровненных и утрамбованных площадках, а в зимнее время на площадках очищенных
от льда и снега.
. Грузоподъемные краны и стреловые подъемники должны
быть оборудованы приборами безопасности и сигнализации, а также
предохранительными устройствами.
. К работе механизированными инструментами допускаются
лица, прошедшие курсовое обучение по типовым программам, сдавшие экзамены и
имеющие удостоверение на право производства работ.
. Запрещается работать механизированными инструментами
с приставных лестниц. При перерывах в работе или переносе механизированных
инструментов их необходимо выключать.
. Корпус электротехнических инструментов, работающих
от напряжения более 36 В, должны быть заземлены.
. Производство сварочных работ н открытом воздухе во
время грозы, дождя и снегопада запрещено.
. Строповку элементов и конструкций следует
производить инвентарными стропами, а в необходимых случаях специализированными
грузозахватными приспособлениями.
. Строповку элементов и конструкций следует
производить по схемам, составленными с учетом прочности и устойчивости
поднимаемых конструкций.
. Элементы и конструкции во время перемещения должны
удерживаться от раскачивания и вращения оттяжками из пенькового каната или
гибкого троса.
. Запрещается нахождение людей на перемещаемых
конструкциях, при подъеме и установке.
. Установленные в проектное положение конструкция
должна быть закреплена, постоянно или временно при помощи специальных
приспособлений. Расстроповка до надежного раскрепления запрещается.
Раздел 13. Контроль качества ионтажных работ
1. При доставке колонн на строительную площадку проверяют
точность их размеров и положение закладных деталей с помощью компарированных
рулеток. При монтаже колонн проверяют:
отметку дна стакана фундамента;
совмещение осей колонны и разбивочных осей на фундаменте
контролируют по двум осям с помощью деревянного угольника и слесарного метра;
вертикальность колонн проверяют с помощью теодолита;
отметки опорных площадок для подкрановых балок и ферм
контролируют методом геометрического нивелирования.
Допускаемая погрешность не должна превышать 20% допускаемого
отклонения на контролируемый параметр.
. Размеры подкрановых балок проверяют компарированной
стальной рулеткой. Балки устанавливают в проектное положение по осевым рискам
на балках и колоннах. Выверку производят в пределах температурного блока:
по высоте - с помощью нивелира;
в плане - по теодолиту.
Расстояние между осями установленных балок проверяют
компарированной рулеткой с двукратным смещением мерного прибора с поправкой на
провес рулетки и температуру. Допустимая средняя погрешность при проверке
точности размеров подкрановых балок не более 20% допускаемого отклонения на
контролируемый размер.
. При поступлении на площадку ферм и плит покрытия точность
их размеров проверяют стальной компарированной рулеткой. При монтаже покрытия
контролируют:
смещение осей ферм относительного геометрических осей опорных
конструкций - проверяют стальным метром;
расстояние между осями ферм проверяют компарированной
рулеткой с введением поправок за её провес и температуру;
отметки лицевых поверхностей плит в стыке контролируют
методом геометрического нивелирования;
положение плит в плане проверяют стальным метром.
Погрешности контроля не должна превышать 20% величины
допускаемого отклонения на контролируемый параметр.
Раздел
14. Охрана окружающей среды
1. В соответствии с законом Российской Федерации "Об
охране окружающей природной среды" при проектировании, строительстве,
реконструкции, эксплуатации и снятии с эксплуатации предприятий, зданий и
сооружений в промышленности, сельском хозяйстве, на транспорте, в энергетике и
жилищно-коммунальном хозяйстве должны предусматриваться мероприятия по охране
природы, рациональному использованию и воспроизводству природных ресурсов, а
также выполняться требования экологической безопасности проектируемых объектов
и охраны здоровья населения.
. С учетом требований закона "Об охране окружающей
природной среды" экологические факторы при принятии решения о
строительстве новых объектов, реконструкции или техническом перевооружении
действующих являются определяющими.
Эти факторы предусматривают жесткие экологические требования
к разрабатываемой документации при принятии проектных решений, требуют оценки
характера использования природных ресурсов, определения параметров воздействия
объекта на компоненты окружающей среды, анализа альтернативных вариантов
размещения объекта, а также составления прогноза экологических и социальных
последствий строительства и эксплуатации объектов.
. Возможность строительства новых объектов или реконструкции,
расширения, технического перевооружения действующих определяется наличием
сырьевых, топливных, энергетических, водных и других ресурсов района их
размещения, а также социальных и других потребностей, при этом учет
экологических требований определяет возможность осуществления планируемой
деятельности на конкретной территории, исходя из масштабов и характера ее
влияния на окружающую природную среду.
. В соответствии с требованиями СНиП 11-01-95 в составе
проектной документации должен разрабатываться раздел "Охрана окружающей
среды".
При его разработке для проектируемого объекта следует
выполнить:
оценку современного состояния природной среды и уровня
техногенной нагрузки района размещения объекта (в том числе на альтернативных
участках);
определение уровня воздействия объекта на окружающую
природную среду при различных вариантах реализации проекта;
оценку изменений природной среды в результате планируемого
воздействия;
оценку последствий воздействия объекта на окружающую среду,
социально-бытовые и хозяйственные условия жизни населения;
определение (подсчет) экологического ущерба;
разработку мероприятий по предотвращению или снижению
возможных неблагоприятных воздействий на среду по основным вариантам принимаемых
решений и оценку их эффективности и достаточности;
разработку мероприятий по организации мониторинга за
состоянием окружающей природной среды,
Все основные решения по вопросам охраны окружающей среды при
строительстве и эксплуатации объектов различного назначения, а также
применяемому комплексу природоохранных мероприятий должны быть определены при
разработке обоснования инвестиций. При разработке проектной документации эти
решения могут быть дополнены и уточнены.
Раздел ООС в проектной документации должен содержать
следующие основные подразделы:
краткие сведения о проектируемом объекте;
охрана и рациональное использование земельных ресурсов;
охрана атмосферного воздуха от загрязнения;
охрана поверхностных и подземных вод от загрязнения и
истощения;
охрана окружающей среды при складировании (утилизации)
отходов промышленного производства;
охрана растительности и животного мира;
прогноз изменения состояния окружающей среды под воздействием
проектируемого объекта;
эколого-экономическая эффективность строительства,
реконструкции, технического перевооружения объекта.
Различными проектными организациями состав и содержание
раздела ООС может быть уточнен применительно к требованиям специфики
проектирования предприятий соответствующих отраслей промышленности или
параметров жилищно-гражданских объектов, возводимых в различных регионах.
. При разработке раздела ООС следует руководствоваться
природоохранным законодательством России, требованиями нормативно -
методических документов по охране окружающей природной среды, положениями
различных глав СНиП, инструкций, стандартов, ГОСТов, регламентирующих или
отражающих требования по охране природы при строительстве и эксплуатации
объектов различного назначения.
. Охрана окружающей природной среды и рациональное использование
природных ресурсов при разработке раздела ООС должны рассматриваться с учетом
природных особенностей района расположения проектируемого объекта и
существующей техногенной нагрузки. Все параметры объекта следует оценивать по
уровню их воздействия на экологию прилегающего района и возможности
предупреждения негативных последствий функционирования предприятия для среды в
ближайшей и отдаленной перспективе.
. При разработке раздела ООС в составе проектной документации
должны быть выявлены:
существующие природно-климатические характеристики района
расположения объекта;
виды, основные источники и интенсивность существующего
техногенного воздействия в рассматриваемом районе (объем выбросов и сбросов,
загрязнение территории и почв, нарушения ландшафта и т.п.);
характер использования и объем (количество) природных
ресурсов, вовлекаемых в хозяйственный оборот, условия их транспортировки к
проектируемому объекту;
характер, объем и интенсивность предполагаемого воздействия
проектируемого объекта на атмосферу, воздушную среду и территорию в процессе
строительства и эксплуатации;
количество отходов производства, степень их токсичности,
условия складирования, захоронения или утилизации;
возможность использования отходов на других производствах и в
других отраслях хозяйства;
возможность аварийных ситуаций на объекте и их последствия;
изменения параметров окружающей среды под воздействием
проектируемого объекта (намечаемой хозяйственной деятельности);
экологические и социальные последствия строительства и
эксплуатации объекта.
Обоснование технических решений по охране среды должно быть
подкреплено расчетами эколого-экономической эффективности применяемых
природоохранных мероприятий. При определении эффективности следует сопоставлять
затраты на реализацию природоохранных мероприятий с величиной предотвращенного
народнохозяйственного ущерба, выявляемого для всех видов реципиентов (ущерб от
воздействия объекта на окружающую среду является комплексной величиной и
представляет собой потери и затраты в районе расположения объекта от его
техногенного воздействия на компоненты среды).
В разделе ООС проектной документации должен разрабатываться
прогноз изменения состояния природной среды и социально-экономических условий
жизни населения в районе размещения объекта.
Разработанный прогноз должен отражать:
изменения качественного состояния атмосферы с учетом его
дополнительного загрязнения от выбросов проектируемого (реконструируемого)
объекта;
изменения качественного и количественного состояния
поверхностных и подземных вод в районе расположения объекта;
изменения в характере землепользования района расположения
объекта;
характер нарушений геологической среды, возможность
активизации опасных геологических процессов и предполагаемый уровень
загрязнения почв;
характер воздействия объекта на растительность и животный мир
и их изменения под влиянием строительства и эксплуатации объекта;
изменения социально-экономической обстановки и условий жизни
населения, проживающего в районе размещения объекта.
Заключение
Задача данного курсового проекта, заключалась в
проектировании 4-хпролетного, с размерами в плане, одноэтажного промышленного
здания с мостовыми кранами. Здание имеет 3 температурных блока протяженностью
72м. Для железобетонных и металлических конструкций были подобраны механизмы и
машины. При определении вариантов кранов, были выбраны наиболее эффективные и
экономически выгодные при эксплуатации:
Ø I поток - МКГ
16М;
Ø II поток - ДЭК
251
Все монтажные работы, выполняемые кранами и другими
механизмами, были разбиты на два потока:
Ø I поток: монтаж КК, КС,
КФ, ПБ-6, СВ-6, ведется раздельным способом без разделения на захватки -
монтажный пневмоколесный стреловой кран МКГ 16М;
Ø II поток: монтаж ФС-18,
ФС-24, ПП ведется параллельным способом - монтажный пневмоколесный стреловой
кран ДЭК 251.
Также произведены сварочные работы и замоноличивание стыков.
Технико-экономические показатели:
Продолжительность монтажа работ = 116,35 см;
Трудоемкость производства работ = 12302,89 чел/ч;
Сметная стоимость строительства = 1910559,3 руб.
Список
используемой литературы
1.
Альбом "Технологические схемы возведения одноэтажных промышленных
зданий", вып.2. - Монтаж надземной части.
.
ЕНиР. Общая часть. - М.; СИ, 1987. - 37с.
З.
ЕНиР, Е4, вып.1. Монтаж сборных и устройство монолитных железобетонных конструкций.
- М.: СИ. 1987. - 54с.
.
ЕНиР, Е5, вып.1. Монтаж металлических конструкций. - М.: СИ, 1987. - 32с.
.
СНиП 3.03.01. - 87. Монтаж несущих и ограждающих конструкций. - М.: СИ, 1988. -
190с.
б.
СНиП 3-4-80. Техника безопасности в строительстве. - М.: СИ, 1981. - 255с.
.
Кузнецов Ю.П. Проектирование земляных и монтажных работ. М.: СИ, 1981. - 424с.
Приложения