Расчет параметров буровзрывных работ при промыслово-геофизических работах
Министерство образования и науки
Российской Федерации
Федеральное агентство по образованию
Государственное образовательное
учреждение
Высшего профессионального образования
"Магнитогорский государственный
технический университет им. Г.И. Носова"
Факультет горных технологий и
транспорта
Кафедра открытой разработки
месторождений полезных ископаемых
Курсовой проект
на тему: "Расчет параметров
буровзрывных работ при промыслово-геофизических работах"
Выполнил: студент группы ГВ - 04
Левченко Д.И.
Проверил: ст. пр. Зурков И.Е.
Магнитогорск
Содержание
Введение
1. Исходные данные для проектирования
2. Общие положения
2.1 Размеры и запасы рудничного поля
2.2 Производительность и срок существования рудника
2.3 Режим работы предприятия
2.4 Система разработки
3. Буровзрывные работы при проходке вертикальных стволов шахт
3.1 Выбор и обоснование бурового оборудования
3.2 Выбор ВВ и средства инициирования
3.3 Диаметр шпура и конструкция заряда
3.4 Удельный расход ВВ
3.5 Количество шпуров
3.6 Глубина шпуров
3.7 Схема расположения шпуров
3.8 Контурное взрывание
4. Буровзрывные работы при проходке горизонтальных выработок
4.1 Выбор и обоснование бурового оборудования
4.2 Определение диаметра и глубины шпуров
4.2.1 Диаметр шпуров
4.2.2 Глубина шпуров
4.3 Конструкция заряда
4.4 Выбор типа ВВ и СИ
4.5 Выбор типа вруба и схемы расположения шпуров
4.6 Расчет удельного расхода ВВ
4.7 Общий расход ВВ и число шпуров
4.8 Контурное взрывание
5. Параметры буровзрывных работ при отбойке руды
5.1 Обоснование типа бурового оборудования
5.2 Выбор типа ВВ и СИ
5.3 Удельный расход ВВ
5.4 Конструкция зарядов
5.5 Схема расположения шпуров
5.6 Общий расход ВВ и число шпуров
Библиографический список
Введение
Под разработкой месторождения понимается совокупность работ
по вскрытию, подготовке месторождения, очистной выемке и транспортировке
полезного ископаемого на поверхность, вентиляция и водоотлив.
Разработка месторождений полезных ископаемых подземным
способом производится с помощью шахт - самостоятельных производственных единиц
горного предприятия производящая подземную добычу полезного ископаемого в
пределах отведенной для нее части месторождения.
При подземной разработке месторождения выделяют три стадии:
. Вскрытие - проведение горных выработок открывающих
доступ с поверхности к рудному телу;
2. Подготовка - проведение выработок разделяющих
месторождение или его часть на выемочные единицы. Выемочные единицы в свою
очередь подготавливаются к очистной выемке проведением нарезных выемок;
. Очистная выемка - технологический процесс извлечения
руды из выемочной единицы и управления горным давлением в очистном пространстве
В практике горнодобывающей промышленности используются самые
разнообразные способы вскрытия месторождения, это обусловлено индивидуальностью
горно-геологических условий, залегания месторождения - глубиной залегания,
глубиной распространения оруднения, количеством и мощностью рудных тел,
расстояний между ними, производственной мощностью предприятия, рельефом
местности, гидрогеологией и т.д.
Способ вскрытия определяет тип и назначение основных
вскрывающих выработок, их количество и место расположения относительно
месторождения. Схема вскрытия определяет расположение и порядок проведения
вскрывающих выработок.
1.
Исходные данные для проектирования
Мощность рудного тела - 10 м;
Угол падения залежи - 300;
Глубина залегания: начальная - 20 м,
конечная - 720 м;
Длина по простиранию - 1200 м;
Объемная плотность - 2,8 т/м3;
Крепость: руда - 10,порода - 12;
Устойчивость: руда - средняя,
порода - устойчивые;
Слеживаемость - нет.
Вскрытие месторождения осуществляется с помощью основного
(рудовыдачного) ствола оборудованного 2-мя клетями и 2-х вспомогательных
стволов оборудованных клетью с противовесом. Диаметр стволов D = 6 м, площадь в проходке
(вчерне) Sпр = 28,3 м.
В качестве дополнительных вскрывающих выработок используются
квершлаги 2,54х3,0 м.
Для отработки месторождения используется камерно-столбовая
система разработки с доставкой руды силой взрыва.
2.
Общие положения
2.1
Размеры и запасы рудничного поля
По данным размерам шахтного поля подсчитываются балансовые
запасы по формуле:
Бб = mн (Нк-Нн)
cosa Lпрgр, т (2.1)
где тн, тг - мощность
рудной залежи соответственно по нормали горизонтали, м; Нн, Нк
- начальная и конечная глубина разработки соответственно, м; a
- угол падения рудной залежи, град.; Lпр - размер рудного тела по
простиранию, м; gP - объемная плотность руды,
т/м3.
т
Промышленные запасы, подлежащие отработке подземным способом
(Бп), определяются путем исключения из балансовых части запасов (Бб),
отрабатываемых открытым способом (Бо):
Бп=Бб-Бо, т (2.2)
Запасы, отрабатываемые открытым способом, определяются
предельной глубиной карьера.
Для наклонных и крутопадающих месторождений предельная
глубина карьера определяется по формуле:
, м (2.3)
где Нпр - предельная глубина карьера;
- горизонтальная мощность залежи, м;
,
- углы откоса бортов карьера по висячему и лежачему бокам:
=40-450,
=35-400;
- граничный коэффициент вскрыши, м3/м3;
=7-8 и
=8-10 - для железорудных месторождений, соответственно, мощностью
до 25 и более 25 м;
= 10-12 и
= 12-15 - для руд цветных металлов, соответственно, выше указанной
мощности.
м
Исходя из того, что мощность наносов составляет 20 м, принимаем
отработку месторождения только подземным способом.
2.2
Производительность и срок существования рудника
Расчетная производительность рудника (А,
т/год) определяется по горным возможностям и проверяется по нормативному сроку
существования рудника:
для крутопадающих месторождений:
(2.4)
где П, R -
коэффициенты, соответственно, потерь и разубоживания руды при добыче, доли ед.;
S - средняя площадь горизонтального сечения
рудного тела, м2; V - годовое
понижение горных работ, м;
р -
объемная плотность руды, т/ м3; Км, Ку
- коэффициенты, соответственно, учитывающие мощность и угол наклона залежи.
Величину годового понижения горных работ (V) принимать по таблице 2.1.
Поправочные коэффициенты на угол падения и мощность рудных тел
принимать по таблице 2.2 и 2.3.
Таблица 2.1 - Годовое понижение горных работ
|
Рудная площадь,
тыс. м2
|
Величина
годового понижения выемки, м
|
|
До 4 4 - 6 6 -
12 12 - 20 Свыше 20
|
26 - 33 23 - 30
17 - 25 13 - 22 9 - 15
|
Таблица 2.2 - Поправочный коэффициент (Ку)
к величине годового понижения горных работ в зависимости от угла падения
|
Угол падения,
град
|
Ку
|
|
90
|
1,2
|
|
60
|
1,0
|
|
45
|
0,9
|
|
30
|
0,8
|
Таблица 2.3 - Поправочный коэффициент (Км)
к величине годового понижения горных работ в зависимости от мощности рудного
тела
|
Мощность
рудного тела, м
|
Км
|
|
До 3
|
1,3
|
|
3-5
|
1,2
|
|
5-15
|
1,0
|
|
15-25
|
0,8
|
|
Свыше 25
|
0,6
|
т/год
По рассчитанной производительности определяется фактический срок
существования рудника, лет
(2.5)
где
- время на развитие и затухание работ,
лет. Суммарно
принимать до 5-8 лет.
года.
Для рудников со сроком существования 50 лет и более при
значительной глубине разработки (более 1000 м) мощность предприятия
рассчитывается не на весь срок отработки месторождения, а отдельно для каждой
ступени вскрытия (очереди отработки), условно принимаемой за предельную.
Первый этап разработки определяется по формуле, м
. (2.6)
м
2.3
Режим работы предприятия
Продолжительность рабочей недели трудящихся принимать:
на подземных работах - 36 ч;
на поверхности (кроме горячих и вредных цехов) - 40 ч;
число рабочих дней в неделе для всех категорий трудящихся -
5;
продолжительность смены для подземных рабочих - 7,2 ч;
Режим работы рудника по добыче черных металлов принимать:
число рабочих дней в году:
для шахт производительностью до 500 тыс. т в год - 251;
число смен в сутки по выдаче руды - 3.
2.4
Система разработки
Камерно-столбовая система разработки с доставкой
руды силой взрыва
Условия применения:
угол падения залежи 25-45о;
вмещающие руды и породы устойчивые;
мощность рудных тел 4-20 м;
руды невысокой ценности;
элементы залегания рудного тела должны быть выдержаны.
Сущность.
Отработка залежи ведётся камерами по восстанию с оставлением
ленточных междукамерных целиков. Доставка руды в пределах камеры производится
под действием взрыва. Подготовка блока заключается в проведении откаточных
штреков - рудного и полевого, через 150 м эти штреки соединяются между собой
квершлагами (заездами под рудоспусками). На нижнем подэтаже по контакту с
висячим боком пройден штрек, для доставки самоходным оборудованием к
рудоспуску. С этого доставочного штрека, стороны лежачего бока, напротив
которой камеры проходят погрузочные ниши (заезды) с уклоном не более 10о.
Уклон необходим для того, чтобы масса ПДМ помогала внедряться ковшу в навал
руды. Из погрузочного заезда по оси камеры, по контакту с лежачим боком,
нарезают рудный наклонный восстающий. Проходят восстающий с помощью самоходного
полка КПМ.
По контакту с лежачим боком проходят штрек. Из этого штрека
будут создавать в камерах отрезные щели. Для этого в каждой камере из штрека
проходят отрезной восстающий до контакта с кровлей. На вышележащем подэтаже
проводились так же нарезные выработки. Погрузочные заезды и наклонный
восстающий, отрезные восстающие в каждой камере, с откаточного горизонта до
уровня доставочных штреков проводят рудоспуски.
Очистная выемка.
В блоке начинается с отработки камер верхнего подэтажа.
Камеры обуриваются веерами скважин на всю длину камеры до начала взрывных
работ. Бурение вееров скважин производят станками БСМ-1М. Станки раскрепляются
по наклонному восстающему с помощью распорных колонок, а также удерживается с
помощью специальных лебёдок. Отработка камер начинается с образования отрезной
щели, путём взрывания 2-3 рядов скважин на отрезной восстающий. После
образования отрезной щели и выпуска руды начинают отбойку вееров скважин.
Удельный расход принимается на 20-25 % выше, чем при обычной отбойке. Взрывают
по одному, иногда 2 веера. Руда под действием силы взрыва попадает в нижнюю
часть камеры, которая имеет форму воронки или траншеи. Доставка руды из
погрузочных заездов производится ПДМ ковшового типа или комплексами ПМ +
автосамосвалы. Средняя длина доставки зависит от расстояния между рудоспусками,
т.е. от размера блока по простиранию рудного тела (расстояние между
рудоспусками = длине блока по простиранию), на практике длина блока 100-150 м.
Производительность 700 т/смен. При малых углах падения рудного тела отбитая
руда частично остаётся на почве камеры. Количество оставшейся руды зависит от
длины взрыва доставки, удельного расхода ВВ и сечения камеры (см. таблицу 2.4).
буровзрывной месторождение шахта проходка
Таблица 2.4 - Остатки отбитой руды на почве камеры
|
Угол наклона
залежи, градусов
|
Остатки отбитой
руды на почве камеры, % при длине доставки, м
|
|
40
|
50
|
60
|
70
|
|
32о
|
17-25
|
26-35
|
30-38
|
36-44
|
|
36о
|
7-13
|
10-15
|
12-20
|
14-22
|
Периодически необходимо производить зачистку почвы камеры.
Для этого применяется электробульдозер с дистанционным управлением или
скреперную зачистку.
Иногда для уменьшения потерь руды по контакту с лежачим боком
наклонно бурят восстающий, заглубляют его в почву камеры.
Проветривание.
За счёт общешахтной вентиляционной струи. Места погрузки
проветриваются свежей струёй по доставочному штреку. Камеры и буровой
восстающий, доставочный штрек, погрузочный заезд, штрек и попадает в камеру.
Управление горным давлением.
Осуществляется за счёт оставления лент междукамерных целиков
4-8 м. При глубине 300-500 м и ширине камер от 12-30 м. Междукамерные целики
обычно погашают массовым взрывом или же при отработке ценных руд вынимают во
2-ой очереди.
Технико-экономические показатели.
Удельный объём подготовительных работ 10-32 м3/тыс.
т.
Удельный объём нарезных работ 1,6-3,2 м3/тыс. т.
Годовая производительность блока 150-200 тыс. т/год.
Сменная производительность труда рабочего на очистных работах
80-200 т/смен, на подготовительных и нарезных работах 13-26 м3/смен.
В среднем по системе разработки 65-75 т/смен.
Входить в камеру нельзя. Сопряжение необходимо крепить
штанговой крепью.
К горно-подготовительным выработкам относят:
откаточные и вентиляционные штреки и орты на концентрационных, основных и промежуточных
горизонтах; квершлаги, проходимые для подсечения параллельных рудных тел;
наклонные съезды и подэтажи; блоковые восстающие и рудоспуски.
К нарезным выработкам относят:
доставочные и буровые штреки и орты; буровые камеры; отрезные восстающие; подсечные
выработки; выпускные дучки, сбойки и другие выработки.
Определяются общие геологические запасы в
блоке и их разбивка по элементам системы разработки (таблица 2.5).
Таблица 2.5 - Запасы руды в блоке
|
Элементы блока
|
Параметры
элементов
|
Объемная масса
руды, т/м3
|
Запасы руды
|
|
Длина, м
|
Ширина, м
|
Высота, м
|
Объем (V), м3
|
|
|
|
|
|
|
|
|
т
|
%
|
|
1.
Камерные запасы
|
60
|
15
|
10
|
9000
|
2,8
|
25200
|
56
|
|
2.
Ленточный целик (камерный)
|
60
|
5
|
10
|
3000
|
|
8400
|
19
|
|
3. Целик между
подэтажами
|
15
|
15
|
10
|
2250
|
|
6300
|
14
|
|
4.
Целик между этажами
|
10
|
10
|
10
|
1000
|
|
2800
|
6
|
|
5. Отрезная щель
|
15
|
5
|
10
|
750
|
|
2100
|
5
|
|
Всего
|
160
|
50
|
50
|
16000
|
|
44800
|
100
|
3. Буровзрывные работы при проходке вертикальных стволов шахт
Основными параметрами взрывных работ при проходке
вертикальных стволов шахт являются: удельный расход ВВ, общий расход ВВ на
взрыв, масса заряда ВВ в одном шпуре, глубина шпура, площадь забоя,
приходящаяся на один шпур, общий объем буровых работ на цикл, удельный расход
бурения на сооружение 1 м ствола, тип ВВ и СИ, схема инициирования зарядов ВВ.
В соответствии с проектом на проходку ствола должны быть
известны: диаметр ствола, физико-технические свойства пород, в которых
сооружается ствол (крепость пород по шкале М.М. Протодьяконова или другие
упругопрочностные свойства), опасность забоя по пылегазовому фактору, его
обводненность.
На основе перечисленных данных выбираем тип ВВ и СИ, тип
буровой установки для бурения шпуров (скважин), диаметр патрона ВВ, в
соответствии с принятой буровой установкой и технологией проходки ствола
принимаем глубину шпуров.
3.1
Выбор и обоснование бурового оборудования
Бурение шпуров является одной из трудоемких операций и
занимает 20-30 % от общего времени цикла.
В виду того, что для взрывания используются шпуры небольшой
длины и диаметра (1,4 м и 40 мм соответственно) для их бурения используются
ручные перфораторы. Бурение шпуров в стволах производится сверху вниз, что
позволяет применять тяжелые бурильные перфораторы. Количество перфораторов Nп, одновременно работающих
в забое, определяется из выражения: [1, стр.68]
, (3.1)
где Sу - площадь забоя на один перфоратор, Sу = 4 - 5 м;
- площадь сечения ствола вчерне, м.
Для ствола сечением 28,3 м2 количество перфораторов:
шт
Принимаем 7 перфораторов.
В забое должно находиться 2 - 3 исправных перфоратора. Бурильные
штанги пустотелые шестигранные БШ-22, длиной 0,7 - 4,3 м с интервалами по длине
0,3 - 0,5 м.
В породах различной крепости применяют коронки КДП, в хрупких
трещиноватых породах - долотчатые коронки КДШ и трехперые КТШ, в вязких
трещиноватых породах - крестообразные ККП. Коронки армированы твердым сплавом
ВК 8В и ВК 15. Для уменьшения вибрации применяют антивибрационные устройства КВ-1
и КВС-1. Последовательность работ при бурении шпуров следующая: зачистка забоя,
разметка шпуров, спуск перфораторов и присоединение их к ставу сжатого воздуха,
непосредственно бурение шпуров.
При разметке шпуров опускается центральный отвес, определяется
центр ствола, в центре бурится шпур длиной 0,7 - 0,5 м, в который вставляется
шаблон. При помощи шаблона размечаются окружности и расположение врубовых,
отбойных и оконтуривающих шпуров.
Горный мастер (сменный инженер) обязан проверить расположение и глубину
шпуров, их соответствие паспортной схеме. Шпуры, не соответствующие паспортной
схеме перебуриваются.
Производительность бурения шпуров ручными перфораторами за общее
время бурения, с учетом подготовительно-заключительных операций равна: [1,
стр.69]
м/ч, (3.2)
где φ - коэффициент одновременности работы бурильных молотков, φ = 0,8
- 0,9;
nб - количество перфораторов в работе;
Кв - коэффициент,
учитывающий приток воды в ствол. Кв = 1;
Кd -
коэффициент, учитывающий диаметр шпура;
, Кd =
1,125;
Кп
- коэффициент, учитывающий тип перфоратора. Кп = 1.
Для пород с коэффициентом крепости f = 12
м/ч
К достоинствам бурения шпуров ручными перфораторами относятся
малая стоимость оборудования, надежность процесса бурения, время
подготовительных и заключительных работ в 1,5 - 2,0 раза меньше, чем при
бурении установками. Недостатки способа - тяжелый ручной труд бурильщиков,
низкая производительность труда.
Для бурения шпуров принимаем перфоратор ПП50В1.
Предназначен для бурения шпуров с пневматических поддержек или
других установочно-подающих устройств, при проходке горных выработок и добыче
полезных ископаемых. Техническая характеристика перфоратора предоставлена в таблице
3.1.
Таблица 3.1 - Техническая характеристика
ПП50В1
|
Наименование
показателя
|
Значения
|
|
Мощность, кВт,
не менее
|
2,2
|
|
Диаметр
бурения, мм
|
36.40
|
|
Глубина
бурения, м
|
до 3
|
|
Крепость
буримых пород, ед. шкалы М.М. Протодьяконова
|
до 18
|
|
Тип вращателя
|
зависимый
|
|
Крутящий момент
при частоте вращения не менее 1/с, Н·м, не менее
|
20,8
|
|
Оптимальное
усилие нажатия, Н
|
1100.1200
|
|
Номинальное
давление сжатого воздуха, МПа
|
0,5
|
|
Расход воздуха,
м³/мин
|
3,43
|
|
Габаритные
размеры, мм (длина х ширина х высота)
|
717x412x186
|
|
Масса, кг не
более
|
29
|
3.2 Выбор ВВ и средства инициирования
Выбор ВВ производится с учетом газового режима шахты,
крепости и обводненности пород. Так как породы по газовому режиму - не опасные
и имеют коэффициент крепости f = 12 в качестве ВВ применяется - аммонит №6 ЖВ.
Основные физико-химические и взрывчатые характеристики аммонита № 6 ЖВ
представлена в таблице 3.2.
Таблица 3.2 - Характеристика аммонита № 6 ЖВ
|
Показатели
|
Значения
|
|
Кислородный
баланс, %
|
-0,53
|
|
Объем газов при
взрыве, л/кг
|
895
|
|
Теплота взрыва,
кДж/кг
|
4312
|
|
Скорость
детонации, км/с
|
3,6-4,8
|
|
Фугасность, см3,
не менее
|
365
|
Согласно Единым Правилам Безопасности (ЕПБ), при проходке и
углубке стволов шахт взрывание разрешается производить только с поверхности или
с действующего горизонта электрическим способом или детонирующим шнуром, а в
сухих и влажных забоях также и электроогневым. При проходке стволов с
поверхности допускается применение для взрывания переменного и постоянного
тока.
При подходке забоя ствола к угольному пласту или пропластку,
а также на протяжении 20 м ниже пласта должны применяться предохранительные ВВ,
а для взрывания электродетонаторов - постоянный ток.
В качестве средств взрывания используются:
для взрывания врубовых шпуров - электродетонаторы мгновенного
действия;
для взрывания отбойных и периферийных шпуров -
электродетонаторы короткозамедленного действия.
Для инициирования применяем ЭД-8-Ж (мгновенного действия) и
ЭД-З-Н 50 мс (короткозамедленного действия).
3.3
Диаметр шпура и конструкция заряда
Так как используется непредохранительное ВВ, диаметр патрона
составляет 32 мм. Диаметр шпура должен быть на 4 - 7 мм больше диаметра патрона
и принимается равным 40 мм.
Принимаем патрон диаметром 32 мм, ориентировочная длина
220-265 мм, масса заряда в патроне составляет 0,25-0,30 кг.
При проходке стволов обычно применяется колонковая (сплошная)
конструкция заряда, но исходя из того, что при сплошной конструкции заряда
патроны ВВ будут находиться в нижней части шпура, применяем рассредоточение с
помощью воздушных промежутков. Воздушный промежуток создается по средствам
укрепления патронов ВВ на деревянной рейке с помощью шпагата, на расстоянии,
допускающем передачу детонации через влияние (для стандартных патронов аммонита
диаметров 32÷36 мм это расстояние
находится в предела 0,1÷0,3 м).
Согласно ЕПБ (§173) патрон-боевик должен быть расположен
первым от устья шпура. Допускается расположение патрона-боевика с
электродетонаторами первым от дна шпура.
При инициировании шпурового заряда в направлении от устья
шпура время воздействия продуктов детонации на окружающую среду и
соответственно объем разрушения меньше, чем при инициировании от забоя шпура.
При обратном инициировании энергия взрыва используется более полно.
Пространство от устья шпура до заряда ВВ должно быть
заполнено инертным к взрыву материалом.
Коэффициент заполнения шпура (отношение длины заряда Lз к длине шпура Lш) принимается: а =
0,55.
3.4
Удельный расход ВВ
Удельный расход ВВ, необходимый для взрывания 1 м3
породы в массиве, зависит от физико-механических свойств взрываемых пород (в
первую очередь от крепости пород), степени зажима, глубины разработки, мощности
взрываемых массивов, их однородности, трещиноватости, типа ВВ, взрываемости и
ряда других факторов.
Для определения удельного расхода ВВ пользуются в основном
эмпирическими формулами. Результаты расчета удельного расхода ВВ по
эмпирическим формулам следует считать ориентировочным, которые требует
уточнения по результатам опытных взрываний.
Значение удельного расхода можно определять по следующей
формуле:
, кг/м³ (3.3)
где f - коэффициент крепости;
D - диаметр ствола вчерне, м;
,
Т - теплота
взрыва принятого ВВ, ккал/кг;
,
dп - диаметр принятого патрона, мм.
Для пород с коэффициентом крепости f = 6 и диаметром ствола D = 6м.
кг/м³
Полученное значение удельного расхода не может быть использовано
для дальнейших расчетов ввиду большой величины.
Наиболее распространенной является эмпирическая формула проф.М. М.
Протодьяконова, уточнённая проф.П.Я. Тарановым: [1, стр.123]
, кг/м3 (3.4)
где e-1 - показатель, обратный коэффициенту работоспособности, е-1
= Рэт/Рх;
Рэт - фугасность ВВ, принятого за эталонное, см3 (для аммонита 6ЖВ Рэт
= 380 см3);
Рх
- фугасность применяемого ВВ (таблица 2.2), см3;
f - коэффициент крепости пород по шкале проф.М. М. Протодьяконова;
kуз - коэффициент усиления заряда, kуз = 1,2-1,3.
Для пород с коэффициентом крепости f = 12 и диаметром ствола D = 6 м:
кг/м3.
Принимаем для f = 12 - q = 0,83 кг/м³.
3.5
Количество шпуров
Количество шпуров определяется по формуле: [1, стр.125]
, (3.5)
где q - удельный расход ВВ, кг/м3;
dп - диаметр принятого патрона, мм;
а -
коэффициент заполнения шпура;
Δ - плотность ВВ, кг/м³;
К -
плотность заряжания (для обычных патронов К = 1).
Для пород с коэффициентом крепости f = 12 и диаметром ствола D = 6 м:
шт
Удельное количество шпуров - число шпуров на 1 м² площади забоя вчерне: [1, стр.125]
шт
Принимаем
шт.
Так же удельное количество шпуров можно рассчитать по формуле: [1,
стр.125]
, (3.7)
где К - коэффициент, учитывающий крепость пород. К=1,1-1,2;
Р - работоспособность ВВ, см³; dп - диаметр патрона, см;
Удельное количество шпуров принимаем 1,65, тогда общее число
шпуров:
для ствола D = 6 м:
шт; Принимаем 48 шпуров.
3.6
Глубина шпуров
В общем случае глубина шпуров должна быть такой, при которой
затраты труда, времени и средств на проходку 1 м ствола будут минимальными.
На скоростных проходках средняя глубина шпуров определяется
по заранее установленной скорости: [1, стр.125]
, м (3.8)
где Vм - заданная месячная скорость проходки, м/мес (Vм = 30 м/мес);
Тц
- продолжительность цикла, ч (принимается равной 6 ч.);
η - КИШ (η =0,8 - 0,95);
m - число часов в сутки, в течении которых производятся работы по
проходке ствола (m = 7);
n - число рабочих дней в месяце по углубке ствола (n = 22).
= 1,4 м.
Определив среднюю глубину шпуров, подбирают соответствующие
оборудование, технологию и организацию работ с тем, чтобы все проходческие
операции были выполнены в заданное время цикла.
3.7
Схема расположения шпуров
Расположение шпуров зависит от свойств породы (напластование,
наличие трещин и т.п.), размеров и формы поперечного сечения ствола, количества
шпуров, типа бурильного оборудования и других факторов.
В стволах круглой формы шпуры располагаются по
концентрическим окружностям и разделяются на врубовые, отбойные
(вспомогательные) и оконтуривающие (периферийные). Врубовые шпуры располагаются
в центральной части и предназначены для образования второй плоскости обнажения
для отбойных шпуров, что облегчает условия их работы.
Глубина врубовых шпуров принимается на 30 - 40 см, а заряд на
20 - 25 % больше отбойных шпуров. Отбойные (вспомогательные) шпуры
предназначены для разрушения основной массы породы. Оконтуривающие
(периферийные) шпуры предназначены для оконтуривания поперечного сечения ствола
в проектных размерах, они располагаются по внешней окружности на расстоянии С =
15 - 20 см от породных стенок с наклоном к внешнему контуру. В породах при f >10 забой
периферийного шпура заходит за проектный контур на 10 - 15 см. В оконтуривающих
шпурах величина заряда на 15 - 20 %, а глубина шпура на 15 - 20 см меньше, чем
в отбойных шпурах.
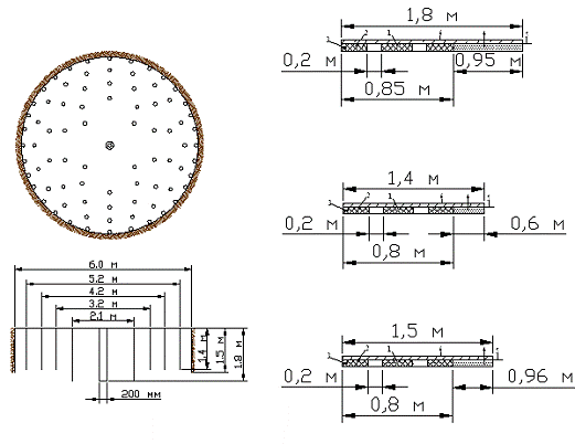
Диаметры окружностей по мере возрастания: [1, стр.128]
D =
, м (3.9)
где К - коэффициент, равный отношению диаметра окружности к
диаметру ствола
.
Расчетные значения представлены в таблице 3.3.
Таблица 3.3 - Диаметры окружностей по мере возрастания
|
№ окружности
|
D = 6 м
|
|
1
|
2,1
|
|
2
|
3,2
|
|
3
|
4,2
|
|
4
|
5,2
|
Таблица 3.4 - Количество шпуров по окружностям:
|
Количество
шпуров, шт
|
D = 6 м
|
|
n 4
|
|
|
n 10
|
|
|
n 14
|
|
|
n 20
|
|
Средняя масса заряда в шпуре: [1, стр.129]
, (3.10)
где Q - общий расход ВВ на цикл, кг;
N - количество шпуров, шт;
, кг (3.11)
Для пород с коэффициентом крепости f = 12 и диаметром ствола
D = 6 м
кг,
кг.
Средняя масса заряда во врубовом шпуре: [1, стр.129]
, кг (3.12)
Средняя масса заряда в отбойном шпуре: [1, стр.130]
, кг (3.13)
Для пород с коэффициентом крепости f = 12 и диаметром ствола D = 6 м:
кг;
= 0,7 кг;
Средняя масса заряда в оконтуривающем шпуре: [1, стр.130]
, кг (3.14)
Для пород с коэффициентом крепости f = 12 и диаметром ствола D = 6 м:
кг;
Все расчетные значения сведены в сводную таблицу 3.5.
3.8
Контурное взрывание
Конечной целью контурного взрывания является разрушение
породы в пределах проектного сечения ствола вчерне и уменьшение образования
трещин в законтурном массиве. Величина заряда в оконтуривающих шпурах
принимается в пределах 0,3 - 0,4 кг на 1 м шпура. Со стороны падения пластов
величина заряда уменьшается, со стороны восстания - увеличивается на 15-20 %.
Уменьшение величины заряда достигается применением особой конструкции заряда с
радиальным и осевым зазором.
Рациональное расположение оконтуривающих шпуров оценивается
коэффициентом сближения (принимаем m = 0,80 - 0,85):
, м (3.15)
где а - расстояние между оконтуривающими шпурами;
W - линия наименьшего сопротивления - расстояние между окружностями
оконтуривающих и отбойных шпуров (принимаем W = 0,7 м).
м.
Расстояние между шпурами принимаем a = 0,6 м.
Число оконтуривающих шпуров определяется из выражения:
, шт (3.16)
где Do - диаметр окружности оконтуривающих
шпуров.
Для ствола диаметром D = 6
м:
шт
Глубину оконтуривающих шпуров можно принимать по формуле:
, м (3.17)
где Lв - глубина врубовых шпуров (1,8 м), м;
So - площадь забоя на один оконтуривающий
шпур, So = 0,6 - 0,8 м²;
К -
коэффициент пропорциональности. При So = 0,6 м² К = 0,22, при So = 0,8 м² К = 0,4;
η - коэффициент использования шпура (КИШ). (η = 0,8
- 0,9);
м
Все расчетные значения представлены в 3.5.
Таблица 3.5 - Основные параметры БВР при проходке
вертикальных стволов шахт
|
Показатели
|
Значение
|
|
Количество
перфораторов, Nn, шт
|
7
|
|
Удельный расход
ВВ, q, кг/м3
|
0,83
|
|
Количество
шпуров, N, шт
|
48
|
|
Удельное
количество шпуров, ny, шт/м2
|
1,65
|
|
Общий расход ВВ
на цикл, Q, кг
|
32,9
|
|
Средняя масса
заряда, qс, кг/м3
|
0,7
|
|
Средняя масса
заряда во врубовом шпуре, qв, кг/м3
|
0,8
|
|
Средняя масса
заряда в оконтуривающем шпуре, qn, кг/м3
|
0,6
|
|
Число
оконтуривающих шпуров, Nо, шт
|
32
|
|
Глубина
врубовых шпуров, Lв, м
|
1,8
|
|
Глубина
отбойных шпуров, Lш, м
|
1,4
|
|
Глубина
оконтуривающих шпуров, Lош, м
|
1,5
|
Графическое изображение данных параметров представлено на
рисунке 3.1.
Рисунок 3.1 - Схема расположения шпуров и конструкция заряда
- патрон ВВ; 2 - патрон-боевик; 3 - ЭД; 4 - забойка; 5 -
провода; 6 - деревянная рейка.
4.
Буровзрывные работы при проходке горизонтальных выработок
При проведении горизонтальных выработок к буровзрывным
работам предъявляются повышенные требования в части обеспечения необходимого
развала породы после взрыва и качественного дробления, высокой устойчивости
выработок и оконтуривания их в соответствии с проектом. Отбойку выполняют в
основном сплошным забоем небольшого поперечного сечения.
Эффективность горнопроходческих работ в значительной мере
зависит от правильного выбора параметров (схемы расположения, числа, диаметра и
глубины шпуров, удельного расхода и типа ВВ, диаметра, конструкции и параметров
зарядов, режима их взрывания и т.д.) и качественно составленного паспорта
буровзрывных работ.
Паспорт проходки выработки должен включать:
а) схему расположения шпуров или наружных зарядов;
наименования взрывчатых материалов; данные о способе заряжания, числе шпуров,
их глубине и диаметре, массе и конструкции зарядов и боевиков,
последовательности и количестве приемов взрывания зарядов, материале забойки и
ее длине, длинах зажигательных и контрольных трубок (контрольного отрезка
огнепроводного шнура); схему монтажа взрывной (электровзрывной) сети с
указанием длины (сопротивления), замедлений, схемы и времени проветривания
забоев;
б) величину радиуса опасной зоны;
в) указания о местах укрытия взрывника (мастера-взрывника) и
рабочих на время производства взрывных работ, которые должны располагаться за
пределами опасной зоны;
г) указания о расстановке постов охраны или оцепления,
расположении предохранительных устройств, предупредительных и запрещающих
знаков, ограждающих доступ в опасную зону и к месту взрыва.
Кроме того, для шахт, опасных по газу или пыли, в паспорте
должны быть указаны количество и схема расположения специальных средств по
предотвращению взрывов газа (пыли), а также режим взрывных работ.
Расчет паспорта буровзрывных работ производится в следующей
последовательности:
. Выбирается буровое оборудование;
. Устанавливается диаметр и глубина шпуров.
. Выбирается тип взрывчатого вещества (ВВ) и средства
инициирования (СИ) зарядов.
. Выбирается тип вруба и схема расположения шпуров.
. Рассчитывается удельный расход ВВ на врубовые, отбойные и
оконтуривающие шпуры.
. Определяется объем породы, взрываемый за цикл.
. Рассчитывается масса шпурового заряда.
. Определяется общее число шпуров.
4.1
Выбор и обоснование бурового оборудования
Бурение шпуров является одной из трудоемких операций и
занимает 20-30 % от общего времени цикла.
Типоразмеры и конструкции самоходной бурильной установки, а
также метод бурения шпуров (вращательного, ударно-поворотного,
вращательно-ударного) следует выбирать в зависимости от горнотехнических
условий и обосновывать расчетом. В выборе установки следует учитывать
возможность обуривания не только фронтального забоя, но и бортов выработки при
просечке целиков, а также кровли восходящими шпурами для штангового крепления.
Выбор производится в два этапа. Сначала выбирается тип
бурильной головки в зависимости от крепости пород:
I вращательный
а) электро- и пневмосверла - ручные f до 4
с принудительной подачей f до 6
колонковыеf до 12
б) шарошечные станки - 6 < f < 20
II ударный - 6 < f < 20
III вращательно-ударный - 6 < f < 12
IV ударно-вращательный - 13 < f < 20
Затем выбирается бурильная установка по параметрам
обуривания, которые должны превышать размеры выработки. С другой стороны,
бурильная установка в транспортном положении должна размещаться в выработке.
Диаметр буровой коронки должен быть на 4-6 мм больше диаметра
патрона ВВ.
Для бурения шпуров принимается шахтная бурильная установка
СБУ-2Б предназначенная для бурения взрывных шпуров диаметром 38…53 мм, в
подготовительных горизонтальных и наклонных до 10 градусов выработках по
породам крепостью f=8…14 единиц по шкале проф.М. М. Протодьяконова. СБУ-2Б -
самоходная бурильная установка на гусеничном шасси, пневмогидравлическая
двухманипуляторная, вращательно-ударного действия, оснащенная двумя бурильными
машинами с пневматическими перфораторами, независимыми тележками надвига и
пультами управления бурением, манипуляциями и гусеничным ходом.
Техническая характеристика станка СБУ-2Б представлена в таблице
4.1.
Таблица 4.1 - Техническая характеристика станка СБУ-2Б
|
Наименование
показателя
|
Значение
|
|
Перфоратор М2
|
|
Энергия удара,
Дж
|
132
|
|
Частота ударов,
с-1
|
42
|
|
Крутящий
момент, Н·м
|
294
|
|
Частота
вращения, мин-1
|
80
|
|
Податчик
|
|
Привод
|
винтовой
пневматический
|
|
Ход
перфоратора, м
|
2,8
|
|
Наклон
податчика, градус
|
+10…-43
|
|
Поворот
податчика, градус
|
+43…-34
|
|
Усилие подачи,
кг
|
1200
|
|
Манипулятор
|
|
Зона бурения, м2
|
16…18
|
|
Подъем стрелы,
градус
|
+45…-15
|
|
Поворот стрелы,
градус
|
+47…-39
|
|
Гусеничный ход
|
|
Привод
|
пневматический
|
|
Двигатель
|
2х (П9-12)
|
|
Скорость
перемещения, км/ч
|
0,9
|
|
Преодолеваемый
уклон, градус
|
15
|
|
Ширина трака,
мм
|
292
|
|
Ширина колеи,
мм
|
1880
|
|
Пневмогидросистема
|
|
Расход воздуха,
м3/мин
|
30
|
|
Давление
воздуха, МПа
|
5…6
|
|
Давление
рабочей жидкости, МПа
|
10
|
|
Габариты
|
|
Длина, м
|
7,5
|
|
Ширина, м
|
2,0
|
|
Высота, м
|
2,0
|
|
Масса, кг
|
6200
|
4.2 Определение диаметра и глубины шпуров
Одним из условий успешного проведения взрывных работ является
расчет рационального шпурового комплекта. В понятие рационального шпурового
комплекта входит: глубина, диаметр, число шпуров и схема их расположения,
обеспечивающие для данных горно-геологических условий лучшую эффективность,
взрывных работ.
Большое разнообразие физико-механических свойств горных пород
и их сочетаний обусловливают сложную взаимозависимость между перечисленными
параметрами шпурового комплекта; поэтому расчетное определение этих параметров
должно уточняться опытными взрывами комплектов шпуров.
4.2.1
Диаметр шпуров
Диаметр шпуров определяется диаметром стандартных патронов
взрывчатого вещества. Учитывая, что наименьший диаметр патронов аммонита 32 мм,
конечный диаметр шпура должен быть не менее 34 мм. Практика проведения горных
выработок указывает на то, что увеличение диаметра шпура повышает эффективность
взрывных работ, несмотря на то, что при этом снижается скорость бурения.
При увеличении диаметра шпура скорость бурения уменьшается,
но применение шпуров больших диаметров позволяет сократить их число в комплекте
в 1,5-2 раза, что ведет к сокращению общего времени бурения шпуров на 20-30 %.
Кроме того, при взрывных работах в крепких породах применение зарядов ВВ
увеличенных диаметров способствует повышению эффективности взрывных работ. Эти
обстоятельства и явились причиной применения шпуров больших диаметров.
Наряду с этим необходимо отметить, что в некоторых случаях
применение шпуров малого диаметра до 30 и даже 25 мм обеспечивает весьма
высокую эффективность буровзрывных работ, особенно при использовании ВВ
повышенной мощности.
Увеличение диаметра шпуров и размещаемых в них зарядов
увеличивает неравномерность дробления породы и ухудшает точность оконтуривания
выработки.
С увеличением диаметра заряда оконтуривающих шпуров
возрастает зона разрушения массива и, следовательно, снижается устойчивость
пород. Поэтому с уменьшением поперечного сечения выработки целесообразнее
применение шпуров малого диаметра. С уменьшением сечения выработки и повышением
крепости пород диаметр шпуров и зарядов при прочих равных условиях должен
уменьшаться. Поскольку выпускаемые в настоящее время ВВ (детониты) способны с
высокой скоростью детонировать в патронах малого диаметра (20-22 мм), то
очевидна целесообразность применения шпуров уменьшенного диаметра. А при
использовании ВВ с невысокой скоростью детонации (типа аммонитов) в шпурах
целесообразно размещать патроны диаметром 36-40 мм.
В настоящее время при проведении горизонтальных выработок в
большинстве случаев применяют шпуры диаметром 40-42 мм.
Выбор диаметра патрона ВВ можно производить по таблице.4.2.
Таблица 4.2 - Рекомендуемые диаметры патрона
|
Площадь
поперечного сечения выработки, м2
|
Рекомендуемый
диаметр патрона ВВ, мм
|
|
Менее 6
|
32-36
|
|
Более 6
|
36-40
|
Диаметр шпура выбирается в соответствии с используемым
буровым оборудованием, так же учитывается, что в качестве ВВ будут
использоваться стандартные патроны аммонала скального №1 диаметром 36 мм.
Согласно СНиП при электрическом способе взрывания, диаметр
шпура выбирается на 4-6 мм больше диаметра патрона ВВ - окончательно принимаем
40 мм.
4.2.2
Глубина шпуров
В общем случае глубина шпуров должна быть такой, при которой
затраты труда, времени и средств на проходку 1 м ствола будут минимальными.
Глубина шпуров определяет трудоемкость всех основных
производственных операций проходческого цикла. С увеличением глубины шпуров
увеличивается общий метраж бурения шпуров, объем взрываемой породы и объем
вспомогательных: операций, что требует увеличения времени на их выполнение.
Таким образом, с изменением глубины шпуров изменяется время, необходимое на
выполнение основных и вспомогательных проходческих процессов.
Практика организации проведения горных выработок скоростными
методами при машинной уборке породы указывает на целесообразность применения
шпуров глубиной до 2,7-3,2 м, если этому не препятствуют горно-геологические
условия.
Средние значения глубины шпуров можно принимать по табл.4.3.
Таблица 4.3 - Рекомендуемая глубина бурения шпуров
|
Площадь
поперечного сечения выработки в проходке, Sпр, м2
|
Коэффициент
крепости пород
|
|
2-4
|
5-7
|
8-10
|
11 - 14
|
15-20
|
|
до 4
|
1,6-2,0
|
1,5-1,8
|
1,4-1,6
|
1,3-1,5
|
1,2-1,5
|
|
4,0-8,0
|
2,1-2,2
|
1,9-2,6
|
1,7-1,8
|
1,6-1,7
|
1,5-1,6
|
|
8,1 - 12,0
|
2,3-2,4
|
2,1-2,2
|
1,9-2,0
|
1,8-1,9
|
1,7-1,8
|
|
12,1 - 16,0
|
2,5-2,6
|
2,3-2,4
|
2,1-2,2
|
2,0-2,1
|
1,9-2,0
|
|
16,1 - 22,0
|
2,7-2,8
|
2,5-2,6
|
2,3-2,4
|
2,2-2,3
|
2,1-2,3
|
При применении высокопроизводительной самоходной техники
глубину шпуров следует определять техническими возможностями применяемого
бурового оборудования, продолжительностью проходческого цикла и свойствами и
устойчивостью пород.
Глубина врубовых шпуров должна быть на 10-20 % больше глубины
отбойных и оконтуривающих шпуров. Исходя из площади поперечного cечения выработки (Sпр = 7,62 м2)
глубина шпуров составит: для пород f = 12 - 1,7 м. На скоростных проходках средняя
глубина шпуров определяется по заранее установленной скорости:
, м (4.1)
где Vм - заданная месячная скорость проходки, м/мес (Vм =30 м/мес);
Тц
- продолжительность цикла, ч (принимается равным 10 ч.);
η - КИШ (η =0,8 - 0,95);
m - число часов в сутки, в течении которых производятся работы по
проходке ствола (m = 7);
n - число рабочих дней в месяце (n = 22);
= 2,3 м.
Окончательная глубина шпуров: врубовых - 2 м;
отбойных и оконтуривающих - 1,7 м.
4.3
Конструкция заряда
При проходке горизонтальных выработок обычно применяется
колонковая (сплошная) конструкция заряда, но исходя из того, что при сплошной
конструкции заряда патроны ВВ будут находиться в нижней части шпура, применяем
рассредоточение с помощью воздушных промежутков. Воздушный промежуток создается
по средствам укрепления патронов ВВ на деревянной рейке с помощью шпагата, на
расстоянии, допускающем передачу детонации через влияние (для стандартных
патронов аммонита диаметров 32÷36 мм это расстояние
находится в предела 0,1÷0,3 м).
Согласно ЕПБ (§173) патрон-боевик должен быть расположен
первым от устья шпура. Допускается расположение патрона-боевика с
электродетонаторами первым от дна шпура.
При инициировании шпурового заряда в направлении от устья
шпура время воздействия продуктов детонации на окружающую среду и
соответственно объем разрушения меньше, чем при инициировании от забоя шпура.
При обратном инициировании энергия взрыва используется более полно.
Пространство от устья шпура до заряда ВВ должно быть
заполнено инертным к взрыву материалом.
Коэффициент заполнения шпура (отношение длины заряда Lз к длине шпура Lш) принимается: а =
0,55.
Рисунок 4.1 - Конструкция заряда при проходке горизонтальных
выработок.
4.4
Выбор типа ВВ и СИ
Первой стадией выбора рациональных ВВ при проведении горных
выработок должна быть оценка технической возможности использования различных ВВ
в соответствующих условиях. При этом из существующих ВВ выбираются те, которые
способны обеспечить полноценную детонацию в шпурах, взрывание в сухих или
обводненных породах в зависимости от условий, удобство и достаточную
производительность использования ВВ.
Наиболее удобны для применения гранулированные ВВ. При
качественном приготовлении они почти не слеживаются, мало пылят при заряжании,
легко высыпаются из мешков.
На второй стадии выбора рациональных ВВ следует из технически
пригодных и способных обеспечить необходимую производительность работы в данных
условиях выбирать наиболее экономичные ВВ.
При проходке выработок наиболее широко применяются
патронированные аммиачно-селитренные ВВ: скальный аммонит № 1 прессованный,
аммонит № 6 ЖВ, динафталит и детониты, а также россыпные ВВ - гранулит АС-8 и
др.
Выбор ВВ для взрывания шпуровых зарядов при проведении
горизонтальных выработок производится в зависимости от физико-механических
свойств горных пород.
Выбор ВВ производится с учетом газового режима шахты,
крепости и обводненности пород.
В зависимости от прочностных свойств пород рекомендуются ВВ
со следующими значениями фугасности (таблица 4.4)
Таблица 4.4 - Рекомендуемые характеристики ВВ
|
Коэффициент
крепости пород
|
3-5
|
6-10
|
>10
|
|
Фугасность ВВ,
см3
|
220-320
|
320-400
|
400-600
|
В шахтах не опасных по взрыву газа и пыли разрешено
применение непредохранительных ВВ. Для весьма крепких пород f =12-18 целесообразно
применение высокобризантных ВВ типа скального аммонала № 1.
Основные физико-химические и взрывчатые характеристики
скального аммонала №1 представлены в таблице 4.5.
Таблица 4.5 - Характеристика скального аммонала
№1
|
Наименование
показателя
|
Значение
|
|
Кислородный
баланс, %
|
-0,79
|
|
Объем газов при
взрыве, л/кг
|
830
|
|
Теплота взрыва,
кДж/кг
|
5409
|
|
Скорость
детонации, км/с
|
4,8-6,5
|
|
Тротиловый
эквивалент по теплоте взрыва
|
1,29
|
|
Фугасность, см3
|
460
|
|
Бризантность,
мм, не менее
|
18
|
|
Критический
диаметр, мм
|
5-7
|
|
Чувствительность
к удару, %
|
56-68
|
|
Чувствительность
к трению, нижний предел, МПа
|
90-120
|
|
Расстояние
передачи детонации между патронами, см, не менее: сухими после выдержки в
воде
|
6 5
|
Характеристика патронов скального аммонала №1 приведена
таблице 4.6.
Таблица 4.6 - Характеристика патронов скального аммонала №1
|
Диаметр, мм
|
Масса, г
|
Длинна, мм
|
|
36-37
|
250±12
|
205-240
|
|
300±15
|
246-286
|
Согласно требованиям ЕПБ при проходке горизонтальных
выработок взрывание разрешается производить с действующего горизонта на
безопасном расстоянии, электрическим способом или с помощью детонирующего
шпура.
В качестве средств взрывания используются:
для взрывания врубовых шпуров - электродетонаторы мгновенного
действия;
для взрывания отбойных и периферийных шпуров -
электродетонаторы короткозамедленного действия.
Для инициирования применяем ЭД-8-Ж (мгновенного действия) и
ЭД-З-Н 50 мс (короткозамедленного действия).
При проведении выработок в крепких породах (f > 10) целесообразно
применять обратное инициирование (дно гильзы электродетонатора должно быть
направлено к устью шпура).
4.5
Выбор типа вруба и схемы расположения шпуров
Существенное влияние на эффективность разрушения горных пород
взрывом при проведении горных выработок оказывает способ образования врубовой
полости, которая формирует дополнительную свободную поверхность для зарядов отбойных
и оконтуривающих шпуров. Для расширения врубовой полости применяют
вспомогательные шпуры.
В крепких породах наиболее часто применяется пирамидальный
вруб.
Пирамидальный вруб может быть образован тремя, четырьмя,
шестью и большим числом шпуров. Он получил свое название вследствие того, что
врубовые шпуры образуют как бы четырехгранную или трехгранную пирамиду в забое.
Число врубовых шпуров зависит главным образом от взрываемости породы - чем
труднее взрывается порода, тем больше шпуров должно быть во врубе.
Пирамидальный вруб способствует повышению эффективности взрыва в крепких и
вязких породах, не имеющих слоистости.
Для образования дополнительной открытой поверхности принимаем
пирамидальный вруб образованный 3-мя шпурами (рисунок 4.2).
Рисунок 4.2 - Схема расположения шпуров пирамидального вруба.
При центральном расположении вруба обеспечивается наилучшее
дробление и расположение горной массы в забое, однако наблюдается некоторое
увеличение необходимого числа шпуров в забое по сравнению с боковым и верхним
расположением вруба в забое. Наиболее целесообразно при проведении горных
выработок различного назначения с применением самоходного оборудования
использовать центральный вруб.
Оконтуривающие шпуры размещаются равномерно по периметру
выработки на расстоянии 0,2 м от проектного сечения. В породах f = 12, концы шпуров
должны выходить за проектный контур выработки на 10-15 см.
Расстояние между врубовыми шпурами и угол наклона зависят от
крепости пород и определяются по таблице 4.7
Таблица 4.7 - Параметры шпуров во врубе
|
Показатели
|
Коэффициент
крепости f
|
|
2
|
4
|
6
|
8
|
10
|
15
|
20
|
|
Расстояние
между шпурами или между парами шпуров, м
|
0,7-0,8
|
0,6-0,7
|
0,5-0,6
|
0,4-0,5
|
0,3-0,4
|
0,2-0,3
|
0,1-0,2
|
|
Угол наклона
шпуров к плоскости забоя, град.
|
75-80
|
75-80
|
70-75
|
65-70
|
65-70
|
55-60
|
55-60
|
Принимаем расстояние между шпурами 0,3 м, а угол наклона
шпуров к плоскости забоя 65 град.
4.6
Расчет удельного расхода ВВ
Удельный расход ВВ, необходимого для взрывания 1 м3
породы в массиве, зависит от физико-технических свойств взрываемых пород (в
первую очередь от крепости пород), степени зажима, глубины разработки, мощности
взрываемых массивов, их однородности, трещиноватости, типа ВВ, взрываемости и
ряда других факторов. Для определения удельного расхода пользуются в основном
эмпирическими формулами, которые в одних случаях дают достаточно точные
необходимые удельные расходы ВВ, а в других - значительные расхождения от
требуемой величины удельного расхода ВВ.
Поэтому расчет удельного расхода ВВ по эмпирическим формулам
следует считать ориентировочным, который необходимо уточнять по результатам
опытных взрывов. Наиболее распространенной является эмпирическая формула
проф.М. М. Протодьяконова, которая рекомендована для забоев с одной свободной
поверхностью:
, (4.2)
где f - коэффициент крепости по шкале проф.М.
М. Протодьяконова.
Для породы крепостью f = 12:
кг/м3
В связи с тем, что приведенная формула не учитывает тип
применяемого ВВ и требуемую степень дробления, эту формулу с учетом указанных
поправок уточнил проф.П.Я. Таранов двумя коэффициентами:
, (4.3)
где е-1 - показатель, обратный коэффициенту
работоспособности (
, где РЭТ -
работоспособность ВВ, принятого за эталонное; РХ -
работоспособность применяемого ВВ).
кг/м3
Проф. Н.М. Покровский предложил для расчета удельного расхода ВВ
формулу: [2, стр.77]
, (4.4)
где q1 - удельных расход эталонного ВВ, кг/м3 (таблица 4.8);
fc - коэффициент структуры породы (таблица 4.9);
K - коэффициент
сопротивления породы при ее отделении от массива в зависимости от площади
поперечного сечения выработок и числа открытых поверхностей: при одной открытой
поверхности забоя
, при двух открытых поверхностях
;
e - коэффициент
относительной работоспособности (таблица 4.10).
Таблица 4.8 - Удельный расход эталонного
ВВ
|
Коэффициент
крепости пород
|
q1, кг/м3
|
|
15-20
|
1,2-1,5
|
|
10-15
|
1,0
|
|
4-6
|
0,4-0,6
|
|
2-3
|
0,2-0,3
|
Таблица 4.9 - Коэффициент структуры породы
|
Породы
|
fc
|
|
Дислоцированные,
неправильное залегание пород с мелкой трещиноватостью
|
2,0
|
|
Сланцевые, с
изменяющейся крепостью
|
1,3
|
Таблица 4.10 - Коэффициент относительной
работоспособности
|
Взрывчатое
вещество
|
е
|
|
Скальный
аммонал №1
|
0,9
|
|
Детонит 6А, 10А
|
0,9
|
|
Аммонит №6 ЖВ
|
1,1
|
|
Предохранительные
аммониты
|
1,4
|
кг/м3
По формуле проф.В.А. Федюкина удельный расход можно определить
как:
, (4.5)
кг/м3
Величина заряда в отдельных шпурах уточняется с учетом их длины и
назначения. Величина заряда во врубовых шпуровых принимается на 15-20 % больше
средней величины заряда, в оконтуривающих - на 10-15 % меньше. При этом в шпуре
должно размещаться целое число шпуров [2, стр.81].
Расчетные значения удельного расхода ВВ сведены в таблицу 4.11.
Таблица 4.11 - Удельный расход рассчитанный по разным методикам
|
Коэффициент
крепости породы
|
Удельный расход
ВВ, q, кг/м3
|
|
по формуле 4.2
|
по формуле 4.3
|
по формуле 4.4
|
по формуле 4.5
|
|
12
|
0,76
|
0,73
|
1,8
|
2,5
|
Рассмотрев различные методики, окончательно принимаем
удельный расход ВВ для отбойных шпуров q = 1,8 кг/м3,
как наиболее соответствующий значениям удельного расхода ВВ на действующих
предприятиях. Для врубовых шпуров q = 2,1 кг/м3;
для оконтуривающих шпуров q = 1,6 кг/м3.
4.7
Общий расход ВВ и число шпуров
Общий расход ВВ на забой за один взрыв: [2, стр.78]
, кг (4.6)
где
V - объем взрываемой породы, м3.
, м2 (4.7)
где
lш - глубина шпура, м.
кг
Число шпуров определяется по расходу ВВ на 1м3
обуренной породы, число шпуров рекомендуется определять по формуле проф. Н.М.
Покровского: [2, стр.80]
, шт (4.8)
где
- коэффициент заряжания шпура (таблица
4.12);
- плотность ВВ, кг/м3;
dЗ -
диаметры патрона ВВ, м;
lп - длина
одного патрона, м.
шт
При проведении горизонтальных выработок Кривбасса число шпуров
(диаметром 40 мм) на забой с достаточной точностью определяется эмпирической
формулой: [2, стр.80]
, шт (4.9)
где A - эмпирический коэффициент, зависящий от
площади поперечного сечения выработки S:
|
A
|
3,4
|
3,0
|
2,7
|
2,5
|
|
S, м2
|
2,5
|
2,5-2,7
|
7,5-11,5
|
11,5-20
|
Таблица 4.12 - Коэффициент заряжания шпуров
|
Диаметр
патрона, мм
|
Коэффициенты
заряжания шпуров в зависимости от коэффициента крепости f
|
|
2-9
|
10-15
|
15-20
|
|
28 32 36 40
|
0,7-0,75
0,6-0,7 0,5-0,6 0,45-,5
|
0,72-0,77
0,65-0,72 0,55-0,62 0,42-0,52
|
0,75-0,8
0,70-0,75 0,60-0,65 0,50
|
шт
Принимаем 24 шпура.
Средняя величина заряда в шпуре определяется выражением: [2,
стр.81]
, кг (4.10)
кг.
Средняя масса заряда во врубовом шпуре:
, кг (4.11)
Средняя масса заряда в отбойном шпуре:
, кг (4.12)
кг;
= 1,0 кг.
Качество взрыва зависит от типа забойки, ее длины и плотности. В
качестве забойки может применяться глина, смесь глины с песком, гидрозабойка и
другие материалы, допущенные Госгортехнадзором России.
Рекомендуемые параметры забойки приведены в таблице 4.13.
Таблица 4.13 - Рекомендуемыематериал и
параметры забойки
|
Материал
забойки
|
Крепость пород
|
Длина забойки,
м
|
|
Смесь песка и
глины в пропорции 1: 1
|
Крепкие
|
0,7
|
|
Средней
крепости
|
0,8
|
|
Слабые
|
0,9
|
|
Песок средней
крупности
|
Крепкие
|
0,5
|
|
Средней
крепости
|
0,55
|
|
Слабые
|
0,6
|
|
Щебень
|
Крепкие
|
0,45
|
|
Средней
крепости
|
0,5
|
|
Слабые
|
0,55
|
4.8 Контурное взрывание
Устья оконтуривающих шпуров располагают на расстоянии
0,25-0,4 м от проектного контура при угле наклона шпуров к продольной оси
выработки 15-30 град.
В зависимости от монолитности пород расстояние между
оконтуривающими шпурами рассчитывают: [2, стр.98]
, м (4.13)
где W - линия наименьшего сопротивления (л. н.
с.), м (таблица 4.14).
м.
Таблица 4.14 - Линия наименьшего сопротивления оконтуривающих
шпуров
|
Породы
|
Расстояние
между трещинами, м
|
Коэффициент
относительной монолитности, Kмон
|
Л. н. с.
оконтуривающих шпуров
|
|
Относительно
монолитные
|
Более 1,5
|
1,0
|
0,5-0,8
|
|
Средне-трещиноватые
|
1,15-1,5
|
0,5
|
0,6-0,7
|
|
Сильно-трещиноватые
|
Менее 0,15
|
0
|
0,7-0,8
|
Число оконтуривающих шпуров в горизонтальной выработке: [2,
стр.98]
, шт. (4.14)
где П - проектный периметр выработки без нижнего основания,
м.
шт
Представим все расчетные параметры в сводной таблице 4.15.
Таблица 4.15 - Основные параметры БВР при проходке
горизонтальных выработок
|
Показатели
|
Площадь сечения
выработки S = 7,62 м2
|
|
f = 12
|
|
Удельный
расход, q, кг/м3
|
1,8
|
|
Объем
взрываемой горной массы, V, м 3
|
13,0
|
|
Общий расход
ВВ, Q, кг
|
23,3
|
|
Масса заряда в
шпуре, кг: отбойный врубовой оконтуривающий
|
1,0 1,2 0,9
|
|
Число шпуров, N,
шт.
|
42
|
|
Расстояние
между шпурами, а, м отбойные врубовые оконтуривающие
|
0,3 0,7
|
|
Линия
наименьшего сопротивления, W, м
|
0,6
|
|
Глубина шпуров,
м отбойный врубовой оконтуривающий
|
1,7 2,0 1,7
|
Примечание. Расстояние между отбойными шпурами определяется
графическим способом.
Рисунок 4.3 - Схема обуривания массива при проходке
горизонтальных выработок
По результатам графического расположения шпуров при проходке
горизонтальной выработки, уточняем рациональное число отбойных шпуров - 19 шт.
5.
Параметры буровзрывных работ при отбойке руды
5.1
Обоснование типа бурового оборудования
При выборе типа бурового оборудования необходимо
руководствоваться крепостью руды (f = 10); диаметром скважины для камерно-столбовой
системы разработки, с доставкой руды силой взрыва - 80 мм (по практике
использования данной системы на подземных рудниках); глубина бурения веерных
скважин находится в пределах 3÷15 м.
В целом, выбирая буровое оборудование, можно использовать
данные, приведенные в таблице 5.1.
Таблица 5.1 - Рекомендуемая область применения различных
типов бурового оборудования
|
Тип бурового
оборудования
|
Диаметр шпуров
или скважин, мм
|
Глубина
бурения, м
|
Коэффициент
крепости руд f
|
|
Перфоратор
|
|
переносной
|
30-65
|
3-6
|
4-20
|
|
телескопный
|
41-85
|
10-15
|
4-20
|
|
колонковый
|
52-85
|
15-25
|
4-20
|
|
Бурильная
шахтная установка
|
40-65
|
3-5
|
4-20
|
|
Станки для
бурения
|
|
вращательного с
режущими коронками
|
45-80
|
25
|
4-8
|
|
ударно-вращательного
|
50-85
|
40
|
6-16
|
|
с погружными
пневмоударниками
|
85-200
|
90-100
|
6-20
|
|
шарошечными
долотами
|
145-200
|
50
|
10-20
|
Для бурения взрывных скважин при отбойке руды принимаем
станок ударно-вращательного бурения БСМ-1М. Техническая характеристика станка
приведена в таблице 5.2.
Таблица 5.2 - Техническая характеристика станка БСМ-1М
|
Наименование
показателя
|
Значение
|
|
Диаметр
скважин, мм
|
45-80
|
|
Глубина
бурения, м
|
30
|
|
Число бурильных
машин, шт
|
2
|
|
Тип бурильных
машин
|
пневмоударник
|
|
Направление
бурения, градус
|
0-180
|
|
Расход сжатого
воздуха, м3/мин
|
12-14
|
|
Мощность
привода, кВт
|
18
|
|
Исполнение
|
на раме
|
|
Габариты, м:
длина ширина высота
|
2,15 1,5 2,425
|
|
Размеры буровой
выработки, м
|
2,6х2,6
|
|
Масса, т
|
0,81
|
5.2 Выбор типа ВВ и СИ
Выбор ВВ производится с учетом газового режима шахты,
крепости и обводненности пород.
В зависимости от прочностных свойств пород рекомендуются ВВ
со следующими значениями фугасности (таблица 5.3)
Таблица 5.3 - Рекомендуемые характеристики ВВ
|
Коэффициент
крепости пород
|
3-5
|
6-10
|
>10
|
|
Фугасность ВВ,
см3
|
220-320
|
320-400
|
400-600
|
В шахтах не опасных по взрыву газа и пыли разрешено
применение непредохранительных ВВ.
В качестве ВВ принимаем аммонит 6ЖВ в россыпном виде, исходя
из того, что отбойка ведется вертикальным веером скважин, для их заряжания
необходимо принять механизированное заряжание. Характеристика аммонита 6ЖВ
приведена в таблице 3.2.
Для заряжания скважин применяются пневмозарядчики различных
типов, технические характеристики широко применяемых их них и условия их
применения приведены в таблице 3.3.
Таблица 5.4 - Техническая характеристика
пневмозарядчиков
|
Принцип
заряжания
|
Марка
|
Диаметр скважин,
мм
|
Направление
скважин, градус
|
Глубина
скважин, м
|
Длина подачи
ВВ, м
|
Произво-
дительность, кг/мин
|
Масса, кг
|
Расход сжатого
воздуха, м3/мин
|
|
Пневмо-дозаторы
|
МПД-2
|
105-150
|
60
|
-
|
400
|
500
|
88
|
9-18
|
|
МПД-2М
|
|
|
|
|
600
|
120
|
10-20
|
|
Порционные
|
ЗП-12
|
105
|
360
|
40
|
150
|
150
|
30
|
-
|
|
ЗП-5
|
80
|
|
35
|
70
|
70
|
19
|
|
|
Нагнетатель-ные
|
ВАХШ-5
|
56-105
|
|
30
|
60
|
43
|
22
|
|
|
ПЗЛ-100
|
105
|
|
40
|
100
|
60
|
|
|
Нагнетатель-ные
барабанные
|
УЗС-1500
|
70-150
|
54
|
50
|
|
50
|
82
|
2,5
|
|
УЗС-6000
|
50-150
|
50
|
|
|
100
|
620
|
10
|
|
Нагнетательно-эжекторные
|
"Ульба-150"
|
36-200
|
360
|
-
|
350
|
100
|
75
|
-
|
|
"Ульба-400"
|
36-190
|
|
|
|
120
|
740
|
|
|
Роторные насосы
|
ПРН-2
|
-
|
-
|
|
350/80
|
100
|
108
|
15
|
|
ПРН-10
|
105
|
45
|
|
150/80
|
4500
|
|
20
|
|
Камерные
|
КНВВ
|
|
360
|
|
300/160
|
100
|
550
|
-
|
|
КЗВВ
|
|
|
|
200/80
|
|
120
|
|
Примечание. В числителе и знаменателе приведена длина
транспортирования соответственно по горизонтали и вертикали.
Исходя из рекомендаций, предложенных в описании механизации
очистных работ при камерно-столбовой системе разработки, принимаем зарядную
машину нагнетательного действия ВАХШ-5 (плотность заряжания Δ = 1150-1200 кг/м3).
В качестве средств взрывания используются:
для взрывания врубовых шпуров - электродетонаторы мгновенного
действия;
для взрывания отбойных и периферийных шпуров -
электродетонаторы короткозамедленного действия.
Для инициирования применяем ЭД-8-Ж (мгновенного действия).
При проведении выработок в крепких породах (f > 10) целесообразно
применять обратное инициирование (дно гильзы электродетонатора должно быть
направлено к устью шпура).
5.3
Удельный расход ВВ
Удельный расход ВВ, необходимый для взрывания 1 м3
породы в массиве, зависит от физико-механических свойств взрываемых пород (в
первую очередь от крепости пород), степени зажима, глубины разработки, мощности
взрываемых массивов, их однородности, трещиноватости, типа ВВ, взрываемости и
ряда других факторов.
Для определения удельного расхода ВВ пользуются в основном
эмпирическими формулами. Результаты расчета удельного расхода ВВ по
эмпирическим формулам следует считать ориентировочным, которые требует
уточнения по результатам опытных взрываний.
Удельный расход ВВ на отбойку, кг/м3, может быть
определен по универсальной методике Б.Н. Кутузова, используемой при любом
расположении скважин: [3, стр.126]
, (5.1)
где q0 - теоретический расход ВВ, кг/м3, зависящий от коэффициента
крепости породы:
;
k1 - коэффициент относительной работоспособности ВВ;
- коэффициент, учитывающий трещиноватость
руд и требуемое качество дробления; lТР - среднее расстояние между видимыми трещинами в массиве,
м; ак - размер кондиционного куска (определяется по
эмпирической зависимости
), м; n1 = 0,5÷0,6; k4 - коэффициент, учитывающий условия отбойки (k4 = 1 при отбойке на одну и k4 = 0,7÷0,9
при отбойке на две обнаженные плоскости; k4 = 1,2÷1,3
при отбойке в зажатой среде); k5 - коэффициент, учитывающий способ
заряжания скважин (при ручном заряжании k5 = 1; при пневмозаряжании россыпными ВВ k5 = 0,9÷0,95;
при заряжании прессованными патронированными ВВ k5 = (0,8÷0,85);
, при n2 = 0,5÷1,0
(меньшие значения принимают для трещиноватых, большие - для монолитных руд); k7 - коэффициент, учитывающий схему расположения скважин (при
параллельном расположении скважин k7 = 1,
при веерном k7 =1,1÷1,2,
при пучковом k7 1,3÷1,5).
кг/м3;
кг/м3.
Хотя изложенная методика достаточно универсальна и учитывает
множество факторов, тем не менее в региональных условиях более точные
результаты могут дать эмпирические зависимости, полученные, как правило на базе
исследований, проведенных на рудниках именно этих регионов. Нередко эти
зависимости входят в региональные нормативные методики проектирования
буровзрывных работ, утвержденные соответствующими производственными
объединениями, комбинатами.
5.4
Конструкция зарядов
При отбойке руды обычно применяется колонковая (сплошная)
конструкция заряда. Согласно ЕПБ (§173) патрон-боевик должен быть расположен
первым от устья шпура. Допускается расположение патрона-боевика с
электродетонаторами первым от дна шпура.
При инициировании шпурового заряда в направлении от устья
шпура время воздействия продуктов детонации на окружающую среду и
соответственно объем разрушения меньше, чем при инициировании от забоя шпура.
При обратном инициировании энергия взрыва используется более полно.
Пространство от устья шпура до заряда ВВ должно быть
заполнено инертным к взрыву материалом.
5.5
Схема расположения шпуров
Камерно-столбовая система разработки с доставкой руды (к
погрузочному штреку) силой взрыва, предусматривает отбойку вертикальным веером
скважин. Веер скважин проходится по руде из предварительно проведенного
бурового штрека.
При отбойке веерными скважинами л. н. с. определяют по
формуле [3, стр.118]:
, м (5.2)
где dскв - диаметр скважины, м; Δ -
плотность заряжания, кг/м3; k3 - коэффициент заполнения скважины (по Единым правилам
безопасности k3 = 0,6÷0,72);
m - коэффициент сближения зарядов (при
электрическом взрывании m = 1,0÷1,5); q - удельный расход ВВ, кг/м3.
Взаимное расположение веерных скважин определяется максимальным
расстоянием, м, между концами соседних скважин аmax и минимальным amin между заряженными частями скважин вблизи
контура буровой выработки. [3, стр.137]

(5.3)
м;
м;
м.
5.6
Общий расход ВВ и число шпуров
Общий расход ВВ на отбойку одного слоя, кг, определяется по
формуле: [3, стр.132]
(5.4)
где
- вместимость 1 м скважины, кг/м; LЗ - суммарная длина заряженной части скважин (определяется
графически), м.
кг
В ориентировочных расчетах некоторые параметры отбойки веерными
скважинами можно упрощенно определить следующим образом.
Число скважин в полувеере, шт, рассчитывается по формуле: [3,
стр.138]
, (5.5)
где S - площадь полувеера, м2.
шт.
Средняя длина скважин в полувеере, м [3, стр.138]
. (5.6)
м.
Суммарная длина скважин в полувеере, м [3, стр.138]
. (5.7)
м.
Рассчитанные параметры уточняются графически при построении
расположения веера скважин в массиве (рисунок 5.1).
Рисунок 5.1 Схема расположения веерных скважин при отбойке
Уточняем параметры:
шт;
м
Библиографический
список
1.
В.А. Федюкин - "Проектирование процессов при проходке стволов шахт",
учебное пособие, - Москва 1981 г, 80 с.
.
Ю.А. Епимахов, Г.С. Торчков, В.П. Абрамчук - "Технология и безопасность
буровзрывных работ, часть 2", - Апатиты 2001 г, 209 с.
.
А.О. Баранов "Проектирование технологических схем и процессов подземной
добычи руд", - Москва "Недра" 1993 г, 288 с.
.
ООО "Рудно-Горные Технологии" www.rgt.ru
.
С.К. Мангуш - "ВР при БВР", - Москва издательство МГГУ 1999 г, 120 с.