Безопасность взрывных работ

  • Вид работы:
    Дипломная (ВКР)
  • Предмет:
    Безопасность жизнедеятельности
  • Язык:
    Русский
    ,
    Формат файла:
    MS Word
    561,90 kb
  • Опубликовано:
    2011-06-19
Вы можете узнать стоимость помощи в написании студенческой работы.
Помощь в написании работы, которую точно примут!

Безопасность взрывных работ















Безопасность взрывных работ

Оглавление

1.      Наименование заказчика и исполнителя работ

2.       Место проведения работы

.         Цель работы

.         Характеристики взрываемой технологической металлоконструкции и прилегающей территории

.         Технология обрушения технологической металлоконструкции

.         Транспортировка и доставка ВМ

.         Применяемые ВМ и средства взрывания

.         Расчет зарядов ВМ

.         Конструкция зарядов и схема инициирования

.         Схема взрывной сети

.         Объем взрывания

.         График проведения работ

.         Персонал исполнителей

.         Меры безопасности

Литература

1. Наименование заказчика и исполнителя работ

Заказчик работ:

Балтийский государственный технический университет

«ВОЕНМЕХ» им. Д.Ф. Устинова.

Санкт-Петербург 1-ая Красноармейская, дом 1, кафедра Е-3

Исполнитель работ:

Студент ___Петров Илья Владимирович____________________

Специальность 170103 «Средства поражения и боеприпасы» Гр. Е-312

Курсовой проект по курсу «Безопасность взрывных технологий» выполняется в соответствии с учебным планом специальности.

. Место проведения работы

Опора технологической металлоконструкции расположена на территории защитных сооружений Санкт-Петербурга (дамбы).

Краткая характеристика места проведения работ:

·   Ширина дамбы в месте технологической металлоконструкции »119м.

·   Суммарная длина технологической металлоконструкции =200м.

·   Подъезды к технологической металлоконструкции имеются.

·   Прямой доступ людей на технологическую металлоконструкцию не возможен.

·   На месте проведения работ строительно-монтажные работы не ведутся.

·   Движение по шоссе Горская-Кронштадт автобуса №510 осуществляется по расписанию (остановки автобуса в районе проектируемых взрывных работ нет).

·   Движение индивидуального транспорта, автотранспорта строительного управления и городского транспорта осуществляется по мере необходимости.

·   Судоходство в зоне Финского залива в радиусе 5 км от моста отсутствует.

·   Расстояние по шоссе от Горской до места проведения взрывных работ составляет 5 км, от места проведения работ до Кронштадта - 8 км, кратчайшее расстояние от места проведения работ до береговой линии острова Котлин - 5,5 км.

·   Контроль за движением автотранспорта на шоссе Горская-Кронштадт осуществляется на КПП (въезд-выезд на дамбу) и КПП (въезд-выезд в Кронштадт).

3. Цель работы

Целью работы является:

·   резка взрывом опоры технологической металлоконструкции;

·   разработка мероприятий по обеспечению безопасности взрывных работ.

. Характеристики взрываемой технологической металлоконструкции и прилегающей территории

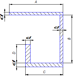
Технологическая металлоконструкция спроектирована как временное сооружение для монтажных работ при строительстве защитных сооружений Санкт-Петербурга (далее дамбы) и представляет собой стапель с двумя подъездными путями для одностороннего движения автомобилей грузоподъемностью до 40 т марки БЕЛАЗ. Опора удерживает стапель с двумя подъездными путями в исходном состоянии и в случае, ее обрушения происходит гарантированное обрушение всей технологической металлоконструкции с возможностью ее дальнейшей утилизации, традиционными методами (газовая резка). Конструкция опоры представляет собой сварную металлоконструкцию см. (рис.1) сложного профиля ( высота опоры 20 м, размеры А,B,С,D и толщина листов приведены в таблице 1). В качестве основного материала опоры использована сталь (Ст.3).

Характеристики опоры:

. Масса опоры составляет (из рис.1 и таблицы 1):

V1 = A ∙ д1∙H = 224∙2,8∙2000 = 1254400 см3

V2 = B ∙ д2∙H = 185∙3,0∙2000 = 1110000 см3

V3 = C ∙ д3∙H = 150∙3,5∙2000 = 1050000 см3

V4 = D ∙ д4∙H = 70∙4,6∙2000 = 644000 см3

V= 4058400 см3

M = V∙ с = 4058400 ∙ 7,8 = 31655520 г = 31,655520 т.

. Масса стапеля и двух подъездных путей - 3970 т.

Грунт в зоне технологической металлоконструкции представляет собой следующий состав - суглинки, супеси и пески с различным содержанием гальки.

 

Рис.1 Сечение опоры в зоне резки взрывом.

Таблица 1. - Характеристики листов опоры

Обозначение

Размер (мм)

А

2240

В

1850

С

1500

D

700

д1

28

д2

30

д3

35

д4

46


5. Технология обрушения технологической металлоконструкции

Работы по обрушению и утилизации технологической металлоконструкции (стапель с двумя подъездными путями) включают в себя два этапа:

·   подрыв стальной опоры (см. рис.1) в заданном сечении в верхнем (на высоте 18 метров);

·   разделку стальных металлоконструкций.

Второй этап проводится после обрушения технологической металлоконструкции, при этом отдельные виды взрывных работ выполняются аналогично.

Для подрыва стальной опоры, удерживающей технологическую металлоконструкцию, используется технология изложенная в руководстве по подрывным работам [1]. Место подрыва стальной опоры технологической металлоконструкции определяется заданием на курсовой проект (на высоте 18 метров).

Подготовительные операции перед подрывом стальной опоры технологической металлоконструкции:

организация рабочего места взрывника для безопасной работы с взрывчатым веществом (ВВ) и средствами инициирования (СИ):

изготовление и монтаж строительных лесов или временной площадки для работы взрывников;

изготовление и монтаж полок для размещения зарядов;

изготовление дощатых накладок и распорок для монтажа зарядов;

подготовка места для временного хранения ВВ и СИ согласно п. 65 ЕПБВР [2].

. Транспортировка и доставка ВМ

Транспортировка ВМ осуществляется со склада ВМ БГТУ в специально оборудованном автомобиле марки КАМАЗ 5112 фургон (номерной знак А364УВ - 78rus, свидетельство № 555) по маршруту согласованному в установленном порядке. В процессе работ спецмашина может использоваться в качестве передвижного расходного склада ВМ.

ВМ доставляется к месту проведения взрывных работ по утвержденному маршруту вручную. Доставка зарядов к месту установки производится взрывниками в кассетах или сумках. Доставка средств взрывания осуществляется взрывниками в сумках с мелкими ячейками и мягким покрытием.

. Применяемые ВМ и средства инициирования

Для производства взрывных работ используются подрывные тротиловые шашки (рис.2):

·   большая - размерами 50*50*100 мм весом 400 г;

·   малая - размерами 25*50*100 мм весом 200 г;

Для взрывания зарядов используются промышленные детонирующие шнуры марки ДША, ДШВ (рис. 3).

Инициирование взрыва осуществляется электродетонаторами ЭД-8 ГОСТ 9089-75 (рис. 4) (ЭД-8-Э или ЭД-8-Ж с длиной концевых проводов 3000 - 3250 мм с медной жилой).

Для электрического взрывания зарядов используются провода для промышленных взрывных работ ГОСТ 6285-74 (Провод ВП 2 Х 0,7 ГОСТ 6285-74).

Подрывная машинка КПМ-1, КПМ-3 или КПВ.

Линейный мост Р-343.

Доставка ВМ к месту проведения взрывных работ осуществляется БГТУ на специально оборудованном автомобиле в установленном порядке. В процессе работ спецмашина используется в качестве расходного склада ВМ на промплощадке.

Сменный расход ВВ составляет 100 (250) кг.

Рис.2 Тротиловые подрывные шашки

а - большая; б - малая; в - буровая; 1 - запальное гнездо

Рис.3 Шнур детонирующий ДШ - В

1 - колпачок; 2 - пластикат; 3 - пряжа хлопчатобумажная; 4 - пряжа льняная; 5 - ведущие нити; 6 - сердцевина.

Рис. 4 Электродетонаторы мгновенного действия ЭД - 8Э и ЭД - 8Ж

1 - капсюль-детонатор КД - 8С; 2 - экран; 3 - электровоспламенитель.

8. Расчет зарядов ВМ

 

В разделе 4 приведены основные характеристики металлоконструкции стальной опоры (см. рис.1 и таблицу № 1) (марка стали и толщины металла).

Для резки стальной опоры технологической металлоконструкции используется методика расчета, которого приводится ниже.

Стальные элементы металлоконструкций (листы, балки, трубы, стержни, тросы и т.д.) режутся контактными наружными зарядами, которые по форме могут быть удлиненными, сосредоточенными и фигурными.

Контактные заряды должны плотно прилегать к срезаемым металлическим элементам. В случае неплотного прилегания зарядов величина воздушного зазора, высота заклепочных головок, толщина сварного шва и т.п. включаются в расчетную толщину срезаемых элементов.

Стальные листы режутся удлиненными зарядами, перекрывающими их по всей ширине (рис.4).

Вес зарядов необходимых для резки листов толщиной до 20 мм включительно, определяется по формуле:

 =QxF                       (1)

где  - вес заряда в граммах;

F - площадь поперечного сечения листа по плоскости резки (см2);

из расчета определенной массы Q ВВ в граммах на 1 см2 поперечного сечения плиты

,        (2)

где  - длина и расчетная толщина листа соответственно (см).

Для резки листов толщиной более 20 мм

масса ВВ берется во столько раз больше- во сколько толщина плиты больше 20 мм

то есть используют следующую формулу:

 = Q*b/2*F                         (3)

При определении массы ВВ Q (задается руководителем ), а в данном проекте принимается равным 20 грамм.










Рис. 5 Подрыв стального листа удлиненным зарядом.

Дробные размеры толщины листов и дробные числа выражающие количество рядов шашек, округляются до целых значений в сторону увеличения.

Расчет величины заряда.

Рис. 6а

По весу заряда:

 = 10*3*3*200 = 18000 г.

получается 90 МТШ что при количестве шашек в 1 ряду равном 20 составит 4,5 ряда.

выбираем 5 рядов малых шашек.

Количество шашек для подрыва листа:

в 1 ряду 20 шашек, в 5 рядах 100 шашек.

Таким образом, для подрыва можно использовать:

·   100 малых тротиловых шашек;

·   50 больших тротиловых шашек, но количество рядов получается не целое (2,5), поэтому большие тротиловые шашки для подрыва этой части сечения использовать не целесообразно, т.к. их придется брать больше (60).

Вес контактного заряда составляет  = 20 кг.

Рис.6б

По весу заряда:

 = 10*3,2*3,2*180 = 18432 г

92,16 МТШ это 5,12 рядов (18 шашек в 1 ряду).

выбираем 6 рядов малых шашек.

Количество шашек для подрыва листа:

в 1 ряду 18 шашек, в 6 рядах 108 шашек.

Таким образом, для подрыва можно использовать:

·   108 малых тротиловых шашек;

·   54 больших тротиловых шашек.

Вес контактного заряда составляет  = 21,6 кг.

Рис. 6в

По весу заряда:

 = 10*3,5*3,5*140 = 17150 г.

получается 85,75 МТШ это 6,125 рядов (в 1ряду 14 шашек).

в 1 ряду 14 шашек, в 7 рядах 98 шашек

Таким образом, для подрыва можно использовать:

·   98 малых тротиловых шашек;

·   49 больших тротиловых шашек, но в этом случае также нецелесообразно их использовать т.к. количество рядов 3,5 и шашек придется брать больше.

Вес контактного заряда составляет  = 19,6 кг.

Рис. 6г

По весу заряда:

 = 10*4*4*70 = 11200 г.

56 МТШ и это будет составлять 8 рядов (в 1 ряду 7 шашек).

выбираем 8 рядов малых шашек.

Количество шашек для подрыва листа:

в 1 ряду 7 шашек, в 8 рядах 56 шашек.

Таким образом, для подрыва можно использовать:

·   56 малых тротиловых шашек;

·   28 больших тротиловых шашек.

Вес контактного заряда составляет  = 11,2 кг.

Рис.6 Схемы расположения зарядов.

а).


б).


в).


г).


Выбор количества соединительных шашек (для обеспечения передачи детонации от заряда к заряду).

Для выбора количества соединительных шашек (малых тротиловых шашек) рассмотрим возможный вариант их установки исходя из размеров стальной опоры и установки подрывных зарядов (рис.7).

Рис.7 Схема установки соединительных зарядов.

Устанавливаем одну шашку, которая перекрывает толщину листов 30 мм и перекрывает подрывной заряд на расстояние 70 мм, что обеспечивает передачу детонации от заряда рис.6а к заряду рис.6б.

Устанавливаем одну шашку, которая перекрывает толщину листов 35 мм с правого торца и перекрывает подрывной заряд на расстояние 65 мм, что обеспечивает передачу детонации от заряда рис.6б к заряду рис.6в.

Устанавливаем одну шашку, которая перекрывает толщину листов 35 мм с левого торца и перекрывает подрывной заряд на расстояние 65 мм, что обеспечивает передачу детонации от заряда рис.6в к заряду рис.6г.

Таким образом, для соединения зарядов необходимо установить 1+1+1 =3 шашки.

В результате проведенных расчетов можно определить:

- суммарный вес подрывных зарядов:


суммарный вес соединительных зарядов:

* 0,2 = 0,6 кг.

Таким образом, для подрыва стальной опоры технологической металлоконструкции необходим накладной контактный заряд весом 73 кг.

Для проведения взрывных работ необходимо получить со склада ВМ:

·   либо 82 шт. больших тротиловых шашек и 201 шт. малых тротиловых шашек;

·   либо 365 шт. малых тротиловых шашек.

9. Конструкция зарядов и схема инициирования

Исходя из конструктивных особенностей подрываемой стальной опоры и места подрыва можно, рекомендовать следующую конструкцию для установки, фиксации и крепления зарядов (рис. 8, 9).

- заряд располагается на высоте 18 метров.

На требуемом уровне стальной опоры навариваются кронштейны с длиной горизонтальной полки 300 - 350 мм, для установки деревянного настила (доска сосновая обрезная толщиной 25 мм).

Для установки зарядов в требуемом положении изготавливаются рейки и бруски

·   25*75*2000 - одна рейка подкладная;

·   25*100*2400 - одна рейка подкладная;

·   25*100*1500 - одна рейка подкладная;

·   25*100*735 - одна рейка подкладная;

·   25*25*2000 - один брусок;

·   25*50*1800- один брусок;

·   25*25*1400 - один брусок;

·   25*100*2000 - одна рейка прижимная;

·   25*100*1800 - одна рейка прижимная;

·   25*100*1400 - одна рейка прижимная;

·   25*100*700 - рейка прижимная;

·   25*100*165 - рейка распорная.

а).б).

в).г).

 

Рис.8 Схема установки и фиксации зарядов:

а) - лист 1 с параметрами А, д1; б) - лист 2 с параметрами В, д2;

в) - лист 3 с параметрами C, д3; г) - лист 4 с параметрами D, д4;

- рейка прижимная; 2 - рейка подкладная; 3 - брусок подкладной;

- деревянный настил; 5 - кронштейн; МТШ - малые тротиловые шашки; БТШ - большие тротиловые шашки.

Рис.9 Схема крепления зарядов на опоре

- стяжка (проволока алюминиевая); 2 - рейка распорная.

Подрыв стальной опоры на высоте 18 м осуществляется следующим образом:

С помощью заряда боевика, состоящего из малой тротиловой шашки и детонирующего шнура ДШВ рис. 10.

Инициирование детонирующего шнура производится от ЭД-8.

Рис. 10 Заряд боевик

10. Схема взрывной сети

При взрывных работах по подрыву стальной опоры технологической металлоконструкции используется схема мгновенного взрывания зарядов, представленная на рис.12. Инициирование заряда боевика (шашка тротиловая малая - детонирующий шнур) производится электродетонатором, который устанавливается на конце ДШ. Инициирование заряда боевика (шашка тротиловая малая) производится электродетонатором, который устанавливается в гнездо.

Взрывная сеть монтируется от заряда к источнику питания.

Места соединений проводов ЭД и ВП изолировать лентой.

ЭД к ДШ крепить шпагатом или лентой.

Рис.12 Схема взрывной сети

11. Объем взрывания

Для срезания стальной опоры технологической металлоконструкции на высоте 18 м используются:

·   основной заряд -73 кг;

·   заряд боевик (шашка малая - 0,2 кг, ДШ - 18,5 м, ЭД-8).

. График проведения работ

. Подрыв стальной опоры технологической металлоконструкции.

.1. Подготовительные работы

начало - 10.00

окончание - 11.00

1.1.1.           Осмотр места проведения взрывных работ.

1.1.2. Проверка исправности монтажной площадки.

.1.3.   Проверка правильности установки площадок для размещения зарядов.

.1.4.   Другие работы по обеспечению безопасных условий труда.

.1.5. Осмотр укрытия для взрывников.

.2. Производство взрывных работ

.2.1. Отключение электроэнергии в зоне 50 м от места проведения взрывных работ

начало - 11.00

окончание - 11.10

.2.2. Подъем зарядов на рабочую площадку (при подрыве на высоте)

начало - 11.10

окончание - 12.00

.2.3. Установка, фиксация и крепление зарядов

начало - 12.00

окончание - 13.00

.2.4. Коммутация взрывной сети

начало - 13.00

окончание - 13.30

.2.4. Взрывание

время взрыва - 13.45

.2.5. Восстановительные работы

начало - нет

окончание - нет

. Персонал исполнителей

Взрывные работы осуществляются сотрудниками БГТУ, имеющими единую книжку взрывника, на основании лицензии на проведение взрывных работ. Руководство взрывными работами возлагается на сотрудника БГТУ, имеющего единую книжку взрывника и права руководства взрывными работами, который утверждается приказом по БГТУ.

Для вспомогательных работ на промплощадке, не связанных с непосредственным производством взрывных работ могут привлекаться сотрудники БГТУ и работники СМУ прошедшие специальный инструктаж и ознакомленные с настоящим проектом.

. Меры безопасности

Радиус опасной зоны

Расчет безопасных расстояний по действию воздушной ударной волны на человека

Максимальная масса одновременно взрываемых зарядов по проекту составляет

185,2 кг.

Расчет безопасного расстояния по действию взрыва на человека находящегося вне укрытия рассчитывается по формуле ЕПБВР[2]:

,                          (5)

где ;

max - суммарный вес зарядов, кг;

G и Gт - удельная энергия взрыва ВВ - тротил ( Gт=4230 кДж/кг).

При проведении взрывных работ используется заряд из тротиловых шашек .

Степень повреждения 2 (случайные повреждения застекления).


Безопасное расстояние по действию ВУВ на человека в укрытии (блиндаже) составляет:

Степень повреждения 1 (отсутствие повреждений).


Безопасное расстояние по действию ВУВ на человека в укрытии (блиндаже) составляет:

Расчет безопасного расстояния по действию взрыва на человека находящегося вне укрытия рассчитывается по формуле РТМ 36.9-88 [2]:

Степень повреждений (случайные повреждения застекления).

,                                 (6)


Безопасное расстояние по действию ВУВ на человека в укрытии (блиндаже) составляет:


Сравним полученные безопасные расстояния с результатами расчетов полученных с помощью формул М.А. Садовского.

 (Па);

 (с);

 (Па ∙ с);

где k = k1+ k2+ k3+ k4

k1- учитывает вид взрыва ( k1 = 1 - для воздушного взрыва);

k2 = 1- тротиловый эквивалент;

k3 = (1,9∙б + 0,3), б - коэффициент наполнения; при б > 0,35, k3 = 1;

k4 - коэффициент влияния поверхности (для стальных листов k4 = 1)

Таблица 2. - Результаты расчетов по зависимостям М.А. Садовского




Анализ полученных результатов показывает:

Взрыв воздушный

Избыточное давление на уровне 500 Па (допустимые значения по разрушению застекления) реализуются на расстоянии ~720м.

Сведем полученные результаты в таблицу.

взрывание металлоконструкция заряд

Таблица 3. - Результаты расчета безопасного расстояния по действию ВУВ

 Методика расчета и степень безопасности

 Безопасный радиус (без укрытия), м

 Безопасный радиус (в укрытии), м

 ЕПБВР Степень повреждения 1 ЕПБВР Степень повреждения 2 РТМ 36.9 - 88 Формулы М.А. Садовского (взрыв воздушный) - застекление - человек

 208,97 - 626,9  41,79 - 125,38 555,36   720  60

 139,31 - 417,93 27,86 - 83,59 370,24


Анализируя полученные результаты значений безопасных радиусов по различным методикам расчета (при степени повреждения - отсутствие повреждений или частичные повреждения застекления) принимаем за безопасный радиус 720 метров.

Расчет сейсмически безопасных расстояний

Расчет сейсмобезопасных расстояний при взрывном обрушении опоры технологической металлоконструкции выполнен на основании рекомендаций методики [3] и "Инструкции по определению безопасных расстояний при взрывных работах и хранении ВМ" ЕПБВР [2].

Радиус безопасной зоны rс рассчитывался из выражения [2]:

,                 (7)

где QЭ - масса эквивалентного заряда тротила, кг;

КГ - коэффициент, зависящий от свойств грунта в основании охраняемого сооружения;

КС - коэффициент, зависящий от типа сооружения и характера застройки;

a - коэффициент, зависящий от условий взрывания.

При обрушении опоры технологической металлоконструкции на основание [2] сейсмобезопасные расстояния оцениваются по сейсмическому действию эквивалентного заряда тротила. Величина эквивалентного заряда  определяется из выражения:

,                         (8)

где М - масса вертикально падающей конструкции;

Н - высота падения (Н=20 м);

 - энергия выделяющаяся при взрыве 1 кг тротила ( =4230 кДж/кг);

q - ускорение силы тяжести.

Масса технологической металлоконструкции составляет (см. раздел 4) 3970 тонн.

Объектом оценки сейсмического воздействия является ближайшее гидротехническое сооружение, распложенное на дамбе на расстоянии 500 м от технологической металлоконструкции.

Сооружение выполнено из железобетона и металлических конструкций опирающихся на массивный фундамент. В основании фундамента находятся водонасыщенные грунты. Оценка сейсмобезопасных расстояний производилась для мгновенного обрушения технологической металлоконструкции.

Радиус безопасного расстояния отсчитывается от центра опоры технологической металлоконструкции к охраняемому объекту.

Учитывая незавершенное строительство сооружений, в расчете принято максимальное значение коэффициента КС=2. Для водонасыщенных грунтов КГ=20. В связи со сложностью идентификации условий взрывания принимаем максимальное значение a=1.

Расчет сейсмобезопасных расстояний при обрушении моста

Масса эквивалентного заряда:


Сейсмобезопасное расстояние при мгновенном взрывании (обрушении):


В расчете не учитывалось:

1  демпфирование удара основания и продольных балок технологической металлоконструкции падении на грунт;

Поскольку расстояние до пропускных сооружений в 2,5 раза превышает величину rcМ , в проекте принята более надежная схема обрушения.

Проведем оценку сейсмобезопасности обрушения технологической металлоконструкции по методике [2].

Для оценки сейсмобезопасных условий взрывания (обрушения) следует воспользоваться выражением для скорости смещения грунта (фундамента) у основания охраняемого объекта.

 ,                                (9)

где V - скорость смещения грунта (фундамента), см/с;

К - коэффициент, характеризующий удельный сейсмический эффект 100<= К=>400;

 - коэффициент учитывающий снижение интенсивности сейсмических волн с глубиной (для заглубленных объектов - 2, для наземных объектов - 1);

 - показатель затухания сейсмических волн с расстоянием (1,5 - 2);

 - коэффициент, зависящий от плотности заряжания шпура -1;

В - степень экранизации (без экрана -1);

r - расстояние до охраняемого объекта.


Таблица 4. - Предельно допустимые значения скоростей колебаний грунта в основании охраняемых объектов

№ п/п

Характеристика объекта

Скорость колебаний, см/с

1

Жилые здания и сооружения

1 - 3

2

Здания производственного назначения

5 - 7

3

 Несущие колонны цеха

10 - 20

4

Стеновые заполнения

10

5

Сохраняемые железобетонные фундаменты и их части

10 - 50

6

Аппаратура контроля и защиты

3 - 6

7

Электросиловые установки

10 -20

8

Опоры мостовых кранов

10

9

Опоры электропередач

20 - 30

10

Дымовые и вентиляционные трубы

3 - 10

11

Футеровка печей

50

12

Трубопроводы

50

13

Электрические кабели

50

14

Подвальные помещения (исключающие трещинообразования и вываливание бетона)

50


Сравнивая полученный результат с данными таблицы 3 можно утверждать, что взрывные работы по обрушению технологической металлоконструкции безопасны для охраняемого объекта.

Оценка максимальной дальности разлета осколков при взрыве

Для оценки вероятности поражения человека осколком воспользуемся следующим допущением: при значении  осколок может оставить на открытых участках тела незначительные повреждения в виде ссадин и царапин.

Скорость осколка на расстоянии R определим так:

,                                  (10)

где m - масса осколка;

V0 - начальная скорость осколка;

Sср - миделево сечение осколка;

Сх - коэффициент лобового сопротивления, зависящий от формы осколка;

- массовая плотность воздуха;

R - расстояние, на котором осколок приобретает скорость V.

Введем величину :

                             (11)

- баллистический коэффициент осколка [1/м].

Значение находится в пределах 0,01…0,02 в зависимости от массы осколка.

Принимаем R* = 1/. Зависимость значения R* от массы осколка представлена в таблице 5.

Таблица 5.

m, г

5

10

20

50

100

200

R*

87

100

113

144

174

212


Значение начальной скорости определим по формуле:

,                        (12)

где D - скорость детонации ВВ (для тротила D = 6900);

б - коэффициент наполнения (для штатных ОФ боеприпасов б = 0,17);

 (м/с)

Для оценки действия осколков берем значения их масс 10, 50, и 100 г.

Полученные расчетные значения приведены в таблице 6.

Таблица 6.

R, м

 V, м/с (m=10г)

m⅓ ∙V (m=10г)


V, м/с (m=50г)

m⅓ ∙V (m=50г)


V, м/с (m=100г)

m⅓ ∙V (m=100г)

10

904,837


1949,413


932,912


3436,877


944,149


4382,352

20

818,731


1763,902


870,325


3206,304


891,417


4137,593

30

740,818


1596,044


811,936


2991,199


841,631


3906,504

40

670,320


1444,161


757,465


2790,525


794,625


3688,322

50

606,531


1306,731


706,648


2603,315


750,244


3482,326

60

548,812


1182,379


659,241


2428,663


708,342


3287,835

70

496,585


1069,861


615,013


2265,729


668,781


3104,206

80

449,329


968,050


573,753


2113,726


631,429


2930,833

90

406,570


875,928


535,261


1971,920


596,163


2767,143

100

367,879


792,572


499,352


1839,628


562,867


2612,595

110

332,871


717,149


465,851


1716,211


531,430


2466,679

120

301,194


648,903


434,598


1601,073


501,749


2328,913

130

272,532


587,152


405,442


1493,661


473,726


2198,841

140

246,597


531,277


378,242


1393,454


447,268


2076,033

150

223,130


480,719


352,866


1299,970


422,287


1960,085

160

201,897


434,973


329,193


1212,757


398,702


1850,612

170

182,684


393,580


307,108


1131,396


376,434


1747,254

180

165,299


356,126


286,505


1055,493


355,410


1649,668

190

149,569


322,236


267,284


984,682


335,560


1557,532

200

135,335


291,571


249,352


918,621


316,819


1470,543

210

122,456


263,824


232,624


856,993


299,124


1388,411

220

110,803


238,718


217,017


799,499


282,418


1310,867

230

100,259


216,001


202,458


745,862


266,644


1237,654

240

90,718


195,446


188,876


695,824


251,752


1168,530

250

82,085


176,847


176,204


649,142


237,692


1103,266

260

74,274


160,018


164,383


605,593


224,416


1041,648

270

67,206


144,790


153,355


564,965


211,882


983,471

280

60,810


131,011


143,067


527,062


200,049


928,543

Продолжение таблицы 6

R, м

V, м/с (m=10г)


m⅓ ∙V (m=10г)


V, м/с (m=50г)


m⅓ ∙V (m=50г)


V, м/с (m=100г)


m⅓ ∙V (m=100г)

290

55,023


118,544


133,469


491,703


188,876


876,683

300

49,787


107,263


124,514


458,715


178,327


827,719

310

45,049


97,056


116,161


427,941


168,367


781,490

320

40,762


87,820


108,368


399,231


158,964


737,843

330

36,883


79,462


101,098


372,448


150,085


696,634

340

33,373


71,901


94,315


347,461


657,726

350

30,197


65,058


87,988


324,150


133,789


620,992

360

27,324


58,867


82,085


302,404


126,316


586,309

370

24,724


53,265


76,578


282,116


119,261


553,563

380

22,371


48,196


71,441


263,189


112,601


522,646

390

20,242


43,610


66,648


245,533


106,312


493,456

400

18,316


39,460


62,177


229,060


100,374


465,896

410

16,573


35,705


58,005


213,693


94,768


439,875

420

14,996


32,307


54,114


199,357


89,475


415,307

430

13,569


29,233


50,483


185,982


84,478


392,112

440

12,277


26,451


47,097


173,505


79,760


370,212

450

11,109


23,934


43,937


161,865


75,305


349,535

460

10,052


21,656


40,989


151,006


71,099


330,014

470

9,095


19,595


38,239


140,875


67,128


311,582

480

8,230


17,730


35,674


131,424


63,379


294,180

490

7,447


16,043


33,281


122,607


59,839


277,750

500

6,738


14,516


31,048


114,382


56,497


262,237

510

6,097


13,135


28,965


106,708


53,342


247,591

520

5,517


11,885


27,022


99,549


50,363


233,763

530

4,992


10,754


25,209


92,871


47,550


220,707

540

4,517


9,731


23,518


86,640


44,894


208,380

550

4,087


8,805


21,940


80,828


42,387


196,742

560

3,698


7,967


20,468


75,405


40,019


185,754

570

3,346


7,209


19,095


70,346


37,784


175,379

Продолжение таблицы 6

R, м

V, м/с (m=10г)


m⅓ ∙V (m=10г)


V, м/с (m=50г)


m⅓ ∙V (m=50г)


V, м/с (m=100г)


m⅓ ∙V (m=100г)

580

3,028


6,523


17,814


65,627


35,674


165,584

590

2,739


5,902


16,619


61,224


33,682


156,336

600

2,479


5,340


15,504


57,117


31,800


147,604

610

2,243


4,832


14,464


53,285


30,024


139,361

620

2,029


4,372


13,493


49,710


28,347


131,577

630

1,836


3,956


12,588


46,375


26,764


124,228

640

1,662


3,580


11,744


43,264


25,269


117,290

650

1,503


3,239


10,956


40,361


23,858


110,739

660

1,360


2,931


10,221


37,654


22,526


104,555

670

1,231


2,652


9,535


35,128


21,268


98,715

680

1,114


2,400


8,895


32,771


20,080


93,202

690

1,008


2,171


8,299


30,572


18,958


87,996

700

0,912


1,965


7,742


28,521


17,899


83,082

710

0,825


1,778


7,222


26,608


16,900


78,441

720

0,747


1,608


6,738


24,823


15,956


74,060

730

0,676


1,455


6,286


23,157


15,065


69,924

740

0,611


1,317


5,864


21,604


14,223


66,019

750

0,553


1,192


5,471


20,155


13,429


62,332

760

0,500


1,078


5,104


18,802


12,679


58,850

770

0,453


0,976


4,761


17,541


11,971


55,563

780

0,410


0,883


4,442


16,364


11,302


52,460

790

0,371


0,799


4,144


15,266


10,671


49,530

800

0,335


0,723


3,866


14,242


10,075


46,764

Таким образом принимаем опасную зону по разлету осколков R = 720 м.

Определение безопасного радиуса по действию газообразных продуктов

Реакция взрывчатого разложения тротила [C6H2(NO2)3CH3] :

C6H2(NO2)3CH3 → 2,5∙ H2О + 3,5∙СО + 3,5∙С + 1,5∙N2

 

а) ветер отсутствует

радиус безопасной зоны определяется по формуле:

                            (13)

 

б) скорость ветра VВ = 8 м/с

радиус безопасной зоны определяется по формуле:

                                    (14)


Радиус опасной зоны для людей

На основании проведенных расчетов радиус опасной зоны при взрывании устанавливается равным:

·   по воздушной ударной волне -720 м;

·   по разлету осколков -720 м;

·   по действию газообразных продуктов - 335 м.

Радиус опасной зоны - 720 м.


1. РТМ 36.9 - 88. Москва 1988г

. Единые правила безопасности при взрывных работах. НПО ОБТ Москва 2004г.

.Дерибас А.А. Физика упрочнения и сварки взрывом. Наука, Новосибирск, 1980г.

. Белов А.Г. и др. Методы оценки эффективности действия боеприпасов на стадии проектирования (учебное пособие). БГТУ, С - П, 1996г.


Не нашли материал для своей работы?
Поможем написать уникальную работу
Без плагиата!
Без нейросетей!