|
Номера
валов
|
Частота
вращения , n об/мин
|
Мощность
,
N кВт
|
Крутящий
момент , М Н∙м
|
|
I
|
2880
|
3,82
|
12,7
|
|
II
|
713
|
3,63
|
48,6
|
|
III
|
142,6
|
3,49
|
233,7
|
|
IV
|
142,6
|
3,42
|
229
|
Расчёт зубчатых передач
Выбор материала зубчатой передачи
В качестве материала для колеса используем сталь
марки 50 (НВmin - HBmax=
179 - 228, σв= 640 МПа, σт=
350МПа)
В качестве материала для шестерни используем
сталь марки 40х (НВmin
- HBmax = 200 - 230,
σв=
700 МПа, σт= 400МПа)
Определяем допускаемые контактные напряжения
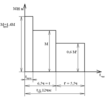
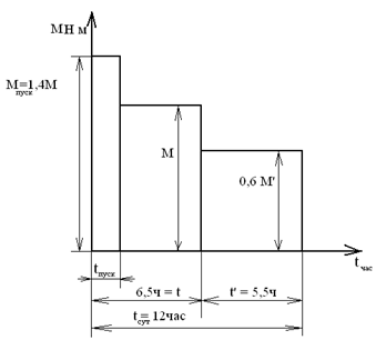
- эквивалентное время работы привода
в сутки
t = 6,5 час
t’ = 12-6,5=
5,5 час
m = 6
- эквивалентное время работы
привода в течение всего срока службы
Te = tэкв.*g*L= 7.9*260*5=
10270 час
g = 260 число
машиносмен в году
L = 5 лет -
срок службы
Определение эквивалентного числа
циклов
у шестерни:
у колеса:
OH- базовое
число циклов нагружения : NOH = 107
Так как NE1 = 44*107>107
и NE2 = 8,8*107
> 107, то, следовательно, у шестерни и колеса режим нагружения
постоянный, работа длительная.
Соответствующее постоянному режиму
допускаемое контактное напряжение равно:
где: предел контактной выносливости
σон = 2НВср+70
σон1 = 2*215+70 = 500 МПа
σон 2= 2*203,5+70 = 477 МПа
где: средняя твёрдость шестерни из
Ст40Х
равна:
средняя твёрдость колеса из Ст50
равна:
Zr = 1
nбез = 1,2
Расчет допускаемого контактного
напряжения
Определение допускаемых напряжений
изгиба зубчатых передач
где: m = 6
Эквивалентное время работы привода в
течение срока службы
Teи = tэкв.и.*g*L=
6,757*260*5= 8784,1 час
Эквивалентное число циклов нагрузки
шестерни и колеса
Полученные значения сравниваются с
базовым числом циклов NOИ = 4,10 *106:
у шестерни: NЕи1 = 37,6 *107>4,10*106
;
у колес: NЕи2 = 7,5*107
>4,10*106
Следовательно, режим нагружения
шестерни и колеса постоянный, работа длительная. Соответствующая постоянному
режиму допускаемое напряжение изгиба равно:
где: σОИ - предел
изгибной прочности:
σои = 1,8НВ
для шестерни:
σои1 = 1,8*215 = 387 МПа
для колеса:
σои2 = 1,8*203,5 = 366 МПа
Yr = 1: Ym = 1: Yy = 1,2: n3 = 1,5
для шестерни:
для колеса:
Проектный расчёт закрытой
цилиндрической передачи
Определение межосевого расстояния
За исходные величины принимаем:
крутящий момент: М3 = 233,7 Hм
на 3 валу.
Передаточное число зубчатой передачи U
= 5.
Расчётное допускаемое контактное напряжение [σ]Нр
= 407 МПа
Коэффициент относительной ширины колеса :
ψа = 0,5
Коэффициент нагрузки принимаем: К = 1,2
Коэффициент неравномерности распределения
нагрузки между зубьями: Кαн
= 1,02.
Определение ширины зубчатого колеса
- ширина колеса
- ширина шестерни
Определение модуля зубчатого колеса
Определение числа зубьев шестерни и
колеса
- суммарное число зубьев шевронной
передачи
- число зубьев шестерни
- число зубьев колеса
Уточнение передаточного числа
,2% в допуске ±5%
Определение геометрических
параметров цилиндрических зубчатых передач
Делительный диаметр шестерни
Делительный диаметр колеса
Диаметр вершин зубьев шестерни и
колеса
Диаметр впадин зубьев шестерни и
колеса

Проверочный расчёт
: U’ = 5,16:
K = 1,2: Kxн
= 1,02:
М3=
233,7: В2 = 62,5
430>407
% в допуске ±5%
Расчёт зубьев цилиндрических
зубчатых колес на изгибную прочность
К = 1,2
YF = ZV =
3,6
2 = 62,5
mnc = 2мм
Yβ -
коэффициент учитывающий наклон зубьев
Компоновка цилиндрического зубчатого
редуктора
Шестерня:
Колесо:
ширина -
ширина
-
глубина -
глубина
-
Торец обода -
Торец ступицы -
= 50…80 мм
f1 = 2,0мм
Вст2
- длинна ступицы колеса
Вст2
= B2 + α1 = 62,5 + 32
= 94,5 мм
Выбор
диаметра и длинны ступицы вала-шестерни
d3 - Выходной
конец
d3 = 1403√N2/n2= 1043√3,63/713
= 24,1 = 25мм
где
N2 - мощность
на валу
n2 - частота
вращения вала
l3 - длина
выходного конца
l3 = 1,5*d3 = 1,5*25 =
37,5 =40 мм
d4 - диаметр
ступицы на которой располагается шарикоподшипник
d4 = 30мм
Выбираем
шарикоподшипник серии №306 с параметрами:
d = 30мм D = 72мм В
= 19мм С = 28,1 кН
Манжетное
уплотнение:
D - диаметр манжета, D = 52мм
h - ширина манжета, h = 10мм
l4- длинна
ступицы на которой располагается шарикоподшипник
l4 = bфл+5мм =
40+5 = 45мм
d5 -ступень
необходимая для упора вала-шестерни в подшипник
d5 = 35мм
l5 = Δ = 10мм ; Δ1 = 30мм
d4’ - диаметр
ступицы на которой располагается подшипник, все расчеты идентичны расчетам d4.
А
- ширина внутренней плоскости редуктора.
А
= В1+2*Δ+α
= 67,5+30+2*10= 117,5мм
где
В1 - ширина шестерни
Δ
- зазор
зубьев
α
- ширина
канавки, она равна 30мм
Выбор
диаметра и длины ступеней вала колеса.
d6 - диаметр
вала колеса
6 - длинна ступени d6 она должна
быть не менее 1,5 d6.
l6 = 1,5*d6 = 1,5*67,5
= 68мм
Последующие
диаметры ступеней выбираются ближайшими в большую сторону по стандартному ряду.
d7 = 50мм d8 = 60мм d9 = 70мм
l8 - длина
ступени зависит от вида зубчатой передачи
l8 = B2+α1-f1 =
62,5+32-1,5 = 93 мм
l7 - длина
ступени зависит от подшипника которой будет напрессовываться на нее. Выбираем
подшипник серии №310 с параметрами:
d = 50мм D = 110мм Вп
= 27мм С = 61,8кН
а
и b - размеры
необходимые для расчета прочности тихоходного вала.
длинна
между опорами lш = а + b = 72+72 =
144 мм
Расчет
валов
Силы,
действующие в зацеплении цилиндрических зубчатых передачах
P - окружное усилие, Т - радиальное
усилие, А - осевое усилие
Проверочный
расчет (изгиб и кручение)
Определение
опорных реакций на тихоходном валу
а
= b = 72мм
lш =144мм
Реакции
опор в горизонтальной плоскости
Реакция
опор в вертикальной плоскости
Сумма
реакций
Определение
действующих на валах изгибающих моментов Ми
Эпюра
моментов в горизонтальной плоскости.
Опасное
сечение в точке С.
Эпюра
моментов в вертикальной плоскости
Суммарный
изгибающий момент.
Крутящий
момент, действующий в опасном сечении равен М3 = 233,7Нм
Определение
напряжений в опасном сечении валов
МИс
= 86,9Нм
Wc - момент сопротивления в
сечении С вала с учетом шпонок
8 - диаметр вала равен 0,06м
b - ширина шпонки равна 18мм, 0,018м
h - высота шпонки равна 0,011м
t1 - глубина
паза на валу равна 0,007м
Напряжение
сжатия в шевронной передачи отсутствует так как 2 осевые силы равны по величине
и направлены в противоположные стороны.
Суммарное
напряжение
Напряжение
кручения.
Эквивалентное
напряжение
где
Проверочный
расчет валов на усталостную выносливость
Запас
усталостной прочности.
где
- запас
усталостной прочности на изгиб
- запас
усталостной прочности при кручении.
Расчет
подшипников качения
Расчет
подшипников качения на долговечность
где
Lh -ресурс
подшипника в часах
Lзад. - заданный срок службы
tсм - время рабочей смены 8ч
g - число машиносмен в году 260
Т
- срок службы привода 5 лет
С
- динамическая грузоподъемность подшипника
а
- коэффициент для шарикоподшипников равен 3
n - частота вращения подшипника
об/мин
Q - предельная динамическая нагрузка
на подшипник Н
при
при
Для
радиальных роликовых подшипников:
Kk = 1 n3 =
142,6об/мин
Kσ = 1,2 RB = 1207H
Кт
= 1 RD= 1207H
d7 = 50мм
Выбран
шарикоподшипник №310, где d = 50мм, D = 110мм, Bп = 27мм,
С
= 61800Н, Со = 36000Н
Схема
нагружения подшипников
Из
двух подшипников на валу расчету подвергается тот, который нагружен больше.
Определяем
ресурс подшипника в часах.
Расчет
штифтового предохранительного устройства комбинированной муфты
Мпред.
- предельный крутящий момент при срабатывании предохранительного штифта
Мпред.
= 1,5*М3 = 2*233,7 = 467,4 Нм
Мпред.
= 500 Нм
dш - диаметр
штифтов при действии предельного крутящего момента
Kн - коэффициент
нагрузки равен 1 при Z = 1
-
допускаемое напряжение при срезе

D - диаметр разнесения места
положения штифта
D = 140мм
Литература
1. Расчет
и проектирование зубчатых и червячных передач: Учебно-методическое пособие.
Бандаков Б.Ф. -М.: МГИУ, 2006. -148с.
2. Детали
машин: Учебный справочник к выполнению курсового проекта. Ковчегин Д.А.,
Петракова Е.А. - М.: МГИУ, 2007. -128с.
. Детали
машин и основы конструирования часть 3: Учебное пособие. Клоков В.Г., 2008.