|
№ Операции Установа
|
Название операции
|
TO, мин
|
Оборудование
|
|
005.У1
|
Токарная
|
1,20
|
Токарный станок
|
|
005.У2
|
|
6,18
|
|
|
005.У3
|
|
4,03
|
|
|
010.У1
|
Шлифовальная
|
0,47
|
Шлифовальный станок
|
1. Требования пользователя
Управление ГАУ должно производится в автоматическом режиме.
Разрабатываемая система управления должна управлять:
конвейерами загрузки/разгрузки.
при поступлении заготовки на конвейер-загрузки должен включиться и
осуществить перенос заготовки в зону захвата ПР. В момент времени, когда
заготовка оказывается в зоне захвата ПР - конвейер должен выключаться, только
после этого ПР может заготовку забирать с конвейера.
конвейер-разгрузки должен включиться после того как поступила деталь на
него и ПР не мешает перемещению детали (рука ПР поднята и втянута, ЗУ разжато).
В момент времени, когда деталь оказывается в конце конвейера - конвейер должен
выключаться. После чего рука ПР должна оказаться в исходном положении перед
первым конвейером.
ПР.
ПР должен осуществлять функции выдвижения/втягивания руки,
подъема/опускания руки, перемещение руки вправо/влево, зажима/разжима заготовки
(детали), вращения кисти руки, поворота руки. Вращение кисти руки должно
обеспечивать смену обрабатываемых поверхностей, согласно технологическому
процессу.
Станками.
станки токарный и шлифовальный должны автоматически начинать свою работу
при наличии в шпинделе зажатой заготовки/детали. Рука ПР при этом должна быть
втянута, то есть находиться вне рабочей зоны станков.
При возникновении нештатной ситуации система управления должна остановить
работу ГАУ.
2. Разработка циклограммы
.1 Описание датчиков
Для управления ходом технологического процесса необходимо на
соответствующем оборудовании расставить датчики. Количество и тип датчиков
определяется исходя из следующих условий:
количество датчиков должно быть достаточным, но не избыточным. При
увеличении количества датчиков увеличивается стоимость системы вследствие
необходимости установки дополнительных средств сопряжения (стабилизаторы,
ограничители, оптроны, мультиплексоры и т. д.);
тип датчика зависит от того, на какие действия он должен срабатывать
(перемещение, вращение, угол поворота, наличие объекта в рабочей зоне,
изменение различных физических параметров окружающей среды, таких как
температура, освещённость, давление и проч.).
На конвейер-загрузки устанавливается два датчика - на наличие заготовки в
начале конвейера и в конце (в позиции захвата роботом), соответственно датчики
Х1, Х2.
На конвейер-разгрузки устанавливаются такие же концевики Х16, Х17.
На промышленном роботе устанавливаются следующие датчики:
Сигнал о зажиме/разжиме захватного устройства (ЗУ) манипулятора поступает
с датчиков:
Х3 - концевик, который сигнализирует о зажатии заготовки (детали);
Х4 - концевик, сигнализирующий о разжатии заготовки (детали).
Информация о повороте кисти руки ПР поступает с датчиков:
Х5 - концевик, который сигнализирует о нахождении кисти руки в исходном
положении (00);
Х6 - концевик, сигнализирующий, что кисть повернута на -900;
Х7 - концевик, сигнализирующий, что кисть повернута на 900.
Перемещение руки робота влево/вправо определяется при помощи концевиков:
Х8 - концевик, сигнализурующий о достижении рукой ПР левого положения;
Х9 - концевик, сигнализирующий о перемещении руки ПР вправо (в исходное
положение).
Подъем/опускание руки определяется при помощи пары концевых датчиков:
Х10 - концевик сигнализирует о поднятой руке ПР;
Х11 - концевик сигнализирует об опущенной руке ПР.
Контроль поворота манипулятора осуществляется при помощи четырех датчиков
положения:
Х13 - концевик, свидетельствующий о достижении рукой ПР положения у
токарного станка;
Х14 - концевик, свидетельствующий о достижении рукой ПР положения у
шлифовального станка;
Х15 - концевик, сигнализирующий о достижении рукой ПР положения у
конвейера-разгрузки.
На выдвижение/втягивание руки ПР устанавливаются концевики:
Х16 - концевик сигнализирует о выдвинутом положении руки ПР;
S12 -
концевик сигнализирует о втянутом положении руки ПР.
Все датчики представляют собой концевики, имеют постоянное напряжение
питания 24В. Датчик преобразует механическое воздействие в электрический сигнал
двух уровней:
нулевой, когда нет механических воздействий со стороны объекта. Выходное
напряжение с датчика около нуля вольт;
единичный, когда есть механическое воздействие со стороны объекта.
Выходное напряжение с датчика от 16 до 24 В.
Эти датчики обладают хорошей помехозащищённостью. Скорость изменения
сигнала с высокого уровня на низкий достаточная, чтобы обеспечить необходимое
быстродействие системы.
Для удобства все датчики свожу в таблице 2.
Сигналы, информирующие о состоянии станков сведены в таблице 3.
Таблица 2
|
Датчик
|
Описание назначения
|
|
Х1
|
Наличие заготовки в зоне
загрузки конвейера - загрузки
|
|
Х2
|
Наличие заготовки в зоне
разгрузки конвейера - загрузки
|
|
Х3
|
Зажим ЗУ ПР
|
|
Х4
|
Разжим ЗУ ПР
|
|
Х5
|
ЗУ ПР в исходном
(неповернутом положении)
|
|
Х6
|
ЗУ ПР повернуто на -900
|
|
Х7
|
ЗУ ПР повернуто на 900
|
|
Х8
|
Перемещение руки ПР в
правую точку
|
|
Х9
|
Рука ПР в исходном
положении
|
|
Х10
|
Подъем руки ПР
|
|
Х11
|
Опущенное положение руки ПР
|
|
Х12
|
Положение руки ПР перед
конвейером - загрузки
|
|
Х13
|
Положение руки ПР перед
токарным станком
|
|
Х14
|
Положение руки ПР перед
шлифовальным станком
|
|
Х15
|
Положение руки ПР перед
конвейером - разгрузки
|
|
Х16
|
Выдвинутое положение руки
ПР
|
|
Х17
|
Задвинутое положение руки
ПР
|
|
Х18
|
Наличие детали в зоне
загрузки конвейера - разгрузки
|
|
Х19
|
Наличие детали в зоне
разгрузки конвейера - разгрузки
|
Таблица 3
|
Сигнал
|
Описание назначения
|
|
S1
|
Наличие заготовки в патроне
токарного станка
|
|
S2
|
Зажим патрона токарного
станка
|
|
S3
|
Разжим патрона токарного
станка
|
|
S4
|
Конец обработки после
первого установа
|
|
S5
|
Конец обработки после
второго установа
|
|
S6
|
Конец обработки после
третьего установа
|
|
S7
|
Состояние токарного станка
(Вкл/Выкл)
|
Наличие заготовки в патроне
шлифовального станка
|
|
S9
|
Зажим патрона шлифовального
станка
|
|
S10
|
Разжим патрона
шлифовального станка
|
|
S11
|
Конец обработки
|
|
S12
|
Состояние шлифовального станка
(Вкл/Выкл)
|
3. Описание исполнительных устройств
Для приведения в действие команд микроконтроллера необходимы
исполнительные устройства. Исполнительные устройства должны выполнять функции
системы, иметь малую инерционность, обладать устойчивостью и управляемостью,
достаточным быстродействием.
Зажим/разжим заготовки (полуфабриката) в ЗУ ПР осуществляется при помощи
пневмоцилиндра, имеющего два рабочих положения. Воздух в полость цилиндра
попадает при помощи электромагнитного клапана, который в свою очередь
управляется микроконтроллером через тиристорный ключ.
Поворот кисти руки робота происходит при помощи асинхронного
электродвигателя. Электродвигатель мощностью 1,5 КВт. Двигатель - реверсивный,
поэтому управление включением электродвигателя осуществляется двумя пускателями
П1 и П2 (ПМЕ-112).
Подъем/опускание руки робота, выдвижение/втягивание руки ПР, её поворот и
перемещение в продольном направлении осуществляется с помощью реверсивного
двигателя постоянного тока, управление включением электродвигателя
осуществляется транзисторным ключом.
Перемещение конвейеров осуществляется с помощью асинхронного двигателя.
Управление пускателями электродвигателей осуществляется с помощью
тиристорный ключей, включенных последовательно с катушкой пускателя. Питание
катушек пускателей и электромагнитных клапанов осуществляется напряжением 220В
переменного тока. Ток в катушке 250 мА. Аналогичные параметры имеют катушки
электромагнитных клапанов.
4. Описание циклограммы
Для обеспечения синхронности работы системы управления необходимо
разработать циклограмму её работы. Циклограмма позволяет детализировать работу
агрегатов при срабатывании определённых датчиков в различные моменты времени.
Заготовка поступает на секцию конвейера-загрузки - срабатывает датчик
наличия Х1, привод конвейера включается, конвейер перемещает заготовку в зону
захвата ПР - срабатывает датчик наличия (Х2), поступает сигнал на высший
уровень - конвейер останавливается, осуществляется опускание, выдвижение руки
ПР и зажим заготовки ЗУ ПР.
При зажиме заготовки срабатывает датчик (Х3) и осуществляется подъем
(Х10), втягивание (Х17) и поворот руки ПР до положения у токарного станка (Х13)
и осуществляется поворот ЗУ на угол 900 (Х7). Затем рука ПР
выдвигается (Х16), перемещается влево, вставляет заготовку в шпиндель до
срабатывания (Х9 и сигнала ЧПУ станка о наличии детали в патроне S1). После этого патрон зажимает
заготовку и ЧПУ станка формирует сигнал S2 (патрон зажат), ПР разжимает заготовку (Х4), перемещается
вправо в исходное положение (Х8) и осуществляется втягивание руки ПР (Х17).
Начинается первый цикл обработки.
Переустанов полуфабриката осуществляется с помощью ПР. При поступлении
сигнала ЧПУ станка об окончании обработки после первого установа (S4) рука ПР выдвигается (Х16),
перемещается влево (Х9), ЗУ зажимает полуфабрикат (Х3), патрон в станке
разжимается (S3), рука ПР с зажатой заготовкой
перемещается вправо (Х8), втягивается (Х17) и осуществляется поворот кисти на
угол -900 (Х6). После осуществления поворота остальные установы
полуфабриката идентичны описанному выше.
После окончания обработки на токарном станке осуществляется обработка на
шлифовальном станке. Рука ПР находится перед шлифовальным станком (Х14), в
задвинутом положении (Х17), поднятой (Х10), в положении определяемом (Х8), ЗУ ПР
повернуто на -900, с зажатым полуфабрикатом (Х3). Далее процесс
установа полуфабриката для обработки на шлифовальном станке будет идентичен
установам на токарном.
После обработки осуществляется транспортировка готовой детали на
конвейер-разгрузки - положение ПР определяется (Х15), рука ПР втянута (Х17),
поднята (Х10), ), в положении определяемом (Х8), ЗУ ПР в исходном положении
(Х5), с зажатой деталью (Х3). Далее рука ПР выдвигается (Х16), опускается
(Х11), ЗУ разжимает деталь (Х4), которая оказывается в зоне загрузки конвейера.
Далее рука ПР поднимается (Х10), втягивается (Х17). После этого при
совокупности единичных сигналов (Х17) и (Х18) конвейер-разгрузки включается и
перемещает детали. Останов конвейера происходит при сигнале от датчика Х19.
Затем рука ПР поворачивается в исходное положение - к конвейеру-загрузки (Х12).
Далее цикл запускается заново.
5. Разработка математической модели
Математическая модель системы состоит из системы логических уравнений,
описывающих поведение различных исполнительных устройств в зависимости от
значений сигналов поступающих с датчиков.
Математическая модель составляется по циклограмме работы системы.
Здесь приняты следующие обозначения:
- входные сигналы, поступающие с датчиков;
- входные сигналы, поступающие от ЧПУ станков;
- управляющие сигналы для исполнительных устройств;
- управляющие сигналы для ЧПУ станков.
.1 Управляющие сигналы для исполнительных устройств
Для ПР
Зажим ЗУ руки ПР
Разжим ЗУ руки ПР
Прямое вращение ЗУ ПР
Реверсивное вращение ЗУ ПР
Перемещение руки ПР влево
Перемещение руки ПР вправо
Подъем руки ПР
Опускание руки ПР
Выдвижение руки ПР
Втягивание руки ПР
Вращение руки ПР по часовой стрелке
Вращение руки ПР против часовой стрелки
5.2 Для конвейеров
Включение механизма перемещения конвейера-загрузки
Включение механизма перемещения конвейера-разгрузки
.3 Управляющие сигналы для ЧПУ станков
Для токарного станка
Вкл/Выкл станка
Зажим патрона
Разжим патрона
Для шлифовального станка
Вкл/Выкл станка

Разжим патрона
6. Функциональная спецификация
.1 Описание входов и выходов системы
Функция ввода
Ввод данных: информация поступает в систему автоматического управления от
объекта управления (от его датчиков).
Информация, поступающая от объекта управления, содержит в себе сигналы от
датчиков расположенных на станках, конвейерах и роботе. С помощью этих данных
появляется возможность прослеживать состояние ГАУ в любой момент времени.
Функция ввода реализуется аппаратно-программным путем.
Входы:
сигналы, поступающие с УЧПУ станка о состоянии станка (U=24B,I=0,6A);
- сигналы, поступающие с датчиков о наличии (заготовки) детали на
конвейерах;
сигналы, поступающие с датчиков, расположенных на роботе.
Напряжение питания (постоянное) 24 В
Ток нагрузки 20мА
6.2 Функция формирования управляющего слова
Эта функция реализуется программным путем. Формирование управляющего
слова производится на основании вычислений проведенных по составленным
уравнениям (математической модели), которые в явном виде описывают
функционирование ГАУ во всех возможных ситуациях.
6.3 Функция вывода
Вывод данных: выходными элементами для системы управления ГАУ являются
исполнительные механизмы.
Тогда выходы системы:
сигналы на электромагниты пневмоцилиндров (U=24B,I=0,6A);
сигналы на транзисторные ключи ЭДПТ;
сигналы на пускатели асинхронных двигателей;
сигналы, поступающие на станок, предназначенные для управления работой
механизмов станка (U=24B,I=0,6A).
.4 Функции микропроцессорной системы
Функциональная спецификация должна определять какие функции необходимо
выполнять для удовлетворения требований пользователя и обеспечения интерфейса
между системой и её окружением.
1. Тестирование при первоначальном включении и в процессе работы;
. Выполнение поступившего задания посредством формирования маршрута
движения и выдача управляющих сигналов к исполнительным механизмам конвейеров,
промышленного робота и станков в зависимости от заложенного алгоритма и
информации от датчиков;
.1 Формирование переменных математической модели;
.1.1 Считывание данных (информации) от датчиков;
.1.2 Проведение гальванической развязки;
.1.3 Формирование уровней ТТЛ;
.2 Расчет управляющих воздействий;
.2.1 Считывание данных и занесение их в ячейки памяти;
.2.2 Расчет математической модели;
.2.3 Формирование управляющих воздействий;
2.2.4 Вывод управляющих воздействий на порт;
.3 Вывод выходных сигналов;
2.3.1 Гальваническая развязка между микропроцессором и силовой цепью
механизмов;
.3.2 Согласование сигналов на выходе устройства гальванической развязки с
возможным сигналом подаваемом на исполнительные механизмы;
.3.3 Вывод управляющего сигнала на исполнительные механизмы;
.4 Управление исполнительными механизмами;
.4.1 Прием сигнала и соответствующие действия исполнительных механизмов.
7. Разработка функциональной модели
Функциональная модель следующий этап проектирования. Функциональная
модель объединяет одинаковые функции системы в модули. Глобально система
состоит из трёх модулей: ввод, обработка, вывод.
Для реализации системы детализирую их.
Перечень модулей:
модуль преобразования входного напряжения. На вход его поступают сигналы
с датчиков с различными электрическими уровнями. Здесь они преобразуются в
унифицированные значения тока и напряжения необходимые для подачи на вход
следующего модуля. Этот модуль реализуется аппаратно;
модуль гальванической развязки сигналов. Является аппаратным модулем.
Применяются оптроны. Выполняет две функции: защищает от помех микропроцессорную
систему и формирует на выходе сигнал ТТЛ уровня;
модуль мультиплексирования входных сигналов. Реализован аппаратно.
Предназначается для коммутации на входе микроконтроллера слова данных;
модуль ввода данных из порта - программный модуль;
модуль вывода результатов - программный модуль;
модуль вычислений - программный модуль. В нем вычисляется значения
управляющих функций;
модуль записи в регистр (аппаратный) при подаче в регистр сигналов
управления и появлении на выводах порта байта данных;
модуль увеличения нагрузочной способности. Он состоит из инверторов с
открытым коллектором. Тока с выхода регистра не хватает для «подсветки»
фотодиода в оптроне, поэтому приходится применять увеличение нагрузочной
способности;
модуль усиления (аппаратный). Состоит из транзисторных ключей, которые
усиливают ток управления до необходимого уровня;
модуль тиристорных и транзисторных ключей (аппаратный).
Более наглядное изображение (см. лист «Функциональная модель»). Модули
разделяются на программные и аппаратные. Существуют функции, которые
выполняются или только программно, или только аппаратно. Проблемы разделения не
существует. Существуют функции, которые могут быть выполнены альтернативным
путем. Они могут быть выполнены программно, аппаратно либо
программно-аппаратно. При выборе реализации функций используют следующие
критерии:
качество исполнения данной функции (точность, надежность и т.д.);
стоимость реализации функции.
Вопросы качества либо рассчитываются, либо определяются методом
эксперимента. Наиболее дешевый способ реализации функции - это программный.
Поэтому всё, что можно сделать программным путём, необходимо реализовать в
программе.
8. Построение дерева процедур
Дерево вызова процедур это порядок вызова процедур в программе. Оно
представляет собой древовидную структуру, которая показывает уровни вложенности
подпроцедур в процедуры.
циклограмма аппаратный модуль ввод
8.1 Проектирование аппаратной части
Микропроцессорная система состоит из базового элемента МК1816ВЕ51 и
следующих блоков:
блок ввода информации в МП;
- блок вывода информации на исполнительные механизмы из МП;
- блок синхронизации МП;
блок обеспечения сброса.
Принципиальная схема аппаратной части содержит:
аналоговую подсистема ввода;
подсистему коммутации;
микроконтроллер;
подсистему аналогового вывода.
Ввод сигналов с датчиков исполнительных устройств;
Ввод информационных сигналов со станков.
.2Разработка аппаратных модулей ввода
Схема преобразования уровня входных сигналов от датчиков до уровня ТТЛ.
Рис. 1
Входные сигналы поступают с концевиков. Исходные данные для расчёта
напряжение U=24В, I=20мА. Для подачи входного напряжения на оптопару его
необходимо уменьшить и стабилизировать.
Выбираю оптопару 262КП1Б, которая представляет собой полупроводниковую
оптоэлектронную микросхему с диодной оптопарой на входе и интегральным
усилителем, обеспечивающим на выходе уровни сигналов для запуска ТТЛ-схем.
Параметры 262КП1Б:
Напряжение питания 5В±10%
Время задержки включения 350нс
Выходное напряжение логического нуля, не более 0,3В
Выходное напряжение логической единицы, не менее 2,3В
Выходной ток логической единицы (вытекающий), не более 1мА
Входное напряжение логической единицы 0,8-1,7В
Входной ток логической единицы, не более 10мА
Выбираю стабилитрон КС133А, кремниевый, сплавной. Параметры элемента:
Напряжение стабилизации 3,3 В
Ток стабилизации 10мА
Разброс напряжения стабилизации, при IСТ=10мА, при 298К ±10%.
Дифференциальное сопротивление, при IСТ=10мА 65 Ом
В схеме стабилизации резистор R1 снижает уровень входного напряжения, до напряжения стабилизации 3,3В.
Резистор R2 уменьшает напряжение стабилизации
до входного напряжения оптопары.
R1:
R2:
Подсистема коммутации
Подсистема коммутации состоит из трех одинаковых
мультиплексоров-селекторов К555КП16.
Вход А - адресный, он предназначен для переключения четырёх выходных
линий на четыре входные. При подаче на вход А единицы входы D0-D3 соединяются с выходами Q0-Q3. При подаче на
вход А нуля входы D4-D8 соединяются с выходами Q0-Q3. При сигнале
разрешается передача информации с
входа на выход. При сигнале
запрещается передача информации с входа на выход.
Прием сигналов от станков производится через магистральные передатчики
К559ИП4П.
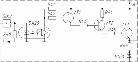
8.3 Разработка аппаратных выходных модулей
Рис. 3
Микросхема К555ИР23 - синхронный восьмиразрядный регистр хранения
информации - с возможностью перевода выходов в высокоимпедансное состояние.
Запись информации в триггеры регистра происходит по спаду импульса
отрицательной полярности на входе С. Информация на входах D1-D8 может меняться
как при лог. 0, так и при лог. 1 на входе С, важна она лишь непосредственно
перед переходом сигнала на входе С с лог. 0 в лог. 1. Выходы микросхемы
находятся в активном состоянии, если на вход ЕО подан лог. 0. Если же на вход
ЕО подать лог. 1,выходы регистра переходят в высокоимпедансное состояние.
Сигнал на входе ЕО не влияет на запись в триггеры, запись может производиться
как при лог. 0, так и при лог. 1 на этом входе.
Для подачи сигнала к пускателям необходимо преобразовать сигнал,
поступающий с регистра, в сигнал необходимого уровня.
С выхода регистра выходит сигнал ТТЛ-уровня, которого недостаточно для
работы оптопары. Необходимо повысить уровень сигнала. Реализацией этой
аппаратной функции занимается модуль увеличения нагрузочной способности. Этот
модуль состоит из инверторов К155ЛН2 - элемент с открытым коллектором. Для
обеспечения входного уровня сигнала в оптопару необходим резистор,
ограничивающий напряжение на входе оптопары.
Рис. 4
Для управления катушки пускателя рассчитаю тиристорный ключ. Напряжения
питания обмотки 220 В, ток порядка 250 мА. Тиристор включен в диагональ
диодного моста. Выбор диодов осуществляю по прямому току, проходящему через
них. Средний прямой ток составляет 300 мА.
Параметры выпрямительного диода Д226А:
Прямое напряжение при IПР=300 мА1 В
Средний обратный ток, не более 50 мкА
Ток при одноразовой перегрузке в течении 10мс 2,5 А
Напряжение смещения5 мВ
Тиристор выбираем КУ202М. Этот тиристор предназначен для работы в
качестве ключей средней мощности.
Параметры тиристора КУ202М:
Напряжение в открытом состоянии при Iоткр=10 А1,5В
Постоянное отпирающее напряжение Iу.от.=200 м А, не более 50 мкА
Постоянный отпирающий ток при UПР.ЗКР. =10
В, не более 10мА
Ток в закрытом состоянии при максимальном напряжении10мА
Минимальный ток в открытом состоянии при UПР.ЗКР. =10 В, не более 300мА
Неотпирающее напряжение на управляющем электроде при max токе 0,2В
Неотпирающий ток на управляющем электроде при max напряжение 2,5 мА
При использовании тиристора между катодом и управляющим электродом должен
быть включен шунтирующий резистор сопротивлением 51 Ом. Этот резистор служит
для подавления помех.
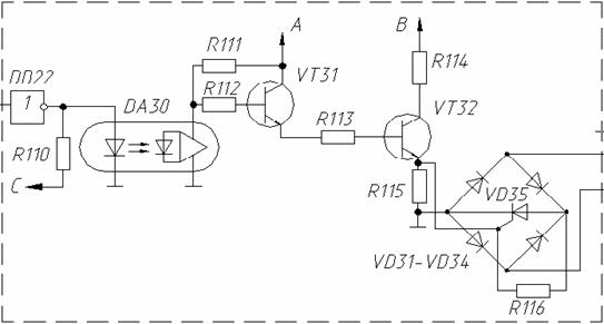
По регистру R112 протекает ток
в 0,3 mA, по регистру R113 - ток в 3 mA, а по регистру R114 - ток в 200 mA.
Используя для расчета закон Ома, получаю номиналы резисторов:
,
,
,
,
.
Выбираю транзистор серии КТ3102Б в качестве
.
Параметры транзистора КТ3102Б:
Постоянная времени цепи обратной связи при Uкэ=5В, Iэ=10mA, нс100
Модуль коэффициента передачи> 1.5
Статический коэффициент передачи50-500
Uграничн, В>30
Iобр при Uкэ=50В, mA0.1
Емкость коллекторного перехода, пФ<6
Uпробоя, В>5
В качестве
- транзистор серии КТ817А. Падение напряжения на
0,1 В.
Параметры транзистора КТ817А:
Ток базы, А1
Ток коллектора импульсный до, А6
Uбэ, В5
Постоянное напряжение UКЭ при RБ=<1кОм, В40
Выбираю транзистор серии КТ3102Б в качестве
.
В качестве
- транзистор серии КТ817А.
В качестве
- транзистор серии КТ819ТМ.
Рис. 5
Параметры транзистора КТ819ТМ:
Uграничн при Iк=0.1А, В80
Коэффициент передачи тока, не менее12
fграничн, МГц3-12
tвыключения не более, мкс2.5
Емкость коллектора перехода, пФ360-1000
Обратный ток коллектора, не более, mА1
Токи и сопротивления находятся аналогично предыдущему случаю.
Вывод управляющих сигналов на станки производится через магистральные
приемники - К559ИП5П.
9. Разработка программного обеспечения
Программное обеспечение для данной микропроцессорной системы управления
строю согласно спроектированной выше функциональной моделью и дерева вызова
процедур.
В программе реализованы следующие процедуры:
инициализации - производится установка начальных переменных, режима
работы регистра;
ввода - чтение данных из порта P1 и сигналов от УЧПУ станков со входа RxD - ввод сигналов от УЧПУ и от датчиков положения
манипулятора, введённые сигналы разбиваются побитно и размещаются в памяти;
расчета математической модели - расчёт функций
и
;
вывод данных - вывод рассчитанных управляющих воздействий в порт Р0.
Программное обеспечение для микропроцессорной системы управления строим
согласно составленной функциональной модели и дерева вызова процедур.
Реализованы следующие основные процедуры:
. Процедура инициализации.
Запуск таймера.
. Процедура ввода данных из портов.
С порта P1 последовательно считывается и
инвертируется информация от датчиков, маскируется и сохраняется в ячейках
оперативной памяти.
. Процедура расчета математической модели.
Производиться чтение с состояния датчиков из ОЗУ. В соответствии с
математической моделью рассчитываются управляющие воздействия. Записываются в
ОЗУ. Формируется два управляющих слова и записываются в регистры РПД.
. Процедура вывода данных в порт/регистр.
Процедура выводит последовательно сформированные управляющие воздействия
в порт BUS микропроцессора для их дальнейшего
использования. Также процедура в зависимости от смены управляющего воздействия
устанавливает интервал времени для выполнения соответствующего действия.
. Процедура обработки прерывания от таймера (Контроль системы).
Выполняет декремент программного счетчика. В случае достижение временной
границы операции (нулевое значение счетчика) производится проверка управляющего
воздействия, если оно есть, то выводиться сообщение об аварии.
Текст управляющей программы приведён в приложении.
Заключение
В ходе выполнения курсового проекта была спроектирована микропроцессорная
система управления ГАУ, предназначенного для обработки деталей - «Крышка
подшипника».
Были разработаны:
функциональная модель системы;
аппаратная и программная часть системы;
принципиальная электрическая схема;
программа на языке ассемблер.
Список использованной литературы
1. «Микропроцессоры. Том 1. Архитектура
и проектирование Микро - ЭВМ» - под редакцией Преснухина Л.Н., М.:Высш.шк.,
1986 г.
2. «Микропроцессоры. Том 2. Средства
сопряжения» - под редакцией Преснухина Л.Н., М.: Высш.шк., 1986 г.
3. «Аналоговые и цифровые интегральные
микросхемы» - под редакцией С.В. Якубовского, 1984 г.
4. «Справочник: интегральные микросхемы»
- под редакцией Тарабарина Б.В., М.: Радио и связь.,1983г.
5. «Резисторы. Справочник» - под
редакцией Андреев Ю.Н., 1981 г.
6. Усатенко С.Т. «Выполнение
электрических схем по ЕСКД», М.: Издательство стандартов, 1989г.
7. «Популярные цифровые схемы:
Справочник» - под редакцией Шило В.Л., Челябинск: Металлургия, Челябинское
отделение, 1988 г.
8. Методические указания к курсовому
проектированию по дисциплине «Микропроцессорные системы управления и
программирования в реальном масштабе времени», Заморский В.В., КамПИ.